粉喷桩首件工程施工方案.doc
- 格式:doc
- 大小:19.00 KB
- 文档页数:5
粉喷桩专项施工方案一、项目概述粉喷桩专项施工方案主要针对桩基施工过程中的一种施工方法。
由于各地地质及施工条件的差异,致使传统桩基施工法在一些复杂地质条件下难以施工,因此采用粉喷桩的施工方法来解决这一问题。
本文将对粉喷桩施工的各个环节进行详细阐述,包括施工前准备、施工程序、施工要点等内容。
二、施工前准备1.工程勘测根据设计要求及施工条件,进行现场勘探。
包括地质勘测、地下水位勘测、地质标贯试验、岩土特性等内容。
确定施工时的桩型、桩径,以及桩基孔洞的深度。
2.施工方案设计根据勘测结果设计施工方案,包括施工机械的选择,施工方法及技术参数的确定。
同时根据地质条件,选择合适的胶结材料,并进行试验评估。
三、施工程序1.钻桩孔洞根据设计要求,在桩位上进行钻桩孔洞。
要求孔洞的直径与设计桩径相适应,孔壁垂直度控制在允许范围内。
2.清孔清理孔洞底部及孔壁,确保无泥沙及杂质的存在。
清孔要求须达到设计要求的清洁度。
3.喷浆采用注浆方法,将胶结材料注入桩孔。
注浆要求注入均匀,确保孔洞内全面充实,并满足胶结材料的强度要求。
4.钢筋布设根据设计要求在桩孔中布设钢筋,钢筋长度根据设计对桩顶的要求而定,补强桩身的抗弯抗剪能力。
5.喷浆再次进行喷浆,将胶结材料注入孔洞,确保钢筋与胶结材料紧密结合,充分利用胶结材料的粘结力,提高桩基的承载力。
6.养护完成喷浆后,对施工的桩基进行养护。
养护时间根据胶结材料的性能而定,一般为7-10天。
四、施工要点1.施工前应对施工现场进行详细检查,确保施工的安全性和有效性。
2.施工过程中要注意孔洞的直径和深度的控制,避免超深或超浅的情况发生。
3.喷浆过程中要注重浆液的均匀注入,避免产生空洞或浆体结块等情况。
4.喷浆时要根据胶结材料的性能及孔洞的要求进行合理的控制,确保达到设计要求。
5.钢筋布设要符合设计要求,钢筋与孔洞要保持一定距离,避免与孔壁接触,影响桩基的整体承载力。
6.施工结束后,要对桩基进行养护,保持桩基的湿度,并按要求进行养护时间。
施工组织方案一、工程概况:1.工程概述本分项工程起点位于k2+000处,终点为k4+300,全长2300m。
2. 水文、地质、地貌本路段位于武汉市黄陂区后湖渔场一带,属冲、湖积平原地貌和垄岗间洼地地貌,沿线不良地质现象主要为软土和弱膨胀土。
二、准备工作1、人员进场情况施工前我项目部已组织专业技术及有丰富施工经验的人员进场,形成了以项目经理为主要负责人的组织机构。
2、机械设备进场情况本分项施工目前所需机械设备现已全部进场。
3、材料进场及试验情况目前该段所需材料已部分进场,完成了土方、土工合成材料、水泥各项试验及粉喷桩的试桩试验;4、测量放样目前该段已完成了水准点、导线点的复核及加密工作,原地面线的测量,断面放样也已完成。
放样情况见测量放样资料。
三、主要工程量1、粉喷桩进场准备工作:2009年12月1日-2010年2月10日;2、粉喷桩施工:(1)、k2+040-k2+413 段2009年12月5日-2010年2月13日;(2)、k2+413-k2+463 段2010年2月20日-2010年3月10日;(3)、k2+463-k2+550 段2010年3月11日-2010年4月1日;(4)、k2+550-k2+680 段2010年4月2日-2010年4月30日;3、砂砾垫层:2010年1月20日-2010年5月5日;4、土工格栅铺设:2010年3月10日-2010年5月1日;5、清淤:2009年12月4日-2010年4月30日;6、铺设土工布及换填:2009年12月10日-2010年5月15日;由于四季美建筑工地正在施工,在范围内堆弃大量土方及k2+200-k2+680段为渔塘还没有清淤,为了保证此项工程顺利完工,上述工序平行进行。
五、施工方案1.粉喷桩施工(1)、施工准备a.进场机具准备施工之前应先检测粉喷桩钻机上的计量器和打印设备的完好性、准确性。
电脑计量器必须送往市以上的计量单位标定、校核,合格后方可施工。
1、工程概况1.1设计概况:本工程为化学水建(构)筑物部分地基处理工程,包括工业废水处理设备和锅炉补给水处理设备地基处理,地基处理均采用粉喷桩改良地基,根据设计要求,工业废水处理站桩数1376根,桩径500mm,桩顶设计标高分别为-2.20m、-3.0m、-1.5m、-5.2m,与其对应的桩长分别约为12m、11.5m、13m、9m;补给水处理站桩数1622根,桩径500mm,桩顶设计标高分别为-4.30m、-2.00m桩长分为10m和12.5m,共计桩长33899.5m。
本工程粉喷桩固化剂采用32.5MPa普硅水泥,水泥掺入量约为被加固土重的10~15%,桩尖进入持力层(14-1)中不少于1.0m,经处理后的复合地基承载力特征值不小于160KPa。
1.2工程地质:详见中南院提供的《岩土工程勘测报告》及甲方提供的《华能岳阳电厂二期扩建工程化水区、煤场区复合地基(粉喷桩)试验报告》,化水区土质主要为人工填土、粉土和粉质粘土。
桩尖持力层为第四系更新统冲积层(Q3al),为硬塑粘土层。
2、施工准备2.1施工机具:采用三台PH-5B深搅钻机,确保设备完好率达99%,满足工程要求。
2.2施工前进行室内配合比试验,以确定采用最合适的水泥品种,水泥掺入量,水灰比等,施工时可根据试桩施工参数做适当调整。
2.3作好图纸会审及材料进场检验工作。
2.4提前作好开工报审工作。
2.5根据场地情况对现场稍作平整,根据建设方提供的标高和座标控制点,再用全站仪测设出该区域内各轴线的控制交点,并用红油漆标示,控制点用砼保护好,然后用全站仪和钢卷尺量出各桩位中心点。
3、粉喷桩的施工3.1机具和材料选用材料要求:喷粉使用的粉体固化剂为32.5级普通硅酸盐水泥,要求新鲜无结块,入罐时应经筛网过筛,最大粒度不超过5mm,不得含有纸屑、塑料布、石子等杂质;机具设备:喷粉桩机及配套水泥罐、灰罐及喷粉系统、空气压缩机等。
喷粉桩机由液压步履式底架、井架和导向加减压机构、钻机传动系统、钻具、液压系统、喷粉系统、电气系统等部分组成。
水泥粉喷桩工程施工方案三、施工工艺及施工方案1、机械设备及人员配备我部采用其型号为PH-5型液压步履式粉喷桩机,并配有储灰罐、粉体发送机、空压机、压力胶管以及经市级以上有关部门认可的电脑自动打印装置的喷灰计量装置和显示钻杆钻进时电流变化的电流表、压力表(配标定证书)。
为防止施工断电,每台钻机均配有75KW发电机组一套,每一台桩机配备电工1人,机械工5名,民工5人。
2、场地平整及设备布置:(1)、在粉喷桩钻机和发电机以及材料进场之前,进行粉体搅拌桩施工的场地,事先应予平整,清除桩位处地上、地下的一切障碍物(包括石块、树根和垃圾等),场地低洼时,应回填与处理地质相同的土质(不得回填杂土),压实度不低于85%,使之符合粉喷桩施工要求。
(2)、在通道涵洞处涵洞基底的标高即为粉喷桩桩顶的施工标高,因此在进行粉喷桩施工前应将场地按涵洞基底标高平整。
(3)、根据场地情况将发电机及储料棚布置于地势稍高处,以防止雨后积水影响水泥品质和损坏施并在其周围开挖排水沟,工机具,确保粉喷桩施工质量优良。
3、施工测量与放样:(1)、为保证粉喷桩位置的准确性,我部安排一位已从事公路桥梁测量10年以上的测量工程师专门负责粉喷桩的测量放样工作,测量仪器采用日本产拓普康全站仪及北光产自动安平水准仪。
(2)、在场地整平后,我部在测量组对粉喷桩控制桩位放样完毕后,我部实行三级检验制度对其进行检验即:现场技术人员检验-→内部监理工程师检验-→外部监理工程师检验,合格后进行粉喷桩桩位的放样,按图纸中的桩距和经监理工程师批准使用的粉喷桩桩位布置图进行梅花形布置,并用白灰和竹钎作明显标记。
4、施工中各参数的控制钻进速度:80~100cm/分提升速度:50~80cm/分搅拌速度: 30~50转/分每米水泥用量:50kg/m钻进、复搅及提升时管道压力空气压力:0.1~0.2Mpa喷灰时管道压力:0.2~0.4Mpa5、钻机就位应满足图纸要求,用水平尺检查钻机转盘的水平度和用垂球检查钻杆的垂直度,其垂直度偏差不得大于1.5%,为确保垂直度控制良好,我部在钻机四个支座处加设较大面积的钢板,使钻机在钻进中保持平稳,钻进时要经常检查垂直度,如发现偏差则边钻进边调整,对于设计长度较长的水泥搅拌桩,在开始时保持较慢的钻进速度,待机身稳定后再加快钻进速度。
一、工程概况本工程地基处理采用粉喷桩技术,主要应用于软土地基处理。
粉喷桩施工工艺具有施工简便、速度快、成本低、质量可靠等优点。
本方案主要针对粉喷桩的施工过程进行详细阐述。
二、施工准备1. 工程材料:水泥、粉体、砂石等。
2. 施工设备:粉喷桩机、钻机、空压机、搅拌机、输送泵等。
3. 施工人员:具备粉喷桩施工经验的技术人员、操作人员及管理人员。
4. 施工场地:确保施工场地平整,无障碍物。
三、施工工艺1. 施工流程:(1)放线定位:根据设计图纸,利用经纬仪、钢卷尺等仪器,确定桩位,绘制桩位网格图。
(2)钻机就位:将钻机移至桩位,对正竹签,复核机架垂直度及钻头直径。
(3)钻进:启动主电机与空压机,待空压机送气后,从慢到快分档逐级加速顺时针垂直钻进,钻进深度用深度计或在井架上刻度显示。
(4)喷灰搅拌:提升钻机,使双螺旋搅拌头到达设计桩底标高后,改为逆时针旋转,启动送灰机,待水泥灰达到喷灰口一定时间后,开始提升钻头,边喷粉,边搅拌,边提升。
(5)复搅:当钻头提升至地面下0.5米深时停止喷灰,关闭送灰机,启动空压机送气,钻头迅速换档正向转动钻进规定复搅深度处,原位搅拌1分钟再反向重复前次搅拌、提升过程,保证复搅长度达设计要求。
(6)成桩移机:复搅结束后,关闭空压机,送灰机消散所有管道压力,再关停钻机主电机,然后开启液压步骤,钻机移位。
2. 施工要点:(1)水泥应新鲜干燥,水泥灰应过筛,防止大块杂物混入灰罐。
(2)施工时灰罐内的粉量应大于450kg,灰罐容量应满足施工需求。
(3)钻进过程中,应确保钻头垂直度,防止偏移。
(4)喷灰搅拌过程中,应确保水泥灰均匀分布,避免出现空白区域。
(5)复搅过程中,应保证复搅长度满足设计要求。
四、质量控制1. 材料质量控制:确保水泥、粉体、砂石等材料符合设计要求。
2. 施工过程控制:严格控制钻进、喷灰搅拌、复搅等工序,确保施工质量。
3. 成桩质量检测:采用无损检测、载荷试验等方法,对成桩质量进行检测。
粉喷桩专项施工方案一、施工方式一、施工顺序及施工工艺水泥粉喷桩的要紧施工顺序为:施工预备→钻机就位→钻进→提升喷粉搅拌→升到设计标高后再复钻→提升复拌喷灰→升到设计标高后停机→下一桩循环施工。
二、施工质量操纵(1)施工预备。
粉喷桩施工前应预备以下施工技术资料:施工厂地的工程地质报告,粉喷桩设计桩位图,原地面高程数据表,加固深度与停灰面高程和测量资料等。
施工机具预备,进行机械组装和试运转。
粉喷桩的施工工艺依照设计要求采纳的一般硅酸盐水泥作为固化剂干法施工,搅拌桩采纳现场取芯试样(28天龄期)的无侧限抗压强度达到。
施工前进行水泥土实验,以确信适合的水泥掺入量,通过试桩来确信。
试桩6根,通过试桩来确信钻进速度、提升速度、搅拌速度、喷气压力、单位时刻喷粉量等。
粉喷桩所用的水泥应符合设计要求,并有产品合格证,并经室内查验合格才能利用,严禁利用受潮、结块变质的加固料。
(2)工艺性试桩。
粉喷桩正式施工前要先进行成桩实验,水泥掺入比参考值为48—50kg/m.粉喷桩施工前应做好加固土室内实验,依照设计要求的无侧限抗压强度,按7天龄期的实验功效求出适合的掺入比.以确信:①要穿过软土层的实际深度;②了解各软土的阻力,以确信钻进及提升速度和喷粉量。
在实际工作中依照其抽芯质量情形发觉,对含水量较大的软土,提升速度要慢,风量要大才能保证成桩质量;对砂层,专门是粗砂层,提升速度应较淤泥层快,风量应较淤泥层的小。
(3)各要紧工序的质量操纵要点。
①依照设计,确信加固放置机体位置的基础(即加垫砂层),使搅拌桩机机轴维持垂直,误差不该大于5cm,调剂桩机支腿油缸使钻机钻杆倾斜度不大于1%,以防打斜桩,阻碍桩基承载力。
②关闭粉喷机灰路阀门,打开气路法门。
③开动桩机,启动空压机并缓慢打开气路调压阀,对桩机供气。
桩机慢慢加速,正转预搅下沉。
观看压力表念书,随钻杆下钻压力增大而调剂压差,使后阀较前阀大~。
当钻至接近设计深度时,应用低速慢转钻,钻机机原位转动1-2min。
粉喷桩施工方案1粉喷桩施工方案1一、概述为了确保路基工程施工质量,并符合环保和职业健康安全等要求,编制本作业指导书。
二、适用范围适用于漯平高速公路标路基工程?三、参照文件1.《公路路基施工技术规范》(JTJ033-95)2.《公路工程质量检验评定标准》(JTJ071-98)3.《中华人民共和国环境保护法》4.《中华人民共和国安全生产法》四、概况及地质地质情况漯平高速第三合同段,不少路段的土质为流塑~软塑状低液限粘土及少量低液限粉土组成。
它具有含水量高、孔隙比大、高压缩性、低强度等特殊的物理力学性质的软土,属特殊地基,据其物理力学指标和地质钻探资料反映,地基稳定性不足,故采用粉喷桩加固地基,使桩与原软土地质构成复合地基,提高地基承载力,减少沉降量,满足设计要求。
管段工艺性试桩结果:根据粉喷桩试桩施工以及通过对工艺性试桩(包括机械性能的调试)的检测结果来看,按每米50kg的水泥掺入量已达到和满足设计强度的最佳灰土比值。
此次试桩水泥采用平定山生产的七里岗牌普通硅酸水泥,根据粉喷装施工区域的取土试验数据表明:最大干密度为cm3,现场实测湿密度为:cm3,土的含水量为%,干密度为g/cm3。
六、施工准备1、施工场地准备:粉喷桩施工前进行清表,并根据现场情况如果钻机不能进场则铺设50cm厚砂性土平整压实,以方便机械移动和施钻。
2、施工机械设备:①、钻机钻机是粉喷桩施工的主要成桩机械。
它必须满足以下要求:动力大、扭矩大,适合大直径钻头成桩。
具有正向钻进,反向提升功能。
提升力大,并能实现匀速提伸。
根据以上要求,我们选用PH型系列钻机。
粉喷机是定时设置发送粉体材料的设备。
它是粉喷搅拌法加固软土地基施工机械中的关键设备。
粉体的定量输出,由控制转鼓的转速来实现。
应根据施工时钻机的提升速度、钻机钻速、搅拌钻头的类型,选用合理的分体发送量。
YP-1型分体发送器(附计量装置)。
③、空气压缩机空压机的选型,主要以加固工程地质条件和加固深度为依据。
粉喷桩施工方案一、项目背景粉喷桩是一种常用的地基处理技术,广泛应用于建造、桥梁、隧道等工程中。
本文将详细介绍粉喷桩施工方案,包括施工方法、施工工艺、施工设备和施工流程等内容。
二、施工方法1. 粉喷桩施工方法主要包括湿法和干法两种。
湿法粉喷桩施工是在钻孔中注入水泥浆体,然后在桩孔中喷射混凝土。
干法粉喷桩施工是将干燥的水泥粉末与空气或者气体混合后,通过喷枪喷射到桩孔中。
三、施工工艺1. 湿法粉喷桩施工工艺:a. 钻孔:根据设计要求,在地面上钻孔,并确保孔径和深度符合设计要求。
b. 注浆:使用注浆泵将水泥浆体注入到钻孔中,注浆压力根据地层条件和孔径而定。
c. 喷射混凝土:在注浆后,使用喷射泵将混凝土喷射到钻孔中,形成粉喷桩。
2. 干法粉喷桩施工工艺:a. 钻孔:同湿法粉喷桩施工工艺。
b. 准备混合料:将干燥的水泥粉末与空气或者气体混合,形成干燥的混合料。
c. 喷射混合料:使用喷枪将干燥的混合料喷射到钻孔中,通过添加适量的水,混合料在钻孔中固化形成粉喷桩。
四、施工设备1. 湿法粉喷桩施工设备:a. 钻机:用于钻孔。
b. 注浆泵:用于将水泥浆体注入到钻孔中。
c. 喷射泵:用于将混凝土喷射到钻孔中。
2. 干法粉喷桩施工设备:a. 钻机:同湿法粉喷桩施工设备。
b. 喷枪:用于将干燥的混合料喷射到钻孔中。
五、施工流程1. 湿法粉喷桩施工流程:a. 钻孔:根据设计要求,在地面上钻孔。
b. 注浆:使用注浆泵将水泥浆体注入到钻孔中。
c. 喷射混凝土:在注浆后,使用喷射泵将混凝土喷射到钻孔中。
d. 桩头处理:根据需要,对喷射完成的粉喷桩进行修整和处理。
2. 干法粉喷桩施工流程:a. 钻孔:同湿法粉喷桩施工流程。
b. 准备混合料:将干燥的水泥粉末与空气或者气体混合。
c. 喷射混合料:使用喷枪将干燥的混合料喷射到钻孔中。
d. 桩头处理:根据需要,对喷射完成的粉喷桩进行修整和处理。
六、施工质量控制1. 施工前,应对施工现场进行勘察,了解地层情况,确保施工的可行性。
粉喷桩施工方案一.施工准备(1)参加设计单位的技术交底,进行图纸的自审和会审工作,进行施工技术交底和安全技术交底;(2)编写详细的分部施工组织设计,送交建设单位或监理单位审定;(3)组织机械设备进场,组装、调试;(4)与甲方做好测量控制网点的交接工作,按图纸测放桩位,绘制桩位编号图。
(5)收集有关技术资料,重点熟悉施工场地的工程地质及水文地质资料,并认真理解、掌握设计意图及有关要求。
(6)掌握操作规程及搅拌桩的〃四搅二喷〃法工艺流程,了解选用设备的性能。
(7)平整场地,清除地上和地下的障碍物,设定场地标高控制点。
(8)检查水泥(固化剂)质量是否符合设计要求,是否具备合格证明;检查是否进行过加固土室内试验。
如需补做试验,应将其结果及时反馈至设计单位。
二、主要施工机具配置(1)粉喷桩桩机:采用铁道部武汉工程机械研究所生产的PH-5D型桩机;(2)粉体发送器,如YP-I型;(3)空气压缩机:Q>lm3∕min;(4)搅拌钻头:直径①580,钻头的型式应保证在反向旋转提升时,对加固土体有压密作用。
=■粉喷桩(干法)施工流程干法粉喷桩的施工工艺流程为场地平整、施工放样、钻机定位、钻杆下沉钻进、喷粉提升强制搅拌、搅拌、喷粉、搅拌、再喷粉,提出钻杆、移机。
粉喷桩施工必须作好施工流程控制,通常一个粉喷桩的施工过程应遵守以下施工程序:(1)平整场地,整套设备依实际地形安装就位。
(2)喷粉桩机自动纵横向移位,钻头对准孔位(图8-2(a)\(3)启动搅拌钻机,钻头正向旋转,实际钻进作业。
为了不致堵塞钻头上的喷射口,钻进过程中不喷固化料,只喷射压缩空气,既确保顺利钻进,又减小负载扭矩。
随着钻进,使被加固的土体在原位受到搅动(图8-2(b)l(4)钻至设计孔底标高并进入持力层停钻(图8-2(C)X(5)启动搅拌钻机,反向旋转提升钻头,同时打开发送器前面的控制阀,按需要量向被搅动的疏松土体中喷射加固粉体料,边提升边喷射边搅拌,尽量达到均匀搅拌,使软土与固化料充分混合,喷射量与控制阀的开放大小成正比,与钻头的提升速度成反比(图8-2(d)λ(6)当钻头提升至高出桩顶40~50cm时,发送器停止向孔内喷射粉料,桩柱形成,将钻头提出地面(图8-2(e)l(7)再次向正旋转下降钻头,进行复搅拌深度(喷射粉体),直到钻头提出地面,即完成该桩的施工转入另一桩位。
粉喷桩施工方案一、项目背景粉喷桩是一种常见的地基处理方法,广泛应用于建造工程、桥梁工程等领域。
本文将详细介绍粉喷桩的施工方案,以确保工程质量和安全。
二、施工准备工作1. 确定施工地点:根据工程设计要求,确定粉喷桩的施工位置和数量。
2. 材料准备:准备所需的水泥、石灰、水、粉煤灰等材料,并按照一定比例进行配制。
3. 设备准备:准备喷射泵、输送管、喷射枪等设备,并进行检查和维护,确保其正常运行。
三、施工步骤1. 地面准备:清理施工区域,确保地面平整,并进行必要的围护措施。
2. 喷射桩孔:根据设计要求,使用喷射泵将混合材料喷射到地下,形成桩孔。
3. 钢筋布置:在桩孔内部布置钢筋,以增强桩的承载能力。
4. 喷射桩身:使用喷射泵将混合材料喷射到桩孔内,形成桩身。
喷射过程中,需要控制喷射压力和喷射速度,以确保桩身的均匀性和密实性。
5. 桩顶处理:在桩顶部份进行修整和抹平,以确保桩顶的平整度和垂直度。
四、施工注意事项1. 施工过程中,要严格按照设计要求进行操作,控制混合材料的比例和喷射参数,以确保施工质量。
2. 施工现场要设置警示标志,并配备专人进行监督和管理,确保施工安全。
3. 施工过程中要及时清理施工区域,防止混凝土固化阻塞设备。
4. 施工结束后,要进行必要的验收和检查,确保粉喷桩的质量达到设计要求。
五、施工质量控制1. 施工前要进行现场勘察和土质测试,确保施工地点的适宜性。
2. 施工过程中要进行质量把关,对混合材料的配制比例、桩孔的布置、桩身的喷射等进行检查和控制。
3. 施工结束后要进行质量验收,检查桩的均匀性、密实度、垂直度等指标,确保施工质量达到设计要求。
六、安全措施1. 施工现场要设置安全警示标志,明确施工区域,防止他人进入施工区域。
2. 施工人员要佩戴安全帽、安全鞋等个人防护装备,并进行必要的安全培训。
3. 施工设备要定期检查和维护,确保其安全可靠。
4. 施工过程中要注意防火防爆,禁止吸烟和使用明火。
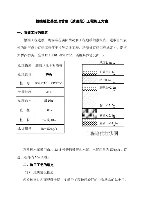
粉喷桩软基处理首建(试验段)工程施工方案一、首建工程的选定根据工程进展、现场准备实际情况和工程地质勘察报告,选取有代表性的地层作为首建工程便于指导后续工程。
粉喷桩首建工程选定为:潮河大桥西桥头,桩号K32+716~K32+750,该桩具体情况如下: 黏土-12.0m 粉砂-15.4m亚砂土-16.4m粘土0.6m 亚砂土-0.1m亚砂土1.4m 地面5.4m工程地质柱状图粉喷桩水泥采用山水32.5号普通硅酸盐水泥,水泥用量为50kg/m 。
首建工程都为10m 长桩。
二、施工工艺的确定 (1)、地质情况描述粉喷桩穿过表面亚砂土层,支承于工程地质较好的中密状态的黏土层。
(2)、室内配合比试验在试桩部位现场取土,保持原状土含水量,与水泥混合,配制不同配比的试件,进行不同龄期的无侧限抗压强度试验,选取符合设计强度的配比作为现场施工依据。
(3)、施工工艺的确定根据设计图纸第二册《说明》和《公路软土地基路堤设计与施工技术规范》JTJ017-96第6.9加固土桩要求,粉喷桩采用水泥深层搅拌施工。
试桩时拟采用“四搅一喷”施工工艺对比,即四次搅拌工艺:预搅上下两次、复搅上下两次共四次,预搅上提时一次完成喷粉,距离地面50cm时停止喷粉,然后整桩复搅一次。
试桩10根。
施工工艺流程图附后。
(4)、成桩试验目的通过成桩试验,确定满足设计喷入量的下列技术参数:①、钻进速度;②、提升速度;③、搅拌速度;④、喷粉压力;⑤、单位时间喷入量。
三、施工技术措施(1)、测量放样①、平面位置控制。
平面定位采用全站仪放出软基处理范围,人工钢尺纵横量距(按设计桩距)布出每根桩位中心,并钉木桩标示于地面。
②、高程控制。
场地整平后,测量原地面标高作为桩长控制的起始标高。
(2)、原地表整平清除原地表农作物,推土机大致整平原地面,来回初步压实,保证钻机顺利进场。
(3)、钻机就位启动钻机液压系统步履移位至已确定的桩位,调正导轨垂直度,钻头对中桩位,使钻盘中心、钻头中心、桩位中心在一条铅垂线上。
一、编制说明1、目的为加强路基软基施工全过程控制,确保工程质量。
2、适用范围适用于通启高速公路TQ-9标软基处理施工。
3、编制依据:《公路软土地基路堤设计怀施工技术规范》JTJ017-96《公路工种质量检验评定标准》JTJ071-98通启高速公路软处地基的设计要求。
二、工程基本情况本次粉喷桩首件工程位置在K209+751圆官涵软基处理过渡段,该段粉喷桩桩径为0.5m,桩长为8.8m,桩距为1.8m.三、施工场地简况1、现有电源、水源情况粉喷桩施工用电为自发电,配备75KW发电机用于施工,现场施工用水采用从就近鱼塘取水。
2、现场道路、场地情况软基处理开工前将完成施工现场的清理和施工便道的修筑,确保施工机械顺利进场。
3、探明地下障碍物情况(光缆、电缆、输油管线、老基础、砼地坪等)。
无。
四、粉喷桩施工1、主要施工机械粉喷桩施工使用上海探矿机械厂生产的GPF-5型工程钻机,配套设备有YP-1型粉喷机、自动计量仪、W-1.6/1.0型空压机,1m3的贮气罐、75KW发电机等。
本项工程计划安排20台粉喷机进场施工。
2、材料要求成桩固化剂采用32.5#普通硅酸盐水泥,要求新鲜、干燥、无团块、严禁使用过期、受潮水泥、必须有质保单,水泥总用量为8475吨。
3、成桩工艺和保质措施1)成桩技术要求应符合表32)成桩工艺流程见下框图3)各施工工序和保质措施(1)施工前工程技术负责人和施工人员必须熟悉设计图纸和设计要求以及地质条件,弄清暗浜范围,必要时用小钻验证,如与原地质报告有出入,经与设计人员商定调整桩位。
(2)测量场地地面标高,以此确定钻孔深度和停灰面深度,如场地高差较大,应测不同区块原标高,确定相应的钻孔深度和停灰面深度。
(3)放桩位用经纬仪和钢尺定位、编号、钉竹板桩,中心误差小于2cm。
(4)检查设备设备安装之后,应进行检查,尤其是高压设备、管路系统,其压力流量必须满足设备要求,喷灰管内不得有任何杂物且保证其长度不大于60米,压力管接头密封圈改必须良好。
粉喷桩试桩施工方案一、工程概況该区为冲积平原和残丘地貌,沉积物上部多为灰色的含粉细砂淤泥,底部为砾砂沉积。
本期工程护岸总长度为247.65m,根据场地工程地质钻探揭示,护岸所处地质为软弱土层,必须进行加固才能够满足使用要求。
地基处理拟采用施打粉喷桩进行加固处理,地基加固处理完后直接进行护岸结构的砌筑。
本期需要进行地基处理的主要土层为南粤物流储运中心码头工程护岸区淤泥土层。
本次设计坐标系统采用1954年北京坐标系,高程采用当地理论最低潮位。
二、编制依据1. 《建筑地基处理技术规范》(JGJ79-2002);2. 《建筑地基基础设计规范》(GB50007-2002);3. 《港口工程地基规范》(JTJ250-98);4。
《水运工程质量检验标准》(JTS257—2008);8. 部颁及国家发布的其他相关标准、规范及资料三.现场岩土条件(一)场地地形地貌建场区位于东江三角洲南部,属于剥蚀堆积地形-—三角洲地形,为冲积平原和残丘地貌。
东江三角洲的顶点位于石龙,河道由此分支,首先分为二条,然后又分为三条主要河道,其流向由北东向南西流向狮子洋水道,三条干道之间又各有2~4条次一级的支流,河道分叉又复合,复合又分叉,纵横交错,构成网状,东江三角洲表面平坦,其中稀稀落落的散布不少不等的残山,高度不大,形状不一,三角洲平面仅高至平均海面0。
5~2.0m,所以在涨潮期间如无围堤则不少地方将受潮水淹没,因而沿河岸必筑围堤.三角洲上的沉积物上部多为灰色的含粉细砂淤泥,底部为砾砂沉积,从沉积物分析有陆成特点,又有海成特征,以陆成为主。
(二)陆域形成区地层结构特征ml)1.第四系近代人工填土层(Qh①素填土:褐黄、灰黄色,黄褐色,松散,主要由粘性土和粉细砂、中粗砂组成,靠近鸿辉建筑材料有限公司一侧已有房建项目部临时板房,局部地段含有少量建筑垃圾,填土稍密~密实。
该土层分布较均匀,层厚最大值为4.10m ,最小值为2。
00m,平均值为2.70m;层底标高最高为3。
粉喷桩施工方案粉喷桩施工方案一、项目背景粉喷桩,也称喷射桩,是指在地下工程中,利用高压泵将水泥浆料喷注到土层中形成桩体。
粉喷桩具有施工快速、成本低廉、适应性强等优点,因此在地基处理中得到广泛应用。
本方案针对某个具体工程的粉喷桩施工进行详细介绍。
二、施工准备1. 确定施工地点:根据工程需要和土层情况,确定粉喷桩施工的位置和数量。
2. 现场勘察:对施工地点进行详细的勘察,包括土层情况、地下水位、地质特征等,以供后续施工参考。
3. 设备准备:准备好所需的粉喷桩施工机械设备,包括高压泵、输送管道、喷射枪等。
4. 材料准备:准备好所需的水泥和砂浆等施工材料,保证质量合格。
三、施工步骤1. 地面准备:清理施工区域,保持地面平整,确保施工机械设备的稳定性。
2. 打桩孔:根据设计要求,在施工地点进行打桩孔,孔径和深度根据实际情况确定。
3. 钢筋布置:根据设计要求,在打桩孔内布置钢筋,保证桩体的加固强度。
4. 现浇混凝土:利用高压泵将水泥浆料喷射到打桩孔中,形成桩体。
喷口的位置和喷射压力根据实际土层情况进行调整。
5. 桩头处理:在喷注完成后,对桩头进行露出处理,以便后续的连接使用。
6. 质量控制:对每一个粉喷桩进行质量检查,包括桩的深度、直径、强度等,确保施工质量符合要求。
四、安全措施1. 施工人员必须穿着合适的安全装备,如头盔、防护眼镜、防护手套等。
2. 确保施工现场的围栏和标志牌完好无损,以警示周围人员注意施工。
3. 在施工过程中,严格遵守操作规程,确保施工机械设备的正常运行。
4. 施工现场必须有专人进行监督,确保施工过程中的安全和质量。
五、施工进度安排根据具体情况,合理安排施工进度,确保施工周期的合理性和效率。
六、施工结果评估施工结束后,对粉喷桩进行评估,包括桩体的强度、稳定性和使用寿命等,以评估施工效果。
七、工程后续处理如果粉喷桩在工程中需要进一步连接或处理,需要根据具体要求进行后续施工。
以上是粉喷桩施工方案的基本内容,具体的施工步骤和安全措施要根据实际情况进行调整和完善。
粉喷桩施工方案一、项目背景粉喷桩是一种常用的地基处理方法,广泛应用于建造、桥梁、隧道等工程领域。
本文将详细介绍粉喷桩的施工方案,以确保施工过程的安全、高效和质量。
二、施工准备1. 设备准备(1)粉喷桩机:确保设备完好,具备稳定的喷射能力。
(2)喷射材料:根据工程要求选择合适的喷射材料,如水泥、砂浆等。
(3)辅助设备:包括输送管道、喷嘴、喷射枪等。
2. 施工人员(1)项目经理:负责整个施工过程的组织和协调。
(2)技术人员:负责监督施工质量和解决技术问题。
(3)施工人员:具备相应的技术经验和操作能力。
3. 施工材料准备(1)水泥:按照设计要求选用合适的水泥。
(2)砂浆:选用符合要求的砂浆,确保施工质量。
(3)其他辅助材料:如钢筋、锚具等。
三、施工步骤1. 地面处理(1)清理施工场地,确保施工区域的平整和清洁。
(2)根据设计要求进行地面标高测量和标记。
2. 喷射桩孔准备(1)根据设计要求,确定桩孔的位置和数量。
(2)使用钻机或者挖掘机进行桩孔的开挖,保证桩孔的垂直度和直径符合要求。
(3)清理桩孔内的杂物和泥浆。
3. 桩孔加固(1)根据设计要求,将钢筋按照要求放入桩孔内,并进行绑扎。
(2)根据设计要求,在桩孔内安装锚具,确保桩身的稳定性。
4. 粉喷桩施工(1)将喷射材料(如水泥和砂浆)按照一定比例进行搅拌。
(2)使用粉喷桩机将喷射材料喷射到桩孔内,形成均匀的桩体。
(3)根据设计要求,控制喷射材料的厚度和均匀性。
5. 桩顶处理(1)根据设计要求,对桩顶进行修整和整平。
(2)检查桩顶的标高和水平度,确保符合要求。
6. 现场清理(1)清理施工现场,清除杂物和残渣。
(2)清理施工设备和工具,确保设备的正常使用寿命。
四、质量控制1. 施工过程中,严格按照设计要求和相关规范进行操作。
2. 定期检查施工现场,确保施工质量和安全。
3. 进行必要的质量检测,如桩孔直径、桩体均匀性、桩顶标高等。
4. 如发现施工质量问题,及时采取纠正措施,确保工程质量。
粉喷桩施工方案1一、施工前准备在进行粉喷桩施工之前,需要做好以下准备工作: - 根据工程设计要求,确定施工目标和方案; - 准备施工所需的材料和设备,并进行检查和测试; - 检查施工场地的地质条件,确保符合粉喷桩施工要求; - 制定施工计划,并明确各项工作任务的责任分工; - 安排施工人员进行安全培训,并督促遵守相关安全规定。
二、施工工艺粉喷桩施工的一般工艺步骤如下: 1. 勘察定位:根据设计要求,在场地上进行桩位的勘察定位,确定粉喷桩的准确位置和布设方式。
2. 打桩前准备:确定桩位后,进行现场布线并标定桩位,钻孔前应对场地作好整理和平整,并清除钻孔处的杂物。
3. 钻孔施工:根据设计要求选择合适的钻孔机具进行钻孔作业,确保孔径和深度符合要求,并注意控制钻孔的倾斜和偏移。
4. 注浆处理:在钻孔过程中,需进行注浆处理以确保孔壁的稳定和密实,通常选择适宜的水泥浆料进行注浆。
5. 桩体浇筑:在完成注浆处理后,根据设计要求将粉喷桩混凝土浆料浇入钻孔中,确保桩体的质量和强度。
6. 桩头处理:在桩体浇筑完成后,对桩头进行整理和拓宽处理,以确保桩头的结构完整和稳定。
三、施工质量控制为保障粉喷桩施工质量,应加强如下方面的质量控制: - 实施严格的施工工艺和操作规范,确保每一道工序的质量达标; - 严格控制桩位的位置和偏差,避免影响桩群的工作性能; - 定期对施工过程中的各项数据进行监测和记录,及时发现和处理问题; - 对施工现场和施工设备进行定期检查和维护,确保施工的顺利进行;- 将施工过程的关键环节进行复查和验收,确保施工质量符合要求。
四、施工注意事项在进行粉喷桩施工时,需注意以下事项: - 确保施工作业人员具备相关资质和技能,熟悉施工工艺和操作规程; - 严格执行安全操作规程,遵守现场安全规定,确保施工作业人员安全; - 注意施工过程中的环境保护和资源节约,合理利用施工材料和设备,避免浪费; - 若施工过程中出现问题或异常情况,应及时与相关部门和工程设计单位沟通协商,采取有效措施处理。
目录第一章工程概况 (1)第一节编制依据 (1)第二节工程概况 (1)第三节粉喷桩概况 (1)第二章施工组织 (2)第一节管理人员组织 (2)第二节人机料组织 (2)第三章施工流水与工期部署 (3)第一节支护桩周粉喷桩施工流水与工期部署 (3)第二节被动区加固粉喷桩施工流水与工期部署 (4)第四章施工工艺 (5)第一节施工工艺流程图 (5)第二节粉喷桩施工步骤 (5)第五章施工中常见问题和处理方法 (6)第六章施工过程记录 (7)第七章质量保证措施 (7)第八章安全文明措施 (8)附表一:水泥粉喷桩施工记录附表二:水泥粉喷桩施工成果汇总表第一章工程概况第一节编制依据黄石万达广场基坑支护设计图纸2013年9月17日(2013年9月29日盖章版)黄石万达广场地质勘察报告(电子版)2013年8月8日《建筑地基处理技术规范》JGJ79-2002《建筑地基基础工程施工质量验收规范》GB50202-2002第三节粉喷桩概况本工程粉喷桩施工分为三个部分:(1)支护桩周加固粉喷桩;(2)被动区加固粉喷桩;(3)基坑内土体加固粉喷桩(待定)。
依据图纸《04支护平面》中设计施工总说明:单头搅拌桩用于桩间加固及被动区加固,桩径500mm,间距400mm,水泥用量要求有效桩部分60Kg,各段的有效桩长和非有效桩长详见各段的剖面图。
第二章 施工组织 第一节 管理人员组织为强化施工现场组织管理,确保粉喷桩工程施工质量,保证工程按期完工,做到施工现场安全文明,成立粉喷桩工程管理小组,组织机构图如下。
第二节 人机料组织1.机械组织1.1深层搅拌机:采用铁道部武汉工程机械研究所生产的PH -5B 型桩机; 1.2粉体发送器,如YP -1型; 1.3空气压缩机:Q>1m ³/min ;1.4搅拌钻头:直径Φ500mm ,钻头的型式应保证在反向旋转提升时,对加固土体有压密作用。
3.材料组织本工程使用材料仅有水泥一种,即P.O.42.5级水泥,水泥厂销售处直接送货到施工现场。
粉喷桩首件工程施工方案1
粉喷桩首件工程施工方案
一、工程概况
本标段起讫桩号为K52+600~K63+760,全长11.16公里,全线共有大桥2坐、分离立交5座、公铁立交1座、匝道桥1座、通道20座、箱涵箱通7座、圆管涵12座,共计48座。
本标段大部分路段地基土层下部为,砂质粘土层和未胶结的砂砾层,上部为粘性大不渗水的砂质黄土,其中砾石较少,近地表沉积多为河滩淤积和冲积层。
对于采用强夯处理对周围建筑物影响较大的桥头和挡墙段,采用粉喷桩处理。
我标段粉喷桩总计175634延米。
长桩每根10m,短桩每根7m,桥头加固土桩分为ABC三个区加固,等边三角形布置,A区桩间距为 1.2m,B区桩间距为1.5m,C区桩间距为1.8m。
桩径为0.5m。
二﹑编制依据
1、《粉体喷搅法加固软弱土层技术规范》(TB10113-96)
2、《公路路基施工技术规范》(JTG F10-2006)以及其他现行技术规范
3、济南至徐州高速公路施工技术规范。
4、现场踏勘调查所获得的有关资料
三、试桩目的
通过试桩,确定粉喷桩的最佳工艺及钻进速度、提升速度、
搅拌速度、喷气压力、单位时间喷入量等施工参数。
进而科学的指导粉喷桩的全面施工,保证粉喷桩施工操作在受控状态下按规定程序和要求进行施工。
粉喷桩常用施工工艺参数表1
四、工程地质调查
本标段地处山东省西南部,所经区域为鲁西南平原区,多由构造运动、剥蚀堆积、黄河冲积作用而形成的稳定的工程地质区。
线路所经区域,地形为平原地貌,地势平坦,土壤深厚。
第四系冲积物以亚砂土,砂土,未胶结砂砾,为主。
多层结构居多,上层多为砂质黄土。
地面线以下0-7.4m为砂质黄土、粉土,承载力120KPa,7.4-9.6m为可塑性砂质粘土, 承载力140KPa。
地下水埋深平均3.5m
五、粉喷桩首件工程的选择
根据我标段整体部署,拟选取K59+043~K59+083.5段内的5根粉喷桩作为试验桩,其单桩长为10m,桩距为1.2m,桩径为0.5m。
固化剂采用普通硅酸盐42.5水泥。
本段地质均匀场地开阔,交通便利受影响小能够在短时间内完成试验。
对后续施工有较好的指导性。
六、施工准备
1.现场准备
粉喷桩施工前,查明强夯范围内地下的构造物和各种地下管线的位置及标高等。
提前进行施工人员、机械、设备的进场;施
工原材料的进场检验;导线点、水准点的复核和加密,为桩点的测量放样以及桩点的高程测量建立测量控制网;做好施工现场的四通一平工作,保证施工机械的按时进场以及动力供应、后勤保障。
2、测量仪器准备
粉喷桩首件工程所需的测量仪器清单如下:
测量仪器清单
3、施工机械设备准备表
粉喷桩首件工程所需的机械清单如下:
4、人员组织安排
本工程投入项目部管理人员7人,一个粉喷桩施工队伍负责本段施工,后续施工根据工程进度及时补充技术级劳务人员。
项目部管理人员组成表
粉喷桩班组人员组成表
5、施工材料准备
粉喷桩试验桩采用山东海螺集团有限公司生产的P.o42.5普通硅酸盐水泥,水泥进场时,原材料供应商提供产品出厂合格证及出厂日期,并由试验室对其进行抽检,再经监理抽检检测合格后方可使用。
进场后采用垫高覆盖措施加以保护。
6、施工技术准备
(1)进行现场勘测与施工调查,认真学习设计文件,了解设计意图,熟悉设计内容,掌握设计要求,制定工作计划和工作标准。
根据图纸计算出桩点布置情况。
(2)完成导线点和水准点的复测闭合工作
(3)对全体技术人员、现场施工人员进行技术交底。
特种作业人员进行专门培训,持证上岗。
(4) 对全体职工进行安全施工培训,制定各项安全应急预案,保证施工安全。
(5)施工便道通畅、各种安全生产标志和标识牌醒目,施工现场四通一平和临时设施等满足施工需要。
(6)粉喷桩机具标定合格,经监理工程师确认后方可施工。
(7)修建临时排水设施施工前组织工程技术人员排查和完善排水设施,施工时在粉喷桩区域,四周设置临时排水沟,以便及时排除雨水,若地形起伏不平应进行必要的平整。
七、施工方案
1、技术要求
(1)将K59+043~K59+083.5段A区的5根桩作为实验桩。
桩长为10m,桩点成等边三角型布置,桩间距为 1.2m。
平整场地后标出桩点的位置,点位偏差控制
在±10cm范围内,桩点布置图见附图
粉喷桩布置图
(2)对现场的水泥等原材料进行试验工作,然后进行粉喷桩水泥用量的室内试配设计,并确定每延米桩体的水泥用量为55kg。
(3)用全站仪采用坐标法施放中线,并固定路线中心主要控制桩,进行施工控制。
直线段每隔10m定出一个中桩和二个边桩,曲线段每隔5m 定出一个中
桩和二个边桩,并放样出各点的护坡道线位置,用白灰撒出护坡道边线。
(4)根据桩位平面布置图,在施工现场用钢尺订出每根粉喷桩的桩位,并用竹签插入土层做好标记,每根桩的桩位误差不大于10cm。
同时做好复测工作,在以
后的施工中经常检查桩位标记是否被移动,确保粉喷桩桩位的准确性。
(5)对进场的机具设备进行组装和调试,确保机具的完好率,保证满足施工要求。
(6)一切准备工作结束后,上报试验桩开工报告,批复后,请监理人员到场后,开始进行试桩,以确定成桩的各项技术参数。
试桩应达到以下要求:钻进速度:V≤1.0m/分钟;平均提升速度:Vp≤0.8 m/分钟搅拌速度:V≈30转/分钟;钻进、复搅与提升时管道压力0.1 Mpa≤P≤0.2 Mpa;喷灰时管道压力≥0.5 Mpa。