锯齿形螺纹
- 格式:docx
- 大小:97.92 KB
- 文档页数:2
33度的锯齿形螺纹,用G76车好还是用宏程序好?
现在碰到一个麻烦,外圆160,螺纹16的33度锯齿形螺纹,现在用G76加工,但加工时间太长,光螺
纹就要2个小时。
请问大家有没有什么办法能缩短加工时间的。
G0 X165 Z40 G76 P100105 Q15 R0.01 G76 X131.5 Z-128 P14000 Q60 F16 相信会用G76的朋友可以看出,进刀量非常小,只有3丝(直径),现在想分段走,前面10mm进刀量用10丝,接下来10mm进刀量用6丝,最后的再用3丝。
但给G76的
重新定位仍然不行。
如果定位太近,就直接撞刀了。
如果用G92,又是直接进刀,加工面太大,背吃屑
太大,很麻烦。
请问有什么方法可以缩短加工时间吗,只要能缩短时间,不管是什么指令或宏程序。
另:本程序已经通过首检。
程序本身应该没什么问题。
锯齿形螺纹与梯形螺纹的区别锯齿形螺纹与梯形螺纹的区别在工程机械以及其他机械设备上,螺纹的种类繁多,其中锯齿形螺纹和梯形螺纹是比较常见的两种类型。
它们在外形上看起来确实有些相似,但在实际应用中却有着各自的特点和用途。
本文将从多个角度对锯齿形螺纹和梯形螺纹进行全面评估,帮助读者更加深入地理解这两种螺纹的区别与联系。
1. 外观形状首先来看锯齿形螺纹和梯形螺纹的外观形状。
锯齿形螺纹的螺纹面呈锯齿状,呈现出一种上翘下凹的形态,整体看起来类似于一把锯齿。
而梯形螺纹则是呈现出一个个等距的梯形螺纹面,正面看上去更加平整和连续。
锯齿形螺纹和梯形螺纹在外观形状上确实存在着明显的区别。
2. 应用领域接下来是两种螺纹的应用领域。
通常来说,锯齿形螺纹常用于需要良好的排屑和断屑性能的场合,比如在木工机械、铣床以及其他金属加工设备上广泛使用。
而梯形螺纹则更多地应用于需要承受较大力的场合,比如在螺母、螺栓等连接件上常常可以看到梯形螺纹的身影。
锯齿形螺纹和梯形螺纹根据其不同的特性,被应用于不同的领域,具有各自的优势和特点。
3. 螺纹结构在螺纹结构方面,锯齿形螺纹和梯形螺纹也有着明显的区别。
锯齿形螺纹的每个螺纹面都是成角形状,使得它在工作时更容易排屑和断屑。
而梯形螺纹的每个螺纹面则更接近于矩形,使得它能够承受更大的力,并且更容易实现螺纹的无缝连接。
从螺纹结构上看,锯齿形螺纹和梯形螺纹的设计理念和功能定位也有所不同。
总结回顾通过以上的分析,可以看出锯齿形螺纹和梯形螺纹在外观形状、应用领域以及螺纹结构等方面都存在着明显的区别。
锯齿形螺纹适用于需要排屑和断屑性能的场合,而梯形螺纹则更适用于需要承受较大力的场合。
两者各有所长,选择时需根据具体情况进行合理的选择。
个人观点和理解在实际工程设计中,正确选择和使用不同类型的螺纹对于设备的可靠性和使用寿命至关重要。
对于工程师来说,需要充分理解锯齿形螺纹和梯形螺纹的特点和应用领域,避免因螺纹选择不当而导致设备故障。
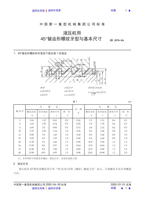
中国第一重型机械集团公司标准液压机用45°锯齿形螺纹牙型与基本尺寸JB /ZQ 4723-2006代替JB 2076-84145°锯齿形螺纹的牙型按下图及表1的规定H=Ph 1=0.575P h =0.5Pe =0.25P i =0.175P i 1=e=0.25PZ =0.02P +0.16r =i 2√=0.1237P 表1mm螺距P 外螺纹间隙Z 内螺纹螺纹高度h 1齿顶宽度e 圆角半径r倒角C 螺纹高度h 齿顶宽度e ′圆角半径r ′倒角C ′568101216202432402.883.454.605.756.909.2011.5013.8018.4023.001.251.502.02.503.04.05.06.08.010.00.620.740.991.241.491.982.482.973.964.950.50.50.51.01.01.01.51.51.51.50.260.280.320.360.400.480.560.640.800.962.53.04.05.06.08.010.012.016.020.01.511.782.322.863.404.485.566.648.8010.960.40.40.40.80.80.81.21.21.21.20.50.50.51.01.01.01.51.51.82.0注:零件图样中的锯齿形螺纹,除标注外,还需绘制放大图。
2规定代号液压机用45°锯齿形螺纹用字母“YS 直径×导程(螺距)螺旋方向”表示,右旋螺纹不必注明螺旋方向。
1返回总目录返回分目录后退标记示例:螺纹外径250mm ,螺距8mm 左旋单线锯齿形螺纹:YS 250×8LH螺纹外径300mm ,螺距10mm 右旋单线锯齿形螺纹:YS 300×10螺纹外径300mm ,导程20mm 右旋双线锯齿形螺纹:YS 300×20(P10)3锯齿形螺纹的基本尺寸按表2的规定。
1主题内容与范围本标准规定了牙侧角为3°、30°锯齿形螺纹的基本牙型和设计牙型。
本标准适用于一般用途机械传动和紧固的锯齿形螺纹连接。
2基本牙型2.1基本牙型及参数如图1所示。
中国第一重型机械集团公司2012-12-01批准2012-12-31实施中国第一重型机械集团公司标准锯齿形(3°、30°)螺纹牙型GB /T 13576.1-2008代替GB/T 13576.1-1992图中:D —内螺纹大径;d —外螺纹大径;D 2—内螺纹中径;d 2—外螺纹中径;D 1—内螺纹小径;d 1—外螺纹小径;P —螺距;H —原始三角形高度;H 1—基本牙型牙高。
图1基本牙型1返回总目录返回分目录后退表1基本牙型尺寸mm螺距PH1.587911PH/20.793956PH10.75P牙顶和牙底宽0.263841P2 3 43.1764.7646.3521.5882.3823.1761.5002.2503.0000.5280.7921.0555 6 77.9409.52711.1153.9704.7645.5583.7504.5005.2501.3191.5831.8478 9 1012.70314.29115.8796.3527.1467.9406.0006.7507.5002.1112.3752.63812 14 1619.05522.23125.4079.52711.11512.7039.00010.50012.0003.1663.6944.22118 20 2228.58231.75834.93414.29115.87917.46713.50015.00016.5004.7495.2775.80524 28 3238.11044.46250.81319.05522.23125.40718.00021.00024.0006.3327.3888.44336 40 4457.16563.51669.86828.58231.75834.93427.00030.00033.0009.49810.55411.6092.2基本牙型的尺寸列于表1。
锯齿形螺纹特征代号锯齿形螺纹特征代号,是工程领域中用于标识和描述锯齿形螺纹的专业术语。
这种螺纹以其独特的锯齿形状而得名,广泛应用于各种机械连接和传动系统中。
下面将从锯齿形螺纹的定义、特征、应用及未来发展等方面进行详细阐述。
一、锯齿形螺纹的定义锯齿形螺纹是一种具有锯齿状牙型的螺纹,其牙型角度、牙高和螺距等参数可根据实际需求进行设计。
与普通螺纹相比,锯齿形螺纹具有更高的承载能力和更好的自锁性能,因此在一些特定应用场景中具有显著优势。
二、锯齿形螺纹的特征牙型独特:锯齿形螺纹的牙型呈锯齿状,这使得它在承受轴向力和径向力时具有更高的强度和刚度。
自锁性能好:由于锯齿形螺纹的牙型角度设计,它具有良好的自锁性能,即使在振动或冲击载荷下也能保持紧固状态。
承载能力强:锯齿形螺纹的牙高和螺距设计使得它在承受重载时具有优异的性能,因此常被用于高负载的传动和连接系统。
可定制性强:锯齿形螺纹的参数可根据实际需求进行设计,以满足不同应用场景的需求。
三、锯齿形螺纹的应用锯齿形螺纹由于其独特的性能优势,被广泛应用于各种机械连接和传动系统中。
例如,在航空航天领域,锯齿形螺纹被用于飞机发动机的高负载连接;在汽车工业中,它被用于变速箱和差速器等关键部件的连接;在石油化工领域,锯齿形螺纹则被用于高压管道和阀门的密封连接等。
四、未来发展随着科技的进步和工业的发展,锯齿形螺纹的应用领域将进一步拓展。
未来,随着新材料、新工艺和智能制造技术的不断发展,锯齿形螺纹的制造精度和效率将得到进一步提升。
同时,为了满足日益多样化的应用场景需求,锯齿形螺纹的设计将更加注重个性化定制和性能优化。
此外,随着环保意识的提高,锯齿形螺纹的绿色制造和可持续性将成为未来发展的重要方向。
总之,锯齿形螺纹特征代号作为工程领域的重要术语,对于描述和理解锯齿形螺纹具有重要意义。
随着技术的不断进步和应用需求的不断提高,锯齿形螺纹将在未来发挥更加重要的作用。