2.成品保护样板验收审批表
- 格式:docx
- 大小:19.14 KB
- 文档页数:1
建发房地产集团有限公司精装修项目样板验收标准(2019版)2019-04-22发布前言一、编制目的为提高建发房地产集团精装修项目的施工质量、规范精装修项目的样板技术要求和验收标准,借鉴优秀企业的经验,总结我司在以往项目的经验教训,特制定本标准。
二、适用范围本技术标准适用于集团开发、代建的所有精装项目。
三、编制说明本标准自发布之日起实施,所有在建项目根据不同建设阶段按本标准要求进行实施;本技术标准由集团工程中心负责修订与解释。
一、施工要求1.1精装修总包单位进场后,应按合同约定的工期、质量、工艺、材料要求,进行工法隐蔽样板工程和交付样板工程验收。
1.2批量精装修项目精装总包进场后不晚于60天内完成工法隐蔽样板,不晚于90天内完成交付样板。
1.2.1每家精装修总包单位应单独将该标段内主力户型及变异户型进行样板打样(变异户型的样板可与区域沟通,并报备集团)。
1.2.2应完成所有户型的放线样板(含3D家具投影),主力户型和变异户型的工法样板各一套。
1.3毛坯公区装修项目精装总包进场后不晚于60天内完成工法隐蔽样板和交付样板。
1.3.1毛坯公区装修项目样板验收包含首层大堂、负一层大堂、标准层。
1.3.2精装总包进场后60天可先验收标准层,后期首层大堂、负一层大堂具备施工完成再进行样板验收。
1.4工法隐蔽样板、交付样板要求通过区域公司(城市公司)相关部门验收合格,再通知集团工程中心验收,工法隐蔽样板工程中心验收合格方能进行批量精装修工作。
1.5交付样板验收过程中,现场应提供所有设计最终确定的材料样板。
二、验收标准:2.1工法隐蔽样板:放线样板:1.全屋/楼层精准放线包含:一类线、二类线、三类线;2.过程评估检查放线样板包含:一类线。
工法样板:1.吊顶龙骨基层节点;2.墙面造型基层节点;3.墙地面防水基层节点。
2.2交付样板:交付样板:应将交付业主所包含的部品、部件安装到位。
5放线管理点位灯具、烟感、喇叭、喷淋、开关、插座等各机电未端墙面:根据设计要求将相关开关、插座等各机电末端点位精准放样; 要求设备与瓷砖排版未出现骑缝现象;吊顶:根据设计要求将灯具、烟感、喇叭、喷淋、空调、吊顶检修口精准放样;6工艺工法顶棚工程 吊顶基层 吊顶饰面基层:主龙骨端头离墙不应大于100mm,离吊件悬挑不大于300mm,搭接部位应错开设置,离墙距离不应大于300mm;跌级吊顶、窗帘盒侧封板高度≥200mm 时,应设置燕尾榫,背部采用细木工板满涂白乳胶加固,拼接处采用骑马钉固定;饰面: 转角处应采用“L”型封板(转角长度应≥200mm);如双层封板应错缝安装,且两层间满涂白乳胶固定; 所有固定应采用自攻螺丝固定,且做好防锈漆处理。
工程建设管理流程第一章总则第一条综合计划办监督执行,并记入绩效考核档案档案第二条新开发项目在详规及外网批复一周内、开工前,由工程管理部协调,组织各对应部门编写汇总并牵头,协助区域负责人主持召开项目开发建设综合策划方案审查会。
参加人员为工程管理部、总工室、建筑设计院、综合部、工程部、招投标部、合同管理部、营销部、物业公司等部门(单位)负责人。
审查通过后,将方案三天内报工程管理部备案。
项目开发建设综合策划方案审查会的内容(附开发建设综合策划方案会签审批表)在科学合理规范原则下临时与永久基础设施远近期综合考虑。
尽可能一次到位不要重复投资造成浪费。
1、施工给水系统给水管道走向规划、管道管径、用水量及用水计量与永久规划给水的关系等。
2、施工排水系统排水管道走向规划、管道管径、排水量与永久规划排水的关系等。
3、施工用电系统施工用电线路走向规划、用电总容量、用电计量与永久规划供电箱线的关系等。
4、施工道路系统满足施工需要、安全文明施工需要、与永久规划路的关系等。
5、施工场地划分、围墙及临时设施的规划满足安全文明施工需要、满足销售需要等。
6、施工场地的土方平衡考虑场地的竖向布置(详规中所有单体建筑物)及标高协调、挖方与填方尽量平衡等。
7、制定主体总包及各类专业分包合同提交计划(集团切项计划)8、为保证工程质量品质提升吉运品牌(建议业主入住常期使用及能看到的产品,统一用品质好的品牌),制定甲供资料采购供应计划。
9、制定项目各期开发建设计划及分批销售计划;编写销售人员岗前培训计划书及销售流程达到传递吉运品牌、帮助实现销售。
10、依据开峻工交工日期,制定项目各期分批移交物业日期管理计划及详细适合园区物业的管理模式。
提前介入对应业主的质量投诉,必须及时受理,限时整改回复业主,编制专项控制措施制度及处罚办法书面文本等。
11、制定项目出图计划12、小区的公用工程(供水、供电、供煤气、备用电源、电信、消防、供暖、污水处理等)的首期建设计划,是否能满足首期交楼及相关配套工程的使用要求。
工程项目验收单模板表格目录(1)F1:《钢筋工程质量样板验收表格》(2)F2:《模板工程质量样板验收表格》(3)F3:《墙体砌筑工程质量样板验收表格》(4)F4:《墙体抹灰工程质量样板验收表格》(5)F5:《防水工程质量样板验收表格》(6)F6:《铝合金门窗质量样板验收表格》(7)F7:《面砖粘贴质量样板验收表格》(8)F8:《入户门及户内门安装质量样板验收表格》(9)F9:《管线洞口吊模施工质量样板验收表格》(10)F10:《室内给水管线安装质量样板验收表格》(11)F11:其他通用验收表格记录编号:建设单位相关人员参加,只有通过样板验收后,方可大面积开展施工,合格项目打“√”,不合格打“×”,并记录。
记录编号:建设单位相关人员参加,只有通过样板验收后,方可大面积开展施工,合格项目打“√”,不合格打“×”,并记录。
记录编号:样板验收,由项目工程组标段负责人组织项目工程师、监理单位和施工单位项目管理人员、建设单位相关人员参加,只有通过样板验收后,方可大面积开展施工,合格项目打“√”,不合格打“×”,并记录。
记录编号:建设单位相关人员参加,只有通过样板验收后,方可大面积开展施工,合格项目打“√”,不合格打“×”,并记录。
记录编号:建设单位相关人员参加,只有通过样板验收后,方可大面积开展施工,合格项目打“√”,不合格打“×”,并记录。
表F6.铝合金门窗工程质量样板验收表格记录编号:样板验收,由项目工程组标段负责人组织项目工程师、监理单位和施工单位项目管理人员、建设单位相关人员参加,只有通过样板验收后,方可大面积开展施工,合格项目打“√”,不合格打“×”,并记录。
表F7.面砖粘贴工程质量样板验收表格记录编号:样板验收,由项目工程组标段负责人组织项目工程师、监理单位和施工单位项目管理人员、建设单位相关人员参加,只有通过样板验收后,方可大面积开展施工,合格项目打“√”,不合格打“×”,并记录。
工程建设管理流程工程建设管理体制流程第一章总则第一条综合计划办监督执行,并记入考核档案档案。
第二条新开发项目在详规及外网批复一周内、开工前,由工程管理部协调,政府机构各对应部门编写汇总并牵头,协助区域负责人主持项目开发建设综合策划方案审查会。
参加人员为:工程管理部、总工室、建筑设计院、综合部、工程部、招投标部、合同管理部、营销部、物业公司等部门(单位)负责人。
审查通过后,将方案三天内报建设项目管理部备案。
项目开发建设综合策动方案内容审查会的内容(附:开发建设综合策划方案配套措施会签审批表):在科学合理规范原则下:临时与永久基础设施远前期近期综合考虑。
不用尽可能一次到位不要重复投资造成浪费。
1、施工给水系统:给水管道走向规划、管道管径、用水量及用水计量与永久规划给水的关系等。
2、施工排水系统:排水管道走向整体规划、管道管径、排水量与永久发展规划排水的关系等。
3、施工用电系统:施工用电线路走向规划、用电总容量、用电计量与永久规划供电箱线的无限期关系等。
4、施工道路系统:满足施工需要、安全文明施工可能需要、与永久发展规划路的关系等。
5、施工场地划分、围墙及临时设施的规划:满足安全文明工程施工需要、满足销售需要等。
6、施工场地的土方平衡:需要考虑场地的竖向布置(详规中所有单体建筑物)及标高协调、挖方与填方尽量匹配等。
7、制定主体总包及各类专业分包合同提交(集团切项计划)。
8、为保证工程质量品质提升吉运品牌(建议:业主入住常期使用及能看到的产品,统合用品质好的品牌),制定甲供资料采购供应制订计划。
9、代理商制定项目各期联合开发建设计划及分批销售计划;编写销售人员岗前直销培训计划书及销售操作流程达到:传递吉运品牌、帮助实现销售。
10、依据开峻工交工日期,制定项目各期分批移交物业日期管理计划及详细适合园区物业的管理模式。
提前介入对应业主的质量投诉,必须及时受理,限时整改回复物业公司,编制专项制度及处罚办法书面文本等。
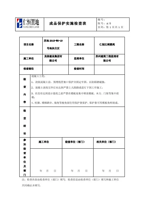
成品保护实施检查表编号:版号:A/0页码:第1页共1页项目名称苏地2015-WG-19号地块北区工程名称仁恒江湾雅苑施工单位龙信建设集团有限公司监理单位苏州建筑工程监理有限公司检查部位检查时间检查内容混凝土工程:1、浇筑混凝土前,预埋线管塞口保护并固定牢固,以防踩踏碰撞;2、混凝土浇筑完毕后未达到1.2MPa严禁上人踩踏或进行下到工序施工;3、在没有达到设计强度之前严禁在楼板处集中堆放模板、木方、门架等集中荷载;4、柱脚、楼梯踏步、墙角等棱角部位用保护条保护,保护条可用模板角料制成。
检查结论参加检施工单位检查单位(部门)相关单位(部门)查单位及部门年月日年月日年月日注:检查内容由检查单位(部门)填写,检查结论由检查单位(部门)填写和施工单位共同确认并填写。
成品保护实施检查表编号:版号:A/0页码:第1页共1页项目名称苏地2015-WG-19号地块北区工程名称仁恒江湾雅苑施工单位龙信建设集团有限公司监理单位苏州建筑工程监理有限公司检查部位检查时间检查内容防水工程:1、底板垫层、屋面防水施工时,严禁穿硬底带钉的鞋在上面行走;2、对地下室是外墙砼工程砼浇筑完毕后,拆模时要注意不得碰坏施工企口缝,并且对该部分成品采取有针对性的保护措施;3、地库之间、与住宅地库之间的连通口沉降缝部位,橡胶止水带应采用木模板遮挡保护,防止紫外线照射后橡胶老化。
检查结论参加检查单位及部门施工单位检查单位(部门)相关单位(部门)年月日年月日年月日注:检查内容由检查单位(部门)填写,检查结论由检查单位(部门)填写和施工单位共同确认并填写。
成品保护实施检查表编号:版号:A/0页码:第1页共1页项目名称苏地2015-WG-19号地块北区工程名称仁恒江湾雅苑施工单位龙信建设集团有限公司监理单位苏州建筑工程监理有限公司检查部位检查时间检查内容模板工程:1、楼板模板完成后,严禁在模板上堆放集中施工荷载,并及时将多余材料及垃圾清理干净;2、预留、预埋件在支模时配合进行安装,不得任意拆除模板及重锤敲打模板、支撑,以免影响质量;3、混凝土浇筑时,不得使用振动棒等撬动模板、预埋件等。
成品保护实施检查表版号:A/0页码:第1页共1页项目名称苏地2015-WG-19号地块北区工程名称仁恒江湾雅苑施工单位龙信建设集团有限公司监理单位苏州建筑工程监理有限公司检查部位检查时间检查内容混凝土工程:1、浇筑混凝土前,预埋线管塞口保护并固定牢固,以防踩踏碰撞;2、混凝土浇筑完毕后未达到严禁上人踩踏或进行下到工序施工;3、在没有达到设计强度之前严禁在楼板处集中堆放模板、木方、门架等集中荷载;4、柱脚、楼梯踏步、墙角等棱角部位用保护条保护,保护条可用模板角料制成。
检查结论参加检查单位及部门施工单位检查单位(部门)相关单位(部门)年月日年月日年月日注:检查内容由检查单位(部门)填写,检查结论由检查单位(部门)填写和施工单位共同确认并填写。
成品保护实施检查表版号:A/0页码:第1页共1页项目名称苏地2015-WG-19号地块北区工程名称仁恒江湾雅苑施工单位龙信建设集团有限公司监理单位苏州建筑工程监理有限公司检查部位检查时间检查内容防水工程:1、底板垫层、屋面防水施工时,严禁穿硬底带钉的鞋在上面行走;2、对地下室是外墙砼工程砼浇筑完毕后,拆模时要注意不得碰坏施工企口缝,并且对该部分成品采取有针对性的保护措施;3、地库之间、与住宅地库之间的连通口沉降缝部位,橡胶止水带应采用木模板遮挡保护,防止紫外线照射后橡胶老化。
检查结论参加检查单位及部门施工单位检查单位(部门)相关单位(部门)年月日年月日年月日注:检查内容由检查单位(部门)填写,检查结论由检查单位(部门)填写和施工单位共同确认并填写。
成品保护实施检查表版号:A/0页码:第1页共1页项目名称苏地2015-WG-19号地块北区工程名称仁恒江湾雅苑施工单位龙信建设集团有限公司监理单位苏州建筑工程监理有限公司检查部位检查时间检查内容模板工程:1、楼板模板完成后,严禁在模板上堆放集中施工荷载,并及时将多余材料及垃圾清理干净;2、预留、预埋件在支模时配合进行安装,不得任意拆除模板及重锤敲打模板、支撑,以免影响质量;3、混凝土浇筑时,不得使用振动棒等撬动模板、预埋件等。
目录1、防水施工样板确认表(1)2、铝合金安装施工样板确认表(2)3、地面砖、石施工样板确认表(3)4、木门安装施工样板确认表(4)5、内墙饰面砖、石施工样板确认表(5)6、砌体施工样板确认表(6)7、室内抹灰施工样板确认表(7)8、室内涂料、油漆施工样板确认表(8)9、天花吊顶施工样板确认表(9)10、外墙饰面砖、石施工样板确认表(10)11、外墙涂料、油漆施工样板确认表(11)12、沉箱给排水管安装样板确认表(12)13、标准层水电结构预埋样板确认表(13)14、标准层电位安装样板确认表(14)15、VRV空调系统施工样板确认表(15)16、电井施工样板确认表(16)17、水井施工样板确认表(17)18、金属栏杆、铝窗接地样板确认表(18)19、毛坯装修施工样板确认表(19)20、精装修施工样板确认表(20)21、通用施工样板确认表(21)防水施工样板确认表(1)铝合金安装施工样板确认表(2)框料的样板验收时,需留1-2个窗不要塞缝,其余可塞缝,完成品的样板验收需全部安装和打胶完成,铝合金框料安装样板验收需通知总包参加,通过样板验收合格后,方可大面积展开施工, 合格项目打✓,不合格打✗,并记录地面砖、石施工样板确认表(3)木门安装施工样板确认表(4)框料的样板验收时,需留1-2个窗不要塞缝,其余可塞缝,完成品的样板验收需全部安装后,门套安装样板验收需通知总包参加,通过样板验收合格后,方可大面积展开施工,合格项目打✓,不合格打✗,并记录内墙饰面砖、石施工样板确认表(5)砌体施工样板确认表(6)室内抹灰施工样板确认表(7)室内涂料、油漆施工样板确认表(8)天花吊顶施工样板确认表(9)外墙饰面砖、石施工样板确认表(10)外墙涂料、油漆施工样板确认表(11)目打✓,不合格打✗,并记录打✓,不合格打✗,并记录目打✓,不合格打✗,并记录✓,不合格打✗,并记录✓,不合格打✗,并记录✓,不合格打✗,并记录✓,不合格打✗,并记录毛坯房施工样板间确认表(19)精装修施工样板间确认表(20)面积施工;此样板验收记录和我方的精装修交楼标准一同存档.合格项目打✓,不合格打✗,并记录通用施工样板确认表(21)合格项目打✓,不合格打✗,并记录。