Xxx水库除险加固工程.监理日志范例二doc
- 格式:doc
- 大小:18.50 KB
- 文档页数:1
目录一、概况 1 1工程概况 1 2水文气象条件 2 3工程地质条件 2 4工程建设主要参建单位 3 5工程项目组成与主要工程量 4 6项目工期 6二、监理任务委托过程 6三、监理规划 71明确监理范围与项目总目标 7 2确立监理工作指导思想 7 3监理工作基本运行程序 8 4建立监理工作制度规范行为准则 8 四、监理过程 10 1监理工作过程简述 10 2组建项目监理部 12 3工程质量控制 12 4工程进度控制 18 5工程投资控制 20 6信息管理和合同管理 20 7组织协调 238工程安全、文明施工管理 23五、监理效果 24六、经验与体会 26七、结束语 28八、附件 28附件一项目监理部人员名单 28 附件二质量控制工作流程图 29 附件三进度控制工作流程图 30 附件四投资控制工作流程图 31 附件五材料试验抽检情况统计表 32 附件六 XX水库除险加固工程监理几点合理建议 33XXXXX水库除险加固工程竣工验收建设监理工作报告一、概况1、工程概况XX水库位于肥东县店埠河上游,江准分水岭以南的丘陵地区,是淠河灌区以灌溉为主兼有下游防洪任务的重要反调节水库。
坝址位于肥东县城北约15km处,离XX镇东北约2km。
坝址控制流域面积114km2。
淮南铁路约在坝下游22km处通过。
水库灌区东与管湾水库灌区接壤,南与撮镇、龙塘两灌区相接,西抵长丰县界,北跨江准分水岭,与定远县接壤。
灌区总面积约300km2,其中耕地面积约30万亩(含提水灌溉)。
XX水库属中型水利枢纽工程。
水库总库容9946万m3,兴利库容6850万m3,死库容663万m3。
主要有拦河坝(上、下双坝)、泄洪涵洞、进水闸、滁河干渠节制闸、防洪闸、非常溢洪道组成。
XX水库坝身为均质土坝,上坝长3180m,坝顶宽5.5m,坝顶高程49.0m,防浪墙顶高程50.3m,最大坝高26.0m,一般坝高14.0m左右,上坝临水库侧坝坡1∶3,大部分用块石或混凝土护砌。
建筑工程水库抢险加固工程监理日志 (一)
建筑工程水库抢险加固工程监理日志
时间:2020年10月1日
地点:某水库
监理工程师:XXX
本次工程为水库抢险加固工程,主要任务是对该水库进行巩固加固,
防止发生再次洪水。
在本日的监理工作中,主要执行了以下任务:
1.了解现场情况
在到达现场后,我们首先与项目经理进行了交流,了解了整个工程项
目的情况,包括设计方案、工作进度、安全措施等。
2.检查工程质量
在进行现场检查时,我们重点关注了工程质量,包括钢筋混凝土和灌
浆的厚度、比重、硬度等。
工程质量是保障工程安全的前提,所以我
们需要在工作过程中不断检查,确保每一项工程都能够达到设计标准。
3.监督安全管理
在工程现场,安全永远是首要问题。
在本次监理工作中,我们不断关
注现场安全监管情况,督促工人佩戴好安全帽、绑好安全带等,确保
工程安全运行。
4.记录工程进展
本次监理工作中,我们及时记录工程进展情况,包括工人到岗情况、
工程量进展、安全事件等。
这些记录将有助于日后的工程总结、反思,也有助于进一步提高工程管理水平。
总而言之,本次监理工作是对工程质量和安全的保障,不仅需要对现
场工程进行诸多检查和监督,还需要及时记录每一项工程情况,确保
工程质量和安全运行。
在未来的监理工作中,我们将继续保持高度的
工作热情和责任感,全力维护工程质量和安全环境。
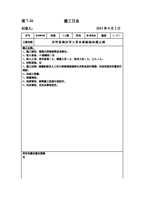
记录人:2015年8月2日天气多云转中雨风速3-4级风向东-西北风温度21-30℃工程名称沙河农场沙河二号水库除险加固工程施工记录:1、施工部位:清理大坝南坡草皮及树木。
2、投入设备:30装载机1台3、投入人员:项目经理1人、测量人员1人、技术人员1人、工人4人。
4、材料进场:无5、施工过程:装载机配合人工对大坝南坡坡面树木及草皮进行清理,并运至指定位置进行堆放。
6、完成工程量:7、质量情况:8、进度情况:按照施工进度计划进行。
9、安全情况:无安全事故发生。
存在问题及建议措施无记录人:2015年8月3日天气雷阵雨转多云风速3-4级风向东-西北风温度19-29℃工程名称沙河农场沙河二号水库除险加固工程施工记录:1、施工部位:清理大坝南坡草皮及树木,进行水准点引测。
2、投入设备:30装载机1台3、投入人员:项目经理1人、测量人员1人、技术人员1人、工人4人。
4、材料进场:无5、施工过程:装载机配合人工对大坝南坡坡面树木及草皮进行清理,并运至指定位置进行堆放。
6、完成工程量:7、质量情况:8、进度情况:按照施工进度计划进行。
9、安全情况:无安全事故发生。
存在问题及建议措施无记录人:2015年8月4日天气雷阵雨转晴风速3-4级风向东-西北风温度19-28℃工程名称沙河农场沙河二号水库除险加固工程施工记录:1、施工部位:清理大坝南坡草皮及树木,进行水准点引测及符合水准点。
进行施工临建,搭暂舍。
建设单位刘科长及设计研究院等人到施工现场检查指导工作。
2、投入设备:30装载机1台3、投入人员:项目经理1人、测量人员1人、技术人员1人、工人5人。
4、材料进场:木方、钢模板到场5、施工过程:装载机配合人工对大坝南坡坡面树木及草皮进行清理,并运至指定位置进行堆放。
6.、完成工程量:7、质量情况:8、进度情况:按照施工进度计划进行。
9、安全情况:无安全事故发生。
存在问题及建议措施无记录人:2015年8月5日天气晴风速3-4级风向东-西北风温度20-30℃工程名称沙河农场沙河二号水库除险加固工程施工记录:1、施工部位:清理大坝南坡草皮及树木。
县水库除险加固工程工程建设监理工作报告监理有限公司片区项目监理部年月目录第一章工程概况.地理位置.工程项目组成及规模.工程主要建设内容大坝工程..................................................................溢洪道工程放水设施工程防渗灌浆工程监测设施.合同工程项目主要目标投资目标进度目标质量目标安全目标.项目划分及质量评定第二章监理规划监理组织机构的设置及监理人员组成监理规划、细则及监理工作制度的建立与实施监理主要方法监理主要设备第三章监理过程.质量监理控制过程大坝工程溢洪道工程放水设施防渗灌浆工程进度控制错误!未指定书签。
投资控制合同管理与信息管理错误!未指定书签。
协调工作错误!未指定书签。
施工过程中的设计变更及优化错误!未指定书签。
第四章监理效果错误!未指定书签。
.质量控制错误!未指定书签。
原材料错误!未指定书签。
水泥砂石骨料错误!未指定书签。
灌浆工程错误!未指定书签。
大坝整治工程....................................................溢洪道错误!未指定书签。
放水设施错误!未指定书签。
.进度控制错误!未指定书签。
.投资控制错误!未指定书签。
在监理过程中,投资控制方面采取如下几点具体措施错误!未指定书签。
.完成主要工程量错误!未指定书签。
工程价款完成情况错误!未指定书签。
第五章工程评价............................................................... 进度评价质量评价投资评价安全评价环境保护第六章经验与建议............................................................. 第七章工程监理大事记第一章工程概况.地理位置水库位于重庆市县镇王家村境内。
.工程项目组成及规模水库所在河流属长江流域璧南河中下游一支流,坝址距乡约1.5km,有公路通至坝顶,交通方便。
水库除险加固监理月报范文完整版的内容下载提示:该文档是本店铺精心编制而成的,希望大家下载后,能够帮助大家解决实际问题。
文档下载后可定制修改,请根据实际需要进行调整和使用,谢谢!本店铺为大家提供各种类型的实用资料,如教育随笔、日记赏析、句子摘抄、古诗大全、经典美文、话题作文、工作总结、词语解析、文案摘录、其他资料等等,想了解不同资料格式和写法,敬请关注!Download tips: This document is carefully compiled by this editor. I hope that after you download it, it can help you solve practical problems. The document can be customized and modified after downloading, please adjust and use it according to actual needs, thank you! In addition, this shop provides you with various types of practical materials, such as educational essays, diary appreciation, sentence excerpts, ancient poems, classic articles, topic composition, work summary, word parsing, copy excerpts, other materials and so on, want to know different data formats and writing methods, please pay attention!水库除险加固监理月报一、引言本月监理工作主要集中在对XX水库除险加固施工过程的监督和质量控制上。
水利监理日志写好的样本水利监理日志写好的样本水利监理是保障水利工程质量和安全的重要环节,监理日志是监理工作的重要记录和证据。
编写一份规范、详细的监理日志对于监理工作的顺利进行和后期的验收评估具有重要意义。
下面是一份700字的水利监理日志写好的样本,供参考。
日期:2022年10月1日工程名称:XX水库大坝工程监理单位:XX水利监理有限公司监理人员:张工1. 工程概况本工程位于XX市XX区,总投资XX万元,主要包括大坝、泄洪道、溢洪道等建筑物。
本次监理主要任务是对大坝施工过程进行监督,确保施工质量和安全。
2. 工程进展2.1 大坝基础施工2022年9月1日至9月30日,施工单位完成了大坝基础的开挖和回填工作。
监理人员对施工现场进行了巡视,并对开挖和回填过程进行了抽样检测。
检测结果显示,开挖和回填质量符合设计要求,无明显质量问题。
2.2 大坝体施工2022年10月1日至10月15日,施工单位开始进行大坝体的施工。
监理人员对施工现场进行了巡视,并对混凝土浇筑过程进行了抽样检测。
检测结果显示,混凝土浇筑质量符合设计要求,无明显质量问题。
同时,监理人员对施工现场的安全措施进行了检查,施工单位做到了人员防护、设备稳固等方面的要求。
3. 问题记录3.1 2022年10月5日,发现施工现场有一处未按设计要求进行回填的地方,立即通知施工单位进行整改,并要求施工单位在24小时内完成整改。
3.2 2022年10月10日,发现施工现场的混凝土浇筑过程中,有一处未按要求进行振捣的地方,立即通知施工单位进行整改,并要求施工单位在48小时内完成整改。
4. 监理建议4.1 针对问题记录中的整改情况,建议施工单位加强对施工过程的管理,确保按照设计要求进行施工,避免类似问题再次发生。
4.2 建议施工单位加强对施工现场的安全管理,确保人员和设备的安全,避免发生意外事故。
5. 其他事项5.1 2022年10月15日,与业主代表进行了工程进展情况的汇报,并听取了业主代表的意见和建议。
水利工程监理实习日记水利工程监理实习日记3月26日今天上午回校参加大学英语六级确认拍照,下午去市政一组实习工地参观。
市政一组所在工地为地下枢纽,其中也包括一部分地下通道。
首先,我们进入通道进行参观。
在地墙上可以看到许多预埋的小箱子,一些是用于消防的,一些用于照明等。
随后,看到桩机在打钻孔灌注桩,还有一些在打高压旋喷桩,同时看到工地上许多的不安全隐患,安全施工要做到实际。
紧接着又参观啦基坑,基坑基本开挖完毕,可以看到一道道钢筋混凝土支撑和格构柱钢支撑,坑底正在打垫层。
首先,工人师傅们用风镐将桩头切掉,然后在上面做承台。
同时在现场看到一台臂长25m的挖机在地面上开挖基坑底淤泥,基坑底也有一台小的挖机在开挖。
同时看到钢筋加工厂,同时注意到直径较大的钢筋的成型由专用机器来完成。
真是处处留心皆学问啊!3月27日今天开始地槽的开挖。
在地墙的施工中,泥浆性能的优劣直接影响到地墙成槽施工时槽壁的稳定性。
今天进行啦地墙钢筋笼的验收。
注意到槽段雌头接缝处采用V形钢板,并于钢筋笼两侧包裹止浆帆布用于防止混凝土浇筑时外流。
今天看到啦桩的静载试验,静载分别压到两根锚桩和试桩上,试桩在中间。
铣槽机型号BC30,汽车吊型号QY25,履带吊QUY260。
地墙的混凝土浇灌方式导管法水下混凝土浇灌,地墙设计水下C45,考虑水下浇筑采用C55.下午,我部主管安全的曹工首先给我们上啦一堂生动的安全课并进行啦安全知识的考核,考核合格后带我们去工地熟悉环境。
在罗山路风机房基坑处,张师兄为我们讲解啦其维护结构的施工工艺。
关于高压旋喷桩、SM W工法桩的工艺原理及其应用。
从现场回来,师傅给我们讲解啦项目部的人员、部门组成及其职能。
并要求我们首先熟悉办公软件,CAD制图等,多去现场,将施工组织设计和施工方案中讲到的与实体对应以增加感性认识。
xxx水库除险加固工程监理工作总结xxx除险加固工程道真监理部xxxx水库除险加固工程监理工作总结我公司承担的xxxx水库除险加固工程监理工作从xxxx年11月8日起,至xxxx年8月3日,在县病险水库治理领导小组的领导下,在工程实施项目部的有力支持下,在施工单位强有力的配合下,顺利完成了工程建设监理工作,现将监理工作总结报告如下:一、工程概况(一)工程名称及位置xxxx水库位于xxxx村境内,距道真县城63Km,距xxxx所在地19 Km。
(二)工程主要建设内容根据遵市水管【xxxx】123号文件对xxxx水库除险加固工程初步设计审查的批复:1、该工程除险加固建设内容(1)上、下游坝坡及坝顶夯填整形,上游坝坡设干砌石护坡和砼预制块护坡,下游坝坡为M7.5水泥砂浆砌块石,砌筑网格草皮护坡,坝顶设防浪墙;(2)坝体、基础、坝肩及左右库岸帷幕灌浆和充填灌浆防渗处理;(3)新建溢洪道;(4)改造放水设施,建进口集水井、出口消力池和放水管理房;(5)设置水位标尺和工程标识等附属设施;(6)维修进坝简易公路。
2、审查批复意见(1)水文基本同意该工程初步设计关于水文计算复核成果。
(2)工程地质①库区及坝址工程地质和水文地质的分析评价结论基本合理;②基本同意坝体及坝基的渗流稳定分析评价结论。
(3)工程设计标淮①同意水库枢纽为V等工程,主要建筑物按5级进行除险加固设计,相应设计洪水标准按照20年一遇设计,校核洪水标准按200年一遇校核;(4)除险加固工程设计①原则同意设计单位提出的除险加固设计方案,即:坝顶及上、下游坝面整治、新建贴坡式排水棱体;坝体及坝基、坝肩防渗处理;新建溢洪道;放水设施更换及涵洞翻修处理等。
②基本同意坝基、坝肩、坝体与坝基接触带渗漏采用帷幕灌浆,坝体充填灌浆的工程方案。
建议对溢洪道进口部位作局部灌浆处理。
防渗帷幕按单排布孔,孔距3m,按三序次施工,帷幕下限按q≦10Lu控制。
下阶段要进一步优化设计,并根据先导孔的勘探试验资料,进一步调整优化防渗帷幕边界。
JL32XX水库除险加固工程监理月报(日月[2009]6月报03号)2009 年第 3 期2009年6 月 1 日至2009 年6 月20 日工程名称:伊川县XX水库除险加固工程发包人:伊川县病险水库除险加固工程建设管理局监理机构:河南省CC建设工程管理有限责任公司第二监理部总监理工程师:日期:年月日一、工程概况1.1工程概况牡丹沟水库位于河南省洛阳市伊川县吕店乡周沟村北,该水库兴建于1958年10月,于1959年5月竣工。
水库控制流域面积3.2km2,水库总库容112万m3,是一座以防洪灌溉为主,兼顾水产养殖等综合利用的小(1)型水库。
水库工程主要由大坝、溢洪道、输水工程组成。
大坝系均质土坝,最大坝高22.7m,坝顶高程387m,坝顶长130m;坝顶道路是伊川通往偃师的交通要道,地理位置十分重要。
溢洪道为敞开式,位于右坝肩。
溢洪道内淤积堵塞严重,且内部种植农作物,严重影响过水。
两侧衬砌高度不够,不能满足泄水要求。
两侧边坡1:0.3,底宽12m,长104m,输水洞位于大坝左岸,由斜卧管和平管组成,斜卧管和平管均采用直径0.6m的砼圆管,现有管长83m,最大泄量0.12m3/s。
本工程投资为3912691.79元。
开工时间为2009年1月,施工总工期10个月。
1.2本月工程形象进度描述上、下游踏步浆砌石结束;上游一级马道二级坡右侧面板浇筑进行中,齿墙浇筑;输水洞洞打土方结束、输水洞砼浇筑26米;工作桥排架基础土方开挖、基础砼浇筑;溢洪道交通桥南侧墩墙浆砌石结束,北侧浆砌石进行中。
机电设备部分支电线杆,架设高压、低压线路。
二、工程质量控制根据我监理部制定的一套工程质量控制管理制度协助承包商建立健全质量保证体系,从整个施工准备到施工过程及验收各个阶段进行监督、检查、控制。
对于原材料的质量控制,材料进场的要求必须附有出厂合格证、质量证明书、检验合格证,经监理工程师验收认可。
不合格的材料严禁入场。
其进场材料均经洛阳禹兴水利工程质量检测有限公司检测合格,符合设计要求。
水利工程施工日志范文1. 前言水利工程是一项重要的基础设施建设工程,其施工过程需要严格按照规划和设计要求进行,以确保工程质量和安全。
施工日志是水利工程施工过程中必不可少的记录工具,可以记录施工过程中的各种情况和问题,为后续的工程管理和验收提供依据。
本文将介绍一份水利工程施工日志范文,以供参考。
2. 施工日志范文2.1 工程概况工程名称:某水库大坝加固工程工程地点:某省某市某县建设单位:某水利局施工单位:某建设公司2.2 施工日志2.2.1 日期:2021年1月1日天气:晴施工内容:进行大坝基础处理工作施工人员:10人施工设备:挖掘机、压路机、水泥搅拌机施工情况:今天开始进行大坝基础处理工作,首先使用挖掘机对基础进行清理,清理出了大量的杂物和泥沙。
接着使用压路机对基础进行压实,压实效果良好。
最后使用水泥搅拌机进行混凝土浇筑,浇筑了200立方米的混凝土。
整个施工过程顺利,未发现任何问题。
2.2.2 日期:2021年1月2日天气:多云施工内容:进行大坝坝体加固工作施工人员:15人施工设备:起重机、焊接设备、钢筋剪切机施工情况:今天开始进行大坝坝体加固工作,首先使用起重机将加固材料运到施工现场。
接着使用焊接设备对钢筋进行焊接,焊接质量良好。
最后使用钢筋剪切机对钢筋进行切割,切割精度高。
整个施工过程顺利,未发现任何问题。
2.2.3 日期:2021年1月3日天气:小雨施工内容:进行大坝防渗工作施工人员:20人施工设备:注浆设备、钻孔机、水泥搅拌机施工情况:今天开始进行大坝防渗工作,首先使用钻孔机对大坝进行钻孔,钻孔深度达到设计要求。
接着使用注浆设备进行注浆,注浆效果良好。
最后使用水泥搅拌机进行混凝土浇筑,浇筑了100立方米的混凝土。
整个施工过程中,由于天气原因,施工进度稍有延误,但未对工程质量和安全造成影响。
3. 总结以上是一份水利工程施工日志范文,通过记录施工过程中的各种情况和问题,可以为后续的工程管理和验收提供依据。
【施工日记】日期:2024年4月15日地点:遥桥峪水库除险加固工程现场今天是遥桥峪水库除险加固工程正式开工的第一天。
清晨,天空刚刚泛起鱼肚白,工人们就已经陆续到达施工现场,准备开始一天的工作。
在项目经理苏记良的指挥下,大家精神抖擞,充满干劲。
首先,工人们开始对水库的坝体进行详细的检查,为后续的加固工程做好充分的准备。
由于水库长时间受到风雨侵蚀,大坝渗漏、溢洪道溢流面破损、交通桥承载力不足等问题日益严重,因此,本次除险加固工程的主要任务就是解决这些问题。
上午,工人们主要进行了坝体沉降、位移监测设施的安装工作。
他们一丝不苟,严格按照设计方案进行操作,确保监测数据的准确性。
同时,为了保证工程进度,施工队伍加班加点,全力以赴。
下午,施工队伍开始进行坝坡的加固工作。
他们先是对坝坡进行了清理,将破损的混凝土清除干净,然后进行防渗混凝土的施工。
在施工过程中,工人们严格把控混凝土的配比和施工质量,确保坝坡的加固效果。
与此同时,另一组工人开始对输水管进行清淤、疏通工作。
他们利用专业设备,将输水管内的淤泥和杂物清除干净,然后进行阀门及管件的防腐处理。
此外,还新建了检修闸阀井,以确保输水管道的正常运行。
晚上,工人们还对坝外输水管进行了顶防冲保护工作。
他们利用夜间气温较低的优势,加紧施工,确保工程进度不受影响。
虽然工期紧张,但施工队伍始终保持着高昂的斗志,他们坚信在大家的共同努力下,遥桥峪水库除险加固工程一定能够如期完工。
通过今天的施工,我们看到了施工队伍的团结协作精神和对工程质量的严谨态度。
相信在未来的日子里,他们将继续保持这种精神,为我国的防洪安全、农业灌溉做出更大的贡献。
让我们期待遥桥峪水库除险加固工程早日完工,造福于民。
水利防洪工程施工监理日志范文日期:2023年8月15日施工单位:某某建设施工公司监理单位:某某水利监理有限公司今天是水利防洪工程施工的第一天,监理人员在现场进行了全面的检查和记录,以下是施工现场的情况及监理人员的日志记录。
1、晨会早上8点,施工现场所有工作人员齐聚在会议室进行晨会。
监理工程师向施工单位介绍了本次施工的标准要求和安全注意事项,并强调了施工单位在施工过程中要做到严格按照设计图纸和施工规范进行施工,确保施工质量和安全。
2、施工进展上午9点,施工单位开始进行各项施工准备工作。
首先是对施工现场进行清理整理,清除杂物和垃圾。
然后对施工材料进行验收,并进行了施工设备的安装和调试。
监理人员对施工单位进行了现场检查,并对施工过程进行了记录。
3、施工质量检查上午10点,监理人员对施工单位进行了质量检查。
检查了施工现场的安全防护措施和施工质量,发现了一些问题并及时向施工单位提出了整改意见。
施工单位表示会尽快整改,并加强质量管理。
4、施工安全检查下午2点,监理人员对施工现场进行了安全检查。
检查了施工现场的安全设施和安全操作规程,发现了部分操作人员没有佩戴安全帽和安全鞋的情况,及时进行了纠正。
并对施工现场的危险源进行了排查,确保施工现场的安全。
5、施工进度汇报下午4点,监理人员召集了施工单位的相关负责人进行了施工进度汇报。
施工单位对本次施工的进展情况进行了汇报,并向监理人员提出了存在的困难和问题。
监理人员对施工单位提出了建议和指导,并要求施工单位做好施工进度的把控,确保施工按期完成。
6、施工总结晚上6点,监理人员对今天的施工情况进行了总结。
认为施工单位在今天的施工过程中做得还不错,但还存在一些问题需要及时整改和改进。
明天将继续对施工过程进行监督和检查,确保施工质量和安全。
今天的水利防洪工程施工监理工作圆满结束,虽然在施工过程中发现了一些问题,但通过及时的整改和改进,相信明天的施工会更加顺利。
监理人员将继续对施工过程进行严格监督,确保施工的顺利进行。
水库除险加固工程监理工作总结报告范文1 工程概况1.1 工程位置及规模(1)工程名称:蒙山县西河镇古苏水库除险加固工程(2)建设性质:续建除险加固(3)建设地点:蒙山县河西镇(4)建设内容:溢洪道加固,大坝坝体和坝基防渗处理,放水设施加固,坝坡修整加固,修建防汛工路和管理房。
(5)工程规模:干砌石坝,坝顶高程107.5m,坝顶长66.5m,坝顶宽4.5m,最大坝高16.1m。
以灌溉为主,灌溉面积400亩,结合养殖的小(2)型水库,5级建筑物。
(6)设计标准:本工程由广西梧州市银海水利电力设计咨询有限公司设计,本次按30年一遇洪水设计,200年一遇洪水校核标准设计。
(7)合同投资金额:合同金额160万元。
(8)资金来源:央财政专项和地方配套资金。
(9)合同工期:2xxx年12月1日至2xxx年7月31日(共180天)。
(10)要求质量标准:合格。
1.2 工程项目建设内容工程主要建设内容有:(1)在坝顶两侧设浆砌石路缘石,坝顶普舍200mm厚泥结石路面。
(2)上游坝坡:先将原护坡表面杂物清理干净,坝坡按1: 2.4、1:2.6进行修整,用150mm的碎石找平,找平后浇筑C15砼面板,厚度120mm.面板纵缝平行坝轴线,横缝垂直纵缝。
(3)下游坝坡:先将原护坡表面杂物清理干净,内侧设排水沟,坝坡按1:2.0进行修整,其部分坝坡需要回填的采用风化料回填并分层压实。
坝面修整后新植草皮护坡。
对坝体进行填充灌浆,对坝基进行帷幕灌浆。
(4)对溢洪道底板及边墙进行加固,对溢洪道基础进行帷幕灌浆。
(5)新建放水梯级及输水隧道。
(6)防汛公路:维修防汛抢险公路。
(7)房建工程:水库管理工程,修建管理用房,增加配套:配电设备、通信设备、普通照明设备、交通设备。
(8)对下游坝进行白蚁防治。
1.3 工程地质和水文气象概况1.3.1 水文气象概况古苏水库集雨面积3.153km2,水库坝址距离蒙山县城6km,坝址以上集雨面积3.153km2,河流坡降65.5‰。
商丘吴屯水库抢险
加固工程
监表10—1
监理日志
第本
姓名:
开场记录时间:2022年10月15日
终止记录时间:2022年12 月10日
商丘淮海水利工程监理
监理日志注意事宜
监理日志有专业监理工程师填写并由监理工程师签阅。
监理日志每天填写的内容必须如实力求详细。
监理日志填写内容分四类:
施工监理动态:当天监理内容、工程会议主要施工内容、材料、机械、劳动力进场等情况。
监理工程师巡检情况。
存在问题情况处理:对提出来的问题、处理情况及结果:签发的
证书和单据〔备忘录、监理单等〕现场协调内容。
其它:包括平安、停工情况及合理化建立等。
监理日志
监制;10—2
日:2022年10月15日
说明:本表由监理机构指定专人填写按月装订成册。