销售部门经理级(大客户经理、直销经理)人员绩效考核方案(含目标责任书、指标量化等)设计
- 格式:docx
- 大小:50.00 KB
- 文档页数:8
销售部经理绩效考核方案一、背景介绍销售部作为公司的核心部门之一,负责实施销售策略、完成销售目标,销售部经理作为销售团队的领导者,对于团队的业绩具有决定性的影响力。
为了激励销售部经理发挥主导作用,制定一套科学合理的绩效考核方案是非常重要的。
二、考核指标分类为了全面评估销售部经理的工作绩效,我们将考核指标分为以下几个方面: 1. 销售业绩:包括销售额、销售增长率、市场份额等。
2. 客户满意度:通过客户调研、客户投诉率等来衡量销售部经理的客户关系管理能力。
3. 团队管理:通过团队业绩、团队合作情况、团队稳定性等来评估销售部经理的团队管理能力。
4. 个人能力提升:包括学习进修、专业知识更新等方面的能力提升情况。
三、具体考核指标和权重根据上述考核指标分类,我们制定了以下具体考核指标和相应的权重:1. 销售业绩(40%)销售业绩是考核销售部经理最直接的指标,应占总分的40%。
具体考核指标如下: - 年度销售额:评估销售部经理在一年内的销售额。
权重占比为20%。
- 销售增长率:评估销售部经理带领团队的销售额相比上一年同期的增长率。
权重占比为15%。
- 市场份额:评估销售部经理占领的市场份额。
权重占比为5%。
2. 客户满意度(30%)客户满意度是衡量销售部经理客户关系管理能力的重要指标,应占总分的30%。
具体考核指标如下: - 客户调研结果:通过定期对客户进行调研,评估销售部经理在客户满意度方面的表现。
权重占比为15%。
- 客户投诉率:评估销售部经理所负责的客户中客户对公司进行投诉的比例。
权重占比为15%。
3. 团队管理(20%)团队管理能力是衡量销售部经理团队建设能力的重要指标,应占总分的20%。
具体考核指标如下: - 团队业绩:评估销售部经理所带领团队的整体销售业绩。
权重占比为10%。
-团队合作情况:评估销售部经理与团队成员之间的合作情况和团队间的协同效能。
权重占比为5%。
- 团队稳定性:评估销售部经理带领团队的员工离职率和团队的人员稳定性。
销售经理绩效考核方案销售经理绩效考核方案一、概述销售经理是企业销售团队的核心,对销售绩效的管理和考核起到重要的作用。
本方案旨在通过绩效考核来激励和评价销售经理的工作表现,促进销售目标的达成,推动企业的销售业绩提升。
二、考核目标1. 销售目标:销售经理需完成给定的销售目标,包括销售额、市场占有率、客户数量等指标。
2. 客户满意度:销售经理需确保客户的满意度提升,通过有效的客户沟通和服务,建立良好的客户关系,提高客户忠诚度。
3. 团队管理:销售经理需有效管理和指导销售团队,确保团队成员的工作表现和绩效达到预期目标。
4. 市场调研与竞争分析:销售经理需不断进行市场调研和竞争分析,为企业提供市场情报和决策支持。
三、考核指标根据销售经理的工作职责和目标,结合企业的实际情况,确定以下考核指标:1. 销售额:销售经理需完成年度销售额目标,以及季度和月度的销售额指标。
2. 客户满意度:通过客户调研、反馈和投诉情况,评估销售经理在客户满意度方面的表现。
3. 新客户开发:销售经理需完成开发新客户的目标,通过开展市场营销活动和建立新的合作关系,扩大客户基础。
4. 团队绩效:通过评估销售团队的销售业绩、客户满意度以及团队合作等方面的表现,评估销售经理的团队管理能力。
5. 市场调研与竞争分析:评估销售经理对市场情况和竞争对手的了解程度,以及对企业销售策略和决策的支持和贡献。
四、考核周期和方式1. 考核周期:本方案将按照年度进行绩效考核,同时根据实际需要可以设定季度或月度的绩效考核。
2. 考核方式:绩效考核包括定期考核和不定期考核两种方式。
(1) 定期考核:每季度或每月销售经理应提交工作报告和销售业绩报告,评估销售经理在销售业绩、客户满意度和团队管理方面的表现。
(2) 不定期考核:根据需要组织对销售经理进行不定期的个别面谈,深入了解销售经理的工作情况和表现,及时解决问题并提供反馈。
五、考核结果与奖惩措施1. 考核结果评定:根据各项考核指标的完成情况以及客户满意度、团队绩效和市场调研等方面的数据,综合评定销售经理的绩效表现。
销售经理绩效考核方案及指标背景随着市场竞争的加剧,公司需要确保销售经理能够有效地推动业务增长,提高销售团队的绩效。
为此,我们制定了以下销售经理绩效考核方案及指标,以评估销售经理的工作表现并激励其持续进步。
考核方案我们的绩效考核方案采用综合考评的方式,结合定量和定性指标,以全面评估销售经理的绩效。
1. 销售业绩* 完成销售目标:销售经理应达成既定销售目标,并实现销售增长。
* 客户满意度:销售经理应通过有效的销售策略和客户关系管理,提高客户满意度并增加客户忠诚度。
2. 团队管理能力* 团队目标达成:销售经理应能够有效地管理销售团队,协调团队工作,以实现团队销售目标。
* 团队合作与沟通:销售经理应促进团队合作,加强内部沟通,确保团队成员间的良好协调与配合。
3. 销售策略与市场竞争力* 销售策略执行:销售经理应制定符合市场需求的销售策略,并有效地推动执行。
* 市场竞争力:销售经理应保持敏锐的市场洞察力,分析竞争对手动态,并及时调整销售策略以提高市场竞争力。
指标设置绩效考核指标将根据销售经理的工作职责和业务情况进行具体设定。
以下是一些常见的指标示例:1. 销售额增长率:根据销售经理负责的产品线或业务领域,设定销售额增长目标,评估销售经理的业绩表现。
2. 客户增长率:考核销售经理的客户开发和维护能力,通过评估客户增长率来衡量绩效。
3. 团队销售目标达成率:评估销售经理对团队销售目标的管理和推动能力。
4. 客户满意度调查分数:通过定期的客户满意度调查,评估销售经理在客户关系管理方面的表现。
5. 销售策略执行度评估:评估销售经理对销售策略的执行程度和效果。
以上只是一些常见的指标示例,具体指标设置应根据实际情况和销售经理的工作职责进行具体制定。
结论通过以上设定的销售经理绩效考核方案及指标,我们可以全面评估销售经理的工作表现,并激励其持续进步。
绩效考核的结果将用于制定激励政策和培训计划,以达到公司的业务增长目标。
以上是销售经理绩效考核方案及指标的概要,具体细节需要在实施时进一步完善和具体规定。
销售经理绩效考核方案背景介绍:销售经理作为企业中至关重要的角色之一,直接关系到企业的销售业绩和市场份额。
因此,为了提高销售经理的绩效表现,制定一套合理有效的绩效考核方案是非常必要和重要的。
一、考核目标与关键绩效指标设定1. 销售业绩目标:根据每个销售经理所负责的业务范围和市场潜力,设定合理的销售目标,包括销售额、销售增长率、市场份额等。
2. 客户关系管理:销售经理负责与客户建立长期稳定的合作关系,因此客户满意度、客户忠诚度、客户续费率等是评估销售经理绩效的重要指标。
3. 团队管理与发展:销售经理不仅要管理自己的销售业务,还需要带领团队一起达成销售目标。
因此,团队的销售业绩、团队成员的绩效提升、员工培养与发展等也是考核销售经理绩效的关键指标。
4. 个人能力与发展:销售经理需要不断提升自己的销售技巧和业务知识,个人能力的提升对于整个团队的发展非常重要。
因此,销售经理在市场洞察力、销售技巧、人际沟通能力、领导力等方面的发展也需要纳入考核指标。
二、考核标准和权重分配为了确保考核结果的公正、客观和准确,需要制定明确的考核标准和对不同指标的权重进行分配。
1. 销售业绩目标的考核标准可以设定为实际销售额与目标销售额的达成率,销售增长率、市场份额的提升幅度等。
2. 客户关系管理可以通过客户满意度调查、客户忠诚度评估等来进行考核,同时还可以考虑维护老客户的续费率等指标。
3. 团队管理与发展可以通过团队销售业绩达成率、团队成员的个人绩效评估结果、员工培养与发展计划的执行情况等来进行考核。
4. 个人能力与发展可以通过市场竞争力的提升、个人销售技巧的改善、领导力能力的发展等来进行考核。
对于不同指标的权重分配,需要根据企业的具体情况和战略目标进行合理的确定。
比如,销售业绩目标可以占总分的50%,客户关系管理占30%,团队管理与发展占10%,个人能力与发展占10%。
三、考核方法和周期1. 考核方法:a. 销售业绩目标可以根据销售数据进行定量的评估,比如和目标销售额的达成率、销售增长率的比较等。
销售部经理薪资绩效考核方案绩效考核组成部分:月度业绩达标奖+季度库存控制奖+职能KPI考核月度业绩达标奖5500+1300+670(补贴部分)=7470 年度计89640季度库存控制奖季末库存占总入仓比例进行考核原因,所以希望他也能很重视,努力一下做到10--14的区间.她含着笑,切着冰屑悉索的萝卜,她含着笑,用手掏着猪吃的麦糟,她含着笑,扇着炖肉的炉子的火,她含着笑,背了团箕到广场上去晒好那些大豆和小麦,大堰河,为了生活,在她流尽了她的乳液之后,她就用抱过我的两臂,劳动了。
大堰河,深爱着她的乳儿;在年节里,为了他,忙着切那冬米的糖,为了他,常悄悄地走到村边的她的家里去,为了他,走到她的身边叫一声“妈”,大堰河,把他画的大红大绿的关云长贴在灶边的墙上,大堰河,会对她的邻居夸口赞美她的乳儿;大堰河曾做了一个不能对人说的梦:在梦里,她吃着她的乳儿的婚酒,坐在辉煌的结彩的堂上,而她的娇美的媳妇亲切的叫她“婆婆”…………大堰河,深爱她的乳儿!大堰河,在她的梦没有做醒的时候已死了。
她死时,乳儿不在她的旁侧,她死时,平时打骂她的丈夫也为她流泪,五个儿子,个个哭得很悲,她死时,轻轻地呼着她的乳儿的名字,大堰河,已死了,她死时,乳儿不在她的旁侧。
大堰河,含泪的去了!同着四十几年的人世生活的凌侮,同着数不尽的奴隶的凄苦,同着四块钱的棺材和几束稻草,同着几尺长方的埋棺材的土地,同着一手把的纸钱的灰,大堰河,她含泪的去了。
这是大堰河所不知道的:她的醉酒的丈夫已死去,大儿做了土匪,第二个死在炮火的烟里,第三,第四,第五而我,我是在写着给予这不公道的世界的咒语。
当我经了长长的飘泊回到故土时,在山腰里,田野上,兄弟们碰见时,是比六七年107210461926192819303121933419361938 193812194她含着笑,切着冰屑悉索的萝卜,她含着笑,用手掏着猪吃的麦糟,她含着笑,扇着炖肉的炉子的火,她含着笑,背了团箕到广场上去晒好那些大豆和小麦,大堰河,为了生活,在她流尽了她的乳液之后,她就用抱过我的两臂,劳动了。
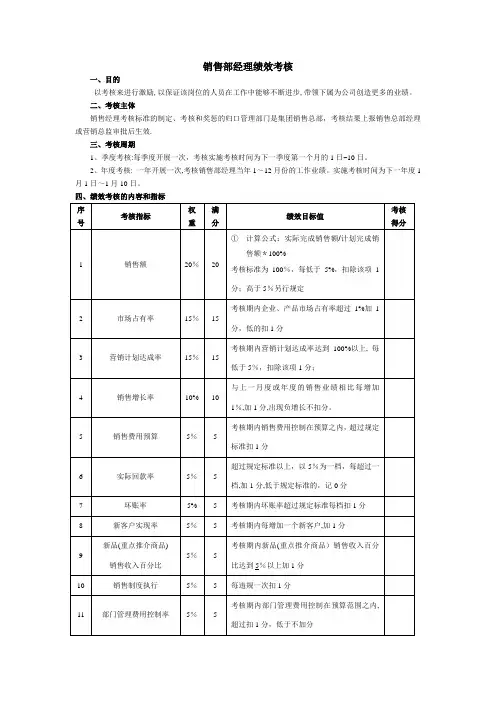
销售部经理绩效考核
一、目的
以考核来进行激励,以保证该岗位的人员在工作中能够不断进步,带领下属为公司创造更多的业绩。
二、考核主体
销售经理考核标准的制定、考核和奖惩的归口管理部门是集团销售总部,考核结果上报销售总部经理或营销总监审批后生效.
三、考核周期
1、季度考核:每季度开展一次,考核实施考核时间为下一季度第一个月的1日~10日。
2、年度考核: 一年开展一次,考核销售部经理当年1~12月份的工作业绩。
实施考核时间为下一年度1月1日~1月10日。
四、绩效考核的内容和指标
五、考核结果的应用
1、季度考核结果应用:根据销售经理季度考核结果的总分,企业为其发放季度奖:
2、年度考核结果应用:根据销售经理年度考核结果的总分,企业为其发放年度奖:。
销售经理绩效考核方案销售经理绩效考核方案(通用6篇)为了确保事情或工作能无误进行,常常要根据具体情况预先制定方案,方案是书面计划,是具体行动实施办法细则,步骤等。
那么你有了解过方案吗?下面是小编为大家收集的销售经理绩效考核方案(通用6篇),仅供参考,希望能够帮助到大家。
销售经理绩效考核方案11、目的为明确销售人员绩效工资、晋升及年终奖金的计算、发放标准,并激励销售人员的积极性、主动性和创造性,特制定销售人员绩效考核办法。
2、适用范围适用对销售人员的考核。
3、职责3.1财务部、仓储物流部提供销售人员的绩效数据给人事部。
3.2行政部根据各部门提供的数据计算绩效奖金和年终奖金,绩效奖金随工资发放。
年终奖金由财务部负责发放。
3.3行政部负责提供销售人员晋级、降级所依据的数据。
4、工作程序4.1销售人员绩效考核内容:销售人员绩效考核表解释说明:(1)销售毛利=销售额-产品成本-对应客户群体发生的所有费用–公司内部分摊费用;(2)产品售价由公司统一制定价格政策,特殊情况低价销售,必须报请总经理同意;(3)月度毛利提成率=(月度绩效工资×60%)/月度计划毛利总额;(4)月度销售提成率=(月度绩效工资×40%)/月度计划销售总额;(5)回款提成率=回款率<60%,回款提成为0;60%<回款率<70%,回款提成为%;70%<回款率<80%,回款提成为%;80%<回款率<90%,回款提成为%;90%<回款率<100%,回款提成为%;回款率=100%,回款提成为%;(6)回款率=(月初回款+当月销售-月末未回款)/月末未回款*100%(大于1时,按1计算)(7)业务员共同产生的费用,按照谁受益、谁承担的原则,或在报销时写清分配比例。
店展或经销商会议等大型活动,可以将费用平均到全年计算。
公司级广告、市场策划活动另议;(8)新客户有效期:一年。
(老客户间隔一年以上重新采购的产品也算新客户)。
销售经理绩效考核方案背景介绍销售经理是企业中重要的岗位之一,在企业的销售战略和业绩方面扮演着关键的角色。
为了激励销售经理的工作积极性,提高他们的绩效水平,制定一个科学合理的绩效考核方案是非常必要的。
本文将针对销售经理的绩效考核方案进行详细讲解,从考核指标、权重分配、评分标准等方面进行深入解析。
一、考核指标为了全面细致地考核销售经理的绩效,可以从以下几个方面进行考核指标的设定:1. 销售额销售额是衡量销售经理业绩的核心指标之一。
可以根据销售经理的负责业务范围和目标市场的不同,设定相应的销售额考核指标。
2. 客户满意度客户满意度的提升是企业长期发展的关键。
销售经理在销售过程中扮演着桥梁和纽带的角色,应关注客户的需求、反馈,确保客户满意度的提高。
3. 团队管理能力作为销售团队的领导者,销售经理的团队管理能力直接影响着团队的业绩。
可以考核销售经理在团队招聘、培训、激励等方面的表现。
4. 业务拓展能力销售经理应积极主动地开展市场拓展工作,寻找新的销售机会。
可以考核销售经理的市场分析能力、市场开拓能力等。
5. 完成销售计划的能力销售经理需要根据公司的销售计划制定具体的销售策略和计划,并确保其执行。
可以考核销售经理制定计划的合理性和完成计划的能力。
二、权重分配考核指标的权重分配是评估销售经理绩效的关键。
根据公司的战略目标、销售经理的角色和职责,可以合理分配权重,以更好地评估销售经理的工作绩效。
1. 销售额:30%销售额是企业发展的核心指标,应赋予较高的权重。
2. 客户满意度:20%客户满意度是业务长期稳定发展的重要保障,应给予适当的权重。
3. 团队管理能力:20%团队管理能力直接影响销售团队的绩效,应给予一定的权重。
4. 业务拓展能力:15%业务拓展能力是销售经理开拓新市场、扩大销售的关键能力,应给予一定的权重。
5. 完成销售计划的能力:15%完成销售计划的能力体现销售经理的执行力和计划制定能力,应给予适当权重。
销售经理绩效考核分配方案
1. 背景和目的
本方案旨在制定销售经理的绩效考核分配方案,以确保销售经理的激励机制合理、公正,并能够有效推动销售团队的业绩提升。
2. 绩效考核指标
销售经理的绩效将通过以下指标进行考核:
- 销售额:销售经理所负责的销售额表现。
- 新客户开发:销售经理在考核期内开发的新客户数量。
- 客户满意度:客户满意度调查结果。
- 团队绩效:所负责销售团队的整体业绩。
3. 考核权重和计算方法
为了保证公正和绩效目标的均衡,各考核指标的权重将按照以下比例进行划分:
- 销售额:40%
- 新客户开发:30%
- 客户满意度:20%
- 团队绩效:10%
具体的绩效考核计算方法将根据实际情况进行量化和细化。
4. 奖励机制
销售经理根据绩效考核结果将获得相应的奖励,奖励包括以下方面:
- 奖金:根据绩效考核得分进行奖金分配。
- 晋升机会:优秀绩效的销售经理将获得晋升的机会,享受更高级别的职位和待遇。
- 福利待遇:根据绩效考核结果,享受一定的福利待遇提升。
5. 绩效考核周期和评定
绩效考核周期为每季度一次,具体评定将由上级领导和销售团队的共同参与决定。
评定过程将充分考虑销售经理的个人表现、销售团队的整体表现以及客户反馈等因素。
6. 效果跟踪和调整
本方案实施后应及时跟踪绩效考核结果,对于方案的有效性和公平性进行评估。
在需要的情况下,方案可以进行调整和优化,以确保其能够有效地激励销售经理并推动销售团队的持续发展。
以上为销售经理绩效考核分配方案的主要内容,方案的具体实施及细节应根据实际情况进行调整和补充。
销售部经理绩效考核方案一、绩效考核目的销售部经理的绩效考核旨在评估其对销售团队的管理能力、业绩推动能力以及战略规划和执行能力等方面的表现。
通过绩效考核,可以评判销售部经理是否能够有效地管理销售团队,达成销售目标,并为企业持续增长做出贡献。
二、绩效考核指标1.销售目标完成情况:考核销售部经理能否达成年度销售目标,以及实际销售业绩与目标之间的差异。
2.团队管理能力:考核销售部经理的团队建设和激励能力,包括销售团队的组织架构是否合理、人员配置是否充足、团队成员之间的合作效率等。
3.销售策略和计划的制定和执行:考核销售部经理是否具备良好的市场洞察力和销售策略制定能力,以及能否有效执行制定的销售计划。
4.客户关系管理:考核销售部经理的客户关系管理能力,包括主动开发新客户、维护老客户、解决客户问题等方面的表现。
5.团队绩效:考核销售部经理对销售团队的绩效管理能力,包括销售团队业绩的增长率、团队成员个人销售业绩的表现等。
6.沟通协调能力:考核销售部经理的沟通和协调能力,包括与其他部门的沟通配合、团队内部的沟通和协调等。
7.专业知识与技能:考核销售部经理是否具备销售管理所需的专业知识和技能,包括市场分析、营销策略制定、销售技巧等。
1.个人面谈:通过与销售部经理进行定期的个人面谈,了解其对各项指标的具体完成情况,并评估其解决问题的能力、交流与沟通能力、领导能力等。
2.业绩数据分析:对销售部经理的销售业绩数据进行详细分析,包括销售目标完成情况、销售增长率、新客户开发情况等。
通过对比与历史数据和行业平均水平的对比,评估其业绩表现。
3.客户调查与满意度评估:对销售部经理所负责客户的满意度进行调研,了解客户对销售经理的评价和满意度,以此评估其客户关系管理能力。
4.团队绩效评估:通过对销售团队的绩效数据进行分析,包括销售额、销售增长率、客户维护情况等,评估销售部经理的团队绩效管理能力。
5.360度评估:向销售部经理的上级、下级、同级、客户等进行匿名评估,从多个角度了解销售部经理的能力和表现,评估其整体绩效。
销售经理绩效考核方案销售经理是企业中至关重要的职位之一,他们的工作任务是组织和管理销售团队,确保销售目标的达成。
因此,一个科学合理的销售经理绩效考核方案对于企业的发展和销售团队的激励非常重要。
下面是一个1200字以上的销售经理绩效考核方案,帮助企业更好地评估销售经理的工作表现。
一、目标设定1.销售目标:根据企业的销售计划和市场需求,制定销售目标。
销售经理的绩效将与销售目标的实际达成情况挂钩。
2.战略目标:销售经理需要与高层管理层合作,制定销售战略和策略,根据市场竞争和新产品/服务的推出来制定目标。
二、销售业绩考核1.销售额:作为销售经理,主要的绩效指标应是销售额。
销售额可以按月、季度、年度来考核。
销售经理需要设定具体的销售目标,并根据实际销售额的达成情况评估其绩效水平。
2.销售增长率:销售经理不仅需要完成销售目标,还需要关注销售的增长。
因此,销售增长率也应作为考核指标之一3.销售份额:企业市场份额的增长对于企业的长期发展至关重要。
销售经理需要通过拓展新客户、维护老客户等方式来提高企业市场份额。
4.客户满意度:销售经理需要建立和维护良好的客户关系,确保客户满意度的提高。
可以通过客户满意度调研来评估销售经理的工作表现。
三、销售团队管理考核1.团队销售额和增长率:销售经理不仅需要关注个人的销售业绩,还需要管理和推动整个销售团队的业绩。
因此,团队销售额和增长率也应作为考核指标之一2.团队建设和发展:销售经理需要培养和管理销售团队,关注团队的组织效率和成员的能力提升。
可以通过团队的人员流动率、培训计划的执行情况等指标来评估销售经理的团队管理能力。
3.团队合作和沟通:销售经理需要促进销售团队之间的合作和沟通,确保团队成员之间的协作,共同实现销售目标。
可以通过团队内部合作项目的数量和质量来评估销售经理的团队合作能力。
四、个人能力评估1.销售技巧和专业知识:销售经理需要具备一定的销售技巧和专业知识。
可以通过销售技巧培训成绩、销售知识测试等方式来评估销售经理的个人能力水平。
销售经理绩效考核方案一、背景介绍:销售经理是企业中非常关键的职位,其绩效考核直接关系到企业的销售业绩和经营成果。
为了激发销售经理的工作积极性和主动性,提高其绩效水平,需要制定科学合理的绩效考核方案。
二、考核目标:1.达成销售目标:销售经理的首要任务是完成销售指标,因此销售额、市场份额等是其工作成果的关键指标。
2.提高客户满意度:销售经理应该以客户为中心,提供优质的服务,提高客户满意度和客户忠诚度。
3.带领团队:销售经理需要合理管理销售团队,提高团队成员的工作效率和能力,达到团队协作的最佳状态。
三、考核指标:1.销售额:将销售经理的销售额作为主要的考核指标之一,通过设定年度销售目标和季度销售目标,评估其销售业绩。
2.市场份额:考核销售经理的市场份额来判断其业务拓展和销售策略的有效性,同时与竞争对手进行对比评估。
3.客户满意度:通过调查问卷、客户反馈和投诉等方式,评估销售经理的客户满意度,包括产品质量、交货准时性、服务态度等维度。
4.客户开发和维护:评估销售经理是否积极主动地开发新客户,并且能够有效地维护已有客户关系,提高客户忠诚度。
5.团队管理能力:通过考核销售经理的团队成员的业绩、绩效提升情况、团队士气等方面,评估其团队管理能力。
四、考核流程:1.制定目标:年初制定销售目标,并将其分解为季度、月度目标,确保目标的可操作性和落地性。
2.指标评估:每季度对销售额、市场份额、客户满意度等指标进行评估,以定期反馈销售经理的绩效水平。
3.个人评估:销售经理需自评工作完成情况,提供工作成果和自我反思,并与直线上级进行面谈,相互了解绩效表现和发展需求。
4.团队评估:针对销售经理所带团队的业绩、士气等方面进行团队评估,评估销售经理的团队管理能力和协调能力。
5.考核结果:将个人评估、团队评估、指标评估综合考虑,得出销售经理的绩效考核结果,并进行及时反馈。
五、激励措施:1.绩效奖励:根据绩效考核结果,设置奖励机制,例如销售业绩优秀者给予奖金、旅游等奖励,激励销售经理积极工作。
销售部经理绩效考核方案一、考核目地1、为了对销售部经理工作业绩及工作态度进行客观的评定2、明确销售部的工作目标,通过激励完成销售部工作目标。
3、通过绩效考核,为销售部经理绩效工资及晋升提供依据二、考核周期及具体时间1、考核分为月度考核及年度考核,月度考核为每月15号之前评估上月绩效工作,年度绩效考核时间为下年度1月15号之前完成三、考核原则坚持公平、公正、及时沟通的原则四、考核小组成员绩效考核小组负责对销售经理进行考核五、考核内容及指标设计销售部经理的考核通过年度目标分解的关键业绩指标和月度工作目标来考核,指标权重总和为100分,基准分为100分,考核得分不限,具体考核表如下:销售部经理绩效考核表考核对象:销售经理考核周期:年月日-年月日考核指标计算方式销售计划达成率=实际销售金额÷计划销售金额×100%1.销售额完成率实际销售金额:月累计,以从年期初累计到当月签订的合同金额为准计划销售金额:以年初批准的销售计划为准,月累计最高目标值考核标准最低目标值资源支持答应权重(%)自评得分上级评分接单毛利率:指销售部接单时根据报价成本与接单价计较出来的利润2.接单毛利率率接单毛利率=(接单价-成本报价)/接单价*100%3.新开发客户新开发客户:指与公司首次签订合同的客户,每多一家客户加5分每投诉1次,扣5分,扣完本项配4.客户投诉次数分为止,投诉:客户投诉责任归属户内外贸部的回款率=实际收到货款÷当月应收货款×100%实际收到货款:以财政核算为准当月应收货款:以合同约定付款期限为本月的为准,不包括因品质、交货原因导致的扣款综合得分5.回款率六、考核指标计较方式1、直接扣分型指标计较办法扣分项目指在项目配分的基础上倒扣分数的考核项目,其计分办法依照指标中对应的“计较方式”的规定执行扣分。
2、比例型指标计算方法(带有最高目标值、考核目标值、最低目标值的指标)a)界说:比例型项目即其考核指标用“%”表示的指标。
销售经理的绩效考核方案背景为了激励和评估销售经理的绩效,制定了以下考核方案。
考核指标1. 销售业绩:销售经理的销售团队所负责的销售额将作为考核指标之一。
具体指标可以是团队销售额的年度增长率,或者相对于预定销售目标的完成百分比。
2. 客户满意度:销售经理需要与客户进行积极的沟通和互动,以确保客户对产品和服务的满意度。
考核指标可以是客户满意度调查的结果,或者客户投诉和解决的数量。
3. 团队管理能力:销售经理需要有效地管理和指导销售团队,协调团队成员的工作,促进合作和协作。
团队成员的工作表现和团队合作能力可以作为考核指标。
4. 创新能力:销售经理需要具备创新思维和解决问题的能力,以应对市场变化和竞争压力。
考核指标可以是销售经理提出的创新建议的数量和实施情况。
5. 专业知识:销售经理需要保持对产品、市场和销售技巧的专业知识的更新和提升。
考核指标可以是销售经理参加培训和获取认证的情况。
考核流程1. 设定目标:销售经理与上级确定年度销售目标和其他考核指标。
2. 月度评估:每月对销售经理的绩效进行评估,根据销售业绩、客户满意度和团队管理能力等指标进行评分。
3. 季度评估:每季度根据月度评估的结果,对销售经理的绩效进行综合评估,并进行相应的绩效调整和激励措施。
4. 年度总结:年度结束时,对销售经理的整体绩效进行总结评估,给予奖励和晋升的决定。
奖励措施销售经理的绩效优秀者将享受以下奖励措施:1. 绩效奖金:根据绩效评估结果,给予销售经理相应的绩效奖金。
奖金金额与绩效评分成正比。
2. 晋升机会:绩效优秀者将获得晋升的机会,进一步担任更高级别的销售管理职位。
3. 培训和发展:为绩效优秀者提供培训和发展机会,以进一步提升其管理和销售技巧。
总结以上是销售经理的绩效考核方案。
通过设定明确的考核指标和奖励措施,可以激励销售经理实现卓越的绩效,促进团队的发展和组织的增长。