直流通讯协议
- 格式:doc
- 大小:181.50 KB
- 文档页数:9
约定:本章的“后台”,“上位机”,“自动化系统”,“远动系统”是同一个概念,指与直流系统通讯的一方。
11.1串行通讯协议串行通讯监控方式支持电力行业标准CDT协议,以接入电力自动化(远动)系统。
CDT协议是循环数据传送,在此方式中,发送端将要发送的数据分组,再按照约定的规则组合成帧。
从一帧的开头到结尾依次向接收端发送,全帧信息传送完毕后,又从头到尾重新传送。
这种方式由发送端周期性地发送信息而不询问接收端的是否接受到,也不要求接收端给予回答。
具体CDT协议标准框架请参考中华人民共和国电力行业标准《循环式远动规约》,代号为(DL 451-91)。
以下介绍本直流系统的CDT协议标准内容。
11.1.1术语定义状态量:用于描述系统运行时的采集量,取值为有限的几个值,并不表示系统的故障情况。
在协议中一般指交流当前工作路号、系统控制方式、电池充电状态、充电模块控制方式、充电模块开/关机状态等五个量,在本协议的遥信量中包括了此类量。
告警量:用于描述系统处于异常时的采集量,取值为0或1,当取值为1时表示系统有故障存在。
在本协议上送遥信量中的大部分都是此类量。
11.1.2物理接口1. 串行通讯口提供RS232、RS485、RS422三种串行通讯方式。
2. 数据传输速率提供600、1200、2400、4800、9600(缺省值)、19200bps五种通讯波特率。
3. 字符格式采用无校验位、8位数据位、1位停止位的异步串行通讯格式。
11.1.3帧结构帧结构如图11-1-1所示,每帧都以同步字开头,随后发送1个控制字和多个信息字,信息字的个数是可变的,其数值在控制字中有描述。
图11-1-1 帧结构11.1.4同步字本协议的同步字按发送的先后顺序为:EB、90、EB、90、EB、90。
11.1.5控制字控制字共有B7~B12个字节,其组成如图11-1-2所示。
b7b0B8B9B10B11B12图11-1-2 控制字组成1. 控制字节说明如图11-1-3所示。
国标充电桩通讯协议(一)国标充电桩通讯协议什么是国标充电桩通讯协议?国标充电桩通讯协议是指符合国家标准的充电桩通讯协议,主要通过定义通讯协议格式、通讯命令和数据交互内容等方式实现充电桩与后台服务器之间的通讯。
国标充电桩通讯协议的作用国标充电桩通讯协议定义了充电桩与后台服务器之间的通讯标准,使得充电桩可与各个品牌的后台服务器进行通讯交互,从而实现智能化充电管理、统计充电数据等功能。
同时,也使得充电桩产品具备了更好的互操作性。
国标充电桩通讯协议的标准目前,我国电动汽车充电基础设施建设采用的通讯标准有两种,分别为GB/T 27930和GB/T 18487.1。
其中,GB/T 27930主要适用于电动汽车充电站及其所提供的交直流充电服务,而GB/T 18487.1则适用于电动汽车直流快速充电设施。
国标充电桩通讯协议的内容国标充电桩通讯协议包含以下内容:•数据格式:定义了通讯数据格式,包括数据位数、校验位、数据类型等;•通讯命令:定义了充电桩与后台服务器之间通讯所使用的数据命令;•数据交互内容:规范了充电桩与后台服务器之间的数据类型、数据内容等。
国标充电桩通讯协议的意义实现国标充电桩通讯协议,可以让不同品牌的充电桩之间实现互通互联,从而推动电动汽车市场的发展。
同时,也使得充电桩与后台服务器之间的通讯更为稳定、高效,提升了电动汽车充电的体验。
国标充电桩通讯协议的未来随着电动汽车市场的发展,国标充电桩通讯协议将继续升级迭代,以适应不断变化的市场需求。
未来,充电桩通讯协议的标准化和普及将成为电动汽车产业发展的关键支撑之一。
国标充电桩通讯协议的优势采用国标充电桩通讯协议的充电桩具有以下优势:•具有更好的通讯稳定性和可靠性,能够避免通讯过程中的数据丢失和错位问题;•具备更高的通讯效率,可以大大降低通讯的响应时间;•能够实现与不同品牌的高兼容性,避免充电桩之间挑选的问题;•方便后期维护和升级,提高产品的可维护性和可扩展性。
电动汽车通讯协议协议名称:电动汽车通讯协议一、引言本协议旨在规范电动汽车通讯协议的制定和应用,以促进电动汽车行业的发展和互联互通。
本协议适用于电动汽车与充电桩、能源管理系统、智能交通系统等设备之间的通讯。
二、定义1. 电动汽车:指采用电动机作为动力源的车辆,包括纯电动汽车、插电式混合动力汽车等。
2. 充电桩:指用于给电动汽车充电的设备,包括交流充电桩和直流充电桩。
3. 能源管理系统:指对电动汽车充电、放电、储能等进行管理和控制的系统。
4. 智能交通系统:指利用信息与通信技术对交通进行管理和控制的系统。
三、通讯协议要求1. 通讯协议应采用开放、公平、透明的原则,允许不同厂商的设备进行互联互通。
2. 通讯协议应具备高效、稳定、安全的特性,确保通讯数据的可靠传输和保密性。
3. 通讯协议应支持多种通讯方式,包括有线通讯和无线通讯,以满足不同场景的需求。
4. 通讯协议应具备良好的可扩展性和兼容性,能够适应未来电动汽车行业的发展和创新。
四、通讯协议内容1. 设备识别与认证:通讯协议应规定设备的唯一标识符和认证机制,确保设备的合法性和安全性。
2. 数据格式与编码:通讯协议应定义数据的格式和编码规则,确保数据的一致性和可解析性。
3. 通讯接口与协议栈:通讯协议应规定设备之间的物理接口和通讯协议栈,包括传输层、网络层和应用层。
4. 通讯命令与消息:通讯协议应定义设备之间的通讯命令和消息格式,包括设备状态查询、控制指令等。
5. 安全与加密机制:通讯协议应规定通讯数据的加密和解密机制,确保通讯的安全性和防护能力。
6. 异常处理与错误码:通讯协议应定义设备之间的异常处理机制和错误码,以提供良好的用户体验和故障排除能力。
五、应用场景1. 充电桩与电动汽车之间的通讯:通讯协议应规定充电桩与电动汽车之间的通讯方式和协议,包括充电桩的识别、电动汽车的充电需求等。
2. 能源管理系统与电动汽车之间的通讯:通讯协议应规定能源管理系统与电动汽车之间的通讯方式和协议,包括能源管理系统对电动汽车的充电、放电、储能等控制。
约定:本章的“后台”,“上位机”,“自动化系统”,“远动系统”是同一个概念,指与直流系统通讯的一方。
11.1串行通讯协议串行通讯监控方式支持电力行业标准CDT协议,以接入电力自动化(远动)系统。
CDT协议是循环数据传送,在此方式中,发送端将要发送的数据分组,再按照约定的规则组合成帧。
从一帧的开头到结尾依次向接收端发送,全帧信息传送完毕后,又从头到尾重新传送。
这种方式由发送端周期性地发送信息而不询问接收端的是否接受到,也不要求接收端给予回答。
具体CDT协议标准框架请参考中华人民共和国电力行业标准《循环式远动规约》,代号为(DL 451-91)。
以下介绍本直流系统的CDT协议标准内容。
11.1.1术语定义状态量:用于描述系统运行时的采集量,取值为有限的几个值,并不表示系统的故障情况。
在协议中一般指交流当前工作路号、系统控制方式、电池充电状态、充电模块控制方式、充电模块开/关机状态等五个量,在本协议的遥信量中包括了此类量。
告警量:用于描述系统处于异常时的采集量,取值为0或1,当取值为1时表示系统有故障存在。
在本协议上送遥信量中的大部分都是此类量。
11.1.2物理接口1. 串行通讯口提供RS232、RS485、RS422三种串行通讯方式。
2. 数据传输速率提供600、1200、2400、4800、9600(缺省值)、19200bps五种通讯波特率。
3. 字符格式采用无校验位、8位数据位、1位停止位的异步串行通讯格式。
11.1.3帧结构帧结构如图11-1-1所示,每帧都以同步字开头,随后发送1个控制字和多个信息字,信息字的个数是可变的,其数值在控制字中有描述。
图11-1-1 帧结构11.1.4同步字本协议的同步字按发送的先后顺序为:EB、90、EB、90、EB、90。
11.1.5控制字控制字共有B7~B12个字节,其组成如图11-1-2所示。
b7b0B8B9B10B11B12图11-1-2 控制字组成1. 控制字节说明如图11-1-3所示。
一、总则1。
本技术文件适用于直流系统中采用高频开关电源的直流成套装置的功能设计、结构、性能、安装和试验等方面的技术要求。
2.本技术文件提出的是最低限度的技术要求,并未对一切技术细节作出规定,也未充分引述有关标准和规范的条文,供货方提供符合本技术要求和工业标准的优质产品。
3。
本技术文件所使用的标准如遇与所执行的标准不一致时,按较高标准执行.4.本技术文件经双方确认后作为订货合同的技术附件,与合同正文具有同等法律效力.二、直流屏技术标准遵循的主要现行标准有GB/T3859.1—1993 半导体变流器基本要求的规定GB/T7261—1987 继电器及继电器保护装置基本试验方法GB/17478—1998 低压直流设备的特性及安全要求JB/T8456—1996 低压直流开关设备电力系统直流柜通用技术条件及安全要求电控设备用低压直流电源DL/T 5136-2001 火力发电厂、变电所二次接线设计技术规程DL/T459—2000 电力系统直流电源柜订货技术条件DL/T5044—2004 电力工程直流系统设计技术规定DL/T 5137-2001 电测量及电能计量装置设计技术规程GB l3337。
1—9l 固定型防酸式铅酸蓄电池技术条件DL/T637—1997 阀控式密封铅酸蓄电池订货技术条件YD/T99—1996 通信用阀控式密封铅酸蓄电池技术要求和检验方法IEC896—2 固定型铅酸蓄电池一般要求和试验方法DL/T5044-95 火力发电厂、变电所直流系统设计技术规定DL/T 856—2004 电力用直流电源监控装置国家电网公司直流电源系统技术标准三、投标直流屏使用环境环境条件1。
使用环境条件1。
1海拔高度:~2000米1。
2耐地震能力:地面水平加速度:0.3g地面垂直加速度:0。
15g2。
室内安装条件2。
1室内的温度和湿度2。
2最高气温:40℃2。
3最低气温:-15℃2.4相对湿度(25℃):≤95%2。
5供电电压:AC380V2。
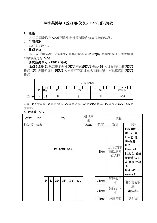
珠海英搏尔珠海英搏尔((控制器-仪表仪表))CAN 通讯协议1、概述 本协议规定汽车CAN 网络中电机控制器向仪表发送的信息。
2、引用标准 SAE J1939-21。
3、物理接口 本协议采用CAN2.0B 标准,通讯波特率为250kbps ,数据中未使用或者保留的字节约定为0x00。
4、协议数据单元协议数据单元((PDU )格式 SAE J1939-21规范规定两种PDU 格式:PDU1格式(PS 为目标地址)和PDU2格式(PS 为组扩展),PDU2为不指定特定目标地址的传输,本标准选用PDU2格式。
5Byte 低功耗模式0xAA-低功耗,其它-无效6Byte 小计里程低字节7Byte 小计里程高字节0.1km/bit4 0 0 248 16 1548Byte 保留6、数据帧二定义OUT IN ID 通讯周期数据位置数据备注ID=10F8108D1Byte 直流电压低字节2Byte 直流电压高字节0.1V/bit3Byte 电机电流低字节4Byte 电机电流高字节0.1A/bitP R DP PF PS SA5Byte 电机温度低字节6Byte 电机温度高字节0.1℃/bit7~8 Byte 保留控制器仪表4 0 0 248 16 14150ms附:交流控制器故障码说明编号名称报警方式处理方式故障对策01 高踏板故障长鸣不运行检查踏板并归位02 预充电故障一长两短不运行检查电源板有无明显损坏,检查电源板与控制板之间的排线是否可靠连接。
03 过流一长三短停机第一步调整控制参数,第二步调整输出力矩,如不能解决问题则返厂维修。
04 控制器过热一长四短停机检查风扇是否正常工作,风道是否顺畅。
05 主回路断电一长五短停机检查主回路保险、接触器、急停开关等。
06 电流采样电一长六短停机返厂维修。
路故障08 BMS故障一长八短停机BMS故障或者电池组异常。
09 电池组欠压一长九短停机需充电。
10 电池组过压一长十短停机检查电池是否正常,适当减小能量回馈。
Modbus协议和点表解读: 通讯协议部分功能码描述公司Modbus通讯模式下的信息传输,输⼊输出Modbus RTUGZDW直流屏监控系统在本通讯协议描述了公司保证信息和数据在上位监控计算机和公司直流以⽅便第三⽅使⽤和开发,命令格式和数据地址的定义,屏系统之间有效的传输。
物理接⼝:1. ⽅式。
串⾏通讯⼝采⽤RS4851.11位,⽆校验,停⽌位位。
1.2 信息传输⽅式采⽤半双⼯异步⽅式,起始位1位,数据位8. ), 存在选项1.3 数据传输速率为9600bps(默认. GZDW直流屏通讯⼝作从站1.4 在现场总线设备中,Modbus RTU通讯协议格式2.本通讯转换器⽀持的MODBUS RTU通讯帧结构解释:符合标准: Modbus通讯帧由以下⼏个部分组成每个地址域1)功能域2)数据域3)校验域4)数据发送顺序:校验域(N Byte)2 Byte)地址域(1 Byte)功能域(1 Byte)数据域(2.1地址域其响应⽹络数据帧中地址Modbus RTU从站地址域为⼀个字节,公司直流屏系统地址固定为0x03 ,域数据与⾃⾝地址相等的数据信息命令。
2.2 功能码域: Modbus RTU通讯协议中功能码域包括⼀个字节,有关本公司直流系统功能码参见下表数据域2.3数据域中数据采⽤⾼字节在前,低字节在. Modbus RTU通讯协议数据域长度不定,视具体情况⽽定后的传输顺序,例如:该寄存器数据发送顺序为:位寄存器包含数据为0x12BC, ⼀个16 0x12 ⾼位字节:0xBC 低位字节:2.4 校验域,⾼字节在后,16通讯协议采⽤位CRC校验传输时低字节在前Modbus RTU 公司直流系统94/ 页第1 共页:命令⽰例2.5功能域中01功能码可由上位机发送请求本通讯转换器中的⼀个或多个线圈(实际输出)状态,返回实际输出01断开状态。
点接通/01H读线圈状态数据帧格式(主机---?从机)从站地址 1 字节主机)应答01H数据帧(从机--- 1 字节功能码01H 1 字节从站地址2 字节位数据请求开始地址 1 字节功能码01H2 字节位请求个数 1 字节字节数(字节记数器)2 字节CRC校验码n 字节位数据2 字节CRC校验码: 具体实例1> 查询。
约定:本章的“后台”,“上位机”,“自动化系统”,“远动系统”是同一个概念,指与直流系统通讯的一方。
11.1串行通讯协议串行通讯监控方式支持电力行业标准CDT协议,以接入电力自动化(远动)系统。
CDT协议是循环数据传送,在此方式中,发送端将要发送的数据分组,再按照约定的规则组合成帧。
从一帧的开头到结尾依次向接收端发送,全帧信息传送完毕后,又从头到尾重新传送。
这种方式由发送端周期性地发送信息而不询问接收端的是否接受到,也不要求接收端给予回答。
具体CDT协议标准框架请参考中华人民共和国电力行业标准《循环式远动规约》,代号为(DL 451-91)。
以下介绍本直流系统的CDT协议标准内容。
11.1.1术语定义状态量:用于描述系统运行时的采集量,取值为有限的几个值,并不表示系统的故障情况。
在协议中一般指交流当前工作路号、系统控制方式、电池充电状态、充电模块控制方式、充电模块开/关机状态等五个量,在本协议的遥信量中包括了此类量。
告警量:用于描述系统处于异常时的采集量,取值为0或1,当取值为1时表示系统有故障存在。
在本协议上送遥信量中的大部分都是此类量。
11.1.2物理接口1. 串行通讯口提供RS232、RS485、RS422三种串行通讯方式。
2. 数据传输速率提供600、1200、2400、4800、9600(缺省值)、19200bps五种通讯波特率。
3. 字符格式采用无校验位、8位数据位、1位停止位的异步串行通讯格式。
11.1.3帧结构帧结构如图11-1-1所示,每帧都以同步字开头,随后发送1个控制字和多个信息字,信息字的个数是可变的,其数值在控制字中有描述。
图11-1-1 帧结构11.1.4同步字本协议的同步字按发送的先后顺序为:EB、90、EB、90、EB、90。
11.1.5控制字控制字共有B7~B12个字节,其组成如图11-1-2所示。
b7 b0图11-1-2 控制字组成1. 控制字节说明如图11-1-3所示。
欧标充电协议
欧标充电协议,也称为欧洲标准充电协议,是用于电动车充电的一种通讯协议。
它定义了电动车与充电设备之间的通讯接口和数据交换规则,以确保充电过程的安全性和可靠性。
欧标充电协议有两种类型:AC充电和DC快速充电。
AC充电是指使用交流电源向电动车充电,采用的协议主要有Type 1和Type 2两种。
Type 1充电协议用于北美和日本市场,而Type 2充电协议则用于欧洲市场。
DC快速充电是指采用直流电源向电动车充电,采用的协议主
要有CHAdeMO和CCS(Combined Charging System)两种。
CHAdeMO协议主要用于日本市场,而CCS则用于欧洲和北
美市场。
此外,还有一种比较新的充电协议,即GB/T。
GB/T充电协
议是中国国家标准,主要用于中国市场。
欧标充电协议的发展和推广,为电动车的充电提供了统一的标准,方便了用户在不同国家和地区之间充电的互操作性。
同时,这也促进了电动车的普及和推广。
Power`Sun智能高频开关直流电源系统技术手册武汉国测科技股份有限公司目录1.Power`Sun直流系统 (4)1.1 适用范围 (4)1.2 系统特点 (4)1.3 系统技术参数 (4)1.4 系统方案选择 (5)2. Power`Sun直流系统参数计算 (6)2.1 系统负荷电流计算 (6)2.2 系统电池容量选择 (6)2.3 整流模块电流计算 (6)2.4 充电模块选择 (6)2.5 系统类型选择 (7)2.6 系统接线方案选择 (7)2.7 系统选配单元选择 (7)3.PS2主监控 (8)3.1 PS2主监控功能 (8)3.2 PS2主监控硬件说明 (9)3.3 PS2主监控操作说明 (13)4.K1B05 (K1B07、K1A10)整流模块 (19)4.1 K1B05 (K1B07、K1A10)工作原理及特点 (19)4.2 K1B05 (K1B07、K1A10)主要技术指标 (19)4.3 K1B05 (K1B07、K1A10)面板说明 (21)4.4 K1B05 (K1B07、K1A10)功能说明 (21)4.5 K1B05 (K1B07、K1A10)模块技术特色 (22)5. PM3A交流监控单元 (23)5.1 PM3A单元功能 (23)5.2 PM3A基本原理框图 (24)5.3 PM3A技术参数 (24)5.4 PM3A接口说明 (24)5.5 PM3A结构与安装 (25)5.6 PM3A交流接触器接线说明 (26)5.7 PM3A单元设置说明 (26)5.8 PM3A交流采样信号接线 (26)6.PM2J绝缘检测单元 (27)6.1 PM2J单元功能 (27)6.2 PM2J基本原理框图 (27)6.3 PM2J技术参数 (27)6.4 PM2J接口说明 (27)6.5 PM2J结构与安装 (29)6.6 PM2J单元接线说明 (29)7.FLQ防雷器 (31)7.1 FLQ工作原理及特点 (31)7.2 FLQ主要技术指标 (31)7.3 FLQ接口说明 (31)7.4 FLQ结构与安装 (31)7.5 使用说明 (31)1.Power`Sun直流系统1.1 适用范围本方案适合于小于100Ah及以下的直流系统,适用于开闭所、10KV用户站、小型35KV变电站。
RTU通讯协议采用主从应答式通讯方式,采用RS232通讯接口,支持RS232通讯和MODEM专线和拨号通讯;波特率支持1200、2400、4800、9600,每帧10位(1位起始位、8位数据、1位停止位)。
1、RTU下传报文:* ADDR: 直流电源地址。
* LG: ADDR之后,SUM之前的数据总数。
* SUM: ADDR之后,SUM之前的数据代数和,SUML为低位,SUMH为高位。
2、直流电源上传传报文:2.1 壁挂电源系统遥测量定义:2.2 壁挂电源系统遥信量定义:2.3壁挂电源系统遥调量定义:DATA 定义:每个遥调量由3字节构成,第1字节为信号编号,第2字节为遥调量低字节,第3字节为遥调量高字节,每次送1个遥调量。
直流系统接收遥调命令正确执行后返回ACKI 命令,否则返回NAK 命令。
2.4壁挂电源系统遥控量定义:DATA 定义:每个遥调量由2字节构成,第1字节为信号编号,第2字节为遥控量(00H:信号置0,0FFH:信号置1)。
直流系统接收遥控命令正确执行后返回ACKI 命令,否则返回NAK 命令。
DL451-91(CDT)通讯规约采用RS232通讯接口; 波特率支持1200、2400、4800、9600,字符格式10位(1位起始位、8位数据、1位停止位)。
1.帧定义1.1.帧结构1.2.同步字发送:EBH 90H EBH 90H EBH 90H,共6个字节。
1.3.控制字控制字共有B7 – B12 共6个字节,定义如下:1.3.1.控制字节控制字节定义如下:E:扩展位,E=0 表示使用本协议已定义帧类别码,E=1帧类别码可自定义,本协议中总为0L:帧长定义位,E=0 表示本帧无信息字,E=1 表示本帧有信息字,本协议中总为1S:源站地址有效D:目的站地址有效(上行信息中,S=1,D=1,源站地址为直流设备设置地址,目的站地址为上位机地址,固定为01H。
)(下行信息中,D=1, 目的站地址为直流设备设置地址)1.3.2.帧类别码帧类别码定义如下:1.3.3.信息字数信息字数n表示该帧中所含信息字数量;n=0表示本帧无信息。
S7-200控制Micromaster 变频器的标准的USS指令,采用RS485接口方式,通过PLC可以方便地控制和监测Microaster变频器的运行和状态。
在使用USS协议和西门子变频器通讯时,需注意以下几项:(1)USS协议是使用PLC的0端口和变频器通讯的,对于有两个端口的S7系列PLC要注意不要使用错误的端口号,而且当端口0用于USS协议通讯时,就不能再用于其它的目的了,包括与STEP7 Micro/win的通讯;(2)在编程时,要注意使用的V存储器不要和给USS分配的冲突。
若在USS协议中使用的是VW4725~VW5117之间的V存储器,建议在编写程序时,尽量不要使用这个区域附近的V存储器,以防出现不可预料的情况。
USS协议编程顺序如下:(1)使用USS_INIT指令初始化变频器。
包括指定端口0用于USS协议,通讯的波特率和激活的变频器号等。
程序只能通过一次启动或改变USS参数。
此程序段可以在程序初始化子程序中完成;(2)使用DRV_CTRL激活变频器。
每条DRV_CTRL只能激活一台变频器。
而其它USS指令,如:READ_RPM(读变频器参数)、WRITE_RPM(写变频器参数)可以任意添加;(3)配置变频器参数,以便和USS指令中指定的波特率和地址相对应。
(4)连接PLC和变频器间的通讯电缆。
需要注意的是,因为是通讯,所以连线时一定要注意动力线和通讯线分开布线,并且通讯线要使用短而粗的屏蔽电缆,且屏蔽层要接到和变频器相同的接地点,否则会给通讯造成干扰,导致变频器不能正常运行。
通讯电缆的连线:PLC端“D”型头,1接屏蔽电缆的屏蔽层,3和8接变频器的两个通讯端子。
在干扰比较大的场合,接偏置电阻。
如图所示:S7系列的USS协议指令是成型的,我们在编程时不必理会USS 方面通过USS协议实现变频调速器与PLC的通讯控制来源:现代电子技术作者:薛小龙时间:2007-07-12发布人:卢春妙1 引言在某卫星地球站控制系统中,天线控制系统与监控系统的距离有1 000 m。
直流充电协议书甲方(充电服务提供方):_____________________乙方(充电服务使用方):_____________________鉴于甲方为提供直流充电服务的合法机构,乙方为需要使用直流充电服务的合法用户,双方本着平等自愿、诚实信用的原则,就直流充电服务事宜达成如下协议:第一条服务内容1.1 甲方同意向乙方提供直流充电服务,包括但不限于为乙方的电动汽车提供直流充电设施及服务。
1.2 乙方同意按照本协议的规定,使用甲方提供的直流充电服务。
第二条服务费用2.1 乙方应按照甲方公布的收费标准支付直流充电服务费用。
2.2 乙方应在使用服务前,通过甲方指定的支付方式支付相应的服务费用。
第三条服务时间3.1 甲方提供的直流充电服务时间为每日24小时,全年无休。
3.2 若遇特殊情况需要暂停服务,甲方应提前通知乙方。
第四条使用规则4.1 乙方应按照甲方提供的使用指南正确使用直流充电设施。
4.2 乙方在使用过程中,应遵守甲方制定的安全操作规程,不得擅自改动或损坏充电设施。
4.3 乙方不得将充电设施用于非充电目的或转借他人使用。
第五条责任与义务5.1 甲方应保证提供的直流充电设施符合国家相关标准,并定期进行维护检查。
5.2 甲方应保证服务的连续性和稳定性,对于因甲方原因导致的服务中断,甲方应负责及时修复。
5.3 乙方应妥善保管个人充电卡或账户信息,不得泄露给他人。
5.4 乙方在使用过程中,若因操作不当造成充电设施损坏,应承担相应的赔偿责任。
第六条保密条款6.1 双方应对在本协议履行过程中知悉的对方商业秘密和技术秘密负有保密义务。
6.2 未经对方书面同意,任何一方不得向第三方披露、提供或允许第三方使用上述信息。
第七条违约责任7.1 如一方违反本协议的任何条款,违约方应承担违约责任,并赔偿对方因此遭受的损失。
7.2 违约责任的具体内容,双方可另行协商确定。
第八条协议的变更与解除8.1 本协议的任何变更或补充,应由双方协商一致,并以书面形式确定。
RCURRU接口协议篇一:RCU通讯协议第一章产品概述一、产品简介XZDW33系列免维护直流电源系统,适用于变电所、开关站高压负荷开关上直流操作机构的正常分、合闸,事故跳闸,事故照明、保护、控制等。
(一)、型号定义X Z D W33—□□/□□□直流电压 V免维护电池容量AH微机监控电力系统用直流电源新型(二)、使用环境1、海拔高度:不超过2000m2、最大月平均相对湿度:90%3、最大日平均相对湿度:95%4、最高工作环境温度:+45℃5、最低工作环境温度:-10℃6、地震烈度:≤7度水平加速度:≤0.3g垂直加速度:≤0.15g(三)、产品主要性能指标1、交流输入:380V±15% 50Hz±10%12、直流输出电压:电池的充电电压根据电池的节数设定,当电池单体电压为2V时,电池充电电压为,均充:N(电池节数)*2.35V,浮充:N*2.25V。
典型充电电压,电池单体电压12V:均充电压:254V 127V浮充电压:243V 121V直流馈线额定电压:220V 110V3、直流输出电流:≤20A 40A 电流根据模块型号和数量而定直流控制馈线电压:220V 110V4、稳压精度:≤±0.5%5、稳流精度:≤±0.5%6、纹波系数(阻性负载):≤0.1%7、效率:≥90%8、模块均流度:≤±5%9、限流点:20%~105%10、音响噪声:≤55dB11、通讯方式:提供RS232/RS485与上位机或自动化系统通信,提供直流系统工作参数;同时还提供一对系统故障报警总输出干接点。
二. 产品基本组成及功能系统由:⑴交流输入;⑵整流模块;⑶监控模块;⑷降压模块;⑸免维护铅酸蓄电池;⑹直流馈线;⑺闪光装置;(8)电池巡检仪; (9)绝缘监测仪。
(一)交流输入交流输入为三相四线,可根据需要选用输入路数,系统标准配置为单路交流380V输入;当选用双路输入时,可同时双路投入,中间两个交流接触器采用电气互锁功能,可自动完成双路交流输入的自动切换,实现双路交流互为备用供电;且先合上开关优先给充电模块供电。
S7-200控制Micromaster 变频器的标准的USS指令,采用RS485接口方式,通过PLC可以方便地控制和监测Microaster变频器的运行和状态。
在使用USS协议和西门子变频器通讯时,需注意以下几项:(1)USS协议是使用PLC的0端口和变频器通讯的,对于有两个端口的S7系列PLC要注意不要使用错误的端口号,而且当端口0用于USS协议通讯时,就不能再用于其它的目的了,包括与STEP7 Micro/win的通讯;(2)在编程时,要注意使用的V存储器不要和给USS分配的冲突。
若在USS协议中使用的是VW4725~VW5117之间的V存储器,建议在编写程序时,尽量不要使用这个区域附近的V存储器,以防出现不可预料的情况。
USS协议编程顺序如下:(1)使用USS_INIT指令初始化变频器。
包括指定端口0用于USS协议,通讯的波特率和激活的变频器号等。
程序只能通过一次启动或改变USS参数。
此程序段可以在程序初始化子程序中完成;(2)使用DRV_CTRL激活变频器。
每条DRV_CTRL只能激活一台变频器。
而其它USS指令,如:READ_RPM(读变频器参数)、WRITE_RPM(写变频器参数)可以任意添加;(3)配置变频器参数,以便和USS指令中指定的波特率和地址相对应。
(4)连接PLC和变频器间的通讯电缆。
需要注意的是,因为是通讯,所以连线时一定要注意动力线和通讯线分开布线,并且通讯线要使用短而粗的屏蔽电缆,且屏蔽层要接到和变频器相同的接地点,否则会给通讯造成干扰,导致变频器不能正常运行。
通讯电缆的连线:PLC端“D”型头,1接屏蔽电缆的屏蔽层,3和8接变频器的两个通讯端子。
在干扰比较大的场合,接偏置电阻。
如图所示:S7系列的USS协议指令是成型的,我们在编程时不必理会USS 方面通过USS协议实现变频调速器与PLC的通讯控制来源:现代电子技术作者:薛小龙时间:2007-07-12发布人:卢春妙1 引言在某卫星地球站控制系统中,天线控制系统与监控系统的距离有1 000 m。
上位机通讯协议
RTU通讯协议
采用主从应答式通讯方式,采用RS232通讯接口,支持RS232通讯和MODEM 专线和拨号通讯;波特率支持1200、2400、4800、9600,每帧10位(1位起始位、8位数据、1位停止位)。
* ADDR: 直流电源地址。
* LG: ADDR之后,SUM之前的数据总数。
* SUM: ADDR之后,SUM之前的数据代数和,SUML为低位,SUMH为高位。
2.1壁挂式遥测量定义:
2.3壁挂式遥调量定义: DATA 定义:每个遥调量由3字节构成,第1字节为信号编号,第2字节为遥调量低字节,第3字节为遥调量高字节,每次送1个遥调量。
直流系统接收遥调命令正确执行后返回ACKI 命令,否则返回NAK 命令。
2.4壁挂式遥控量定义: DATA 定义:每个遥调量由2
字节构成,第1字节为信号编号,第2字节为遥控量(00H:信号置0,0FFH:信号置1)。
直流系统接收遥控命令正确执行后返回ACKI 命令,否则返回NAK 命令。
DL451-91(CDT)通讯规约
采用RS232通讯接口;波特率支持1200、2400、4800、9600,字符格式10位(1位起始位、8位数据、1位停止位)。
1.帧定义
1.1.
1.2.
发送:EBH 90H EBH 90H EBH 90H,共6个字节。
1.3.控制字
控制字共有B7 – B12 共6个字节,定义如下:
1.3.1.控制字节
E:扩展位,E=0 表示使用本协议已定义帧类别码,E=1帧类别码可自定义,本协议中总为0
L:帧长定义位,E=0 表示本帧无信息字,E=1 表示本帧有信息字,本协议中总为1
S:源站地址有效
D:目的站地址有效
(上行信息中,S=1,D=1,源站地址为直流设备设置地址,目的站地址为
上位机地址,固定为01H。
)
(下行信息中,D=1, 目的站地址为直流设备设置地址)
1.3.
2.帧类别码
1.3.3.信息字数
信息字数n表示该帧中所含信息字数量;n=0表示本帧无信息。
1.3.4.校验码
本协议采用CRC校验,校验多项式为107H,为信息字前5字节构成码流,后面加8个0,得到48位码流,用校验多项式作为除数除以码流,相除时做异或;最后得到8位余数取反后既为校验码。
例如:信息字为;43h E8h 7DH 33H 56H 计算余数为2FH,取反后为D0H,发送序列为:43h E8h 7DH 33H 56H D0H。
1.4.信息字
1.4.1.信息字结构
每个信息字由6个字节构成:功能码1字节,信息4字节校验码1字节。
1.4.
2.功能码定义
1.4.3.信息字格式
遥测:
每个信息字传送2路遥测量,每个遥测量包含2字节,先送低字节,后送高字节。
b11 – b0 表示一路模拟量,以2进值表示,b11=0表示正,b11=1表示负,以二进值补码表示负数。
b14=1表示溢出,b15=1表示无效,b12 b13 未使用。
遥信:
每个信息字传送32个遥信量。
1.4.4.校验码
与1.3.4相同。
1.4.5.
1.4.6.
2.遥控
2.1.遥控过程
2.2.
*
2.3.
●遥控返校随机插在上行信息中不跨帧地连送三遍。
●遥控返校后超时30秒未收到执行命令,本次命令自动撤销。
3.设定
设定命令控制字格式同遥控命令,但设定命令只有一个下行帧,无返校、
●
●设定值为12位二进制码,不乘以`系数,负数用补码表示。
4.遥控、设定序号定义
MODBUS通讯协议
采用RS232、RS485,1位起始位8位数据位,无校验,1位停止位,波特率1200-9600 可设置。
1、遥测量
数据定义:
FORAMT: 高位在前低位在后,BIT15=1表示负数。
2、遥信量
数据定义:
3、遥调量
命令格式:
a
b
4、遥控量
数据定义:
5、错误响应
命令格式:
●CODE:01 –功能码错
03 –数据错
●COM:接收到的功能码实例:通讯地址01
遥测数据:(01 03 00 00 00 04 44 09)
遥信数据:(01 04 01 00 00 10 F0 3A)
控制一组电池均充:(01 0F D7 01 00 01 01 01 C0 B0)控制一组电池浮充:(01 0F D7 01 00 01 01 00 01 70)控制3#模块关机:(01 0F D8 03 00 01 01 00 78 4F)控制3#模块开机:(01 0F D8 03 00 01 01 01 B9 8F)遥调均充电压为250V:(01 06 44 43 09 C4 6B 2D)。