气体灭火系统工程质量记录表
- 格式:docx
- 大小:71.35 KB
- 文档页数:67
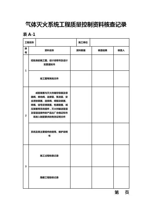
气体灭火系统分部工程质量验收记录气体灭火系统分部工程质量验收记录(GB -2007)表号:QFD001单位(子单位)工程名称:XXX施工单位:负责人监理单位:总监理工程师序号子分部工程名称检验批次检验结果1 进场检验 QFD001/01 合格2 系统安装 QFD001/02 合格3 系统调试 QFD001/03 合格4 系统验收 QFD001/04 合格验收意见质量控制资料:1.安全和功能检验(检测)报告2.观感质量验收施工单位:负责人监理单位:总监理工程师设计单位:项目负责人建设单位:项目负责人年月日气体灭火系统工程进场检验子分部工程质量验收记录(GB -2007)表号:QFD001/01单位(子单位)工程名称:XXX施工单位:项目负责人建设单位:项目负责人监理单位:监理工程师序号分项工程名称检验批次检验结果验收意见1 材料进场检验 QFD001/01-01 合格2 系统组件进场检验 QFD001/01-02 合格质量控制资料:1.安全和功能检验(检测)报告2.观感质量验收施工单位检查评定记录:合格建设单位项目负责人:签章监理工程师:签章施工单位项目负责人:签章年月日气体灭火系统工程材料进场检验记录表(GB -2007)表号:QFD001/01-01单位(子单位)工程名称:XXX分部(子分部)工程名称:系统工程(进场检验)施工单位:项目经理监理单位:监理工程师施工执行标准名称及编号:气体灭火系统施工及验收规范GB -2007检验批次:QFD001/01-01检查项目:1.管材、管道连接件的品种、规格、性能等应符合相应产品标准要求。
第4.2.1条符合要求。
施工单位检查评定记录:合格监理(建设)单位验收记录:合格施工质量验收规范的规定:合格年月日管道连接件的安装喷嘴的安装检漏装置的安装减压装置的安装施工执行标准名称及编号气体灭火系统施工及验收规范GB -2007施工单位检查评定记录监理(建设)单位验收记录施工质量验收规范的规定灭火系统各组件的安装质量应符合相关规定,包括灭火剂储存装置、选择阀及信号反馈装置、阀驱动装置、管道连接件、喷嘴、检漏装置、减压装置等。
气体灭火系统分部工程质量验收记录(GB 50263-2016)表号:QFD001气体灭火系统工程进场检验子分部工程质量验收记录(GB 50263-2016)表号:QFD001/01气体灭火系统工程材料进场检验记录表(GB 50263-2016)表号:QFD001/01-01气体灭火系统工程系统组件进场检查记录表(GB50263-2016)表号:QFD001/01-02气体灭火系统工程系统安装子分部工程质量验收记录GB 50263-2016表号:QFD001/02气体灭火系统工程灭火剂储存装置安装质量检查记录表(GB50263-2016)表号:QFD001/02-01气体灭火系统工程选择阀及信号反馈装置安装质量检查记录表(GB50263-2016)表号:QFD001/02-02气体灭火系统工程阀驱动装置安装质量检查记录表(GB50263-2016)表号:QFD001/02-03气体灭火系统工程阀驱动装置安装质量检查记录表(GB50263-2016)表号:QFD001/02-04气体灭火系统工程喷嘴安装质量检查记录表(GB50263-2016)表号:QFD001/02-05气体灭火系统工程预制灭火系统安装质量检查记录表(GB50263-2016)表号:QFD001/02-06气体灭火系统工程控制组件安装质量检查记录表(GB50263-2016)表号:QFD001/02-07气体灭火系统工程系统调试子分部工程质量验收记录(GB 50263-2016)表号:QFD001/03气体灭火系统工程模拟启动试验检查记录表(GB50263-2016)表号:QFD001/03-01气体灭火系统工程模拟喷气试验检查记录表(GB50263-2016)表号:QFD001/03-02气体灭火系统工程模拟切换操作试验检查记录表(GB50263-2016)表号:QFD001/03-03气体灭火系统工程系统验收子分部工程质量验收记录(GB 50263-2016)表号:QFD001/04气体灭火系统工程防护区或保护对象与储存装置间验收质量检查记录表(GB50263-2016)表号:QFD001/04-01气体灭火系统工程设备和灭火剂输送管道验收质量检查记录表(GB50263-2016)表号:QFD001/04-02气体灭火系统工程系统功能验收质量检查记录表(GB50263-2016)表号:QFD001/04-03。
气体灭火系统施工过程质量检查验收记录气体灭火系统是一种常用的灭火设备,具有快速灭火,无残留物等特点。
在施工过程中,为了保证施工质量,需要进行质量检查和验收记录,以确保气体灭火系统的正常运行。
下面是一份气体灭火系统施工过程质量检查验收记录的范例,供参考。
一、项目基本信息1.项目名称:气体灭火系统施工工程2.工程地点:(填写具体地址)3.施工单位:(填写具体单位名称)5.监理单位:(填写具体单位名称)7.检查人员:(填写检查人员姓名)二、施工过程质量检查1.系统设计文件是否符合规范和设计要求?2.施工单位是否按照设计要求和相关标准施工?3.施工单位是否按照规范进行材料选用和现场安装?4.施工单位是否保证施工作业安全,是否全程佩戴个人防护装备?5.施工单位是否做好施工现场的整洁和环境保护?6.施工单位是否按照设计文件和相关标准对系统进行试压和泄露检测?7.施工单位是否按照相关标准对系统进行调试和性能测试?8.施工单位是否完成系统的防腐、防锈和防潮措施?9.施工单位是否做好系统的电气接地和电气保护?三、施工过程质量验收1.施工单位是否提交了施工记录、验收报告和相关技术文件?2.施工单位是否提供了系统的保养、维修和操作手册?3.施工单位是否对系统进行了培训,使使用人员了解系统的操作和维护要求?4.系统的施工质量是否符合相关规范和设计要求?5.系统的安全性和可靠性是否得到保证?6.系统的检测报告和性能测试结果是否符合规范和设计要求?7.系统的防腐、防锈和防潮措施是否有效?8.系统的电气接地和电气保护是否符合规范和设计要求?9.施工单位是否做好交底工作,将系统交付使用人员?10.施工单位是否做好安全培训,提高使用人员的安全意识和应急处理能力?四、施工质量整改和验收确认1.针对施工过程中发现的不合格项,施工单位是否进行了整改?2.施工单位是否提供了整改报告和相关的整改措施?3.施工单位是否重新进行了相关的试压、泄露检测和性能测试?4.监理单位针对施工单位的整改是否认可并进行了验收确认?五、施工质量检查和验收记录的保存1.录入人员:(填写录入人员姓名)2.录入日期:(填写录入日期)3.档案保存:(填写具体的档案保存地点和责任人)以上是一份气体灭火系统施工过程质量检查验收记录的范例,具体内容根据实际情况进行调整和完善。
气体灭火系统施工安装质量记录单位名称日期目录气体灭火系统质量保证资料核查表编号:E-1第册第页气体灭火系统技术交底记录编号:3第册第页气体灭火系统开工报告编号:6第册第页气体灭火系统设备、材料相关证件汇总表编号7注:各种证件整理附后。
第册第页气体灭火系统设备开箱检查记录编号:8第册第页气体灭火系统材料检查记录编号:9第册第页气体灭火系统灭火剂输送管道安装检查记录编号:E-4第册第页气体灭火系统管道支架制作安装检查记录编号:E-5第册第页气体灭火系统管道试压记录编号:E-6第册第页气体灭火系统管道吹扫记录编号:E-7第册第页气体灭火系统管道涂漆防腐记录编号:E-8第册第页气体灭火系统管道隐蔽验收记录编号:E-9第册第页气体灭火剂储存容器安装检查记录编号:E-11第册第页集流管/高压软管/选择阀/阀驱动装置/泄压阀/单向阀/压力开关安装检查记录编号:E-12第册第页气体灭火喷头安装检查记录编号E-13第册第页气体灭火系统电磁阀模拟试验记录编号E-15第册第页气体灭火系统手动报警按钮模拟试验记录编号E-16第册第页气体灭火系统紧急启停按钮模拟试验记录编号E-17第册第页气体灭火系统自动控制模拟喷气试验记录编号:E-18第册第页气体灭火系统手动控制模拟喷气试验记录编号:E-19第册第页气体灭火系统联动试验记录编号:E-21第册第页气体灭火系统调试报告编号:E-22第册第页气体灭火系统自检报告编号E-23第册第页气体灭火系统竣工报告编号:12第册第页气体灭火系统设备移交清单编号:13第册第页扬州市国税局计算中心机房七氟丙烷气体灭火系统竣工资料江苏中安工程设备安装有限公司。
气体灭火系统施工安装
质
量
记
录
目录
气体灭火系统质量保证资料核查表编号:E-1
第册第页图纸会审记录编号:1
第册第页设计变更明细表编号:2
第册第
页
技术交底记录编号:3
第册第页施工技术核定单编号:4
第册第页施工组织设计(方案)编号:5
第册第页
开工报告编号:6
第册第页
设备、材料相关证件汇总表编号:7
注:各种证件整理附后。
第册第页
设备开箱检查记录编号:8
第册第页
材料检查记录编号:9
第册第页
气体灭火系统阀门抽样试验记录编号:E-2
第册第页
气体灭火系统选择阀、液体单向阀、高压软管、气体单向阀、阀驱动装置试验记录编号:E-3
第册第页
气体灭火系统灭火剂输送管道安装检查记录编号:E-4
第册第页
第册第页
气体灭火系统管道支架制作安装检查记录编号:E-5
气体灭火系统管道试压记录编号:E-6
气体灭火系统管道吹扫记录编号:E-7
气体灭火系统管道涂漆防腐记录编号:E-8
气体灭火系统管道隐蔽验收记录编号:E-9
第册第页
第册第页
气体灭火剂存储容器检查记录编号:E-10
第册第页
气体灭火剂储存容器安装检查记录编号:E-11
第册第页
第册第页
集流管/高压软管/选择阀/阀驱动装置/泄压阀/单向阀/压力开关安装检查记录编号:
E-12
第册第页
第册第页
气体灭火喷头安装检查记录编号:E-13
第册第页。