特种设备种类及定期检验周期一览表
- 格式:xls
- 大小:31.00 KB
- 文档页数:6
特种设备检测周期一览表(最新)
特种设备是指在使用过程中可能会对人身和财产安全产生重大危险的设备。
根据相关法律法规,所有特种设备都需要定期进行检测,以确保其安全可靠的运行。
本文档为特种设备检测周期一览表的最新版本,提供了各种特种设备的检测周期信息。
一、锅炉及压力类
1. 高压锅炉:每年检测一次
2. 中压锅炉:每2年检测一次
3. 低压锅炉:每3年检测一次
4. 压力:根据型号和用途确定检测周期,一般为每2-5年检测一次
二、电梯类
1. 定期检验:高层建筑电梯每4年检测一次,低层建筑电梯每6年检测一次
2. 年度检验:每年检测一次,包括电梯基础设施和安全装置的检查和维护
三、压力管道类
1. 常规压力管道:每2年检测一次
2. 热力管道(除地热外):每3年检测一次
3. 工业运输管道:每5年检测一次
4. 煤气、石油管道:每年检测一次
四、起重机械类
1. 起重机械:根据起重机械的类型和用途确定检测周期,一般为每3-5年检测一次
2. 升降机:每年检测一次
五、客运索道类
1. 缆车:每年检测一次
2. 人工输送索道:每年检测一次
六、大型游乐设施类
1. 大型游乐设施:根据设施类型和用途确定检测周期,一般为每1-3年检测一次
七、特种设备定期检验
除上述特种设备的常规检测周期外,特种设备在投入使用前需要进行定期检验,以确保其符合相关安全标准和技术规范。
具体的定期检验周期由特种设备的设计、制造单位根据国家规定确定。
请注意:以上检测周期仅供参考,实际情况需根据国家法律法规和相关规定进行具体确定。
1.特种设备是涉及生命安全、危险性较大的设备和设施的总称。
两个基本特征:一是涉及生命安全;二是危险性较大。
国际上称之为“具有潜在危险的设备”、“危险性设备”、“特定危险设备”。
2.纳入国家监察范围的原则:一是造成群体伤害;二是造成他人伤害;三是产生较大社会影响。
▲承压类设备3种,即锅炉、压力容器、压力管道;▲机电类的5种,即电梯、起重机械、客运索道、游乐设施、场(厂)内机动车辆。
其中,电梯,是指动力驱动,利用沿刚性导轨运行的箱体或者沿固定线路运行的梯级(踏步),进行升降或者平行运送人、货物的机电设备,包括载人(货)电梯、自动扶梯、自动人行道等。
客运索道,是指动力驱动,利用柔性绳索牵引箱体等运载工具运送人员的机电设备,包括客运架空索道、客运缆车、客运拖牵索道等。
大型游乐设施,是指用于经营目的,承载乘客游乐的设施,其范围规定为设计最大运行线速度大于或者等于2m/s,或者运行高度距地面高于或者等于2m的载人大型游乐设施。
特种设备包括其附属的安全附件、安全保护装置和与安全保护装置相关的设施。
▲锅炉、压力容器、压力管道是生产和生活中广泛使用的,有爆炸危险性的特种设备。
▲电梯、起重机械、客运架空索道、游艺机和游乐设施、厂内机动车辆作为载人的特种设备,一旦运转失灵,往往会造成人身伤害事故。
特种设备的设计、制造、安装、维修、改造,必须按照《特种设备安全监察条例》依法取得许可证方可从事相关业务。
特种设备在投入使用前或投入使用后30日内,特种设备使用单位应当向特种设备安全监督管理部门登记。
登记标志应当置于或者附着于该特种设备的显着位置。
特种设备使用单位应当按照安全技术规范的定期检验要求,在安全检验合格有效期届满前1个月向特种设备检验检测机构提出定期检验要求。
特种设备必须定期检验,使用未经定期检验或者检验不合格的特种设备,处2万元以下罚款。
使用未经定期检验或者检验不合格的压力容器盛装危化品的处2~20万元罚款。
特种设备的安全附件、安全保护装置、测量调控装置必须按照相关要求,定期进行检验。
特种设备检验周期一览表1特种设备是涉及生命安全、危险性较大的设备和设施的总称。
两个基本特征:一是涉及生命安全;二是危险性较大。
国际上称之为“具有潜在危险的设备”、“危险性设备”、“特定危险设备”。
2纳入国家监察范围的原则:一是造成群体伤害;二是造成他人伤害;三是产生较大社会影响。
▲承压类设备3种,即锅炉、压力容器、压力管道;▲机电类的5种,即电梯、起重机械、客运索道、游乐设施、场(厂)内机动车辆。
其中,电梯,是指动力驱动,利用沿刚性导轨运行的箱体或者沿固定线路运行的梯级(踏步),进行升降或者平行运送人、货物的机电设备,包括载人(货)电梯、自动扶梯、自动人行道等。
客运索道,是指动力驱动,利用柔性绳索牵引箱体等运载工具运送人员的机电设备,包括客运架空索道、客运缆车、客运拖牵索道等。
大型游乐设施,是指用于经营目的,承载乘客游乐的设施,其范围规定为设计最大运行线速度大于或者等于2m/s,或者运行高度距地面高于或者等于2m的载人大型游乐设施。
特种设备包括其附属的安全附件、安全保护装置和与安全保护装置相关的设施。
▲锅炉、压力容器、压力管道是生产和生活中广泛使用的,有爆炸危险性的特种设备。
▲电梯、起重机械、客运架空索道、游艺机和游乐设施、厂内机动车辆作为载人的特种设备,一旦运转失灵,往往会造成人身伤害事故。
主要监察制度特种设备的设计、制造、安装、维修、改造,必须按照《特种设备安全监察条例》依法取得许可证方可从事相关业务。
特种设备在投入使用前或投入使用后30日内,特种设备使用单位应当向特种设备安全监督管理部门登记。
登记标志应当置于或者附着于该特种设备的显著位特种设备使用单位应当按照安全技术规范的定期检验要求,在安全检验合格有效期届满前1个月向特种设备检验检测机构提出定期检验要求。
特种设备必须定期检验,使用未经定期检验或者检验不合格的特种设备,处2万元以下罚款。
使用未经定期检验或者检验不合格的压力容器盛装危化品的处2~20万元罚款。
特种设备检验周期一览表Document number:NOCG-YUNOO-BUYTT-UU986-1986UT1.特种设备是涉及生命安全、危险性较大的设备和设施的总称。
两个基本特征:一是涉及生命安全;二是危险性较大。
国际上称之为“具有潜在危险的设备”、“危险性设备”、“特定危险设备”。
2.纳入国家监察范围的原则:一是造成群体伤害;二是造成他人伤害;三是产生较大社会影响。
▲承压类设备3种,即锅炉、压力容器、压力管道;▲机电类的5种,即电梯、起重机械、客运索道、游乐设施、场(厂)内机动车辆。
其中,电梯,是指动力驱动,利用沿刚性导轨运行的箱体或者沿固定线路运行的梯级(踏步),进行升降或者平行运送人、货物的机电设备,包括载人(货)电梯、自动扶梯、自动人行道等。
客运索道,是指动力驱动,利用柔性绳索牵引箱体等运载工具运送人员的机电设备,包括客运架空索道、客运缆车、客运拖牵索道等。
大型游乐设施,是指用于经营目的,承载乘客游乐的设施,其范围规定为设计最大运行线速度大于或者等于2m/s,或者运行高度距地面高于或者等于2m的载人大型游乐设施。
特种设备包括其附属的安全附件、安全保护装置和与安全保护装置相关的设施。
▲锅炉、压力容器、压力管道是生产和生活中广泛使用的,有爆炸危险性的特种设备。
▲电梯、起重机械、客运架空索道、游艺机和游乐设施、厂内机动车辆作为载人的特种设备,一旦运转失灵,往往会造成人身伤害事故。
特种设备的设计、制造、安装、维修、改造,必须按照《特种设备安全监察条例》依法取得许可证方可从事相关业务。
特种设备在投入使用前或投入使用后30日内,特种设备使用单位应当向特种设备安全监督管理部门登记。
登记标志应当置于或者附着于该特种设备的显着位置。
特种设备使用单位应当按照安全技术规范的定期检验要求,在安全检验合格有效期届满前1个月向特种设备检验检测机构提出定期检验要求。
特种设备必须定期检验,使用未经定期检验或者检验不合格的特种设备,处2万元以下罚款。
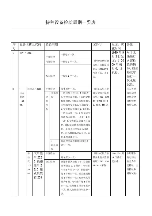
特种设备检验有效期 HEN system office room 【HEN16H-HENS2AHENS8Q8-HENH1688】序号设备种类检验周期1?锅炉外部检验一般每年一次。
内部检验一般每2年一次。
水压试验一般每6年一次。
2?压力容器固定式年度检验每年至少一次。
全面检验首检周期不超过三年;安全状况等级为1、 2级的,每6年至少一次;安全状况等级为3级,每3年至少一次。
水压试验每两次全面检验期间内至少进行一次。
移动式汽车罐车、铁路罐车、罐式集装箱年度检验每年至少一次。
全面检验新罐车首次检验1年;安全状况等级为1、2级的,汽车罐车每5年至少一次,铁路罐车每4年至少一次,罐式集装箱每5年至少一次;安全状况等级为3级,汽车罐车每3年至少一次,铁路罐车每2年至少一次,罐式集装箱每年至少一次。
水压试验每6年至少进行一次。
气瓶盛装腐蚀性气体的气瓶,每2年检验一次。
盛装一般气体的气瓶,每3年检验一次。
盛装惰性气体的气瓶,每5年检验一次。
盛装液化石油气钢瓶,对型、型、型、YSP-10型和YSP-15型,自制造日期起,第一次至第三次检验的检验周期均为4年,第四次检验有效期为3年;对YSP-50型,每3年检验一次。
车用液化石油气钢瓶,每5年检验一次。
车用压缩天然气钢瓶,首次检验和第二次检验为每3年进行一次,第二次检验后每二年进行一次;对出租车用压缩天然气钢瓶的检验每二年进行一次,第二次检验的有效期为一年。
3?压力管道工业管道在线检验每年至少检验一次。
全面检验首检周期不超过三年;安全状况等级为1级和2级的检验周期一般不超过6年;安全状况等级为3级的,检验周期一般不超过3年;安全状况等级为4级的,应判废。
4?电梯定期检验周期为1年5?起重机械轻小型起重设备、桥式起重机、门式起重机、门座起重机、缆索起重机、桅杆起重机、铁路起重机、旋臂起重机、机械式停车设备每2年1次,其中吊运熔融金属和炽热金属的起重机每年1次;塔式起重机、升降机、流动式起重机每年1次。
1.特种设备是涉及生命安全、危险性较大的设备和设施的总称;两个基本特征:一是涉及生命安全;二是危险性较大;国际上称之为“具有潜在危险的设备”、“危险性设备”、“特定危险设备”;2.纳入国家监察范围的原则:一是造成群体伤害;二是造成他人伤害;三是产生较大社会影响;▲承压类设备3种,即锅炉、压力容器、压力管道;▲机电类的5种,即电梯、起重机械、客运索道、游乐设施、场厂内机动车辆;其中,电梯,是指动力驱动,利用沿刚性导轨运行的箱体或者沿固定线路运行的梯级踏步,进行升降或者平行运送人、货物的机电设备,包括载人货电梯、自动扶梯、自动人行道等;客运索道,是指动力驱动,利用柔性绳索牵引箱体等运载工具运送人员的机电设备,包括客运架空索道、客运缆车、客运拖牵索道等;大型游乐设施,是指用于经营目的,承载乘客游乐的设施,其范围规定为设计最大运行线速度大于或者等于2m/s,或者运行高度距地面高于或者等于2m的载人大型游乐设施;特种设备包括其附属的安全附件、安全保护装置和与安全保护装置相关的设施;▲锅炉、压力容器、压力管道是生产和生活中广泛使用的,有爆炸危险性的特种设备;▲电梯、起重机械、客运架空索道、游艺机和游乐设施、厂内机动车辆作为载人的特种设备,一旦运转失灵,往往会造成人身伤害事故;特种设备的设计、制造、安装、维修、改造,必须按照特种设备安全监察条例依法取得许可证方可从事相关业务;特种设备在投入使用前或投入使用后30日内,特种设备使用单位应当向特种设备安全监督管理部门登记;登记标志应当置于或者附着于该特种设备的显着位置;特种设备使用单位应当按照安全技术规范的定期检验要求,在安全检验合格有效期届满前1个月向特种设备检验检测机构提出定期检验要求;特种设备必须定期检验,使用未经定期检验或者检验不合格的特种设备,处2万元以下罚款;使用未经定期检验或者检验不合格的压力容器盛装危化品的处2~20万元罚款;特种设备的安全附件、安全保护装置、测量调控装置必须按照相关要求,定期进行检验;特种设备作业人员,应当按照国家有关规定经特种设备安全监督管理部门考核合格,取得国家统一格式的特种作业人员证书,方可从事相应的作业或者管理工作;。
特种设备定义1.特种设备是涉及生命安全、危险性较大的设备和设施的总称。
两个基本特征:一是涉及生命安全;二是危险性较大。
国际上称之为“具有潜在危险的设备”、“危险性设备”、“特定危险设备”。
2.纳入国家监察范围的原则:一是造成群体伤害;二是造成他人伤害;三是产生较大社会影响。
▲承压类设备3种,即锅炉、压力容器、压力管道;▲机电类的5种,即电梯、起重机械、客运索道、游乐设施、场(厂)内机动车辆。
其中,电梯,是指动力驱动,利用沿刚性导轨运行的箱体或者沿固定线路运行的梯级(踏步),进行升降或者平行运送人、货物的机电设备,包括载人(货)电梯、自动扶梯、自动人行道等。
客运索道,是指动力驱动,利用柔性绳索牵引箱体等运载工具运送人员的机电设备,包括客运架空索道、客运缆车、客运拖牵索道等。
大型游乐设施,是指用于经营目的,承载乘客游乐的设施,其范围规定为设计最大运行线速度大于或者等于2m/s,或者运行高度距地面高于或者等于2m的载人大型游乐设施。
特种设备包括其附属的安全附件、安全保护装置和与安全保护装置相关的设施。
特种设备安全监察的必要性▲锅炉、压力容器、压力管道是生产和生活中广泛使用的,有爆炸危险性的特种设备。
▲电梯、起重机械、客运架空索道、游艺机和游乐设施、厂内机动车辆作为载人的特种设备,一旦运转失灵,往往会造成人身伤害事故。
主要监察制度特种设备的设计、制造、安装、维修、改造,必须按照《特种设备安全监察条例》依法取得许可证方可从事相关业务。
特种设备在投入使用前或投入使用后30日内,特种设备使用单位应当向特种设备安全监督管理部门登记。
登记标志应当置于或者附着于该特种设备的显著位置。
特种设备使用单位应当按照安全技术规范的定期检验要求,在安全检验合格有效期届满前1个月向特种设备检验检测机构提出定期检验要求。
特种设备必须定期检验,使用未经定期检验或者检验不合格的特种设备,处2万元以下罚款。
使用未经定期检验或者检验不合格的压力容器盛装危化品的处2~20万元罚款。
第六节特种设备定期检验周期的规定1、锅炉外部检验周期:一年内部检验周期:两年水压试验周期:六年(无法进行内部检验的,每三年进行一次)水质监测:日常工作,但每年至少两次由检验部门进行监督抽样检查。
化学清洗:根据水质情况和结垢情况,不定期进行。
2、压力容器年度检查周期:一年全面检验周期:3~6年(新压力容器一般在使用满三年进行第一次全面检验)耐压试验周期:每两次全面检验周期之内必须进行一次3、医用氧舱年度检验周期:一年全面检验周期:三年4、压力管道年度检验周期:一年全面检验周期:一般为三年5、电梯检验周期:一年6、起重机械全面检验周期:一年(对主要安全保护装置、钢丝绳索、电气等至少每月检查一次自检)施工用升降机检验周期:一年7、厂内机动车辆检验周期:一年8、安全附件效验周期安全阀效验周期:一年压力表效验周期:半年温度表与各种监控仪表:一般1~2年(型号和测量原理不同)9、对于新增特种设备,应在安装施工前向当地质量技术监督行政部门告知手续(或委托施工单位办理)。
10、对于锅炉压力容器、压力管道和医用氧舱的安装施工过程,应由有相应资质的检验机构进行监督检验,并出具检验报告。
11、特种设备的维修改造,也按此程序进行。
12、新锅炉必须办理《锅炉使用证》●使用单位带以下资料1)、安全技术规范要求的设计文件,产品质量合格证明、安装及使用维修说明、制造、安装过程监督检验证明。
2)、进口产品有省级安全监测部门审核盖章的《锅炉压力容器安全性能检验报告》3)、安装质量证明书。
4)、锅炉水处理方法及水质指标。
5)、锅炉安全管理的各项规章制度。
●安全监察部门办理1)、审核《锅炉登记卡》和交验的资料。
2)、确认产品质量。
3)、注册和办理使用证并输入计算机,实行动态管理。
13、特种设备作业人员主要包括:锅炉操作人员、锅炉水处理人员;压力容器操作人员、气瓶充装人员、电梯操作人员、维护保养人员;起重机械操作人员;游乐设施操作人员、客运索道操作人员及管理人员;特种设备焊接人员。
特种设备的安全附件、安全保护装置、测量调控装置必须按照相关要求,定期进行检验。
特种设备必须定期检验,使用未经定期检验或者检验不合格的特种设备,处2万元以下罚款。
使用未经定期检验或者检验不合格的压力容器盛装危化品的处2~20万元罚款。
特种设备按照种类的不同,各自有不同的检验方式。
例如锅炉、压力容器等承压类设备需要按不同的周期进行外部检验和内部检验等。
起重机械、电梯等机电类特种设备的定期检验周期也由于种类的不同而有所区别。
每一种特种设备的检验周期都有检验规则来进行界定,例如、《锅炉定期检验规则》等。
(2000)。
道8100管状设备,其范围规定为最高工作压力≥
0.1MPa(表压)的气体、液化气体、蒸汽介质
或者可燃、易爆、有毒、有腐蚀性、最高工作
乐设施
2.特种设备按照种类的不同,各自有不同的检验方式。
例如锅炉、压力容器等承压类设备需要按
定期检验周期也由于种类的不同而有所区别。
每一种特种设备的检验周期都有检验规则来进行界定,例如《起重机
防1.特种设备的安全附件、安全保护装置、测量调控装置必须按照相关要求,定期进行检验特种设备必须备,处2万元以下罚款。
使用未经定期检验或者检验不合格的压力容器盛装危化品的处2~20万元罚款。
需要按不同的周期进行外部检验和内部检验等。
起重机械、电梯等机电类特种设备的验规则来进行界定,例如《起重机械定期检验规则》、《锅炉定期检验规则》等。
行检验。
特种设备必须定期检验,使用未经定期检验或者检验不合格的特种设危化品的处2~20万元罚款。