有限空间作业应知应会试题培训讲学
- 格式:doc
- 大小:16.00 KB
- 文档页数:5
有限空间作业培训考试题及答案判断题1.有限空间是指封闭或部分封闭,进出口较为狭窄有限,未被设计为固定工作场所,自然通风不良,易造成有毒有害、易燃易爆物质积聚或氧含量不足的空间。
对(正确答案)错2.工贸企业实施有限空间作业前,应当将有限空间作业方案和作业现场可能存在的危险有害因数、防控措施告知作业人员。
现场负责人应当监督作业人员按照方案进行作业准备。
对(正确答案)错3.在有限空间作业过程中,工贸企业应当对作业场所中的危险有害因数进行定时检测或者连续监测。
对(正确答案)错4.工贸企业负责人对本企业有限空间作业安全全面负责,相关负责人在各自职责范围内对企业有限空间作业安全负责。
对(正确答案)错5.工贸企业对其发包的有限空间作业安全承担直接责任。
承包方对其承包的有限空间作业安全承担主体责任。
对错(正确答案)6.有限空间作业中发生事故后,现场有关人员应当立即报警,立即进入有限空间施救。
对错(正确答案)7.从事有限空间作业的现场负责人、监护人员、作业人员、应急救援人员应当接受专业安全培训,如上述人员已经接受入厂三级安全教育,还得进行专项安全教育。
对(正确答案)错8.有限空间作业前,应明确应急救援人员及其职责,应当响应和信息沟通方式方法,并告知所有进入有限空间作业的人员。
对(正确答案)错9.未经培训合格不得参与有限空间作业。
我公司有限空间作业部位有污水处理池、热处理淬火油槽等部位。
对(正确答案)错10.应当在有限空间出入口等醒目位置设置明显的安全警示标志,并在具备条件的场所设置安全风险告知牌。
对(正确答案)错二、选择题(单选)1、工贸企业实施有限空间作业前,应当对作业环境进行评估,分析存在的危险有害因数,提出消除、控制危害的措施,制定()并经本企业安全管理人员审核,负责人批准。
A、有限空间作业方案(正确答案)B、有限空间作业安全责任制度C、有限空间作业现场安全管理制度2、有限空间作业应当严格遵守()的原则。
A、先通风、再作业、后检测B、先通风、再检测、后作业(正确答案)C、先检测、再通风、后作业3、未经通风和检测合格,任何人不得进入有限空间作业。
受限空间安全知识培训试题及答案一、选择题(每题2分,共20分)1. 什么是受限空间?A. 任何封闭或部分封闭的空间B. 只有高度小于1.5米的空间C. 只有面积小于10平方米的空间D. 只有深度超过3米的空间答案:A2. 进入受限空间前,必须进行哪些准备工作?A. 检查个人防护装备B. 确保通风良好C. 进行气体检测D. 所有上述选项答案:D3. 受限空间内常见的危险气体有哪些?A. 氧气B. 一氧化碳C. 甲烷D. 所有上述选项答案:D4. 受限空间作业时,应如何确保作业人员的安全?A. 配备安全绳索B. 配备通讯设备C. 配备急救设备D. 所有上述选项答案:D5. 受限空间作业中,如果发现作业人员出现异常情况,应立即采取什么措施?A. 立即撤离受限空间B. 呼叫专业救援C. 进行心肺复苏D. 所有上述选项答案:D二、判断题(每题1分,共10分)1. 进入受限空间作业前,不需要进行气体检测。
(错误)2. 受限空间作业时,作业人员可以单独作业。
(错误)3. 受限空间作业中,如果作业人员感到不适,应立即撤离。
(正确)4. 受限空间作业时,可以使用明火照明。
(错误)5. 受限空间作业人员在作业前必须接受专业培训。
(正确)三、简答题(每题5分,共30分)1. 简述进入受限空间作业的一般程序。
答案:进入受限空间作业的一般程序包括:识别受限空间、进行风险评估、制定作业计划、确保通风良好、进行气体检测、配备必要的个人防护装备、设置安全警示标志、配备救援设备、进行作业人员培训、作业过程中的监控和应急响应。
2. 描述受限空间作业中常见的危险因素。
答案:受限空间作业中常见的危险因素包括:有毒有害气体、缺氧、高温或低温环境、机械伤害、物理障碍、电气危险、滑倒和跌倒风险等。
四、案例分析题(每题15分,共30分)1. 某工厂在进行受限空间作业时,作业人员未佩戴个人防护装备,导致中毒事故。
请分析事故原因并提出预防措施。
答案:事故原因可能包括:作业人员安全意识不足、未进行必要的安全培训、作业前未进行气体检测、未配备个人防护装备等。
有限空间作业安全培训考试题部门:姓名:得分:简答题(每题5分)填空题(每格2分)国家安全生产监督管理总局令第59号《工贸企业有限空间作业安全管理与监督暂行规定》已经2013年2月18日国家安全生产监督管理总局局长办公会议审议通过,现予公布,自2013年7月1日起施行。
【2015年5月29日根据80号令修正】国家安全监管总局局长杨栋梁2013年5月20日工贸企业有限空间作业安全管理与监督暂行规定第二条工贸企业有限空间作业的安全管理与监督,适用本规定。
本规定所称有限空间,是指(2分)。
工贸企业有限空间的目录由国家安全生产监督管理总局确定、调整并公布。
第三条工贸企业是本企业有限空间作业安全的责任主体,其( 2分)对本企业有限空间作业安全全面负责,( 2分)在各自职责范围内对本企业有限空间作业安全负责。
第二章有限空间作业的安全保障第五条存在有限空间作业的工贸企业应当建立下列安全生产制度和规程:(5分)第六条工贸企业应当对从事有限空间作业的现场负责人、监护人员、作业人员、应急救援人员进行专项安全培训。
专项安全培训应当包括下列内容:(5分)安全培训应当有专门记录,并由参加培训的人员签字确认。
第七条工贸企业应当对本企业的有限空间进行( 2分),确定有限空间的( 2分)、( 2分)以及危险有害因素等基本情况,建立有限空间管理台账,并及时更新。
第八条工贸企业实施有限空间作业前,应当对( 2分)进行评估,分析存在的危险有害因素,提出消除、控制危害的措施,制定有限空间( 2分),并经( 2分)批准。
第九条工贸企业应当按照有限空间作业方案,明确作业现场( 2分)、( 2分)、( 2分)及其安全职责。
第十一条工贸企业应当采取可靠的( 2分)措施,将可能危及作业安全的设施设备、存在有毒有害物质的空间与作业地点( 2分)。
第十二条有限空间作业应当严格遵守( 2分)的原则。
检测指标( 2分)。
检测应当符合相关国家标准或者行业标准的规定。
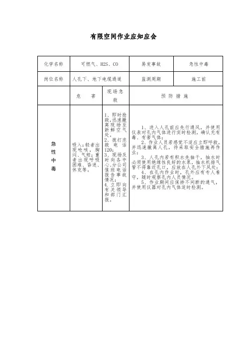
有限空间作业应知应
会试题
有限空间作业安全常识应知应会
单位名称:姓名:日期:成绩:
一、判断题:(共10题,每题5分)
1、如果有限空间内部空间较大,作业人员可以在其中长期连续作业。
()
2、通风换气时一定要注意新鲜空气的来源,风机应避免放置在可能产生有害气体的地方。
()
3、生产经营单位应按照国家标准或者行业标准为从业人员无偿提供合格的劳动防护用品,也可以根据从业人员需要,以货币形式或者其他物品替代。
()
4、有限空间作业可以发包给个人或施工队。
()
5、可燃气体检测报警仪应在“洁净”的空气中开机,自检调“零”后进行检测,检测结束后立即关闭。
()
6、有限空间作业应遵循“先检测,后作业”的原则。
()
7、地下有限空间作业监护人员需取得特种作业操作证。
()
8、有限空间危险作业审批表是进入有限空间作业的依据,不得涂改且要求安全管理部门存档时间至少两年。
()
9、在有限空间内进行动火作业时,除有限空间作业许可证外还要办理动火证。
()
10、生产经营单位将有限空间作业发包时,不必与承包单位签订专门的安全生产管理协议书。
()
二、单选题:(共10题,每题5分)
1、作业前,应在有限空间进入点附近张贴或摆放危险告知牌以及
()。
A.风险评估报告
B.安全警示标志
C.作业审批表
D.交底单
2、对积聚有二氧化碳的有限空间进行机械通风时,风管应放置在有限空间的()。
A.上部
B.中部
C.下部
D.以上均正确
3、下列说法中错误的是()。
A.下污水井作业人员禁止携带手机或打火机
B.进入污水井等地下有限空间调查取证时,作业人员可使用普通相机拍照。
C.下井作业现场严禁吸烟,未经许可严禁动用明火。
D.当作业人员进入排水管道内作业时,应设置专人呼应及监护。
4、生产经营单位进行爆破、吊装、建设工程拆除等危险作业,以及在有限空间内作业时,应当执行本单位的危险作业,安排()负责现场安全管理,确保操作规程的遵守和安全措施的落实。
A.专门人员
B.监护人员
C.技术人员
D.安全管理人员
5、关于应急救援原则,以下那项是错误的()。
A.尽可能实施非进入救援
B.救援人员未经授权,不得进入有限空间进行救援
C.根据有限空间的类型和可能遇到的危害,决定需要采用的应急救援方案
D.发生事故时,救援人员无论是否具备应急救援能力,都应迅速进入有限空间实施救援。
6、地下有限空间作业()需取得特种作业操作证。
A.作业人员
B.监护人员
C.技术人员
D.现场负责人
7、有限空间作业发包时,下列说法中错误的是()。
A.要严格审查承包单位的安全条件
B.与承包单位签订委托合同即可
C.要与承包单位签订安全生产管理协议
D.发包单位要加强对作业现场的安全管理
8、标准大气压下,洁净空气中的氧气含量为()
A.19.5%
B.20.9%
C.21.0%
D.23.5%
9、下列()不是有限空间作业安全管理协议的内容。
A.明确双方安全管理的职责分工
B.明确双方在承发包过程中的权利义务
C.作业人员的教育培训
D.应急救援的设备提供、救援职责分工等事项
10、很据《缺氧作业安全规程》中的要求,以下哪项不属于检测后所应记录的信息()。
A.检测时间
B.气体浓度
C.检测地点
D.检测点周边环境
有限空间作业安全常识应知应会答案
一、判断题:(共10题,每题5分)
1、( X )
2、(√)
3、( X )
4、( X )
5、(√)
6、(√)
7、(√)
8、(√)
9、(√) 10、( X )
二、单选题:(共10题,每题5分)
1、( B )
2、( A )
3、( B )
4、( B )
5、( D )
6、( B )
7、( B )
8、( C )
9、( B ) 10、 ( D )。