垃圾场垃圾渗滤液处理方案
- 格式:doc
- 大小:112.00 KB
- 文档页数:14
垃圾处理场渗滤液处理工程方案二〇一六年三月一、工程概况1、项目简介根据《中华人民共和国环境保护法》规定“防止环境污染,保护人民健康,促进经济发展”的原则、国务院(98)253号令《建设项目环境保护设计规定》及有关法规的规定,需对生产和生活垃圾进行有效治理或综合利用。
在睢县城建局领导的高度重视下,以及当地主管部门的关心下,决定对睢县垃圾填埋场垃圾渗滤液进行升级改造,减轻渗漏废水对附近水环境的污染、保护人民身体健康、改善人类的环境卫生条件,使其达到2008年4月2日国家重新颁布的《生活垃圾填埋污染控制标准》(GB16889-2008)版新标准后排放,故提出此方案。
设备采用预处理+硝化+反硝化+MBR+NF+RO处理工艺,配有自控系统装置,有自动切换,报警功能。
对垃圾渗滤液设施、设备和工艺进行方案设计,以供各方决策和参考。
为严格遵守有关环境法规,保护环境,本着经济建设和环境保护同步进行的“三同时”原则。
我单位受投资者邀请,在进行初步调研,并经多项垃圾渗滤液成功的实践经验的基础上,编制该垃圾填埋场渗滤液设计方案,以供有关部门决策、实施。
为了保护水体环境不受垃圾渗滤液影响,针对该垃圾填埋场渗滤液具体水质的特点,本方案拟采用常规的“预处理+硝化+反硝化+MBR+NF+RO处理”工艺,该处理工艺较为简单,操作运行方便,日常费用低廉,出水稳定。
2、设计要求:遵守国家对环境保护、垃圾填埋场渗滤液治理的制定的法规、标准及规范,服从单位的总体规划,执行各种相关的标准和规定;节约能源,最大限度降低运行费用;延长设备的使用寿命。
3、方案设计原则:1. 水质工程出水水质必须达到2008年7月1日实施的《生活垃圾填埋场污染控制标准》(GB16889-2008)版新标准表2中的排放限值2. 设计原则1)严格执行国家现行的环保技术标准、规范,遵守国家和地方环保的有关法律、法规及排放标准;2)选用先进、合理、可靠的处理工艺,在确保处理排放达标的前提下,做到操作简单、管理方便、占地小、投资省、运行费用低;3)本工程系环境工程,尤其要注意环境保护,避免和减少二次污染。
敦化市垃圾场垃圾渗滤液处理方案敦化市垃圾场垃圾渗滤液处理方案背景垃圾渗滤液是由垃圾中产生的水分、有机物质及其他的化学物质所构成的一种含有高浓度有机物的废水。
如果不予处理,会对环境和生态造成很大的威胁,对人们的生活和健康也会造成危害。
因此,垃圾渗滤液的处理非常重要。
本文将针对敦化市垃圾场垃圾渗滤液的处理问题,提出一个完整的处理方案。
处理方案1. 垃圾渗滤液收集首先,需要对垃圾渗出液进行收集。
可以建设一个垃圾渗滤液收集系统,设置收集池或汇流沟,对垃圾场的渗出液进行收集。
2. 垃圾渗滤液预处理对于垃圾渗滤液,需要先进行预处理才能进一步进行处理。
预处理的方式有很多种,可以采用自然沉淀、筛网过滤、生物过滤等方法,使垃圾渗滤液中的悬浮物和可溶解物质减少,从而降低进一步处理难度。
3. 垃圾渗滤液处理将预处理过的垃圾渗滤液送入处理系统,主要采用的处理方式有:(1) 生物处理:采用生物法进行处理,选择适当的微生物进行处理,使废水被分解,生物质经过分解、改变等生化反应,去除废水中的有机物质。
(2) 化学处理:采用化学法处理废水,主要通过化学药剂使得废水中的有机物质、污染物质发生化学反应,以达到处理目的。
(3) 物理化学处理:采用物理化学法进行处理,主要利用化学药剂和物理作用将废水中的残留物、混杂物进行分离、去除。
如:混凝沉淀法、活性炭吸附等。
由于生物法具有免费、不产生二次污染、程序比较简单、造价比较少等优势,在实际操作中更加普及和受到欢迎。
4. 垃圾渗滤液排放和监控当经过处理的废水符合排放要求后,可以通过下水道、自流沟或其他排泄管道进行排放。
但由于垃圾渗滤液所含的化学物质较多,为了避免对环境的影响,排放后需要进行监测,特别是对微生物、COD、pH等指标进行监测,以保证排出的废水不会对周围环境造成影响。
结论针对敦化市垃圾场垃圾渗滤液的处理问题,我们可以采取垃圾渗滤液收集、垃圾渗滤液预处理、垃圾渗滤液处理、垃圾渗滤液排放和监控的处理方案。
敦化市垃圾场垃圾渗滤液处理方案敦化市垃圾场是敦化市固体废物处理中心的重要组成部分,是城市垃圾最终处理的场所。
然而,垃圾场的运营过程中难免会产生垃圾渗滤液,如果不做好处理,垃圾渗滤液将成为污染环境的重要源头。
因此,针对敦化市垃圾场垃圾渗滤液的特点和处理需求,制定了以下垃圾渗滤液处理方案。
一、垃圾渗滤液的特点1. 高浓度有机废水由于垃圾渗滤液中含有大量的有机物质,使其成为一种高浓度的有机废水。
其COD、BOD5等污染物的浓度较高,如果未经处理就直接排放到周围环境中,不仅会导致水体污染,还会给周围的植物和土壤带来不良影响。
2. 酸碱度较高由于垃圾渗滤液中的有机物质的分解过程,容易释放出一定量的酸、碱等物质,从而使其酸碱度较高。
如果不进行调节处理,会对周边的生态环境及生物造成一定的影响。
3. 水质变化大垃圾渗滤液的水质变化大,因为其成分不稳定,易受外界因素影响。
例如,温度、风、水流等环境因素都会影响垃圾渗滤液的水质,因此需要在处理过程中加强对垃圾渗滤液水质参数的监测控制,确保其处理效果。
二、垃圾渗滤液的处理流程针对敦化市垃圾场垃圾渗滤液的特点,制定了以下处理流程:1. 预处理在垃圾渗滤液进入处理系统之前,需要进行适量的预处理。
首先将其进行沉淀处理,将其浊度降低,使固体与液体分离,减轻后续处理的难度。
其次,根据垃圾渗滤液的酸碱度,进行中和处理,使其pH值在6.5-8.5之间。
2. 生物处理处理过程中,需要使用好氧生物处理工艺,通过微生物的作用去除垃圾渗滤液中的有机物质。
将垃圾渗滤液送入好氧生物处理池,由微生物在氧气的存在下,将有机废物分解为二氧化碳和水。
这种生物处理技术能够有效地降解有机物质,将水质处理到指定标准。
3. 深度处理经过好氧生物处理池处理后的垃圾渗滤液仍然含有较高的COD、BOD5等污染物质浓度,需要进行进一步的深度处理。
此时,可以选择采用氧化池或者生物活性滤池处理,将渗滤液中的有机物质和氨氮等污染物质得到进一步的分解。
4.6渗滤液的收集在垃圾坝内侧设置两条HXW=2000X1000mm渗滤液收集沟,总长220米,收集沟为粘土盲沟,内填厚100cm的卵石,卵石粒径8cm〜12cm。
沟上为厚50cm的卵石导流层,卵石粒径4cm 〜6cm。
收集沟底部为厚10cm的砾石,砾石粒径4cm〜6cm;沟内铺设两条平行的DN300穿孔HDPE收集管,穿孔管孔径15mm孔距15cm。
两条粘土沟将渗滤液收集沟与垃圾坝内预留的排水管道相连。
穿过坝体的5根DN300HDPE管将坝内收集到的渗滤液输送至设置在坝外的两座转换井内。
其中一个转换井作为渗滤液提升泵房将渗滤液通过一根DN300的HDPE管提升进入调节池。
HDPE管上设有闸阀一个,以调节排出的渗滤液量。
渗滤液收集沟下部基础采用大面积开挖施工,回填优质粘土并压实,使之形成不透水层基础面,基面垂直于坝体方向并向坝外形成2%的坡度。
有关内容详见“渗滤液收集系统平面布置图”。
4.7渗滤液处理工艺4.7.1设计渗滤液量的确定渗滤液的产量主要决定于降雨量、蒸发量、地下水浸入以及垃圾压实后产生的水分。
渗滤液处理运行费用较高,确定适宜的处理规模,十分重要。
在本工程设计中,采用经验公式计算,并参考重庆市及附近地区已有垃圾填埋场的实际运行经验对祺龙村垃圾处理场渗滤液产量进行预测。
经验公式法是根据多年的气象观测结果,以年平均降雨量为基础,来预测渗滤液产生量的方法。
其计算公式为:Q=1000-1XCXIXA式中:Q:渗滤液平均日产量,m3/d;C:渗透系数,一般在0.2〜0.8之间;I:年平均日降雨量,mm;A:垃圾场面积,m2;在本设计中,垃圾场面积A考虑场区截洪沟以内面积,约50000m2。
本设计以两种降雨资料为基础,并考虑部分垃圾分解产生的渗滤液量,估算祺龙村垃圾场的渗滤液产量。
1、由降雨引起的渗滤液(1)以重庆市年平均降雨量1094.6mm为基础,则I为3.00mm;相应渗滤液产量为:Q=1000 T X(0.2〜0.8)X3.0X50000=30〜120m3/d(2)考虑到重庆市的降雨不均匀性,在5〜8月的(123天)汛期中,其平均降雨量为756.6mm,则I为6.15,渗滤液产量为:Q=1000 T X(0.2〜0.8)X6.15X50000=61.5〜246m3/d2、垃圾分解产生的渗滤液垃圾分解产生渗滤液水是一个较为复杂而缓慢的过程,其分解速率与垃圾含水率、垃圾成分及温度、温度等气候条件有关,分解水量较为难以确定。
垃圾填埋场渗滤液的处理方法垃圾填埋场渗滤液是指由垃圾填埋过程中产生的水分与溶解物质混合而形成的一种污水。
渗滤液的处理是垃圾填埋场管理的重要环节,合理的处理可以减少对环境的污染和保护地下水资源。
本文将介绍垃圾填埋场渗滤液的处理方法,包括物理、化学和生物处理方法。
物理处理方法物理处理方法主要是通过物理过程对渗滤液进行分离和去除污染物。
常用的物理处理方法包括过滤、沉淀、浮选、蒸发和蒸馏。
1. 过滤:通过过滤器将渗滤液中的悬浮物和固体颗粒分离出来。
常用的过滤器有滤纸、滤网、滤布等。
过滤后的渗滤液可以通过其他的处理方法进一步处理。
2. 沉淀:利用重力作用使渗滤液中的悬浮物和固体颗粒沉降到底部,从而实现分离。
常用的沉淀设备有沉淀池和沉淀槽。
沉淀后的渗滤液可以经过进一步处理或者排放。
3. 浮选:通过浮选装置将渗滤液中的悬浮物和固体颗粒从液体中分离出来。
浮选可以通过气泡、机械浮选和离心浮选等方式进行。
浮选后的悬浮物可以回收利用或者进行处理。
4. 蒸发:通过加热将渗滤液中的水分蒸发出来,从而实现水分的分离和去除。
蒸发可以通过蒸发器、蒸发池和蒸发塔等设备进行。
蒸发后的渗滤液中的溶解物质仍然存在,需要进行其他的处理方法。
5. 蒸馏:通过加热渗滤液使其蒸发成蒸汽,然后冷凝成液体,从而实现水分和溶解物质的分离。
蒸馏器是常用的蒸馏设备。
蒸馏后的渗滤液中的溶解物质可以进一步处理或者排放。
化学处理方法化学处理方法是通过化学反应对渗滤液中的污染物进行转化或者降解。
常用的化学处理方法包括中和、氧化、还原和沉淀。
1. 中和:通过加入酸、碱等物质,使渗滤液中的酸碱度达到中性,从而实现污染物的中和作用。
中和后的渗滤液可以通过其他的处理方法进一步处理。
2. 氧化:通过加入氧化剂,使渗滤液中的有机物氧化成无机物或者低毒物质。
常用的氧化剂有过氧化氢、臭氧和氯化物等。
氧化后的渗滤液可以通过其他的处理方法进一步处理。
3. 还原:通过加入还原剂,使渗滤液中的有机物还原成无毒或者低毒物质。
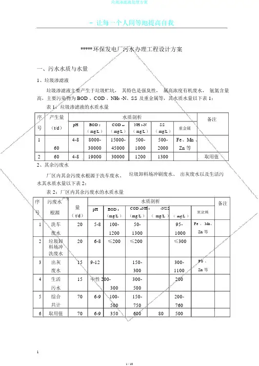
- 让每一个人同等地提高自我*****环保发电厂污水办理工程设计方案一、污水水质与水量1、垃圾渗滤液垃圾渗滤液主要产生于垃圾贮坑,其特色是强臭性,属高浓度有机废水,氨氮含量高,主要污染物为 BOD 、COD 、NH3 -N、SS 及重金属等,其水质水量以下表 1:表 1:垃圾渗滤液的水质水量序产生量水质剖析备注pH BOD 5COD cr NH 3-N SS号(t/d)重金属( mg/L )( mg/L )( mg/L )( mg/L )14-88000-15000-500-500-Fe、Mn 、60300004500010002000Zn 等2604-8190003000012001300取用值2、其余污废水厂区内其余污废水根源于洗车废水、水其水质水量以下表 2:表2:厂区内其余污废水的水质水量序污废水产生号根源量pH BOD5( t/d)(mg/L )垃圾卸料场冲刷废水、出灰废水以及生活污水质剖析备注COD cr NH 3-NSS重金属(mg/L )(mg/L)(mg/L)1洗车205-8100-50-95-废水120013001000 2垃圾卸206-8≤200≤200≤300料场冲洗废水3出灰159-12150-300-废水3001100 4生活15中性200-300-200污水3005005综合706-9100-150-200-共计500750760 6取用值706-935060080500Fe 、 Mn、Zn 等Pb 、Zn 等- 让每一个人同等地提高自我二、出水水质标准1、垃圾渗滤液近期垃圾渗滤液一定经独自办理达到国家污水进管标准CJ 3082-1999 《污水排入城市下水道水质标准》后槽车运至邻近污水管网,远期污水办理达国家污水进管标准 CJ 3082-1999 《污水排入城市下水道水质标准》后按入污水管网。
其水质标准详见表 3,合用于有城市污水办理厂的城市地下水道系统:序号项目名称单位最高同意浓度1pH6—92悬浮物mg/L4003BOD 5mg/L3004COD cr mg/L5005NH 3-N mg/L356磷酸盐mg/L87色度倍802、其余污废水厂区内其余污废水经过办理达GB8978-1996 《污水综合排放标准》一级标准,其出水水质主要指标见表4:序号项目名称单位最高同意浓度1pH6—92BOD 5mg/L203COD cr mg/L1004NH 3-N mg/L155磷酸盐mg/L6SS mg/L70三、污水办理工艺设计方案因为垃圾渗滤液办理后需用槽车运至邻近污水管网,为了减少运输花费,本工艺办理方案将垃圾渗滤液与厂区内其余污废水分开办理。
设计、安装及调试方案 1.项目情况概述Xx 生活垃圾无害化填埋场 。
渗滤液经管道系统收集后, 排入渗滤液调节池进行水质、水量 的调节, 调节池容积约 2400 M 3。
调节池利用地形以土坎砌筑而成, 池底铺设 2M 厚 HDPE 防渗 膜,在防渗膜下铺设一层 20CM 粘土保护层;在场区四周沿周边道路设置截洪沟,将地表水汇 集至南区排放。
调节后的渗滤液提升至污水处理系统处理后排放。
1.1.现有渗滤液处理系统存在的问题1.1.1.现有渗滤液处理系统工艺流程垃圾填埋场的渗滤液处理工艺采用 PH 调节+絮凝沉淀+UASB+SBR+氧化塘的处理工 艺。
工艺流程图如下:干泥回填垃圾场1.1.2.存在的问题生活垃圾填埋场渗滤液处理设施废置, 渗滤液无法达标排放。
作业面积过大, 每逢下雨, 渗滤液产生量很多, 原渗滤液处理系统设计处理量 (75m3/d) 不足, 收集池有满溢外排隐患。
1.1.3.原渗滤液处理系统升级改造的必要性根据国家环境保护的法律法规, 该类污水必须有效治理, 必须达标排放 。
应主管部门的 要求, 防治垃圾填埋场造成的环境污染, 落实渗滤液达标排放刻不容缓 。
因此, 对原系统做 升级改造是非常有必要的。
2、设计处理水量、水质和排放标准 2.1 设计处理水量设计处理水量: Q=100m3/d厌氧池 SBR 池污泥干化场絮凝沉淀污泥浓缩池接触池氧化塘达标排放调节池剩余污泥集泥池渗滤液平均流量:设计流量:q=4.5m3/hq=5m3/h24h 计2.2 进水水质指标参照《生活垃圾填埋场渗滤液处理工程技术规范》,垃圾填埋场封场后的典型水质如下表:序号项目排放浓度1 pH 6~92 BOD5 300~20003 COD 1000~50004 氨氮 1000~30005 悬浮物 200~1000注:表中除 pH 值和色度外,其余指标单位均为 mg/l。
2.3 处理后出水水质经过渗滤液处理系统后的排水应该达到《生活垃圾填埋场污染控制标准》(GB16889-2008)中的标准限值,如下表:序号项目排放浓度限值序号项目排放浓度限值1 CODc 100 9 六价铬 0.05r2 BOD 30 10 总砷 0.13 SS 30 11 总铅 0.14 氨氮 25 12 总汞 0.0015 总氮 40 13 色度 40 倍6 总磷 3 14 粪大肠菌群 10000 个/l7 总铬 0.1 15 PH 6-98 总镉 0.01依据 (GB16889-2008)中表 2 的标准注:表中除 pH、色度和粪大肠菌群除外,其余指标单位均为 mg/l。
垃圾渗滤液应急处理服务方案1. 简介垃圾渗滤液是指经过垃圾填埋场垃圾发生自然降解过程产生的有机废水。
由于其含有大量的有机物和重金属离子,垃圾渗滤液对环境和人体健康造成严重影响。
因此,垃圾渗滤液的应急处理成为一个重要而紧迫的任务。
本文档旨在提供一套垃圾渗滤液应急处理服务方案,以应对突发情况并尽快处置垃圾渗滤液,保护环境和公众健康。
2. 现状分析2.1 垃圾渗滤液特点垃圾渗滤液具有以下特点:•含有高浓度的有机物,如腐烂的垃圾、食品残渣等。
•含有大量的重金属离子,如铅、汞、镉等。
•pH值通常较低,属于酸性溶液。
•外观浑浊,有恶臭味。
2.2 处理挑战垃圾渗滤液处理面临以下挑战:•垃圾渗滤液的水质复杂,处理技术要求较高。
•垃圾渗滤液处理量大,处理速度要求快。
•垃圾填埋场一般地理位置偏远,交通条件差,物资供应不足。
•处理垃圾渗滤液的高成本。
3. 处理方案基于前述现状分析,我们制定了以下垃圾渗滤液应急处理方案。
3.1 垃圾渗滤液收集与提取1.在垃圾填埋场设置专门的渗滤液收集系统,将渗滤液收集至专用储存池中。
2.使用机械设备进行渗滤液的提取,以减少人工操作和减轻人员风险。
3.2 初步处理1.对渗滤液进行计量和样品采集。
2.初步处理包括去除悬浮物、调节pH值和混合均匀等步骤。
3.3 深度处理1.利用生物降解技术,通过微生物活动降解有机物。
2.采用聚合物和活性炭吸附技术,去除含有害物质的重金属离子。
3.利用化学反应和高级氧化技术,降解有机废水和其他污染物。
3.4 除去残余固体1.采用过滤或沉淀等方法,去除处理后的溶液中的固体颗粒。
2.将固体残渣进行无害化处理,如焚烧或填埋处理。
3.5 净化与消毒1.使用活性炭和过滤器等设备进行水质净化。
2.使用紫外线消毒或臭氧消毒等方法对处理后的液体进行消毒处理。
3.6 排放与回收1.处理后的液体如达到排放标准,可直接排放到水体或进行再利用。
2.未达到排放标准的液体需进行二次处理,以确保达标后进行排放或回收利用。
垃圾渗滤液工程施工方案一、工程概况垃圾渗滤液是指固体废弃物在自然条件下产生的渗滤液,主要由废水、有机物和重金属组成。
在工程实践中,对于垃圾渗滤液的处理已成为工程中的重要环节。
随着城市化进程的加速和人们生活水平的提高,垃圾产生量不断增加,垃圾渗滤液也日益成为生活污水处理中的重要组成部分。
二、工程目标本工程的目标是对垃圾渗滤液进行有效的处理和管理,以确保污水处理效果达到规定的标准,减少对环境的不良影响,实现资源的最大化利用。
通过工程实践,提高垃圾渗滤液的处理效率,降低处理成本,推广应用经济合理的垃圾渗滤液处理技术,达到节约资源、保护环境的目的。
三、施工方案1.前期准备本工程的施工前期准备包括确定工程地点、进行现场勘测、制定施工方案、组织采购相关材料和设备等。
通过现场勘测,明确工程地势、土质、地下水位等情况,为后续施工工作提供准确的数据支持。
2.施工技术在垃圾渗滤液处理工程中,通常采用生物处理技术、物理化学处理技术和膜技术等多种方法进行处理。
根据对垃圾渗滤液的成分分析和处理要求,选择合适的处理技术,并结合现场情况进行方案优化。
在施工过程中,确保工程质量和安全。
3.施工过程施工过程中,要严格遵守相关法律法规和施工规范,采取一系列措施降低垃圾渗滤液对环境的不良影响。
严格执行施工计划、安全操作规程和环保措施,确保施工安全和环保要求。
同时,配合监理单位开展工程进度和质量的检查,及时发现和处理施工中的问题。
4.施工验收施工完毕后,进行工程验收,核实工程质量和完成情况。
对工程施工中的不足进行汇总和整改,并开展工程竣工结算工作。
最后,编制竣工资料和整理施工档案,为工程的后续运营和管理提供技术支持。
四、关键技术1.生物处理技术生物处理技术是指利用微生物对垃圾渗滤液中的有机物进行降解,将有机物转化为无害物质的一种处理方法。
通过垃圾渗滤液的生物降解,可以降低废水中有机物的含量,减轻水体的污染。
在一些大型污水处理厂中,生物处理技术已广泛应用,取得了良好的处理效果。
2023年垃圾填埋场渗滤液的处理方法处理垃圾填埋场渗滤液是环境保护的重要问题之一,下面是2023年处理垃圾填埋场渗滤液的一种可能方法。
1. 渗滤液分离:首先,对垃圾填埋场的渗滤液进行分离处理,将渗滤液与固体垃圾分开。
可以通过设置渗滤液收集系统,将渗滤液收集到专门的容器中。
2. 预处理:对收集到的渗滤液进行预处理,包括去除悬浮固体、沉淀物和油脂等杂质。
可以采用沉淀池、过滤器和油水分离器等设备进行处理。
3. 生物处理:将预处理后的渗滤液送入生物处理系统进行处理。
生物处理系统可以采用生物反应器或人工湿地等技术,通过细菌和其他微生物的作用,分解渗滤液中的有机物污染物。
4. 深度处理:经过生物处理后,将渗滤液送入深度处理系统进行进一步处理。
深度处理可以采用化学氧化、活性炭吸附、膜过滤等技术,去除残留的污染物和微量有害物质。
5. 二次处理:经过深度处理后的渗滤液,还可以进行二次处理以进一步提高水质。
可以采用紫外线消毒、臭氧氧化等技术,杀灭残留的微生物和病原体。
6. 尾水处理:最后,对二次处理后的渗滤液进行尾水处理。
可以采用反渗透、蒸发结晶等技术,去除渗滤液中的溶解物质和浓缩残留。
7. 排放与循环利用:经过综合处理后,将尾水进行排放,需符合当地环境排放标准。
同时,可以将部分清洁处理后的水进行循环利用,如用于植物浇灌、冲洗设备等。
需要注意的是,具体的处理方法可能还需要考虑当地的工艺设备、经济条件和环境要求等因素。
因此,在实际应用中,还需要根据具体情况进行调整和优化。
垃圾发电厂渗滤液处理工程设计方案第一章概述XX垃圾焚烧发电有限公司是已修建好的垃圾发电厂。
我公司专业人员根据了解的现场情况和常规参数,完成了其垃圾渗滤液处理工艺设计方案的编写。
按照垃圾发电厂设计单位所提供的数据和资料,垃圾处理设计最高量为350吨每天,渗滤液处理量为 70m3/d考虑,所产生的渗滤液将进入位于发电厂后方的调节池中后污水将由泵从调节池打入污水处理站。
垃圾发电厂渗滤液是一种组成复杂的高浓度有毒有害废水,其水质受垃圾组成情况、水分、填埋时间、气候条件等因素的影响甚大。
所有垃圾渗滤液都具有共同的特点,主要表现在以下几个方面:1) 高浓度有机废水,其中包括溶解性有机污染物、胶体类有机污染物,其相对的含量随季节、填埋前垃圾是否分拣、地域不同都有变化;2) 氨氮含量高;3) 水中盐份,尤其碱度含量高,酸碱缓冲体系庞大(pH 变化大);4) 季节性水量变化大,春夏秋冬四季分明,冬季量少,夏季量大。
其中最重要的影响因素是厨房垃圾的含量。
从较小的时间尺度上来说,垃圾发电厂渗滤液的月产生量和平均水质随季节的变化幅度很大。
因此,垃圾发电厂必须配备足够大的垃圾渗滤液调节池,以储存丰水季一个月以上的垃圾渗滤液。
垃圾发电厂渗滤液储存调节池是垃圾发电厂工程的一部分,是设计单位根据当地的降水规律、垃圾成分、水文地质情况等因素事先预测垃圾渗滤液产生量设计,然后与发电厂同时修建。
垃圾渗滤液中的主要污染物包括有机物(通常以COD质量浓度表示)、氨氮、离子态重金属等。
因此在垃圾渗滤液处理工程的技术设计上,我们一般考虑如下几个因素:1、垃圾渗滤液的月产生量或年产生量;按每天进水量70吨每天考虑,反渗透按50吨/天考虑。
2、根据实测值,对垃圾渗滤液中污染物浓度所作出的预测;3、所要达到的处理要求(排放标准);《生活垃圾填埋污染控制标准》GB16889-20084、平均处理成本尽可能低;5、工艺流程可靠性高,操作简便,技术管理难度低;6、一次性投资合理。
敦化市垃圾场垃圾渗滤液处理方案敦化市垃圾场是一处堆放垃圾的场所,垃圾在场地内逐渐堆积而成。
由于垃圾内部的有机物质、化学物质和微生物等因素的作用,垃圾场产生的垃圾渗滤液含有大量的有机物、无机盐和微生物,具有高度的污染性。
为了保护环境、防止垃圾渗漏,敦化市垃圾场需要采取特殊的垃圾渗滤液处理方案。
本文将探讨敦化市垃圾场垃圾渗滤液处理的方案。
一、垃圾渗滤液的污染特点垃圾渗滤液是在垃圾堆的堆压作用下,从垃圾中滤出的一种液体,具有下列污染特点:1、含有大量的有机物质,主要由腐烂的食品、植物等有机物质组成。
2、含有少量的无机盐,主要为氨氮、硝酸盐等。
3、含有微生物,包括各类细菌、真菌、原虫等。
由于这些污染物质的存在,垃圾渗滤液具有很强的有毒、有害性,不处理随意排放会对环境和人体造成极大的危害。
二、垃圾渗滤液的处理方案为了有效地处理垃圾渗滤液,保护环境,需要采取特殊的处理方案。
该垃圾场垃圾渗滤液处理方案包括以下几个步骤:1、收集处理垃圾渗滤液是由垃圾堆渗出的液体,需要通过特殊的收集装置将其收集到处理装置中。
收集装置应该设计得合理,排放管道需要制定专门的标准,避免污染临近地区的土壤和水源。
2、中和处理垃圾渗滤液中大量的无机盐含量,必须进行中和处理。
中和处理的方法有多种,常见的方法是利用酸碱中和反应,将其中和成PH 值为7的中性液体。
3、化学处理采用化学处理的方法更为彻底有效,可以杀死其中毒、有害的微生物,分解有害碳氢化合物。
常见的化学处理方法有加氧化剂、添加消毒剂等。
4、生物处理生物处理是将有机物质通过生物代谢的方式转化为二氧化碳和水的一种处理方式。
在处理过程中,可以利用生物技术处理出具有很好肥效的有机肥。
5、过滤处理过滤处理是利用物理手段,将垃圾渗滤液中的颗粒物和有机杂质过滤出来,形成较为清澈的水。
过滤出来的水可以通过净化处理后用于生产和生活。
三、结论综上所述,敦化市垃圾场的垃圾渗滤液处理方案应包括收集处理、中和处理、化学处理、生物处理和过滤处理等步骤。
浅析垃圾填埋场渗滤液的处理方法摘要本文简要阐述垃圾填埋场渗滤液的产生原因、特性及危害,提出了几种垃圾填埋场渗滤液的处理方法,并分析提出在对渗滤液进行减量化的同时,综合几种方法的优点对垃圾填埋场进行综合整治,有效解决垃圾填埋场渗滤液环境污染的问题。
关键词:填埋场;渗滤液;处理方法浅析垃圾填埋场渗滤液的处理方法一、渗滤液的产生城市垃圾卫生填埋是我国垃圾处理的主要方法之一。
但是城市垃圾填埋场渗滤液的处理一直是填埋场设计、运行和管理中非常棘手的问题。
渗滤液是液体在填埋场重力流动的产物,主要来源于降水和垃圾本身的内含水。
渗滤液的成分变化很大,主要取决于填埋场的年龄、深度、微生物环境以及所填埋的垃圾的组成等。
另外,当地的气候(主要指降雨情况)、填埋场的地理状况以及最终覆土层的性质等因素则影响渗滤液的数量。
填埋场渗滤液主要有三个来源:一是外部水分渗入垃圾中,主要指降雨、地表水和地下水的渗入;二是垃圾本身含有的水分;三是垃圾中的有机物在微生物作用下转化而来的水。
由于液体在流动过程中有许多因素可能影响渗滤液的性质,包括物理因素,化学因素以及生物因素等,所以垃圾渗滤液是一种成分复杂的高浓度有机废水,如不加以处理而直接排放人环境,会造成严重的环境污染。
以保护环境为目的,对渗滤液的处理是必不可少的。
二、渗滤液的特性垃圾渗滤液具有不同于一般城市污水的特点,较难进行处理,其主要有以下特点:(1)垃圾渗滤液水质复杂,含有多种有毒有害的物质。
其中有机污染物多达77种(其中促癌物、辅致癌物5种),还含有难以生物降解的萘、菲等非氯化芳香族化合物、氯化芳香族化合物、磷酸脂、酚类化合物和苯胺类化合物。
(2)垃圾渗滤液中COD、BOD 浓度可达到数千到几万mg/L,和城市污水相比,浓度高得多。
(3)垃圾渗滤液中含有10多种金属离子,其中铁的浓度可高达2050mg/L,铅的浓度可高达12.3mg/L,锌的浓度可高达130mg/L,钙的浓度可高达4200mg/L。
200m3垃圾渗滤液处理工程设计方案目录第一章工程概况....................................................................................................................... - 1 -1.1概述..................................................................................................................................... - 1 - 1.2设计依据............................................................................................................................. - 1 - 1.3设计原则............................................................................................................................. - 2 - 1.5设计规模............................................................................................................................... - 2 - 1.6设计进水水质..................................................................................................................... - 2 - 1.7设计出水水质........................................................................................................................ - 3 -第二章污水处理工艺............................................................................................................. - 3 -2.1工艺路线............................................................................................................................... - 3 - 2.2工艺流程说明...................................................................................................................... - 3 - 2.3 工艺特点............................................................................................................................................... - 4 - 第三章工艺设计..................................................................................................................... - 4 -3.1主要构筑物及设备............................................................................................................... - 4 - 3.1.1调节池.............................................................................................................................. - 4 - 3.1.2 pH调节池......................................................................................................................... - 5 - 3.1.3 厌氧池............................................................................................................................. - 5 - 3.1.4 好氧池......................................................................................................................... - 6 - 3.1.5 MBR池............................................................................................................................ - 7 - 3.2电器控制系统说明............................................................................................................... - 7 - 3.3主要设备选型及技术参数................................................................................................... - 8 - 第四章电气设计..................................................................................................................... - 9 -4.1用电负荷及计算(略)......................................................................................................... - 9 - 第五章工程投资与水处理成本分析................................................................................... - 9 -5.1 工程投资编制依据............................................................................................................ - 9 - 5.2 工程投资估算.................................................................................................................... - 9 - 5.3 废水处理工程年经营费用估算.......................................................................................... - 9 -第一章工程概况1.1概述:1.1.1背景和必要性随着社会经济的发展和居民生活水平的提高城市垃圾的产量与日俱,增城市垃圾的处置成为现代都市的一大难题。
垃圾填埋场渗滤液的处理方法模版垃圾填埋场渗滤液,即垃圾渗滤液,指由垃圾中产生并排出的液体,其中包含了雨水或灌溉水与垃圾中的污染物混合。
处理垃圾填埋场渗滤液是垃圾填埋场运营过程中的一项重要工作,目的是减少对环境的污染,并确保渗滤液的排放符合环境保护的标准要求。
本文将介绍垃圾填埋场渗滤液处理的主要方法和技术,包括渗滤液的收集、前处理、生物处理、物化处理以及最终处理和排放等环节。
一. 渗滤液的收集垃圾填埋场渗滤液的收集是整个处理过程的首要环节。
收集系统的设计需要充分考虑渗滤液的排出路径、收集管道的设置和布局等因素。
1. 排水网和渗水井垃圾填埋场需要设置排水网和渗水井,用于收集渗滤液。
排水网一般由横向和纵向的排水管道组成,铺设在垃圾填埋层之上,以便收集排出的渗滤液。
渗水井则位于填埋场的低洼地带,用于收集排水网汇集的渗滤液。
2. 雨水和渗滤液分流收集渗滤液前,需要将其与雨水进行分流。
一种常见的方法是设置分流管道,将雨水和渗滤液分别收集,然后分别处理。
二. 渗滤液的前处理在进行生物处理或物化处理之前,需要对渗滤液进行一些预处理步骤,以去除悬浮物和溶解物,减少对后续处理工艺的影响。
1. 澄清池澄清池用于去除渗滤液中的悬浮物。
渗滤液进入澄清池后,经过静置一段时间,悬浮物会沉淀到池底,而澄清的液体则从池中流出。
2. 溶解气浮池溶解气浮池可用于去除渗滤液中的溶解物和浮游物。
在气浮池中,通过加入气体,产生微小气泡,使悬浮物和溶解物聚集在气泡上升的过程中,从而实现其分离和去除。
三. 渗滤液的生物处理生物处理是在渗滤液中引入微生物来降解和去除有机物的处理方法。
主要有好氧生物处理和厌氧生物处理两种方法。
1. 好氧生物处理好氧生物处理是将渗滤液引入好氧生物反应器中,供给微生物生长和代谢所需的氧气和营养物质。
在好氧条件下,微生物能够有效降解渗滤液中的有机物,将其转化为二氧化碳和水等无害物质。
2. 厌氧生物处理厌氧生物处理是在缺氧或无氧条件下进行的生物处理方法。
渗滤液处理方案咱来唠唠渗滤液这事儿,得把它处理得明明白白的。
一、渗滤液是啥玩意儿,为啥要处理。
渗滤液啊,就像是垃圾里流出来的脏水,那味道可难闻了,而且里面全是各种有害物质。
要是不管它,就会到处污染土壤、地下水,那可就麻烦大了。
就像一个调皮捣蛋的小恶魔,到处搞破坏,所以咱得想办法把它制住。
二、处理前的准备工作。
1. 先搞清楚渗滤液的情况。
得知道它从哪儿来的,是哪个垃圾场或者啥特殊地方产生的。
就像破案一样,找到源头才能更好地解决问题。
检测一下它里面都有啥成分。
是化学物质多呢,还是细菌病毒多,就像了解敌人的底细一样。
2. 找个合适的地方处理。
这个地方得远离居民区,不然那股臭味能把人熏晕。
最好是有一定的防护措施,像四周有围墙之类的,防止渗滤液不小心跑出去。
三、处理渗滤液的具体办法。
1. 物理处理。
第一步就像淘米一样,用滤网把大的垃圾、杂质过滤掉。
那些大的塑料片、破布啥的,统统不能让它们留在渗滤液里。
然后再用沉淀的方法。
让渗滤液在一个大池子里面安静地待一会儿,重的东西就会沉到下面去,像沙子、泥土之类的。
这就好比是让好动的孩子坐下来,安静的孩子就会沉淀在下面啦。
2. 化学处理。
根据检测出来的成分,加入合适的化学药剂。
如果有酸性物质太多,就加点碱性药剂中和一下,就像给太酸的菜加点碱面一样。
要是有重金属离子,就用能和它们反应的化学物质,把这些重金属变成沉淀或者让它们变成无害的东西。
还可以用氧化还原的方法。
有些有害物质在特定的氧化剂或者还原剂的作用下,就会变成对环境友好的物质。
这就像是给那些坏家伙来个魔法变身。
3. 生物处理。
微生物可是处理渗滤液的小能手。
把一些有益的微生物放到渗滤液里,它们就像小馋猫一样,吃掉渗滤液里面的有机物。
就像一群小蚂蚁,把垃圾一点点搬走。
可以用活性污泥法。
那些污泥里面全是各种各样的微生物,它们在合适的环境下,会把渗滤液中的有机污染物分解得干干净净。
四、处理后的检查和后续工作。
1. 检查处理后的渗滤液。
目录
第一章概述 (2)
第二章方案论证 (4)
第三章工艺设计 (7)
第四章投资估算 (11)
1
第一章概述
XX市地处长白山西麓。
自从1985 年,撤县建市后,XX市的工农业经济得到了飞速发展,城市规模不断扩大,人民生活水平显著提高。
但是随之产生的城市垃圾等环境污染问题也不断恶化,成为XX市进一步可持续发展的桎梏。
据统计1998 年XX市工业固体废弃物产生量为9.26 万吨,城市生活垃圾产生量为16.8 万吨。
与我国许多城市一样形成了“垃圾包围城市”的不利局面。
为此,XX市建设了一座全省最大规模的垃圾填埋场,占地35 公顷,并积极采用垃圾制砖技术,进一步使垃圾变废为宝。
垃圾填埋场的建设和运行,一个绝对不容忽视的问题就是垃圾渗滤液污染的控制与治理。
垃圾渗滤液是指超过垃圾所覆土层持水量和表面蒸发潜力的雨水进入填埋场地后,沥经垃圾层和所覆土层而产生的高浓度污水。
渗滤液还包括垃圾自身所含的水份、垃圾分解所产生的水及地下水的浸入量。
由于渗滤液在流动过程中收到多种因素的影响(包括物理因素、化学因素、生物因素等),渗滤液的水质在一个相当大的范围内变化。
一般来说,其pH 值在4~9 之间,CODCr 在2000~62000mg/L 范围内,BOD5 在60~45000mg/L 之间,难降解有机物含量较高,一般还含有较高浓度的重金属等有毒物质。
总之城市垃圾渗滤液是一种成分复杂的高浓度有机废水,若不加以妥善处理、肆意排放,必将对地下水、地表水构成严重威胁。
2
我们在深入研究国内外先进渗滤液处理技术基础上,结合XX市的环境气候特征以及垃圾填埋场的实际情况,做了以曝气脱氮配合生物处理方案。
针对XX市的地区气候特征,采用渗滤液回灌喷洒技术,将处理过的渗滤液回灌进入垃圾填埋场,促进渗滤液的净化和减量,而且可以加速垃圾的稳定化进程。
从而使垃圾填埋场渗滤液可以做到零排放。
工艺设计中将氨吹脱与生物处理部分结合为一体化设备,便于操作管理。
1.1 设计依据
1) 《中华人民共和国污水综合排放标准》(GB8978-96)
2) 《城市生活垃圾卫生填埋技术规范》(CJJ17-2001)
3) 《生活垃圾填埋污染控制标准》(GB16889-1997)
4) 《室外排水设计规范》(GBJ14-87)
5) 甲方提供的相关资料
6) 同类企业污水水质数据、试验报告、设计经验
1.2 设计原则
(1)要结合我国北方城市发展总体规划的要求,并能当地政府环境保护及污染治理总体发展规划的要求。
3
(2)工程规模、投资数额要考虑国家和地方财政的支付能力,做到切合实际,降低工程费用。
(3)应注意引进新工艺、新技术、新设备、新材料。
在比较和选择工程方案时,要优先考虑工艺先进、技术可靠、经济合理的方案,以降低工程造价,减少运行成本。
(4)统筹考虑施工方便、管理维护便捷、运转安全等因素。
1.3 设计范围
城市垃圾填埋场垃圾渗滤液处理设备一套,处理规模300m3/d。
第二章方案论证
2.1 设计水量
按照甲方提供的原始资料确定本垃圾渗滤液处理工程设计水量为300m3/d。
2.2 进出水水质
进水水质依据甲方提供资料以及国内同类垃圾渗滤液的水质资料,确定进水水质如下:
表1 垃圾渗滤液水质一览表
4
出水水质依据《生活垃圾填埋污染控制标准》(GB16889-1997)的相关要求确定如下:
表1 垃圾渗滤液水质一览表
2.3 处理方案
近十几年来国内外学者就垃圾渗滤液的处理进行了大量的探索和研究,取得了一些成功经验,有的已用于工程实践。
由于渗滤液水质水量的复杂多变性,目前尚无十分完善的处理工艺,大多根据不同填埋场的具体情况及其它经济技术要求采取有针对性的处理工艺。
根据甲方提供的相关技术资料,确定了原水和出水的水质条件及其变化系数,本方案确定以曝气脱氮、厌氧-缺氧-好氧生化处理配合循环回灌的工艺路线。
垃圾渗滤液受到各种因素影响,水质水量变化较大大,有机物浓度高且难于降解,污水可生化性差(有时其BOD5/COD 低达0.07~0.2),污水中营养元素比例失调(NH3-N 含量高而磷元素缺乏),且水中含有浓度较高的重金属等有毒物质,因而其处理难度较高。
对于本方案的“年轻”和“年老”混合型垃圾填埋场(指垃圾中含有一定数量的工业废弃物)产生的渗滤液及城市污水处理厂规模较小而采用合并处理的情形,进行物理化学等预处理去除
5
渗滤液中的氨氮等尤为必要。
因而,本方案首先采用曝气吹脱技术处理含量较高的氨氮。
经过吹脱,渗滤液中氨氮去除率可达到70%左右,降低了后续生物处理工艺的处理负荷。
此外,曝气吹脱还可起到一定的预曝气作用,在一定范围内可以降低渗滤液中COD 含量,并进一步调整污水营养物质比例,使之更有利于生物处理。
方案采用厌氧-缺氧-好氧生物处理工艺,这是一种将厌氧-好氧生物处磷与缺氧-好氧生物脱氮两种方法相结合的同步脱氮除磷处理工艺。
污水和回流污泥自厌氧池流入,循环硝化液由好氧池用泵送入缺氧池。
在厌氧池进行磷的释放,在缺氧池进行脱氮,在好氧池进行硝化和磷的摄取。
经过处理后的渗滤液采用循环回灌至垃圾填埋层,是一种较为有效的处理方案。
通过循环喷洒可提高垃圾层的含水率(由20%~25%提高到60%~70%),增加垃圾的湿度,增强垃圾中微生物的活性,加速产甲烷的速率、垃圾中污染物溶出及有机物的分解。
其次,通过循环不仅可降低渗滤液的污染物浓度,还可以因喷洒过程中挥发等作用而减少渗滤液的产生量,对水量和水质起到稳定化的作用,有利于废水处理系统的运行,节省费用。
将渗滤液收集并通过回灌使之回到填埋场,除有上述作用外,还可以加速垃圾中有机物的分解,缩短填埋垃圾的稳定化进程(使原需15 年~20 年的稳定过程缩短至2 年~3 年)。
6
7
这种方式对于XX 市这样的北方地区尤其适宜。
北方地区干旱少雨,而且冬季寒冷,气候条件不利于垃圾发酵降解菌类存活,垃圾稳定化过程更为缓慢。
垃圾渗滤液水量较小,但污染性物质沉积于垃圾层中,难以分解。
采用处理配合回灌的方式,则由于处理量小,工程规模和投资也较多雨的南方低很多。
此外回灌的渗滤液经过处理污染物质已经显著降低,经过垃圾层时又可进一步将已沉积的有毒物质带走,并引入大量活性较强的生物菌群,促进了场内的物质循环,提高了垃圾层内细菌的生物活性。
因此这种方式对本工程来说是适宜而且有效的。
2.4 处理工艺流程
本方案处理工艺流程如下:
第三章工艺设计
3.1 单元处理构筑物设计
曝气
污泥回流 曝气
循环回灌
1.原水调节池
原水调节池根据甲方实际情况,采用未使用的垃圾填埋坑。
调节时间确定为7d,有效容积2070m3。
原水调节池内设污水提升泵两台(一用一备),用来提升污水至氨气吹脱塔。
水泵型号为WQR15-20-2.2A。
2. 氨气吹池
氨吹脱池为不锈钢结构,内部防腐,水力停留时间5h,有效容积62.5m3,有效水深5m,内径为4m。
投加石灰调节pH 值至10.5 左右。
采用穿孔管曝气,气水比2000:1,采用两台罗茨鼓风机曝气,型号为RT-300。
3. A2/O 反应池
反应池分为厌氧池、缺氧池和好氧池3 部分,为三座不锈钢结构。
总体停留时间为14h,停留时间比为2:2:3。
反应池有效容积为175m3,有效水深5m。
厌氧池内径为3.6m,高度5.5m,入口处有污水进水管和污泥回流管各一,管径为DN200。
缺氧池内径为3.6m,高度5.5m,入口处设硝化液循环管,内循环比为200%,管径DN300。
池内设循环回流潜水泵两台(一用一备),型号WQR17-6-1A。
8
厌氧池和缺氧池内各设水下搅拌机1 台,功率为125W。
好氧池内径为5m,高度5.5m,采用穿孔管曝气。
采用一台RT-300 罗茨鼓风机鼓风曝气。
厌氧、缺氧、好氧池内填充软性填料,以增加接触面积,促进生化反应。
4.循环水池
循环水池采用不锈钢池,内部防腐。
水力停留时间为6h,有效容积75m3。
结构尺寸为5m×5m×5m。
池内设污泥回流泵一台NL50-8,回流比为100%。
另设循环回灌水泵两台(一用一备)WQR15-20-2.2A。
夏季原水调节池和循环水池内需定期投加杀菌灭藻剂,以防止藻类滋生,堵塞设备。
6.循环回灌系统
循环回灌系统由循环水池、水泵、管道系统、喷洒装置和电控系统组成。
3.2 主要构筑物一览
构筑物一览表
9
3.3 主要设备一览
设备一览表
10
第四章投资估算
4.1 投资估算
垃圾渗滤液处理工程。
设计规模300m3/d。
工程估算投资(直接费)
4.2 编制依据
(1)建设部1996 年《全国市政工程投资估算指标》上册
(2)《给排水设计手册》(第10 册技术经济)
4.3 主要材料及设备价格
按照厂家报价或现行市场价格。
4.4 工程投资估算表
工程基建投资一览表
11
4.5 设备投资
工程设备投资一览表
12
4.6 工程投资表
工程投资估算表
13
14。