便携式梯子使用安全管理规范.
- 格式:ppt
- 大小:2.22 MB
- 文档页数:3
环境健康安全部份号:1 文件编号:修改状态/版本:A 共 4 页第 1 页便携式梯子使用规定受控状况:实施日期便携式梯子使用安全规定环境健康安全部份号:1 文件编号:修改状态/版本:A 共 4 页第 2 页1.目的:进一步加强对便携式管理和使用,有效地控制和消除在使用梯子过程坠落风险和坠落事故.2.范围:本规定适用于在美铝昆山公司工作的所有员工、外包工及进入美铝上海公司工作的保洁公司工作人员、承包商及其它外来人员。
3.规定使用存放在梯子存放处的绝缘梯子。
如果不得不使用其它梯子,必须进行坠落危害分析,并得到项目的负责人、主管、经理和坠落预防团队的认可。
决不用破损松动的梯子和稳定性差的梯子。
3.1 电工从事电气作业必须使用绝缘梯子。
3.2每季度对便携式梯子进行检查。
在美铝昆山铝业有限公司使用的便携梯子有直梯、A字梯、升降云梯。
(表3)3.3便携梯子使用前必须检查和登记。
使用后擦拭干净,并放回梯子存放处。
检查时如发现有破损梯子,将破损梯子贴上事故预防牌,停止使用,并与好梯子分开。
3.4有恐高症者不许登梯进行高空作业。
3.5 直梯、A字梯使用要求。
A 选择长度和承重量与工作相适应的梯子。
B 在使用前对梯子检查,确认踏步(板)处于良好状态,表面不滑,没有油物,无破裂和缺损,各支撑柱、插销、螺丝都完好紧固;A字梯连接装置是否完好,梯脚是否有防滑橡皮。
C 保持梯子清洁,消除梯子上的一切污物和油腻。
D 将梯子放在坚固和平整的地方。
直梯以4:1规则搁置(即每4m梯子梯脚离依靠物1m)。
E 上下梯子时,人要面对梯子,双手扶住梯子,始终保持有三点接触。
F 工作时保持身体在两边栏杆之间。
G 在梯子上需缓慢、谨慎地移动,不要使用最上面的二格踏步(板)。
H 如果需要站立高度在1.8m以上的,要有一个人扶住梯子,并要求使用获准的坠落防护保险带和绳索。
低于1.8米但有坠落或其它潜在危险时, 也应该有人监护。
I 在无人扶住梯子的情况下,最高登到1.8m。
便携式梯子使用安全管理规范便携式梯子(Portable Ladder)是一种常用的攀爬工具,它广泛应用于家庭、办公室和工业等领域。
便携式梯子不仅方便携带,而且易于使用,但如果不遵守安全规定,它也会导致很多危险和伤害。
因此,在使用便携式梯子时,必须遵守相关的安全管理规范。
本文将介绍使用便携式梯子的安全管理规范。
一、选购便携式梯子1.质量。
选购便携式梯子时,应选择质量好、结构牢固、承重能力大的梯子。
2.长度。
梯子的长度应符合需要的攀爬高度,并在梯子的最高部位留有一定的安全距离。
3.材料。
梯子的材料应具有足够的强度和耐用性,防滑性能好、不易老化、腐蚀和变形。
4.稳定性。
梯子应该稳定,且有防滑装置,如脚垫和底垫。
二、梯子的使用安全规范1.安装。
使用前应仔细检查梯子的每个部位是否完好无损、结实可靠。
在使用前应该清理梯子表面的污垢,包括泥土、灰尘、油脂等。
梯子靠在的支撑物应该平稳、结实、非滑动和可靠。
2.使用。
站在梯子上面要保持平稳,双手握住梯子的两侧,上下移动时,不要将身体的质心向后移动。
两脚分踩在梯子的两架上,不要只是一脚踩在梯子上面。
在梯子的最高部位上工作时,不能超出梯子的边缘,以防滑倒或摔落。
3.攀爬梯子时不要超过梯子的最大承重能力,不要超过梯子的最高安全线。
不要在梯子上进行剧烈的或危险的运动。
不要在梯子上放置沉重或不稳定的物品。
4.放置。
放置梯子时,应将梯子放置在平稳的地面上,确保梯子的脚部与地面接触良好,不要将梯子放置在不平稳的、不平整的地面上。
如果在室内使用,则应确保梯子放置平稳并且不会打破地板或地毯。
5.保养。
使用完毕后,应将梯子进行清洁,检查梯子表面的各处是否存在损伤,如有损坏应及时修复或更换。
如果梯子损坏影响使用,应予以淘汰。
三、安全注意事项1.不要把梯子放在刮风或有风的地方,不要在下雨或雨后攀爬梯子。
2.不要将梯子靠在易燃的物品或化学品上,因为梯子上可能会有油脂或其他易燃物质。
3.不要让孩子或其他不熟练的人使用梯子,应由经验丰富的人来操作梯子。
《便携式木梯安全要求》
便携式木梯是工业、建筑等领域中常见的工具,它们通常用于到达高处或者在不同的位置之间建立通道。
使用便携式木梯需要严格遵守以下安全要求:
1. 选择正确的梯子
根据工作高度、承重能力等要求选择合适的梯子。
使用前检查梯子是否有损坏或者缺陷,如断裂、裂纹等,如果有不要使用。
2. 稳固支撑
在使用梯子前,确保它稳固地支撑在平面上,不要在不稳定或者不平的地方使用梯子。
同时,使用梯子时也要注意周围环境,避免被其他物品或人员撞击。
3. 安全上下
在上下梯子时,要面向梯子,用双手紧握把手,踩好脚步。
不要在梯子上走动或者跳跃,同时也不要超出梯子的最高、最低层。
4. 不超过承重
便携式木梯的承重能力有限,使用时不要超过其规定的重量。
同时,不要将梯子用于承载其他物品或人员,以免超负荷损坏。
5. 定期检查
定期检查便携式木梯,特别是承重部分和连接部分,确保没有损坏或者松动。
如有发现问题,及时修理或更换。
总之,使用便携式木梯需要注意安全,谨慎操作,以保障人身安全。
便携式梯子安全使用安全管理规范便携式梯子是一种常见的作业工具,广泛应用于修缮、清洗、装饰、维护等各个领域。
因其轻易携带和灵活性强的特点,被众多工人和家庭用品爱好者所采用。
但是,如果梯子使用不当,则很容易造成伤害和意外情况。
为确保便携式梯子的安全使用,必须根据以下规范进行管理:1. 梯子的选购在选购便携式梯子时必须注意外观造型、质量标准、钢管、梯板,增强板等结构件的强度、美观度,以及制造厂家的信誉度等因素。
一般来说,选择质优价廉、外观美观、质量可靠的梯子是首选。
2. 梯子的维护便携式梯子经常使用,因此经常需要保养和维护,确保其处于良好状态。
其细节包括:检查梯子的钢管是否锈蚀,梯板是否完好,螺栓是否松动,增强板是否变形等。
如有异常问题,应及时处理和更换。
3. 梯子的使用使用梯子前,应先将梯子放在坚实地面上,确保其稳定性。
上下攀登时,也应注意梯子的重心平衡。
同时,为了避免梯子的晃动,上下梯道之前,应确保梯子远离电线和其他障碍物。
4. 梯子的储存在梯子储存方面,要避免任何形式的歪斜,不能将梯子轻松地放在地上或其他地方。
同时,在存放过程中,还需注意避免阳光、火源或其它刺激性物品对梯子造成伤害。
5. 梯子的移动和搬运便携式梯子虽然易携带,但它重量较重,不易移动,需要专业的操作技巧和方法。
移动时应注意,不能摇晃梯子,必须按照梯子的方向移动。
而在搬运时,应对重量及其操作进行正确的评估,不能过度用力。
安全使用便携式梯子的规范必须得到全面的执行。
必需严格按照上述规范的标准来选择、维护、使用和储存梯子。
只有这样,才能有效避免意外事故的发生,从而保证工人和家庭用品爱好者的安全。
《便携式木梯安全要求》
便携式木梯是指一种方便携带的木制梯子,广泛应用于家庭、工地、商铺等场所。
由
于木质材料易于制造和加工,因此便携式木梯受到人们广泛的欢迎。
但是,使用便携式木
梯也存在着一定的安全隐患,因此在使用便携式木梯时应注意以下安全要求。
一、选购合格产品
选购便携式木梯时应选择有质量保证的产品,要求其具有国家工业产品生产许可证或
产品检测合格证明,以确保其制造工艺和材料的合格性。
应该选择与用户身高相符的木梯,避免使用太高或太矮的梯子。
二、安全使用
使用便携式木梯时应站在梯子的中央位置,一手握紧楼梯的梯子,另一手握住扶手或
轮把,保持身体平衡。
不要在梯子的最高台阶上工作,以保证安全。
应该注意梯子的支撑,确保梯子与地面之间的垂直距离适当,不要将梯子放在地面不平的地方上。
三、定期检查
便携式木梯应经常进行检查,确保其结构的完整性和稳定性。
检查时应注意梯子的支撑,梯子的折叠位置以及梯子与梯子之间的接口是否完好。
如果发现损坏或故障,应立即
停止使用,并请专业人员进行修理。
不要用破损的木梯,以免导致危险。
四、正确保管
在不使用时,应该将便携式木梯放置在干燥通风的地方,不要将其存放在晒太阳或雨
淋的地方。
梯子应该垂直或水平放置,不要挂在墙上或斜放,以免损坏梯子结构。
总之,在使用便携式木梯时应该严格遵守以上安全要求,确保人员安全。
如果梯子已
经损坏或出现危险,不应该使用它,应立即进行修理或更换。
这样才能让便携式木梯更加
安全、可靠的为人们的生活和工作服务。
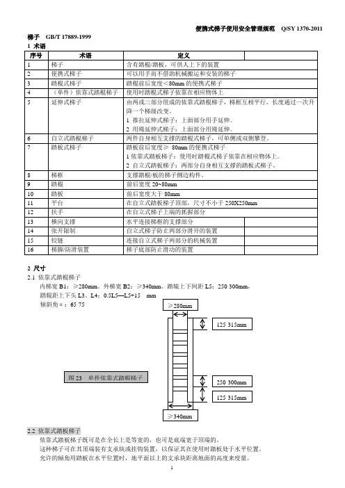
梯子 GB/T 17889-19992 尺寸2.1 依靠式踏棍梯子内梯宽B1:≥280mm 、外梯宽B2:≥340mm 、踏辊上下间距L5:250-300mm ,踏辊距上下头L3、L4:0.5L5—L5+15 mm倾斜角α:65-752.2 依靠式踏板梯子依靠式踏板梯子既可是在全长上是等宽的,也可是底端宽于顶端的。
这种梯子可在其顶端装有支承块或挂钩装置,以保证其在使用时踏板处于水平位置。
允许的倾角用踏板在水平位置时,地平面以上的支承块距离地面的高度来度量。
a)支承块;b)挂钩装置2.3 自立式踏板梯子梯子的两部分通过铰链连接并应防止滑开。
在梯子使用期间踏板处于水平位置。
扶手在平台上的投影应不超出平台。
带有平台和扶手的单侧攀登的自立式踏板梯子平台视作踏板张开限制的示例双侧攀登的自立式踏板梯子3 结构3.1 铰链铰链应能持久地连接自立式踏棍/板梯子的两部分。
铰链锁轴应紧固,防止意外松脱。
钢制铰链销轴的直径应不小于5.3mm(即相应于M6的螺纹)。
其他材料的销轴应至少具有同样的强度。
3.2 张开限制自立梯子的两个部分应通过张开限制防止使用期间张开超出设计范围。
自立踏板式梯子或带有扶手的最大攀登高度为1.8m的其他梯子,应设计得能防止在正常使用期间意外折叠。
3.3 踏棍/踏板由金属或塑料制做的踏棍和踏板应具有防滑表面。
平台可视作为一级踏板。
覆盖层的接触表面应与踏板或踏板全部接触。
踏棍和踏板应牢固持久地与梯框连接。
3.4 防滑装置梯子下端应具有防滑装置。
应包括(但不限于)安全脚、防滑块、道钉以及平的或圆形的踏脚等。
3.5 支承块/锁紧装置推拉式延伸梯子的两部分应牢靠地固定在其使用位置上,防止偶然松动或分离。
用绳操作的延伸式梯子的锁紧装置应确保安全的卡住,并且靠近梯框有两个支承块。
这种梯子的锁紧装置应设计得当绳子松了或断了时,上梯部分向下滑动不得超过一个梯级。
这种安全要求应适用于当梯子处在垂直位置和使用位置时。
便携式梯子安全使用要求一、前言为了确保便携式梯子的使用安全,保障使用人员的生命财产安全,特制定本安全使用要求。
请广大用户在使用过程中严格遵守本要求,确保梯子的安全性能和使用效果。
二、确保使用符合国家法律法规在使用便携式梯子之前,请确保您的使用行为符合国家相关法律法规的规定,不违法违规。
切勿将梯子用于非法活动或危险操作。
三、确保设备质量安全请选择符合国家安全标准的便携式梯子,确保设备的质量和安全性。
购买时请检查梯子的制造厂家、型号、规格等信息,确保符合国家安全标准。
四、确保设备维护保养为了保持梯子的良好性能和安全使用,请定期对其进行检查、维修和保养。
请按照设备使用说明书的要求进行维护保养,确保设备性能良好。
五、确保使用人员具备必要的安全知识和技能使用便携式梯子的人员必须具备必要的安全知识和技能,熟悉设备操作规程和安全注意事项。
请在使用前进行安全培训和教育,确保每位使用人员都了解安全要求。
六、避免多人同时使用同一设备为了防止出现安全隐患,请避免多人同时使用同一便携式梯子。
在多人同时作业时,请合理分配任务,确保每个人都有清晰的责任和操作范围。
七、避免在恶劣环境和条件下使用为了保障设备性能和安全,请避免在恶劣的环境和条件下使用便携式梯子。
例如高温、高湿、高磁场等环境因素可能影响梯子的性能和安全,请尽量避免在这些条件下使用。
八、避免使用不符合要求的材料或部件为了保障设备和人身安全,请避免使用不符合要求的材料或部件,如易燃、易爆、有毒有害等。
请按照设备使用说明书的要求选用合适的材料和部件。
九、定期检查设备的安全性能为了确保便携式梯子的安全性能始终处于良好状态,请定期进行检查。
发现问题应及时处理,切勿继续使用存在安全隐患的设备。
在使用过程中,如遇异常情况应立即停用并寻求专业帮助。
总结:以上是便携式梯子的安全使用要求,请广大用户在使用过程中严格遵守本要求。
只有确保梯子的安全性能和使用效果,才能更好地保障您和他人的生命财产安全。
便携式梯子使用方法
使用便携式梯子时,请务必遵循以下安全步骤:
1. 选择合适的梯子:根据您的需求选择合适高度和类型的梯子。
2. 检查梯子:在使用前,请检查梯子的结构是否牢固,梯级是否平整,连接处是否牢固等。
3. 放置梯子:将梯子放置在平稳、干燥的地面上,确保梯子底部的防滑垫或支脚与地面充分接触,以防止梯子滑动或倾斜。
4. 保持平衡:在攀爬梯子时,始终保持身体重心在梯子中央,不要过度偏离中心,以免失去平衡。
5. 不要超过梯子的负载能力:确保梯子的最大承重能力大于您的体重和可能携带的物品重量。
6. 不要站在梯子的最高两级:这两级通常不设计供人站立,可能导致您失去平衡。
7. 上下梯子时要小心:始终面对梯子,用双手抓住梯子的两侧,不要手拿物品上下梯子。
8. 不要在梯子上移动或换位:如果需要移动梯子或改变位置,请先下来,然后再重新放置梯子。
9. 注意周围环境:在使用梯子时,要注意周围是否有障碍物或危险因素。
10. 储存梯子:使用完毕后,将梯子清洁干净并储存在干燥、安全的地方,避免梯子受到损坏或变形。
便携式梯子的安全管理制度为了保障员工使用便携式梯子的安全和健康,我们公司制定了以下便携式梯子的安全管理制度,以确保工作环境的安全和稳定。
一、适用范围本安全管理制度适用于公司内所有使用便携式梯子的员工和相关管理人员。
二、便携式梯子的选购与验收1、公司购买的便携式梯子必须具备相应的合格证书,并且符合国家标准和相关安全要求。
2、在购买便携式梯子时,必须向正规厂家购买,并且对产品的质量和规格进行必要的检查和验收。
3、对便携式梯子的外观和零部件进行检查,确保没有损坏和磨损,确保安全使用。
三、便携式梯子的使用与维护1、便携式梯子的使用前,必须进行检查和测试,确保梯子的稳定性和可靠性。
2、操作人员必须接受相关的培训和教育,了解梯子的使用方法和注意事项,确保安全上岗。
3、严禁超载和超越梯子的最大承载量,严禁在梯子上跳跃和摇晃。
4、在使用梯子时,必须站稳梯子,并且双脚要在梯子上站稳,严禁一个脚站在梯子外。
5、梯子下方必须设置阻挡物,防止梯子移位和滑动。
6、使用便携式梯子时,必须佩戴安全帽和其他必要的防护装备。
7、梯子的维护保养必须定期进行,检查梯子的螺栓和连接件是否松动,确保梯子的稳定性和安全性。
四、事故应急处理1、一旦发生梯子使用事故,必须立即向上级主管报告,并采取相应的应急措施,确保受伤人员得到及时的救治。
2、对事故进行调查和分析,找出事故的原因和责任,并采取相应的纠正措施,确保类似事故不再发生。
五、员工的安全培训1、公司必须定期组织员工进行便携式梯子的安全使用培训,培训内容包括梯子的正确使用方法、注意事项、急救知识等。
2、员工在使用便携式梯子前,必须通过相关的安全培训考核,取得合格证书后方可上岗。
3、员工在使用便携式梯子时,必须严格遵守安全规程和操作规范,不能擅自违反规定。
六、监督检查与奖惩措施1、公司必须对便携式梯子的使用情况进行定期检查和监督,发现问题及时进行整改和处理。
2、对严重违反安全管理规定的员工,必须给予相应的处罚和教育,确保员工明白安全管理的重要性。
第一章总则第一条为确保便携式梯子使用过程中的安全,预防事故发生,保障员工生命财产安全,根据《中华人民共和国安全生产法》等相关法律法规,结合本单位的实际情况,特制定本制度。
第二条本制度适用于本单位所有使用便携式梯子的员工。
第三条本制度旨在规范便携式梯子的管理、使用、检查和保养,提高员工的安全意识,确保便携式梯子的安全使用。
第二章管理职责第四条人力资源部负责便携式梯子的采购、验收、发放、回收和报废工作。
第五条安全生产部负责便携式梯子的安全检查、监督和事故调查处理。
第六条各部门负责人负责本部门便携式梯子的使用、保管和维护工作。
第三章便携式梯子的管理第七条便携式梯子的种类、规格、数量由人力资源部根据实际需要统一采购。
第八条便携式梯子入库前,由采购部门负责验收,确保其符合国家相关标准。
第九条便携式梯子发放给员工使用时,应进行安全使用培训,确保员工掌握正确的使用方法。
第十条便携式梯子使用过程中,应定期进行检查和维护,发现问题及时报修。
第十一条便携式梯子不得擅自挪作他用,禁止使用损坏的梯子。
第四章便携式梯子的使用第十二条使用便携式梯子时,必须遵守以下规定:1. 检查梯子是否完好,如有损坏、变形、锈蚀等现象,禁止使用。
2. 梯子放置平稳,确保梯脚与地面接触良好,防止滑动。
3. 梯子使用时,应由两人配合,一人扶梯,一人攀登。
4. 爬梯时,身体保持平衡,禁止攀爬梯子的横档。
5. 梯子使用过程中,禁止超载,严禁将重物堆放在梯子上。
6. 禁止站在梯子的最上层或梯子顶端作业。
7. 作业完成后,立即将梯子放回原处。
第五章便携式梯子的检查与保养第十三条安全生产部应定期对便携式梯子进行检查,检查内容包括:1. 梯子结构是否完好。
2. 梯子表面是否光滑,有无尖锐物。
3. 梯子踏板是否牢固,梯子扶手是否灵活。
4. 梯子是否清洁、干燥。
第十四条各部门应定期对便携式梯子进行保养,保养内容包括:1. 清洁梯子表面,去除污垢。
2. 检查梯子部件是否松动,如有松动,及时紧固。
梯子安全使用须知各类便携式梯子在日常工作中使用广泛。
作为高处作业常用工具,使用过程也存在较大安全风险。
使用和操作不当,极易引发事故。
下面和小编一起来看梯子安全使用须知,希望有所帮助!梯子安全使用须知 11.一般规定:1.1各类攀爬、高处作业使用的便携式直梯、人字梯,必须是正规厂家生产,经出厂检验合格,有出厂合格证。
梯子上应有合格证、制造及出厂时间、最大允许荷载等标签内容。
使用时不得超过标明的最大允许载荷。
1.2现场使用的便携式直梯,单梯最长不超过5米,金属伸缩梯最长不得超过10米,人字梯最长不超过3米。
使用伸缩式金属梯时,第二节伸出后,第一节与第二节搭接部位不得少于1.2米,锁固装置必须完好。
1.3梯子应有专人负责保管和维护。
当梯子不用的时候,应存储于避免太阳直射,干燥凉爽处。
梯子存放时,应避免直立摆放。
使用前应进行检查,确保构件及附件完好无损。
禁止使用存在安全缺陷的梯子。
1.4涉电作业应采用绝缘材质制作的梯子,禁止使用金属直梯或人字梯。
禁止用人字梯替代直梯使用。
禁止两人同时在梯子上攀爬或工作。
1.5使用梯子作业,不得单人作业,必须有专人进行监护和扶持。
使用直梯进行攀爬和作业时,使用直梯的人员应设法从顶部固定,未固定的梯子,应派人从底部扶稳梯子。
在梯子上攀爬和工作时,不得穿高跟鞋。
1.6梯子底座应完好,使用时须放稳,应放置在坚实的基础上,防止滑落和歪斜。
严禁使用梯子时底部擅自加高使用。
严禁梯子上方加装梯子进行高处攀爬或作业。
1.7直梯和人字梯均不得站在梯子顶端进行作业,攀爬最高点及所处作业点应至少距离梯子顶端保持1米距离。
在攀爬梯子时,禁止手持工具或材料,严禁单手攀爬。
人员在梯上下时应面对爬梯。
使用梯子时,身体不可向外过度伸展,应保持重心在梯子两侧的梯梁内。
1.8直梯使用时,梯子与地面(水平面)的夹角应保持在75度左右(正负5度范围)。
人字梯使用时,两侧梯间夹角应保持在40度左右(正负5度范围),两侧梯之间必须有可靠的连接固定装置,固定装置应完全伸展。
使用人字梯应遵守以下规定
1)高度2m以下作业(超过2m按规定搭设脚手架)使用的人字梯应四脚落地,摆放平稳,梯脚应设防滑皮橡皮垫和保险拉链。
2)人字梯上搭铺脚手板,脚手板两端搭接长度不得小于20cm,脚手板中间不得同时两人操作,梯子挪动时,作业人员必须下来,严禁站在梯子上踩高跷式挪动。
人字梯顶部铰轴不准站人、不准铺设脚手板。
3)人字梯应经常检查,发现开裂、腐朽、榫头松动、缺挡等不得使用。
临边作业必须采取防坠落的措施。
外墙、外窗、外楼梯等高处作业时,应系好安全带安全
带应高挂低用,挂在牢靠处。
油漆窗户时,严禁站在或骑在窗栏上操作。
刷封沿板或水落管
时,应在脚手架或专用操作平台架上进行;
刷耐酸、耐腐蚀的过氧乙烯涂料时,应戴防毒口罩。
打磨砂纸时必须戴口罩;
在室内或容器内喷涂,必须保持良好的通风。
喷涂时严禁对着喷嘴察看;
空气压缩机压力表和安全阀必须灵敏有效。
高压气管各种接头必须牢固,修理料斗气管
时应关闭气门,试喷时不准对人;
喷涂人员工作时,如头痛、恶心、心闷和心悸等,应停止作业,到户外通风处换气;作业后应及时清理现场遗料,运到指定位置存放。
梯子 GB/T 17889-19992 尺寸2.1 依靠式踏棍梯子内梯宽B1:≥280mm 、外梯宽B2:≥340mm 、踏辊上下间距L5:250—300mm , 踏辊距上下头L3、L4:0.5L5-L5+15 mm 倾斜角α:65—752.2 依靠式踏板梯子依靠式踏板梯子既可是在全长上是等宽的,也可是底端宽于顶端的。
这种梯子可在其顶端装有支承块或挂钩装置,以保证其在使用时踏板处于水平位置。
允许的倾角用踏板在水平位置时,地平面以上的支承块距离地面的高度来度量。
a)支承块; b)挂钩装置2。
3 自立式踏板梯子梯子的两部分通过铰链连接并应防止滑开.在梯子使用期间踏板处于水平位置。
扶手在平台上的投影应不超出平台。
带有平台和扶手的单侧攀登的自立式踏板梯子平台视作踏板张开限制的示例双侧攀登的自立式踏板梯子3 结构3.1 铰链铰链应能持久地连接自立式踏棍/板梯子的两部分。
铰链锁轴应紧固,防止意外松脱.钢制铰链销轴的直径应不小于5。
3mm(即相应于M6的螺纹)。
其他材料的销轴应至少具有同样的强度。
3。
2 张开限制自立梯子的两个部分应通过张开限制防止使用期间张开超出设计范围.自立踏板式梯子或带有扶手的最大攀登高度为1.8m的其他梯子,应设计得能防止在正常使用期间意外折叠。
3。
3 踏棍/踏板由金属或塑料制做的踏棍和踏板应具有防滑表面。
平台可视作为一级踏板。
覆盖层的接触表面应与踏板或踏板全部接触。
踏棍和踏板应牢固持久地与梯框连接.3。
4 防滑装置梯子下端应具有防滑装置。
应包括(但不限于)安全脚、防滑块、道钉以及平的或圆形的踏脚等。
3.5 支承块/锁紧装置推拉式延伸梯子的两部分应牢靠地固定在其使用位置上,防止偶然松动或分离。
用绳操作的延伸式梯子的锁紧装置应确保安全的卡住,并且靠近梯框有两个支承块。
这种梯子的锁紧装置应设计得当绳子松了或断了时,上梯部分向下滑动不得超过一个梯级.这种安全要求应适用于当梯子处在垂直位置和使用位置时。