粗集料取样表
- 格式:doc
- 大小:52.50 KB
- 文档页数:1
粗集料取样法1 取样方法和试样份数1.1在同批来料堆上取料时,应先铲除堆脚等处无代表性的部分,再在料堆的顶部、中部、底部,各有均匀分布的几个不同部位,取得大致相等的若干份组成一组试样,务使能代表本批来料的情况和品质。
1.2从皮带运输机上取样时,应在皮带运输机机尾的出料处用接料器定时抽取有代表性的试样,并由若干份试样组成一组试样,作为本批来料的代表样。
1.3从火车、汽车、货船上取样时,应从各不同部位和深度处,抽取大致相等的试样若干份,组成一组试样。
抽取的具体份数,应视能够组成本批来料代表样的需要而定。
注①如经观察,认为各节车皮、汽车或货船的碎石或者砾石的品质差异不大时,允许只抽提一节车皮、一部汽车、一艘货船的试样(即一组试样),作为该批集料的代表样品;②如经观察,认为该批碎石或砾石的品质相差甚远时,则应对品质有怀疑的该批集料,分别取样和验收。
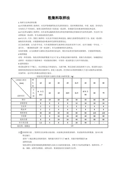
2取样数量对每一单项试验,每组式样的取样数量不宜少于表1所规定的最少取样量。
需做几项试验时,如确能保证试样径一项试验后不致影响另一项试验的结果时,可用同一组试样进行几项不同的试验。
3试样的缩分将采取试样至于平板上,在自然状态下拌混均匀,大致平摊,然后沿相互垂直的两个方向,把试样分成大致相同的四份取其对角的两份重新拌匀,重复上述过程,直至缩分后的材料量略大于进行试验所必需的量。
有条件时,也可用分料器对试样进行缩分。
一实验项目所需碎石或砾石的最小取样质量(kg)注①有机物含量、坚固性及压碎指示值试验,应按规定粒级要求取样,其试验所需试样数量,按本分规程定施行。
采用广口瓶法测定表观密度时,集料最大粒径不大于40者,其最少取样数量为8试样的包装每组试样应采取用能避免细集料散失及防止污染的容量包装,并附卡片标明试样编号、取样时间、产地、规格、试样代表数量、试样品质,要求检验项目及取样方法等。
注意的问题批复单注意事项:日期、使用部位、总用量、签字区域、各种技术指标一定要看清楚2、试验报告5-10mm筛分:取样质量为不小于1000g、后面数据保留一位小数,为0。
日期:为取样的第二天、用途、温度、结论。
平行试验两者损耗率不得超过0.2%。
网篮法:5-10mm吸水率大,取样不小于600g,平均吸水率为0.5左右。
后面数据保留一位小数,不应为0。
表观密度大于2500,注意日期:为取样第三天、用途、温度和下面的一样,结论。
堆积密度及空隙率:5-10mm 日期为取样的第三天容积筒的体积为10L,不应为整数,保留三位小数。
容积筒的质量为1.11,保留两位小数。
容积筒与试样的总质量:自然堆积状态下取样不小于16kg,平均值为1.5左右振实状态下取样不小于17kg,平均值为1.6左右捣实状态下取样不小于17kg(捣实状态取样最多)平均值为1.6左右,比振实要大。
空隙率为42左右。
注意用途、温度、结论。
含泥量和泥块含量:5-10mm 试验日期为取样日期的第三天取样质量不少于1kg,含泥量为0.5左右。
泥块含量为0。
注意用途、温度、结论。
水泥砼针片状颗粒含量:5-10mm试验日期为取样日期的第二天.取样质量为不小于300g,<4.75的那行针片状不测,不用填。
针片状颗粒含量为2.5左右。
注意用途、温度、结论。
10-20mm筛分:10-20mm取样质量为不小于2500g、后面数据保留一位小数,为0。
日期:为取样的第二天、用途、温度、结论。
平行试验两者损耗率不得超过0.2%。
网篮法:10-20mm吸水率中,取样不小于650g,平均吸水率为0.38左右。
后面数据保留一位小数,不应为0。
表观密度大于2500,注意日期:为取样第三天、用途、温度和下面的一样,结论。
堆积密度及空隙率:10-20mm 日期为取样的第三天容积筒的体积为10L,不应为整数,保留三位小数。
10.006容积筒的质量为1.11,保留两位小数。
容积筒与试样的总质量:自然堆积状态下取样不小于16kg,平均值为1.5左右振实状态下取样不小于17.5kg,平均值为1.65左右捣实状态下取样不小于18kg(捣实状态取样最多)平均值为1.7左右,比振实密度要大。
术语、符号2.1 术语2.1.1集料(骨料)aggregate在混合料中起骨架和填充作用的粒料,包括碎石、砾石、机制砂、石屑、砂等。
2.1.2粗集料coarse aggregate在沥青混合料中,粗集料是指粒径大于2.36mm的碎石、破碎砾石、筛选砾石和矿渣等;在水泥混凝土中,粗集料是指粒径大于4.75mm的碎石、砾石和破碎砾石。
2.1.3细集料fine aggregate在沥青混合料中,细集料是指粒径小于2.36mm的天然砂、人工砂(包括机制砂)及石屑;在水泥混凝土中,细集料是指粒径小于4.75mm的天然砂、人工砂。
2.1.4天然砂natural sand由自然风化、水流冲刷、堆积形成的、粒径小于4.75mm岩石颗粒,按生存环境分河砂、海砂、山砂等。
2.1.5人工砂manufactured sand,synthetic sand经人为加工处理得到的符合规格要求的细集料,通常指石料加工过程中采取真空抽吸等方法除去大部分土和细粉,或将石屑水洗得到的洁净的细集料。
从广义上分类,机制砂、矿渣砂和煅烧砂都属于人工砂。
2.1.6机制砂crushed sand由碎石及砾石经制砂机反复破碎加工至粒径小于2.36mm的人工砂,亦称破碎砂。
2.1.7石屑crushed stone dust,screenings,chips采石场加工碎石时通过最小筛孔(通常为2.36mm或4.75mm)的筛下部分,也称筛屑。
2.1.8混合砂blend sand由天然砂、人工砂、机制砂或石屑等按一定比例混合形成的细集料的统称。
2.1.9填料filler在沥青混合料中起填充作用的粒径小于0.075mm的矿物质粉末。
通常是石灰岩等碱性料加工磨细得到的矿粉,水泥、消石灰、粉煤灰等矿物质有时也可作为填料使用。
2.1.10矿粉mineral filler由石灰岩等碱性石料经磨细加工得到的,在沥青混合料中起填料作用的以碳酸钙为主要成分的矿物质粉末。
瓯海大道东延及枢纽集散系统滨海大道互通立交以北段公路工程项目建筑材料报验单施工单位:中交第一公路工程局有限公司合同号:/监理单位:温州市交通工程咨询监理有限公司编号:BY-2015-CJL-001浙路(GL)118浙江省交通运输厅工程质量监督局监制致监理工程师:张兴华下列建筑材料经自检试验符合本工程有关要求,报请验证,并准予(进场)使用。
技术负责人(签字、公章):年月日附件:材料名称水泥混凝土用粗集料水泥混凝土用粗集料材料来源、产地青田青田材料规格 4.75-16mm 16-26.5mm用途(工程或部位)桩基桩基本批次材料数量598.20T 594.85T内容施工单位自检监理单位抽检取样地点、日期拌合站2015.09.02拌合站2015.09.02试样数量30kg 30kg试验日期2015.09.06~2015.09.092015.09.06~2015.09.09试验结果合格合格试验报告编号BGG-2015-CJL-0104/BGG-2015-CJL-0105/BGG-2015-CJL-0106致项目经理部:上述材料的取样、试验等符合(不符合)规程要求;经抽检,材料质量符合(不符合)本工程有关要求,可以(不可以)在指定工程部位使用。
试验室主任(签字、公章):年月日注:本表由施工单位填报一式二份,监理、施工单位各存一份。
瓯海大道东延及枢纽集散系统滨海大道互通立交以北段公路工程项目建筑材料报验单施工单位:中交第一公路工程局有限公司合同号:/监理单位:温州市交通工程咨询监理有限公司编号:BY-2015-CJL-002浙路(GL)118浙江省交通运输厅工程质量监督局监制致监理工程师:张兴华下列建筑材料经自检试验符合本工程有关要求,报请验证,并准予(进场)使用。
技术负责人(签字、公章):年月日附件:材料名称水泥混凝土用粗集料水泥混凝土用粗集料材料来源、产地青田青田材料规格 4.75-16mm 16-26.5mm用途(工程或部位)桩基桩基本批次材料数量589.76T 588.43T内容施工单位自检监理单位抽检取样地点、日期拌合站2015.09.02拌合站2015.09.02试样数量30kg 30kg试验日期2015.09.06~2015.09.092015.09.06~2015.09.09试验结果合格合格试验报告编号BGG-2015-CJL-0107/BGG-2015-CJL-0108/BGG-2015-CJL-0109致项目经理部:上述材料的取样、试验等符合(不符合)规程要求;经抽检,材料质量符合(不符合)本工程有关要求,可以(不可以)在指定工程部位使用。
➢高速公路工程试验项目及频率一览表序号项目检验内容采用标准抽样频率取样方法1 土工颗粒分析界限含水量试验每5000m3 一次取具有代表性的扰动土。
击实试验室内CBR试验每种土质每2万m3 一次2 细集料筛分表观密度与堆积密度含泥量及泥块含量以进场数量为一检验批,每检验批代表数量不得超过400m3 取样前先将取样部位表层铲除,然后由各部位抽取大致相等的砂,组成一组样品。
3 粗集料筛分含泥量及泥块含量针片状含量压碎值,每批次进场检验一次,每检验批代表数量不得超过400m3或不超过600t,先铲除表面处无代表性的部分,然后在料堆的顶部、中部、底部取得大致相等诉若干份组成一组试样。
表观密度与堆积密度洛杉矶磨耗值磨光值必要时做4 水泥细度标准稠度用水量凝结时间安定性每批次进场检验一次,每检验批代表数量不得超过200t,散装500t。
从20个以上的不同部分取等量样品作为一组试样,样品总量至少12kg。
5 粉煤灰细度需水量比烧失量、三氧化硫含水量抗压强度比,每批次进场检验一次,每检验批代表数量不得超过200t。
从每批中任抽10袋,每袋取试样不少于1kg,混拌均匀后按四分法取样两份,一份试验,一份封存留样,每份重量大于3kg。
高速公路工程试验项目及频率一览表序号项目检验内容采用标准抽样频率取样方法6 焊接钢筋闪光对焊拉伸闪光对焊弯曲以300个同接头型式、同钢筋级别的接头作为一批。
从不同部位随机取样,闪光对焊取6根,搭接焊取3根。
7 钢筋原材外观拉伸冷弯每批次进场检验一次,每检验批代表数量不得超过60t。
取拉伸试样2根,长度不少于(230+5d)mm,取冷弯试样2根长度不少于(150+5d)mm。
8 钢绞线外观机械力学性能机械力学性能试验:每批次进场检验一次,每检验批代表数量不得超过60t。
松驰试验:同一生产厂家每一种规格或型号检验一次。
任选3盘,每盘取一根做拉伸、一根做松驰,每根长度应大于70cm。
9 锚板夹片外观硬度静载试验,每批次进场检验一次,每检验批代表数量不得超过100套。
试验检测项目/参数取样规定一览表项目类别:土(一)注:上表中“取样数量”栏中充足考虑到不一样土质状况下取样、制样、平行试验、试验损耗等原因下所需样品旳数量。
试验检测项目/参数取样规定一览表项目类别:集料(二)注:1.粗集料取样数量按最大公称粒径31.5mm状况下推算(压碎值部分另计),其他最大公称粒径规格旳粗集料最小取样数量详见JTG E42-2023中表T0301-1;2.以上取样数量为一次四分法后进行试验旳样品所需质量,为保证样品代表性,取样时应在此基础上增长取样数量。
试验检测项目/参数取样规定一览表项目类别:岩石(三)试验检测项目/参数取样规定一览表项目类别:水泥(四)注:以上取样数量含留样数量。
试验检测项目/参数取样规定一览表项目类别:水泥混凝土、砂浆(五)注:水泥混凝土配合比设计试验中,粗集料以5-31.5mm持续级配样品为基准,如粗集料为不一样规格旳单粒级样品掺配时,各规格粗集料取样数量均不少于50kg。
试验检测项目/参数取样规定一览表项目类别:水、外加剂(六)注:以上取样数量含留样数量试验检测项目/参数取样规定一览表项目类别:粉煤灰(七)注:以上取样数量含留样数量项目类别:无极结合稳定材料(八)试验检测项目/参数取样规定一览表项目类别:沥青(九)注:沥青取样数量一般不少于4L或4kg。
试验检测项目/参数取样规定一览表项目类别:沥青混合料(十)试验检测项目/参数取样规定一览表项目类别:金属(包括钢筋、钢板、工字钢、钢管和接头)(十一)试验检测项目/参数取样规定一览表项目类别:钢绞线、锚具(十二)试验检测项目/参数取样规定一览表项目类别:板式橡胶支座(十三)项目类别:土工合成材料(十四)试验检测项目/参数取样规定一览表项目类别:伸缩装置(十五)项目类别:波纹管(十六)试验检测项目/参数取样规定一览表项目类别:止水条/带(十七)项目类别:防水板(十八)。
中华人民共和国行业标准公路工程集料试验规程Test Methods of Aggregate for Highωay EngineeringJTG E42—2005主编单位:交通部公路科学研究所批准部门:中华人民共和国交通部施行日期:2005年08月01日人民交通出版社2005·北京中华人民共和国交通部公告第3号关于发布《公路工程水泥及水泥混凝土试验规程》(JTG E30—2005)、《公路工程岩石试验规程》(JTG E41—2005)、《公路工程集料试验规程》(JTG E42—2005)的公告现发布《公路工程水泥及水泥混凝土试验规程》(JTG E30-2005)、《公路工程岩石试验规程》(JTG E41-2005)和《公路工程集料试验规程》(JTG E42-2005)、自2005年8月1日起施行。
原《公路工程水泥混凝土试验规程》(JTJ 053-94)《公路工程石料试验规程》(JTJ 054-94)和《公路工程集料试验规程》(JTJ 058-2000)同时废止。
《公路工程水泥及水泥混凝土试验规程》(JTG E30-2005)与《公路工程集料试验规程》(JTG E42-2005)由交通部公路科学研究所主编,《公路工程岩石试验规程》(JTG E41-2005)由中交第二公路勘察设计研究院主编。
规程的管理权和解释权归交通部,日常的具体解释和管理工作由主编单位负责。
请各有关单位在实践中注意积累资料,总结经验.及时将发现的问题和修改意见函告规程主编单位(交通部公路科学研究所,北京市海淀区西土城路8号,邮政编码:100088;中交第二公路勘察设计研究院,武汉市汉阳区鹦鹉大道498号,邮政编码:430052),以便修订时参考。
特此公告。
中华人民共和国交通部二〇〇五年三月三日前言原《公路工程集料试验规程》(JTJ 058-2000)(以下称原规程),由交通部公路科学研究所主编,是在1994年版的基础上修订而成的。
中华人民共和国行业标准公路工程集料试验规程Test Methods of Aggregate for Highωay EngineeringJTG E42—2005主编单位:交通部公路科学研究所批准部门:中华人民共和国交通部施行日期:2005年08月01日人民交通出版社2005·北京中华人民共和国交通部公告第3号关于发布《公路工程水泥及水泥混凝土试验规程》(JTG E30—2005)、《公路工程岩石试验规程》(JTG E41—2005)、《公路工程集料试验规程》(JTG E42—2005)的公告现发布《公路工程水泥及水泥混凝土试验规程》(JTG E30-2005)、《公路工程岩石试验规程》(JTG E41-2005)和《公路工程集料试验规程》(JTG E42-2005)、自2005年8月1日起施行。
原《公路工程水泥混凝土试验规程》(JTJ 053-94)《公路工程石料试验规程》(JTJ 054-94)和《公路工程集料试验规程》(JTJ 058-2000)同时废止。
《公路工程水泥及水泥混凝土试验规程》(JTG E30-2005)与《公路工程集料试验规程》(JTG E42-2005)由交通部公路科学研究所主编,《公路工程岩石试验规程》(JTG E41-2005)由中交第二公路勘察设计研究院主编。
规程的管理权和解释权归交通部,日常的具体解释和管理工作由主编单位负责。
请各有关单位在实践中注意积累资料,总结经验.及时将发现的问题和修改意见函告规程主编单位(交通部公路科学研究所,北京市海淀区西土城路8号,邮政编码:100088;中交第二公路勘察设计研究院,武汉市汉阳区鹦鹉大道498号,邮政编码:430052),以便修订时参考。
特此公告。
中华人民共和国交通部二〇〇五年三月三日前言原《公路工程集料试验规程》(JTJ 058-2000)(以下称原规程),由交通部公路科学研究所主编,是在1994年版的基础上修订而成的。
集料取样方法
本方法适用于对粗集料的取样。
也适用于含粗集料的集料混合料如级配碎石、天然砂砾等取料方法。
通过皮带运输机的材料,取样时可在皮带骤停的状态下取其中一截的全部材料,或在运输机端部连续一定时间的料,间隔3次所取的试样做成一组,作为代表试样。
在料场取料,应先铲除堆脚等处无代表性的部分,再在石堆顶部、中部、底部,各由均匀分布的几个不同地方,取得大致相等的若干份组成一组的试样,务必使所有试样能代表来料情况和品质。
在沥青拌合楼热料仓取料时,沥青混合料或者热料仓集料应放在放料口全断面上取样。
通常按开始正式生产的配比投料拌合至少5锅以上取料。
热料仓集料在5锅后放在装载机里,倒在水泥地上,适当拌合,从3处以上位置取样,拌合均匀,取要求数量的试样。
取样数量
试样缩分
四分法:将集料至于平面上,在自然状态下拌合均匀,大致摊平,然后沿互相垂直的两个方向。
将试样有中间向两边摊开,大致分为四等份,去对角的两份重新拌合,重复上述过程,直至缩分至材料量略多于实验所需量。
粗集料及集料混合料筛分实验
如果某个筛上的集料过多,影响筛分作业时,可以分两次筛分。
当筛分颗粒大于19mm时,筛分过程中允许用手指轻轻拨动颗粒,但不得逐颗塞过筛孔。
称取每个筛上的总和与筛分前试样干燥后的总质量相比,相差不得超过总质量的0.5%,否则此次试验作废。
粗集料密度记录表
试验方法:
1、除去4.75mm以下集料,3-5档集料除去2.36mm以下集料;
2、四分法取样,质量符合下表要求;
3、清洗石料,过程中不得丢失集料颗粒;
4、水中浸泡24小时,搅动除去气泡,水面高于集料20mm;
5、在溢流水槽中注水,挂网篮、调平。
调节水温至15-25℃,称取集料重量,
m w;
6、称取集料表干质量m f,集料表面不应有发亮水迹,集料不应丢失;
7、将集料烘干至恒重,称取m a,烘箱中时间不少于4-6h;
8、计算:
;;
式中:γa、γb、w x分别为集料表观相对密度、毛体积相对密度(0.001)、吸水率(0.01)。
9、重复试验中,相对密度误差不超过0.02,吸水率不超过0.2%。
试验记录:。