广西第二册电气设备安装工程
- 格式:doc
- 大小:2.11 MB
- 文档页数:28
广西安装工程消耗量定额工程量计算原则广西安装工程消耗量定额工程量计算原则总说明一、《全国统一安装工程预算定额广西单位估估价表》是根据《全国统一安装工程预算定额》编制的,并结合广西实际情况编制了《广西安装工程补充预算定额单位估价表》(试行)(以下统称为本估价表)。
本估价表共分十四册,包括:第一册机械设备安装工程 GYD-201-第二册电气设备安装工程 GYD-202-第三册热力设备安装工程 GYD-203-第四册炉窑砌筑工程 GYD-204-第五册静置设备与工艺金属结构制作安装工程 GYD-205-第六册工业管道工程 GYD-206-第七册消防设备安装工程 GYD-207-第八册给排水、采暖、燃气工程 GYD-208-第九册通风空调工程 GYD-209-第十册自动化控制仪表安装工程 GYD-210-第十一册刷油、防腐蚀、绝热工程 GYD-211-第十二册通信设备及线路安装工程 GYD-212- (另行发布)第十三册建筑智能化系统设备安装工程(另行发布)第十四册广西安装工程补充预算定额(试行)二、本估价表是完成规定计量单位分项工程计价所需的人工、材料、施工机械台班的消耗量标准,是安装工程预算工程量计算规则、项目划的依据;也是编制概算定额(指标)、投资估算指标的基础;也可作为制订企业定额和投标报价的基础。
三、本估价表是依据现行有关国家的产品标准、设计规范、施工及验收规范、技术操作规程、质量评定标准和安全操作规程编制的,也参考了行业,地方标准,以及有代表性的工程设计、施工资料和其它资料。
四、本估价表是按当前国内大多数施工企业彩的施工方法,机械化装备程度、合理的工期、施工工艺和劳动组织条件制订的,除各章节另有说明者外,均不得因上述因素有差异而对定额进行调整换算。
五、本估价表是按下列正常的施工条件进行编制的:1.设备、材料、成品、半成品、构件完整无损,符合质量标准和设计要求,附有合格证书和试验记录。
2.安装工程和土建工程之间的交叉作业正常。
第二册电气设备安装工程说明一、?深圳市安装消耗量标准?第二册?电气设备安装工程?适用于工业与民用新建、扩建变配电设备及线路安装工程、建筑电气设备及照明、防雷及接地、配管配线、电梯电气设备安装、电气调整试验等工程。
二、?电气设备安装工程?是以国家和有关部门发布的现行施工及验收技术标准、技术操作规程、质量评定标准和平安操作规程为依据。
主要依据的标准标准有:1.?电气装置安装工程高压电器施工及验收标准?GBJ147-902.?电气装置安装工程电力变压器、油浸电抗器、互感器施工及验收标准?GBJ148-903.?电气装置安装工程母线装置施工及验收标准?GBJ149-904.?电气装置安装工程电气设备交接试验标准?GB50150-915.?电气装置安装工程电缆线路施工及验收标准?GB50168-926.?电气装置安装工程接地装置施工及验收标准?GB50169-927.?电气装置安装工程旋转电机施工及验收标准?GB50170-928.?电气装置安装工程盘柜及二次回路结线施工及验收标准?GB50171-929.?电气装置安装工程蓄电池施工及验收标准?GB50172-9210.?电气装置安装工程35kV及以下架空电力线路施工及验收标准?GB50173-9211.?电气装置安装工程低压电器施工及验收标准?GB50254-9612.?电气装置安装工程电力变流设备施工及验收标准?GB50255-9613.?电气装置安装工程起重机电气装置施工及验收标准?GB50256-9614.?电气装置安装工程爆炸和火灾危险环境电气装置施工及验收标准?GB50257-9615.?电气装置安装工程1kV及以下配线工程施工及验收标准?GB50258-9616.?电气装置安装工程电气照明装置施工及验收标准?GB50259-9618.?民用建筑电气设计标准?JGJ/T16-9219.?工业企业照明设计标准?GB50034-9220.?电力建设质量等级评定标准?三.与其它专业册的划分与借用:1.土石方工程,除局部子目已包含者外,按?建筑工程消耗量标准?2003相应子目计算。
第二册电气设备安装工程(一)变压器1、变压器安装,按不同容量以“台”为计量单位。
2、干式变压器如果带有保护罩时,其定额人工和机械乘以系数1.2。
3、变压器通过试验,判定绝缘受潮时才需进行干燥,所以只有需要干燥的变压器才能计取此项费用(编制施工图预算时可列此项,工程结算时根据实际情况再作处理),以“台”为计量单位。
4、消弧线圈的干燥按同容量电力变压器干燥项目执行,以“台”为计量单位。
5、变压器油过滤不论多少次,直到过滤合格为止,以“t”为计量单位,其具体计算方法如下:①变压器安装估价表未包括绝缘油过滤,需要过滤时,可按制造厂提供的油量计算。
②油断路器及其他充油设备的绝缘油过滤,可按制造厂规定的充油量计算。
计算公式:油过滤数量(t)=设备油重(t)×(1+损耗率)(二)配电装置1、断路器、电流互感器、电压互感器、油浸电抗器、以及电容器柜的安装以“台”为计量单位;电力电容器的安装以“个”为计量单位。
2、隔离开关、负荷开关、熔断器、避雷器、干式电抗器的安装以“组”为计量单位,每组按三相计算。
3、交流滤波装置的安装以“台”为计量单位,每套滤波装置包括三台组架安装,不包括设备本身及铜母线的安装,其工程量按本册相应说明另行计算。
4、高压设备安装项目内均不包括绝缘台的安装,其工程量应按施工图设计执行相应项目。
5、高压成套配电柜和箱式变电站的安装以“台” 为计量单位,均未包括基础槽钢、母线及引下线的配装安装。
6、配电设备安装的支架、抱箍及延长轴、轴套、间隔板等,按施工图设计的需要量计算;执行本册第四章铁构件安装项目,或按成品考虑。
7、绝缘油、六氟化硫气体、液压油等均按设备带有考虑;电气设备以外的加压设备和附属管道的安装应按相应估价表另行计算。
8、配电设备的端子板外部接线,应执行本册第四章相应项目。
9、设备安装所需的地脚螺栓按土建预埋考虑;设备安装需要二次灌浆时,执行第一册相关子目。
(三)母线及绝缘子1、悬垂绝缘子串安装,指垂直或V型安装的提挂导线、跳线、引下线、设备连接线或设备等所有用的绝缘子串安装,按单、双串分别以“串”为计量单位,耐张绝缘子串的安装,已包括在软母线安装项目内。
第二册《电气设备安装工程》1、配电箱安装定额的工作内容中有接地,接地的范围指哪些?答:定额中考虑的接地是箱体接地,即将箱体与已接地的金属体或接地线之间进行跨接。
2、定额中配电箱安装是按成品箱考虑的,如在工程中需由施工单位自己组装,如何套用定额?答:如果配电箱非成品箱,由施工单位现场组装的话,除了按箱体半周长套用相应定额外,另按箱内配置的元、器件分别套用相应元、器件安装及箱内配线定额。
3、电机检查接线实际发生的工作内容(如仅是接线、接地、空载试运转等工作)与定额中考虑的不符,可否调整?答:定额包括的工作内容是根据规范的要求考虑的,一般不做调整。
如果实际工程中的工作内容与定额规定不同时,可根据实际按规定作补充定额。
合同另有约定者从其约定。
4、风机盘管、空气幕、小型泵类等电气接线、调试应如何套定额?答:功率在0.75KW以下的小型电机的检查接线根据其功率大小执行微型电机检查接线(2-466、2-467)相应子目,其调试执行微型电机调试(2-1112)子目。
5、预分支电缆如何执行定额?答:预分支电缆按电缆不同截面分段计算工程量且分别套用相应定额。
6、100mm以内的电缆保护管如何执行定额?答:电缆保护管管径小于100mm时,应按配管配线章相应定额执行。
7、在计算电缆的预留长度时,对于工程量计算规则表中“电缆敷设的附加长度”规定可否同时计算?如有的箱体根本无法按规定预留,如何处理?答:工程量计算规则中电缆敷设的附加长度"是按照规范的要求对必须预留或宜发生预留的情况进行规定的。
通常情况下,表中的各预留长度可按设计涉及的内容(如进建筑物、进盘、箱、柜、电缆终端头预留等)同时计算,除实际工程中由于场地、空间等原因无法预留不计算预留长度外,其余均应按规定计算,但当实际预留长度超出规定长度时,超出部分只计算主材费。
8、户外接地母线敷设定额中的土方量是如何考虑的?实际与定额不同时可否调整?答:该定额系按自然地坪和一般土质考虑的,包括了地沟的挖填土方和夯实工作。
安装工程那几册要取脚手架费,现在是怎样计取的?回答:按安装工程的人工费进行计取,具体计取比例如下:二、第二册电气设备安装工程(一)《变压器》、《配电装置》、《母线、绝缘子》、《控制设备及低压电器》、《蓄电池》、《电机》、《滑触线装置》、《电缆》、《防雷及接地装置》、《电气调整试验》、《配管、配线》、《照明器具》、《电梯电气装置》等各章涉及的脚手架搭拆费按人工费的4%计算;脚手架搭拆费用组成中人工费占25%,材料费占65%,机械费占10%。
(二)《10kV以下架空配电线路》(第十章)一章本定额均未考虑脚手架搭设费,发生时,可以按脚手架的搭设形式参照“计算规则”建筑工程中的相关项目计算。
三、第三册热力设备安装工程《中压锅炉设备安装》、《汽轮发电机设备安装》、《燃料供应设备安装》、《水处理专用设备安装》、《炉墙砌筑》等各章中的脚手架搭拆费按人工费的10%计算;《工业与民用锅炉安装》中的脚手架搭拆费按人工费的5%计算;脚手架搭拆费用组成中人工费占25%,材料费占50%,机械费占25%。
四、第四册炉窑砌筑工程(一)本册涉及到的脚手架搭拆费是按炉窑砌筑工程的工程量大小分别考虑计取的,脚手架搭拆费用组成中人工费占25%,材料费占50%,机械费占25%。
五、第五册静置设备与工艺金属结构制作安装工程(一)《静置设备制作》中的脚手架搭拆费按人工费的5%计取;《静置设备安装》、《设备压力试验与设备清洗、钝化、脱脂》、《金属油罐制作安装》、《球形罐组对安装》、《气柜制作安装》、《工艺金属结构制作安装》、《综合辅助项目》中的脚手架搭拆费按人工费的10%计取;脚手架搭拆费用组成中人工费占25%,材料费占50%,机械费占25%。
六、第六册工业管道工程脚手架搭拆费均按人工费的7%计取(单独承担的埋地管道工程,不得计取脚手架搭拆费);脚手架搭拆费用组成中人工费占25%,材料费占50%,机械费占25%。
七、第七册消防及安全防范设备安装工程脚手架搭拆费均按人工费的5%计取;脚手架搭拆费用组成中人工费占25%;材料费占50%;机械费占25%。
册说明2.0.1 《广东省安装工程综合定额(2010)》第二册《电气设备安装工程》(以下简称本定额)包括变压器、配电装置、母线、绝缘子、控制设备及低压电器、蓄电池、电机、滑触线装置、电缆、防雷及接地装置、lOkV以下架空配电线路、配管、配线、照明器具、电梯电气装置、电气调整试验等内容,适用于工业与民用新建、扩建工程中lOkV以下变配电设备及线路安装、车间动力电气设备及电气照明器具、防雷及接地装置安装、配管配线、电梯电气装置、电气调整试验等安装工程。
2.0.2本定额主要依据的标准、规范有:2.O.2.1 《电气装置安装工程高压电器施工及验收规范》GBIll47-90;2.0.2.2 《电气装置安装工程电力变压器、油浸电抗器、互感器施工及验收规范》GBJl48-90;2.0.2.3 《电气装置安装工程母线装置施工及验收规范》GBJ一149-90;2.0.2.4 《电气装置安装工程电气设各交接试验标准》GB50150-2006;2.0.2.5 《电气装置安装工程电缆线路施工及验收规范》GB50168-2006;2.O.2.6 《电气装置安装工程接地装置旌工及验收规范》GB50169-2006;2.0.2.7 《电气装置安装工程旋转电机施工及验收规范》GB50170-2006;2.0.2.8 《电气装置安装工程盘、柜及二次回路接线施工及验收规范》GB50171-92;2.0.2.9 《电气装置安装工程蓄电池施工及验收规范》GB50172-92;2.O.2.10 《电气装置安装工程:35kV及以下架空电力线路施工及验收规范》GB50173-92;2.0.2.1l 《电气装置安装工程低压电器旌工及验收规范》GB50254-96;2.0.2.12 《电气装置安装工程电力变流设各施工及验收规范》GB50255-96;2.0.2.13 '电气装置安装工程起重机电气装置施工验收规范》GB50256-96;2.0.2.14 《电气装置安装工程爆炸和火灾危险环境电气装置施工及验收规范》GB50257-96;2.O.2.15 《建筑电气工程施工质量验收规范》GB 50303-2002;2.0.2.16 《电力建设安全工作规程(变电所部份)》DL5009.3-1997;2.0.2.17 《电力建设安全工作规程(架空电力线路部份)》DL5009.2-94;2.0.2.18 《民用建筑电气设计规范》JCJ/T16-921;2.O.2.19 《工业企业照明设计标准》GB50034-921;2.0.2.20 《电力建设质量等级评定标准》;2.O.2.2l 《全国统一安装工程预算定额》GYD一202-2000;2.0.2.22 《广东省安装工程综合定额(2006)》。
全国统一安装工程预算定额共分十二册总说明一、《全国统一安装工程预算定额》共分十二册,包括:第一册机械设备安装工程 GYD,201,2000;第二册电气设备安装工程 GYD,202,2000;第三册热力设备安装工程 GYD,203,2000;第四册炉窑砌筑工程 GYD,204,2000;第五册静置设备与工艺金属结构制作安装工程 GYD,205,2000;第六册工业管道工程 GYD,206,2000;第七册消防及安全防范设备安装工程 GYD,207,2000;第八册给排水、采暖、燃气工程 GYD,208,2000;第九册通风空调工程 GYD,209,2000;第十册自动化控制仪表安装工程 GYD,210,2000;第十一册刷油、防腐蚀、绝热工程 GYD,211,2000;第十二册通信设备及线路工程 GYD,212,2000(另行发布)。
二、《全国统一安装工程预算定额》(以下简称本定额)是完成规定计量单位分项工程计价所需的人工、材料、施工机械台班的消耗量标准,是统一全国安装工程预算工程量计算规则、项目划分、计量单位的依据;是编制安装工程地区单位估价表、施工图预算、招标工程标底、确定工程造价的依据;也是编制概算定额(指标)、投资估算的基础;也可作为制订企业定额和投标报价的基础。
三、本定额是依据现行有关国家的产品标准、设计规范、施工及验收规范、技术操作规程、质量评定标准和安全规程编制的,也参考了行业、地方标准,以及有代表性的工程设计、施工资料和其他资料。
四、本定额是按目前国内大多数施工企业采用的施工方法、机械化装备程度、合理的工期、施工工艺和劳动组织条件制订的,除各章另有说明外,均不得因上述因素有差异而对定额进行调整或换算。
五、本定额是按下列正常的施工条件进行编制的:1.设备、材料、成品、半成品、构件完整无损,符合质量标准和设计要求,附有合格证书和试验记录。
2.安装工程和土建工程之间的交叉作业正常。
3.安装地点、建筑物、设备基础、预留孔洞等符合安装要求。
12定额安装第二册(电气设备安装工程)全解前言12定额是电气工程的权威性规范,是国内电气工程安装领域应用最广泛的规范之一。
第二册是其中的重要组成部分,涵盖了电气设备安装工程中的各项标准和要求。
在电气工程实践中,深入理解和熟练掌握12定额第二册的内容,对于确保电气工程的质量和安全具有非常重要的作用。
本文将全面解析12定额安装第二册(电气设备安装工程)的各个章节和要点,以期能够提高大家的电气工程实践水平。
第一章一般规定本章主要介绍了电气设备安装工程的基本要求和规定,在电气工程中起着总纲领作用。
其中,这些要点值得注意:•电气设备安装工程要按照国家有关规定执行;•安装工程必须符合电气设备的技术要求和安全要求;•工程的各个阶段都应该有记录,并交验验收。
第二章设备基础本章重点介绍了设备基础的要求和基础施工标准,在电气设备安装工程中有着非常关键的作用。
其中包括基础的设计和施工要求、土方开挖和基础的混凝土配合比,还有各类基础的验收标准和验收时的注意事项。
合理的设备基础设计和施工是电气工程安装的关键,越来越多的电气工程师也开始意识到其重要性。
第三章通用设备的安装本章主要介绍了通用设备的安装要求,通用设备在电气设备安装工程中应用非常广泛,其安装质量的高低也直接影响整个工程质量。
本章包括通用设备的安装位置和固定、电缆和管路的安装、系统的接地以及接线和试运行等方面的要求和标准。
通用设备的安装是电气工程安装工作的重要组成部分,对于确保电气系统的安全运行具有重要作用。
第四章电动机的安装电动机是电气设备安装工程中应用最广泛的设备之一,因此本章的主要任务是介绍电动机的安装要求。
章节包括电动机基础、电动机和传动装置的套接、电动机的对中、安装支架和电动机的安装位置等,还有电动机安装后的试运转和检查标准等方面的要求和标准。
对电动机的安装一定要认真对待,并严格按照标准要求进行操作。
第五章调试试验电气设备安装工程完成后,需要进行调试试验,以确保设备的安全稳定运行。
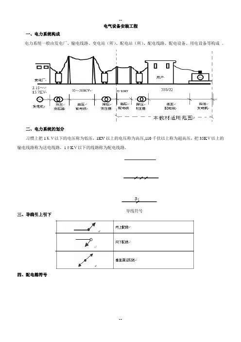
电气设备安装工程一、电力系统构成电力系统一般由发电厂、输电线路、变电站(所)、配电站(所)、配电线路、配电设备、用电设备等构成。
二、电力系统的划分习惯上把1KV以下的电压称为低压,1KV以上的电压称为高压,110千伏以上称为超高压,把35KV以上的输电线路称为送电线路,10KV以下的线路称为配电线路。
导线符号三、导线引上引下五、变压器电力系统中常用三相变压器,有油浸和干式。
六、变压器型号表示方法七、工程量清单项目设置•变压器清单项目包含的内容.•变压器清单项目名称及特征描述应注意的问题•(1)描述名称、规格、容量•(2)是否包括基础型钢制作、安装。
•(3)是否需要设网门。
•(4)变压器中性点是否需要接地。
•(5)是否需二次刷(喷)油漆.•变压器干燥、油过滤工作内容未必发生,为结算方便,招标清单中可以不包含在清单中,单独列项。
八、变压器定额套用•1、记住一些系数:•(1)电炉变压器、整流变压器套定额时分别乘2。
0和1.6系数。
•(2)变压器器身检查,4000KV A以下按吊芯考虑,4000KVA以上按吊钟罩考虑,4000KV A以下吊钟罩,乘2.0系数.•2、已含接地工作。
•3、不含干燥棚、铁梯、网门、母线铁钩件(见变压器安装标注图)九、变压器清单举例十、断路器特点•不频繁接通•有灭弧装置•能断开故障情况下的大电流十一、隔离开关• 隔离高压电源。
• 用于电器设备和线路的检修.• 具有明显的断开间隙,没有灭弧装置,不允许带负荷操作。
十二、负荷开关• 具有简单的灭弧装置。
• 用于隔离和检修。
• 可以通断一定的负荷电流。
• 必须与高压熔断器串联使用 。
• 有明显的可见间隙 。
十三、电流互感器将大电流转换为小电流,以供测量或继电保护 。
十四、电压互感器把高电压按比例关系变换成100V 或更低等级的标准二次电压,供保护、计量、仪表装置使用。
用于测量和监视线路上的电压。
十五、高压开关柜及箱式变电站高压开关柜:也称高压开关柜,是将成套的各种配电器件集中安装在一起,有固定式和手推车式之分 。
第二册电气设备安装工程整理表姓名:职业工种:申请级别:受理机构:填报日期:A4打印/ 修订/ 内容可编辑第二册电气设备安装工程第八章电缆一、铜芯铜护套氧化镁绝缘防火电缆敷设工作内容:开盘、检查、架盘、敷设、锯断、排列、整理、固定、收盘、临时封头、挂牌。
计量单位:100 m二、铜芯铜护套氧化镁绝缘防火电缆终端头制作、安装工作内容:定位、量尺寸、锯断、剥切、加热干燥、装终端盒。
计量单位:个三、铜芯铜护套氧化镁绝缘防火电缆中间头制作、安装工作内容:定位、量尺寸、锯断、剥切、加热干燥、装连接管。
计量单位:个四、穿刺式电力电缆连接器安装工作内容:连接器安装、接线。
计量单位:个第十二章配管、配线金属软管敷设(灯具接头处保护管)工作内容:量尺寸、断管、连接接头、临时封管口计量单位:10 m计量单位:10 m第三册热力设备安装工程第一章低压锅炉设备安装散装锅炉本体安装工作内容:计量单位:t第五册静置设备与工艺金属结构制作安装工程第二章静置设备安装三、整体设备安装1. 卧式容器类设备安装(1)碳钢、不锈钢容器①一般中低压工作内容:基础铲麻面、放置垫铁、吊装就位、安装找正。
计量单位:台②内有冷却、加热及其他装置工作内容:基础铲麻面、放置垫铁、吊装就位、安装找正。
计量单位:台(2)碳钢、不锈钢带搅拌装置卧式容器工作内容:基础铲麻面、放置垫铁、吊装就位、安装找正。
计量单位:台(3)独立搅拌装置工作内容:基础铲麻面、放置垫铁、吊装就位、安装找正。
计量单位:台2. 反应器类设备安装(1)内有填料反应器工作内容:基础铲麻面、放置垫铁、吊装就位、安装找正。
计量单位:台(2)内有复杂装置反应器工作内容:基础铲麻面、放置垫铁、吊装就位、安装找正。
计量单位:台3. 热交换器类设备安装(1)热交换器类设备①固定管板式热交换器工作内容:基础铲麻面、放置垫铁、吊装就位、安装找正。
计量单位:台②蛇管式热交换器工作内容:基础铲麻面、放置垫铁、吊装就位、安装找正。
总说明一、《全国统一安装工程预算定额》共分十二册,包括:第一册机械设备安装工程GYD-201-2000;第二册电气设备安装工程GYD-202-2000;第三册热力设备安装工程GYD-203-2000;第四册炉窑砌筑工程GYD-204-2000;第五册静置设备与工艺金属结构制作安装工程GYD-205-2000;第六册工业管道工程GYD-206-2000;第七册消防及安全防范设备安装工程GYD-207-2000;第八册给排水、采暖、燃气工程GYD-208-2000;第九册通风空调工程GYD-209-2000;第十册自动化控制仪表安装工程GYD-210-2000;第十一册刷油、防腐蚀、绝热工程GYD-211-2000;第十二册通信设备及线路工程GYD-212-2000(另行发布)。
二、《全国统一安装工程预算定额》(以下简称本定额)是完成规定计量单位分项工程计价所需的人工、材料、施工机械台班的消耗量标准,是统一全国安装工程预算工程量计算规则、项目划分、计量单位的依据;是编制安装工程地区单位估价表、施工图预算、招标工程标底、确定工程造价的依据;也是编制概算定额(指标)、投资估算的基础;也可作为制订企业定额和投标报价的基础。
三、本定额是依据现行有关国家的产品标准、设计规范、施工及验收规范、技术操作规程、质量评定标准和安全规程编制的,也参考了行业、地方标准,以及有代表性的工程设计、施工资料和其他资料。
四、本定额是按目前国内大多数施工企业采用的施工方法、机械化装备程度、合理的工期、施工工艺和劳动组织条件制订的,除各章另有说明外,均不得因上述因素有差异而对定额进行调整或换算。
五、本定额是按下列正常的施工条件进行编制的:1.设备、材料、成品、半成品、构件完整无损,符合质量标准和设计要求,附有合格证书和试验记录。
2.安装工程和土建工程之间的交叉作业正常。
3.安装地点、建筑物、设备基础、预留孔洞等符合安装要求。
4.水、电供应均满足安装施工正常使用。
第二册《电气设备安装工程》册说明一、第二册《电气设备安装工程》(以下简称本定额)适用于工业与民用新建、扩建工程中10kV以下变配电设备及线路安装工程、车间动力电气设备及电气照明器具、防雷及接地装置安装、配管配线、电梯电气装置、电气调整试验等的安装工程。
二、本定额主要依据的标准、规范有:1、《全国统一安装工程预算定额》;2、《全国统一安装工程预算定额》(江西省单位估价表)2000年版;3、《建设工程工程量清单计价规范》(附录C 安装工程工程量清单项目及计算规则)GB50500-2003;4、现行的设计、施工验收规范、安全操作规程、质量评定标准;5、现行的标准图集和具有代表性的工程设计图纸。
三、本定额的工作内容除各章节已说明的工序外,还包括:施工准备,设备器材工器具的场内搬运,开箱检查,安装,调整试验,收尾,清理,配合质量检验,工种间交叉配合、临时移动水、电源的停歇时间。
四、本定额不包括以下内容:1.10KV以上及专业专用项目的电气设备安装。
2.电气设备(如电动机等)配合机械设备进行单体试运转和联合试运转工作。
五、关于下列各项技术措施费用的规定:1.脚手架搭拆费(10KV以下架空线路除外)按人工费的4%计算,其中人工工资占25%。
2.工程超高增加费(已考虑了超高因素的定额项目除外):操作物高度离楼地面5m以上、20m以下的电气安装工程,按超高部分人工费的33%计算。
3.高层建筑增加费(指高度在6层或20m以上的工业与民用建筑)按下表计算(其中全部为注:为高层建筑供电的变电所和供水等动力工程,如装在高层建筑的底层或地下室的,均不计取高层建筑增加费。
装在6层以上的变配电工程和动力工程则同样计取高层建筑增加费。
4.安装与生产同时进行增加的费用,按人工费10%计算。
5.在有害身体健康的环境增加的费用,按人工费10%计算。
第二章配电装置说明及工程量计算规则一、设备本体所需的绝缘油、六氟化硫气体、液压油等均按设备带有考虑。
电气设备安装工程一、电力系统构成电力系统一般由发电厂、输电线路、变电站(所)、配电站(所)、配电线路、配电设备、用电设备等构成。
二、电力系统的划分习惯上把1KV以下的电压称为低压,1KV以上的电压称为高压,110千伏以上称为超高压,把35KV以上的输电线路称为送电线路,10KV以下的线路称为配电线路。
三、导线引上引下四、配电箱符号导线符号五、变压器电力系统中常用三相变压器,有油浸和干式。
六、变压器型号表示方法七、工程量清单项目设置•变压器清单项目包含的内容.•变压器清单项目名称及特征描述应注意的问题•(1)描述名称、规格、容量•(2)是否包括基础型钢制作、安装。
•(3)是否需要设网门。
•(4)变压器中性点是否需要接地。
•(5)是否需二次刷(喷)油漆。
•变压器干燥、油过滤工作内容未必发生,为结算方便,招标清单中可以不包含在清单中,单独列项。
八、变压器定额套用•1、记住一些系数:•(1)电炉变压器、整流变压器套定额时分别乘2.0和1.6系数。
•(2)变压器器身检查,4000KVA以下按吊芯考虑,4000KVA以上按吊钟罩考虑,4000KVA以下吊钟罩,乘2.0系数。
•2、已含接地工作。
•3、不含干燥棚、铁梯、网门、母线铁钩件(见变压器安装标注图)九、变压器清单举例十、断路器特点•不频繁接通•有灭弧装置•能断开故障情况下的大电流十一、隔离开关•隔离高压电源。
•用于电器设备和线路的检修。
•具有明显的断开间隙,没有灭弧装置,不允许带负荷操作。
十二、负荷开关•具有简单的灭弧装置。
•用于隔离和检修。
•可以通断一定的负荷电流。
•必须与高压熔断器串联使用。
•有明显的可见间隙。
十三、电流互感器将大电流转换为小电流,以供测量或继电保护。
十四、电压互感器把高电压按比例关系变换成100V或更低等级的标准二次电压,供保护、计量、仪表装置使用。
用于测量和监视线路上的电压。
十五、高压开关柜及箱式变电站高压开关柜:也称高压开关柜,是将成套的各种配电器件集中安装在一起,有固定式和手推车式之分。
箱式变电站,包括:高压配电装置、电力变压器和低压配电装置列清单时一般包括本体和槽(角)钢支架制作安装就可以了的。
十六、母线分类及用途•母线按结构分为硬母线和软母线•矩形母线一般使用于主变压器至配电室内,软母线多用于室外,因空间大,导线有所摆动也不致于造成线间距离不够。
•低压封闭式插接母线槽,多用于电压660V以下,电流1000A以下,用电设备密集的场所。
十七、母线工程量清单项目设置•熟悉低压封闭式插接母线槽清单包含的内容,包含进出线箱的安装。
注明母线材质、型号、规格和容量。
明确是否有穿墙套管、过渡板、伸缩节和分线箱等。
十八、母线套定额注意事项•定额工程量要在清单工程量基础上考虑预留长度。
见P73•母线安装一般应用于电站或大型配电所内,应用不是很广泛,一般预算员较少接触,不作为考试重点。
十九、控制设备及的低压电器•柜、屏、箱的解释。
•柜:尺寸较大,四面封闭(背面有网栅),一般用于高压;•屏(盘):尺寸小于柜,正面安装设备,背后敞开,一般用于低压及控制保护;•箱:尺寸小于屏,四面封闭,一般用途单一,易于维护,如建筑物内的动力箱、照明箱等。
•固定配电柜(屏)固定在槽钢或角钢基座上,其下部一般为电缆沟,供电缆进出之用。
二十、控制设备及低压电器清单项目二十一、控制设备的清单描述要求•(1)注明是否包括基础型钢施工。
•(2)注明是成套设备产品还是现场组装。
•(3)清单项目描述时,对各种铁构件如需镀锌、镀锡、喷塑等,需予以描述。
•(4)凡导线进出屏、柜、箱、低压电器的,该清单项目描述时均应描述是否需要焊 (压)接线端子,而电缆进出屏、柜、箱、低压电器的,可不描述焊(压)接线端子,因为己综合在电缆敷设的清单项目中。
•(5)凡需要做盘(屏、柜)配线的清单项目必须予以描述。
二十二、“小电器”清单的应用•编码030204031,其项目名称为“小电器”安装,小电器是这个项目的统称,它包括:按钮、照明开关、插座、电笛、电铃、电风扇、水位电气信号装置、测量表计、继电器、电磁锁、小型安全变压器等等。
在设置清单时,就要按具体的名称设置(如开关、风扇等),并表述其特征,如型号、规格,且各自编码。
二十三、控制设备定额套用注意事项•1、未包含的内容:•①基础槽(角)钢制作安装•②二次喷漆及喷字。
•③电器及设备干燥。
•④焊、压接线端子。
•⑤端子板外部(二次)接线。
•2、轻型铁构件系指结构厚度在3mm以内的构件。
•3、焊(压)接线端子定额只适用于导线,电缆终端头制作安装定额中已包括压接线端子,不得重复计算。
二十四、控制设备清单举例(P80)二十五、电机调试工作内容•(l)测量轴承绝缘和转子进入支座的绝缘电阻。
•(2)测量起动电阻器、灭磁电阻器的绝缘电阻和直流电阻。
•(3)空载特性曲线试验:指发电机的空载特性曲线试验。
•(4)短路特性曲线试验:指发电机的短路特性实验和短路过程的有关参数测定。
•(5)测量相序:测量发电机的三相(A、B、C)的相序是否与电网一致。
•(6)检查电机控制保护回路的继电路、接触器、信号装置及线路等设备元件的正确性及动作协调性。
应按控制原理系统图进行校接线和控制系统的操作试验及有关调试参数的整定等工作。
二十六、“电机检查接线及调试”工程量清单项目设置•包括的工作内容:检查接线、干燥、调试、保护软管。
不含电机安装,另套第一册定额。
• (1)如电机的进线为电缆连接的,电机检查接线清单项目不含焊(压)接线端子,如为电线且用接线端子连接的应描述清楚端子接线含在该清单中。
•(2) 应描述软管的材质和长度。
(3)电机是否要干燥预先不能确定要做,在这种情况下,可将干燥工作以补充清单形式另列一项,让投标人报价,待结算时按实际情况确定是否计价。
二十七、“电机检查接线及调试”定额套用注意事项•电动机检查接线分大、中、小型。
•大:30t 以上•中:3~30t 按重量套定额•小:3t以下按功率套定额•配套电机检查接线的金属软管定额按1.0~1.50米考虑(平均1.25米),材质长度不同时可以换算。
•低压鼠笼型电机调试不分容量大小,只按“刀开关控制、电磁控制、非电量控制、带过渡保护控制”四种控制方式划分。
•凡三相小型电机应按控制方式计取调试费。
•一般小型单相电机不计调试费,但伺服电机等特殊小型电机需要进行调试的仍可以计取调试费。
二十八、电缆型号表示方法•常用电缆型号含义•(1)类别•电力电缆省略不表示•K——控制电缆•p——信号电缆•H——电话电缆•(2)导体•铜的可以省略,铝的用“L”表示•(3)绝缘•VV-聚氯乙烯•Y-聚乙烯•YJ-交联聚乙烯•VV22(3×25+1×16)表示铜芯、聚氯乙烯内护套、双钢带铠装、聚氯乙烯外护套、三芯25mm2、一芯16 mm2的电力电缆。
二十九、电缆结构及安装方法•电缆结构:导电线芯、绝缘层、保护层。
•电缆安装方法:重点掌握电缆直埋、穿管、沿桥架敷设三种安装方式。
三十、电缆在室外直接埋地敷设•一般为0.8米深,经过农田不小于1米,必须是带恺装并且有防腐保护层,裸钢带恺装电缆不允许埋地敷设。
•在同一沟内埋设1~2根电缆时,沟的开挖上口宽为600mm,下口宽为400mm,平均宽度按500mm 计算,如电缆埋深为800mm,则沟深为800+100=900 (mm),每米沟长挖方量为 0.5×O.9×l = 0.45 m3。
每增加一根电缆,平均沟宽增加170mm,则土方量增加0.153m3。
三十一、电缆穿导管敷设。
•电缆穿导管敷设是指整条电缆穿钢管敷设。
先将管子敷设好(明设或暗设),再将电缆穿入管内,每一根管内只允许穿一根电缆,要求管道的内径等于电缆外径的1.5-2倍,管子的两端应做喇叭口。
单芯电缆不允许穿入钢管内。
敷设电缆管时应有0.1%的排水坡度。
三十二、熟悉热缩电缆头构成三十三、常用电缆工程量清单项目设置图 3.8.5 电缆终端头成图3.8.4 热缩电缆附件三十四、有关电缆章节清单项目包括的内容和名称描述时注意的问题•电缆:考虑到套用定额时不分敷设方式,因此可不用描述电缆的敷设方式,仅描述电缆的型号规格即可。
•电缆保护管:要描述保护管的材质:如镀锌钢管、PE塑料管、铸铁管等,管径规格,以及是埋地敷设还是明敷等等。
•电缆桥架:要描述清楚桥架类型、材质及具体规格尺寸,类型有槽式、梯式、托盘式、组合式桥架,材质有钢制、玻璃钢、铝合金等。
此外,还要描述是否带盖板及隔板等。
•电缆支撑架:要描述清楚是从厂家购买成品还是用型钢现场制作。
•电缆沟土方工程量清单项目:要描述电缆的根数,电缆根数可以按一定的步距设置,如1~2根,3~4根,5~6根为步距,不需要按每根考虑一个清单项目。
有电缆保护管的要标明管径,埋设的平均深度等。
如为直埋电缆,需要铺砂盖砖的,也应在该清单项目中描述清楚。
三十五、电缆清单项目计价注意事项•一般主要是套电缆敷设和电缆头制作安装定额。
•电缆敷设定额工程量在电缆清单工程量的基础上增加预留量。
•常用预留量计算(见下页)三十六、电缆敷设的附加长度和预留长度•注意1、4、7、8,难点理解:•先算各种预留长度,然后加上净长,再增加2.5%波形系数。
•电缆进入建筑物一般指主电缆在进出入建筑物外面设计有电缆井才会在这个电缆井内预留,不然不用计算。
•电缆进入沟内或吊架预留,这个比较难以理解,广西的解释为进出入沟是指电缆从楼地面进入电缆沟,又从电缆沟引上至配电柜的长度,考虑到电缆沟深度一般为0.8米左右,因此一上一下加起来考虑1.5米,考虑了这个长度就不能重复计算电缆进出电缆沟的垂直高度的。
•电力电缆终端头1.5米检修余量一般在电缆沟的配电柜或安装在电缆竖井的电缆才考虑,没有位置预留的可不考虑。
•电缆进入高低压配电柜预留2米,但一般的挂墙配电箱预留半周长即可。
三十七、电缆及电缆头定额套用注意事项•电缆敷设定额为综合定额,只分电缆芯截面,不分电缆具体型号和电缆敷设方式考虑。
电缆定额子目的截面积是指单芯的最大面积。
不能按照电缆所有芯线截面积总和考虑。
如:VV3*70+1*35应套70mm2定额子目。
•电缆头按铝芯考虑,铜芯要乘1.2系数。
•电缆按3芯或3芯+1芯考虑,5芯乘1.3,六芯乘1.6,每加1芯加30%,依此类推。
•单芯电缆乘0.67,10mm2以下电缆乘0.5。
•800~1000mm2按400mm2电缆定额执行。
•电缆终端头子目已经包含了焊、压接线端子及端子接线工作。
•电缆在一般山地、丘陵地区敷设时,其定额人工乘以系数1.3。
该地段所需的施工材料如固定桩、夹具等按实另计。
•电缆的测试已含在电气送配电系统调试中。
•电缆沟盖板揭、盖定额,按每揭或每盖一次以延长米计算,如又揭又盖,则按两次计算。