Raritan KVM简明操作手册
- 格式:docx
- 大小:1.62 MB
- 文档页数:11
力登产品简介1、Dominion PX1.1、Dominion PX概述Raritan的Dominion PX远程电源管理智能解决方案可帮助IT管理员提高系统正常运行时间和员工生产率、节省开支及改善电源使用情况。
通过采用Dominion PX:●可通过远程串口和TCP/IP访问插座级配电系统,解决紧急故障情况,提高系统的平均修复时间(MTTR)。
●通过设备级和插座级的电源使用信息,可简化功率规划工作。
●员工可收集到详细的电源信息,以提高正常运行时间和生产率。
●通过远程电源循环和监视功能,可节省差旅费用及时间。
Dominion PX所提供的信息通过LED显示屏显示于电源条上,同时也可以通过网络浏览器远程查看。
通过这些针对PDU和单个插口的耗电量信息,可以改善功率规划。
精确的插座级访问及控制功能使得用户能够重新启动连接设备。
无论是单独使用还是与Raritan其它解决方案一起使用,通过256位AES加密及强口令算法,Dominion PX智能方案可提供安全访问功能。
Dominion PX 支持包括插座级批准及LDAP/S、RADIUS和Active Directory®在内的高级验证选项。
灵活的管理界面支持HTTP、HTTPS、IPMI、SMASH-CLP、SSH、Telnet和SNMP,同时,通过界面,用户可设置电源排序的插座级延时时间。
Dominion PX远程电源管理解决方案可与以下的Raritan方案集成使用:●KVM切换器: Dominion® KX II and Paragon® II●安全控制台服务器: Dominion SX●集中式基础设施管理: CommandCenter® Secure Gateway1.2、Dominion PX特点●电源控制的整合性:Dominion PX可以与Paragon II, Dominion SX, DominionKSXII, Dominion KXII 及CommandCenter Secure Gateway整合, 当系统故障或系统死机,重新开机往往是唯一的选择,而Dominion PX让管理员立即从远程进行系统重启。
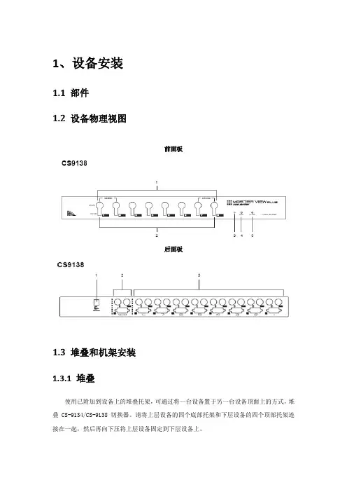
1、设备安装1.1 部件1.2 设备物理视图前面板后面板1.3 堆叠和机架安装1.3.1 堆叠使用已附加到设备上的堆叠托架,可通过将一台设备置于另一台设备顶面上的方式,堆叠 CS-9134/CS-9138 切换器。
请将上层设备的四个底部托架和下层设备的四个顶部托架连接在一起,然后再向下压将上层设备固定到下层设备上。
1.3.2 机架安装1、请通过从设备上拧开螺丝,移除该堆叠托架,操作方法如下图所示:2、用螺丝将安装支架固定到设备的两侧,操作方法如下图所示:3、请把设备滑入机架并将其固定到机架上。
1.3.3 单一级安装在单一层级装置中,没有另外的 Master View 从第一层级设备堆叠式串连下来。
要安装单一层级装置,请按如下操作:1、请将键盘、鼠标和显示器的线缆插入该设备的控制端端口。
2、请使用一组 KVM 线缆(请见.p.3,线缆),将所要安装的计算机键盘、视屏和鼠标端口插入可用的 CS-9134 或 CS-9138KVM 端口。
3、如果选用外接电源,请将电源适配器的线缆插入该 Master View 的电源插口,然后将该适配器接入 AC 电源。
注意:该设备无需外接电源,在单一层级安装中,该切换器可通过 KVM 线缆从主机获取电源。
如果一台计算机只向键盘和鼠标提供 3.3V 电源,而非5V 的电源(例如笔记本),则该设备不能接收足够的电源,因此需要使用外接电源适配器。
4、开启计算机的电源。
注意:如果使用外接电源,在开启主机之前,Master View 设备必须被提前插入并通电。
1.3.4 多层级安装为对更多主机进行控制,可从第一层级设备的KVM端口再堆叠式串联多达4台(CS-9134)或 8 台(CS-9138)KVM。
这些连接回第一层级设备的堆叠式串联的 Master View 就被称为第二层级设备,而连接回第二层级设备的堆叠式串联的KVM就被称为第三层级设备。
Master View 设备的堆叠式串联最多为三层级。
KVM使用指南注:初次安装完成后需要重启unas才能正常使用一、启动/停止二、Kimchi使用1、登录输入管理员账号/密码2、模板点击“模板”,进入模板界面点击“添加模板”,进入添加模板界面填写模板名称默认选择映像模板(iso文件)选择映像模板有两种方式:a.填写自定模板的的路径b.选择下面列表显示的任一模板(这个列表显示的模板来源于已激活的存储器里面的iso文件)任取一种方式即可之后点击最下面的“创建”按钮。
3、存储器(模板选择时使用)点击“添加存储器”填写存储池名称选择存储池类型填写存储池对应的路径(如果类型为DIR,那么路径就是iso文件所在目录)填写完成,点击“创建”按钮要使用某个存储池,需要点击“激活”来激活它;不使用时,点击“取消激活”按钮。
4、虚拟机这个界面用来管理已创建的虚拟机点击“查看表”,切换视图创建虚拟机,点击如下图所示“Add Guest”创建虚拟机创建虚拟机界面如下图:填写虚拟机名称,选择一个模板,之后点击“创建”,即可创建虚拟机模板:显示用户已创建的所有模板点击“操作”,显示可对某个虚拟机进行的操作1.编辑2.克隆3.迁移4.启动5.删除点击“启动”,启动虚拟机点击“操作”,现实下列操作选项1.查看控制台进入虚拟机的控制台界面首次进入,如下图(以debian演示):也可通过点击如下图箭头所指进入控制台2.查看序列号3.编辑4.迁移5.重置6.暂停/恢复7.关闭8.断电9.删除。
中心机房集中远程管控KVM系统方案Raritan2012年5月09日前言近些年来计算机及网络技术得到了极大的发展,尤其是互联网技术的发展和普及,使得互联网的用户数量迅速增加,并深入到我们工作和生活的方方面面,各行各业的业务工作已离不开对IT信息化的诸多需求,随之而来的是计算机、服务器等IT设备总数的急剧增加和种类的增加,企业的IT管理人员所管理的IT基础设备的数量种类也在不断增加。
这些增加一方面表明IT应用范围的扩大,另一方面也表明,IT管理人员的管理任务日益繁重;同时由于对IT系统的依赖,使得对系统运行安全、运行效率的要求也越来越高,企业对IT的投入也是逐年增多,因此企业IT信息化的应用水平已成为了衡量企业竞争力的一个非常重要的指标。
据统计企业对IT的投入中,IT系统的管理和维护已占到了总投入的80%,这说明企业IT系统的管理和维护已成为企业IT建设的重要环节,如何更好的管理维护企业的IT基础设施是摆在企业面前的重要课题。
高安全、高效率和低成本的IT基础设施管理已成为企业共同追求的目标!第一章中心机房集中远程管控KVM系统设计方案1.1、中心机房集中远程管控KVM系统方案的具体需求1.1.1、管理方式需求1、《IT设备远程集中控制管理系统》系统以全数字方式组网,使用户可不受地域制约进行操作;2、《IT设备远程集中控制管理系统》系统要求共连接1024台服务器,960台串口设备,该系统由32台DKX2-432,单台KVM至少4个远程管理用户管理KVM设备、20台串口KVM管理设备,1套用于对所有KVM设备集中管控的集中远程管理控制器3、所有设备要求配置双电源,双千兆网络端口,以供备份冗余。
为了更有效为用户节约成本,我们在满足用户需求的基础上,为您提供了下列配置的方案,供您参考,在方案描述中具体说明。
1.2、中心机房集中远程管控KVM系统方案概述1.2.2、系统方案拓扑图1.2.2、系统结构描述方案从设计上分为两层结构,分别为接入层和管理层。
KVM是一个基于linux内核的虚拟机解决方案。
本文介绍KVM的使用方法,以及注意要点。
参考资料:KVM虚拟机和QEMU linux brctl先决条件硬件环境CPU硬件虚拟化32位与64位安装KVM虚拟机连网brctl桥接安装以及运行虚拟机kvm常用命令安装虚拟操作系统远程登录先决条件硬件环境x86(包括32位和64位),就是我们常用的系统。
CPU硬件虚拟化kvm需要系统CPU支持,下面命令如果有输出,说明CPU支持硬件虚拟化:egrep "flags.*:.*(svm|vmx)" /proc/cpuinfo32位与64位下面是32bit与64bit和主机系统与虚拟操作系统的关系:总结为一句话:不能在32位主机上装64位的操作系统。
安装KVMyao@debian:~$ apt-get install kvm qemu uml-utilities一般情况下,安装好kvm后能就自动加载内核模块,你也可以手动加载:yao@debian:~$ modprobe kvm_intel #or kvm_amd虚拟机连网虚拟机连网是头等大事,所以我们先解决这个问题。
通过桥接可以实现联网,主要用到的命令有:brctl,ifconfig,tunctl,routebrctlbrctl是一个以太网桥接工具,常见的用法有:如果发现无法删除网桥,那么可能是还没有将其关闭:yao@twomoon:~$ sudo brctl delbr br0bridge br0 is still up; can't delete ityao@twomoon:~$ sudo ifconfig br0 downyao@twomoon:~$ sudo brctl delbr br0桥接说了这么多,到这才是重点。
首先,将物理网卡桥接:yao@twomoon:~$ ifconfig -a |grep etheth0 Link encap:Ethernet HWaddr 90:fb:a6:14:cd:42yao@twomoon:~$ brctl addbr br0yao@twomoon:~$ brctl addif br0 eth0yao@twomoon:~$ ifconfig eth0 0.0.0.0yao@twomoon:~$ ifconfig br0 192.168.1.51 up这样又多了一个网络设备br0:yao@twomoon:~$ LANG=C ifconfig -a |grep Ethernetbr0 Link encap:Ethernet HWaddr 2a:24:d3:aa:99:e7eth0 Link encap:Ethernet HWaddr 90:fb:a6:14:cd:42如果没有弄明白为什么,可以上网找找桥接的资料和brctl的用法。
Raritan全线产品简单说明ParagonParagon UMT2161:入门级的价格,适合中小型企业Paragon UMT242(442)高端口密度提供最适合的扩充性Paragon UMT832 领导厂商应用Paragon强大功能与简洁的Cat5电缆线的第一选择Paragon UMT 1664 为企业提供Paragon最强大的功能与简洁的Cat5电缆线,以及高达10,000台服务器的KVM扩充性获奖的Paragon解决方案,可以让IT专业人员按照他们希望的方式、时间、地点,访问并管理服务器以及其它网络设备。
Paragon是一台可扩充、跨平台、以Cat5技术为基础的服务器管理系统。
令人印象深刻的一系列创新,使它有别于传统KVM切换器.Paragon是灵活、高效和独立的KVM解决方案,它的高端口密度、简洁的Cat5电缆线连接、跨平台兼容性以及小尺寸外型,使它非常适于多层架构,以经济的方式,构成安全、无阻塞的多使用者访问环境。
全世界有数千家企业已经采用Paragon管理它们的关键任务服务器及其它网络设备,由于Paragon总是能够保障运作正常,因此是市场上最可靠、最灵活,最安全的企业级KVM 解决方案,可以让2到64位使用者,直接管理64到10,000台服务器和网络设备。
创新的模块化架构Paragon把切换和控制的功能分置于三个模块化、智能型架构组件之中。
集中式的KVM切换功能可以满足服务器管理上的最大挑战:空间、距离和数量的需求,以及消除任何单点故障、满足未来服务器数量成长需求和降低总持有成本(TCO).最可靠的解决方案:•唯一一个其功能和高效性已被验证的Cat5解决方案•数以千计的Paragon管理着数十万台服务器,被各行业的世界领导级企业实战测试已达二年•即使在网络断线或是服务器操作系统当机时也能访问关键任务设备•管理者可以从机房各处或世界各地进行BIOS层级管理最灵活的解决方案:•可扩充到最多64位使用者同时管理最多10,000台服务器.•支持多种硬件平台,包括USB、Sun、PS/2以及串口设备。
KVM-CS8/L8口KVM共享器使用手册感谢使用MICROCODE 公司产品为确保您能正确使用产品及安全,请在使用前阅读本说明书包装和附件A.KVM装置一台B.连接电缆8套C.使用说明书键盘应是PS/2接口,AT接口键盘应使用AT-PS/2转换头,可联系经销商定购。
鼠标应是PS/2接口,本机不支持RS-232接口和USB接口鼠标。
监视器应是VGA兼容格式,本机不支持CGA/EGA/MDA等其他格式。
使用前请确保附件完整,并且没有损坏;包装如有损坏或不全,请联系您的经销商。
1.概述KVM装置可在多计算机系统中有效减少您的投资和管理成本,您可不必为每台电脑配置操纵装置。
通过装置的面板,或键盘的特定组合键(热键),您可以使一套键盘/鼠标/监视器在多台机器之间切换。
安装容易,节省能源,无需配置软件,无需考虑操作系统平台及其兼容性,节省了安装空间并使您无需在多台电脑之间移动。
2. 特点支持微软、罗技、IBM及所有其他兼容鼠标;支持所有IBM标准及兼容键盘;监视器可即插即用,分辨率支持至1920X1440;无须安装驱动软件,兼容所有操作系统和软件平台;支持自动扫描功能;多模式操作,面板和键盘热键遥控操作;LED状态和通道指示;节省时间、安装空间和成本;可脱离外接电源使用,完全连接时可从计算机取得电源。
3. 安装连线安装之前,请确认关闭KVM装置的电源。
a.将监视器、鼠标、键盘接入KVM装置的“MASTER”接口。
b.用附件中的配套电缆连接所有的计算机和KVM装置的相应接口,并检查对应的接口号码和类型是否对应。
c. 打开KVM装置的电源开关。
d. 选中需启动的计算机通道,并启动。
在所有的已启动计算机之间,可任意操作。
4. 单机应用操作单机应用模式:当机壳后的级联地址设置跳线都悬空时,本机工作于单机应用模式,并支持以下三种操作方式:a. 手工操作b. 热键操作c.自动扫描单机应用系统连接图使用方法:本机面板设置两个按键:左、右箭头键,8个通道指示灯,1个EXT/STOP 即级联/停机指示灯,电源开关。
祝贺您购买了 Dominion® KX II ,它是业内功能最齐全的企业级安全数字式 KVM (键盘、视频和鼠标)切换器。
本快速安装指南介绍了如何安装和配置 Dominion KX II 。
请仔细按照说明操作,以确保快速而轻松地进行安装。
有关 Dominion KX II 任何方面的详细信息,请查阅随附的用户指南,该指南可从 Raritan User Manuals & Quick Setup Guides CD 或从 Raritan 网站的“产品文档”(Product Documentation) 支持页访问。
Windows 2000 设置1. 配置鼠标:a. 选择“开始”(Start) >“控制面板”(Control Panel) >“鼠标”(Mouse)。
b. 打开“移动”(Motion) 选项卡。
• 将加速设置为“无”(None)。
• 将鼠标动作速度精确设置为中等速度。
• 单击“确定”(OK)。
2. 禁用过渡效果:a. 在“控制面板”(Control Panel) 中选择“显示”(Display) 选项。
b. 打开“效果”(Effects) 选项卡。
c. 清除“为菜单和工具提示使用下列过渡效果”(Use the following transition effect for menus and tooltips) 选项。
d. 单击“确定”(OK)。
e. 关闭“控制面板”(Control Panel)。
I. 配置目标服务器为了优化带宽效率和视频性能,请将操作系统桌面的背景色设置为主流的浅素色图形。
请确保 Dominion KX II 支持服务器的视频分辨率和刷新率,而且信号为逐行扫描。
支持的视频设置鼠标模式Dominion KX II 可运行在以下多种鼠标模式下:Absolute Mouse Synchronization™(需要 D2CIM-VUSB )、智能鼠标模式(不使用动画鼠标)和标准鼠标模式。
XX公司XX网带外运维管理系统技术建议书北京卓益达科技有限公司2013年4月29日目录1方案的设计 (3)1.1拓扑图 (3)1.2方案简述 (3)1.3配置清单 (3)2方案的功能 (4)2.1多平台的访问 (4)2.2自动轮巡 (4)2.3人性化的脚本编辑 (5)3方案的特点 (5)3.1方案的适用性 (5)3.2方案的可靠性 (7)3.3方案的安全性 (7)3.4方案的可维护性 (8)3.5方案的可扩展性 (8)4方案产品介绍 (8)4.1数字式KVM交换机-D OMINION KX2 (8)4.2带外运维管理系统全线产品架构 (9)5公司介绍 (10)5.1北京卓益达科技有限公司 (10)5.2公司荣誉客户 (11)1 方案的设计1.2 方案简述针对XX公司XX网机房内的服务器设备的管理,使用了Raritan的KVM over IP产品Dominion KX2-432对数据机房中的被管理的服务器进行汇聚,使用服务器转接模块CIM,将服务器的鼠标、键盘、显示器3种接口转换为RJ45接口。
使用UTP线缆从CIM连接到Dominion KX2-432的服务器端口上,由KVM交换机使用Over IP技术将模拟信号转换成IP数据包并连接到IP网络,可以通过远程提供多用户并发对数据机房的所有服务器进行管理。
1.3 配置清单2 方案的功能2.1 多平台的访问Raritan KVM系统可以对现在数据机房内常见的服务器(Windows、Linux、Unix、Solaris、AIX、HMC……)进行BIOS级别的带外管理,实现远程的故障诊断、排除,使系统的可用性达到了99.999%的要求。
2.2 自动轮巡2.3 人性化的脚本编辑3 方案的特点用户部署操作的适用性良好的人机界面,用户可定制的国际化语言支持(简/繁体中文) 支持1600*1200远端高分辨率,且支持1920*1080宽屏分辨率支持长距离(DKX2到服务器之间的距离45米)方便易用的向导式安装基于用户的自定义视图(按机房位置;按系统类型;按设备厂商…… )用户管理的适用性基于时间预定制的自动任务执行功能备份、还原、复制设备配置升级设备软件;生成各种报告具备在线安全信息交互平台支持中文多人对话跨平台的管理工作BS结构:WEB方式HTTPS安全访问WINDOWS平台、LINUX、MAC和SUN SOLARISFIREFOX、MOZILLA、NETSCAPE、IECS结构支持:可选的客户端软件:不用打开浏览器,直接运行3.2 方案的可靠性系统的冗余特性专用硬件和嵌入式软件系统,保证系统的稳定性和高性能全冗余的硬件结构设计(双电源,双网口,双机热备)链路冗余(LOCAL,IP,PSTN)有无单点故障隐患模块化结构设计:系统中的设备连接互为独立可以通过WEB界面,对COMMAND CENTER的系统状态进行监控(硬件、应用、……)3.3 方案的安全性用户验证的安全性IP地址与用户组的绑定功能用户的分权管理(KVM设备分权,管理目标设备的分权,访问时间限制)系统设备的安全性ACL与用户绑定SYSLOGSNMP传输数据的安全性所有访问控制信号:包括键盘,鼠标和视频信号全部加密所有虚拟媒体数据传输加密加密方式:128BIT SSL、RC4,AES3.4 方案的可维护性众多报告生成管理用户访问事前审计功能支持业界标准SYSLOG协议审计跟踪、错误日至、访问报告、可用性报告、用户、设备、节点、端口等报告可定制的横幅及每日消息提供默认和可定制的电子通知提供企业徽标并发布当日的登录消息.3.5 方案的可扩展性设备数量扩充通过增加DOMINION KX2和CIM模块可以对日后增加的服务器进行管理,可以无缝整合至COMMAND CENTER通过增加COMMAND CENTER,可以支持多COMMAND CENTER的冗余及负载均衡功能通过增加DOMINION SX可以对日后增加串口设备进行管理,可以无缝整合至COMMAND CENTER使用功能扩充通过增加第三方认证服务器系统,可以实现通过外部认证的方式进行认证和授权,例如常见的AD,RSA,TACACS,LDAP,RADIUS等4 方案产品介绍Dominion KX2是全新一代数字式KVM交换机,拥有业界最强大的KVM Over IP技术,将数据中心内的机架服务器、刀片服务器等多种具有键盘、鼠标和显示器接口的设备进行统一接入,并通过网络登录Dominion KX2对所连接的设备进行远程、深层次BIOS 级别访问。
Raritan带外管理系统使用手册1.Raritan设备简明操作手册1.1.DKX3系列Raritan DKX3交换机一般管理接管需要键盘、鼠标和显示器或者是需要图形化操作的设备。
如:Windows、SUN Solaris、HP-UX、IBM AIX、Linux等图形化操作的设备。
通过DKX3管理这些设备的需要在每个被管理设备上安装一个CIM模块,该模块是把键盘、鼠标和显示器接口转化为RJ45口通过五类线传输到DKX3设备上。
DKX3交换机到CIM模块连接使用五类网线,该线序为直通线。
CIM模块插到服务器上(针对PS/2模块安装,拆卸原有服务器上的鼠标和键盘顺序(先拔鼠标,再拔键盘和显示器)。
安装PS/2 CIM模块顺序(先插鼠标,再插键盘和显示器)。
顺序不要反了,否则服务器容易死机,USB CIM模块没有这方面的要求)。
目前CIM模块有以下几种:1、鼠标键盘是PS/2;2、鼠标键盘USB口3、SUN专用CIM模块DKX3与服务器的连接示意图:1.1.1.IP地址修改通过http:// 192.168.0.192直接管理,在管理界面中选择Device Setting NetWork,修改IP地址地址即可。
1.1.2.创建用户和用户组Raritan产品权限分组使用用户组的方式实现的。
创建用户组。
在管理界面User Management中,选择Add New User Group,添加用户组。
在该用户组添加要管理的端口等权限,这样该用户组下的用户就拥有管理这些端口的权限了。
在管理界面UserManagement中,选择Add New User 添加用户,同时选择该用户所在组。
以取保该用户的权限。
1.1.3.自定义端口名称在管理界面Device Setting中,选择Port Configure栏,选择要修改的端口即可。
5-1-IBMwindows-port1(注意:修改设备端口的名称是不能改变节点的名称的。
DKX2系列KVM简要维护说明1.DKX2功能简介Dominion KX2:数字式KVM交换机DCIM(D2CIM):服务器转接模块,主要包括PS/2接口,USB接口,SUN接口等。
2.DKX2系列设备摘要设备默认IP地址信息:默认IP:192.168.0.192/24访问方式:http://192.168.0.192设备默认用户名和密码:默认用户名:admin默认密码:raritan(已改成raritan0)3.连接CIM模块Raritan DKX2交换机一般用来管理需要键盘、鼠标和显示器或者是需要图形化操作的设备。
如:Windows、SUN Solaris、HP-UX、IBM AIX、Linux等图形化操作的设备。
通过DKX2管理这些设备,需要在每个被管理设备上安装一个CIM模块,该模块是把键盘、鼠标和显示器接口转化为RJ45口,然后通过五类线传输到DKX2设备上。
DKX2交换机到CIM模块连接使用五类网线,该线序为直通线。
CIM模块插到服务器上(针对PS/2模块安装,拆卸原有服务器上的鼠标和键盘(先拔鼠标,再拔键盘和显示器)。
安装PS/2 CIM模块顺序(先插鼠标,再插键盘和显示器)。
顺序不要反了,否则服务器容易死机。
USB CIM模块没有这方面的要求。
4.防火墙设置如果要通过网络远程访问DKX2设备,那么要在防火墙上开启TCP 80/443/5000端口,其中TCP5000端口可以自己在KVM系统中更改。
5.鼠标同步方式Intelligent:鼠标智能同步,针对windows、linux等常见服务器,自动调节鼠标同步,部分服务器需要手动调节,但是这种鼠标同步方式较慢。
Standard:标准鼠标同步,所有服务器均适用,需要调节服务器的鼠标加速度,这种鼠标同步方式较快。
①双鼠标模式:手动同步鼠标,请打开VKC客户端,点击“Mouse”,然后点击“Synchronize Mouse”或者直接在快捷菜单栏,点击双鼠标的那个快捷键。
蓝博森kvm使用方法
KVM(键盘、视频、鼠标)切换器是一种多电脑切换器,其使用方法如下:
1. 连接信号线:将KVM切换器的信号线连接到主机上,另一端的信号线可以连接任何端口,为了区分每个端口,可以进行图标标注。
2. 接通电源:将电源线的母头插入到KVM的电源插座中,公头插入到交流电的电源插口上,然后打开电源。
3. 拉出控制端:KVM切换器供电后,将控制端从机柜中完全拉出。
4. 连接主机和转接模块:将相应的端口连接好,显示屏上会出现相应的端口。
5. 选择端口:按下回车键即可使用。
若打开服务器或电脑的电源,所连接的相关端口的按键指示灯会显示绿色;若按下前面板上的端口数字,对应的端口按键指示灯会显示橙色,即可对主机进行操作。
在使用KVM切换器时,每一个步骤都要准确无误,如果在使用过程中遇到问题,可以及时联系相关专业人员进行处理。
Raritan带外管理系统使用手册1.Raritan设备简明操作手册1.1.DKX3系列Raritan DKX3交换机一般管理接管需要键盘、鼠标和显示器或者是需要图形化操作的设备。
如:Windows、SUN Solaris、HP-UX、IBM AIX、Linux等图形化操作的设备。
通过DKX3管理这些设备的需要在每个被管理设备上安装一个CIM模块,该模块是把键盘、鼠标和显示器接口转化为RJ45口通过五类线传输到DKX3设备上。
DKX3交换机到CIM模块连接使用五类网线,该线序为直通线。
CIM模块插到服务器上(针对PS/2模块安装,拆卸原有服务器上的鼠标和键盘顺序(先拔鼠标,再拔键盘和显示器)。
安装PS/2 CIM模块顺序(先插鼠标,再插键盘和显示器)。
顺序不要反了,否则服务器容易死机,USB CIM模块没有这方面的要求)。
目前CIM模块有以下几种:1、鼠标键盘是PS/2;2、鼠标键盘USB口3、SUN专用CIM模块DKX3与服务器的连接示意图:1.1.1.IP地址修改通过http:// 192.168.0.192直接管理,在管理界面中选择Device Setting NetWork,修改IP地址地址即可。
1.1.2.创建用户和用户组Raritan产品权限分组使用用户组的方式实现的。
创建用户组。
在管理界面User Management中,选择Add New User Group,添加用户组。
在该用户组添加要管理的端口等权限,这样该用户组下的用户就拥有管理这些端口的权限了。
在管理界面UserManagement中,选择Add New User 添加用户,同时选择该用户所在组。
以取保该用户的权限。
1.1.3.自定义端口名称在管理界面Device Setting中,选择Port Configure栏,选择要修改的端口即可。
5-1-IBMwindows-port1(注意:修改设备端口的名称是不能改变节点的名称的。
)1.1.4.设备升级在管理界面Maintenance中,选择Firmware Upgrade,上传从网站上下载的升级包进行升级即可。
注意:在升级过程中,一定要保证DKX系统不能断电。
1.1.5.分辨率和鼠标同步调试配置运行Microsoft Windows XP/2003 的目标服务器:a. 选择“开始”(Start) >“控制面板”(Control Panel) >“鼠标”(Mouse)。
b. 打开“指针选项”(Pointer Options) 选项卡。
在“动作”(Motion) 组中:- 将鼠标动作速度精确设置为中等速度。
- 禁用“提高指针精确度”(Enhanced pointer precision) 选项。
- 单击“确定”(OK)。
配置运行Microsoft Windows 2000 的目标服务器:a. 选择“开始”(Start) >“控制面板”(Control Panel) >“鼠标”(Mouse)。
b. 打开“动作”(Motion) 选项卡。
- 将加速设置为“无”(None)。
- 将鼠标动作速度精确设置为中等速度。
- 单击“确定”(OK)。
配置运行Microsoft Windows Vista 的目标服务器:a. 选择“开始”(Start) >“设置”(Settings) >“控制面板”(Control Panel) >“鼠标”(Mouse)。
b. 打开“指针选项”(Pointer Options) 选项卡。
在“动作”(Motion) 组中:- 将鼠标动作速度精确设置为中等速度。
- 禁用“增强的指针精度”(Enhanced pointer precision) 选项。
- 单击“确定”(OK)。
配置运行Linux(图形用户界面)的目标服务器:1. 配置鼠标设置:a. 选择“系统”(System) >“首选项”(Preferences) >“鼠标”(Mouse)。
将打开“鼠标首选项”(Mouse Preferences) 对话框。
b. 打开“动作”(Motion) 选项卡。
c. 将“速度加速”(Speed Acceleration) 设置为1。
d. 将“拖放阈值”(Drag & Drop Threshold) 设置为1。
2. 配置屏幕分辨率:a. 选择“系统”(System) >“首选项”(Preferences) >“屏幕分辨率”(Screen Resolution)。
将打开“屏幕分辨率首选项”(Screen Resolution Preferences) 对话框。
b. 选择Dominion KX II 支持的“分辨率”(Resolution) 和“刷新率”(Refresh Rate)。
注意:在许多Linux 图形环境中,可以使用命令<Ctrl> <Alt> <+> 滚动浏览XF86Config 文件中保持启用的所有可用分辨率,从而更改视频分辨率。
配置运行Linux(命令行)的目标服务器:1. 将鼠标加速精确设置为1,将阈值精确设置为1。
输入以下命令:xset mouse 1 1。
要在登录时执行,必须这样设置。
2. 请确保运行Linux 的每台目标服务器使用的是Dominion KX II 支持的标准VESA 分辨率和刷新率。
3. 还应当设置每台Linux 目标服务器,以使消隐时间在VESA 标准值的+/- 40% 范围内。
• 转到Xfree86 配置文件XF86Config。
• 使用文本编辑器,禁用Dominion KX II 不支持的所有分辨率。
• 禁用虚拟桌面功能(Dominion KX II 不支持)。
• 检查消隐时间(VESA 标准值的+/- 40%)。
• 重新启动计算机。
安装和配置Red Hat 9 目标服务器注意事项如果您使用D2CIM-VUSB 在目标服务器上运行Red Hat 9,并且遇到了与键盘或鼠标有关的问题,则您可以尝试另一种配置设置。
提示:即使操作系统是刚刚安装的,您可能也需要执行这些步骤。
配置使用D2CIM-VUSB 的Red Hat 9 服务器:1. 找到系统中的配置文件(通常是/etc/modules.conf)。
2. 使用您选择的编辑器,确保modules.conf 文件中的alias usb-controller 行如下所示:alias usb-controller usb-uhci注意:如果/etc/modules.conf 文件中有另一行使用usb-uhci,则必须将该行删除或注释掉。
3. 保存该文件。
4. 为使更改生效,请重新引导系统。
Sun Solaris 设置配置运行Sun Solaris 的目标服务器:将鼠标加速值精确设置为1,将阈值精确设置为1。
该设置可通过以下方式进行:- 从图形用户界面:图Solaris 鼠标配置- 通过命令行:xset mouse a t(其中,“a”是加速,“t”是阈值。
)所有目标服务器必须配置为Dominion KX II 所支持的某个显示分辨率。
Sun 计算机支持的最常用的分辨率如下:1024 x 768 @ 60 Hz1024 x 768 @ 70 Hz1024 x 768 @ 75 Hz1024 x 768 @ 85 Hz1152 x 900 @ 66 Hz1152 x 900 @ 76 Hz1280 x 1024 @ 60 Hz1600 x 1200 @ 60 Hz运行Solaris 操作系统的目标服务器必须输出VGA 视频(HV 同步,而非复合同步)。
将Sun 显卡输出由复合同步更改为非默认的VGA 输出:1. 使用Stop+A 命令下降到bootprom 模式。
2. 使用以下命令更改输出分辨率:setenv output-device screen:r1024x768x703. 使用boot 命令重新引导服务器。
Apple Macintosh 设置对于运行Apple Macintosh 操作系统的目标服务器,首选的方法是使用D2CIM-VUSB和绝对鼠标同步。
注意:如果遇到问题,请启用“端口”(Port) 页上的“MAC 服务器的绝对鼠标缩放”(Absolute mouse scaling for MAC server) 选项。
IBM AIX 设置配置运行IBM AIX 的目标服务器:转到“样式管理器”(Style Manager),单击“鼠标设置”(Mouse Settings),并将“鼠标加速”(Mouse acceleration) 设置为1.0,将“阈值”(Threshold) 设置为3.0。
B CIM匹配BIOS使用使用USB的CIM过程中,需要进入服务器BIOS时,在菜单中选择USB Profile Other Profile选择相应的USB类型1.1.7.VM功能的使用VM功能是通过KVM链路将客户端的数据传输至被管理服务器,实现数据传输等功能,客户端支持的媒介为ISO文件,本地硬盘、U盘、光盘、移动硬盘,服务器可以支持Windows2000以上的操作系统,大部分Redhat、Suse、Fedora等部分Linux操作系统及Mac OS操作系统。
服务器端必须采用D2CIM-VUSB转接模块1.1.8.自定义键盘宏1.1.9.鼠标同步方式调节Absolute:鼠标精准同步,针对windows服务器并配有D2CIM-VUSB,无需调节鼠标加速度,在双鼠标模式下,实现鼠标精确跟随模式Intelligent:鼠标只能同步,针对windows、linux等常见服务器,自动调节鼠标同步,部分服务器需要手动调节Standard:标准鼠标同步,所有服务器均使用,需要调节服务器的鼠标加速度1.1.10.对AIX和Windows的管理。