数控技术作业1
- 格式:doc
- 大小:29.00 KB
- 文档页数:1
题目1.下列叙述中,()是数控编程的基本步骤之一。
a. 对刀
b. 零件图设计
c. 传输零件加工程序
d. 程序校验与首件试切
【答案】:程序校验与首件试切
题目2.程序字由地址码+数字构成,在下列各字中,属于尺寸字的是()。
a. D02
b. U-18.25
c. H05
d. F150.0
【答案】:U-18.25
题目3.在下列代码中,属于非模态代码的是()。
a. S300
b. F120
c. G04
d. M08
【答案】:G04
题目4.程序校验与首件试切的作用是()。
a. 提高加工质量
b. 检验切削参数设置是否优化
c. 检验程序是否正确及零件的加工精度是否满足图纸要求
d. 检查机床是否正常
【答案】:检验程序是否正确及零件的加工精度是否满足图纸要求。
第1次作业一、单选题1. 数控机床按加工方式分类可分为:( )、金属切削类、特种加工类、其他类型。
A. 直线进给类B. 金属成型类C. 轮廓控制类D. 半闭环类2. 数控机床是采用数字化信号对机床的( )进行控制。
A. 运动B. 加工过程C. 运动和加工过程D. 无正确答案3. 采用经济型数系统的机床不具有的特点是( )A. 采用步进电动机伺服系统B. CPU可采用单片机C. 只配必要的数控功能D. 必须采用闭环控制系统4. 某控制系统,控制刀具或工作台以给定的速度沿平行于某一坐标轴方向,由一个位置到另一个位置精确定位,此种控制方式属于( )。
A. 点位控制B. 点位直线控制C. 轨迹控制D. 无正确答案5. 根据控制运动方式不同,机床数控系统可分为( )。
A. 开环控制系统、闭环控制系统和半闭环控制系统B. 点位控制系统和连续控制系统C. 多功能数控系统和经济型数控系统D. NC系统和CNC系统6. 数控机床的优点是( )A. 加工精度高、生产效率高、工人劳动强度低、可加工复杂面、减少工装费用B. 加工精度高、生产效率高、工人劳动强度低、可加工复杂面、工时费用低C. 加工精度高、专用于大批量生产、工人劳动强度低、可加工复杂面、减少工装费用D. 加工精度高、生产效率高、对操作人员的技术水平要求高、可加工复杂型面、减少工装费用7. 下面哪种数控机床不属于连续控制数控机床?( )A. 数控车床B. 数控铣床C. 数控线切割机D. 数控钻床8. 下列哪种机床不属于点位控制数控机床。
( )A. 数控钻床B. 坐标镗床C. 数控冲床D. 数控车床9. 数控机床的组成部分包括( )A. 输入输出装置、光电阅读机、PLC装置、伺服系统、多级齿轮变速系统、刀库B. 输入输出装置、CNC装置、伺服系统、位置反馈系统、机械部件C. 输入输出装置、PLC装置、伺服系统、开环控制系统、机械部件D. 输入输出装置、CNC装置、多级齿轮变速系统、位置反馈系统、刀库10.数控加工中数据转换过程中的主要步骤包括译码、( )、插补、位控环节。
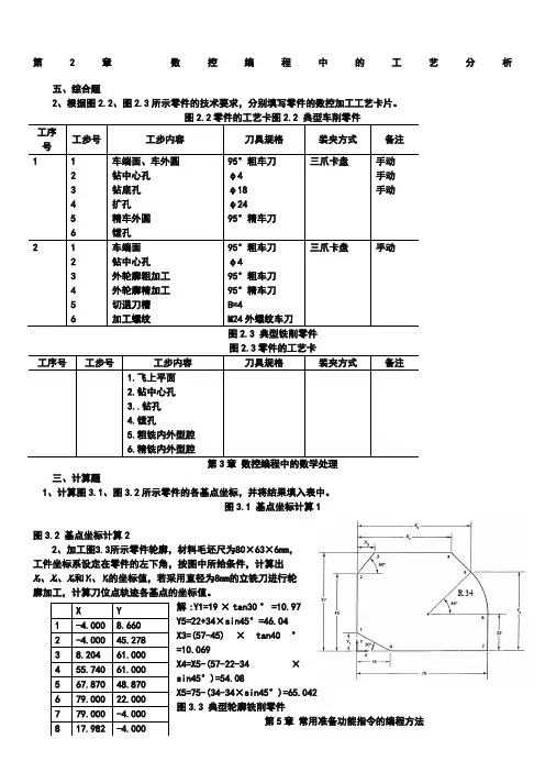
第2章数控编程中的工艺分析五、综合题2、根据图2.2、图2.3所示零件的技术要求,分别填写零件的数控加工工艺卡片。
图2.3 典型铣削零件第3章数控编程中的数学处理三、计算题1、计算图3.1、图3.2所示零件的各基点坐标,并将结果填入表中。
图3.1 基点坐标计算1图3.2 基点坐标计算22、加工图3.3所示零件轮廓,材料毛坯尺为80×63×6mm,工件坐标系设定在零件的左下角,按图中所给条件,计算出X3、X4、X5和Y1、Y5的坐标值,若采用直径为8mm的立铣刀进行轮廓加工,计算刀位点轨迹各基点的坐标值。
R 34解:Y1=19×tan30°=10.97X3=(57-45)×tan40°=10.069X4=X5-(57-22-34×sin45°)=54.08X5=75-(34-34×sin45°)=65.042图3.3 典型轮廓铣削零件第5章常用准备功能指令的编程方法SS五、编程题1、根据图5.1所示零件的轮廓尺寸,分别在G90、G91方式,用G00、G01指令按刀具轨迹(虚线为快速移动轨迹)写出加工程序,并填入程序单中。
2、仔细阅读下列程序,根据程序单,在图5.2的坐标网格中画出刀具运行的轨迹和零件轮廓。
图5.2 坐标网格3、根据图5.3所示零件的轮廓尺寸,在G90方式,用G00、G01、G02/G03指令按刀具轨迹(虚线为快速移动轨迹)写出加工程序,并填入程序单中。
若用91方式编程,程序需做那些改动。
图5.3 试题3的零件轮廓4指令写出刀具运行轨迹的NC 程序,填入程序清单。
图5.4 题4的零件轮廓第6章 刀具补偿指令及其编程方法五、编程题1、刀具起点在(-40,0),法向切入(-20,0)点,切一个40 mm 的整圆工件,并法向切出返回点(-40,0),刀具轨迹如图1所示。
利用刀具半径补偿指令,编写零件的轮廓加工程序。
中国地质大学武汉远程与继续教育学院数控技术及数控机床课程作业1共4 次作业学习层次:专升本涉及章节:第1章——第2章一、选择题1.数控机床的组成部分包括 BA.输入装置、光电阅读机、PLC装置、伺服系统、多级齿轮变速系统、刀库B.输入装置、程序载体、CNC装置、伺服系统、位置反馈系统、机械部件C.输入装置、程序载体、PLC装置、伺服系统、开环控制系统、机械部件D.输入装置、CNC装置、多级齿轮变速系统、位置反馈系统、刀库2.计算机数控系统的优点不包括 CA.利用软件灵活改变数控系统功能,柔性高B.充分利用计算机技术及其外围设备增强数控系统功能C.数控系统功能靠硬件实现,可靠性高D.系统性能价格比高,经济性好3.准备功能G代码中,能使机床作某种运动的一组代码是 A、G01、G02、G03、G40、G41、G42、G01、G02、G03、G90、G91、G92、G04、G18、G19、G40、G41、G42、G02、G03、G17、G40、G41、G424.对于卧式数控车床的坐标系,一般以主轴上夹持的工件最远端面作为Z轴的基准点,则Z 轴的正方向是AA.从此基准点沿床身远离工件的方向B.从此基准点沿床身接近工件的方向C.从此基准点垂直向上的方向D.从此基准点垂直向下的方向二、填空题1.能够自动改变机床切削用量,以便实时的适应机床加工状态的控制系统称为_自适应控制系统;2.确定数控机床坐标系时首先要确定Z轴,它是沿提供切削功率的主轴轴线方向; 3.自动编程计算机中的系统软件将程序员编写的源程序处理成计算机可以识别的形式,该系统软件称为编译或前置处理程序;三、编程题1.在图示零件上钻孔;请采用教材中给定的代码格式JB3208—83编制加工程序;要求:1在给定工件坐标系内用增量尺寸编程,图示钻尖位置为坐标原点;2坐标原点为程序的起点和终点,钻孔顺序为Ⅰ→Ⅱ→Ⅲ;3进给速度50mm/min,主轴转速600r/min;4钻通孔时,要求钻头钻出工件表面4mm;答:N G X Y Z F S M EOB X50 Y90 LF N010 G91G00LF N020 Z-11 S600 M03M08 N030 G01 Z-28 F50 LF N040 G00 Z28 LF N050 X60 LF N060 G01 Z-28 LF N070 G00 Z28 LF N080 X-30 Y-50 LF N090 G01 Z-19 LFLF N100 G00 Z30 M05M09 N110 X-80 Y-40 M02 LF 中国地质大学武汉远程与继续教育学院数控技术及数控机床课程作业2共4 次作业学习层次:专升本涉及章节:第3章——第4章一、选择题1.数控系统常用的两种插补功能是 CA.直线插补和螺旋线插补B.螺旋线插补和抛物线插补C.直线插补和圆弧插补D.圆弧插补和螺旋线插补 2.现代中高档CNC 系统中的计算机硬件结构多采用 DA.单CPU 、模块化结构B.单CPU 、大板结构C.多CPU 、大板结构D.多CPU 、模块化结构3.数控机床进给系统中采用齿轮传动副时,如果不采用消隙措施,将会 D A.增大驱动功率 B.降低传动效率 C.增大摩擦力 D.造成反向失动量4.滚珠导轨承受的载荷一定,结构尺寸允许的情况下,为提高刚度并降低成本,应采用的最为有利的方案是 BA.增大滚珠直径,适当增加滚珠数目B.增大滚珠直径,适当减少滚珠数目C.减小滚珠直径,适当增加滚珠数目D.减小滚珠直径,适当减少滚珠数目二、填空题1. 插补运算 的任务是以最简单的数学计算方法用微小的直线段去逼近工件的成型轮廓; 系统控制软件的典型结构有前后台型和 中断驱动型 ;3.在CNC 系统中,刀具补偿的作用是把工件轮廓轨迹转换成 刀具中心轨迹 ;三、分析题1. 用逐点比较法插补图示的第四象限直线,直线终点坐标取绝对值,图中TX i ,Y i 表示刀具位置,若刀具T 位于直线上方或直线上时,偏差函数F ≥0;若刀具T 位于直线下方时,偏差函数F<0;插补前,刀具位于直线的起点0,某时刻刀具原点到动点TX i ,Y i ,其偏差函数为F i =X a Y i -Y a X i ,试推导简化的偏差计算公式; 解.:1若F ≥0时,刀具沿X 轴正方向走一步,则F i+1= X a ∣Y i+1∣ -∣Y a ∣X i+1= X a ∣Y i ∣- ∣Y a ∣X i -∣Y a ∣ =F i -∣Y a ∣2若F<0时,刀具沿Y 轴负方向走一步,X i X iY i Y i +=+=-⎧⎨⎪⎩⎪111 即X i X iY i Y i +=+=+⎧⎨⎪⎩⎪111 则F i+1= X a ∣Y i+1∣-∣Y a ∣X i+1= X a ∣Y i ∣+1-∣Y a ∣X i+1 = X a ∣Y i ∣-∣Y a ∣X i +X a =F i +x a故得出第四象限直线的逐点比较法插补偏差计算公式为: F ≥0时,进给:+X,F i+1=F i -∣Y a ∣ F<0时, 进给:-Y,F i+1=F i -X a中国地质大学武汉远程与继续教育学院数控技术及数控机床 课程作业3共 4 次作业 学习层次:专升本 涉及章节:第5章 ——第6章一、选择题1.直线感应同步器定尺上是 CA.正弦绕组B.余弦绕组C.连续绕组D.分段绕组2.用光栅位置传感器测量机床位移,若光栅栅距为0.01mm,莫尔条纹移动数为1000个,若不采用细分技术则机床位移量为 CA.0.1mmB.1mmC.10mmD.100mm3.用直线感应同步器和数字显示系统测量位移,要求最大测量速度V max=9m/min,脉冲当量q=0.01mm,顾磁频率f DA.≥15HzB.≥90HzC.≥900HzD.≥15KHz4.可用于开环伺服控制的电动机是 DA.交流主轴电动机B.永磁宽调速直流电动机C.无刷直流电动机D.功率步进电动机5.经济型数控机床的进给驱动动力源主要选用BA.交流感应电动机B.步进电动机C.交流伺服电动机D.直流伺服电动机二、填空题1.考虑到电缆线的固定,为保证传感器的稳定工作,一般将直线光栅的主光栅安装在机床或设备的动板工作台上;2.步进电动机的相数和齿数越多,在一定的脉冲频率下,转速越低;三、简答题1.试述选用直流伺服电动机应遵循的原则;答:选用直流伺服电动机应遵循以下原则:1当机床在无切削运行时,在整个速度范围内,其负载转矩应在电动机的载荷特性额定转矩范围内;2最大切削转矩的倍数设定应在电动机载荷特性规定的范围内;3加减速时,应当工作在加减速区内;加减速时,总的转矩为负载转矩与惯性转矩之和,惯性转矩取决于加速度和负载惯量,而加速度取决于希望的加速时间;4负载惯量对电动机灵敏度及快速移动时间有很大影响;一般情况下,负载惯量不应超过电动机转子惯量的三倍;中国地质大学武汉远程与继续教育学院数控技术及数控机床课程作业4共4 次作业学习层次:专升本涉及章节:第7章——第9章一、选择题1.数控机床移动部件某点的定位误差A的表示公式为 CA. A=x±σ=x±2σ=x±3σ=x±4σ2.数控机床的伺服系统的开环增益为K,移动部件的速度为V,则跟随误差E可表示为D A.E=KV B.E=1/KVC.E=K/V D.E=V/K3.数控机床在某位置的定位误差的分布符合正态分布曲线的统计规律,其均方根误差σ反映了机床在该位置的AA.重复定位精度B.反向差值C.系统性误差D.失动量二、填空题1.在数控机床上以某一进给速度加工圆弧时,当伺服系统两轴的增益相同时,进给速度愈大,则轮廓误差越大;三、简答题1.试述数控机床的定位精度检测一般有哪些检测工具仪器现有一台三坐标联动的高精度数控铣床,试问应选用哪种仪器测量其定位精度;答:1数控机床的定位精度一般采用刻线基准尺和读数显微镜、激光干涉仪、光栅、感应同步器等测量工具进行测量;2高精度的数控铣床应选用双频激光干涉仪测量其定位精度;2.试述提高步进系统精度的措施及基本原理;答:措施:细分线路、反向间隙补偿、混合伺服系统;基本原理:(1)细分线路就是把步进电机的一步再分得细一些,来减小步距角;(2)反向间隙补偿就是根据实际测得的传动间隙的大小,每当出现反向时,用补充固定的脉冲来克服;(3)混合伺服系统就是在开环系统的基础上,在工作台上装有反馈元件如感应同步器进行检测,校正机械误差;3.数控机床的常用故障诊断方法有哪些答:1根据报警号进行故障诊断;2根据控制系统LED灯或数码管的指示进行故障诊断;3根据PC状态或梯形图惊醒故障诊断;4根据机床参数进行故障诊断;5用诊断程序进行故障诊断;6经验法;7换板法;中国地质大学武汉远程与继续教育学院数控技术及数控机床课程综合测试1学习层次:专升本时间:90分钟一.选择题1.当交流伺服电机正在旋转时,如果控制信号消失,则电机将会 D ;A.以原转速继续转动B.转速逐渐加大C.转速逐渐减小D.立即停止转动2.数控机床伺服系统是以 B 为直接控制目标的自动控制系统;A.机械运动速度B.机械位移C.切削力D.机械运动精度3.数控机床坐标轴的重复定位误差应为各测点重复定位误差中的 B ;A.平均值B.最大值C.最大绝对值D.最大值和最小值之差位计算机是指 CA.存储器的字由8个字节组成B.存储器有8KC.微处理器数据的宽度为8位D.数据存储器能存储的数字为8位5.光栅利用 C ,使得它能测得比栅距还小的位移量;A.莫尔条纹的作用B.数显表C.细分技术D.高分辨指示光栅6.采用“高压建流,低压定流”工作方式的步进电动机驱动电源是 BA.高压单电源型驱动电源B.高低压双电源驱动电源C.恒流斩波驱动电源D.调频调压型驱动电源7.增量式脉冲发生器,其单个又称单次脉冲的典型脉冲周期又称宽度为S5μ,现要求其最高允许测量转速为4000r/min,请选择每转脉冲数 B8.滚动导轨的摩擦系数是 CA.5.0025.0~μ=.025~=μ B.05.0C.005~00025.0=μ.0~.0μ D.00050025.0=9.数控机床的组成部分包括 BA.输入装置、光电阅读机、PLC装置、伺服系统、多级齿轮变速系统、刀库B.输入装置、程序载体、CNC装置、伺服系统、位置反馈系统、机械部件C.输入装置、程序载体、PLC装置、伺服系统、开环控制系统、机械部件D.输入装置、CNC装置、多级齿轮变速系统、位置反馈系统、刀库10.对于卧式数控车床的坐标系,一般以主轴上夹持的工件最远端面作为Z轴的基准点,则Z 轴的正方向是AA.从此基准点沿床身远离工件的方向B.从此基准点沿床身接近工件的方向C.从此基准点垂直向上的方向D.从此基准点垂直向下的方向二.填空题1.数控加工的编程方法主要有手工编程和自动编程两大类;2.用逐点比较法插补第一象限的斜线,若偏差函数等于零,刀具应沿X 轴的正向方向进给一步;3.刀具补偿指令可分为两大类,分别是刀具半径补偿指令和刀具长度补偿指令;4.数控机床按照控制原理的不同,分为开环控制的数控机床,闭环控制的数控机床,和半闭环控制的数控机床;5. 插补运算的任务是以最简单的数学计算方法用微小的直线段去逼近工件的成型轮廓; 三.简答题1.滚珠丝杠螺母副的预紧是怎么实现的,目的是什么常用的预紧方式有哪三种答:滚珠丝杠螺母副的预紧是通过改变两个螺母的相对位置,使每个螺母中的滚珠分别接触丝杠滚道的左、右两侧面来实现的;通过预紧可以消除滚珠丝杠螺母副的轴向间隙和提高轴向刚度;常用的预紧方式有双螺母垫片式预紧、双螺母螺纹式预紧和单螺母变导程式预紧; 2.简述DDA法与逐点比较法插补运动轨迹有何不同答:DDA法在某个插补迭代脉冲到来的时候可能不驱动伺服系统进给,可能沿某一个坐标方向发生进给,也可能沿两个坐标方向都发生进给;而逐点比较法在某个插补迭代脉冲到来的时候只能沿某一个坐标方向发生进给;四.编程题1.在数控车床上精加工图示零件的外轮廓不含端面;请采用教材中给定的代码格式JB3208-83编制加工程序;要求: 1数控车床的分辨率为0.01mm ;2在给定工件坐标系内采用绝对尺寸编程;3图示刀尖位置为程序的起点和终点;切入点为锥面的延长线上,其Z 坐标值为152; 4进给速度50mm/min,主轴转速700r/min;五.计算题利用数控机床加工第一象限逆圆弧SE ,起点为()5,0S ,终点为()3,4E ,圆心在原点()0,0O ,用逐点比较法插补此圆弧,请写出插补运算过程并画出运动轨迹图脉冲当量为1;解:如图1,插补完这段圆弧,刀具沿x 和y 轴应走的总步数为E S E S x x y y =-+-∑=2+4=6,故可设置一计数器G =6,x 或y 坐标方向进给时均在计数器中减去1,当∑=0时,停止插补;插补运算过程见表1,刀具的运动轨迹如图1所示;图1表1 逐点比较法圆弧插补运算过程中国地质大学武汉远程与继续教育学院数控技术及数控机床 课程综合测试2 学习层次:专升本 时间:90分钟一.选择题1.位置控制器输出的是数字量,要去控制调速单元,必须经过 B A .F/V 变换B .D/A 变换C .电流/电压变换D .电压/电流变换2.感应同步器采用鉴幅型工作时,滑尺上正弦绕组和余弦绕组的励磁信号分别是 B A .U m sin ωt 和U m cos ωtB .U 1sin ωt 和U 2cos ωtU 1≠U 2C .U 1sin ωt 和U 2cos ωtU 1≠U 2D .U m sin ω1t 和U m cos ω2t ω1≠ω2 3.直线感应同步器滑尺的正弦和余弦绕组在空间错开的电角度为 CA .π/6B .π/3C .π/2D .π4.采用逐点比较法插补第一象限的直线时,直线起点在坐标原点处,终点坐标是5,7,刀具从其起点开始插补,则当加工完毕时进行的插补循环数是CA.10 B.11C.12 D.135.经济型数控机床的进给驱动动力源主要选用BA.交流感应电动机B.步进电动机C.交流伺服电动机D.直流伺服电动机6. A 是无法用准备功能字G来规定或指定的;A.主轴旋转方向B.直线插补C.刀具补偿D.增量尺寸7.在确定数控机床坐标系时,首先要指定的是 C轴轴轴 D.回转运动的轴8.欲加工第一象限的斜线起始点在坐标原点,用逐点比较法直线插补,若偏差函数大于零,说明加工点在 B ;A.坐标原点B.斜线上方C.斜线下方D.斜线上9. A 主要用于经济型数控机床的进给驱动;A.步进电机B.直流伺服电机C.交流伺服电机D.直流进给伺服电机10.数控系统常用的两种插补功能是 CA.直线插补和螺旋线插补B.螺旋线插补和抛物线插补C.直线插补和圆弧插补D.圆弧插补和螺旋线插补二.填空题1.一个典型CNC系统一般由数控计算机、程序输入/输出装置和_机床控制装置_三部分组成;2.在轮廓控制中,为了保证一定的精度和编程方便,通常需要有刀具半径和长度补偿功能;系统中常用的插补方法中,脉冲插补法适用于以_步进_电机作为驱动元件的数据系统;数字增量插补法数据采样插补法一般用于直流伺服和交流伺服电机作为驱动元件的数控系统;4.滚珠丝杠螺母副按其中的滚珠循环方式可分为内循环和外循环两种;5.与机床主轴重合或平行的刀具运动坐标轴为 Z 轴,远离工件的刀具运动方向为Z轴正方向;三.简答题1.机床坐标系与工件坐标系的含义是什么请阐述它们之间的关系;答:机床坐标系指数控机床安装调试时便设定好的固定坐标系,并设有固定的坐标原点机械原点;工件坐标系指以确定的工件原点为基准所建立的坐标系;机床坐标系与工件坐标系的相应坐标轴一般相平行,方向也相同,但原点不同;工件原点与机床原点间的距离称为工件原点偏置,加工时,这个偏置值需预先输入到数控系统中;2.什么叫逐点比较插补法,一个插补循环包括哪几个节拍答:刀具在按照要求的轨迹运动时,每走一步都要和规定的轨迹比较一下,根据比较结果,决定下一步的移动方向,使刀具更接近规定的轨迹;一个插补循环包括:偏差判别、进给方向、偏差计算、终点判别四个节拍;四.编程题数控车编程,精加工如下图所示的零件粗线为零件轮廓,按照下列要求完成本题: 1 建立工件坐标系,标明工件原点、起刀点;答:建立工件坐标系,标明工件原点、起刀点见图3图32 确定加工路线和工艺,选择刀具; 答:确定加工路线和工艺,选择刀具 首先车削外形,再切槽,最后车螺纹;车外圆:主轴转速为S600r/min,进给速度为F150㎜/min ;切槽:主轴转速为S300r/min,进给速度为F100㎜/min ;车螺纹:主轴转速为S200r/min,进给速度为㎜/r; 螺纹外径=×÷4≈;螺纹牙深=×=; 螺纹内径≈螺纹外径-2×螺纹牙深=×=;选用三把刀:T01—车外圆;T02—切槽,刀刃宽3㎜;T03—车螺纹; 3 编制程序写出程序说明; 答: O0010N0010 G92 ;建立工件坐标系N0020 G00 X0 S600 T0101 M03 M08;快进到接近pO 点N0030 G01 Z0.0 F150;工进到pON0040 ;车端面N0050 ;车螺纹外表面 N0060 ;车端面N0070 G03 I0 ;圆弧倒角 N0080 ;车外圆 N0090 G02 K0;圆弧倒角 N0100 ;车端面N0110 ;车外圆N0120 G00 T0100 M05 M09;快回到换刀点N0130 S300 T0202 M03 M08;换刀、快速接近工件 N0140 G01 X24.0 F100;切槽 N0150 G04 ;延时5s N0160 G00 ;径向退刀N0170 T0200 M05 M09;快回到换刀点N0180 S200 T0303 M03 M08;刀具定位至螺纹车削循环点 N0190 G92 -21.5 F ;分三刀切削螺纹 N0200 ; N0210 ;N0220 G00 T0300 M05 M09;快回到换刀点N0230 S300 T0202 M03 M08;换刀、快速接近工件 N0240 G01 X0.0 F100;切断N0250 G00 T0200 M02;结束五.计算题利用数控机床加工第一象限直线OE ,原点为O ,E 为终点,坐标为()6,4E ,用DDA 法插补此直线,请写出插补运算过程并画出运动轨迹图脉冲当量为1;解:因终点最大坐标值为6,取累加器、被积函数寄存器、终点计数器均为三位二进制寄存器,N=3,则累加次数823==n ;插补运算过程见表1,插补轨迹见图2;中国地质大学武汉远程与继续教育学院数控技术及数控机床 课程综合测试3 学习层次:专升本 时间:90分钟一.选择题1.为了综合性地判断数控机床在实际切削加工条件下所能达到的精度,应做的检测试验项目是 D A.几何精度 B.插补精度 C.定位精度 D.工作精度 2.数控机床移动部件的位置偏差X 反映了移动部件在该点的 BA.定位误差B.系统性误差C.运动误差D.随机性误差3.数控机床的伺服系统的开环增益为K,移动部件的运动速度为V,则跟随误差E 可表示为D =KV=KV1 =V K =K V 4.普通的旋转变压器测量精度 C A.很高 B.较高 C.较低 D.很低5.感应同步器信号处理采用鉴幅型时,滑尺上正弦绕组和余弦绕组的励磁信号分别是 B和u m coswt 和u2sinwtu1≠u2和u m sinwt 和u2coswtu1≠u26.PWM是脉冲宽度调制的缩写,PWM调速单元是指CA.晶闸管相控整流器速度控制单元B.直流伺服电机及其速度检测单元C.大功率晶体管斩波器速度控制单元D.感应电动机变频调速系统7.闭环控制系统与半闭环控制系统的区别在于DA.采用的伺服电动机不同B.采用的传感器不同C.伺服电动机安装位置不同D.传感器安装位置不同8.对于数控机床闭环控制系统的伺服驱动元件,为了维护方便起见,最好采用BA.直流伺服电动机B.交流伺服电动机C.液压步进马达D.功率步进电动机9.某加工程序中的一个程序段为BN003 G90G19G94G02 I30.0 F200 LF该程序段的错误在于A.不应该用G90 B.不应该用G19C.不应该用G94 D.不应该用G0210.对于卧式数控车床的坐标系,一般以主轴上夹持的工件最远端面作为Z轴的基准点,则Z 轴的正方向是AA.从此基准点沿床身远离工件的方向B.从此基准点沿床身接近工件的方向C.从此基准点垂直向上的方向D.从此基准点垂直向下的方向二.填空题1.确定数控机床坐标系时首先要确定Z轴,它是沿提供切削功率的主轴轴线方向; 2.自动编程计算机中的系统软件将程序员编写的源程序处理成计算机可以识别的形式,该系统软件称为编译程序;3.对步进电机施加一个电脉冲信号,步进电机就回转一个固定的角度,这个角度叫做步距角 ,电机的总角位移和输入脉冲的数目成正比,而电机的转速则正比于输入脉冲的频率;4.脉冲发生器有二种类型:增量式和_绝对_式;5.每个脉冲信号使机床运动部件沿坐标轴产生一个最小位移叫脉冲当量; 三.简答题1.孔加工固定循环的基本组成动作有哪些并用图示说明;答:孔加工循环的组成动作有:①X、Y轴定位;②快速运动到R点参考点;③孔加工;④在孔底的动作;⑤退回到R点参考点;⑥快速返回到初始点;2.位置检测装置按检测信号的类型和构成伺服系统类型的不同分别分为几种请阐述各自的含义答:位置检测装置按检测信号的类型来分,可分成数字式与模拟式两大类;数字式是指将机械位移或模拟量转变为数字脉冲的测量装置;模拟式是指将机械位移量转变为感应电动势的相位或幅值的测量装置;按构成伺服系统类型可分为回转型检测装置和直线型检测装置;前者对机床的直线位移是间接测量,其测量精度取决于测量装置和机床传动链两者的精度;后者则是直接测量机床的直线位移,其测量精度主要取决于测量装置的精度,不受机床传动精度的直接影响;四.编程题如图所示为要在数控车床上加工的零件轮廓,零件毛坏为直径65mm、长度122mm的棒料三爪卡盘夹持部分20mm;所有外形一次切削成形;试按照教材中所学的代码格式JB3208-83编写其加工程序;已知与要求:(1)坐标原点设在如图所示O点,试在给定坐标系下采用绝对尺寸编写加工程序;编程加工时不考虑刀具副后面与被切形状的干涉问题,同时要求开始加工时先车端面2mm;在车完型面后退刀时按先X轴后Z轴顺序退至原来位置;2图示刀尖位置为程序的起点和终点;3进给速度50mm/min,主轴转速600r/min;五.计算题逐点比较法插补第一象限的直线,起点在坐标原点,终点坐标输入数控计算机后Xa=5,Ya=3;试按如下格式写出插补计算过程,并画出刀具插补运动轨迹图;。
大工23春《数控技术与编程》在线作业1
试卷总分:100 得分:100
一、单选题 (共 10 道试题,共 50 分)
1.数控机床的坐标运动是()。
【A.选项】主运动
【B.选项】副运动
【C.选项】进给运动
【D.选项】旋转运动
参考选项:C
2.()控制系统的数控机床没有位置检测元件。
【A.选项】开环
【B.选项】半开环
【C.选项】半闭环
【D.选项】全闭环
参考选项:A
3.车床主轴的转动是()。
【A.选项】主运动
【B.选项】副运动
【C.选项】进给运动
【D.选项】旋转运动
参考选项:A
4.数控机床的维修和操作较()。
【A.选项】简单
【B.选项】复杂
【C.选项】便宜
【D.选项】昂贵
参考选项:B
5.坐标联动数()。
【A.选项】等于机床所具有的坐标轴数
【B.选项】等于机床具有的伺服电动机数
【C.选项】指同一个插补程序控制的移动坐标数【D.选项】以上选项均不对
参考选项:C
6.()的联动可形成各种不同的加工表面。
【A.选项】主运动
【B.选项】副运动
【C.选项】进给运动
【D.选项】旋转运动
参考选项:C。
江苏开放大学形成性考核作业学号徐贺姓名2014070500077课程代码110042课程名称数控机床及应用技术评阅教师第 1 次任务共 4 次任务江苏开放大学《数控机床及应用技术》形成性考核作业1一、选择题(将正确选项填入表格对应题号下)1.闭环控制系统的位置检测装置装在( D )A.传动丝杠上 B.伺服电动机轴上 C.数控装置上 D.机床移动部件上2.数控钻床一般常采用( C )A.直线控制系统B.轮廓控制系统C.点位控制系统D.曲面控制系统3.数控车床一般有2根数控轴,通常是( B )轴。
A.X、Y B.X、Z C.Y、Z D.A、B4.下面哪个部分是数控机床的核心部分?( B )A. 控制介质B.数控装置C.伺服系统D. 测量装置5.将数控系统分为金属切削类数控机床、金属成型类数控机床、特种加工机床和其它类数控机床,是按照下面哪种分类方法进行分类的?( A )A.加工功能B.工艺路线C.有无检测装置D.是否计算机控制6.下列哪种数控系统没有检测装置?( A )A.开环数控系统B.全闭环数控系统C.半闭环数控系统D.以上都不正确7.闭环与半闭环控制系统的区别主要在于( D )的位置不同。
A.控制器B.比较器C.反馈元件D.检测元件;8. 数控机床的传动系统比通用机床的传动系统( B )。
A.复杂B.简单C.复杂程度相同D.不一定;二、填空题1.数控机床是采用了数字控制技术的机械设备,就是通过数字化的信息对机床的加工过程进行控制,实现要求的机械动作,自动完成加工任务。
2.数控机床与普通机床不同,数控机床加工零件的过程完全自动进行,是用数控代码和规定的程序格式正确地编制出数控程序,输入到数控装置,数控装置按程序要求控制机床,对零件进行加工。
3.数控机床按控制刀具与工件相对运动方式分为点位控制数控机床、点位直线控制数控机床和连续控制数控机床。
4.数控机床按进给伺服系统的类型分为开环控制系统、闭环控制系统和半闭环控制系统。
《数控技术》大作业复习一、回顾作业3月25日《数控技术》数控技术作业一、简答题:1.数控铣削的主要加工对象是什么?答、数控铣削的主要加工对象有以下几类:1)平面类零件2)变斜角类零件3)曲面类零件4)复杂零件5)高精度零件6) 一致性要求好的零件2.加工中心的主要加工对象是什么?答、加工中心的主要加工对象有以下几类:1)既有平面又有孔系的零件:2)结构形状复杂,普通机床难加工的零件3)外表不规则的异型零件4)周期性投产的零件5)加工精度要求高的中小批量零件6)新产品试制中的零件3.数控铣削和加工中心加工工艺主婴包括哪些内容?答、数控铣削和加工中心加工工艺主要包括如下内容:1)分析被加工零件的图样,明确加工内容及技术要求。
2)确定零件的加工方案,制定数控加工工艺路线,如划分工序、安排加工顺序、处理与非数控加工工序的衔接等。
3)加工工序的设计,如选取零件的定位基准、夹具方案的确定、工步划分。
刀具选择和确定切削用量等。
4)数控加工程序的调整,如选取对刀点和换刀点、确定刀具补偿及确定加工路线等.4.为什么要进行刀具补偿?答、刀具补偿分为刀具长度补偿和刀具半径补偿。
如果不进行长度补偿,我们在编程时就必须考虑刀具的实际长度和各把刀具的不同长度,这样就非常不方便,而刀具长度补偿功能它使刀具在Z方向上的实际位移量比程序给定的值增加或减少一个偏置量。
这使得在程序编制中,可以不必考虑刀具的实际长度以及各把刀具不同的长度尺寸,方便和简化了编程。
另外,在编程时是以刀位点进行编程,而刀位点与刀刃切削点间有一个半径的偏差,如果不进行刀具半径补偿,我们就必须增求出刀具刀位点的运动轨迹,这样编程也非常不方便。
当进行了半径补偿,可不必求出刀具刀位点的运动轨迹,只需按被加工工件轮廓曲线编程,同时在程序中给出刀具半径的补偿指令,就可加工出零件的轮廓曲线,使编程工作简化。
5.什么是固定循环指令?答、固定循环指令,主要用于孔加工,包括钻孔、扩孔、铰孔、镗孔和攻螺纹等.使用固定循环指令,一个程序段可以完成一个孔的全部动作(钻孔进给、退刀、孔底暂停等),达到简化程序、减少偏程工作量的目的。
江苏开放大学形成性考核作业学号徐贺姓名2014070500077课程代码110042课程名称数控机床及应用技术评阅教师第 1 次任务共 4 次任务江苏开放大学《数控机床及应用技术》形成性考核作业1一、选择题(将正确选项填入表格对应题号下)1.闭环控制系统的位置检测装置装在( D )A.传动丝杠上 B.伺服电动机轴上 C.数控装置上 D.机床移动部件上2.数控钻床一般常采用( C )A.直线控制系统B.轮廓控制系统C.点位控制系统D.曲面控制系统3.数控车床一般有2根数控轴,通常是( B )轴。
A.X、Y B.X、Z C.Y、Z D.A、B4.下面哪个部分是数控机床的核心部分?( B )A. 控制介质B.数控装置C.伺服系统D. 测量装置5.将数控系统分为金属切削类数控机床、金属成型类数控机床、特种加工机床和其它类数控机床,是按照下面哪种分类方法进行分类的?( A )A.加工功能B.工艺路线C.有无检测装置D.是否计算机控制6.下列哪种数控系统没有检测装置?( A )A.开环数控系统B.全闭环数控系统C.半闭环数控系统D.以上都不正确7.闭环与半闭环控制系统的区别主要在于( D )的位置不同。
A.控制器B.比较器C.反馈元件D.检测元件;8. 数控机床的传动系统比通用机床的传动系统( B )。
A.复杂B.简单C.复杂程度相同D.不一定;二、填空题1.数控机床是采用了数字控制技术的机械设备,就是通过数字化的信息对机床的加工过程进行控制,实现要求的机械动作,自动完成加工任务。
2.数控机床与普通机床不同,数控机床加工零件的过程完全自动进行,是用数控代码和规定的程序格式正确地编制出数控程序,输入到数控装置,数控装置按程序要求控制机床,对零件进行加工。
3.数控机床按控制刀具与工件相对运动方式分为点位控制数控机床、点位直线控制数控机床和连续控制数控机床。
4.数控机床按进给伺服系统的类型分为开环控制系统、闭环控制系统和半闭环控制系统。
12. 步进电机的转角,转速,旋转方向分别与()有关。
•••25分3.数控机床上直流电动机最常用的调速方法是()•••35分12. CNC装置由硬件和软件组成,软件在( )的支持下运行。
•••45分9. 在软件插补方法中,数据采样的插补方法要求控制系统是()。
•••55分1. 关于机床用可编程控制器PLC,下面表达正确的是:()••能;•按照机床运动的控制轨迹分类,加工中心属于()。
•A. 直线控制•B. 轮廓控制••C. 点位控制••D. 远程控制•85分10. 步进电机的转速与下面哪些因素无关?()•••95分8. 在给定圆弧半径和弦线误差极限的情况下,插补周期越短,进给速度()。
•••105分13. 在CNC系统的I/O接口电路中,采用光电耦合器的主要作用是为了( )•••115分1、按照机床运动的控制轨迹分类,加工中心属于()。
•••135分3.数控机床中常用的测量角度的测量元件是:()•••145分4. 刀尖半径左补偿G41指令,其方向的规定是()。
•••155分18. 数字积分插补中,为获得稳定的进给速度,需要进行()处理。
•••165分17. 可用于开环伺服控制的电动机是( )•••175分7.闭环与半闭环控制系统的主要区别是()的位置的不同。
检测装置••反馈装置••控制器••比较器•185分15. 一般而言,数据采样的插补周期T 与插补运算时间关系为()。
•••两者大小不确定•195分8. 步进电机每接收一个电脉冲信号,相应转过的一个固定角度称为( )•••17. ()是一种位移测量元件,通常装在被检测轴上,随被检测轴一起转动。
它可将被测轴的角位移转换成增量脉冲形式或绝对式的代码形式。
•••。
北交《数控技术及应用》在线作业一一、单选题(共 15 道试题,共 30 分。
)1. 世界上第一台数控机床是()年试制成功的。
. 1951. 1952. 1954. 1958正确答案:2. 下列显示器中不能显示字母X的是()。
. RT图形显示器. RT字符显示器. 七段L显示器. L显示器正确答案:3. 脉冲当量是指()。
. 每发一个脉冲信号,机床移动部件的位移量. 每发一个脉冲信号,伺服电机转过的角度. 进给速度大小. 每发一个脉冲信号,相应丝杠产生转角大小正确答案:4. 脉冲当量的大小决定了加工精度,下面脉冲当量对应的加工精度更高的是()。
. 1um/脉冲. 5um/脉冲. 10um/脉冲. 0.01mm/脉冲正确答案:5. 刀具长度正补偿是()指令。
. G43. G44. G49正确答案:6. “N”的含义是()。
. 数字控制. 计算机数字控制. 网络控制正确答案:7. 滚珠丝杠螺母副预紧的主要目的是()。
. 增加阻尼比,提高抗振性. 提高运动的平稳性. 消除轴向间隙和提高传动刚度. 加大摩擦力,使系统能自锁正确答案:8. MI方式是指()方式。
. 自动加工. 手动输入. 空运行. 单段运行正确答案:9. 下列数控系统没有检测装置的是()。
. 开环数控系统. 全闭环数控系统. 半闭环数控系统. 以上都不正确正确答案:10. G28、G29的含义为()。
. G28从参考点返回,G29返回机床参考点. G28返回机床参考点,G29从参考点返回. G28从原点返回,G29返回机床原点. G28返回机床原点,G29 从原点返回正确答案:11. 数控车床的数控系统通常采用()插补功能。
. 圆弧和抛物线. 直线和抛物线. 直线和圆弧. 螺旋线和抛物线正确答案:12. 尺寸链按功能分为设计尺寸链和()尺寸链。
. 平面. 装配. 零件. 工艺正确答案:13. 沿刀具前进方向观察,刀具偏在工件轮廓的左边是()指令。
1.数控机床进给系统的机械传动结构中,结构最筒单的导轨()。
A.静压导轨B.滚动导轨C.塑料导轨D.气动导轨【参考答案】: C2.加工中心工序集中所带来的问题是()。
A.工件的温升经冷却后影响工件精度B.加工中无法释放的应力,加工后释放,使工件变形C.切屑的堆积缠绕影响工件表面质量D.以上三项均正确【参考答案】: DC系统一般可用几种方式得到工件加工程序,其中MDI是()。
A.利用磁盘机读入程序B.从串行通信接口接收程序C.利用键盘以手动方式输入程序D.从网络通过Modem接收程序【参考答案】: C4.位置检测装置按测量的方式分为( )。
A.数字式和模拟式B.增量式和绝对式C.直接和间接D.开环与闭环【参考答案】: C5.数控机床中的核心部件是( ),就象人的大脑。
A.数控程序B.伺服驱动系统C.数控系统D.机床本体【参考答案】: CC系统通过输入装置输入的零件加工程序存放在()。
A.EPROM中B.RAM中C.ROM中D.EEPROM中【参考答案】: B7.在机床、工件一定的条件下,如何解决振动造成的加工质量()。
A.提高转速B.提高切削速度C.合理选择切削用量、刀具的几何参数 D.每种方法都可以【参考答案】: D8.脉冲当量决定着加工精度,下列那种脉动当量对应的加工精度更高。
A.1um/脉动B.5um/脉动C.10um/脉动D.0.01mm/脉动【参考答案】: A9.按照机床运动的控制轨迹分类,加工中心属于()。
A.轮廓控制B.直线控制C.点位控制D.远程控制【参考答案】: A10.用光栅位置传感器测量机床位,若光栅栅距为0.01mm,莫尔条纹移动1000个,则机床位移量()。
A.0.1mmB.1mmC.10mmD.100mm【参考答案】: C11.回零操作就是使运动部件回到()。
A.机床机械坐标系原点B.机床的机械零点C.工件坐标的原点【参考答案】: B12.首次加工的零件,须要试切。
试切时的快速倍率开关要置于()。
大工13秋《数控技术》在线作业1,2,3 大工13秋《数控技术》在线作业1试卷总分:100 测试时间:--单选题判断题、单选题(共10 道试题,共50 分。
)1.单独的主运动()形成各种不同的加工表面。
A. 能B. 不能C. 以上选项都对D. 以上选项都不对满分:5分2.坐标联动数()机床所具有的坐标轴数。
A. 等于B. 不等于C. 以上选项都对D. 以上选项都不对满分:5分3.冲床属于()。
A. 点位控制B. 轮廓控制C. 圆周控制D. 以上均不对满分:5分4.闭环伺服系统内()位置检测反馈装置。
A. 有B. 没有C. 有的有,有的没有D. 以上都不对满分:5分5.数控机床按()可分为普通数控机床和加工中心。
A. 工艺特点B. 加工路线C. 有无检测装置D. 可联动的坐标轴数满分:5分6.数控机床()完成普通机床不能完成的复杂表面加工。
A. 能B. 不能C. 以上选项都对D. 以上选项都不对满分:5分7.数控车床属于()。
A. 点位控制B. 轮廓控制C. 圆周控制D. 以上均不对满分:5分8.机床出厂时已确定的坐标系是()。
A. 机床坐标系B. 工件坐标系C. 直角坐标系D. 右手直角笛**尔坐标系满分:5分9.下列运动中属于进给运动的是()。
A. 数控机床的坐标运动B. 车床主轴的转动C. 钻头的转动D. 铣**的转动满分:5分10.()用来选**具。
A. F代码B. G代码C. T代码D. S代码满分:5分大工13秋《数控技术》在线作业1试卷总分:100 测试时间:--单选题判断题、判断题(共10 道试题,共50 分。
)1.数控系统的组成部分不包括排屑装置。
A. 错误B. 正确满分:5分2.G代码用来规定主轴转速。
A. 错误B. 正确满分:5分3.数控铣床属于轮廓控制机床。
A. 错误B. 正确满分:5分4.数控机床按工艺用途可分为点位控制数控机床和轮廓加工数控机床。
A. 错误B. 正确满分:5分5.数控编程时用的坐标系是工件坐标系。
国开电大数控编程技术形考作业1参考答案题目1.下列叙述中,()是数控编程的基本步骤之一。
a.对刀b.零件图设计c.传输零件加工程序d.程序校验与首件试切【答案】:程序校验与首件试切题目 2.程序字由地址码+数字构成,在下列各字中,属于尺寸字的是()。
a. D02b. U-18.25c. H05d. F150.0【答案】:U-18.25题目 3.在下列代码中,属于非模态代码的是()。
a. S300b. F120c. G04d. M08【答案】:G04题目4.程序校验与首件试切的作用是()。
a.提高加工质量b.检验切削参数设置是否优化c.检验程序是否正确及零件的加工精度是否满足图纸要求d.检查机床是否正常【答案】:检验程序是否正确及零件的加工精度是否满足图纸要求题目 5.在数控系统中,用于控制机床或系统开关功能的指令是()。
a. G代码b. T代码c. M代码d. F代码【答案】:M代码题目 6.程序段G00 G01 G03 G02 X20.0 Y40.0 R12.0 F160;最终执行()指令。
a. G02b. G03c. G00d. G01【答案】:G02题目7.图1为孔系加工的两种刀具路径,对加工路线描述不正确的是()。
图1孔系加工路线方案比较a.生产效率a>bb.定位误差a<bc.运行时间a<bd.行程总量a<b【答案】:定位误差a<b题目8.在编程时,当选定了刀具及切削速度以后,应根据()确定主轴转速。
a. n =1000 /πvC Db. n=1000πD /vCc. n =vCπD /1000d. n=1000vC/πD【答案】:n=1000vC/πD题目9.采用恒线速度进行车削控制,已知工件的直径是Φ80 mm,若切削时的线速度为200m/min,则这时的主轴转速约为()r/min。
a. 683b. 80c. 490d. 796【答案】:796题目10.若在某实体钢质材料加工4-Φ12H7的孔系,孔深18 mm,较好的用刀方案是()。
《数控技术》作业年级专业姓名一.判断题(每小题1分,共10分)1.(√)数控系统的主要功能是控制运动坐标的位移及速度。
2.(×)轮廓控制数控系统控制的轨迹一般为与某一坐标轴相平行的直线。
3.(√)数控机床几何精度的检测验收必须在机床精调后一次完成,不允许调整一项检测一项。
4.(×)当脉冲放电能量相同时,热导率愈小的金属,电蚀量会降低。
5.(×)旋转变压器能测量直线位移和角位移。
6.(√)闭环控制数控系统的控制精度高于开环控制数控系统的控制精度。
7.(√)目前来讲,FANUC 0系统是普及型数控系统,而SINUMERIK 840D是高档型数控系统。
8(×)数控加工程序输入NC装置后,CNC-CPU立即进行几何数据处理和速度预计算,不需进行译码处理。
9.(√)进行几何变换和补偿计算的数控功能程序是为了方便零件加工程序编制者而设计的。
10.(√)CNC装置确定机床的基准点是通过回参考点(reference)建立的。
二.选择题(每小题1分,共16分)1. 数据采样插补的结果是 A 。
A. 一个数字量B. 单个脉冲C. 两者都不是2.对于一个采用脉冲增量插补算法的CNC系统来讲,要求的脉冲当量越小,即精度越高,则所能达到的最大进给速度越 B 。
A. 高B. 低C. 不确定3. 欲加工一条与X轴成30°的直线轮廓,应采用 C 数控机床。
A. 点位控制B. 直线控制C. 轮廓控制4. 经济型数控车床多采用 C 控制系统。
A. 闭环B. 半闭环C. 开环5.用铣刀加工轮廓时,其铣刀半径应 C 。
A、选择尽量小一些B、大于轮廓最小曲率半径C、小于或等于零件凹形轮廓处的最小曲率半径D、小于轮廓最小曲率半径6.开环系统多采用 A 作为执行元件。
A. 步进电动机B. 交流伺服电动机C. 直流伺服电动机7.逐点比较法属于哪一类插补算法? AA. 脉冲增量插补法B. 数据采样插补法C. 两者都不是8. 数控机床组成如图所示,其中 C 把来自CNC装置的微弱指令信号通过调节、放大后驱动伺服电动机,通过传动系统驱动机床运动,使工作台精确定位或使刀具与工件按规定的轨迹作相对运动,最后加工出符合图纸要求的零件。
一、判断(共计60分,每题2.5分)1、CNC装置有两个及以上的CPU,就是多处理器结构系统。
A. 正确B. 错误错误:【B】2、C功能刀具补偿不能处理两个程序段间转换(尖角过渡)的各种情况。
A. 正确B. 错误错误:【B】3、感应同步器属于模拟式、绝对式测量元件。
A. 正确B. 错误错误:【B】4、快速定位指令G00的移动速度由用户指定。
A. 正确B. 错误错误:【B】5、脉冲编码器是一种旋转式的角位移的传感器,也可用于测量转速。
A. 正确B. 错误错误:【A】6、数控机床较适用于大批量零件的加工。
A. 正确B. 错误错误:【B】7、某反应式步进电机,相数m=4,转子齿数Z=60,控制方式系数K=1,则步距角为1.5°。
A. 正确B. 错误错误:【A】8、顺着刀具前进的方向观察,刀具偏在工件轮廓的右边时,采用的刀具半径补偿指令为G41。
A. 正确B. 错误错误:【B】9、数控机床若有旋转轴时,旋转轴为A是指绕Z轴旋转的轴。
A. 正确B. 错误错误:【B】10、模态代码一经在一个程序段中指定便持续有效,直到后续的程序段中出现同组的另一代码才失效。
A. 正确B. 错误错误:【A】11、在数控机床编程中,为了编程方便,一律规定刀具固定,工件移动。
A. 正确B. 错误错误:【B】12、数据采样插补算法主要应用于步进电动机驱动的经济型数控机床中。
A. 正确B. 错误错误:【B】13、按进给运动轨迹,数控机床可分为点位控制系统、直线控制系统和轮廓控制机床。
A. 正确B. 错误错误:【A】14、轮廓控制机床的特点是要控制刀具移动轨迹,将工件加工成一定的轮廓形状。
A. 正确B. 错误错误:【B】15、数控系统具有刀具半径补偿功能,则可用同一加工程序,实现对零件的粗、精加工。
A. 正确B. 错误错误:【A】16、程序编制中首件试切的作用是检验程序的正确性,并能综合检验零件的加工精度。
A. 正确B. 错误错误:【A】17、采用交流伺服电机的进给伺服系统必定有位置检测装置。
数控编程技术作业学员请注意:每章必须用稿纸做。
12月20日前和其它作业一起交电大,不交者考试成绩为0分。
形成性考核作业(1)一、单项选择题(15道题,每小题3分,共45分)1.下列M指令中,不能对程序进行控制的是( )。
A.M01 B.M02C. M30 D.M082.程序字由地址码+数字构成,在下列各字中,不属于尺寸字的是( )。
A.R15.3 B.U—12.64C.I一13.88 D.F150.04.执行程序段“G91 G03 X60.0 Y80.0 1—30.0J40.0 F120.0”时,刀具的加工轨迹是( )A. 半径为50.0的二分之一圆弧B.半径为50.0的四分之一圆弧C. 半径为50.0的四分之三圆弧D.半径为50.0的整圆5.在FANUC数控系统中,下列代码可以实现宏程序非模态调用的是( )。
A.G85 B.G65C.G55 D.M506.在X、Y平面,刀具从点(50,100)快速移动到点(50,60),下面用增量坐标表示不正确的语句是( )。
A.G91 G00 X0 Y一40.0 B.G00 V一40.0C.G00 U0 V一40.0 D.G00 V0 W一40.07.下列程序段中,在YZ平面内进行插补的语句是( )。
A.G17 G9l G02 X15.4 R22。
0B.G91 G18 G03 Z—10.0 R—13.0C.G91 G19 G02 Y4.5 R0.85D.G91 G16 G02 X11.575 Z0 R0.558.在车削加工中,若采用直径编程,对程序段:N60 G71 P90 Q150 U0.6 W0.1 D2.5 F0.3 S500;解释错的是( )。
A. 指令P90、Q150分别指定精加工语句的起始和终止行号B.执行该固定循环后,用于精加工的单边余量分别为0.6mm、0.1 mmC.该指令为粗车固定循环,每次吃刀深度为2.5mmD.进给速度为0.3 mm/r,主轴转速500r/min9.在现代数控系统中都有子程序功能,FANUC数控系统中,能够正确调用子程序的编程语句是( )。
数控技术作业1
(1)数控机床由哪几部分组成?各部分的基本功能是什么?
(2)什么是点位控制、直线控制、轮廓控制数控机床?三者如何区别?
(3)按照伺服系统的控制原理分类,分为哪几类数控机床?各有何特点?
答:(1)数控机床是数值控制的工作母体的总称。
一把由输入输出设备、数控装置、伺服系统、测量反馈装置和机床本体组成。
输入输出设备主要实现程序编制、程序和数据的输入和显示、存储和打印。
数控装置是机床的核心,它接受来自出入设备的程和数据,并按输入信息的要求完成数值运算、逻辑判断和输入输出控制等功能。
伺服系统是接受数控装置的指令,驱动机床执行机构运动的驱动部件(如主轴驱动、进给驱动)。
测量反馈装置该装置由测量部件和响应的测量电路组成,其作用是检测速度和位移,并将信息反馈给数控装置,构成闭环控制系统。
机床本体是数控机床的主体,是用于完成各种切削加工的机械部分,包括床身、立柱、主轴、进给机构等机械部件。
(2)主要是走刀路线的控制上的区别。
1.点位控制:刀具移动过程不加工,是指只定位,不需要插补或插补精度够低,经济型机床。
2.直线控制:移动时加工,是指直线插补,相对来说只是一些简单的插补运动,机加工机床。
3.轮廓控制:相对于直线控制,走到路线不一定是直线,有可能是曲线(平面或者空间),是指多轴插补,含圆弧,曲面,空间几何,复杂插动,模具类型机床。
(3)1.开环控制数控系统:这类数控系统不带检测装置,也无反馈电路,以步进电动机为驱动元件。
CNC装置输出的指令进给脉冲经驱动电路进行功率放大,转换为控制步进电动机各定子绕组依此通电/断电的电流脉冲信号,驱动步进电动机转动,再经机床传动机构(齿轮箱,丝杠等)带动工作台移动。
这种方式控制简单,价格比较低廉,被广泛应用于经济型数控系统中。
2.半闭环控制数控系统:位置检测元件被安装在电动机轴端或丝杠轴端,通过角位移的测量间接计算出机床工作台的实际运行位置(直线位移),并将其与CNC装置计算出的指令位置(或位移)相比较,用差值进行控制。
由于闭环的环路内不包括丝杠、螺母副及机床工作台这些大惯性环节,由这些环节造成的误差不能由环路所矫正,其控制精度不如闭环控制数控系统,但其调试方便,可以获得比较稳定的控制特性,因此在实际应用中,这种方式被广泛采用。
3.全闭环控制数控系统:位置检测装置安装在机床工作台上,用以检测机床工作台的实际运行位置(直线位移),并将其与CNC装置计算出的指令位置(或位移)相比较,用差值进行控制。
这类控制方式的位置控制精度很高,但由于它将丝杠、螺母副及机床工作台这些大惯性环节放在闭环内,调试时,其系统稳定状态很难达到。