风机消音器说明1
- 格式:doc
- 大小:42.50 KB
- 文档页数:3
风机消声器原理
风机消声器是一种用于降低风机噪声的装置。
它采用了一系列的声学原理来减轻和控制风机噪声的传播。
首先,风机消声器利用声学吸声材料来吸收和阻尼噪声的能量。
这些材料通常是多孔的,具有开放的细小孔隙结构,可以将入射噪声能量转化为热能。
这样可以有效地减少声波的反射和传播,从而降低噪声的影响。
其次,风机消声器还采用了声学屏蔽的原理。
它通过在风机和噪声源之间设置一定的距离和屏蔽结构来减少噪声的传播。
这种屏蔽结构可以是实心的,也可以是多孔的,其目的是通过反射和散射来减少噪声的传播路径。
此外,风机消声器还利用了声学反射和折射原理。
通过设计和优化消声器的形状和结构,可以使得入射的噪声波在消声器内部发生反射和折射,从而改变声波的传播方向和路径。
这样可以进一步减少噪声的传播和扩散。
最后,风机消声器还可以通过综合运用各种声学原理来实现更好的噪声控制效果。
例如,可以结合使用吸声材料、声学屏蔽和声波反射等手段,以达到最佳的消声效果。
综上所述,风机消声器利用各种声学原理来降低风机噪声的传播和影响。
它通过吸声、屏蔽、反射和折射等手段来控制噪声的传播路径和方向,从而达到减少噪声的目的。
这些原理的综
合运用可以使得风机消声器在各种不同的工程环境中都能取得较好的噪声控制效果。
消声器介绍消声器(Muffler),是阻止声音传播而允许气流通过的一种常见声学器件,是消除空气动力性噪声的重要措施。
消音器是安装在空气动力设备(如鼓风机、空压机、锅炉排气口、发电机、水泵等排气口噪音较大的设备)的气流通道上或进、排气系统中的降低噪声的装置。
消音器的种类很多,但究其消声机理,又可以把它们分为六种主要的类型,即阻性消音器、抗性消音器、阻抗复合式消音器、微穿孔板消音器、小孔消音器和有源消音器。
常见消声器的声频谱特性如下:1. 阻性消声器将多孔吸声材料固定在气流通道内壁,或按一定排列方式固定在管道中,以降低气流噪声的装置。
适用于降低中高频的宽带噪声。
主要类型有直管式、片式、蜂窝式、折板式、弯头式、声流式和迷路式等消声器。
消声器使用的吸声材料与护面层材料,应根据气流管道中的使用条件(风速、温度、水分含量、腐蚀性等)进行选择。
阻性消声器具有设计简单、易于制做、压力降小、性能比较可靠等优点,一般多用在风机的进排风通道上。
消声量约为10~20dB/m。
直管式消声器的声衰减量可由下式计算:式中,△L 为声衰减量,dB;Φ(α0) 为消声系数,是多孔吸声材料的垂直入射吸声系数α0 的函数,换算关系见表1。
P 为气流通道上吸声材料的饰面周长,m;s 为气流通道的横截面积,m²;i 为消声器的有效长度(有吸声材料饰面部分),m。
表2 消声系数Φ(α0) 和吸声系数α0的函数关系(经验值)若消声器通道截面相对较大,高频声波呈束状直接通过,与吸声材料很少或不完全接触,消声量就会明显下降,称作高频失效。
消声量开始明显下降的频率称作上限失效频率,可按下面的经验式计算:式中,f上为上限失效频率,Hz;c 为管道中的声速,m/s;D 为通道直径(圆管)或管道截面边长平均值(矩形)。
2. 抗性消声器利用改变气流通道的截面积或旁接共振腔、支管,使声波产生反射、共振或干涉,达到消声目的装置。
适用于降低中低频噪声,主要类型有扩张室式、共振式与干涉式消声器,如下图。
消声器使用说明书
一.产品适用范围规格型号
该消声器适用于襄樊金鹰570KW工程车,用来降低噪声和净化发动机所排气体。
二. 产品规格尺寸
1.外形尺寸:
长X宽X高:1150X490X490
2.连接尺寸:
发兰外径为∮280 内径为∮204其上有8个∮13的螺孔均布在直径径为∮250的圆周上。
三. 产品技术性能
1.插入损失≥25dB(A)
2.排气背压≤6KPa
3.功率损失比≤3%
四. 产品的维护与保养
1.连接部位建议用M12 8.8级普通镀锌螺栓。
2.正常使用过程中,定期(每三个月)检查各连接部位的螺栓是
否有松动、脱落现象。
3.消声器外壳若有灰尘、油渍等杂物,用细棉纱布夹杂化石粉、
擦拭。
4.装配以及使用时,不能用硬物敲打撞击消声器外壳,以免造成
表面损伤。
5.消声器工作时,请勿触摸。
6.消声器避免雨淋‘。
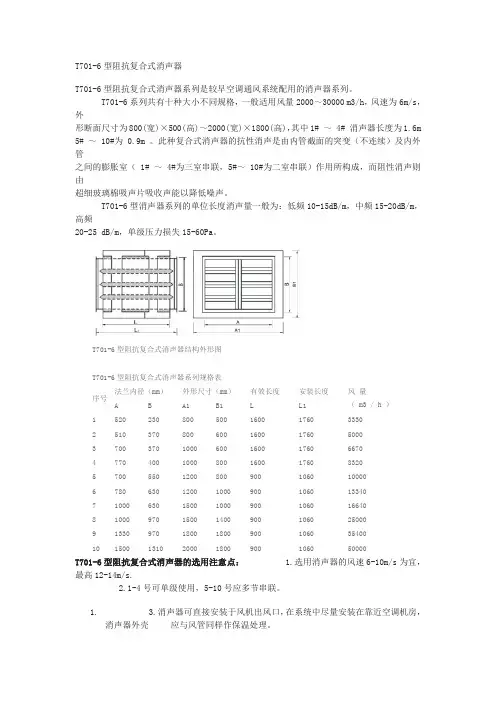
T701-6型阻抗复合式消声器T701-6型阻抗复合式消声器系列是较早空调通风系统配用的消声器系列。
T701-6系列共有十种大小不同规格,一般适用风量2000~30000 m3/h,风速为6m/s,外形断面尺寸为800(宽)×500(高)~2000(宽)×1800(高),其中1# ~ 4# 消声器长度为1.6m 5# ~ 10#为 0.9m 。
此种复合式消声器的抗性消声是由内管截面的突变(不连续)及内外管之间的膨胀室( 1# ~ 4#为三室串联,5#~ 10#为二室串联)作用所构成,而阻性消声则由超细玻璃棉吸声片吸收声能以降低噪声。
T701-6型消声器系列的单位长度消声量一般为:低频10-15dB/m,中频15-20dB/m,高频20-25 dB/m,单级压力损失15-60Pa。
T701-6型阻抗复合式消声器结构外形图T701-6型阻抗复合式消声器系列规格表序号法兰内径(mm)外形尺寸(mm)有效长度安装长度风量( m3 / h )A B A1 B1 L L11 520 230 800 500 1600 1760 33302 510 370 800 600 1600 1760 50003 700 370 1000 600 1600 1760 66704 770 400 1000 800 1600 1760 83205 700 550 1200 800 900 1060 100006 780 630 1200 1000 900 1060 133407 1000 630 1500 1000 900 1060 166408 1000 970 1500 1400 900 1060 250009 1330 970 1800 1800 900 1060 3540010 1500 1310 2000 1800 900 1060 50000T701-6型阻抗复合式消声器的选用注意点: 1.选用消声器的风速6-10m/s为宜,最高12-14m/s.2.1-4号可单级使用,5-10号应多节串联。
风机消音器的原理风机消音器的原理是通过减少风机产生的噪音,并将其噪音吸收、反射、散射或隔离,从而实现噪音降低的效果。
它主要由消音腔体、消音材料和消音结构组成。
消音腔体是风机消音器的重要组成部分,它是由声音反射和吸音面所构成的空腔。
在风机工作时,腔体内的空气受到风机产生的气流及噪音的作用,在腔体内形成压力和振动。
通过合理设计消音腔体的形状和尺寸,可以改变噪音的传播路径和振动特性,从而降低噪音。
消音材料是风机消音器中的关键因素之一。
它可以通过吸音、反射和散射等方式来减轻噪音。
一般来说,消音材料应具有较高的表面积和孔隙率,以增加声波与材料表面的接触面积和吸收能力。
常用的消音材料包括吸音棉、吸音板、吸音板等。
吸音棉是一种多孔材料,具有较强的吸音能力,能够有效地吸收噪音能量,减少噪音的反射。
吸音板是一种多孔板材,其表面具有微孔结构,能够将噪音反射为热能,并将其吸收。
散射板是一种具有不规则形状的板材,能够将噪音以不同角度散射,使其能量分散,减少噪音的聚集和传播。
消音结构是风机消音器的另一个重要组成部分。
它主要包括消音导管、消音器壳体和消音器出口等。
消音导管是将吸音、反射和散射等效果最大化的关键部件,它可以通过改变其长度、直径和结构形式等参数来调节风机噪音的传播路径和特性。
消音器壳体是一个封闭的结构,可以减少噪音的泄漏。
壳体内部通常会安装消音材料,以提高消音效果。
消音器出口是风机噪音传播的关键路径,通过合理设计出口结构,可以减少噪音的泄漏和散射,从而降低噪音。
总体来说,风机消音器的原理是通过消音腔体、消音材料和消音结构等多种方式来减少风机产生的噪音。
消音腔体可以改变噪音的传播路径和振动特性,消音材料可以通过吸音、反射和散射等方式减轻噪音,并将其能量转化为其他形式。
消音结构可以减少噪音的泄漏和散射,从而降低噪音的传播。
通过综合利用这些原理,风机消音器可以达到降噪效果,提供一个相对安静的工作环境。
消声器技术规格书1. 环境条件1.1 本工程为室内安装的消声器,应能在环境温度-10℃~45℃范围内、相对湿度不超过98%、风井设置在交通干道附近空气恶劣的条件下,在使用寿命期内能正常工作;1.2 安装位置及型式:本工程风亭内设计为整体式的消声器,与风管连接。
1.3 供货商提供的产品应满足以下规范要求:1)《城市综合管廊工程技术规范》(GB50838-2015)2)《建筑设计防火规范》(GB50016-2014)3)《工业建筑供暖通风与空气调节设计规范》(GB50019-2015)4)《工业企业卫生设计标准》(GBZ1-2010)2 整体要求2.1 基本要求1) 供货商提供的系统消声器必须符合本技术规格书和相关标准的要求。
2) 供货商应根据通风空调系统方案、风机等噪声源特性、室内噪声控制标准、风亭所处位置的室外噪声控制标准,进行消声器的设计方案审查,达到系统整体消声效果,满足环评验收要求。
3) 正常使用寿命:不小于25年。
4) 消声器应结构合理,有足够的强度和刚度,满足水平安装要求,体积合理、重量轻、防潮防腐、防火、工艺简单、清洗方便,适应不同风量、风压和环境温湿度要求。
正常使用寿命内,消声量下降不超过5 dB(A)。
2.2 性能要求1) 消声量(插入损失):消声器的消声量应以倍频权插入损失表示,并按GB4760-1995(或国际标准ISO 7235 ASTME 477)实验标定。
2) 总压力损失控制值:用于大小系统风机配套的系统消声器,当风机全压小于300Pa时,消声器总压力损失应小于50Pa;当风机全压大于300Pa时,消声器总压力损失应小于风机全压的15%。
3) 消声器气流再生噪声应满足降噪设计要求。
供货商还应提供不同流速下的气流再生噪声值和计算公式。
5) 消声器在保证使用性能的条件下,通过流量范围应为系统设计流量的90~110%。
6) 消声器在保证使用性能的条件下,通过的介质压力最高应为系统设计压力的120%。
滑动轴承、轴瓦安装与检查方法+风机消音器(消音器)结构原理、分类及用途第一章、滑动轴承安装与轴瓦检查方法滑动轴承一般应用在低速重载情况的条件下,对于滑动轴承安装注意要素如下:注意油路畅通,油路与油槽接通。
刮研时油槽两边点子要软,以形成油膜,两端点子均匀,以防止漏油。
在后期的维护中要便于添加润滑油。
利于维修。
注意清洁,修刮调试过程中凡能出现油污的机件,修刮后都要进行清洗涂油。
轴承安装前都要进行清洗,确保滑动轴承干净,即使是极微小的杂质也会导致轴承的损坏。
滑动轴承安装要保证轴颈在轴承孔内转动灵活、准确、平稳。
由于滑动轴承的维护比较麻烦,所以在安装时要保证轴承的安装完全正确,无错误。
保证轴承可以正常运行,无误差。
轴瓦与轴承座孔要修刮贴实,轴瓦剖分面要高出0.05~0.1mm,以便压紧。
整体式轴瓦压入时要防止偏斜,并用紧定螺钉固定。
轴承在安装过程中若偏斜,会导致运转不畅,引起轴的变形,破坏机械设备。
滑动轴承使用过程中要经常检查润滑、发热、振动问题。
遇有发热、冒烟、卡死以及异常振动、声响等要及时检查、出现一系故障要进行分析,然后根据分析的具体情况采取相应措施。
尽量避免造成不必要的损伤。
轴瓦检查,径向轴瓦检查项目:轴承合金无脱胎、裂纹、砂眼、气孔等缺陷,轴径与轴瓦的接触角接触面积,调整垫铁与轴承座配合情况,轴瓦结合面是否平整,有无毛刺、变形存在。
径向轴瓦解体测量项目:轴瓦紧力、顶隙、侧隙及侧隙对称度,下瓦与轴径的接触情况及轴瓦乌金的磨损程度,轴径圆度及表面粗超度,油系统的清洁程度及油质化验结果,其它检查项目。
轴瓦脱胎检查及处理:轴瓦乌金脱胎的检查方法,除脱胎很明显处可直接查看出外,一般都需将轴瓦浸泡在煤油中,停留片刻后取出擦干,将干净纸放在结合处或用白粉涂在结合处,然后用手挤压轴瓦乌金,若纸或白粉有油迹,则证明轴瓦乌金脱胎,轴瓦检查后发现下列缺陷之一,就必须重新浇铸;轴瓦间隙过大、合金厚度不能再继续刮研、乌金有大面积的砂眼、气孔、杂质、脱胎裂纹等。
风管消声器工作原理
风管消声器是一种用于减少风管系统中空气流动时产生的噪音的装置。
它们通过采用不同的声学原理来实现噪音的吸收、散射或阻尼,从而降低噪音水平。
以下是风管消声器的一些主要工作原理:
1.吸声原理:风管消声器中的吸声材料(通常是吸音棉、泡沫塑料或玻璃纤维)能够吸收通过风管传播的声波能量。
这些吸声材料通过将声波转化为微小的振动或热能,从而减弱声音的传播。
这样,噪音能够在消声器内部被吸收,从而减小传播到室内或其他区域的噪音水平。
2.散射原理:风管消声器中的一些设计采用了散射原理,通过在消声器内部设置复杂的表面或结构,使声波发生多次反射、散射,从而使声波在多个方向上传播。
这有助于减小声波在特定方向上的集中,降低噪音水平。
3.阻尼原理:风管消声器有时还采用阻尼材料,如厚度较大的橡胶或泡沫层。
这些材料能够通过吸收和减缓声波的传播来减小噪音。
阻尼材料通常被放置在风管消声器的内壁或内部结构上,以增强阻尼效果。
4.螺旋流原理:一些设计中采用了螺旋流原理,通过使空气以螺旋状流动,减小空气流动的湍流噪音。
这种设计有助于提高空气在风管中的流动效率,并减少噪音产生。
5.反射原理:风管消声器有时会利用声波的反射来减小噪音。
通过在消声器内设置反射板或屏障,可以使声波在空间内反射,从而减小噪音的传播。
热水消音器使用说明书XXXXXXXXXX有限公司该消音器主要是通过改变排气气流的流程,使气流缓慢流动,并产生旋转,使气体内的火星充分燃烧,而未燃尽的灰粒与壁或管相撞,达到灭火星的目的且产生热量加热冷却水。
灰粒集中排至灰箱或随气流排入大气中。
该热水消音器是一种抗性消音器,它的原理是利用管道截面积的突变,改变声抗,使声波产生反射、干涉、吸收,由于消音频率宽、性能稳定、消音量大。
故应用越来越广。
1、消音器的选用消音器的大小应按柴油机废气排量和选定流速确定。
2、消音器的安装2.1安装前的准备2.1.1 核实型号、规格及附件是否与所需订购的一致。
2.1.2 检查消音器在运输过程中是否有损坏,有没有焊接和其它缺陷。
2.1.3 仔细核对安装尺寸及孔位并准备好垫片和紧固件。
2.2 安装2.2.1 为抵消管子的膨胀,在消音器的进气口下端设置膨胀节。
2.2.2 在固定支承点上垫上软垫,注意声隔绝。
2.2.3 消音器后尾管长度应为排气基频波1/4波长的奇数倍(如波长为λ,则后管长应为λ/4,3λ/4或5λ/4……),这样则可以取得较佳的系统收益。
有很多排气管消音效果不佳,不是消音器不好,而是消音器后尾管太短的缘故。
排气基频波长λ=C、60、Z /(i、n )式中:λ——排气基频波波长,mC——排气声速,m/sZ——柴油机中冲程数,四冲程Z=2,二冲程Z=1i——柴油机缸数n——柴油机转速,r = min2.2.4 排气管伸出烟囱顶后应弯向后方,并适量伸出烟囱顶边线,使灼热的气流无阻挡地向后方喷出,利用声阻抗率的变化,使噪声向后上方反射,从而减少对本船的影响。
3、消音器的使用与维修3.1 消音器应定期检查、清理内部的烟灰积水等。
3.2 定期检查固定点有否松动,以保障运行安全。
通风管道消声器技术原理及安装注意事项全解通风管道消声器技术原理及安装注意事项全解通风管道消声器是对中、⾼频宽带特性有较好效果的阻性吸⾳降噪原理,对低、中频和脉动特性时有良好效果的抗性消声降⾳原理以及微穿孔消声器和阻抗复合式消声器。
消声器是利⽤声的吸收、反射、⼲涉等原理,降低通风与空调系统中⽓流噪声的装置。
根据消声原理的不同可以分为阻性、抗性、共振型和复合型等。
⼀、阻性消声器阻性消声器利⽤吸声材料的吸声作⽤⽽消声的。
其构造是把吸声材料固定在⽓流流动的管道内壁,或按⼀定⽅式排列在管道或壳体内构成阻性消声器,吸声材料能够把⼊射在其上的声能部分地吸收掉。
声能之所以能被吸收,是由于吸声材料的多孔性和松散性。
当声波进⼊孔隙,引起孔隙中的空⽓和材料产⽣微⼩的振动,由于摩擦和粘滞阻⼒。
使相当⼀部分声能化为热能⽽被吸收掉。
它对于⾼频和中频噪声效果较好,但对低频噪声消声性能较差。
1、管式消声器管式消声器是⼀种最简单的消声器,它仅在管壁内周贴上⼀层吸声材料,故⼜称“管衬”。
特点是制作⽅便,阻⼒⼩,但只适⽤于较⼩的风道,直径⼀般不⼤于400mm风管。
管式消声器仅对中、⾼频率吸声有⼀定的消声作⽤。
对低频性能很差。
2、⽚式和格式消声器管式消声器对低频性能很差,对中、⾼额率噪声⼜易直通,并且当管道段⾯积较⼤时,会影响对⾼频噪声的消声效果,这是由于⾼频声波(波长短)在管内以窄束传播,当管道⾯积较⼤时,声波与管壁吸声材料接触减少,从⽽使⾼频声的消声量减少,因此对断⾯较⼤的风管可将断⾯分成⼏个格⼦,这就是⽚式及格式消声器。
⽚式消声器应⽤⼴泛,构造简单,格式消声器要保证有效断⾯积不⼩于风道断⾯,因⽽体积较⼤,每格的尺⼨宜控制在200mm×200mm左右。
⽚式消声器的⽚间距⼀般在100~200mm的范围内,⽚间距增⼤时,消声量会相应地下降。
⼆、共振型消声器吸声材料通常对低频噪声的吸收能⼒很低,单靠增加吸声材料的厚度来提⾼吸声效果并不经济,为了改善低频噪声的吸声效果,通常采⽤共振型消声器。
消声器技术要求及其它1.货物需求1)CF风机排气管道消声器 1台2)CF风机参数如下:1.设备名称3#CF送风机2.设备位号SFMG15,64.数量1套5.CF送风机技术参数流量(Nm3/h)48000压力(Bar)最大工作压力:0.973Bar功率(kW)2300转速(rpm)144006.进、出口管道外径×壁厚(mm)进气管道Ф800 排气管道Ф8007.安装位置动力中心风机房北侧室外8.工作环境温度工作温度-10~50℃2.技术规格及要求2.1设备选型1)CF风机排气管道消声器型号:KCX-50,排气管道接口尺寸:Ф800 2)处理风量:≥48000Nm³/h,规格:φ1600×3500(长)3)消声量:>30dB(A);阻力损失≤200Pa ;适用温度:≤150℃,4)结构形式:阻性片式消音器5)安装形式:法兰连接,卧式水平安装6)设备组成:消音段+混响导流消音室组成2.2技术指标1)平均消声量:≥30dB(A),测试时排除其它不相关的噪声的干扰。
2)阻力损失:≤200Pa。
2.3设计、制作工艺要求采用技术先进、质量可靠的降噪技术和设备,确保降噪效果达到国家规定环保标准,以显著提高周边区域的环境质量。
由于该设备管道内气流具有流速大、压力高、振动大的特点。
其配置的消声器属于“准压力容器”的范畴,消声器的设计制造标准不同于常规消声器的标准,应参照YB 9073-1994 《钢制压力容器设计技术规定》执行,根据该实际工况,设计制作产品时应满足以下要求:2.3.1 消声器材料设计完全满足高压高速气流的冲击。
外型尺寸:按招标文件技术要求设计。
设计形式:阻性片式消声器,包括:联接法兰、外壳(包括加强筋),消声片等。
安装方式:消声器水平安装,将消声器固定于支架上,两端通过法兰由螺栓联接。
2.3.2 穿孔板与龙骨的联接为铆焊结合的联接方式。
2.3.3 采用圆弧型导风锥,以避免产生涡流。
进风消音器进风消音器一、引言随着城市化进程的不断推进,建筑密度的增加、交通工具的增多、人们生活水平的提高等因素,噪声污染问题日益突出。
噪声对人们的身心健康产生了严重的影响,因此,控制噪声污染逐渐成为社会关注的焦点。
进风消音器作为一种重要的噪声控制设备,具有广泛的应用前景。
二、进风消音器的作用与原理进风消音器主要采用降噪棉、消声板等材料制成,通过吸声降噪的原理,减少空气流过消音器时产生的噪声。
其工作原理是将进风口的噪声通过吸声材料的作用,使空气流经消音器时发出的声音减少到一定程度。
三、进风消音器的应用领域进风消音器广泛应用于建筑物、办公楼、医院、酒店、学校、电厂、工厂等场所,用于控制进风口的噪声污染。
此外,进风消音器还可以应用于汽车、机车、飞机等交通工具的进气系统,减少引擎的噪音,提供更舒适的驾驶环境。
四、进风消音器的分类及特点根据结构形式的不同,进风消音器可以分为圆管式进风消音器、方管式进风消音器等。
圆管式进风消音器主要适用于风管系统,具有结构简单、安装方便、风阻小的特点。
方管式进风消音器适用于风洞系统和干燥房等场所,具有阻力大、消音效果好的特点。
五、进风消音器的设计与选型进风消音器的设计与选型需要考虑多种因素,包括进风口噪声源的频率、功率、工作环境的要求、处理空气流量等。
通过合理的设计和选型,可以实现对噪声的控制和消除。
六、进风消音器的安装与维护进风消音器的安装应遵循相关的技术规范和要求,确保其正常工作。
在日常使用中,需要定期检查和清洁进风消音器,以保证其消音效果和使用寿命。
七、进风消音器的发展趋势随着人们对噪声污染问题的不断重视,进风消音器的应用前景非常广阔。
今后,随着科技的不断进步,进风消音器的设计与制造技术将不断创新,消音效果将更加出色,性能将更加稳定。
八、结语进风消音器作为一种重要的噪声控制设备,对于改善人们生活环境、保护人们身心健康起着重要的作用。
通过不断的研究和探索,进风消音器的技术将得到进一步的突破和提升,为人们创造更安静、舒适的生活环境。
风机消音器原理风机消音器是一种用于降低风机噪音的装置,它能够有效地减少风机运行时产生的噪音,提高室内空气质量,保障人们的生活和工作环境。
那么,风机消音器的原理是什么呢?首先,我们来了解一下风机产生噪音的原因。
风机在运行时,主要产生噪音的原因包括气流与叶轮的摩擦噪音、叶轮的气动噪音、机械传动噪音等。
这些噪音会影响人们的生活和工作,因此需要采取措施来降低噪音。
风机消音器的原理主要是通过吸声材料和声学结构的设计来实现的。
首先,消音器内部填充了吸声材料,这些材料能够吸收噪音并将其转化为微弱的热能。
其次,消音器的结构设计也起着重要的作用,例如采用反射板、吸声板等结构来改变气流的传播方向和速度,从而减少噪音的传播。
另外,风机消音器还可以通过改变气流的流动状态来降低噪音。
通过设计合理的导流板和扩散器等结构,可以使气流在消音器内部均匀分布,减少气流与结构的摩擦,从而减少噪音的产生。
除了上述原理外,风机消音器还可以通过优化风机的结构和运行参数来降低噪音。
例如,在设计风机时可以采用低噪音叶轮和减震支架,通过优化叶轮的叶片形状和数量,减少叶轮与气流的摩擦噪音;同时,调整风机的转速和进出口的设计也可以降低噪音的产生。
总的来说,风机消音器通过吸声材料和声学结构的设计、改变气流的流动状态以及优化风机的结构和运行参数等多种原理来降低风机噪音。
在实际应用中,我们可以根据具体的情况选择合适的消音器类型和安装位置,以达到最佳的消音效果。
在选择风机消音器时,我们需要根据实际情况来进行合理的选择和设计,同时也要注意消音器的安装和维护,以保证其正常运行和长期的消音效果。
通过合理的设计和使用,风机消音器能够有效地降低风机噪音,提高室内空气质量,为人们的生活和工作环境带来更好的舒适度和安静度。
消声器是一种在允许气流通过的同时,又能有效地阻止或减弱声能向外传播的装置。
它主要用于机械设备的进、排气管道或通风管道的噪声控制。
一个性能好的消声器,可使气流噪声降低20~40dB(A)。
但是,消声器只能降低空气动力设备的进排气口噪声或沿管道传播的噪声,不能降低空气动力设备的机壳、管壁等辐射的噪声。
消声器类型很多,按其降噪原理主要有如下三种类型:阻性消声器、抗性消声器、复合式消声器、微穿孔消声器和喷注型消声器。
一、阻性消声器阻式消声器:是通过吸声材料来吸收声能降低噪音,一般的微穿孔板消声器就属于这个类型,一般是用来消除高、中频噪声。
但是由于结构的原因,在高温、高湿、高速的情况下不适用。
阻性消声器是把吸声材料固定在气流通道内壁或按一定的方式在管道中排列起来,就构成了阻性消声。
1、阻性消声包括的形式:直管式、片式、折板式、声流式、蜂窝式、弯头式等。
适用范围:消除风机、燃气轮机进气噪声(即气体流速不大的情况)。
其中:F-消声器气流通道断面周长,m;S-消声器的气流通道截面积,m2;l-消声器的有效长度,m;Ψ(α0)-与材料的吸声系数有关的消声系数。
H.J. 赛宾经验公式: 降噪量与材料吸声性能和周长/截面比有关。
衰减量(LA) 消声器内部两点之间的声压级之差。
通常用消声器单位长度上的衰减量来表征,dB/m 。
LA 是减噪量,l 是消声器消声有效长度。
阻性消声器对消除高、中频噪声效果显著对低频噪声的消除则不是很有效其消声量与消声器的结构形式、空气通道横断面的形状与面积、气流速度、消声器长度以及吸声材料的种类、密度、厚度等因素有关护面板材料及其型式对消声效果也有很大影响。
护面材料可采用柔软多孔透气的织物如玻璃纤维布或穿孔板。
护面用的穿孔板一般采用薄钢板、铝板、不锈钢板加工制成。
为了发挥吸声材料的吸声性能穿孔板的穿孔率应大于20%,孔径3-10mm 。
阻性消声器一般宜在风速8m/s 以下,最大不应宜>12m/s, 微穿孔板消声器大风速的情况下(15~20m/s)风阻较大. 常用吸声材料有玻璃纤维丝、低碳钢丝网、毛毡等2. 阻性消声器的高频失效频率在单通道直管消声器中,高频声随着通道面积的增大消声效果显著下降。
风机消音器工作原理一、引言风机消音器作为一种常用的降噪设备,广泛应用于工业生产和生活环境中。
它能够有效地降低风机产生的噪音,提供一个安静舒适的工作和生活环境。
本文将介绍风机消音器的工作原理,以及其在降噪中的应用。
二、风机噪音的来源风机噪音主要来自两个方面:机械噪音和气动噪音。
1. 机械噪音:包括电机运转时的机械振动和传动装置的噪声,主要由风机的传动系统和电机引起。
2. 气动噪音:风机工作时,由于风叶与空气的相互作用,会产生气动噪音。
这种噪音主要与风叶的工作状态、风速和风压等参数有关。
三、风机消音器的工作原理风机消音器主要通过吸声、隔声和反射声等原理来降低风机噪音。
1. 吸声原理:风机消音器内部通常填充有吸声材料,如玻璃纤维棉、聚酯纤维等。
当噪音通过风机消音器时,吸声材料会吸收噪音的能量,将其转化为微小的热能,从而减少噪音的传播。
2. 隔声原理:风机消音器采用多层结构设计,每一层之间通过隔音材料隔开。
当噪音通过风机消音器时,隔音材料会阻挡噪音的传播,起到隔音的作用。
3. 反射声原理:风机消音器内部的壁面通常采用反射性能较好的材料,如金属板等。
当噪音通过风机消音器时,一部分噪音会被反射回去,从而减少噪音的传播。
四、风机消音器的应用风机消音器广泛应用于各种需要降噪的场合。
1. 工业生产:在工业生产中,风机噪音是常见的问题。
通过在风机出口处安装风机消音器,可以有效降低噪音,提升工作环境的舒适度。
2. 办公环境:办公室里的空调风机常常会产生噪音,影响员工的工作效率和健康。
安装风机消音器可以减少噪音,提供一个更加安静的工作环境。
3. 医院和实验室:在医院和实验室中,需要保持一个安静的环境,以便医生和科研人员进行工作。
通过安装风机消音器,可以有效降低风机噪音,提供一个安静的工作环境。
4. 公共场所:在一些公共场所,如影剧院、会议厅等,需要提供一个安静的环境,以便人们进行学习、娱乐和交流。
通过安装风机消音器,可以减少风机噪音,提供一个更加安静的场所。
风机消声器
安装、使用说明书
一、简介
消声器是减小流体空气动力噪声的一种装置。
该风机消声器主要作用是降低电站锅炉送风机和一次风机以及密封风机入口气流噪声。
在对电站风机及所配消声器进行了大量的分析研究,在综合国内外消声器设计的基破础上,针对国内离心式风机的噪音特性,经过反复试验对比和筛选,研制出消声性能良好,流体阻力较小的消声器,以满足大风量送风机消声、流阻的最佳要求。
该产品适用于离心式风机和轴流式风机。
二、结构特点
设备形式:消音器大多垂直安装,也可卧式安装。
为防止吸入外界杂质物,在消音器吸风口的前端设有防护网,防护网顶部安装有防雨棚,防止雨水进入。
下部是消音器本体。
本体由普通碳钢钢板组焊而成,内部设有消音单元并与本体组焊为一体,以增加刚度。
出口与风道采用焊接或法兰连接。
采用厚、薄片相间吸声体阻抗性复合消声结构,该结构具有消声频带宽、中高频消声量高、阻力较小、适合于大流量等特点。
消声器本体主要由消声器外壳和消声单元组成,外壳为长方体。
中间设消声单元通道,消声单元通道由穿孔网板、超细玻纤棉和玻纤孔布加工制成,消声单元在较宽的频段内都具有比较理想的消声效果,同样亦具有良好的空气动力特性,并对导流、穿孔板进行了特殊设计,进一步降低了阻力损失。
风机入口消音器设计符合JB/T6891-2004《风机用消声器技术条件》。
风机入口消音器设计符合GBT17-88《钢结构设计规范》。
三、规格及技术参数
1、消声器型号:CDSA-A、B、C。
其中:A——长,B——宽,C——高。
2. 技术参数:消音器消音量:大于25dB(A)。
设计流量:一次风机168407m3/h
送风机454244 m3/h
四、安装要点:
1.消声器在现场组装时应根据每个消声单元的编号(见安装图),气流方向按顺序安装。
2.消声单元之间采用法兰连接,法兰之间填塞石棉带密封。
3.消声器用支腿支撑在横梁上,采用焊接固定。
五、注意事项
1、消声器的气体含尘量一般应低于150mg/m3。
如在高粉尘场合下使用,应先经除尘滤清。
2、露天使用加防雨棚,消声器不允许含水雾太大、油雾或腐蚀性气体通过,气体温度≤150℃。
3、如果空气含尘量影响吸音效果,可以半年清洁一次,清刷消音单元表面上的灰尘。
4、定期清理防雨棚立柱四周丝网上的杂物。