装配式结构施工检验批质量验收记录表 表格 格式
- 格式:doc
- 大小:30.00 KB
- 文档页数:2
装置式构造施工查验批质量查收记录表
GB50204-2002
(Ⅱ)
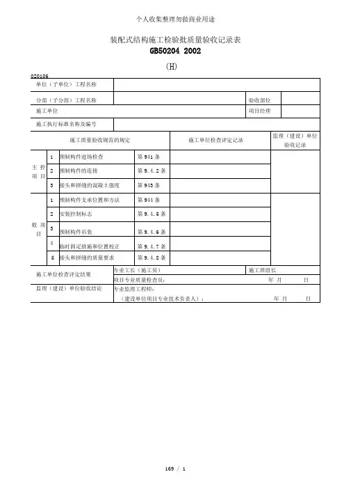
020106单位(子单位)工程名称
分部(子分部)工程名称查收部位
施
工单位项目经理施工履行标准名称及编号
施工质量查收规范的规定
监理(建
设)单位
施工单位检查评定记录
查收
记录
主1
预制构件进场检查第条
控
2
预制构件的连结第条项
3
目接头和拼缝的混凝
土强度第条
1
预制构件支承地点
和方法第条
一2
安装控制标记第条
般3
项
预制构件吊装第条
目4
第条
暂时固定举措和地点校订
5
第条
接头和拼缝的质量
要求
专业工长(施工员) 施工班组长
施工单位检查评定结果
项目专业质量检查员: 年 月 日
监理(建设)单位查收结论
专业监理工程师:(建设单位项目专业技术负责人)
:
年 月 日。
装配式结构安装质量检查记录表
项目名称:
{项目名称}
施工单位:
{施工单位}
检查日期:
{检查日期}
检查人员:
{检查人员}
---
1. 基础安装情况
- [ ] 基础平整牢固,无明显沉降或裂缝
- [ ] 基础与构件连接牢固,无松动或缺失情况
- [ ] 基础防水措施到位,无渗漏现象
---
2. 构件安装情况
- [ ] 构件尺寸符合设计要求,无明显变形或破损
- [ ] 构件连接牢固,无松动或缺失情况
- [ ] 构件与基础、墙体、屋顶等相互衔接良好
---
3. 防水隔热层安装情况
- [ ] 防水材料铺贴牢固,无泡水、翘起或开裂情况
- [ ] 隔热层安装完整,无缺失或松动现象
- [ ] 防水隔热层与墙体、屋顶等连接紧密,无渗漏现象---
4. 门窗安装情况
- [ ] 门窗尺寸符合设计要求,无明显变形或破损
- [ ] 门窗与墙体连接牢固,无松动或缺失情况
- [ ] 门窗开闭灵活,密封性良好
---
5. 设备配套安装情况
- [ ] 设备和管道安装牢固,无松动或漏水现象
- [ ] 设备配套电气线路安装正确,并符合相关安全标准---
备注:
{备注}
---
以上为装配式结构安装质量检查记录表,希望能够确保安装质量,确保施工项目的顺利进行。