建筑工程测量期末复习资料
- 格式:doc
- 大小:39.50 KB
- 文档页数:2
建筑工程测量复习必备1.略2.高程控制测量主要有两种方法即水准测量和三角高程测量。
4.控制测量分为平面控制测量和高程控制测量。
5.1:500地形图的编号为30—20表示的含义是图幅西南点坐标。
4、安置经纬仪对中的目的是使仪器的竖轴与测站点中心位于同一铅垂线上。
9、闭合导线角度闭合差的计算公式为fβ= ∑β测-∑β理;附合导线角度闭合差的计算公式为fβ= ∑β测-α始+α终-n*180°。
4、测图前的准备工作有图纸准备、绘制坐标格网、展绘控制点及检校仪器。
5.等高线平距是相邻等高线之间的水平距离。
7.用测回法对某一角度观测4测回,第3测回的水平度盘起始位置的预定值应为90°.8.四等水准测量的观测顺序为后、后、前、前9.设在测站点的东南西北分别有A、B、C、D 4个标志,用全圆测回法观测水平角时,以B 为零方向,则盘左的观测顺序为B、C、D、A、B1.地面点到假定水准面的铅垂距离称为该点的相对高程。
2.测量使用的平面直角坐标是以两条相互垂直线的交点为坐标原点,以南北方向为X轴,以东西方向为Y轴。
3.地面点位若用地理坐标表示,应为经度、纬度和绝对高程。
4.地面两点间高程之差,称为该两点间的高差。
测量学的任务是测定和测设。
5.直线定向的标准方向有真子午线方向、磁子午线方向、坐标纵轴方向。
6.由坐标纵轴线北端方向顺时针转到测线的水平夹角为直线的坐标方位角。
11.坐标方位角的取值范围是0°-360°。
7.确定直线方向的工作称为直线定向,用目估法或经纬仪法把许多点标定在某一已知直线上的工作为直线定线。
8.距离丈量是用相对误差来衡量其精度的,该误差是用分子为1的分数形式来表示。
9.用平量法丈量距离的三个基本要求是尺子要拉平、标杆要立直且定线要直、对点投点和读数要准确。
10.某点磁偏角为该点的磁北方向与该点的真北方向的夹角。
11.地面点的标志,按保存时间长短可分为临时性标志和永久性标志。
《建筑工程测量》复习资料一、填空题1.测量学是研究地球的形状和大小以及其空间位置的科学。
2.测量工作的实质是确定地面点的位置。
3.测量工作的实质是确定地面点的位置,而地面点的位置须由三个量来确定,即地面点的投影位置和该点的高程。
4.水准面有无数个,其中与平均海水面相吻合的水准面称为大地水准面,它是测量工作的基准面。
5.一条细绳系一个垂球,细绳在重力作用下形成的垂线称为铅垂线,它是测量工作的基准线。
6.测量工作的基准线是铅垂线。
7.水准面、大地水准面是一个处处与铅垂线相垂直的连续的曲面。
8. 大地水准面处处与铅垂线垂直。
9. 在测量直角坐标系中,y轴表示东西方向。
10.在独立平面直角坐标系中,规定南北方向为纵坐标轴,记作x轴,x 轴向北为正,向南为负;以东西方向为横坐标轴,记作y轴,y轴向东为正,向西为负。
11.在独立平面直角坐标系中,原点O一般选在测区的西南角,使测区内各点的x、y坐标均为正值;坐标象限按顺时针方向编号。
12.测量平面直角坐标系的象限按顺时针方向编号的。
13.在独立平面直角坐标系中,可将数学中的公式直接应用到测量计算中,而不需作任何变更。
14.地面点在大地水准面的投影位置,称为地面点的平面位置。
15.高斯投影后,中央子午线即为坐标纵轴。
16.我国的高斯平面直角坐标的坐标纵轴自中央子午线向西移500千米。
17.由于我国位于北半球,x坐标均为正值,y坐标则有正有负,为了避免y坐标出现负值,将每一带的坐标原点向西移500Km。
18.地面某点的经度为131°58′,该点所在六度带的中央子午线经度是22带。
19.在以10千米为半径的范围内,可以用水平面代替球面进行距离测量。
20.高程基准面通常是大地水准面。
21.我国目前采用的高程系统是1985年国家高程基准。
22.用“1956年黄海高程系统”测得A点高程为1.232米,改为“1985年国家高程基准”测得该点的高程为1.203米。
《建筑工程测量》复习资料一、名词解释测定测设大地水准面绝对高程相对高程高差平面图地形图控制测量高差闭合差水准点闭合水准路线附和水准路线水平角垂直角(竖直角)直线定线直线定向方位角象限角比例尺等高线等高距等高线平距施工测量建筑基线建筑红线建筑物定位建筑物放线建筑物的变形观测二、简答题1、测量工作基本任务、基本原则是什么?2、绘图说明水准路线的布设形式。
3、简述利用水准仪观测A、B两点间高差的方法。
4、什么是视差?产生视差的原因是什么?如何消除视差?5、简述利用DJ6型光学经纬仪按一测回法观测水平角的方法。
6、简述利用全站仪观测水平角∠β117、导线的布设形式有哪些?8、绘制1:500直线比例尺,并说明其绘制方法。
9、等高线的特性?10、什么是等高距、等高线平距?它们有什么关系?11、简述用罗盘仪测定一直线正、反磁方位角的方法。
12、民用建筑施工测量主要包括哪些工作?13、以下图为例简述利用全站仪测设(放样)建筑物四个角桩的方法?A、B为已知点。
三、计算题教材P46-47计算题:1、2、3题1、已知A点的高程HA =126.435米,B点的高程HB=145.615米,求A、B两点的高差hAB 、hBA。
2、已知A点的高程HA=125.437米,A点上水准尺的读数为1.365米,B点上水准尺的读数为1.062米,C点上水准尺的读数为1.945米,求仪器的视线高程Hi 是多少?hAB、hAC、HB、HC各是多少?3、已知某闭合水准路线观测结果如下图,请进行高差闭合差的调整及各点高程的计算。
AB1 n 1=2 24 h 3= -2.362m 3闭合水准路线高差闭合差的调整及高程计算(单位:米)计算步骤:4、掌握水平角的计算方法。
5、用同一钢尺丈量甲、乙两段距离。
甲段距离往、返观测值分别为132.875米,132.775米。
乙段距离往、返观测值分别为353.234米,353.334米。
两段距离往、返差值均为0.1米。
学习好资料欢迎下载
一、专业术语、名词解释
转点,绝对高程,直线定向,测设,坐标正算,坐标反算,测量学,垂直角,水平角,视差,测量的基本工作,天顶距,地形,等高距,等高线平距,平面控制测量,高程控制网,比例尺,比例尺精度
二、常识
1与水准面相切的平面是水平面;
2经纬仪测量水平角时,正倒镜瞄准同一方向所读的水平方向值理论上应相差180°
3观测水平角时,如测两个以上测回,各测回要变换度盘位置180/N
4.观测水平角时,当观测方向数为2个时采用测回法,当观测方向数为3个时采用方向观测法,当观测方向数为4个及以上时采用全圆方向观测法
5.等高线的特性
6.水准测量的基本原理
7.水准仪的四条主要轴线
三、综合
1.正反方位角、象限角的关系与计算
2.普通视距测量的基本原理,其主要优缺点有哪些?
3.导线坐标计算时闭合导线与附合导线应满足哪些几何条件?
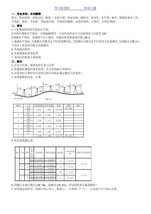
4.水准测量的记录、计算
5.竖直角观测记录.
6.用钢尺丈量往测为126.78m,返测为126.67m,问这段距离丈量的精度?
7.试用规定的符号,将图中的山头△、鞍部○.、山脊线-?-?-、山谷线------标示出来。
《建筑工程测量》期末考试复习题考试形式:开卷考试时间:120分钟考试题型:一、判断题20分;二、选择题15分;三、填空题15;四、计算题50分特别提醒:考试时请带好计算器!考试时不得互借计算器。
一、考试知识点1、测量工作的基本原则是在测量程序上,先控制后碎部;在布局上,先整体后局部;在精度上先高级后低级;在工作中,随时校核。
2、工程测量的主要任务是控制测量、地形测量、施工放样、变形监测。
3、测量工作的实质是确定地面点的位置。
点与点之间的相对位置可以根据其距离、角度和高差来确定。
确定地面点位置的三个基本要素有水平距离、水平角、高程。
我国将静止的平均海水面延伸至大陆内部,形成一个包围整个地球的封闭水准面,叫做大地水准面。
4、我国1987年后采用的高程系统为1985国家高程基准。
5、静止的海水面称为水准面。
与水准面相切的平面,叫水平面。
6、测量坐标系的纵坐标为X轴,横轴为Y轴。
独立平面直角坐标系象限名称按顺时针方向编号。
测量中常用的平面直角坐标系统与数学中的平面直角坐标系统的关系是两坐标轴x、y相反,象限编号方向数学中为逆时针,测量中为顺时针。
独立坐标系坐标原点应选在该地区的西南角。
7、若A、B两点高差为负值,则表示A点比B点高(下坡)。
8、水准测量时,若水准尺倾斜,则读数变大.9、高程测量的基本方法有三角高程测量、GPS高程测量、水准测量、气压测量.三角高程测量是根据已知点的高程及两点间的水平距离和竖直角确定未知点的高程。
10、地面点至大地水准面的垂直距离称为(绝对)高程。
地面点至假定水准面的垂直距离称为相对高程。
11、水准仪是利用水平视线法测量两点间高差的仪器。
水准仪的主要作用是能测量出两点间的高差。
高差是指地面两点之间的高程差。
地面上两点间的高差与所选的高程基准面无关。
12、水准测量时,对每一站的高差,都必须采取措施进行校核测量。
13、水准测量中,起着高程传递的作用的临时立尺点叫转点.尺垫不能放在已知水准点和待求水准点上,只能放在转点上。
《建筑工程测量》复习题答案一、名词解释1、测量学:是一门研究地球的形状和大小,确定地面点的空间位置,并将地球表面的地物、地貌等信息测绘成图的科学。
2、测设:是指把图纸上规划设计好的建筑物、构筑物的位置在地面上标定出来,作为施工或定界的依据。
3、测绘:是指使用测量仪器和工具,通过测量和计算,将地面的地貌和地物用规定的符号按一定的比例缩绘成图,供经济建设、规划设计、科学研究和国防建设使用。
4、大地水准面:与平均海水面相一致的水准面。
5、绝对高程:地面点到大地水准面的铅垂距离称为绝对高程或海拔,简称高程,用H表示。
6、水准点:在水准测量中,用以标志和保存水准测量成果的地面固定点。
7、视准轴:十字丝交叉点与物镜光心的连线。
8、直线定线:在直线的方向上标定若干个点,使它们在同一直线上,作为分段量距的依据。
9、直线定向:确定一条直线与基本方向之间的水平角。
10、等高线:地面上高程相同的各相邻点所连成的闭合曲线。
二、填空1、测量工作中应遵循以下原则:在布局上“从整体到局部”,在程序上要“先控制后碎部”,在精度上要“由高级到低级”。
2、测量的基本工作是测角度、量距离、测高差。
3、水准仪由望远镜、水准器和基座三部分组成。
4、使用微倾式水准仪,其基本操作步骤包括:安置仪器、粗平、瞄准、精平和读数5、水准路线可布设成以下几种形式:闭合水准路线、附合水位路线、支水准路线。
6、水准测量误差包括仪器误差、观测误差和外界条件的影响三个方面。
7、钢尺精密量距的改正数有:尺长改正数、温度改正数、倾斜改正数。
8、已知某直线的象限角为60°,当其指向以下各个象限时,其坐标方位角分别是多少度。
第一象限60°,第二象限120°,第三象限240°,第四象限300°。
9、经纬仪的基本操作程序为:对中、整平、瞄准、读数。
10、DJ6级光学经纬仪主要由照准部、水平度盘和基座三部分组成。
11、表示地形起伏的等高线分为首曲线、计曲线、间曲线、助曲线。
工程测量学复习资料绪论1、工程测量学的定义。
P1(1)工程测量学是研究各种工程在规划设计、施工建设和运营管理阶段所进行的各种测量工作的学科。
(2)工程测量学主要研究在工程、工业和城市建设以及资源开发各个阶段所进行的地形和有关信息的采集和处理、施工放样、设备安装、变形监测分析和预报等的理论、方法和技术,以及研究对测量和工程有关的信息进行管理和使用的学科,它是测绘学在国民经济和国防建设中的直接应用。
(3)工程测量学是研究地球空间(包括地面、地下、水下、空中)中具体几何实体的测量描绘和抽象几何实体的测设实现的理论、方法和技术的一门应用性学科。
2、广义工程测量学。
PPT广义工程测量学是研究、提供、处理和表达地表上、下及周围空间建筑和非建筑工程几何物理信息和图形信息,以及研究抽象几何实体的测设实现的理论、方法和技术的一门应用技术学科。
3、工程测量学的相关组织与机构。
PPT(1)国际测量师联合会(FIG)之第六委员会为“工程测量委员会(Engineering Surveys)”。
(2)“工程测量国际学术讨论会”德国、瑞士、奥地利三个德语系国家自20世纪50年代发起组织了一个“工程测量国际学术讨论会”,每隔3~4年举行一次会议。
到2004年已有14届了,每一届都有几个与当时发展有关的专题。
(3)中国测绘学会下设有工程测量分会。
每2年举办一次全国性的学术会议。
(4)各省的测绘学会,下设有工程测量专业委员会。
4、工程测量学的发展趋势和特点。
PPT“六化”:测量内外业作业的一体化;数据获取及处理的自动化;测量过程控制和系统行为的智能化;测量成果和产品的数字化;测量信息管理的可视化;信息共享和传播的网络化。
“十六字”:精确、可靠、快速、简便、实时、持续、动态、遥测。
第一章工程建设对地形图的要求与测绘1、测绘资料要满足工程建设规划设计的需要,其主要质量标准是什么?P10 (1)地形图的精度 (2)比例尺的合理选择 (3)测绘内容的取舍适度2、平板仪测图的地形图平面位置的精度衡量指标?用图根点直接测定的地物点平面位置的中误差来源?P12(1)地形图平面位置的精度可用地物点相对于邻近图根点的点位中误差来衡量。
桂林理工大学【建筑工程测量】复习题•A1.(判断题)水准仪的水准管气泡居中时视准轴一定是水平的。
()(本题2.0分)A.正确B.错误答案:B.解析:无.2.(判断题)1:500比例尺地形图上1mm表示的实地长度是1m。
()(本题2.0分)A.正确B.错误答案:B.解析:无.3.(判断题)水准测量要求后、前距差不超过一定限值,是为了消减大气折光和i 角误差。
()(本题2.0分)A.正确B.错误答案:A.解析:无.4.(判断题)放线的任务是把中线上直线部分的控制桩测设到地面,以标定中线的位置。
()(本题2.0分)A.正确B.错误答案:A.解析:无.5.(判断题)在以10km为半径的范围内,可以用水平面来代替水准面进行距离测量。
()(本题2.0分)A.正确B.错误答案:A.解析:无.6.(判断题)当L=30m时,用目视定线即可达到精度要求,其定线误差不大于0.15m,()(本题2.0分)A.正确B.错误解析:无.7.(判断题)观测值与真值之差称为观测误差。
()(本题2.0分)A.正确B.错误答案:A.解析:无.8.(判断题)后视水准尺读数大于前视水准尺读数,则前视点比后视点低。
()(本题2.0分)A.正确B.错误答案:B.解析:无.9.(判断题)对于钢尺量距导线,导线全长相对闭合差K不应大于1/3000.()(本题2.0分)A.正确B.错误答案:B.解析:无.10.(判断题)水准仪由基座、望远镜和照准部三部分组成。
()(本题2.0分)A.正确B.错误答案:B.解析:无.11.(判断题)地形图时采用地物符号和地貌符号表示的。
()(本题2.0分)A.正确B.错误答案:A.解析:无.12.(判断题)视差现象无法消除。
()(本题2.0分)A.正确B.错误答案:B.解析:无.13.(单选题)地面上某点到国家高程基准面的铅垂距离,是该点的()。
(本题2.0分)A.假定高程C.绝对高程D.高差答案:C.解析:无.14.(单选题)1980年西安坐标系的大地原点定在我国()省。
建筑工程测量期末复习题一.填空题请将正确答案填在横线空白处。
1.精密钢尺量距的三项改正分别是。
2.水准路线布设的形式可分为三种。
3.测设若干同一高程的点,称为。
4.用经纬仪观测竖直角时,必须用十字丝的精确瞄准目标。
5.竣工测量的步骤为。
6.根据设计将建筑物外轮廓的各个轴线交点测设到地面上称为。
7.测量误差产生的原因有三种。
8.光学经纬仪上的测微装置分为两种。
9.已知A点高程为30.000米,AB点高差为1.500米,则B点高程为米。
10.建筑物定位放样时,设置龙门板、龙门桩的目的是。
11.水准面有无数个,其中为大地水准面。
12.用双仪器高法进行水准测量时,仪器两次变动的高度至少为。
13.已知A点高程为30.000米,B点高程为31.500米,则AB点高差为米。
14.求图上两点间的距离有这两种方法。
15.建筑基线的布设的形式有四种,它们是。
16.用经纬仪观测水平角时,必须用十字丝的精确瞄准目标。
17.竣工测量的步骤为。
18.圆曲线的主点有三个,分别是。
19.在建筑施工测量里,点的平面位置可由这两种直角坐标来表示。
20.测量误差有两种。
21.经纬仪导线布设的形式可分为三种。
22.进行精密钢尺量距之前要用进行定线。
23.在测量专业的计算中,常采用型计算器。
24.已知A点高程为50.000米,AB点高差为3.500米,则B点高程为米。
25.用脚螺旋进行整平时,水准气泡移动的方向和脚螺旋转动方向之间的关系为。
26.地形图比例尺可以分为三种。
27.点位的测设有四种方法。
28.施工场地的控制网布设有控制网和控制网两种。
29.确定地面点的位置的三要素是。
30.建筑物的变形观测包括。
二.判断题正确的在括号内打“√”,错误的在括号内打“×”。
1.等高线不闭合。
()2.根据两个已知点的坐标求两点间的距离和坐标方位角称为坐标的正算。
()3.消除视差的办法是仔细进行物镜对光,直至物像与十字丝网重合。
()4.经纬仪导线一般用方向法观测转折角。
精品文档×××学校2012---2013第一学期期末考试试卷班级:课程名称:建筑施工测量一、填空题(每空1分,共20分)1、测量工作的实质是确定的位置。
2、在测量直角坐标系中,y轴表示方向。
3、确定地面点位的3个基本要素是水平距离、、。
4、水准测量时,地面点之间的高差等于后视读数前视读数。
5、水准路线的布设形式通常有、、。
6、经纬仪的使用主要包括、、瞄准和读数四项操作步骤。
7、导线测量的外业工作有、、、。
8、建筑物沉降观测的主要观测、建筑物观测和建筑物裂缝观测等。
9、建筑物主体施工测量的任务是将建筑物的和标高正确的向上引测。
10、点的平面位置测设方法有、、和距离交会法。
二、单项选择题(每题2分,共20分)1、测量的基准面与准线分别是()。
A、水准面,铅垂线B、大地水准面,水平线C、水平面,铅垂线D、大地水准面,铅垂线2、独立平面直角坐标系中的原点一般设在()。
A、测区东北角B、测区东南角C、测区西南角D、测区西北角3、测量工作的主要目的是确定()。
A、点的坐标和角度B、点的距离和角度C、点的坐标和高程D、点的距离和高程4、水准测量时,由于尺竖立不直,该读数值比正确读数( )。
A、大B、小C、可能大,也可能小D、相同5、当经纬仪的望远镜上下转动时,竖直度盘()。
A、与望远镜一起转动B、与望远镜相对运动C、不动D、不能确定6、经纬仪可以测量()。
A、磁方位角B、水平角和磁方位角C、磁偏角D、水平角和竖直角7、某段距离测量中,测得往测距离为48.000m,返测为48.016,则相对误差为()。
A、1/2000 B、1/3000 C、1/5000 D、1/10000 8、某直线的方位角与该直线的反方位角相差()。
A、90°B、180°C、270°D、360°第1页9、在距离丈量中,衡量其丈量精度的标准是()。
A、相对误差B、中误差C、往返误差D、真误差10、等高线的密疏与地形之间有以下关系()。
测量基本知识1.测量学的概念?建筑工程测量的任务是什么?答:测量学是研究如何量测地球或者地球局部区域的形状、大小和地球表面的几何形状及其空间位置,并把量测结果用数据或图形表示出来的科学。
建筑工程测量的任务:(1)测绘大比例尺地形图(2)建筑物施工放样(3)建筑物的沉降变形观测建筑工程测量工作可分为两类。
一类是测定:就是将地球表面局部区域的地物、地貌按一定的比例尺缩绘成地形图,作为建筑规划、设计的依据;另一类是测设:就是将图纸上规划、设计好的建筑物、构筑物的位置,按设计要求标定到地面上,作为施工的依据。
2.测量的基准面有哪些?各有什么用途?答:(1)水准面,其作用是相对高程的起算面;(2)水平面,其作用是小区域内测量角度和水平距离的基准面;(3)大地水准面,其作用是绝对高程的起算面;(4)铅垂线,其作用是标志重力的方向线,是测量工作的基准线。
3.测量学中的平面直角坐标系与数学中的平面直角坐标系有何不同?答:测量学上的坐标与数学上的坐标在纵横轴和象限划分上是不一样的。
数学上坐标的横轴为x轴,向右为正,纵轴为y轴,向上为正,坐标象限是按逆时针方向标注的。
所以要对测量学和数学的坐标系加以区别。
4.如何确定地面点的位置?答:地球表面上的点成为地面点,不同位置的地面点有不同的点位。
测量工作的实质就是确定地面点的点位。
其确定方法是将地面点位沿着铅垂线投影到大地水准面上,得到相应的投影点,这些点分别表示地面点在地球面上的相对位置。
地面点的相对位置可以用点在水准面或者水平面上的位置以及点到大地水准面的铅垂距离来确定。
5.何谓水平面?用水平面代替水准面对水平距离、水平角和高程分别有何影响?答:与水准面相切的平面,称为水平面。
当测区范围小,用水平面取代水准面所产生的误差不超过测量容许误差范围时,可以用水平面取代水准面。
在半径为10km测区内,可以用水平面取代大地水准面,其产生的距离投影误差可以忽略不计。
当测区面积为100km2时,用水平面取代大地水准面,对角度影响甚小,对于土木工程测量而言在这样的测区内可以忽略不计。
建筑工程测量复习题一、填空题1.水平角是指测站点至观测目标方向线在水平面的夹角。
2.闭合水准路线测高程允许误差的两种计算公式为或。
3.全站仪进行水平角测量时,上半测回值为30°22′22″,下半测回值为30°22′40″,则这次水平角测量的指标差为,一测回值为。
4.全站仪坐标放样需要个控制点,一个作为,另一个作为。
5.在施工测量的拟定任务中,主要的工作内容就是测设建筑物的和。
6.附合水准路线测高程实训中采用了方法检验观测精度。
7.全站仪进行水平角测量时,上半测回值为20°22′30″,下半测回值为20°22′40″,则这次水平角测量的指标差为,一测回值为。
8.测量上确定点的位置是通过测定、和三个定位元素来实现的9.全站仪在必要辅助工具支持下可以直接用来测量和。
10.全站仪观测时物象不清晰用调节、十字丝不清晰用调节。
二、单选题1、两点绝对高程之差与该两点相对高程之差应为()。
A.绝对值相等,符号相同 B.绝对值不等,符号相反C.绝对值相等,符号相反 D.绝对值不等,符号相同2、普通水准测量时,在水准尺上读数通常应读至()。
A. 0.1mm B. 5mm C. 1mm D. 10mm3、水准测量计算校核∑h=∑a—∑b和∑h=H终—H始可分别校核()是否有误。
A.水准点高程、水准尺读数B.水准点位置、记录C.高程计算、高差计算D.高差计算、高程计算水准路线闭合差调整是对观测高差进行改正,方法是将高差闭合差按3、与测站数(或路线长度)成()的关系求得高差改正数。
A.正比例并同号B.反比例并反号C.正比例并反号D.反比例并同号4、测得有三个测站的一条闭合水准路线,各站观测高差分别为+1.501m、+0.499m和-2.009m,则该路线的闭合差和各站改正后的高差为()m。
A.+0.009;1.504、0.502和-2.012B.-0.009;1.498、0.496和-2.012C.-0.009;1.504、0.502和-2.006D.+0.009;1.498、0.505和-2.0065、水平角测量的主要目的是()。
1、测量学是研究地球的形状和大小,确定地面点的平面位置和高程,将地球表面形状及其他地理信息测绘成地形图的科学。
它的研究内容包括测定和测设。
(1)测定(测绘):利用各种测量仪器和工具,通过外业测量和内业计算获得测量数据,将地球表面的地物和地貌按照一定的比例尺缩绘成地形图。
(2)测设(放样):将图纸上设计好的点的平面位置和高程用测量仪器和设备在地面上标定出来,为后续的施工建设服务。
2、大地水准面和铅垂线就是测量外业所依据的基准面和基准线。
3、绝对高程:地面点沿着铅垂线方向到大地水准面的铅垂距离,称为该点的绝对高程。
相对高程:局部地区采用国家高程基准有困难时,可以采用地面点到假定水准面的铅垂距离,称为该点的相对高程或假定高程。
高差:地面两点间的高程之差。
hAB=HB-HA。
4、距离、角度、高差是确定地面点位的三个基本要素,因此,距离测量、角度测量和高程测量是测量工作的基本内容。
5、测量工作必须遵循“从高级到低级”、“从整体到局部”、“先控制后碎部”的基本原则。
这样可以减少测量误差积累,保证测图精度,还可以分幅测绘,加快测图进度。
6、直线定向:确定直线方向与标准方向之间的角度关系。
一般采用真子午线方向、磁子午线方向、坐标纵轴方向作为标准方向。
7、方位角是以标准方向为起始方向,顺时针旋转到该直线的水平夹角,方位角的取值范围0°~360°。
方位角可分为真方位角、磁方位角、坐标方位角。
正坐标方位角与反坐标方位角相差180°(αab=αBA ±180°)。
8、测量误差产生的原因有:观测仪器、观测者、外界条件。
测量误差有:系统误差、偶然误差、中误差。
9、系统误差:在相同观测条件下进行一系列的观测,如果误差的大小及符号表现出一致性倾向,即按一定的规律变化或保持为常数,这种误差称为系统误差。
偶然误差:在相同的观测条件下进行一系列的观测,如果误差在大小和符号上都表现出偶然性,即从单个误差来看,其大小和符号没有规律,但就大量误差的总体来看,具有一定的统计规律。
偶然误差特性:①偶然误差的绝对值不会超过一定的界限(有限性);②绝对值较小的误差比绝对值较大的误差出现的机会多(逐渐性);③绝对值相等的正误差与负误差出现的机会相等(对称性);④偶然误差的平均值,随着观测次数的无限增加而趋近于零(抵偿性)。
10、水准测量所使用的仪器和工具是水准仪、水准尺和尺垫。
水准仪由望远镜、水准器、基座三部分构成。
DS3:“D”表示“大地测量”;“S”表示水准仪;数字05、1、3、10、20表示仪器精度等级,即每千米往、返测量高差的中误差,以mm计。
11、转动目镜调焦螺旋,使十字丝最清晰。
脚螺旋用来调节圆水准器,使圆气泡居中。
水准器有管水准器和圆水准器;管水准器是用来指示视准轴是否水平;圆水准器是用来指示竖轴是否竖直。
视差:当眼睛在目镜端上下微微移动时,可能发现十字丝与目标影像有相对运动。
视差产生原因:是目标成像的平面和十字丝平面不重合。
消除的方法是重新仔细地进行物镜对光,直到眼睛上下移动,读数不变为止。
12、水准测量:是利用水准仪提供的水平视线,根据水准仪在两点竖立的水准尺上的读数,先求得两点的高差,然后根据已知点的高程,推算出未知点的高程。
13、水准路线有哪三种闭合水准路线,附和水准路线,支水准路线。
14、DS3水准仪的使用包括安置仪器、粗略整平、瞄准水准尺、精度调整和读数。
12、水平角的取值范围为: 0°~360°,竖直角的取值范围为 -90°~90°
竖直角:在同一竖直平面内,地面某点至目标的方向线与水平视线间的夹角。
水平角:地面上某点到两目标的方向线铅垂投影在水平面上所成的角度。
13、DJ6经纬仪主要有照准部、水平度盘、基座三部分组成。
“D”表示大地测量;“J”表示经纬仪;数字07、1、2、6表示该仪器一测回方向观测中误差的秒数。
14、经纬仪的使用主要包括对中、整平、瞄准和读数四项操作步骤。
15、常用的距离测量方法有:钢尺量距、普通视距测量、光电测距。
16、钢尺量距的直线定线:就是在地面上两端点之间定出若干个点,这些点必须在两个端点的连线上。
根据精度要求不同,可分为目估定线和经纬仪定线。
17、导线测量:就是依次测量各导线边的水平距离以及相邻的水平夹角,然后根据起算数据,推算各导线边的坐标方位角,从而求出各导线点的平面坐标。
18、导线测量中,按导线的布设形式可分为闭合导线、附合导线、支导线。
19、导线测量的外业工作有:踏堪选点及建立标志、量边、测量水平角、高级控制点的连测。
测量工作的基本原理:
20导线测量角度闭合差的分配方法:将fx、fy反号按边长成正比例分配给各个增量Δxi、Δyi。
21、地物:地面上天然或人工形成的物体,包括湖泊、河流、海洋、房屋、道路、桥梁等;地貌:地表高低起伏的形态,包括山地、丘陵、与平原等。
22、大比例尺地形图测绘中,坐标方格网的绘制方法:经纬仪测图法、全站仪数字化测图法。
23、数字比例尺的分数值越大,表示比例尺越大,它在图上表示的地物、地貌也越详细
24、地物符号:比例符号、非比例符号、半比例符号。
25、相邻两条等高线之间的高差称为等高距,常用h表示。
相邻两条等高线之间的水平距离称为等高线平距,常以D表示。
26、等高线的特性:①等高性:同一等高线上任何一点高程都相等;②闭合性:等高线都是连续、闭合的曲线。
③非交性:等高线一般都不相交、不重叠(悬崖处除外)。
④正交性:山脊线、山谷线都要和等高线垂直相交;⑤密陡稀缓性:在同一幅图上等高距是相同的,等高线密度越大(平距越小),表示地面坡度越陡;反之,等高线密度越小(平距越大),表示地面坡度越缓;等高线密度相同(平距相同),表示坡度均匀。
27、坐标正算:根据一条边长的方位角与水平距离,计算坐标增量。
28、坐标反算:根据一条边长的坐标增量,计算方位角与水平距离。
29、简述等高线的特性:等高性、闭合性、非交性、正交性、密陡稀缓性。
30、大地水准面:人们设想以一个静止不动的海水面延伸穿越陆地,形成一个闭合的曲面包围了整个地球称为大地水准面,即与平均海水面相吻合的水准面。
31、水准点:用水准测量的方法测定的高程控制点。
32、水准路线:在水准点间进行水准测量所经过的路线。
33、等高线的种类有首曲线、计曲线、间曲线、助曲线。
34、地貌有山头与洼地、山脊与山谷、鞍部、陡崖与悬崖。