LED调光实验报告
- 格式:doc
- 大小:16.19 KB
- 文档页数:4
光电子实验报告实验6:LED光色测试系统实验报告1. 了解CIE色度学基本知识以及LED光色测试原理。
2. 掌握LED光电系统的定标方法。
4. 学习用积分球测试LED灯色坐标、光谱、光效等参数的测量方法。
二、仪器用具积分球、PMS-50紫外-可见光-近红外光谱分析系统、电脑、LED芯片电光测试台、直插式LED灯若干个。
三、实验原理根据光度色度学理论,PMS系统测得被测体的光谱功率分布P(λ)(即在每一光谱下测其能量值)后,就能通过计算得出被测光源的相关色温TC,显色指数Ra、Ri(1-15),峰值波长及半宽度等参数,基于“CIE 1931 XYZ标准色度系统”的相关公式可计算出相应的色品坐标(x,y)和(u,v)。
积分球原理:积分球又称光通球,是一个中空的完整球壳。
内壁涂有白色漫反射层,且球内壁各点漫反射均匀。
用已知色温的白炽标准灯对取代二极管位置的MgO槽照射,漫反射光经光纤对整个系统进行光谱校正。
并且光源在球壁上任意一点上产生的光照度是由多次反射光产生的光照度叠加而成的,球壁上任意位置的光照度E(挡去直接光照后)与灯的光通量Φ成正比,通过测量球壁窗口上的光照度E,以及光谱功率分布曲线就可求出光源的光通量Φ。
图1积分球原理仪器介绍:PMS-50/80紫外-可见-近红外光谱分析系统的基本组成较为简单,主要包括PMS-50/80 主机一台、光度探头(既可测光通量又可监视被测对象的稳定度)、温度探头一个、专用串行通讯电缆及专用软件等五部分。
为保证仪器正常工作,用户还应配置PIV 以上计算机(可由用户自行配置,要求配彩色显示器、鼠标、RS232 串行口、Win98 以上操作平台及光驱,要求内存至少在512M 以上)一台及一根传能光纤(将被测光耦合仪器内部)。
1. 开机:将仪器各插头插好,打开电脑。
2. 定标:打开软件,将标准灯具放进积分球内,先进行光谱标定,再进行光通量定标。
3. 小心取出标准灯具,更换成所测灯具,开始测试。
内容三 LED反向特性测试实验
一、实验目的
1、熟悉LED反向伏安特性;
2、掌握LED反向伏安的测试方法。
二、实验原理
基本原理详见“实验一LED正向特性测试实验”。
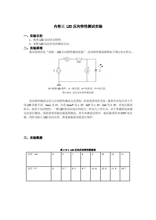
反向特性测试框图如下图1-2-1所示:
D--被测LED器件、G—稳压源、A--电流表、V--电压表。
图1-2-1 反向I-V特性测试图
反向特性测试方法与正向特性测试方法类似,但是两者间有差异。
通常开启电压对于不同LED其值不同,GaAs为1V,红色GaAsP为1.2V,GaP为1.8V,GaN为2.5V,其电压值均较小;而对于反向特性,一般LED的反向电压均较大,约为几十伏左右,对于普通的电流源无法进行测试,因此需采用稳压源进程测试。
其中本测试过程中,稳压源采用0-200V电压源,同时为防止LED反向击穿,需连接限流电阻进行保护。
三、实验数据
表1-2-1 LED反向伏安特性数据表
四、实验数据分析及思考题
如上图实验数据及折线图所示,随着反向电流的增大,反向电压也逐渐增大。
但是电压增大的速率逐渐变慢,最终达到反向饱和的状态。
当反向电压足够大的时候,就会发生反向电压的电击穿。
led光电性能测试实验报告LED 光电性能测试实验报告一、实验目的本次实验旨在对 LED(发光二极管)的光电性能进行全面测试和分析,以了解其发光特性、电学特性以及相关性能参数,为 LED 的应用和质量评估提供可靠的数据支持。
二、实验原理1、发光原理LED 是一种半导体器件,当电流通过时,电子和空穴在半导体材料的 PN 结处复合,释放出能量以光子的形式发出光。
2、光电特性LED 的光电特性主要包括光通量、发光强度、光谱分布、色温、显色指数、正向电压、反向电流等。
三、实验设备与材料1、光色电综合测试系统用于测量LED 的光通量、发光强度、光谱等光学参数,以及电压、电流等电学参数。
2、直流电源提供稳定的电流和电压输出,驱动 LED 工作。
3、积分球用于收集和均匀化 LED 发出的光,以提高光测量的准确性。
4、标准光源用于校准光色电综合测试系统。
5、待测试的 LED 样品若干四、实验步骤1、样品准备选取外观完好、无明显缺陷的 LED 样品,并对其引脚进行清洁和处理,以确保良好的电气接触。
2、连接测试系统将 LED 样品的正负极分别与直流电源的正负极相连,同时将 LED 放入积分球内,并将积分球与光色电综合测试系统连接。
3、设定测试条件在直流电源上设置合适的电流和电压,以满足 LED 的正常工作条件。
在光色电综合测试系统中设置相应的测试参数,如测量范围、积分时间等。
4、进行测试开启直流电源,使 LED 发光,同时启动光色电综合测试系统,进行光通量、发光强度、光谱等光学参数的测量,以及正向电压、反向电流等电学参数的测量。
5、数据记录与分析将测试得到的数据进行记录,并对数据进行分析和处理,计算出LED 的相关性能参数,如光效、色温、显色指数等。
6、重复测试为了提高测试结果的准确性和可靠性,对每个 LED 样品进行多次重复测试,并取平均值作为最终的测试结果。
五、实验数据与结果1、光通量测试得到的 LED 光通量范围为_____lm 至_____lm,平均值为_____lm。
光控led灯电路设计实验报告小组成员:目录光控led灯电路设计实验报告 (1)电路原理 (1)原件清单 (3)功能描述 (3)作品照片....................................................................................................错误!未定义书签。
项目开发笔记 (3)感想感悟 (5)电路原理1、原理图2、电路原理:R1和R2构成分压电路,当环境光线较强时,光敏电阻阻值较小,R2上的电压较小,无法使三极管Q1导通,此时三极管的集电极没有电流通过,发光二极管DS不亮。
当光线较暗时,光敏电阻R2上的电压较大,Q1导通,从而使得DS发光。
3、元件选择:Q1选择常用的9013,必要时可以用两个并联在一起,DS选用高亮度的发光二极管,R1选用多圈电位器,R2选用常用的塑封光敏电阻。
4、电路调试:连接好电路后,用小螺丝刀调节R1的阻值大小,使得光线较亮时发光二极管熄灭,较暗时发光二极管点亮。
5、相关知识点:三极管三极管可以看做是一个电流控制器,也就是说使用基极较小的电流控制通过集电极的电流。
三极管有一个参数叫直流放大倍数β,就是说如果基极流过的电流是Ib则流过集电极的电流Ic=β*Ib。
这样一来就实现了放大的功能。
这个例子中利用的是三极管放大的极限状态,要么让Ic很大,要么让Ic几乎为0。
这样一来就相当于一个开关了。
对于NPN型的硅三极管,当基极和发射极之间的电压高于0.7伏时,就称之为导通,这时,基极就有电流通过了,就可以控制集电极的电流了。
PNP型的刚好相反,基极和发射极之间的电压要小于-0.7伏,才能导通。
原件清单名称型号数量电位器3296 1光敏电阻 1纽扣电池CR2032 1电池架 1Led灯 5功能描述在强光下led灯保持熄灭的状态,在弱光下led灯将会发光。
项目开发笔记1、选题考虑基于大一所学的电路基础以及为了实践焊接技术,我们小组选择了一个较为简单的光控led灯电路,基于网上的现有电路图将其变成实际设备。
led设计实验报告LED设计实验报告引言:LED(Light Emitting Diode)是一种固态发光器件,具有低功耗、长寿命、高亮度等特点,在现代照明、显示、通信等领域得到广泛应用。
本实验旨在通过设计一个简单的LED电路,探究其亮度与电流、电压之间的关系,并对LED的发光机制进行初步了解。
实验一:LED电路设计在本实验中,我们使用了一个常见的LED,其额定电流为20mA,额定电压为2V。
根据Ohm定律,我们可以计算出所需的电阻值,以限制电流通过LED。
实验材料:- 1个LED- 1个电阻- 1个电源- 连线实验步骤:1. 将LED的正极与电阻的一端连接。
2. 将电阻的另一端与电源的正极连接。
3. 将LED的负极与电源的负极连接。
实验结果:通过改变电源的电压,我们可以观察到LED的亮度变化。
当电压为2V时,LED 达到最佳亮度。
当电压低于2V时,LED变暗;当电压高于2V时,LED可能会烧毁。
因此,合理选择电阻和电压对于保护LED的正常运行至关重要。
实验二:LED发光机制LED的发光机制是基于半导体材料的特性。
当电流通过LED芯片时,半导体材料中的电子与空穴结合,释放出能量,产生光子。
这种发光过程被称为发射光。
实验材料:- 1个LED- 1个放大镜- 1个纸板实验步骤:1. 将LED放在纸板上,使其垂直于纸板。
2. 打开电源,通电使LED发光。
3. 使用放大镜观察LED芯片。
实验结果:通过放大镜观察,我们可以看到LED芯片发出的光线。
LED的发光颜色取决于半导体材料的选择。
常见的LED颜色有红色、绿色、蓝色等。
这种发光机制使LED在照明、显示等应用中具有广泛的用途。
实验三:LED的应用除了作为照明和显示设备,LED还有许多其他应用。
以下是一些常见的LED应用领域:1. 交通信号灯:LED的高亮度和快速响应时间使其成为交通信号灯的理想选择。
LED信号灯具有更长的寿命和更低的能耗。
2. 汽车照明:LED被广泛应用于汽车前照灯、尾灯和指示灯。
第1篇一、实验目的本实验旨在探究灯光改造对室内环境、视觉舒适度以及节能效果的影响。
通过对比改造前后的灯光效果,分析灯光改造的可行性和必要性。
二、实验背景随着社会的发展,人们对生活品质的要求越来越高,室内灯光的改造成为提高居住舒适度和节能环保的重要手段。
本实验选取了某住宅室内灯光为改造对象,对其进行了全面改造。
三、实验方法1. 改造前灯光情况调查:对改造前的室内灯光进行详细记录,包括灯光类型、亮度、色温、照度等指标。
2. 改造方案设计:根据调查结果,结合室内空间布局、居住需求等因素,设计灯光改造方案。
方案包括灯光类型、数量、布局、亮度、色温等。
3. 灯光改造实施:按照设计方案,对室内灯光进行改造,包括更换灯具、调整灯光布局、调整亮度、色温等。
4. 改造后效果评估:对改造后的灯光效果进行评估,包括视觉舒适度、节能效果、室内环境等方面。
四、实验结果与分析1. 改造前灯光情况:- 灯光类型:主要以白炽灯和节能灯为主。
- 亮度:整体亮度较低,部分区域存在照度不足的情况。
- 色温:主要以暖色调为主,色温偏黄。
- 节能效果:节能效果较差,白炽灯和部分节能灯耗电量较高。
2. 改造后灯光情况:- 灯光类型:采用LED灯和荧光灯,具有节能、环保、寿命长等优点。
- 亮度:整体亮度提高,照度均匀,满足室内照明需求。
- 色温:采用暖白光和冷白光相结合,营造舒适的视觉环境。
- 节能效果:LED灯和荧光灯的能耗远低于白炽灯和部分节能灯,节能效果显著。
3. 改造后效果评估:- 视觉舒适度:改造后的灯光亮度适中,色温舒适,有效减轻了眼睛疲劳,提高了视觉舒适度。
- 节能效果:改造后的灯光能耗降低,预计年节电量可达20%以上。
- 室内环境:灯光改造后,室内环境明亮、舒适,提升了居住品质。
五、实验结论1. 灯光改造可以有效提高室内照明效果,改善视觉舒适度。
2. 灯光改造具有显著的节能效果,有利于环保。
3. 灯光改造对提高居住品质具有重要意义。
LED调光实验报告文档LED dimming experiment report document编订:JinTai CollegeLED调光实验报告文档小泰温馨提示:实验报告是把实验的目的、方法、过程、结果等记录下来,经过整理,写成的书面汇报。
本文档根据实验报告内容要求展开说明,具有实践指导意义,便于学习和使用,本文下载后内容可随意修改调整及打印。
高亮度发光二极管(LED)在各种领域应用普及,并要求LED具备有调光功能。
在现在的几种调光技术中,从简单的可变电阻负载到复杂的脉冲宽度调制(PWM)开关,每一种方法均有其利弊。
PWM调光的效率最高,电流控制也最精准。
本文以LED驱动器LM3405为例,论述LED在调光时的特性,例如亮度与正向电流的关系、波长的变化(色移)和控制器的工作周期限制等。
1、LED驱动器工作原理由于LED的功率低于1 W,所以可用任何类型的电压源(开关器、晶体管)和串串联电阻建构一个电流源。
对于少数光线输出端电流的改变而造成亮度和颜色的变化,人的肉眼是不容易察觉出来。
不过,一旦将多个LED串联,该稳压器便必需担当电流源的角色。
这是因为LED的正向电压VF会随正向电流IF变化,图1是LED波长随着正向电流IF变化图,而该变化对于每个LED都不相同的,即使是同一批产品也有区别。
在较大的电流下,光线的强度变化通常约为20%。
而 LED制造商一般都会采用较大的VF范围来增加亮度和颜色,因此上述情况尤其突出。
然而,除了电流外,正向电压还会受到温度影响。
假如只采用镇流电阻器,则光源的颜色和亮度变化很大,而唯一可确保色温稳定的方法是稳定前正向电流IF。
大部分设计人员只习惯为LED设计稳压器,但在设计电流调节器方面显然有不同的要求。
电压输出必须要配合固定的输出电流。
虽然在大多数应用中, LED驱动器的输出电流可容许误差±10%,而直流电流的输出纹波更可高达20%,一旦纹波超出20%,人的肉眼便会察觉到亮度的变化,假如输出纹波进一步增加到40%,肉眼就无法承受。
竭诚为您提供优质文档/双击可除led闪烁实验报告篇一:单片机实验--LeD灯闪烁实验实验报告课程名称实验项目20XX年3月13日【实验目的】1.掌握51单片机开发板的使用步骤;2.掌握51单片机开发板所需软件的安装过程;3.以LeD灯闪烁为例子,掌握软件KeIL3的使用方法。
熟悉51单片机开发板的使用【实验环境】1.实验仪器、设备计算机、51单片机开发板2.软件usb驱动程序、KeLL开发软件3.实验过程51单片机开发板的使用步骤1)安装usb驱动程序;2)安装KeIL开发软件3)在KeIL环境中编写和调试程序4)用程序烧录软件,将单片机程序烧录到单片机51单片机开发板所需软件的安装过程1)安装usb驱动程序2)设置串口LeD灯闪烁的程序的编写、调试和烧录。
【实验内容】1.内容一1.1操作过程(1)将单片机开发板的电源与pc的usb口相连;(2)在pc机上安装usb_Driver驱动程序的安装,具体安装步骤,请参见《文件驱动程序安装说明.pdf》;设置串口,请参见《设置串口.pdf》;(3)在pc机上安装KeILV3软件,具体安装步骤,请参见《安装说明.TxT》;(4)运行KeIL3软件,软件的具体使用方法,请参见请参见《keil入门.pDF》文件;(5)在KeIL软件中,创建内容如下的c程序,文件名为学生自己的学号:(6)编译和调试,修改程序错误;(7)使用软件《pZIsp自动下载软件.exe》将程序烧录到单片机中,观察现象是否与正常;(8)再在原来程序的基础上,修改程序,实现功能较复杂的程序。
(9)编写内容如下的汇编程序,文件名为学生学号.asm:1.2操作结果程序下载成功后,则单片机开发板上的8个LeD灯将闪烁。
下图为LeD灯电路图。
1.3结果分析主程序中有:(1)p2=0x00;(2)delay(600);(3)p2=0xff;(4)delay(600);第一条程序为置p0口为低电平,点亮p2口8个LeD;,第二条程序为调用延时程序,等待一段时间熄灭,第三条程序为置p0口为高电平,熄灭p2口8个LeD灯;最后一条程序为调用延时程序。
控制led实验报告总结本次实验旨在通过控制LED灯的亮灭,加深对基础电路原理和控制电路的理解。
通过手动控制和编程控制两种方式来实现LED的亮灭,并对实验结果进行分析和总结。
实验过程:在实验中,我们首先搭建了一个简单的LED电路,包括LED灯、电阻和电源。
通过按下按钮来手动控制LED灯的亮灭。
随后,我们通过编程控制来实现LED 灯的亮灭。
通过编写代码,我们可以控制LED灯在一个指定的时间间隔内交替闪烁。
实验结果:在手动控制部分,当按下按钮时,电路中的电流通过LED灯,使其点亮;当松开按钮时,电路中的电流中断,LED灯熄灭。
这说明我们可以通过手动控制电路,来控制LED灯的亮灭。
在编程控制部分,通过编写代码,我们可以自动控制LED灯的亮灭。
通过使用控制语句和循环结构,我们可以控制LED灯在一个固定的时间间隔内交替闪烁。
这样的应用可以在实际生活中用于提醒或警示的目的。
实验分析:通过本次实验,我们加深了对基础电路原理和控制电路的理解。
我们学习到了如何通过手动控制和编程控制来控制LED灯的亮灭。
手动控制是通过开关按钮来控制电路中的电流流动,从而使LED灯亮灭。
编程控制是通过编写代码,通过控制语句和循环结构控制LED灯的亮灭。
实验中,我们还学习到了如何搭建一个简单的电路,包括放置电阻和连接电源。
这些基础的电路原理为我们理解更复杂的电路和控制系统奠定了基础。
实验总结和心得:通过本次实验,我对电路原理和控制电路有了更深入的理解。
我学会了如何通过手动控制和编程控制来控制LED灯的亮灭,这为我进一步学习和研究更复杂的电子设备和电路系统奠定了基础。
同时,本次实验也加强了我的动手能力和实验操作的技巧。
在实际搭建电路和编写代码的过程中,我遇到了一些问题,但通过仔细观察和尝试,最终成功完成了实验。
这使我更加熟练掌握了实验操作的方法和技巧。
此外,通过实验,我也认识到电子技术在日常生活中的重要性。
电子设备和电路系统已经广泛应用于各个领域,而控制电路则是其中的关键。
实验五 LED流水灯实验实验报告内容及格式1.实验目的2.实验设备3.实验原理及环境4.实验内容只做文字叙述,程序部分放在程序清单中。
5.程序清单本实验使用的完整程序。
如果使用了本实验或前面实验中完全相同的子程序,可不列写,只做注明即可。
6.实验步骤7.实验总结主要包括对实验结果、调试过程、错误及产生的原因的分析,以及本次实验的重要收获等。
此项为实验成绩评定的重要依据。
实验目的:掌握PROTEUS软件的使用方法利用PROTEUS软件画出单片机控制跑马灯的电路原理图,然后编程实现发光二极管依次点亮,间隔1s.学会将程序下载到单片机的使用方法。
实验设备:SC5204开发板、安装有KEIL、PROTEUS仿真软件的计算机一台实验原理及环境:1. 实验板上有8个LED灯,通过74HC573芯片与单片机的P0口相连接,当输出口为0 时,发光二级管点亮;输出位为1时,发光二极管熄灭。
2. 8D锁存器74HC573芯片特点:(1)三态总线驱动输出(2)置数全并行存取(3)缓冲控制输入(4)使能输入有改善抗扰度的滞后作用74HC573引脚图:3.SC5204实验板原理图实验内容:1.用keil软件编写一个8位LED流水灯程序。
该程序的要求如下:(1)自己设计点亮顺序。
(2)每个灯亮的时间为1秒。
2.生成.Hex工程文件3.用proteus仿真软件仿真出上述原理图,然后装载.HEX文件进行调试4.用STC-ISP软件将程序下载在SC5204实验板上,验证实验结果。
预习要求:理解实验原理,熟悉实验环境。
编写实现本实验要求的程序,并生成*.asm文件,将这个文件放在U盘上备用。
实验步骤:1.建立一个工程,将在预习中做好的实验内容键入,并生成*.asm文件,加入工程中。
2.用proteus仿真软件画出原理图。
3.将*.asm文件编译后与仿真图连接,运行,调试。
4.如果运行结果不正常,可以用设断点、单步运行的方法查找错误所在,修改后重新编译。
光信息专业实验报告:LED特性及光度测量实验【实验原理】LED是英文light emitting diode(发光二极管)的缩写,它属于固态光源,其基本结构是一块电致发光的半导体材料,置于一个有引线的架子上,然后四周用环氧树脂密封,起到保护内部芯线的作用(如图1)。
常规的发光二极管芯片的结构如图二所示,主要分为衬底,外延层(图2中的N型氮化镓,铝镓铟磷有源区和P型氮化镓),透明接触层,P型与N型电极、钝化层几部分。
发光二极管的核心部分是由p型半导体和n型半导体组成的晶片,在p型半导体和n型半导体之间有一个过渡层,称为p-n结。
跨过此p-n结,电子从n型材料扩散到p区,而空穴则从p 型材料扩散到n 区,如右面的图3(a)所示。
作为这一相互扩散的结果,在p-n结处形成了一个高度的eΔV的势垒,阻止电子和空穴的进一步扩散,达到平衡状态(见图3(b))。
当外加一足够高的直流电压V,且p 型材料接正极,n型材料接负极时,电子和空穴将克服在p-n结处的势垒,分别流向p 区和n 区。
在p-n结处,电子与空穴相遇,复合,电子由高能级跃迁到低能级,电子将多余的能量将以发射光子的形式释放出来,产生电致发光现象。
这就是发光二极管的发光原理。
选择可以改变半导体的能带隙,从而就可以发出从紫外到红外不同波长的光线,且发光的强弱与注入电流有关。
发光二极管的核心部分是由p型半导体和n型半导体组成的晶片,在p型半导体和n型半导体之间有一个过渡层,称为p-n结。
跨过此p-n结,电子从n型材料扩散到p区,而空穴则+从p 型材料扩散到n 区,如右面的图3(a)所示。
作为这一相互扩散的结果,在p-n结处形成了一个高度的eΔV的势垒,阻止电子和空穴的进一步扩散,达到平衡状态(见图3(b))。
当外加一足够高的直流电压V,且p 型材料接正极,n型材料接负极时,电子和空穴将克服在p -n 结处的势垒,分别流向 p 区和n 区。
在p -n 结处,电子与空穴相遇,复合,电子由高能级跃迁到低能级,电子将多余的能量将以发射光子的形式释放出来,产生电致发光现象。
led灯的点亮实验报告
《LED灯的点亮实验报告》
在现代科技发展的今天,LED灯已经成为了我们日常生活中不可或缺的一部分。
它的节能、环保、寿命长等优点使得它在家庭和商业环境中得到了广泛的应用。
但是,你是否知道LED灯是如何点亮的呢?下面就让我们来进行一次LED灯的
点亮实验,以揭开这个神秘的面纱。
首先,我们需要准备一些实验器材:LED灯、电池、导线等。
接下来,我们将LED灯的正极和负极分别连接到电池的正负极上,然后闭上开关,你会发现
LED灯顿时亮了起来。
这是因为LED灯是一种半导体发光器件,当电流通过
LED灯时,半导体中的电子和空穴结合发生能级差而产生光子,从而使LED灯
发光。
在实验过程中,我们还可以通过改变电池的电压和电流来观察LED灯的亮度变化。
当电压和电流增大时,LED灯的亮度也会随之增加,反之亦然。
这说明
LED灯的发光亮度与电流成正比,与电压成正比。
通过这次实验,我们不仅了解了LED灯的点亮原理,还深刻认识到了LED灯的
节能、环保等优点。
相信在未来的科技发展中,LED灯将会更加普及,为我们
的生活带来更多的便利和舒适。
希望通过这次实验,大家能对LED灯有更深入
的了解,并在日常生活中更加珍惜和节约能源。
第1篇一、实验目的1. 理解调光系统的基本原理和组成。
2. 掌握PWM(脉冲宽度调制)调光技术。
3. 学习LED驱动器的工作原理和调光特性。
4. 实验并分析LED调光系统的性能和稳定性。
二、实验原理调光系统是通过改变LED的驱动电流或电压来调节其亮度的一种技术。
在实验中,我们主要采用了PWM调光技术,即通过调整脉冲的宽度来改变LED的平均亮度。
PWM调光的基本原理是:在LED的正向电压恒定的情况下,通过改变脉冲信号的占空比(即脉冲宽度与脉冲周期的比值),从而改变LED的平均电流,进而调节LED 的亮度。
三、实验器材1. 实验台2. LED灯珠3. LED驱动器LM34054. 电阻5. 信号发生器6. 示波器7. 光电传感器8. 电源9. 连接线四、实验步骤1. 搭建实验电路:根据实验要求,搭建PWM调光电路,包括LED灯珠、LED驱动器、电阻、信号发生器等。
2. 调整PWM信号:使用信号发生器产生PWM信号,调节占空比,观察LED的亮度变化。
3. 分析亮度与PWM占空比的关系:记录不同占空比下LED的亮度,分析亮度与PWM占空比的关系。
4. 测试PWM调光系统的稳定性:在稳定的环境下,长时间观察LED的亮度变化,测试PWM调光系统的稳定性。
5. 使用光电传感器进行调光实验:将光电传感器连接到电路中,根据环境光照强度自动调节PWM占空比,实现LED的自动调光。
五、实验结果与分析1. 亮度与PWM占空比的关系:实验结果显示,LED的亮度与PWM占空比呈线性关系。
当占空比增大时,LED亮度增加;当占空比减小时,LED亮度降低。
2. PWM调光系统的稳定性:经过长时间观察,PWM调光系统表现出良好的稳定性,LED亮度基本保持不变。
3. 光电传感器调光实验:实验结果表明,光电传感器能够根据环境光照强度自动调节PWM占空比,实现LED的自动调光。
六、实验结论1. PWM调光技术是一种简单、有效的LED调光方法。
光信息专业实验报告:LED特性及光度测量实验【实验目的】1、了解LED的发光机理、光学特性和电学特性,并掌握其测试方法。
2、设计简单的测试装置,并对LED进行V-I、P-I特性曲线测量。
3、测试LED的辐射能量分布图。
【实验原理】所谓LED,就是发光二极管(Light Emitting Diode),顾名思义发光二极管就是一种把电能转化为光能的电子器件,具有二极管的特性。
其基本结构是一块电致发光的半导体模块,封装在环氧树脂中,通过针脚作为正负电极并起到支撑作用。
LED的结构主要由PN结芯片、电极和光学系统组成。
当在电极上加上正向偏压时,电子和空穴分别注入P区和N区,当非平衡少数载流子与多数载流子复合时,就会以辐射光子的形式将多余的能量转化为光能。
其发光过程包括三个部分:正向偏压下的载流子注入、复合辐射和光能传输。
在LED的两端加上正向电压,电流从LED阳极流向阴极,半导体晶体就发出从紫外到红外不同颜色的光线。
调节电流,便可以调节光的强度。
更有的LED可以通过改变电流来改变发光频率,这样可以通过调整材料的能带结构和带隙,实现多色发光。
LED的主要特性(与本实验有关)如下:(1)光谱分布、峰值波长和光谱辐射带宽:LED所发的光并非单一波长,其波长具有正态分布的特点,在最大光谱能量(功率)处的波长成为峰值波长。
光谱辐射带宽是指光谱辐射功率大于等于最大值一半的波长间隔,它表示LED发光的单色性。
(2)光通量:LED光源发射的辐射通量中能引起人是指LED向整个空间在单位时间内发射的能引起人眼视觉的辐射通量。
光通量通常使用如图1所示的积分球来进行测量。
积分球又叫光度球,是一个球形空腔,由内壁涂有均匀的白色漫反射层(硫酸钡或氧化镁)的球壳组装而成,被测LED置于空腔内。
LED器件发射的光辐射经积分球壁的多次反射,使整个球壁上的照度均匀分布,可用一置于球壁上的探测器来测量这个与光通量成比例的光的照度。
(3) V-I 特性:在正向电压小于阈值时,正向电流极小,不发光。
LED调光实验报告高亮度发光二极管(LED)在各种领域应用普及,并要求LED具备有调光功能。
在现在的几种调光技术中,从简单的可变电阻负载到复杂的脉冲宽度调制(PWM)开关,每一种方法均有其利弊。
PWM 调光的效率最高,电流控制也最精准。
本文以LED驱动器LM3405为例,论述LED在调光时的特性,例如亮度与正向电流的关系、波长的变化(色移)和控制器的工作周期限制等。
1、LED驱动器工作原理由于LED的功率低于1 W,所以可用任何类型的电压源(开关器、晶体管)和串串联电阻建构一个电流源。
对于少数光线输出端电流的改变而造成亮度和颜色的变化,人的肉眼是不容易察觉出来。
不过,一旦将多个LED串联,该稳压器便必需担当电流源的角色。
这是因为LED的正向电压VF会随正向电流IF变化,图1是LED波长随着正向电流IF变化图,而该变化对于每个LED都不相同的,即使是同一批产品也有区别。
在较大的电流下,光线的强度变化通常约为20%。
而LED制造商一般都会采用较大的VF范围来增加亮度和颜色,因此上述情况尤其突出。
然而,除了电流外,正向电压还会受到温度影响。
假如只采用镇流电阻器,则光源的颜色和亮度变化很大,而唯一可确保色温稳定的方法是稳定前正向电流IF。
大部分设计人员只习惯为LED设计稳压器,但在设计电流调节器方面显然有不同的要求。
电压输出必须要配合固定的输出电流。
虽然在大多数应用中,LED驱动器的输出电流可容许误差±10%,而直流电流的输出纹波更可高达20%,一旦纹波超出20%,人的肉眼便会察觉到亮度的变化,假如输出纹波进一步增加到40%,肉眼就无法承受。
2、器件和设计实例一般而言,电流调节器的设计都需使用比较大的电感以使电感电流IL的变化少于20%。
这里可采用LM3405,即使电感由于1.6 MHz 的高开关频率而变得较小,仍可发挥很好的效用。
LM3405性能参数如下:控制方法:封装:电流模式 TSOT-6最大输入电压: 15V应用:工业照明 1A 1~22uF 4.7~10uH 驱动电流:输出电容:电感:3、脉冲宽度调制调光技术PWM控制是降低LED光线输出的最佳方法。
led灯实验报告篇一:单片机实验报告——LED灯控制器《微机实验》报告LED灯控制器指导教师:专业班级:姓名:学号:联系方式:一、任务要求实验目的:加深对定时/计数器、中断、IO端口的理解,掌握定时/计数器、中断的应用编程技术及中断程序的调试方法。
实验内容:利用C8051F310单片机设计一个LED灯控制器主要功能和技术指标要求: 1. LED灯外接于P0.0端。
2. LED灯分别按2Hz,1Hz和0.5Hz三种不同频率闪动,各持续10s。
3. 在LED灯开始和停止闪烁时蜂鸣器分别鸣响1次。
4. 利用单片机内部定时器定时,要求采用中断方式。
提高要求:使用按键(KINT)控制LED灯闪烁模式的切换。
二、设计思路C8051F310单片机片上晶振为24.5MHz,采用8分频后为3.0625MHz ,输入时钟信号为48个机器周期,所以T1定时器采用定时方式1,单次定时最长可以达到的时间为1.027s,可以满足0.5Hz是的定时要求。
基础部分:给TMOD赋值10H,即选用T1定时器采用定时方式1,三种频率对应的半周期时间为0.25s、0.5s、1s。
计算得需给TH1和TL1为C1H、B1H;83H、63H;06H、C6H。
要使闪烁持续10s,三种模式需要各循环40、20、10次。
用LOOP3:MOV C,PSW.5;PSW.5为标志位,进定时器中断后置一JNC LOOP3代替踏步程序等待中断,以便中断完后回到主程序继续向下执行。
为了减少代码长度,可以采用循环结构,循环主题中,将R1、R2分别赋给TH1、TL1,R7为循环次数(用DJNZ语句实现);定时中断里,重新给TH1、TL1赋值时同理。
这样,循环时只要把定时时间和循环次数赋给R1、R2、R7即可,达到减少代码长度的效果。
蜂鸣器也采用T1定时方式1,定时一秒。
提高部分:采用外部中断0,下降沿触发。
外部中断程序里置标志位PSW.1和R0,PSW.5用于判断执行完一种模式后,是否跳出循环结束。
竭诚为您提供优质文档/双击可除led闪烁实验报告篇一:单片机实验--LeD灯闪烁实验实验报告课程名称实验项目20XX年3月13日【实验目的】1.掌握51单片机开发板的使用步骤;2.掌握51单片机开发板所需软件的安装过程;3.以LeD灯闪烁为例子,掌握软件KeIL3的使用方法。
熟悉51单片机开发板的使用【实验环境】1.实验仪器、设备计算机、51单片机开发板2.软件usb驱动程序、KeLL开发软件3.实验过程51单片机开发板的使用步骤1)安装usb驱动程序;2)安装KeIL开发软件3)在KeIL环境中编写和调试程序4)用程序烧录软件,将单片机程序烧录到单片机51单片机开发板所需软件的安装过程1)安装usb驱动程序2)设置串口LeD灯闪烁的程序的编写、调试和烧录。
【实验内容】1.内容一1.1操作过程(1)将单片机开发板的电源与pc的usb口相连;(2)在pc机上安装usb_Driver驱动程序的安装,具体安装步骤,请参见《文件驱动程序安装说明.pdf》;设置串口,请参见《设置串口.pdf》;(3)在pc机上安装KeILV3软件,具体安装步骤,请参见《安装说明.TxT》;(4)运行KeIL3软件,软件的具体使用方法,请参见请参见《keil入门.pDF》文件;(5)在KeIL软件中,创建内容如下的c程序,文件名为学生自己的学号:(6)编译和调试,修改程序错误;(7)使用软件《pZIsp自动下载软件.exe》将程序烧录到单片机中,观察现象是否与正常;(8)再在原来程序的基础上,修改程序,实现功能较复杂的程序。
(9)编写内容如下的汇编程序,文件名为学生学号.asm:1.2操作结果程序下载成功后,则单片机开发板上的8个LeD灯将闪烁。
下图为LeD灯电路图。
1.3结果分析主程序中有:(1)p2=0x00;(2)delay(600);(3)p2=0xff;(4)delay(600);第一条程序为置p0口为低电平,点亮p2口8个LeD;,第二条程序为调用延时程序,等待一段时间熄灭,第三条程序为置p0口为高电平,熄灭p2口8个LeD灯;最后一条程序为调用延时程序。
LED调光实验报告
高亮度发光二极管(LED)在各种领域应用普及,并要求LED具备有调光功能。
在现在的几种调光技术中,从简单的可变电阻负载到复杂的脉冲宽度调制(PWM)开关,每一种方法均有其利弊。
PWM调光的效率最高,电流控制也最精准。
本文以LED驱动器LM3405为例,论述LED在调光时的特性,例如亮度与正向电流的关系、波长的变化(色移)和控制器的工作周期限制等。
由于LED的功率低于1 W,所以可用任何类型的电压源(开关器、晶体管)和串串联电阻建构一个电流源。
对于少数光线输出端电流的改变而造成亮度和颜色的变化,人的肉眼是不容易察觉出来。
不过,一旦将多个LED串联,该稳压器便必需担当电流源的角色。
这是因为LED的正向电压VF会随正向电流IF变化,图1是LED波长随着正向电流IF变化图,而该变化对于每个LED都不相同的,即使是同一批产品也有区别。
在较大的电流下,光线的强度变化通常约为20%。
而 LED制造商一般都会采用较大的VF范围来增加亮度和颜色,因此上述情况尤其突出。
然而,除了电流外,正向电压还会受到温度影响。
假如只采用镇流电阻器,则光源的颜色和亮度变化很大,而唯一可确保色温稳定的方法是稳定前正向电流IF。
大部分设计人员只习惯为LED设计稳压器,但在设计电流调节器方面显然有不同的要求。
电压输出必须要配合固定的输出电流。
虽
然在大多数应用中, LED驱动器的输出电流可容许误差±10%,而直流电流的输出纹波更可高达20%,一旦纹波超出20%,人的肉眼便会察觉到亮度的变化,假如输出纹波进一步增加到40%,肉眼就无法承受。
一般而言,电流调节器的设计都需使用比较大的电感以使电感电流IL的变化少于20%。
这里可采用LM3405,即使电感由于1.6 MHz 的高开关频率而变得较小,仍可发挥很好的效用。
LM3405性能参数如下:
控制方法:
封装:电流模式 TSOT-6
最大输入电压: 15V
应用:工业照明 1A 1~22uF 4.7~10uH 驱动电流:输出电容:电感:
3、脉冲宽度调制调光技术
PWM控制是降低LED光线输出的最佳方法。
这种控制方法可在保持控制器2高效工作的同时,提供一个相对稳定的颜色输出。
在衡量调光质量方面,对比度CR是一个重要的指标,数值越大,表示光线输出的控制越精准。
现今,有些驱动电路制造商声称其产品的调光频率可以高至开关频率的50%,因而可获得良好的对比度。
理论上,这是有可能的,但这要求稳压器必须在不连续导电模式(DCM)和连续导电模式(CCM)之间正常工作,而这种工作对于设计而言未必是最好的方法。
然而,设置PWM频率比开关频率高一级,其稳定性最好。
实验数据显示,采用LM3045,调光频率为5 kHz时,稳定性最好。
设置最低调光频率下限是基于:当开关频率低于100 Hz时,肉眼便可看到抖动或闪烁。
至于最高频率上限是调光脉冲施加器件后,电路所需的启动时间。
以LM3405为例,器件首先会经历一个通电重设,之后进入软启动。
整个延迟直到LED电流被完全建立约为100μs,而额外调光脉冲的上升时间(tSU)和下降时间(tSD)会跟随最低调光脉冲到达。
DDIM(min)=(tD+tSU)/T
计算对比度,假设fDIM=1 000 Hz、TDIM=1 ms,从LM3405数据资料中得知tSU=20μs,则对比度CR为:
DDIM(min)=(20μs+100μs)/1 ms=0.12,则对比度
CR=1/DDIM(min)=8.3
从上式可明显看出,若要得到较佳的对比度,则降低调光频率fDIM。
在调光频率100 Hz下,对比度CR为83。
但效果比起LM3404并不算高,因为LM3404是专为高对比度而设计的,在500 Hz下LM3404的对比度可达655:1,适用于显示器背光灯和机器显示。
对于一般的照明应用而言,对比度接近100即可。
然而,LM3405可提供最简单和最小型的1 A LED调光驱动器解决方案。
将关机和调光功能结合到一个引脚上,封装尺寸缩少70%(比较PSOP-8与TSOT-6封装),但启动时间却增加至100μs。
模板,内容仅供参考。