船舶内装_围壁板安装节点
- 格式:pdf
- 大小:177.94 KB
- 文档页数:7
拖轮内装技术质量作业指导书一、绝缘施工1、在船体结构交验后,并喷一度漆后,按照图纸开始施焊绝缘碰钉。
2、首先要用直杆划出绝缘尺寸,离地面留50mm空隙。
每平方米不得少于26个钉。
绝缘接缝两端不得大于100mm,离钢梁为100mm。
要横平竖直,烧焊牢固。
3、烧焊过程,要检查一下,已焊的碰钉,是否有漏焊或没焊牢固的情况。
有掉的碰钉要及时补焊完整。
4、绝缘施工,现场材料摆放整齐,减少损坏现象。
5、绝缘安装表面平整,不得有凹凸现象,接缝严实。
6、所有绝缘割刀处,不得露岩棉,表面平滑、美观。
7、绝缘要离甲板50mm,不得大于或小于。
A60区域延伸要保证450mm,岩棉区域延伸要保证380mm。
8、包扶强材、钢梁碰钉要保证间距为250mm。
9、绝缘安装过程中,发现有掉的碰钉,要及时补焊并涂油漆。
不得干完绝缘后再补焊碰钉。
10、压片、压帽要压实、压牢不得松动。
11、铝箔布安装要表面平整、光滑。
不得有皱纹。
钢丝网铺设时,表面要严实牢固,不得松动,接缝要严密,表面要美观平整。
12、报验前要自检、互检、发现没有问题方可对外报验。
二、内装板施工1、首先按图纸上各层甲板内围壁板及天花板布置图的尺寸要求划出每个舱室壁板的位置,并且参考天花板布置图和舱室布置图,进行最准确的确认。
2、划线时,若发现钢结构有误差,一般应先保证舱室内部空间的净尺寸,误差为±3。
3、安装底槽型材在甲板上,底槽必须保持平直,水平坡度为±5。
4、上槽安装要与底型材相应尺寸保持垂直,不得上下歪斜。
5、上槽固定时,要留有10-15mm的余量,便于上装饰板时能装进去。
6、上槽烧焊角钢时,要拉线,保持平直,烧焊坚固,上槽完工后要用胶带纸对上槽进行保护,以防止表面漆划伤及粘上油污等。
7、上槽相交的内角处与外角处碰角,要保证内角、外角处严实平整,不得有缝隙。
8、天棚吊挂件,焊装间距约为700-800mm。
9、壁板安装前,流水沟及档平铁之间内杂物必须清理干净,方可进行。
船舶内装工艺1适用范围本指导书适用于绝缘材料敷设工艺、甲板敷料敷设工艺、木质家具制作及安装、木作舱室内装工艺。
2工艺内容2.1陶瓷棉敷设工艺2.1.1施工前准备(1)防火分隔绝缘材料敷设前,有关结构的焊接、切割、火工校正等工作均应结束,一般不允许在绝缘材料施工后再进行明火作业;(2)防火分隔及防潮型矿物棉板的固定形式按已确定的设计图纸施工。
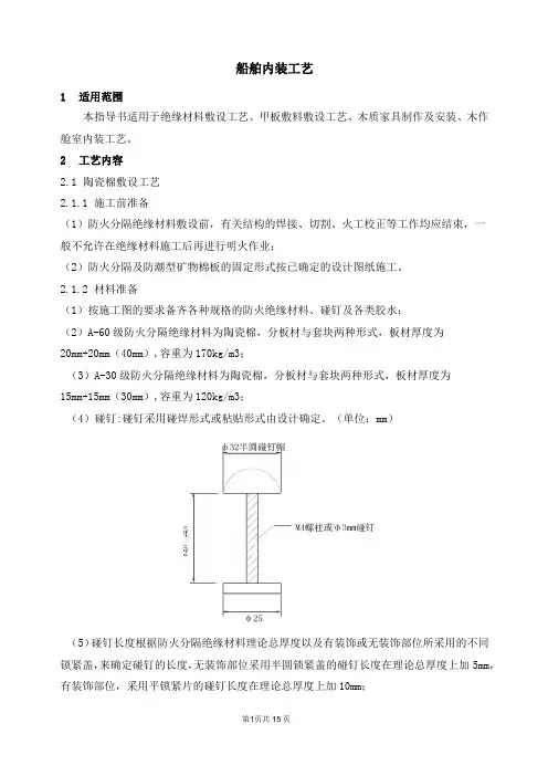
2.1.2材料准备(1)按施工图的要求备齐各种规格的防火绝缘材料、碰钉及各类胶水;(2)A-60级防火分隔绝缘材料为陶瓷棉,分板材与套块两种形式,板材厚度为20mm+20mm(40mm),容重为170kg/m3;(3)A-30级防火分隔绝缘材料为陶瓷棉,分板材与套块两种形式,板材厚度为15mm+15mm(30mm),容重为120kg/m3;(4)碰钉:碰钉采用碰焊形式或粘贴形式由设计确定。
(单位:mm)(5)碰钉长度根据防火分隔绝缘材料理论总厚度以及有装饰或无装饰部位所采用的不同锁紧盖,来确定碰钉的长度,无装饰部位采用半圆锁紧盖的碰钉长度在理论总厚度上加5mm,有装饰部位,采用平锁紧片的碰钉长度在理论总厚度上加10mm;(6)胶水(由防火分隔绝缘材料生产厂配套供应);(7)耐高温碰钉粘结剂,用于碰钉与船体钢结构之间的粘结;(8)MPV-20型粘结剂(单组份),用于绝缘材料与船体钢结构之间的粘结。
2.1.3工具准备手提式风动搅拌器或搅拌棒(用于各种胶水的搅拌),切割刀,剪刀,带齿形刮板油漆刷、尺等。
2.1.4环境准备(1)需敷设绝缘的钢板和型材,均应按油漆工艺涂刷或二层底漆。
施工时底漆表面应干净无油渍、锈斑。
如有不洁必须打磨干净,并补上底漆,然后方可敷设绝缘材料;(2)凡施工现场均应有良好的通风环境,以保证施工的安全性;(3)在施工现场,环境温度低于-10°C时不得施工。
2.1.5施工步骤及安全(1)碰钉粘结a.碰钉胶应用搅拌器或搅拌棒搅拌、并按说明书要求进行;b在需粘碰钉处划好线(纵、横线要求垂直,水平);c将碰钉底部圆铁片的油污、锈斑清除干净然后蘸上碰钉胶,将其粘贴在所需的部位(胶的厚度不大于2mm)。
浦东大道2311 号申佳船厂浦江游览•快线游”游览船内装修方案上海译达建筑装饰设计工程有限公司2019 年5 月15 日、工程概况本工程为浦东大道2311 号申佳船厂“浦江游览·快线游”游览船内装修工程。
内装范围主要为:上甲板:观光甲板170m2干舷甲板:男卫生间10.5m2、女卫生间10.5m2、吧台 4.5m2、客舱115m2、梯道9m2、驾驶室9m2舱内:监控室7.6m2、更衣室40m2、施工内容1、天花围壁板:(天花30mm 厚、独立围壁50mm 厚、衬板30mm 厚)2、地坪材料:3、绝缘:所有敷设的75mm 玻璃棉毡容重为32KG/M 3,包筋30mm 玻璃棉毡容重为32KG/M 3,所有扶强材间20mm+20mm 陶瓷棉毡容重为170 KG/M 3,包筋20mm+20mm陶瓷棉毡容重为170 KG/M3,所有绝缘应向无绝缘处延伸450mm,所有绝缘用金属碰钉固定,暴露绝缘用铝箔加将军帽装饰。
4、设备清单、施工工艺1、75mm 厚玻璃棉材料的施工工艺A、施工前准备1.1 技术资料施工前,应仔细熟悉防火分隔图、隔热隔音绝缘布置图、绝缘材料托盘表,必要时,进行工艺和技术交底。
1.2 物资资料产品出厂前,要进行质量检验,且必须提供船级社证书和产品型式认可证书,凡不符合质量检验认可的产品,均不准上船安装。
1.3 施工工具剪刀、钢皮刀,涂胶刷、胶水桶等。
1.4 安全措施施工操作时应穿戴好防护手套、防尘口罩等劳防用品。
B、施工人员准备施工人员上岗前,应经过专业知识和安全生产知识的应知、应会培训,考核合格后方能上岗操作。
C、工艺要求3.1 材料要求3.1.1 玻璃棉隔热材料(分表面玻璃丝布、表面铝箔布两类)技术性能参见相关说明书及BV 船级社证书。
3.1.2 材料表面用无碱玻璃丝布六面包覆、一面铝箔布包覆(另外五面包玻璃丝布)。
3.1.3 材料的长度和宽度根据船舶需要而定(一般依据船舶的肋骨及扶强材的大小)。
船舶舱室内装修工程施工工艺及查验标准目录1、总则 ........................................................................ 第 3 页2、船舶常用舾装资料 ................................................. 第 4 页3、船舶常用舾装工艺 ................................................. 第 6 页4、船舶常用舾装施工查验标准 ................................ 第 14 页1) 、舱室绝缘资料施工及查验标准 ..................................... 第 14 页2) 、甲板敷料敷设、地板木作施工的查验标准................第 17 页3)、复合岩棉板系统的查验标准 .......................................... 第 19 页4) 、复合岩棉板门窗系统的查验标准 ................................. 第 22 页5) 、复合岩棉板上设备安装的查验标准 ............................. 第 22 页6) 、船用家具安装技术要求及查验标准 ............................. 第 23 页7) 、舱室完好性查验标准 ...................................................... 第 29 页1.总则1.1 目的规范化--有效提升船舶舱室安装工作的施工规范。
标准化--提升船舶舱室安装工作的标准化作业。
网络化--便于网络上规范化管理和成就的共享。
1.2 合用范围本文件仅合用于武汉南华工业设备工程股份有限企业所有工程项目的施工、设计及查收。
第六章内装甲板敷料安装节点适用范围本节点适用于船舶甲板敷料的安装。
项目分类轻质不易着火甲板敷料节点,见图6-1。
复合岩棉板钢围壁踢脚板扶强材流平敷料基层甲板敷料钢甲板拦水扁铁底槽垫铁图6-1轻质不易着火甲板敷料节点A-60级轻质复合耐火甲板敷料节点,见图6-2。
扶强材拦水扁铁钢围壁流平敷料面层轻质敷料钢筋网A-60级甲板敷料钢甲板珍珠岩混凝土马脚图6-2A-60级轻质复合耐火甲板敷料节点A-60级轻质浮动耐火甲板敷料节点,见图6-3。
复合岩棉板踢脚板扶强材钢围壁流平敷料陶瓷棉钢筋网密封膏A-60级甲板敷料钢甲板拦水扁铁垫铁面层轻质敷料防水薄膜陶瓷棉分隔条图6-3A-60级轻质浮动耐火甲板敷料节点水泥+防滑地砖安装节点,见图6-4。
硅胶胶粘剂钢围壁地砖踢脚线胶粘剂扶强材水泥拦水扁铁垫铁马脚钢甲板图6-4水泥+防滑地砖安装节点5 ROCK WOOL(100kg/m) ROCK WOOL(80kg/m )5 )ALUMINO SILICATE(170kg/m )绝缘安装节点 适用范围本节点适用于船舶绝缘材料的安装。
项目分类绝缘安装典型节点a) 隔热典型节点,见图 6-5。
DECK OR WALL 甲板或舱壁BEAM OR STIFFENER30 横梁或扶强材3 (WITH GLASS FIBRE CLOTH)岩棉(外包玻璃丝布)STUDPIN 碰钉3 (WITH GLASS FIBRE CLOTH)岩棉(外包玻璃丝布)图 6-5 隔热典型节点b) 隔音典型节点,见图 6-6。
DECK OR WALL 甲板或舱壁BEAM OR STIFFENER 横梁或扶强材ROCK WOOL(100kg/m 3 (WITH GLASS FIBRE CLOTH)岩棉(外包玻璃丝布)STUDPIN 碰钉图 6-6隔音典型节点C) A-60 级典型节点,见图 6-7、图 6-8。
3(WITH GLASS FIBRE CLOTH) 陶瓷棉(外包玻璃丝布)30BEAM OR STIFFENER 横梁或扶强材DECK甲板3243图 6-7 A-60 级典型节点(I 型)ALUMINO SILICATE(170kg/m ) (WITH GLASS FIBRE CLOTH) 陶瓷棉(外包玻璃丝布)20 20BEAM OR STIFFENER横梁或扶强材WALL 舱壁STUDPIN 碰钉ALUMINO SILICATE(170kg/m ) (WITH GLASS FIBRE CLOTH) 陶瓷棉(外包玻璃丝布)图 6-8 A-60 级典型节点(II 型)绝缘延伸典型节点隔热、隔音延伸节点,见图6-9。
船舶建造内装作业指导书1 目的本指导书对船舶内装施工过程的作业要求提出的规定,以确保船舶产品质量满足规定的要求。
2 适用范围适用于船舶建造内装施工的过程控制。
3 职责3.1内装部门根据生产管理部门计划科下达的月度计划,编制详细的生产作业计划,并对质量按工艺标准进行现场监控。
3.2质管部门负责质量检验,确保质量符合船检、船东要求。
3.3技术部门负责提供内装工作图和房间设备布置图等相关图纸。
4 实施4.1分段或总段碰钉的划线及焊接4.1.1 熟悉图纸,了解绝缘分隔的级别:A级、B级、C级,彻底了解A-60级绝缘及隔热绝缘区域的所在位置,掌握图纸的技术要求;4.1.2 明确各部位所用碰钉的长度及型号,进行准确的焊接。
使绝缘合理安装;4.1.3 根据绝缘布置图对各区域进行碰钉的划线及焊接。
并注意:a.所焊碰钉需排列整齐;b.所焊碰钉固定坚固;c.所用碰钉的密度,一般每平方米不少于16只。
4.2房间内钢构架件的划线及装配焊接4.2.1 熟悉图纸,掌握房间内各部位尺寸,以便准确地焊接构架件;4.2.2 对房间内空调管及生活水管的净空高度进行全面确认,是否影响房间的最后净空高度及对房间内钢围壁上的电缆托架及各种管系是否影响房间的围壁深度;4.2.3 根据复合岩棉板布置图对各房间进行钢构架件划线,装配及焊接并注意:a.房间单尺寸及净空高度必须符合图纸要求;b.顶构架件及底构架件对角线需相等;c.所焊钢构架件焊接需牢固,外表美观;d.顶槽及中吊的吊挂件尽量焊在结构的加强材上;e.底槽垫块高度需满足敷设施工要求,且所有施焊位于底槽外侧。
4.3对以上项目进行交验,转至涂装进行喷涂及检验。
4.4绝缘的敷设4.4.1 敷设前对电缆托件,接地线罗柱,管系及拦水扁铁等完整性检查,交验合格后方可施工;4.4.2 根据《绝缘布置图》,确定所用材料的规格型号进行敷设并注意:a.延伸区的敷设,无漏敷,少敷或在接缝处留有间隙等现象;b.绝缘敷设层应平整,构架外部拱出部分的边缘,接缝均应整齐;c.碰钉弯起方向需一致,围壁需上弯;d.绝缘需固定牢固,表面无破损。
船舶内舾装概要:1.基本组成:绝缘材料,门窗,家具,甲板敷料,卫生洁具,装饰板,厨房设备,地板,五金件。
2.内舾装施工设计图纸目录:防火分隔图(详设方提供)居住舱室布置图-------绝缘材料布置图-------防火节点图-------------甲板敷料布置图-------门窗布置图(安装节点图)预埋件布置图装饰板布置图(排版图)挡水扁铁布置图风暴扶手布置图厨房布置图(设备安装图)卫生间布置图(设备安装图)储藏室布置图家具图册(安装件布置图)窗帘床帘布置图门牌明细表钥匙分组明细表3.设计图纸基本要求:1)防火分隔图以规范为基础(中国船级社),SOLAS和国内船舶技术检验规则,明确各个舱室绝缘布置图,门窗布置图,甲板敷料布置图,装饰板布置图都要以它为基础。
2)绝缘布置图分为防火绝缘和保温绝缘常用的防火绝缘有硅酸铝(陶瓷棉)、矿物棉;选用要根据舱室分隔的防火级别确定,A15,A30,A60.船用钢板可以到达A0级。
保温(岩棉,玻璃丝绵)居住舱室外侧为露天或敞开空间的围壁和甲板都应该做保温,还有有特殊要求的处所。
玻璃丝绵具有隔音作用硅酸铝同时具有保温作用注意:密度80~180kg/m3,厚度:一般A15------20mm,A60------40mm,尺寸:根据结构间距确定应带有玻璃丝布(规格:8x8、10x8、10x12、10x10)和铝箔布,作用方便施工。
安装:碰钉安装,碰钉的具体布置(碰钉预装图)。
碰钉的长度根据绝缘材料的厚度决定。
证书:当防火绝缘由高级别向低等级过度时应延伸450mm;当贯穿件穿过防火甲板或舱壁时,绝缘应在接头、终点或贯穿处延伸450mm。
3)甲板敷料布置图根据‘防火分隔图’确定不同舱室甲板的分隔防火级别A0、A15,A30,A60.其中A0级为钢甲板甲板敷料分类基层敷料+流平层+地板、耐火甲板敷料(底层陶瓷面或珍珠岩等)、浮动地板、露天甲板敷料、流平甲板敷料根据居住舱室的功能分隔(厨房、卫生间、浴室、洗衣间等),(蓄电池间应敷设防酸水泥),(高压变电站,配电板间等要敷设绝缘垫或塑料或木格栅)卫生间、厨房,淋浴器:地面敷设混凝土+防滑地砖(水泥厚度根据不同地面情况会有很大不同)计算备料---密度约为2.4t/m3,面积x厚度=体积,沙子和水泥调配比例1:1(以重量为参数备料)居住舱室:地面敷设基层甲板敷料+塑料地板/地板革位置级别,数量,密度,厚度,证书(甲板敷料数量以面积平方米计算,厚度应是根据厂家产品的形式决定)注意:甲板地板/地板革,甲板敷料备料都应增加余量),当位于有防火要求的甲板时,甲板上已敷设敷料,甲板下不必再安装防火绝缘。
邮轮内装工艺职业技能等级标准目 次前言 (II)1范围 (1)2规范性引用文件 (1)3术语和定义 (3)4对应院校专业 (4)5面向工作岗位(群) (5)6职业技能要求 (6)参考文献 (12)前 言本标准按照GB/T 1.1—2009给出的规则起草。
本标准起草单位:中船舰客教育科技(北京)有限公司、中国船舶工业集团公司科普教育中心、中国船舶工业综合技术经济研究院、上海外高桥造船有限公司。
声明:本标准的知识产权归属于中船舰客教育科技(北京)有限公司,未经中船舰客教育科技(北京)有限公司同意,不得印刷、销售。
1范围本标准规定了邮轮内装工艺职业技能等级对应的工作项目、工作任务和职业技能要求。
本标准适用于邮轮内装工艺职业技能培训、考核与评价,相关用人单位的人员聘用、培训与考核可参照使用。
2规范性引用文件下列文件对于本标准的应用是必不可少的。
凡是注日期的引用文件,仅注日期的版本适用于本标准。
凡是不注日期的引用文件,其最新版本(包括所有的修改单)适用于本标准。
GB/T11586-1989巴拿马运河导缆孔GB/T21482-2008船舶与海上技术充气橡胶靠球GB/T3477-2008船用风雨密单扇钢质门GB/T9910-2008船用外部单扇门门框通孔GB/T14356-1993船用舷窗定位GB/T11701-1989船用舷梯的基本规定GB/T21480-2008船舶与海上技术油舱及水舱放泄装置GB/T14355-2009开敞式救生艇技术条件GB/T20842-2007封闭救生艇技术条件GB/T5746-2014船用普通矩形窗GB/T14357-1993船用普通矩形窗定位GB/T14413-2008船用舷窗GB/T17434-2008船用耐火窗技术条件CB/T4133-2011船用耐火窗GB/T23913.1-2009复合岩棉板耐火舱室第1部分:衬板、隔板和转角板GB/T23913.2-2009复合岩棉板耐火舱室第2部分:天花板GB/T23913.3-2009复合岩棉板耐火舱室第3部分:防火门GB/T23913.4-2009复合岩棉板耐火舱室第4部分:构架件GB/T23913.5-2009复合岩棉板耐火舱室第5部分:塑料装饰件GB/T23913.6-2009复合岩棉板耐火舱室第6部分:安装节点CB/T3662-1994复合岩棉板耐火舱室系统技术条件CB/T4282-2014下拉式方型天花板CB/T4264-2014船用金属蜂窝复合板CB/T4266-2014船用食品冷库CB/T3007-2011船用液压滑动式水密门CB/T3217-2013船用钢质隔音阻气门CB/T3722-2014驾驶室气密移门CBM2055-1983驾驶室移门CB/T749-1997固定钢质百叶窗CB*3132-1983烟囱可闭百叶窗CB/T3226-1995驾驶室固定矩形窗CB/T3234-2011船用防火门CB/T550-2008船用金属吊床和框床型式尺寸CB/T551-2008船用金属桌型式尺寸CB552-1981船用金属柜型式尺寸CB553-1981船用金属椅和凳型式尺寸CB/T3233-2014船用厨房不锈钢家具技术条件CB/T3280-2013船用壁柜式床CB/T3483-1993船用舱室家具技术条件CB/T3602-1993舱室家具安装质量要求CB/T4437-2016船用风雨密单扇铝质门CB/T3096-1998船用窗斗CB*3288-1987阻火型服务窗CB/T3873-1999舷窗矩形窗密封垫料CB/T3989-2008船用非风雨密单扇钢质门CB/T295-2000船用菌形通风筒CB/T4220-2013鹅颈式通风筒CB445-1965带导流罩菌形通风头CB/T3467-2013船用轻型菌形通风筒CB/T3965-2005船用半球形通风筒CB457-1994油舱防火透气头CB/T4415-2015船用螺旋风管及附件CB/T4273-2013液压铰链式防火水密门3术语和定义国家、行业标准界定的以及下列术语的定义适用于本标准。
第六章内装甲板敷料安装节点适用范围本节点适用于船舶甲板敷料的安装。
项目分类轻质不易着火甲板敷料节点,见图6-1。
钢围壁扶强材钢甲板拦水扁铁底槽垫铁流平敷料踢脚板复合岩棉板基层甲板敷料图6-1 轻质不易着火甲板敷料节点A-60级轻质复合耐火甲板敷料节点,见图6-2。
扶强材钢围壁钢甲板拦水扁铁流平敷料面层轻质敷料钢筋网马脚珍珠岩混凝土A-60级甲板敷料图6-2 A-60级轻质复合耐火甲板敷料节点A-60级轻质浮动耐火甲板敷料节点,见图6-3。
钢围壁扶强材钢甲板拦水扁铁垫铁复合岩棉板踢脚板流平敷料陶瓷棉钢筋网面层轻质敷料防水薄膜陶瓷棉分隔条密封膏A-60级甲板敷料图6-3 A-60级轻质浮动耐火甲板敷料节点水泥+防滑地砖安装节点,见图6-4。
图6-4 水泥+防滑地砖安装节点绝缘安装节点适用范围本节点适用于船舶绝缘材料的安装。
项目分类绝缘安装典型节点a)隔热典型节点,见图6-5。
BEAM OR STIFFENER岩棉(外包玻璃丝布)图6-5 隔热典型节点b)隔音典型节点,见图6-6。
BEAM OR STIFFENER图6-6 隔音典型节点C) A-60级典型节点,见图6-7、图6-8。
3BEAM OR STIFFENERALUMINO SILICATE(170kg/m )3BEAM OR STIFFENER图6-7 A-60级典型节点(I 型)图6-8 A-60级典型节点(II 型)岩棉(外包玻璃丝布)岩棉(外包玻璃丝布)无绝缘部分甲板甲板无绝缘部分陶瓷棉(外包玻璃丝布)陶瓷棉(外包玻璃丝布)绝缘延伸典型节点隔热、隔音延伸节点,见图6-9。
图6-9 隔热、隔音延伸节点a) A-60级绝缘延伸节点,见图6-10、图6-11。
图6-10 A-60级绝缘延伸节点(I )舱壁舱壁陶瓷棉(外包玻璃丝布)陶瓷棉(外包玻璃丝布)无绝缘部分图6-11 A-60级绝缘延伸节点(II)b) A-60级甲板延伸节点,见图6-12。
第1篇一、前期准备1. 设计方案:在船舶内装工程施工前,首先要进行详细的设计方案制定。
设计团队需根据船舶类型、船东需求以及船舶内部空间布局,制定出符合技术要求、兼具艺术美感的内装设计方案。
2. 材料选择:根据设计方案,选择合适的内装材料,如地板、墙面、天花板、家具等。
材料需满足船舶内装的功能性、安全性、环保性以及装饰性要求。
3. 施工队伍:组建一支具有丰富经验的船舶内装施工队伍,确保施工质量和进度。
二、施工过程1. 材料准备:按照设计方案,采购各类内装材料,确保材料质量符合要求。
2. 施工顺序:按照设计方案,确定施工顺序,如先施工地面、再施工墙面、最后施工天花板等。
3. 施工细节:(1)地面施工:铺设地板、地毯等,确保平整、牢固。
(2)墙面施工:刷漆、贴墙纸、安装壁挂等,注意色彩搭配和装饰效果。
(3)天花板施工:安装吊顶、灯具等,确保美观、实用。
(4)家具安装:按照设计方案,安装各类家具,如床、衣柜、沙发等。
(5)管道安装:安装强弱电、水管、空调等管道,注意隐蔽性和安全性。
4. 施工监督:施工现场应设立专人负责监督,确保施工过程符合设计方案、材料质量和施工规范。
三、质量控制1. 材料质量:严格控制材料质量,确保内装材料符合设计要求。
2. 施工工艺:按照设计方案和施工规范,严格控制施工工艺,确保施工质量。
3. 安全生产:加强施工现场安全管理,确保施工人员安全。
4. 环保施工:在施工过程中,注意环保措施,减少对环境的污染。
四、验收与交付1. 验收:按照设计方案和施工规范,对船舶内装工程进行验收,确保工程质量。
2. 交付:验收合格后,与船东进行交付,并提供相关售后服务。
总之,船舶内装工程施工是一项涉及多个方面的系统工程,需要严格把控设计、材料、施工、质量等各个环节,以确保船舶内装工程的成功实施。
第2篇一、施工准备1. 项目策划:根据船舶设计图纸和客户需求,制定详细的施工方案,明确施工范围、进度、质量标准等。
《船舶内装生产设计一体化实训指导书》一、生产设计的任务书(1)设计课题ⅩⅩⅩ船的内装生产设计(2)设计任务①要求学生按照《国际海上人命安全公约》和相关规范法规,在考虑了各处所的失火危险的基础上,通过耐热和结构性分隔将该船划分成若干处所。
根据基本结构图,特别是上层建筑结构图、舱室布置图等,结合已决定采用的保护方式绘制耐火分割图。
该图应采用合适的图例标明分隔各类处所的舱壁和甲板,包括防火门应达到的等级。
②要求学生借助艺术和技术的手段创造经营者希望展示给消费者的,以及符合《公约》及《规范》的复合岩棉板舱室壁板系统,绘制壁板系统排板图,完成舱室壁板的材料统计表。
通过对所学的理论知识的具体地运用,培养解决生产实际问题的能力,成为船舶内装技术的应用者、实施者和实现者。
(3)完成内容①舱室耐火分隔设计;②舱室复合岩棉板壁系统设计二、设计指导书(1)360人沿海客货船舱室耐火分隔设计1、客船的结构防火要求(1)防火区域的划分和耐火分隔 36人以上的国际航行客船,其船体、上层建筑和甲板室以A-60级分隔,分成若干个主竖区,如在主竖区分隔一侧的处所为开敞甲板、卫生间及类似处所、极少或没有失火危险的舱(柜)、空舱及辅机处所或在主竖区两侧均为燃油舱,则该主竖区限界面可降低为A-0级分隔。
36人及以下的国际航行客船或500人及以上的国内航行客船,其用作起居处所、服务处所的船体上层建筑应以A级分隔分层若干主竖区。
客人数少于500人或航行时间不超过4h且未设置卧席的国内航行客船,不要求设置主竖区。
每一主竖区在任一层甲板上的平均长度一般不超过40m,如为了使主竖区的端壁与水密分舱舱壁相一致,或者为了提供一个大型公共处所,允许将主竖区的长度和宽度放宽至48m,但任何一层甲板上主竖区的面积不得大于1600㎡。
对于为特殊用途设计的船舶,若设置主竖区舱壁会影响船舶的预定用途时,可设置水平区作为等效措施。
此种水平区限界面的耐火等级应与相应船舶主竖区耐火等级相同。
40 总则:舱室的布置和设计应与船东合作进行.402 家具家具和设备应按服务要求设计全船家具总体上应是复塑钢板或薄板(制成)外观和质量应适用于船用标准衣柜:舱室衣柜应装配成可锁单元,锁应包括在船用锁系列中.船员舱室的衣柜内部尺寸最小1800x500x600mm,一个衣柜内装挂衣杆和衣钩,另一个有搁架,衣柜应是复塑钢板或硬纸板/镶片(制成).床.床尺寸-2000x900mm 船长,轮机长房间-2000x800mm 高级船员,普通船员,引水员房间所有床有4个抽屉,最小总尺寸0.1m3 ,每个人底板有通气孔,油漆钢板基座床垫有2-3cm覆面的弹簧床垫沙发和椅子所有沙发和椅子用泡沫塑料并用皮革或纺织品装饰.桌子餐厅,会客室,高级船员的,普通船员的和驾驶员的桌子和写字台应覆有镶片.写字台所有舱室的写字台都应有抽斗墩,抽斗应配有碰珠和锁.锁应在船用锁系列中,抽斗墩应是复塑钢板的.书架在高级船员和普通船员舱室的写字台上方应放置一(吊)柜包含一个有档杆的书架,书架应由复塑钢板或硬纸板镶片制成.403 模拟舱室一个模拟舱室应与船东合作制造.41 居住处所410 总则舱室容量参见Part1 item 125和127围壁应使用复合岩棉板,总厚25-50mm,或者用0.7mm,复塑钢板带15mm厚岩棉在背面作声绝缘,舱室应考虑最大限度的降噪,船上舱室与走道间空气噪音绝缘最小35Db(A),衬板条可作为墙壁节点使用.舱室和走道间的围壁与WC/浴室的结构和PVC膜色调是相同的.天花板的结构与壁板有一边板的结构相似,玻璃棉绝缘.15-30mm厚,如果需要,天花板是自支撑的.舱室应安装在钢甲板上.411 驾驶员舱室壁板:PVC复塑钢板, 参见4521天花板: PVC复塑钢板或油漆钢板,参见4531地板:胶粘乙烯基地板所有舱室是相似的双人间1---双层床2---床垫1---小沙发1---桌子2---衣柜带挂衣杆1--衣架,有4个钩子1---扶手椅1---废纸篓1---成两部分的帘子,1个滚筒式帘子412 洗澡单元,驾驶员舱室这个单元应全部配备所有卫生间附件,电气安装件,管系和其它如下设备1--瓷质洗脸盆或带ORAS362混合器的烤磁漆钢质洗脸盆(或相似的).1---瓷质座便器,在EUAC真空系统中或相似的,坐高450mm.壁挂式.1---有ORAS2414,温控,手动淋浴器1---浴帘(塑料)1---镜子1---镜前灯,带括胡刀插座1---杯架1---手纸架Hacek238型或相似的.1---肥皂架Hacek238型或相似的.2---衣钩4---毛巾钩1---废纸篓1---烟灰缸单元门下有通风栅,空气从舱室进,从单元出地板: 3mm防蚀钢板复乙烯基地板,足够的斜度至落水口,应予以布置.墙壁: 230mm复合岩棉板,所有结点都须水密,且壁板间结点无可见螺钉.天花板: PVC复塑钢板衬板,参见4531可见的管子镀铬414 船员舱室壁板:PVC复塑衬板参见4521天花板: PVC复塑板衬板参见4531地板: PVC地板高级船员和普通船员舱室的窗子应安装窗帘和卷帘(遮光) 4141 船长和轮机长室家具表面应由仿木镶片制成.1---2000x900mm (内部)床带四个抽斗和床垫1---衣柜1---镜子(1200x400mm)1---桌子1---椅子1---挂衣钩会客室1---双墩写字台1800x800mm带挂文件抽屉1---书柜, 船长的带一个保险柜1---转角沙发1---扶手椅1---写字台椅子1---茶几600x800mm1---茶具柜, 带40L冰箱1---广播,电视1---衣钩1---废纸篓洗澡间单元与船员房间一致,参见4154142 带单独卧室的高级船员舱室卧室1---2000x80mm床带4个抽斗和床垫1---镜子1---桌子1---椅子1---衣钩会客室1---带抽屉写字台1---椅子1---沙发1---茶几1---组合柜, 顶上有电视1---扶手椅1---衣柜1---衣钩洗澡间与船员舱室一致4143 高级船员舱室舱室:1---2000x800mm床,带4个抽屉和床垫1---镜子1---有抽屉的写字台1---椅子1---沙发1---茶几1---衣柜1---衣钩洗澡间与船员舱室相似参见4154144 普通船员舱室和引水员舱室舱室:1---2000xmm 床,4个抽斗1---衣柜1---带抽斗写字台,镶片台面1---塑面椅子1---书架1---衣钩1---镜子100x300mm415 船员舱室,洗澡间单元单元应是预装的单元应全部配备卫生间附件,电气安装件,管系和其它设备如下:1---瓷质洗脸盆或钢质烤磁漆带ORAS362混合器的洗脸盆或相似的. 1---EV AC真空系统中瓷质坐便器或坐高约450mm的坐便器1---ORAS2141,温控,手动淋浴器1---塑料浴帘1---杯架1---手纸架,Haceka238 或相似的.1---HAXEKA210皂盒架或相似的.1---镜前灯,带刮胡刀插座2---衣钩2---毛巾钩1---烟灰缸门上有通风栅,空气从舱室到单元外地板,3mm防蚀钢板,复乙烯基地板,足够的斜度向落水.墙壁:30mm厚复岩板,所有结点水密并无明螺钉.天花: PVC钢衬板参见4531可见管系镀铬416 船员居住区走道墙壁: PVC钢衬板参见4521开花: PVC钢衬板参见4531地板:乙烯基地板42.公共处所420.总则:容量和面积,参见Part1、Item1262提供通路以便于检查关闭装置等阀中心技术设备.总体布置图、详细家具图、色彩方案、装饰、家俱、五金件选择等由船厂制作,船东认可。
船舶甲板、内底板、舱壁、围壁局部/大面积割换通用工艺方案1. 目的控制施工中影响工程质量的各主要因素,保证工程质量。
2. 适用范围适用于船舶甲板、内底板、舱壁板(含上、下边柜斜坡板)、围壁板的局部/大面积割换修理。
3. 定义4. 工艺方案4.1 备料要求所换板材的化学成份及机械性能不低于旧板, 新板的厚度原则上不必大于原设计要求。
必要时应征得船东/验船师的认可。
4.2 旧板割除4.2.1甲板、内底板、舱壁、围壁大面积割换时的变形控制a.按工艺要求分期、分批割换, 并采取相应的加强措施, 以防止船体变形,必要时应取得船东/验船师的认可。
b.与上述板材相连的骨架, 如割换量较大,同时割去的骨架数量不可太多,必要时须设临时支撑加强。
4.2.2割换板缝的位置界定及切割注意事项a.割换板的切割线应尽量开在原板缝处。
b.对接缝之间的平行距离应不小于100mm,并且应避免夹角相交。
板的对接缝与最邻近的板与构件的角接缝之间的距离不得小于50mm。
c.对于非"十"字或"T"字形的板缝夹角,应开成圆角。
圆弧半径要求大于原板厚的10倍,且须大于100mm。
d.切割前,应先划出切割线。
并清除切割线两边的铁锈、油污和其它脏物,以免影响切割效率及质量。
e.旧板缝在"十"字或"T"字形处须延长割开,割开长度应大于150mm。
f.旧板切割后,开口边缘变形处须进行火工矫正,使其平整。
4.3 新板下料/加工4.3.1如船东/验船师要求,钢板于下料之前应喷砂, 并涂防锈底漆。
4.3.2下料须按下料草图进行,下料草图由帮领班绘制。
下料尺寸应根据实际情况留有装配余量。
4.3.3若割换处的甲板有舷弧、梁拱或舱壁、围壁有折角,应冷加工成形,必要时,配合使用水火弯板工艺。
4.4 新板吊装4.4.1对于甲板、内底板、纵舱壁(含上、下边舱斜坡板等)的割换,排板时,应尽量使其轧制方向与船体的纵向一致。