路基路面课程设计沥青路面结构设计
- 格式:doc
- 大小:1.05 MB
- 文档页数:29
《路基路面工程》课程设计公路沥青路面设计学校:学院:建筑工程学院班级:姓名:学号:台州某路段高速公路沥青路面设计计算书1.基本资料(1)自然地理条件台州地区计划修建一条双向六车道的高速公路,其中经过调查该路段地处Ⅳ4区,路基为中液限粘土,地下水位离地面高度为1.1m,路基填土高度为0.5m,属于中湿状态;根据我国“沥青及沥青混合料气候分区指标”及相应的“分布图”,得到最热月平均气温>30℃,最低气温低于-9℃,年降雨量>1000mm。
近期双向混合交通量为21000辆/日,交通组成和代表车型的技术参数分别如表1和表2所示,交通量年增长率为8%。
该路线沿线可开采砂砾、碎石,并有丰富的石灰、水泥、粉煤灰、沥青等材料供应。
(2)土基回弹指数的确定设计路段处于Ⅳ4区,路基处于中湿状态,路基土为中液限粘土,稠度为,查表“二级自然区划各土组土基回弹模量参考值(MPa),得土基回弹模量为MPa。
土基回弹模量<40 MPa,所以对地基进行加固处理,进行填土层50cm处外加25cm厚的石灰处理填土层,查表“二级自然区划各土组土基回弹模量参考值(MPa),得土基回弹模量为200MPa。
(3)根据可行性研究报告可知路段所在地区近期交通组成与交通量,见表1-1。
预测交通量年增长率为8%。
沥青路面累计标准轴载次数按15年设计。
(4)设计轴载代表车型的技术参数 表1-2序号 汽车 型号 总重 (kN) 载重 (kN) 前轴重 (kN) 后轴重 (kN) 后轴数 轮组数 1 桑塔纳 21 10 7 14 2 五十铃 42 20 14 28 3 解放CA10B 1 双 4 黄河JN150 1 双 5 黄河JN162 1 双 6交通SH3612×2双轴载换算(弯沉及沥青层弯拉应力分析时) 表1-3车型 i P (kN)i n (辆/d )35.421⎪⎭⎫⎝⎛P P n C C i i (辆/日)五十铃 前轴14 — —— — 后轴2818799 解放CA10B 前轴— — — — 后轴 1 1 4536 黄河JN150 前轴1 后轴 1 1 黄河JN162 前轴1 后轴 1 1 交通SH361 前轴1 后轴2×1∑=⎪⎭⎫⎝⎛=Ki i i P P n C C N 135.421 (次/日)轴载换算(半刚性层弯拉应力分析时) 表1-4车型 i P (kN)i n (辆/d )821⎪⎭⎫⎝⎛P P n C C i i (辆/日)五十铃 前轴14 — — — — 后轴28 — — — — 解放CA10B 前轴— — — — 后轴11 4536 黄河JN150 前轴49 — — — — 后轴 1 1 黄河JN162 前轴1 后轴 1 1 交通SH361 前轴60 1 后轴2×21∑=⎪⎭⎫⎝⎛=Ki i i P P n C C N 1821 (次/日)(5)累计标准轴载作用次数(累计当量轴次)交通量计算详见以下列表,得到累计轴载次数结果见下表,属于重交通等级。
《路基路面工程》课程设计专业:道路工程班级:2014级5班学生:周治勇学号:p141914394 指导教师:王睿老师一、新建沥青路面结构设计计算1、设计资料a、地区某新建双向2车道二级公路,拟采用沥青混凝土路面,路基土为中液限粘土,路基填土高度1.2m,地下水位距路床2.3m,属中湿状态;多年最大道路冻深160cm。
b、经过OD调查及论证2012年底的交通组成情况如下表:2013年通车后前五年交通量增长率为4.5%,其后设计年限交通量增长率为6%。
车道系数:二级公路双向两车道在0.6~0.7,取0.7 二级公路设计年限为12年车道数:2车道设计速度:60km/h路基宽度:10m车道宽度:3.5mγ=0.053752、确定交通等级我国沥青路面设计以双轮组单轴载100KN为标准轴载,表示为BZZ-100。
标准轴载的计算参数按下表确定。
(1)、计算标准轴载累计计算交通量NeA.当以设计弯沉值设计指标及沥青基层层底拉应力验算时35.412 1∑=⎪⎭⎫⎝⎛=Kiii PPnCCN式中:N——以设计弯沉值和沥青层层底拉应力为指标时的标准轴载的当量轴次(次/d ) ;ni——被换算车型的各级轴载作用次数(次/d) ;P一一标准轴载(KN);Pi——被换算车型的各级轴载(KN)C1——被换算车型的轴数系数C2——被换算车型的轮组系数 ,双轮组为1.0,单轮组为 6.4,四轮组为 0.38; K 一一被换算车型的轴载级别当轴间距大于3米时,应按单独的一个轴载计算;当轴间距小于3米时,双轴或多轴的轴载系数应按以下公式计算:C1=1+1.2(m-1)设计年限一个车道累计当量轴次:计算公式:累计当量轴次:ηN rr Ne t 365]1)1[(⨯-+=试中: r ——设计年限交通量的平均年增长率% t ——设计年限N ——运营第一年双向日平均当量轴次(次/d ) N ——车道系数车型P i (KN) C 1 C2 n i (辆/日)黄河JN-150前轴49.00 1 6.4820235.69后轴101.60 1 1 878.62 解放CA10B前轴 19.40 1 6.4 15007.66后轴 60.85 1 1 172.83 长征CA160前轴45.20 1 6.4 38076.88后轴83.70 1 1 175.24 耶尔奇315MD3 前轴 57 1 6.4 16075.01后轴 107 1 1 196.83 标准轴载BZZ100前轴 0 1 6.4 200后轴100.11200 轴载小于25KN 的轴载作用可以不计。
大连大学DALIAN UNIVERSITY路基路面工程课程设计题目名称:沥青混凝土路面设计所在学院:建筑工程学院专业(班级):土木093班学生姓名:指导教师:评阅人:设计题目:沥青混凝土路面的结构设计总计:设计论文 13 页表格 10 表指导教师(职称):评阅人:完成日期: 2012年6月目录1路基路面设计任务书 3 1.1 设计资料 3 1.2 设计内容 3 1.3 主要参考资料 3 2沥青混凝土路面设计 4 2.1 轴载分析 4 2.2 结构组合与材料选取 6 2.3 各层材料的抗压模量和劈裂强度 7 2.4 土基回弹模量的确定 7 2.5 设计指标的确定 7 2.6 设计资料总结 9 2.7 确定石灰层厚度 10 2 8 验算各层层底拉应力 11 3附图(1) 13基路面课程设计任务书1、设计资料湖北宜昌至巴东某新建一级公路,经调查路基土为高液限粘土,地下水位为1米,路基填土高度1.2米,近期交通量如下交通量年平均增长率7%(水泥混凝土路面设计时交通量年平均增长率取4%),沿线可开采碎石、砂砾,并有粉煤灰、石灰、水泥等材料供应。
2、设计内容分别设计水泥混凝土路面和沥青混凝土路面的结构层次,并算出结构层厚度,水泥混凝土路面还需进行接缝设计。
主要包括以下内容:1)、详细的设计计算书(1)沥青混凝土路面:①、确定结构方案;②、确定设计参数;③、计算待求层厚度;④、弯拉应力计算。
(2)、设计图【1】路面结构图【2】相应的计算图3、主要参考资料:路基路面工程公路沥青路面设计规范公路路基设计规范沥青混凝土路面设计一、轴载分析1)路面设计以双轮组单轴载100kN 为标准轴载。
当以设计弯沉值为指标及验算沥青层层底拉应力为设计指标时,轴载换算采用如下的计算公式:35.4211)(P P n C C N i i ki ∑==式中:N ——标准轴载的当量轴次,(次/日);i n ——被换算车辆的各级轴载作用次数,(次/日); P ——标准轴载,(kN );i P ——被换算车辆的各级轴载,(kN ),轴载小于25kN 的轴载作用不计;1C ——轮组系数,单轮组为6.4,双轮组为1,四轮组为0.38。
沥青道路课程设计一、课程目标知识目标:1. 学生能理解沥青道路的基本概念,掌握沥青的组成、性质及分类。
2. 学生能掌握沥青道路施工工艺流程,了解各施工环节的关键技术要求。
3. 学生能了解沥青道路养护维修的基本知识,提高对道路使用寿命的认识。
技能目标:1. 学生能运用所学知识,分析沥青道路常见病害及其成因,提出合理的防治措施。
2. 学生能通过实际操作,掌握沥青混合料的制备方法,提高动手实践能力。
3. 学生能运用理论知识,对沥青道路工程进行初步设计和施工组织设计。
情感态度价值观目标:1. 培养学生对道路工程建设的兴趣,激发他们热爱专业、投身工程建设的热情。
2. 培养学生严谨的科学态度,注重实践与理论相结合,提高学生的创新意识和解决问题的能力。
3. 增强学生的环保意识,让他们认识到道路工程建设中的环境保护和资源节约的重要性。
课程性质分析:本课程为道路工程相关专业的学科课程,以理论教学与实践教学相结合的方式进行。
学生特点分析:学生为高中年级,具有一定的物理、化学基础知识,对道路工程有一定的了解,但实践经验不足。
教学要求:结合学生特点,注重理论知识与实践操作的衔接,提高学生的动手能力和实际应用能力。
通过课程学习,使学生能够掌握沥青道路的基本知识,具备一定的工程素养。
二、教学内容1. 沥青基本知识:沥青的组成、性质、分类及在道路工程中的应用。
教材章节:第二章 沥青与沥青混合料2. 沥青道路施工工艺:包括沥青混合料的制备、摊铺、碾压、接缝处理等关键技术。
教材章节:第三章 沥青路面施工技术3. 沥青道路养护维修:介绍沥青道路常见病害、成因及防治措施,道路养护维修的基本方法及注意事项。
教材章节:第四章 沥青路面养护与维修4. 沥青道路工程设计:沥青道路工程初步设计、施工组织设计,包括道路结构、材料选择、施工方案等。
教材章节:第五章 道路工程设计教学进度安排:第一周:沥青基本知识学习,课堂讲解与实验相结合,使学生了解沥青的基本性质。
路基路面课程设计沥青一、教学目标本节课的学习目标包括知识目标、技能目标和情感态度价值观目标。
知识目标要求学生掌握沥青在路基路面中的应用、性质和特点;技能目标要求学生能够通过实验和案例分析,了解沥青的制备和检测方法;情感态度价值观目标则是培养学生对道路工程学科的兴趣,提高学生对沥青材料的认知和评价能力。
通过对本章的学习,学生将能够:1.描述沥青的化学组成和物理性质。
2.解释沥青在路基路面中的作用和重要性。
3.分析沥青材料的制备和检测方法。
4.评价沥青材料在道路工程中的应用效果。
二、教学内容本节课的教学内容主要包括沥青的性质、制备方法和应用。
首先,介绍沥青的化学组成和物理性质,如粘度、软化点等;其次,讲解沥青的制备方法,如矿沥青、焦沥青等;然后,阐述沥青在路基路面中的应用,如沥青混凝土、沥青碎石等;最后,通过案例分析,使学生了解沥青材料在道路工程中的实际应用效果。
教学大纲如下:1.沥青的性质2.沥青的制备方法3.沥青在路基路面中的应用4.沥青材料的实际应用案例分析三、教学方法为了提高学生的学习兴趣和主动性,本节课将采用多种教学方法。
首先,通过讲授法,向学生传授沥青的基本知识和原理;其次,利用讨论法,让学生分组讨论沥青材料的优缺点及应用场景;接着,采用案例分析法,让学生通过分析实际工程案例,了解沥青材料在道路工程中的应用效果;最后,进行实验操作,让学生亲身体验沥青材料的制备和检测过程。
四、教学资源本节课的教学资源包括教材、参考书、多媒体资料和实验设备。
教材方面,选用《道路工程》等相关书籍;参考书则包括《沥青路面设计与施工手册》等;多媒体资料有沥青材料制备和检测的实验视频、图片等;实验设备包括沥青粘度计、软化点测定仪等。
通过以上教学资源的支持,学生将能够更好地理解和掌握沥青相关知识,提高实际操作能力。
五、教学评估本节课的评估方式包括平时表现、作业和考试三个部分,以保证评估的客观性和公正性。
平时表现主要考察学生的课堂参与度和提问回答,占总评的20%;作业包括沥青性质分析报告和实践操作报告,占总评的30%;考试则是对沥青相关知识的全面考察,占总评的50%。
路基路面课程设计计算书(新建沥青路面)(1)基本要求东北某公路部分路段拟建一条4车道的一级公路,设计年限为15年,拟采用沥青路面结构进行路面结构厚度设计,其中需给出三种结构组合方案,并尝试经济技术比较给出最优方案。
(2)气象资料该公路所在地区为V 2区,最低气温为-15℃。
(3)地质资料与筑路材料沿线土质为紫色粉质粘性土,地下水位距地表为 1.2m ,路基填土高平均为0.7m 。
公路沿线有大量碎石集料,筑路材料丰富,有水泥、石灰和粉煤灰等供应。
(4)交通资料据预测该路竣工初年的交通组成如表1所示。
使用年限内交通量的年平均增长率为10%。
(6)新建路面厚度设计a 、根据设计任务书要求按设计回弹弯沉和容许弯拉应力两个设计指标,分别计算设计年限内的标准轴载累计当量轴次,确定交通量等级,面层类型,并计算设计弯沉值d l 和容许弯拉应力R σ。
当量标准轴载数N:以弯沉值和沥青层层底拉应力为设计指标时35.4211)(P Pn C C N i i Ki ∙∙=∑=日)(次/303.1335=i n ——各级轴载作用次数; p ——标准轴载;i p ——被换算车型的各级轴载;1c ——轴数系数,)(1m 2.111-+=c ,其中m 为轴数;2c ——轮组系数,双轮组取为1;设计年限累计当量标准轴载数e N :η∙∙⨯-+=1365]1)1[(N rr N t e)(69745.0303.13351.0365]1)1.01[(15万次=⨯⨯⨯-+=e N路面设计弯沉值d l :)()(mm A A A N l B s c ed 01.067.250.10.10.1106976006002.042.0=⨯⨯⨯⨯⨯==-- 轴载换算结果表(弯沉)表1②当以半刚性材料层底拉应力为设计指标时∑=⎪⎭⎫⎝⎛=Ki i i P P n C C N 18'2'1 )1(21'1-+=m C 2.1834=(次/日) 设计年限累计当量标准轴载数e N :()[](万次)5.53945.0812.10331.0365]1)1.01[(36511151=⨯⨯⨯⨯-+=⋅⋅⨯-+=ηN rr N te)()(mm A A A N l B s c e d 01.002.270.10.10.1105.5396006002.042.0=⨯⨯⨯⨯⨯==--轴载换算结果表(半刚性基层层底拉应力)轴载计算与累计轴载汽车车型前轴重(kN) 后轴重(kN) 后轴数 后轴轮组数 后轴距 交通量(次/日)东风KM340 24.6 67.8 1 2 0 460 江淮HF150 45.1 101.5 1 2 0 400 东风SP9135B 20.172.6 2 2 4 200五十铃EXR18L 60.0 100.0 3 24 400 江淮HF140A 18.9 41.8 1 2 0150五十铃NPR595G 23.5 44.0 1 20 100换算方法 弯沉及沥青层拉应力指标 半刚性层拉应力指标累计交通轴次 697万次 539.5万次表3 交通等级属于中交通 1、土基回弹模量的确定 路基填土高平均为0.7m 。
三明学院建筑工程学院《路基路面工程》课程设计题目:沥青路面设计姓名:郑方麟班级: 20级土木工程3班学号: 20200961242时间:2020.6.12-2021.6.25课题的内容和要求:一、课题内容根据给定设计资料完成路面结构组合设计。
二、课题要求1、依据设计资料,按照相应的规范完成路面结构设计方案,并进行比选。
2、熟练应用路面设计软件,完成设计说明书。
三、设计资料该公路位于福建三明地区,沿线为中液粘性土,稠度1.05,属于中湿状态,年降水量为1300mm,最高温度为40℃,最低温度为-1℃,路面结构采用沥青混凝土路面。
沿线可采集砂、石料、附近有矿渣可以利用,同时可供应石油沥青、水泥、石灰等材料。
据调查,交通量与车辆组成如下:交通量年平均增长率为6%。
本路段设计使用年限为20年。
1基本资料的确定1.1确定公路等级1)计算折算交通量其中折算系数查《公路工程技术指标》(JTG B01 2003),表2.0.2各汽车代表车型与车辆折算系数。
计算结果如下表:表1 折算交通量车型序号车型名称 折算系数交通量(辆/日) 折算后交通量(辆/日)1 红岩CO30290 3 100 3002 南阳NY151JC 2 200 4003 黄河SPP200 3 300 9004 贝利埃GC6×6 2 200 4005 尼龙克2766 3 100 300 6 太脱拉111 2 180 360 7北京BK6512120240 总计2900有上表可知,月平均日交通量为2900辆/日,近似代替年平均日交通量。
2)计算设计交通量1(1)n AADT ADT -=⨯+γ其中:AADT — 设计交通量(pcu/d );ADT — 起始年平均日交通量(pcu/d ); γ — 年平均增长率(%); n — 预测年限故2038年的设计交通量为:)/(8775%)61(2900)1(1201n d pcu ADT ADDT =+⨯=+⨯=--γ3)确定公路等级根据《公路工程技术标准》(JTG B01 2003),将公路根据功能和适应的交通量分为五个等级。
新建沥青路面结构设计1.基本资料(1)设计任务书要求甲乙两地新建一条四车道一级公路,路基宽16米,设计年限15年,采用沥青路面结构,路面最小防冻厚度65cm,需进行路面结构设计。
(2)地质资料与筑路资料地处Ⅳ7区,粉质土,稠度1.0。
(3)交通资料交通量平均增长率8%,预测竣工后第一年交通组成如表1所示。
2.初拟路面结构组合初拟采用半刚性基层沥青路面,根据交通状况,结构层最小施工厚度,结合书中表14—6、表14—7等综合考虑,初拟各结构层厚度如下:细粒式沥青混凝土 4cm中粒式沥青混凝土 5cm粗粒式沥青混凝土 8cm水泥稳定碎石土 25cm石灰土?以石灰土为设计层。
N2.标准轴载累计交通量e路面设计以双轮组单载轴100kN为标准轴载(1)用于弯沉验算和沥青层弯拉应力验算的累计当量轴载①轴载换算式中:N—标准轴载的当量轴次(次/日);ni—被换算车辆的各级轴载作用次数(次/日);P—标准轴载(kN);Pi—被换算车辆的各级轴载(kN);C1—轴数系数,当轴间距大于3m时,按单独的一个轴载计算,当轴间距小于3m时,按双轴或多轴计算,轴数系数C1=1+1.2(m-1),m为轴数。
C2—轮组系数,单轮组为6.4,双轮组为1,四轮组为0.38;K—被换算车辆的类型数。
计算结果见表2②累计当量轴次根据设计规范,一级公路沥青路面的设计年限取15年,四车道的横向分布系数为0.4~0.5。
取η=0.45。
(2)用于半刚性路层弯拉应力验算的累计当量轴载①轴载换算式中:C1´—轴数系数,当轴间距小于3m的双轴或多轴,轴数系数C2´—轮组系数,单轮组为18.5,双轮组为1,四轮组为0.09。
计算结果见表3② 累计当量轴次设计年限取15年,车道横向分布系数η=0.45。
4.计算设计弯沉值l d 和结构强度系数K(1)设计弯沉值公路等级系数取1.0(一级公路),面层类型系数取1.0(沥青混凝土面层),基层类型系数取1.0(半刚性基层、底基层总厚度大于20cm ) 设计弯沉值为:mmA A A N l bs c e d 9.231 1.00.10.1)103.259(6006002.042.0=⨯⨯⨯⨯⨯==-- (2)结构强度系数K沥青混凝土面层:32.20.1/)103.259(09.022.04=⨯⨯=S K无机结合料稳定集料层:76.10.1/)100.234(35.011.04=⨯⨯=S K 无机结合料稳定细粒土层:26.20.1/)100.234(45.011.04=⨯⨯=S K5.确定设计参数σsp E E ,,10查书中表14—11确定路基回弹模量MPa E .0400=以设计弯沉值计算路面厚度时,各层材料均采用20°C 抗压回弹模量;验算层底拉应力时,沥青混合料采用15°C 抗压回弹模量、15°C 劈裂强度。
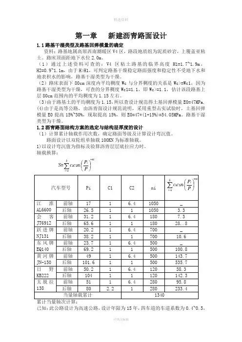
第一章新建沥青路面设计1.1路基干湿类型及路基回弹模量的确定资料:路基地属高原西南潮暖区V4区,路段地质组为泥质砂岩,上覆盖亚粘土。
路床顶面距地下水位2.0m。
(1)通过上述资料可查的:V4区粘土路基的临界高度H1=1.7~1.9m,H2=0.9~1.1m,由于H>H1,可判定路基干燥稳定路面强度和稳定性不受地下水和地表积水的影响,路基干湿类型为干燥。
(2)路床表面下80cm深度内平均稠度Wc与分界稠度的关系是Wc>=Wc1,因为路基干湿类型为干燥,可查的分界稠度Wc1=1.1,即Wc>=1.1,估计该段路基上层80cm范围内的平均稠度为1.15左右。
(3)由于路基土的平均稠度为1.15,所以查设计规范得土基回弹模量E0=47MPa.(4)由于是高等公路,由沥青面设计规范说明,采用重型击实试验时,土基回弹模量E0提高15%~30%,现取提高15%,则E0=47*(1+15%)=54.05MPa。
路基干湿类型为干燥。
1.2沥青路面结构方案的选定与结构层厚度的设计(1)计算累计轴载作用次数,确定路面等级及计算设计弯沉值。
路面设计以双轮组单轴载100KN为标准轴载。
1)以设计弯沉值为指标及验算沥青层层底拉应力时。
轴载换算:N=∑=⎪⎭⎫⎝⎛k iiiPPncc12135.4已知:此公路设计为高速公路,设计年限为15年,四车道的车道系数为0.4~0.5,在此取0.45。
t=2005-2002+1=4N1=()1200211r t N +-⨯=()%7131340+⨯=1641.6次 ()η⨯⨯⎥⎦⎤⎢⎣⎡-⨯=+113651N rN r Te =()45.06.164113.0136513.0115⨯⨯⎥⎦⎤⎢⎣⎡-⨯+ =10897874.1次2)验算半刚性基层层底拉应力是;① 轴载换算公式:⎪⎭⎫⎝⎛∑=''='P P iki i n c c N 8121② 累计当量轴次计算:N1=()1200211r t N +-⨯=()7.01398.937+⨯=1149.1次 ()η⨯⨯⎥⎦⎤⎢⎣⎡-⨯=+113651N r N r T e =()45.01.114913.0136513.0115⨯⨯⎥⎦⎤⎢⎣⎡-⨯+ =7628379.1次3)已知此公路等级为I 级,设计年限为15年,设计年内累计标准轴>400万次/车道,面层为沥青混凝土,查规范可得:此路面等级为高级路面。
路基路面课程设计沥青路面设计路基路面课程设计沥青路面设计,咱们今天就来聊聊这事儿。
说到沥青路面,很多人脑海里第一反应肯定是“那条一直光亮平整的路”。
说实话,谁不喜欢开车的时候在这种路上飞驰,车轮都能跟着节奏跳舞。
可沥青路面背后可是有一番“玄妙”的学问呢。
你以为它就是把沥青撒在土路上就完事儿了?那可就大错特错了!这背后得有一套完整的设计和施工流程,才能保证路面既结实又耐用。
今天咱就来聊聊这其中的玄机。
咱得从路基说起,路基的作用那就跟人的地基一样。
地基不稳,楼房肯定倒;路基不稳,路面很快也会塌。
设计沥青路面,最先得考虑的是地基的土质、承载力和稳定性。
如果你遇到软土层或者是容易沉降的地方,设计就得特别小心,得通过加固、换土、填沙或者打桩等等方式,保证路基结实。
如果这一步没做好,往后可就麻烦了,路面一开裂,车子一跑,简直是“坑坑洼洼”不说,连带着让开车的人也跟着心烦意乱。
说到沥青的选择嘛,其实也没你想的那么简单。
你得根据气候、使用强度、路面类型来选。
别看沥青就是一种黑乎乎的液体,它的种类可不少呢!有些地方温差大,沥青得能耐得住热胀冷缩;有些地方车流量大,路面得更耐磨;还有的地方,可能需要抗老化能力更强的沥青。
怎么选?那可得考量多方面的因素,不能图一时省事随便挑一种。
哎呀,这时候你就得扯起“听天由命”这四个字,搞不好一不小心,你铺上的沥青就成了“秒破路面”,那可得不偿失!说到铺设,沥青路面可不是随便洒上一层就行的。
温度得掌控好。
沥青必须在一个适宜的温度下才能施工,过高或者过低都不好。
要么沥青太稀,铺上去全是油汪汪的,要么太硬,压根就无法铺展。
所以,每一次施工之前,那些技术人员可都是神秘而严谨的,几乎把温度表拿在手里,时刻盯着,确保施工过程中的每个步骤都按规矩来。
压实是关键。
别看铺上去的沥青路面平平整整,谁知道下面可得压实,不能让它松松垮垮的。
每一遍压实都得控制得恰到好处,不能太轻,也不能太重。
要是压得太轻,路面会变得松软,车一过就可能出现沉陷;要是压得太重,沥青就可能被挤出,变得坚硬无比,车轮一压就变得颠簸,谁开车都难受。
《路基路面工程》课程设计计算书1.重力式挡土墙设计2.边坡稳定性设计3.沥青混凝土路面设计4、水泥混凝土路面设计学生姓名:学号:指导教师:日期:目录一、重力式挡土墙设计 (4)设计参数 (4)车辆荷载换算 (4)土压力计算 (4)挡土墙计算 (6)二、边坡稳定性设计 (8)初始条件 (8)表格数据 (9)三、沥青混凝土路面设计 (12)轴载分析 (12)构组合与材料选取 (14)结各层材料的抗压模量和和劈裂强度 (15)土基回弹模量的确定 (15)设计指标的确定 (15)设计资料总结 (16)四、水泥混凝土路面设计 (19)交通分析 (19)初拟路面结构 (19)路面材料参数确定 (20)混凝土板应力分析及厚度计算 (20)计算荷载疲劳应力 (21)接缝设置 (22)路肩及路面排水设施 (22)一、重力式挡土设计1 设计参数1.1几何参数:挡土墙墙高H=4m, 取基础埋置深度D=1.5m, 挡土墙纵向分段长度取L=10m ; 墙面与墙背平行, 墙背仰斜, 仰斜坡度1:0.25, =-14.04, 墙底(基底)倾斜度, 倾斜角;墙顶填土高度=2m, 填土边坡坡度1:1.5, , 汽车荷载边缘距路肩边缘; 1.2力学参数:墙后填土砂性土内摩擦角, 填土与墙背外摩擦角, 填土容重;墙身采用2.5号砂浆砌25号片石, 墙身砌体容重,砌体容许压应力,砌体容许剪应力,砌体容许拉应力;地基容许承载力[0σ]=250kPa 。
2 车辆荷载换算按教材公式, 把车辆荷载换算为等代均布土层厚度。
3 主动土压力计算 3.1 计算破裂角θ直线形仰斜墙背, 且墙背倾角较小, 不会出现第二破裂0000=+-=35+17.5-14.04=38.34ψϕδα22011(a )(24)1822A H =+=+=,001111ab (2)tan =224+62222B H a H α=++⨯⨯+⨯⨯⨯=(224)tan14.040tan tan tan 38.340.79-2.37θψ=-=-=或(舍)038.31θ=3.2 计算主动土压力a E 及其作用点位置3.2.1计算主动土压力a E 计算a E 及其水平分量x E 、竖直分量y Ea 000cos()(tan )sin()cos(38.3135)18(18tan 38.316)sin(38.3138.34)43.68k E A B Nθϕγθθψ+=-++=⨯-⨯+= 00cos()43.68cos(17.514.04)43.60x a E E kN δα=-=⨯-=00sin()43.68sin(17.514.04) 2.64y a E E kN δα=-=⨯-=3.2.2计算主动土压力的合力作用点位置100tan 32tan 38.31 2.63tan tan tan 38.31tan14.04b a h m θθα--===--214 2.63 1.37h H h m =-=-=经试算取1 1.20b m =00110tan tan 1.20 1.20tan14.04tan10.76 1.26B b b m αα=+=+=32211213222(33)3(2)42(343 2.634 2.63)342(24 2.63)1.38x H a H h H h Z H a H h m+-+=⎡⎤+-⎣⎦+⨯⨯-⨯⨯+=⎡⎤⨯+⨯⨯-⎣⎦= 0tan 1.26 1.38tan14.04 1.61m y x Z B Z α=+=+=因墙底(基底)倾斜, 需把求得的、修正为、, 取进行修正:0110tan 1.38 1.20tan10.76 1.15x x Z Z b m α=-=-= 11tan 1.20 1.15tan14.040.91y x Z b Z mα=-=-=3.3 被动土压力墙前的被动土压力忽略不计。
a沥青路面设计计算案例一、新建路面结构设计流程(1)根据设计要求,按弯沉或弯拉指标分别计算设计年限内一个车道的累计标准当量轴次,确定设计交通量与交通等级,拟定面层、基层类型,并计算设计弯沉值或容许拉应力。
(2)按路基土类与干湿类型及路基横断面形式,将路基划分为若干路段,确定各个路段土基回弹模量设计值。
(3)参考本地区的经验和规范拟定几种可行的路面结构组合与厚度方案,根据工程选用的材料进行配合比试验,测定各结构层材料的抗压回弹模量、劈裂强度等,确定各结构层的设计参数。
(4)根据设计指标采用多层弹性体系理论设计程序计算或验算路面厚度。
如不满足要求,应调整路面结构层厚度,或变更路面结构组合,或调整材料配合比,提高材料极限抗拉强度,再重新计算。
(5)对于季节性冰冻地区应验算防冻厚度是否符合要求。
(6)进行技术经济比较,确定路面结构方案。
需要注意的是,完成结构组合设计后进行厚度计算,厚度计算应采用专业设计程序。
有关公路新建及改建路面设计方法、程序及相关要求详见《沥青路面设计规范》。
二、计算示例(一)基本资料1.自然地理条件新建双向四车道高速公路地处Ⅱ2区,拟采用沥青路面结构进行施工图设计,填方路基高1.8m,路基土为中液限黏性土,地下水位距路床表面2.4m,一般路基处于中湿状态。
2.土基回弹模量的确定该设计路段路基处于中湿状态,路基土为中液限黏性土,根据室内试验法确定土基回弹模量设计值为40MPa。
3.预测交通量预测竣工年初交通组成与交通量,见表9-11.预测交通量的年平均增长率为5.0%.(二)根据交通量计算累计标准轴次Ne ,根据公路等级、面层、基层类型及Ne 计算设计弯沉值。
解:1.计算累计标准当量轴次 标准轴载及轴载换算。
路面设计采用双轮组单轴载100KN 为标准轴载,以BZZ-100表示,根据《沥青路面设计规范》规定,新建公路根据交通调查资料,主要以中客车、大客车、轻型货车、中型货车、大型货车、铰链挂车等的数量与轴重进行预测设计交通量,即除桑塔纳2000外均应进行换算。
沥青路面设计课程设计
一、课程设计概述
本课程设计是针对沥青路面设计的一门综合性课程,旨在通过对沥青路面的结构、材料、施工等方面的探讨,培养学生对于沥青路面设计的全面理解和应用能力。
本课程设计包括以下几个方面的内容:
二、沥青路面结构
1. 沥青路面结构概述
2. 沥青路面组成部分及其作用
3. 沥青混合料种类及其特点
4. 沥青混合料配合比设计原则
三、沥青路面材料
1. 沥青材料概述
2. 沥青材料分类及其特点
3. 沥青混合料中各组成部分的材料要求和性能指标
四、沥青路面施工工艺
1. 沥青路面施工流程及其要点
2. 沥青混合料生产与运输技术要点
3. 沥青混合料铺设技术要点
五、沥青路面质量控制与评估方法
1. 原材料检测与质量控制方法
2. 施工工艺控制与质量评估方法
3. 沥青路面质量检测与评估方法
六、课程设计要求
1. 学生需自主选择一个沥青路面施工项目进行设计,包括施工方案、材料选用、配合比设计、施工流程等方面的内容。
2. 学生需进行实地考察和调研,了解现有沥青路面施工项目的情况,并结合实际情况进行设计。
3. 学生需提交完整的课程设计报告,包括课程设计选题、研究背景、研究目标和意义、研究方法和步骤、数据分析和结果呈现等方面的内容。
七、结语
本课程设计旨在培养学生对于沥青路面设计的全面理解和应用能力,通过对沥青路面结构、材料、施工等方面的探讨,提高学生的实践能力和综合素质。
《路基路面工程》课程设计沥青路面结构设计姓名班级土木121指导教师完成日期2015.7.15课设成绩□优秀□良好□中等□及格□不及格大连交通大学土木与安全工程学院铁道教研室《路基路面工程》课程设计考核体系及评分参考标准《路基路面工程》课程设计任务书一、设计的目的与意义:通过本课程设计,学生能够根据已知的设计资料及使用要求完成高速公路的沥青砼路面结构组合设计及沥青路面改建设计,掌握沥青路面结构设计的一般方法,具备初步的独立设计能力;熟记路面的结构组合设计的基本原理;掌握多层弹性体系厚度换算方法(包括以弯沉为设计指标的厚度换算及以层底弯拉应力为验算指标的厚度换算)及沥青砼路面的厚度设计;了解老路调查的方法和内容,全面掌握旧路补强设计的流程。
提高综合运用所学理论知识,具备独立分析问题和解决问题的能力。
二、设计题目:(一)高速公路沥青路面结构设计1、基本设计资料:辽宁某两地预修建一条四车道的高速公路,路基宽度26米,设中央分隔带,计算行车速度100Km/h,全线全封闭全立交,设计交通量按20年预测,根据调查研究预计通车后,公路沿线年交通量平均增长率:前十年为γ=6%,后十年为3%。
该地区处于Ⅱ2区,为粘质土,稠度为1.0。
路线位于平原微丘区,填土高度平均为2.50米。
本次设计最小填土高度为1.50m,最大填土高度4.0m,地下水位位于路基设计标高以下2m。
当地沿线碎石产量丰富,石料质量良好。
沿线有多个石灰厂及水泥厂,产量大、质量好。
另外,附近发电厂粉煤灰储量极为丰富,可用于本项目建设,本项目所在地域较缺乏砂砾。
调查及勘探中,未发现有影响工程稳定的不良工程地质现象。
地区属季节性冰冻地区,土基冻深为50cm。
预测该路竣工后第一年的交通组成如下页表。
要求根据以上设计资料,设计计算确定合理的半刚性沥青路面结构。
2、设计依据:(1)交通部颁《公路沥青路面设计规范》JTJD50-2006,北京:人民交通出版社(2)交通部颁《公路工程技术标准》JTG B01-2003,北京:人民交通出版社(3)交通部颁《公路与城市道路设计手册》及其它相关书籍(4)《路基路面工程》教材(5)预测交通组成表3、设计方法与设计内容(1)轴载分析。
《路基路面工程》课程设计沥青路面结构设计姓名班级土木121指导教师完成日期课设成绩□优秀□良好□中等□及格□不及格大连交通大学土木与安全工程学院铁道教研室《路基路面工程》课程设计考核体系及评分参考标准评价指标优秀良好中等及格不及格100~90分89~80分79~70分69~60分60分以下一平时表现①学习态度遵守纪律,认真设计遵守纪律,认真设计纪律较好,较认真纪律一般,不太重视纪律松散经常缺席②主动性积极思考,独立完成积极讨论,完成任务参与讨论,完成主要工作应付,有时参与讨论很少参与讨论③工作量完成全部设计工作完成89%~80%的设计工作完成79%~70%的设计工作完成79%~60%的设计工作完成少于60%的设计工作二设计说明书①基本概念概念清晰概念清楚概念比较清楚了解设计过程概念不清②理论计算计算准确计算正确计算比较正确计算无原则性错误计算错误多③说明书结构层次分明,文字精炼,书写认真,撰写格式符合规范化要求结构层次较分明,文字通顺,书写认真,撰写格式符合规范化要求问题叙述基本清楚,书写比较认真,书写认真,撰写格式基本符合规范化要求能够说明问题,书写尚可,撰写格式基本符合规范化要求条理不清思路混乱书写潦草雷同,撰写格式不符合规范化要求三答辩情况①自述叙述条理清晰叙述表达清楚叙述表达比较清楚表达基本清楚思路混乱表达不清楚②回答问题完整、准确较完整、正确大多数问题比较完整少数问题,无大错误回答错误《路基路面工程》课程设计任务书一、设计的目的与意义:通过本课程设计,学生能够根据已知的设计资料及使用要求完成高速公路的沥青砼路面结构组合设计及沥青路面改建设计,掌握沥青路面结构设计的一般方法,具备初步的独立设计能力;熟记路面的结构组合设计的基本原理;掌握多层弹性体系厚度换算方法(包括以弯沉为设计指标的厚度换算及以层底弯拉应力为验算指标的厚度换算)及沥青砼路面的厚度设计;了解老路调查的方法和内容,全面掌握旧路补强设计的流程。
提高综合运用所学理论知识,具备独立分析问题和解决问题的能力。
二、设计题目:(一)高速公路沥青路面结构设计1、基本设计资料:辽宁某两地预修建一条四车道的高速公路,路基宽度26米,设中央分隔带,计算行车速度100Km/h,全线全封闭全立交,设计交通量按20年预测,根据调查研究预计通车后,公路沿线年交通量平均增长率:前十年为γ=6%,后十年为3%。
该地区处于Ⅱ2区,为粘质土,稠度为。
路线位于平原微丘区,填土高度平均为米。
本次设计最小填土高度为,最大填土高度,地下水位位于路基设计标高以下2m。
当地沿线碎石产量丰富,石料质量良好。
沿线有多个石灰厂及水泥厂,产量大、质量好。
另外,附近发电厂粉煤灰储量极为丰富,可用于本项目建设,本项目所在地域较缺乏砂砾。
调查及勘探中,未发现有影响工程稳定的不良工程地质现象。
地区属季节性冰冻地区,土基冻深为50cm。
预测该路竣工后第一年的交通组成如下页表。
要求根据以上设计资料,设计计算确定合理的半刚性沥青路面结构。
2、设计依据:(1)交通部颁《公路沥青路面设计规范》JTJD50-2006,北京:人民交通出版社(2)交通部颁《公路工程技术标准》JTG B01-2003,北京:人民交通出版社(3)交通部颁《公路与城市道路设计手册》及其它相关书籍(4)《路基路面工程》教材(5)预测交通组成表序号车型前轴重(KN)后轴重(KN)载重(KN)后轴数后轴轮组数后轴距交通量/(次/日)1 五十铃21 212 解放CA10B 50 1 双轮组---- 3083 黄河JN151 49 85 1 双轮组---- 2084 黄河JN163 115 100 1 双轮组---- 2085 江淮HF150 120 1 双轮组---- 1086 长征CE160 60 2 双轮组≤3m 3087 交通SH361 150 2 双轮组≤3m 4083、设计方法与设计内容(1)轴载分析。
完成设计年限内一个车道的累计当量轴次换算分析;(2)设计指标的确定;包括设计弯沉的确定和各层材料层底拉应力的确定;(3)结构组合与材料选取。
根据设计资料,确定合理的面层类型(包括面层材料级配类型);(4)拟定两种可能的路面结构组合与厚度方案,确定各结构层材料的计算参数(抗压模量与劈裂强度);(5)土基回弹模量的确定;(6)根据《公路沥青路面设计规范》验算拟定的路面结构,进行厚度计算。
(7)结构层底弯拉应力验算。
4、设计提交成果要求:在规定的设计时间内认真、独立的完成课程设计,提交真实的设计成果,达到预定的学习目的。
具体要求:(1)总体要求:根据设计资料,初步拟定2种路面方案,并对这2种方案进行经济技术比较(经济技术比较以初始修建费为依据,每种材料的单价见附录表)(2)要求给出计算代表车型的轴载换算过程(共两种:一种以设计弯沉值为指标及沥青层层底拉应力验算时的轴载换算,另一种为进行半刚性基层层底拉应力验算时的轴载换算)(3)拟定路面结构方案,应明确标示出每种材料的名称、厚度和设计时使用的模量值,并列出路面结构计算及验算过程。
材料名称 单位 材料单价(元) 材料名称 单位材料单价(元)SMA 沥青混合料 m 3二灰土 m 3 82 OGFC 沥青混合料 m 3 800 水稳碎石 m 3 细粒式沥青砼 m 3 石灰稳定碎石 m 3 细粒式沥青砼(改性)m 3 753 二灰碎石 m 3 中粒式沥青砼 m 3 级配碎石 m 3 粗粒式沥青砼 m 35%石灰土(土基处治) m 3(二)、老路补强设计 1设计资料某二级公路,其中K1+000-K1+800段老路结构为水结碎石层上的3cm 沥青表处。
用“黄河”JN-150标准装载车(相当于BZZ-100)实测的回弹弯沉值如下表:桩号左轮弯沉()右轮弯沉()左右轮 平均弯沉初读数终读数 弯沉值 初读数 终读数 弯沉值 K1+000 45 24 67 35 100 57 24 65 41 200 61 39 54 32 300 72 47 63 50 400 73 52 54 32 500 36 17 47 18 600 53 20 66 37 700 45 18 52 30 800572245210l -= S =现经上级机关批准改建,有关补强设计资料收集如下:(1) 现有交通量换算为BZZ-100的N1=量/日(以考虑的车道系数); (2) 经调查得交通量年平均增长率为10%; (3) 交通量按15年预测;(4) 路基宽12m ,路面宽9m ,土质为粉质低液限粘土,干湿类型为中湿。
(5) 测定弯沉时路表温度与前5个小时平均气温之和为T0=20℃(6)季节影响系数取为;湿度影响系数为(7)补强采用双层结构,上层为沥青混凝土,下层为水泥稳定碎石。
2设计要求(1)拟定补强层厚度,确定材料设计参数。
(2)计算设计弯沉系数(3)求算弯沉控制设计时的老路综合回弹模量(4)求算路面结构层回弹模量三、时间安排:总时间为2周,共10天;其中包括讲授,计算与答疑辅导等环节,时间分配根据实际情况确定。
一般情况安排:1.设计准备及讲授1天2.新建路面结构设计计算,方案比较4天3.改建路面结构设计计算2天4.整理计算书和设计文件2天5.答辩1天6.全程由教师答疑指导四、课程设计计算说明书撰写规范1.说明书格式说明书手写、打印均可,手写用黑色或蓝黑色墨水工整书写,打印用5号字,B5纸,上下左右各留20mm。
2.说明书结构及要求(1) 封面(2) 任务书(3) 目录:目录要层次清晰,要给出标题及页次,目录的最后一项是无序号的“参考文献”。
(4) 正文:正文应按目录中编排的章节依次撰写,要求计算正确,论述清楚,文字简练通顺,插图简明,书写整洁。
文中图、表不能徒手绘制和书写。
(5) 参考文献:参考文献必须是学生在课程设计中真正阅读过和运用过的,文献按照在正文中的出现顺序排列,各类文献的书写格式如下:a 图书类的参考文献序号作者名.书名.(版次).出版单位,出版年:引用部分起止页码。
b翻译图书类的参考文献序号作者名.书名.译者.(版次).出版单位,出版年:引用部分起止页码。
c期刊类的参考文献序号作者名.文集名.期刊名.年,卷(期):引用部分起止页码。
五、课程设计答辩答辩是课程设计一个重要的教学环节,通过答辩可使学生进一步发现设计中存在的问题,进一步搞清尚未弄懂的、不甚理解的或未曾考虑到的问题,从而取得更大的收获,圆满地达到课程设计的目的与要求。
1.答辩资格按计划完成课程设计任务,经指导教师审查通过并在其设计图纸、说明书或论文等文件上签字者,方可获得参加答辩资格。
2.答辩答辩中,学生须报告自己设计的主要内容(约5分钟),并回答老师提问的3~4个问题或回答考签上提出的问题。
每个学生答辩时间约10分钟。
答辩过程中,由指定教师进行纪录,供评定成绩时参考。
3.课程设计成绩评定课程设计的成绩由指导教师和答辩小组两部分评分组成,两部分的权重各占50%。
课程设计的成绩分为:优秀、良好、中等、及格、不及格五个等级。
优秀者一般不超过答辩人数的20%。
答辩不及格者,或有抄袭、雷同现象,视为本次课程设计不合格,必须重修。
目录一、高速公路沥青路面结构计 (9)轴载分析 (9)半刚性基层层底拉应力验算 (9)设计年限内一个车道上的累计当量轴次数 (10).设计指标的确定 (11)拟定路面结构组合方案及厚度 (12)路基回弹模量的确定 (12)厚度的计算和层底弯拉应力的计算 (13)方案一设计 (13)厚度的计算 (14)各层层底的弯拉应力计算......................... . (15)方案一设计 (19)厚度的计算 (19)各层层底的弯拉应力计算......................... . (20)双方案比选 (24)二、原有道路补强设计 (25)1设计资料 (25)2.初拟路面设计 (26)补强方案 (26)弯沉计算 (26)轴载换算 (27)计算加铺层厚度 (27)理论法 (27)参考文献一、高速公路沥青路面结构计 1轴载分析以设计弯沉值为指标及沥青层层底拉应力验算时,换算为标准轴P 的当量轴次N 根据《公路沥青路面设计规范》JTGD50-2006由以下公式计算35.4211)(pp n C C N i i ki ∑==路面设计采用双轮组单轴载100KN 为标准轴载,以BZZ —100表示车型P 1(KN )C 1 C 2 Ni 35.421)(pp n C C i i 解放CA10B前轴1 308后轴1 1 黄河JN151前轴 49 1 208 后轴1 1 黄河JN163前轴 1 208 后轴 115 1 1 江淮HF150前轴1 108 后轴1 1 长征CE160前轴 1 308 后轴1 交通SH361前轴 60 1 408 后轴110135.421)(ppn C C i i ∑进行半刚性基层层底拉应力验算时,换算为标准轴P 的当量轴次N'∑=''=ki i i pp n C C N 1821)(' C 为轴系系数C 为轮组系数:双轮组为,单轮组为,四轮组为。