机电工程项目测量技术--一级建造师考试辅导《机电工程管理与实务》第一章第二节讲义1
- 格式:docx
- 大小:27.97 KB
- 文档页数:4
【最新资料,Word版,可自由编辑!】2H310000机电工程技术:——机电工程专业技术机电工程涉及的专业技术包括:机电工程测量、机电工程材料、起重技术、焊接技术。
第一篇:2H311010机电工程测量——工程测量的施工内容包括:工程测量的施工内容:控制网测量、施工过程控制测量控制网测量和施工过程控制测量的相互关系是:控制网测量是工程施工的先导,施工过程控制测量是施工进行过程的眼睛,两者的目标都是为了保证工程质量。
2H311011掌握机电工程测量的要求一、工程测量的原理——水准测量和基准线测量方法和原理利用经纬仪和检定钢尺确定地面点位的基本方法利用水准仪和水准标尺测定待测点高程的方法(一)水准测量原理——水准测量原理:是利用水准仪和水准标尺,根据水平视线原理测定两点高差的测量方法。
——利用水准仪和水准标尺测定待测点高程的方法:高差法和仪高法1.高差法——采用水准仪和水准尺测定待测点与已知点之间的高差,通过计算得到待定点的高程的方法;2.仪高法——采用水准仪和水准尺,只需计算一次水准仪的高程,就可以简便地测算几个前视点的高程。
请注意两种方法的应用选择:当安置一次仪器,同时需要测出数个前视点的高程时,使用仪高法。
(二)基准线测量方法——基准线测量原理:是利用经纬仪和检定钢尺,根据两点成一直线原理测定基准线。
——测定待定位点的方法有:水平角测量和竖直角测量,这是确定地面点位的基本方法。
每两个点位都可连成一条直线(或基准线)。
切记:1.保证量距精度的方法返测丈量,当全段距离量完之后,尺端要调头,读数员互换,按同法进行返测,往返丈量一次为一测回,一般应测量两测回以上。
——量距精度以两测回的差数与距离之比表示。
2.安装基准线的设置安装基准线一般都是直线,只要定出两个基准中心点,就构成一条基准线。
——平面安装基准线不少于纵横两条3.安装标高基准点的设置根据设备基础附近水准点,用水准仪测出的标志具体数值。
——相邻安装基准点高差应在 mm以内二、工程测量的程序和方法平面控制测量高程控制测量(一)工程测量的程序建筑安装或工业安装的测量,其基本程序是:建立测量控制网设置纵横中心线设置标高基准点设置沉降观测点安装过程测量控制实测记录等。
正保远程教育旗下品牌网站 美国纽交所上市公司(NYSE:DL)建设工程教育网/ 一级建造师考试辅导《机电工程管理与实务》第一章第二节讲义3掌握焊接材料与设备选用原则1H412032 掌握焊接材料与设备选用原则一、焊接材料的分类与选用原则(一)焊条(二)焊丝(三)保护气体(四)焊剂二、常用的焊接设备及选用原则1.电弧焊机电源(1)弧焊变压器(2)直流弧焊发电机已被列入淘汰产品。
(3)晶闸管弧焊整流电源(包括逆变弧焊电源)是理想的更新换代产品。
2.埋弧焊机特性了解5点内容,掌握4、53.钨极氩弧焊机特性了解5点内容,掌握4、54.熔化极气体保护焊机特性CO 2气体保护焊生产效率高,成本低,焊接应力变形小,焊接质量高,操作简便。
但是飞溅较大,弧光辐射强,很难用交流电源焊接,设备复杂,有风不能施焊,不能焊接易氧化的有色金属。
5.等离子弧焊机特性具有温度高、能量集中、较大冲击力、比一般电弧稳定、各项有关参数调节范围广的特点。
6.焊接设备选用原则选用原则:安全性、经济性、先进性、适用性。
1H412033 熟悉焊接质量检验方法一、焊前检验1.原材料的检查,包括对母材、焊条(焊丝)、保护气体、焊剂、电极等进行检查,是否与合格证及国家标准相符合,包装是否破损,是否过期等。
2.焊接结构设计及施焊技术文件的检查,焊件结构是否设计合理、便于施焊、易保证焊接质量,工艺要求是否表达齐全;新材料、新方法、新工艺是否均进行焊接工艺评定试验。
3.对焊工进行技术交底的检查,明确焊接工艺要求、焊接质量要求和安全防范要求。
4.焊接设备质量检查,包括焊接设备型号、电源极性是否符合工艺要求,焊炬、电缆、气管、焊接辅助工具、安全防护等是否齐全。
5.对工件装配质量检查,包括对装配质量是否符合图样要求,坡口表面是否清洁、装夹具及点固焊是否合理,装配间隙和错边是否符合要求,是否考虑焊接收缩量。
6.焊工资格检查,包括焊工资格是否在有效期内,考试项目是否与实际焊接相适应,包括焊接方法、焊接材料及工件规格。
正保远程教育旗下品牌网站美国纽交所上市公司(NYSE:DL)建设工程教育网/一级建造师考试辅导《机电工程管理与实务》第二章第一节讲义1机电工程项目施工管理1H420000 机电工程项目施工管理运用一级建造师执业资格考试科目的《建设工程经济》、《建设工程项目管理》和《建设工程法规及相关知识》的基本理论、原理、方法及法律法规,结合机电工程专业施工技术和施工管理知识,紧扣一级建造师执业责任和执业目标要求,在熟练应用机电工程的施工技术和相关法规知识的基础上,围绕合同管理、质量控制、安全控制、成本控制、进度控制、现场管理和遵守法律、法规等内容提出的要求,解决在机电工程项目设计、采购、监造、安装施工、调试、试运行、竣工验收、回访保修各阶段管理中遇到的各种问题的能力。
1H420010 机电工程项目及其建设程序1H420011 掌握机电工程项目的组成一、机电工程建设项目的范围每个具体项目依据项目性质由以下几种专业工程联合组成:土建工程,给水、排水、采暖、卫生工程,电气工程,通风与空调工程,工艺管道工程,工艺金属结构工程,设备安装工程,炉窑砌筑工程,自动化仪表工程,建筑智能化工程,自动消防灭火工程,防腐绝热工程,通信工程,太阳能利用工程,其他。
二、机电工程建设项目的分类(一)以项目建设的性质划分1.新建项目是指地块上原来没有的新开工建设的项目。
若原有规模很小,经重新总体设计,扩大规模使新增加的固定资产值超过原有固定资产值三倍以上,也可视为新建项目。
2.扩建项目3.改建项目4.复建项目5.迁建项目(二)以项目建设规模划分三、机电工程关联的行业1H420012 掌握机电工程项目的特点一、机电工程项目建设的特征(一)设备制造的继续(二)散件装置的组合(三)制作与安装的结合。
正保远程教育旗下品牌网站 美国纽交所上市公司(NYSE:DL)
建设工程教育网
/ 一级建造师考试辅导《机电工程管理与实务》第一章第一节讲义1
机电工程技术
1H410000 机电工程技术
1H411000 机电工程项目常用材料及工程设备 1H411010 机电工程项目常用材料
1H411011 掌握机电工程项目常用金属材料的类型及应用
金属材料分为黑色金属和有色金属两大类。
一、黑色金属材料的类型及应用
(一)碳素结构钢
碳素结构钢具有良好的塑性和韧性,易于成型和焊接。
(二)低合金结构钢
低合金结构钢是在普通钢中加入微量合金元素,而具有较好的综合力学性能。
主要适用于锅炉汽包、压力容器、压力管道、桥梁、重轨和轻轨等制造。
例如:某600MW 超超临界电站锅炉汽包使用的就是Q460型钢;机电工程施工中使用的起重机就是Q345型钢制造的。
【例1】(2011真题)低合金结构钢主要适用于( )等制造。
A.锅炉汽包
B.压力容器
C.起重机轨道
D.压力管道
E.高强螺栓
【正确答案】ABCD
【答案解析】参见教材P2。
(三)特殊性能低合金高强度钢
(四)钢材的类型及应用
1.型钢
2.板材
3.管材
注意教材“例如”。
2020年一建机电实务机电工程技术知识点汇总第一节机电工程常用材料和工程设备常用的非金属材料的类型与应用1、硅酸盐材料:包括水泥、保温棉、砌筑材料和陶瓷等。
其中常用的保温棉有膨胀珍珠岩类、离心玻璃棉类、超细玻璃棉类、微孔硅酸壳、矿棉类、岩棉类。
2、高分子材料的类型及应用(1)塑料 分热塑性塑料和热固性塑料。
热塑性塑料有聚乙烯、聚氯乙烯、聚丙烯、聚苯乙烯等。
“聚XXX烯” 薄膜、软管、塑料瓶常用低密度聚乙烯制作,煤气管采用中、高密度聚乙烯制作。
热固性塑料如酚醛塑料、环氧塑料等,例 环氧塑料可用来制作塑料模具、精密量具、电子仪表装置、配置飞机漆、电气绝缘漆等。
(2)橡胶 天然橡胶弹性最好,具有强度大,电绝缘性好、不透水的特点,也有较好的耐碱性能,但不耐浓酸,能溶于苯、汽油等溶剂。
(3)纤维(4)涂料 涂料的主要功能是保护被涂覆物体免受各种作用而发生表面的破坏;具有装饰效果,并能防火、防静电、防辐射。
(5)胶粘剂3、非金属材料应用板材类型 使用范围 不适用酚醛复合板材 低、中压空调系统及潮湿环境 高压及洁净空调、酸碱环境和防排烟系统聚氨酯复合板材 低、中、高压空调系统及潮湿环境酸碱环境和防排烟系统玻璃纤维复合板材 中压以下的空调系统 洁净空调、酸碱环境和防排烟系统硬聚氯乙烯板材 洁净室含酸碱的排风系统 /4、非金属管材的应用聚乙烯塑料管(PE管):无毒,用于输送生活用水。
ABS工程塑料管:耐腐蚀、耐温及耐冲击性能优于聚氯乙烯管,常用来制作机器零件、各种仪表的外壳、设备衬里等。
聚丙烯管(PP管):其刚性、强度、硬度和弹性等机械性能均高于聚乙烯,但其耐低温性差、易老化,常用于输送流体。
硬聚氯乙烯管(PVC-U管):常用于建筑工程排水。
铝塑复合管(PAP管):外塑料层可保护管道不受外界腐蚀,内塑料层采用中密度聚乙烯时可作引水管,内塑料层采用交联聚乙烯则可耐高温、耐高压,适用于供暖及高压用管。
5、常用电气材料类型及应用YJV型电缆:不能受机械外力作用,适用于室内、隧道内的桥架及管道内敷设;YJV22型电缆:能承受一定的机械外力,但不能承受大的拉力。
一建《机电实务》机电工程项目测量技术控制网测设平面控制网(由一系列平面控制点所构成的测量控制网,测定控制网平面坐标的工作称为平面控制测量,与高程控制测量合成形成控制网)和高程控制网(由一系列高程控制点所构成的测量控制网。
是大地控制网的一部分),作为建(构)筑物定位及细部测设的依据。
(一)平面控制网的测量方法和要求1.平面控制网的测量方法和等级平面控制网的测量方法有:三角测量法、导线测量法、三边测量法等。
平面控制网的等级划分为:三角测量、三边测量等级,依次为二、三、四等和一、二级小三角、小三边、导线测量等级,依次为三、四等和一、二,三级。
各等级的采用,根据工程需要,均可作为测区的首级控制。
2.平面控制网的测量要求平面控制网的坐标系统,应满足测区内投影长度变形值不大于2.5cm/km。
各级平面控制网布置形式控制点:对整个测区起控制作用的测量标志点。
控制网:由按一定规范布设,由一系列相互联系的控制点所构成的网状几何图形。
为工程建设的测区建立统一的平面和高程控制网3.三角测量的网(锁)布设应符合下列要求:各等级的首级控制同,均宜布设为近似等边三角形的网(锁)。
其三角形的内角不应小于30°;当受地形限制时,个别角可放宽,但不应小于25°。
4.三边测量法布设应符合下列要求:(1)各等级三边网的起始边至最远边之间的三角形个数不宜多于10个。
(2)各等级三边网的边长宜近似相等,其组成的各内角宜为30°~100°;当受条件限制时,个别角可放宽,但不应小于25°。
2H311010 机电工程测量4、常用的测量仪器仪器光学经纬仪全站仪S3 光学水准仪功能测量纵、横轴线(中心线)以及垂直度的控制测量采用红外线自动数字显示距离,进行水平距离测量高程控制测量的仪器应用机电工程建(构)筑物建立平面控制网的测量;厂房(车间)柱安装铅垂度的控制测量;测量纵向、横向中心线;建立安装测量控制网并在安装全过程进行测量控制。
2019年一级建造师《机电工程》高频考点:测量技术测量技术工程测量是指遵照施工图纸的要求,使用精密的测量仪器和工具,将工程项目的建(构)筑物、机电工程工艺生产线上的设备、系统管线等的坐标位置、几何形状、相关数据等准确地测量、放样到实地,并在施工全过程中进行测量控制。
工程测量直接影响着工程项目的质量等级、结构性能、建(构)筑物的使用安全及机电工程系统的安全运行等。
本目重点是:机电工程测量的方法;测量的要求;测量仪器的应用。
知识点1.工程测量的目的和内容知识点2.工程测量的特点与测图工作相比,具有如下特点:目的不同、精度要求不同、X-程测量工序与工程施工工序密切相关、受施工干扰。
知识点3.工程测量的原则和要求(1)工程测量的原则。
工程测量应遵循“由整体到局部,先控制后细部”的原则。
(2)工程测量的要求:保证测设精度,满足设计要求,减少误差累积,加强检核工作。
知识点4.工程测量的基本原理与方法(1)水准测量原理。
高差法和视线高法的;jnl量原理是相同的,区别在于计算高程时次序上的不同。
(2)基准线测量原理、测定待定位点的方法、测量的要求。
知识点5.工程测量的程序无论是建筑安装还是工业安装的测量,其基本程序都是:建立测量控制网→设置纵横中心线→设置标高基准点→设置沉降观测点→安装过程测量控制→实测记录等。
知识点6.竣工图的绘制(1)绘制竣工总平面图的目的、作用、竣工测量内容;(2)竣工绘制测量竣工图的要求、机电工程测量竣工图的绘制内容;(3)竣工总平面图的绘制内容、要求。
知识点7.机电工程中常见的工程测量(1)设备基础施工的测量;(2)连续生产设备安装的测量:安装基准线的测设、安装标高基准点的测设;(3)管线工程的测量、地下管线工程测量;(4)长距离输电线路钢塔架(铁塔)基础施工的测量。
知识点8.水准测量法的主要技术要求(1)各等级的水准点,应埋设水准标石。
(2)水准观测应在标石埋设稳定后进行。
(3)设备安装过程中,测量时应注意:最好使用一个水准点作为高程起算点。
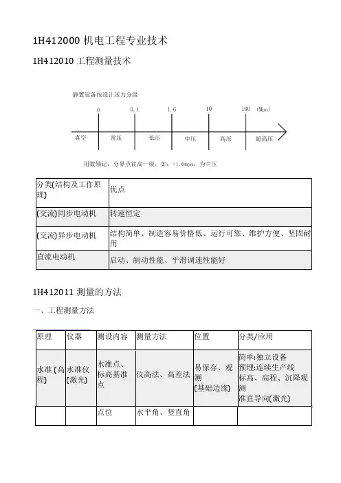
1H412000 机电工程专业技术1H412010 工程测量技术分类(结构及工作原理)优点(交流)同步电动机转速恒定(交流)异步电动机结构简单、制造容易价格低、运行可靠、维护方便、坚固耐用直流电动机启动、制动性能、平滑调速性能好1H412011 测量的方法一、工程测量方法原理仪器测设内容测量方法位置分类/应用水准 (高程)水准仪(激光)水准点、标高基准点仪高法、高差法易保存、观测(基础边缘)简单:独立设备预埋:连续生产线标高、高程、沉降观测准直导向(激光)基准线(平面)经纬(激光)、全站仪点位水平角、竖直角中心标板(依建筑物定位轴线)定线、定位测设已知角度平面控制网、柱安装铅垂度纵横中心线 (两条)距离钢尺(20~80)、电磁波测距仪、全站仪大跨越档距:电磁波测距法、解析法微波测距仪光电测距:激光、红外二、工程测量的程序1.工程测量的程序基本程序是:设置纵横中心线→设置标高基准点→设置沉降观测点(基础上的基准点,埋设后开始第一次观测)→安装过程测量控制→实测记录三、管线工程的测量四:长距离输电线路钢塔架(铁塔)基础施工的测量1.可根据起止点和转折点、沿途障碍物实际情况,测设钢塔架基础中心桩。
中心桩测定后,一般采用十字线法或平行基线法进行控制。
2 钢尺量距,其丈量长度不宜大于 80m,同时,不宜小于 20m。
3.一段架空线路,其测量视距长度,不宜超过 400m.1H412012 测量的要求一、高程控制点布设的方法1.水准测量法的主要技术要求: (1)各等级的水准点,应埋设水准标石。
水准点应选在土质坚硬、便于长期保存和使用方便的地点。
一个测区及其周围至少应有3 个水准点。
水准点之间的距离,一般地区应为 1~3km,工厂区宜小于 lkm 。
(2)水准观测应在标石埋设稳定后进行。
(3)设备安装过程中,测量时应注意:最好使用一个水准点作为高程起算点。
当厂房较大时,可以增设水准点,但其观测精度应提高。
1H412013 工程测量仪器的应用定位依据主点地下管线已有建筑物、控制点起点、终点、转折点回填前测量:起、止点、窨井坐标、管顶标高测量仪器应用电磁波测距仪载波:微波无线电;激光、红外线(统称光电测距仪)激光测距仪器激光准直仪、激光指向仪沟渠、隧道或管道施工、大型机械安装、建筑变形观测激光准直仪垂直定位及倾斜观测(高层建筑、烟囱、电梯)激光经纬仪定线、定位、测设已知角度激光水准仪准直导线(高程。
全国一级建造师执业资格考试《机电工程管理与实务》教材内容重点标注•第一部分机电工程技术第二部分机电工程项目施工相关法规与标准•第三部分机电工程项目施工管理第四部分案例题的解题思路及应试技巧课程重点•一个条例--《特种设备安全监察条例》;二项技术—起重、焊接技术;•三交底--任务交底、技术交底、安全交底;三检—自检、互检、专检及验收程序;•三个案例内容—空调、消防、电梯;三种试运行—单机、联动、负荷;•四项措施—经济措施、技术措施、组织措施、合同措施,针对项目目标体系;•四漏—漏电、漏水、漏风、漏控;五字真言—人、机、料、法、环,针对现场具体事项处理;•P.2比较碳素结构钢、低合金结构钢、特殊性能低合金高强度钢的特点、用途,熟练找出对应钢种;•P.4VV、VV22、VV32、VV59电缆的特点、用途,熟练找出对应电缆型号;P.4~7非金属材料的类型及应用----注意区分大小概念!•非金属材料是指一~四标题名称,具体细分下去的途径:•例如问哪些属于一、硅酸盐材料?那就回答下一级子目中的(一)~(四)标题名称,而不是后面的具体实例的名称;•只有问道:(四)陶瓷的分类?才是结构陶瓷、功能陶瓷;问下一级子目的多为多选题;•反之亦然,给你具体制品,问它属于哪一门类?一般为单选题;•注意高分子材料有老化现象!•P.8~9泵、风机、压缩机的性能参数包括哪几个?金属切削机床加工精度内容,机床静态、动态特性。
•P.9常用电气设备有哪些?•P.9~10同步、异步、直流电机的各自特点。
高压、低压电器的划分电压数字。
•P.11第二大段第4~6行--数字式仪表的特点•P.13第一二行--专用设备的概念P.14第2点安装标高基准点测设•推论:为一条生产流水线设备安装设置简单的标高基准点则肯定不妥!•最后一段第一句:大型静止设备安装测量控制的重点•P.15六、长距离输电线路基础施工测量之第2~4条。
•P.15倒数三二行--工程测量的两部分•P.16各等级的首级控制网三角形内角25~30度•P.17 3.之(1)水准点埋设选择•P.17~19根据四种测量设备的特点倒过来找它是什么仪器。
一级建造师《机电工程》题型分值比例及指导一、题型分值比例20个单选题,10个多选题,5道综合分析题(案例)。
其中单选题每题1分,共20分;多选题每道2分,共20分;案例题120分,前三个每道20分,后两个每道30分。
共计160分。
考试时间为4个小时。
二、考试目标1.机电工程常用材料及工程设备和相关施工管理。
包括机电工程常用材料和常用工程设备及施工中的项目管理要求。
2.机电工程专业技术及相关施工管理。
包括测量技术、起重技术、焊接技术及施工中的项目管理要求。
3.工业机电工程安装技术及相关施工管理。
包括机械设备安装技术、电气工程安装技术、管道工程施工技术、静置设备及金属结构安装技术、动力设备安装技术、自动化仪表工程安装技术、防腐蚀工程施工技术、绝热工程施工技术、工业炉窑砌筑工程施工技术及施工中的项目管理要求。
4.建筑机电工程安装技术及相关施工管理。
包括建筑管道工程安装技术、建筑电气工程安装技术、通风与空调工程安装技术、建筑智能化工程安装技术、消防工程安装技术及施工中的.项目管理要求。
5.机电工程项目施工相关法规与标准。
包括机电工程施工相关法规、机电工程施工相关标准、一级建造师(机电工程)注册执业管理规定及相关要求。
三、科目特点1.第一章《机电工程技术》:题型布置为选择题和案例题;第二章《机电工程项目施工管理》:题型布置为案例题;第三章《机电工程项目施工相关法规与标准》:题型布置为选择题和案例题。
2.第一章技术:起重技术、焊接技术、机械设备的安装技术、电气、管道、通风与空调、电梯均可作为案例题的考点。
3.第二章管理:合同管理、采购管理、进度管理、职业健康、安全与环境管理、质量管理、资源管理、试运行管理出题概率大一些;其他如:招投标管理、施工组织设计、成本管理(包括预结算)、协调管理也可能会考核题目,但不会出现大的题目。
4.第三章法规:《特种设备安全法》最易成为案例出题点,《电力法》中关于“电”的问题也逐渐成为了热点;而两个质量验收(主要考核验收组织和验收程序及验收出现问题的处理)通常会结合第二章中的质量管理出题。
测量技术一、测量的方法1、工程测量包括:对建筑物施工放样、建筑物变形监测、工程竣工测量等。
是保证将设计的建筑物位置正确的测设到地面上,作为施工的依据。
2、工程测量目的:是将图纸上设计的建筑物或构筑物测设到实地。
3、工程测量的精度要求:取决于工程的性质、规模、材料、施工方法等因素。
4、工程测量的原则:由整体到局部,先控制后细部的原则。
5、工程测量的要求:满足设计要求,减少误差累积,免除因建筑物众多而引起测设工作的絮乱。
6、测量检核:是保证实测数据与工程测量竣工图绘制的正确性。
7、水准仪:测量高差法和仪高法。
8、安装基准线的设置:安装基准线一般都是直线,只要定出两个基准中心点,就构成一条基准线。
平面安装基准线不少于纵横两条。
9、安装标高基准点的设置:相邻安装基准点高差应在0.5mm以内。
10、沉降观测点的设置:对于埋设在基础上的基准点,在埋设后就开始第一次观测,随后的观测在设备安装期间连续进行。
11、工程测量的程序:建立测量控制网→设置纵横中心线→设置标高基准点→设置沉降观测点→安装过程测量控制→实测记录等。
12、绘制竣工平面图的目的:①在施工过程中可能由于设计时没有考虑到的问题而使设计有所变更,这种临时变更设计的情况必须通过测量反应到竣工总平面图上;②它将便于以后进行各种设施的维修工作,特别是地下管道隐蔽工程的检查和维修工作;③为企业的扩建提供了原有各项建筑物、构筑物、地上和地下各种管线及交通线路的坐标、高程等资料。
13、竣工平面图的作用:⑴机电工程测量竣工平面图是进行交竣工验收的重要资料之一。
⑵测量竣工图绘制的内容及深度反映出机电工程施工质量是否符合设计和规范的要求;竣工图既是机电工程施工过程及结果的真是记录,也是机电工程投产后是否能达产达标的重要保障之一。
14、机电工程测量竣工图的编制内容:包括安装测量控制网的绘制、安装过程和结果的测量图的绘制。
15、设备基础的测量步骤:分为四部⑴测量设置大型设备内控制网;⑵进行基础定位,绘制大型设备中心线测设图;⑶进行基础开挖与基础底层放线;⑷进行设备基础上层放线。
一建机电各章节知识点一建机电工程师考试是一项非常重要的资格考试,对于从事机电工程行业的人士来说,掌握一建机电各章节的知识点是必不可少的。
下面,我将简要介绍一建机电各章节的主要知识点。
第一章:机电工程基础知识这部分主要涉及机械、电气、自控、建筑、给排水、供暖通风等基础知识。
机械方面主要包括机械原理、机械零部件、机械加工等;电气方面主要包括电路基础、电气设备、电气控制等;自控方面主要包括自动化仪表、自控原理、自控系统等;建筑方面主要包括建筑材料、建筑构造、建筑绘图等;给排水方面主要包括给水系统、排水系统、水处理等;供暖通风方面主要包括供暖系统、通风系统、暖通设备等。
第二章:机械与设备这部分主要涉及机械与设备的选择、维护与管理。
包括机械设备的种类、工作原理、性能参数、选型原则等;机械设备的安装、使用、维护与管理的方法与要求等。
第三章:电气与设备这部分主要涉及电气设备的选择、维护与管理。
包括电气设备的种类、工作原理、性能参数、选型原则等;电气设备的安装、使用、维护与管理的方法与要求等。
第四章:自控与设备这部分主要涉及自控设备的选择、维护与管理。
包括自控设备的种类、工作原理、性能参数、选型原则等;自控设备的安装、使用、维护与管理的方法与要求等。
第五章:建筑与设备这部分主要涉及建筑设备的选择、维护与管理。
包括建筑设备的种类、工作原理、性能参数、选型原则等;建筑设备的安装、使用、维护与管理的方法与要求等。
第六章:给排水与设备这部分主要涉及给排水设备的选择、维护与管理。
包括给排水设备的种类、工作原理、性能参数、选型原则等;给排水设备的安装、使用、维护与管理的方法与要求等。
第七章:供暖通风与设备这部分主要涉及供暖通风设备的选择、维护与管理。
包括供暖通风设备的种类、工作原理、性能参数、选型原则等;供暖通风设备的安装、使用、维护与管理的方法与要求等。
总结:一建机电工程师考试的重点是在各个章节的知识点上进行综合考查。
因此,了解并掌握各章节的主要知识点对于备考非常重要。
正保远程教育旗下品牌网站 美国纽交所上市公司(NYSE:DL)建设工程教育网/ 一级建造师考试辅导《机电工程管理与实务》第一章第一节讲义2机电工程项目常用工程设备1H411020 机电工程项目常用工程设备1H411021 掌握机电工程项目通用机械设备的分类和性能【例】(2011真题)下列设备中,属于通用机械设备的是( )。
A.压缩机B.桥式起重机C.锅炉D.汽轮机【正确答案】A【答案解析】参见教材P7。
一、泵的分类和性能掌握泵的性能参数,注意“例如”泵按介质在旋转叶轮内部流动方向分为离心式、轴流式、混流式泵的性能由其工作参数加以表述,常用的参数有:流量、扬程、功率、效率、转速等。
例如:一幢30层(98m 高)的高层建筑,其消防水泵的扬程应在100m 以上。
二、风机的分类和性能1.风机的分类风机按气体在旋转叶轮内部流动方向分为离心式、轴流式、混流式;按结构形式分为单级风机、多级风机;按照排气压强的不同分为通风机、鼓风机、压气机。
2.风机的性能参数风机的性能参数主要有:流量(又称为风量)、风压、功率、效率、转速、比转速。
三、压缩机的分类和性能压缩机按压缩气体方式可分为容积型和速度型两大类。
按结构形式和工作原理,容积型压缩机可分为往复式(活塞式、膜式)、回转式(滑片式、螺杆式、转子式);速度型压缩机可分为轴流式、离心式、混流式。
压缩机的性能参数包括容积、流量、吸气压力、排气压力、工作效率。
四、连续输送设备的分类和性能五、金属切削机床的分类和性能六、锻压设备的分类和性能七、铸造设备的分类和性能1H411022 掌握机电工程项目电气设备的分类和性能一、电动机的分类和性能电动机分为直流电动机、交流同步电动机和交流异步电动机。
区分掌握三种电动机性能的不同1.电动机的分类电动机分为直流电动机、交流同步电动机和交流异步电动机。
2.电动机的性能(1)同步电动机常用于拖动恒速运转的大、中型低速机械。
它具有转速恒定及功率因数可调的特点,同步电动机的调速系统随着电力电子技术的发展而发展;其缺点是:结构较复杂、价格较贵、启动麻烦。
机电工程工程专业技术考试要点一、工程测量技术★要点1、高程测量1.水准测量原理:利用一条水平视线,并借助于竖立在地面点上的标尺,来测定的高差,然后根据其中一点的高程来推算出另外一点高程的方法。
(1)高差法一利用水准仪和水准尺测定高差,通过计算得到待定点的高程的方法。
(2)仪高法一和仪高法原理相同。
安置一次仪器,同时测出数个前视点。
特点:最精密水准测量的方法。
主要用于国家水准网的建立。
2.三角高程测量:方法简单,受地形条件限制小,测定大地控制点高程的基本方法。
3.气压高程测量:精度低,不需要通视。
测量仪器:空盒气压让和水银气压让。
★要点2、基准线测量1.利用经纬仪和检定钢尺。
测定待定位点的方法有水平角测量和竖直角测量2.安装基准线的设置:平面安装基准线不少于纵横两条3.安装标高基准点的设置:相邻安装基准点高差应在0.5mm 以内。
4.沉降观测点的设置:采用二等水准测量方法。
对于埋设在基础上的基准点,在埋设后就开始第一次观测,随后的观测在设备安装期间连续进行。
★要点3、常见的工程测量1.连续生产设备安装的测量(1).安装基准线的测设:中心标板应在浇灌基础时,配合土建埋设,也可待基础养护期满后再埋设。
设备安装基准线不少于纵、横两条。
(2).安装标高基准点的测设安装标高基准点埋设在基础边缘且便于观测的位置。
简单的标高基准点作为独立设备安装的基准点;预埋标高基准点用于连续生产线上设备安装的标高基准点。
(3).连续生产设备只能有一条纵向基准线和一个预埋标高基准点。
2.管线工程的测量(1)管线中心定位的测量方法:可根据已有建筑物、控制点进行管线定位。
管线的起点、终点及转折点称为管道的主点。
(2)地下管线工程测量:回填前测量出起止点,窨井的坐标和管顶标高。
3.长距离输电线路钢塔架(铁塔)基础施工的测量(1)可根据起止点和转折点及沿途障碍物的实际情况,测设钢塔架基础中心桩,中心桩测定后,一般采用十字线法或平行基线法进行控制。
一级建造师必考知识点机电实务测量技术测量技术一、机电工程测量的主要内容:1、机电设备安装放线、基础检查、验收2、工序或过程测量3、变形观测:作为鉴定工程质量和验证工程设计、施工是否合理的依据4、交工验收测量5、工程竣工测量二、工程测量遵循的原则:由整体到局部、先控制后细部检核是测量的灵魂。
(检核内容:一只鸡放盐)三、高程测量的方法:1三角高程测量:经纬仪、全站仪、激光测距仪2、气压高程测量:精度低;空盒气压计、水银气压计四、测量的基本程序确认永久基准点、线一设置纵横中心线一设置标高基准点—设置沉降观测点一安装过程控制-实测记录五、连续生产设备安装的测量1安装基准线的测设:可配合土建埋设,也可在基础养护完毕后再埋设;根据施工图,按建筑物轴线确定,标注在中心标板上,不少于两条(纵横两条)2、标高基准点的测设:一般设在基础边缘便于观测的位置;一种是简单的标高基准点,适用于独立设备的安装;一种是预埋标高基准点,连续生产线上的设备安装使用(连续生产线的设备只能使用一个纵横中心线和标高基准点)六、测量方法1、管线定位的依据:起点、终点、转折点;可根据已有建筑物定位,也可根据控制点定位2、地下管线工程测量在回填前进行,管顶标高、窖井坐标、管线起止点;七、长距离输电线路的测量1可根据起点、止点、转折点及沿途障碍物的实际情况测设中心桩,中心桩测定后,使用十字线法或平行基线法控制2、钢尺测量:20-80米3、一段架空线路不宜超过400米4、大跨越档距测量:解析法或电磁波测距法【打垮慈禧】八、常用的测量仪器1水准仪:测量标高和高程。
沉降观测、标高基准点的测设2、光学经纬仪:测量纵横中心线、平面控制网、立柱安装垂直度;经纬仪,水平角和竖直角3、全站仪:水平距离测量4、激光准直仪和激光指向仪:大直径、长距离等同心度的测量控制5、激光垂准仪:高层建筑、烟囱、电梯等施工中的竖向引测和垂直度的测量。
正保远程教育旗下品牌网站美国纽交所上市公司(NYSE:DL)建设工程教育网/一级建造师考试辅导《机电工程管理与实务》第二章第一节讲义9机电工程项目采购管理1H420050 机电工程项目采购管理1H420051 掌握机电工程项目采购工作程序采购工作程序是保证采购工作遵循“公开、公平、公正”和“货比三家”的原则,保证按质、按量、按时以合理价格和可靠的供货来源,获得所需的设备、材料及有关服务。
一、项目采购工作的阶段划分项目的采购工作是贯穿项目全过程的一项工作,是项目管理的核心之一。
项目采购工作包括从建立组织开始,经采买、催交、检验、直到最后一批产品通过检验为止的全部工作。
通常将项目采购管理分为三个阶段,即准备阶段、实施阶段和收尾阶段。
2.实施阶段主要工作包括接收请购文件、确定合格供应商、招标或询价、报价评审或评标定标、召开供应商协调会、签订合同、调整采购计划、催交、检验、包装及运输等。
二、项目采购工作程序采购工作基本流程见图1H42Q051。
三、采购工作的策略和保证1.采购策略应考虑以下方面:(1)采购方式调查,确定采购方式:即使用公开招标、邀请报价还是单独合同谈判的方式进行采购。
对于市场通用产品、没有特殊技术要求的产品应采用公开招标的方式;对于标的较小的产品可以采用邀请报价的方式;对于拥有专利技术的产品或者由于某些特定要求而指定了供货商的产品,宜采用单独合同谈判的方式。
(2)供货商的能力调查,调查供货商的技术水平是否达到要求、其技术优势在哪里?供货商生产能力调查,供货商近期的订单任务是否已经饱满,供货商的生产周期是否满足工期要求。
(3)供货商的分布,供货商的地理位置、交通运输是否便利,是否可能对交货期造成影响。
(4)供货商是否为合格供方等。
2.采购工作的保证。
正保远程教育旗下品牌网站美国纽交所上市公司(NYSE:DL)建设工程教育网/一级建造师考试辅导《机电工程管理与实务》第二章第一节讲义3机电工程项目管理的任务1H420020 机电工程项目管理的任务建设项目管理旨在通过项目经理和项目组织的努力,运用系统理论和方法,对机电工程项目建设及其资源进行策划、组织、控制和协调,以期项目建设达到预定目标。
项目管理的核心任务是目标控制,包括进度目标、质量目标、费用目标和安全目标,这要贯穿于项目建设全过程各个阶段的工作中。
1H420021 掌握机电工程项目施工阶段项目管理的任务一、进度计划管理(一)机电工程项目建设的总体计划安排应由业主或业主委托总承包单位编制,但必须征得业主认可确认。
1.总体建设计划要告知各参建的分包单位,各分包单位按总体计划编制各自承担的单位工程或单项工程的总进度计划或年度施工进度计划,编制的计划要符合承包合同的约定的工期目标要求。
并报总承包单位审核确认。
2.总承包单位要及时评审各分包单位上报的各种施工进度计划,评审的依据是上报的计划是否符合总体建设目标要求,如有异议要通知上报的分包单位澄清或修订,如无异议要以书面文件或洽谈记录表示认同。
(二)计划的实施应建立跟踪、监督、检查、报告机制,以利有效纠正计划执行中的偏差。
掌握2.采取的对策主要有作业面调整、物资供给强度调整、机械化作业比率调整、作业班次或搭接时机调整等,这些都应由总承包单位调度机构审时度势合理地作出调度决策。
(三)总承包单位要运用工程进度款支付数量这个经济手段,进行正确测量实物工作量使各分包单位认真执行进度计划。
二、施工费用控制三、工程质量管理(一)工程质量的目标要在工程承包合同的约定中体现,总承包合同的质量承诺要分解到各分承包合同中。
1.质量控制的依据是国家的法律、法规、设计文件和相关的施工规范、标准。
2.选择具有与工程性质相适应的资质的分承包单位,分包合同要明确分包工程的质量目标和分包方的质量义务。
正保远程教育旗下品牌网站 美国纽交所上市公司(NYSE:DL)
建设工程教育网
/ 一级建造师考试辅导《机电工程管理与实务》第一章第二节讲义1
机电工程项目测量技术
1H412010 机电工程项目测量技术
1H412011 掌握机电工程项目测量的方法
一、厂房(车间、站)基础施工测量的内容与方法
(一)厂房(车间、站)基础施工测量的内容
钢柱基础施工测量;混凝土杯形基础施工测量;混凝土柱子基础及柱身、平台施工测量等(四基础一平台测量)
(二)厂房(车间、站)基础施工测量的方法
厂房(车间、站)基础施工测量中重点是钢柱基础,钢柱基础的特点是基坑较深,而且基础下面有垫层以及埋设地脚螺栓等。
其施工测量方法与步骤如下:
1.进行垫层中线投点和抄平,用正倒镜法,先将经纬仪中心导入中心线内,然后进行投点;采用在固定架外框四角处测出四点标高,以便用来抄平垫层混凝土面;
2.进行固定架中线投点与抄平;
3.地脚螺栓安装与标高测量;
4.对支立模与浇灌混凝土进行测量。
【例1】(2011真题)机电工程厂房(车间、站)基础施工中,测量重点是( )。
A.混凝土杯形基础
B.混凝土柱子基础平台
C.混凝土柱子基础及柱身
D.钢柱基础
【正确答案】D
【答案解析】参见教材P13。
二、设备基础的特点与施工测量方法
(―)设备基础的特点
1.机电设备基础的特点:体积大,连续基础长,基坑深,有的为复杂体形基础。
基基础上设备地脚螺栓预留孔、锚板孔、预埋地脚螺栓数量多。
(二)设备基础施工测量方法
三、设备安装基准线和标高基准点测量内容与方法
1.安装基准线的测量:放线就是根据施工图,按建筑物的定位轴线来测定机械设备的纵、横向中心线并标注在中心标板上,作为设备安装的基准线。
设备安装平面基准线最少不少于纵、横向中心线两条。
2.安装标高基准点的测设:标高基准点一般埋设在基础边缘且便于观测的位置。
标高基准点一般有两种:一种是简单的标高基准点,作为独立设备安装的基准点;另一种是预埋标高基准点,主要用于连续生产线上的设备在安装时使用。
采用钢制标高基准点,将其牢固埋设于基础表面的基准标髙,测出每个基准点的标高,并标注清楚,作为安装设备时测量设备标高的依据。
标高基准点应埋设在靠近设备基础边缘便于测量处,不允许埋设在设备底板下面的基础表面。
3.生产线安装测量控制网的测设。
安装测量控制网的测设步骤与方法:测量控制网由纵向中心线、横向中心线、标高基准点组成。