封样管理制度
- 格式:docx
- 大小:8.87 KB
- 文档页数:2
1.0目的为进一步规范品质封样管控程序,落实检验、控制流程,特建立本制度。
2.0适用范围生产过程各区域检验范畴与活动。
注:1. 该流程/制度负责人为品质部经理,负责维护流程/制度的运行、检查、培训指导、问题点收集、处理。
2. 本制度由督导办负责督导、处理;3. 在运行过程中遇到运作不畅等情况时,请通知品质部。
4. 与管理变革前文件有冲突时,一律依本文件执行。
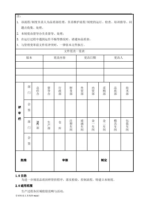
文件更改一览表版本更改内容更改日期更改人评 审 栏部 门总经办 督导办行政部财务部外贸部内贸部采购部品质部技术部会签部 门 PMC 部生产部仓库注塑车间玻璃车间金一车间金二车间模具车间 包装车间会签批准审核 制定3.0职能范畴3.1新品封样3.1.1技术部新开发产品,在批货前经与内/外贸部、生产部、采购部评审合格后,由技术部签封样品(各类配件、成品各二只/套)。
3.1.2客户新颜色、工艺样品,由内/外贸部签封样品(配件或成品)至技术部。
3.1.3包材类由外贸部包材专职采购员签封样品。
3.2常规产品、配件封样3.2.1各车间、岗位前期有生产过的配件、样品由各区域检验员呈报,交品质部经理签封样品。
3.3限度封样3.3.1生产、检验过程中发现异常,针对接收标准或特定放行的,由区域检验员填写《品质异常报告单》交品质部经理与内/外贸部、生产等部门、人员协调并统一标准,由协调人共同签封生产,品质部保存。
3.4生产首件确认样3.4.1各车间开机、中途更换规格型号时应由模具工、车间主任负责对首件产品进行初次判定(含尺寸、结构、外观),无异常时送QC最终确认,并完成各车间《首件检验记录》(需车间主任和QC共同签名有效)和封样,所封首件样品应放置于所生产机台旁,待该批次生产完成后,作业员、QC应进行首末件对比,无异常后由QC将所封样品归置样品存放区供下次参考。
3.4.2包装车间首件由专人负责制作,该首件应按照生产计划至少提前1天完成。
首件产品物料自仓库备料区域中获取,由包装车间主任和首件人员共同确认后方可批量生产,临时计划变更不受此时间控制(包装车间主任应至少提前60分钟通知首件作业员)。
建设工程样品封样管理制度为规范建设工程样品的管理,保障建设工程的质量安全,提高工程质量和工作效率,制定本管理制度。
一、管理范围本管理制度适用于所有建设工程部门内需要抽取、保存和检测的样品。
包括但不限于土壤、水质、材料、混凝土等各类样品。
二、样品抽取1. 样品的抽取必须由具有资质和专业技能的抽样人员进行,抽样前应进行培训和考核,对已考核合格的抽样人员进行定期复核。
2. 样品抽取地点应根据具体需要确定,并确保取样的地点代表性、一致性和公正性。
3. 样品抽取时,应按照相关规范和标准操作,避免样品被外界因素污染或破坏。
4. 抽取样品前需填写样品抽取单,详细记录抽取样品的时间、地点、数量和相关信息。
三、样品保存1. 样品应妥善保存,避免受到外界污染或其他损坏。
2. 样品应分类保存,标识清晰,便于管理和查找。
3. 样品应在适宜的环境条件下保存,比如恒温、恒湿、防潮等条件下保存。
4. 对于易腐败或易变质的样品,应及时进行处理或送检。
四、样品检测1. 样品检测必须由具备相关资质和技能的检测人员进行,检测人员需定期培训和考核。
2. 样品检测应依据相关标准和规范进行,确保检测结果的准确性和可靠性。
3. 检测完成后,需及时将检测结果记录并报告给相关部门,确保建设工程的质量安全。
五、封样管理1. 对已抽取的样品需进行封样处理,确保样品的完整性和安全性。
2. 封样时,需填写封样单,记录封样的时间、地点、封样人员等信息。
3. 封样后,需及时将样品送至指定的仓库或实验室进行保存,确保样品的安全和完整性。
4. 如需要对样品进行二次检测或其他操作时,需经过相关部门的审批和记录。
六、样品销毁1. 对于已完成检测或已无需保留的样品,需按照相关规定进行销毁处理。
2. 样品销毁时,需填写销毁单,记录销毁的时间、地点、方式和原因等信息。
3. 样品销毁前,需经过相关部门的审批和确认,确保销毁程序合法、规范和安全。
七、责任分工1. 建设工程部门应设置专门的样品管理和监督机构,负责制定和实施样品管理制度,确保样品管理工作的顺利进行。
工程材料封样管理制度一、总则为规范工程材料的封样管理工作,确保工程材料质量安全,提高工程质量,经公司领导班子会议审议通过,特制定本制度。
二、适用范围本制度适用于公司所有工程项目中涉及的工程材料封样管理工作。
三、封样管理的原则1. 封样必须在取用、使用前进行,不得擅自打开封样。
2. 封样应当保存完好,不得在无关人员的监督下擅自打开。
3. 封样应有相关人员签字确认,保障封样真实有效。
4. 对于有疑问的封样,应当进行追踪溯源,保证封样的真实性。
四、封样管理的流程1. 收封样(1)由项目经理或工程部工作人员向材料供应商提出封样要求。
(2)供应商按要求将封样送至工地验收。
(3)工程部与工地验收人员确认封样的真实性和完整性,签字确认。
2. 保存封样(1)工程部将封样存放在专门的封样仓库中,保证干燥通风。
(2)封样应按照材料种类和规格分类摆放,方便管理和查询。
(3)封样应定期检查,确保封样的完好性和真实性。
3. 取用封样(1)在需要使用封样的时候,由相关人员提出取样申请,注明用途和数量。
(2)工程部负责人审核通过后,提供封样给相关人员,并记录取样信息。
4. 使用封样(1)使用封样的相关人员必须在工程部或相关负责人的监督下进行。
(2)使用封样后,应当核对封样的真实性和完整性,不得私自替换。
五、封样管理的责任1. 项目经理(1)负责对工程材料封样管理工作进行指导和监督。
(2)确保封样管理流程的顺利进行,及时发现和解决问题。
2. 工程部门(1)负责具体的封样管理工作,包括封样的收取、保存、发放等。
(2)负责封样的定期检查和更新,确保封样的真实性。
3. 监理单位(1)监督工程材料封样的管理工作是否符合规定。
(2)协助工程部门进行封样的监督和调查工作。
4. 材料供应商(1)保证封样的真实性和完整性。
(2)配合工程部门进行封样的收取和发放工作。
六、封样管理的检查与考核1. 内部审核(1)每季度由工程部门对封样管理情况进行内部审核。
封样管理制度范文封样管理制度范例第一章:总则第一条:为了规范公司的封样管理工作,保证产品封样的质量和安全性,根据相关法律法规和公司实际情况,制定本制度。
第二条:本制度适用于公司所有生产制造的产品封样工作。
第三条:封样是指公司生产的产品在经过检验合格后,严格按照封样标准进行封装和标识。
第四条:封样管理的目的是保证产品出厂质量,防止外部环境和人为因素对产品质量的影响,保护公司的品牌形象和经济利益。
第五条:封样工作必须严格按照标准操作程序进行,确保封样的一致性和正确性。
第二章:封样标准第六条:封样标准是产品封样工作的基础,由公司质量管理部门根据产品特点和相关法律法规制定。
封样标准包括封样材料、封样方式、封样标识等内容。
第七条:封样材料必须符合相关法律法规的要求,保证封样的密封性和防伪性。
封样材料应包括封样袋、封样标签、封样胶带等。
第八条:封样方式要求严密、规范、固定。
封样袋应采用密封性好、防撕裂的材料制作,封口处应用封样胶带加固。
封样标签应清晰、易读,标明产品名称、型号、数量、封样日期等信息。
第九条:封样工作应由专人负责,操作人员必须经过专业培训合格后方可操作。
第三章:封样流程第十条:封样流程分为三个阶段,分别是初次封样、后续封样和再检封样。
第十一条:初次封样是指产品首次进行封样,由生产部门负责进行。
初次封样前,必须进行内部验收,审核合格后方可进行封样操作。
第十二条:后续封样是指在产品质保期内,对已出库产品进行的封样。
后续封样由质量管理部门负责进行,并由专人进行操作。
第十三条:再检封样是指在产品发生质量问题后,经过修复后重新进行的封样。
再检封样由质量管理部门负责进行,并由专人进行操作。
第十四条:在初次封样、后续封样和再检封样过程中,必须按照封样标准进行操作,确保封样质量和安全性。
第四章:封样记录和管理第十五条:封样操作必须记录在封样记录表上,包括封样人员、封样日期、封样数量等信息。
第十六条:封样记录必须进行保存,保存期限一般为一年以上。
样件封样管理制度第一章总则第一条为规范公司内部样品管理流程,提高样品管理效率和准确性,根据公司实际情况,制定本制度。
第二条本制度适用于公司内部所有样品管理工作,所有相关部门和人员必须遵守本制度的规定。
第三条样件封样管理制度的核心理念是准确、高效、标准化、安全。
第二章样品获取第四条公司内部各个部门及相关人员在需要获取样品时,应填写《样品申请表》,并经主管部门审核签字后方可进行样品的获取。
第五条公司内部样品获取应遵循“谁申请、谁承担责任”的原则,申请人须对所获取的样品进行妥善保管,并按规定使用。
第六条样品获取应遵守国家法律法规,禁止获取未经授权的样品,一旦发现有违规行为,公司将依法处理。
第三章样品分类及标识第七条样品应按照不同的类别、用途、性质进行分类,分装存放于专门的样品柜中,确保不同类别的样品不混杂,便于管理。
第八条所有样品均应贴有清晰、明确的标识,包括样品名称、规格、数量、存放位置、有效期等信息,以便随时查找和管理。
第九条样品柜应定期进行清理和整理,保持整洁、干净,对已过期或已使用的样品应及时处理,避免混淆和浪费。
第四章样品封样第十条申请人在获取样品后,应立即对样品进行封样处理,封样应遵循以下步骤:清点样品数量,核对样品信息,进行封样处理,并填写《样品记录表》。
第十一条样品封样应选择符合要求的封样袋或封样箱,封口处应粘贴封样条,并在封样条上注明封样日期、封样人员及样品信息。
第十二条封样后的样品应及时归入专用样品柜中,同时将《样品记录表》归档存档,确保样品管理的完整和规范。
第五章样品流转及使用第十三条公司内部样品的流转应填写《样品流转表》,并经主管部门或领导审批后才能进行转交或使用。
第十四条样品的使用范围及用途应按照申请人提出的申请进行,禁止超范围及私自使用公司样品。
第十五条样品使用完成后,须及时进行返还或处理,避免遗漏、滞留或损坏,同时应填写《样品归还表》进行记录。
第十六条对于涉密或特殊属性的样品,必须按照公司的保密规定和安全程序进行处理,防止信息泄露和风险扩大。
第一章总则第一条为确保电子产品的质量和生产效率,规范封样管理流程,特制定本制度。
第二条本制度适用于本厂所有涉及封样管理的部门和人员。
第三条封样管理应遵循“科学、严谨、高效、保密”的原则。
第二章封样定义与范围第四条封样是指对产品进行封装、包装,确保产品在运输、储存和销售过程中不受损害的过程。
第五条本制度中的封样范围包括但不限于以下产品:1. 电子元器件;2. 电子产品;3. 电子设备;4. 其他需要封样的产品。
第三章封样流程第六条封样前准备1. 生产部门应根据生产计划,提前通知封样部门所需封样的产品数量、规格和封样要求。
2. 封样部门根据生产部门提供的信息,提前准备所需封样材料,如包装箱、封口胶带、标签等。
第七条封样操作1. 封样操作人员应严格按照操作规程进行,确保封样质量。
2. 封样时,应检查产品外观、性能等是否符合要求,如有异常情况,应及时上报。
3. 封样过程中,应保证产品不受污染,避免损坏。
第八条封样记录1. 封样完成后,封样人员应填写封样记录单,记录封样时间、产品名称、规格、数量、封样人员等信息。
2. 封样记录单应妥善保存,以便追溯。
第四章封样检查与验收第九条封样检查1. 封样完成后,封样人员应自行检查封样质量,确保封样符合要求。
2. 质检部门应定期对封样进行检查,确保封样质量。
第十条封样验收1. 验收部门根据封样记录单,对封样产品进行验收。
2. 验收不合格的产品,应及时通知生产部门进行整改。
第五章封样管理与责任第十一条封样管理部门负责封样工作的组织、协调和监督。
第十二条封样人员应具备以下条件:1. 熟悉封样操作规程;2. 具备一定的质量意识;3. 有责任心,能够严格遵守操作规程。
第十三条对封样工作中出现的质量问题,封样人员应承担相应责任。
第六章附则第十四条本制度由封样管理部门负责解释。
第十五条本制度自发布之日起施行。
第十六条本制度如有未尽事宜,由封样管理部门根据实际情况予以补充。
材料封样管理制度一、目的为了规范材料封样管理,保证封样材料的安全和有效性,提高工作效率,特制定本制度。
二、适用范围本制度适用于公司所有部门和员工,涉及到封样材料的管理和使用均需遵守本制度。
三、管理原则1. 严格保密:封样材料涉及公司产品和技术,必须严格保密,禁止将封样材料带出公司,或在未得到授权的情况下向外泄露。
2. 严格管理:封样材料必须由专门负责的人员进行管理,确保封样材料的完整性和安全性。
3. 严格控制:封样材料的使用需严格控制,必须经过审批和登记,确保合理使用。
四、管理责任1. 公司领导:负责制定封样材料的使用规定和审批流程,对封样材料的管理工作进行监督和检查。
2. 相关部门负责人:负责部门封样材料的统一管理和使用,保证封样材料的安全和完整。
3. 封样管理员:负责封样材料的领取、归还和管理工作,确保封样材料的安全和规范使用。
五、管理流程1. 封样材料的领取:使用封样材料前,需向封样管理员提出申请,说明封样材料的用途和数量,经审批后方可领取。
2. 封样材料的使用:领取封样材料后,必须按照审批的用途进行使用,并遵守公司的相关规定,不得擅自改变用途。
3. 封样材料的归还:使用完封样材料后,必须及时归还给封样管理员,并填写归还登记表,确保封样材料的数量和完整性。
4. 封样材料的管理:封样管理员负责对封样材料进行定期的盘点和检查,确保封样材料的安全和完整。
六、管理措施1. 封样材料的存放:封样材料必须存放在专门的封样柜中,确保封样材料的安全和完整。
2. 封样材料的使用记录:封样管理员负责对封样材料的领取、归还和使用情况进行记录,并定期报告给公司领导。
3. 封样材料的更新周期:公司领导负责确定封样材料的更新周期,定期淘汰旧的封样材料,确保封样材料的新鲜有效。
4. 封样材料的报废处理:封样材料一旦失效或过期,必须及时进行报废处理,不得再继续使用。
七、附则1. 对违反本制度的人员,将依据公司相关规定进行处理。
施工封样管理制度第一章总则第一条为规范施工封样管理,加强对施工封样程序的管理,建立科学的施工封样管理制度,提高施工封样工作的质量和效率,特制定本制度。
第二条本制度是依据相关法律法规、标准和规范,结合本单位施工实际情况制定的。
第三条施工封样是指对施工现场进行封闭、隔离、封存并对管道、设备、容器等进行密封的一项安全管理措施。
第二章施工封样的管理责任第四条施工部门是施工封样的责任主体,负责施工现场的封样工作。
第五条施工部门负责制定施工封样方案并组织实施,保证封样操作的质量和安全。
第六条施工监理部门负责监督施工封样工作的实施情况,对违反封样规定的行为及时进行整改。
第七条质量检验部门负责对封样后的工程设施进行质量检验,并填写封样验收报告。
第八条业主及相关单位负有对施工封样工作进行监督检查的责任,并能及时提出合理化建议。
第三章施工封样的程序与要求第九条施工前,施工部门应编制施工封样方案,并报审批单位审批,待审批通过后方可实施。
第十条施工封样的具体操作包括:封闭施工区域,封存设备、管道等,设置警示标识等。
第十一条施工封样期间,施工区域内不得进行其他施工作业,不得私自拆除封样设施。
第十二条施工封样结束后,应由质量检验部门进行验收,并填写封样验收报告。
第四章施工封样的应急处理措施第十三条如遇到施工封样应急情况,施工部门应立即启动应急预案,采取相应的措施确保施工现场安全。
第十四条施工人员在施工封样期间如发现封样设施损坏或异常情况,应立即向施工部门报告并采取措施进行修复和处理。
第五章施工封样的安全防范措施第十五条施工封样期间,施工部门应定期对封样设施进行检查和维护,确保封样设施的完好性。
第十六条施工封样期间,施工部门应设置专人值班,做好施工现场安全监控工作。
第六章施工封样的记录和归档第十七条施工部门应建立健全施工封样的记录和归档制度,对每次封样工作都要做好相应的记录和归档。
第十八条施工封样的记录应包括封样方案、封样试验结果、封样验收报告、封样设施维护和检查记录等。
工程样品封样管理制度一、总则为了规范工程样品的管理,保障工程样品的完整性和安全性,提高工程样品管理的效率和质量,特制定本制度。
二、适用范围本制度适用于公司内所有工程样品的管理。
三、工程样品封样的定义工程样品封样是指在取样、测试、检验等程序完成后,将样品进行封存,以确保其完整性和安全性的操作。
四、工程样品封样的原则1. 确保样品完整性:封样过程中要确保样品完整无损;2. 保证封样可信度:对于封样标识要明确、准确;3. 保护封样的安全性:封样后要存放在安全的地方,并加强监管;4. 严格遵守封样程序:封样操作要符合规定的程序要求。
五、工程样品封样的程序1. 取样:在完成取样程序后,将样品装入封样袋中;2. 标识:在封样袋上明确标注样品名称、样品编号、取样日期等信息;3. 密封:将封样袋封口处用胶带封闭并加盖封样章;4. 封存:将封样袋交由指定人员,将其存放在指定的封样区域;5. 登记:对封样的相关信息进行登记,包括封样编号、封样日期等;6. 监管:加强对封样区域的监管,确保封样的安全性。
六、工程样品封样的责任1. 取样人员:负责将取得的样品按照规定进行封样,并确保样品完整;2. 封样人员:负责对封样的标识、密封等操作,确保封样的可信度和安全性;3. 管理人员:负责对封样过程进行监督和检查,确保封样程序的质量和规范;4. 监管人员:负责加强对封样区域的监管,确保封样的安全性;5. 使用人员:在需要时,申请使用封样,并对封样进行记录和返还。
七、工程样品封样的检查1. 定期检查:对封样区域进行定期检查,确保封样的完整性和安全性;2. 抽查检查:对封样进行抽查检查,确保封样的可信度;3. 特殊情况检查:对封样进行特殊情况的检查,如封样涉及的工程出现问题等。
八、工程样品封样的返还1. 使用人员使用封样后,应按规定的时间返还封样;2. 返还时应检查封样的完整性,并进行记录;3. 封样返还后应重新进行封样程序,并存放在指定区域。
封样室管理制度封样室是企业产品研发、生产中非常重要的一环,负责保管、管理和分发样品,对于产品质量的控制和展示具有至关重要的作用。
为了规范封样室工作,提高管理效率,制定和执行封样室管理制度显得尤为必要。
一、封样室管理的基本原则1. 保密原则:封样室内的样品信息属于公司机密,封样室管理人员必须严格遵守保密规定,确保不泄露给非相关人员。
2. 有序原则:封样室内各类样品应按照规定的分类、编号和存放位置进行管理,保持封样室的整洁和有序。
3. 审批原则:封样室内的样品流转必须经过审批程序,确保样品的准确性和合法性。
二、封样室管理的工作内容1. 样品接收:封样室工作人员应及时、准确地接收来自各部门的样品,登记并分类存放。
2. 样品保管:所有样品需按照标准规定的方式进行保管,定期检查样品的状态和完整性。
3. 样品分发:根据不同部门的需求,合理分发样品,并记录分发情况以便追踪和管理。
4. 样品销毁:对于过期、废弃或者无用的样品,应按照规定流程进行销毁处理,确保信息安全。
5. 数据统计:封样室管理人员应定期对封样室内的样品进行清点、统计和分析,形成相关数据报告,为管理决策提供参考资料。
三、封样室管理制度的执行和监督1. 制度推行:公司应组织相关人员对封样室管理制度进行培训,确保全员了解并执行相关规定。
2. 监督检查:公司内部应设立封样室管理制度的监督检查机制,定期对封样室的工作流程和规范执行情况进行检查。
3. 效果评估:定期对封样室管理制度的执行效果进行评估,及时发现问题并加以改进。
四、封样室管理制度的意义1. 提高工作效率:规范的封样室管理制度能有效提高工作效率,减少因样品混乱、遗失等问题导致的时间浪费。
2. 保障产品质量:封样室管理制度的执行能够及时准确地保管和分发样品,为产品质量的控制提供有力支持。
3. 提升企业形象:规范高效的封样室管理制度体现了企业的专业管理水平,有助于提升企业形象和市场竞争力。
总结:封样室管理制度的建立和执行对于企业而言具有重要的意义,需要全员的共同努力和配合才能取得良好的管理效果。
工程材料封样管理制度V第一章总则第一条为加强对工程材料封样管理的规范化和科学化,确保工程材料的质量和安全,减少施工过程中的质量问题和安全隐患,特制定本制度。
第二条本制度适用于工程材料的封样和管理工作。
第三条工程材料指在建筑施工过程中使用的各种材料,包括但不限于水泥、钢筋、砂石等。
第四条工程材料封样是指对进场材料进行认真的检查、抽样,将样品密封、编号并留存备查的过程。
第五条工程材料封样的目的是保障工程质量,确保材料的品质可靠和符合相关规定。
第六条封样工作由项目质量部门负责,施工单位配合完成。
第七条工程材料封样应按照国家有关规定执行,严格按照操作规程进行。
第八条封样样品应留存备查,至少保留两年,以备查验和追查质量问题时使用。
第二章封样操作流程第九条工程材料封样的操作流程包括:封样准备、抽样、封样、编号、贮存和备查。
第十条封样准备1.封样前,工作人员应熟悉材料的使用要求和质量检验标准。
3.检查封样设备的完好性和准确性。
第十一条抽样1.根据工程材料抽样标准和检验要求,确定抽样位置和抽样数量。
2.抽样时,应具备必要的个人防护措施。
3.使用专用工具进行抽样,确保样品的真实性和准确性。
第十二条封样1.将抽样得到的材料样品放入合适的封样袋中。
2.加封样袋时,要确保袋口封闭完好,不漏气、不漏液。
3.封样时,应在封样袋上标明封样日期、抽样位置和抽样人员等信息。
第十三条编号1.根据封样记录表的要求,为每个封样袋分配唯一的编号。
2.编号应与封样记录表中的信息相对应,确保信息准确性。
第十四条贮存1.封样后的样品应妥善贮存,避免受潮、受热或其他损害。
2.不同种类的样品应分开贮存,避免交叉污染。
第十五条备查1.工程材料封样记录应及时录入封样记录表中,并进行备查。
第三章监督与检查第十六条封样工作应由项目质量部门进行监督和检查,确保操作规范和结果真实可靠。
第十七条项目质量部门应定期检查封样记录和样品贮存情况,提出整改建议和监督指导。
工程材料封样管理制度一、制度背景二、管理目标1.确保工程材料的质量符合相关的标准和规定。
2.及时发现和解决工程材料存在的问题,避免对工程进度和质量的影响。
3.防止人为破坏和篡改工程材料,保证工程施工的安全和稳定进行。
三、管理原则1.全程封样:对进场的工程材料进行全程封样,确保进场的材料是符合质量要求的。
2.严格管理:对封样过程进行严格管理,杜绝人为破坏、篡改封样过程。
3.定期检验:对已封样的工程材料进行定期检验,确保其质量稳定和符合要求。
4.责任制定:明确人员的责任分工和工作职责,确保管理的规范和有效性。
四、管理流程1.进场验收(1)材料验收人员对进场的工程材料进行验收。
(2)验收合格后,材料验收人员将材料送至封样库进行封样。
2.封样(1)封样人员在封样库对材料进行封样,并填写封样记录。
(2)封样记录中应包括材料的名称、规格、数量、封样人员和封样时间等信息。
3.封样库管理(1)封样库由专人管理,负责材料的接收、存放和管理。
(2)封样库应定期进行巡查,确保封样材料的完好和安全。
4.定期检验(1)定期检验人员对已封样的材料进行检验。
(2)根据检验结果,对符合要求的材料进行批准,对不符合要求的材料进行监管和处理。
五、监督检查1.监督机构可随时对封样库和已封样的材料进行检查,并进行记录。
2.发现问题时,监督机构应及时向相关部门报告,并对问题进行整改和处理。
六、违规处理1.如发现有人人为破坏和篡改封样材料的行为,将按照相关规定进行处理,并承担相应的责任和后果。
2.对于管理不规范的单位和人员,将采取相应的纪律处分措施。
七、制度宣传1.制度应在进场前向施工人员进行宣传和培训。
2.定期组织培训,提高施工人员对工程材料封样管理的认识和重视程度。
结语:工程材料封样管理制度是保证工程材料质量和工程施工安全的重要手段,通过规范的管理流程和严格的执行,可以有效保障工程质量和施工安全。
所有相关人员必须遵守该制度的规定,确保工程材料质量的稳定和安全。
注塑样品封样管理制度第一章总则第一条为规范企业注塑样品封样管理,保障产品质量和生产安全,特制定本制度。
第二条本制度适用于全体从业人员及所有注塑生产样品的封样管理。
第三条封样是指对注塑生产样品进行封存、管理,确保样品不被篡改、损坏,保证产品质量和生产安全。
第四条所有从业人员都应当严格遵守本制度的相关规定,禁止违规行为。
第二章封样管理的责任第五条管理者应当负责监督、检查和管理样品的封存和管理工作。
第六条从业人员应当严格按照相关规定执行封样管理制度。
第七条对于违反封样管理制度的行为,将根据企业相关规定进行处罚。
第八条员工应当积极参加企业对封样管理制度的培训和教育,提高对封样管理制度的认识和执行能力。
第三章封样管理的具体要求第九条所有注塑生产样品必须按照规定标识编号,并在样品上附有封样质量合格证明。
第十条样品存放时应当保持干燥、通风,避免受到阳光直射和潮湿环境的影响。
第十一条管理者应当每天对样品进行巡查,如发现样品有异常情况,应当立即上报。
第十二条封样管理者应当负责定期对样品进行检测和更新,并做好记录。
第十三条在对样品进行封存和管理时,必须由存放人员和监管人员共同进行,严禁个人擅自操作。
第十四条如果发现封样被破坏、篡改、丢失等情况,应当及时报告,并进行调查处理。
第四章封样管理的监督检查第十五条经过封样管理者的检查合格后方可进行封存,否则需重新整理并报告。
第十六条管理者应当按照规定定期对样品进行检查,及时发现问题并汇报上级。
第十七条对于封样管理的不合格行为,管理者有权责令整改,并且要求追究相关人员的责任。
第五章处罚规定第十八条对于违反封样管理制度的人员,根据企业规定,可进行警告、记过、处分、甚至解雇。
第六章附则第十九条本制度由管理部门负责解释。
第二十条本制度自颁布之日起执行。
第二十一条本制度的修订由管理部门负责,并经领导审批后执行。
以上即是注塑样品封样管理制度的相关内容,希望全体从业人员严格遵守,确保产品质量和生产安全,共同为企业的发展做出贡献!。
工程材料封样间管理制度一、目的为了保证工程材料的质量,确保施工质量的安全可靠,根据国家有关法规和标准,制定本管理制度。
二、适用范围本管理制度适用于工程项目的封样间管理,包括封样间的使用、检验、维护以及相关人员的操作。
三、封样间管理1. 封样间的设置应符合相关的安全、卫生及环保要求,具备相应的通风、照明和排水设施,并有相应的防火措施。
2. 封样间应当有专人负责,保持干净整洁,并定期进行消毒,确保工程材料的质量。
3. 封样间内应有相应的标识,明确标注封样间的用途、禁止事项等内容。
4. 封样间内的设备、工具应当定期检查维护,确保其正常运行。
五、封样的操作流程1. 封样前,相关人员应认真查看工程材料的合格证书、检测报告等文件,确保材料的质量合格。
2. 封样前,应根据封样要求,准备必要的包装材料,并按要求对工程材料进行封装。
3. 封样人员应当对封装过程严格按照规定进行操作,确保封样的完整性和稳定性。
4. 封样完成后,封样人员应当及时填写封样记录,并加盖封样章,保留相应的文件和材料。
5. 封样记录应包括封样人员、封样时间、封样材料及规格等内容,实施封样后应立即向相关部门提交封样记录。
六、封样的检验与保管1. 敏感材料封样后,应在规定的时间内进行检验,确保封样前后材料质量的稳定性和完整性。
2. 不合格的封样应当及时进行处理,确保相关工程材料的质量。
3. 封样后的工程材料应当根据封样记录进行分类并妥善保管,确保封样后的工程材料不受损坏、丢失等情况。
4. 封样后的工程材料应当定期进行检测,确保其质量的稳定性。
七、封样的追溯1. 如在工程施工中发现工程材料有相关问题,应当及时进行封样检测,并追溯封样的记录与相关情况。
2. 封样记录应当妥善保存,不得私自销毁或篡改,确保封样记录的真实有效性。
3. 封样追溯的结果应当及时向相关部门报告,确保工程材料的质量不受影响。
四、封样的培训与考核1. 封样人员应具备相关的专业知识和操作技能,应当接受培训并取得相应的证书。
材料样品间封样管理制度一、为了确保材料样品的安全、完整和可追溯使用,提高材料样品管理的效率和规范性,特制定本制度。
二、适用范围本制度适用于材料样品间封样管理工作。
三、任务目标1、确保材料样品在封样过程中不受损坏、遗失以及污染等情况发生。
2、建立健全材料样品封样管理制度和流程,提高管理规范性和效率。
3、保障材料样品的可追溯使用,提高材料使用的准确性和可靠性。
四、管理责任1、材料样品间负责人负责制定材料样品封样的具体工作流程和管理制度,落实封样工作的具体责任和任务分工。
2、材料样品管理员负责具体的封样工作,对材料样品进行标识、编号和封存,并做好相应的档案和记录工作。
3、监督检查单位对封样工作进行监督检查,确保封样工作的规范和有效性。
五、工作流程1、提交样品领用单位提供样品的数量、种类、特性等相关信息,并填写《材料样品封样登记表》。
2、核对样品材料样品管理员按照《材料样品封样登记表》的信息核对样品,并为样品编号打标签。
3、封存样品管理员对样品进行封存,并填写《材料样品封存记录表》以及《材料样品封存标签》。
4、归档记录将《材料样品封存记录表》和《材料样品封存标签》归档保存,并将《材料样品封样登记表》交与领用单位。
六、注意事项1、封样过程中需严格按照标准操作程序进行操作,确保封样工作的准确性和可追溯性。
2、封样记录必须真实、完整、准确并且及时,不得私自篡改。
3、若有任何异常情况发生,必须立即上报相关负责人并及时解决。
七、材料样品封样的解封办法1、申请解封领用单位需提出书面申请,并说明解封理由。
2、解封程序经材料样品管理员审核后,进行解封操作,并填写《材料样品解封记录表》和《材料样品解封申请表》。
3、解封记录将《材料样品解封记录表》归档保存,并将《材料样品解封申请表》交与领用单位。
八、附则1、本制度自发布之日起生效。
2、对本制度的解释权属于材料样品间负责人。
3、本制度的修订和补充须经材料样品间负责人批准后执行。
封样管理制度一、总则为了规范公司封样管理行为,维护公司形象,保证产品质量,根据公司内部管理制度,特制定本制度。
二、管理范围本制度适用于公司所有产品封样管理。
三、封样管理责任1.公司领导层负责整体封样管理工作,对封样管理工作进行监督和检查。
2.各部门负责人负责本部门封样管理工作,严格按照该制度执行。
3.员工必须严格遵守封样管理制度,不得擅自调换、篡改或销毁封样。
四、封样管理流程1.封样申请(1)在产品研发完成后,相关部门填写封样申请表,包括产品名称、封样数量、封样用途等信息。
(2)申请表需由相关部门负责人审批签字,并提交到公司领导层审批。
2.封样制作(1)获得批准后,相关部门负责人将封样申请表交由封样制作人员进行制作。
(2)制作完成后,封样制作人员将封样交给相关部门负责人进行验收。
3.封样存放(1)验收通过后,相关部门负责人将封样妥善存放于指定的封样区域。
(2)在封样存放区域设置专人负责封样管理及安全防范。
4.封样使用(1)封样使用需提前申请,并经相关部门负责人批准。
(2)使用后,封样需及时归还,并进行记录。
5.封样销毁(1)封样过期或无法继续使用时,相关部门负责人需及时汇报,并提交封样销毁申请。
(2)销毁后,需进行记录并填写销毁证明。
五、封样管理注意事项1.封样存放区域应保持干燥通风、避免阳光直射。
2.严格控制封样使用权限,不得随意借用或私自使用。
3.封样使用后应及时清理并保持干净整洁,维护封样外观。
4.封样管理人员应定期检查封样存放情况,确保封样完好无损。
5.封样管理人员应定期对封样进行盘点,确保封样数量准确无误。
6.对于重要封样,应另行设立专门的保险柜或保险箱进行存放。
六、封样管理违规处理1.对于擅自调换、篡改或销毁封样的行为,公司将视情节严重程度,给予相应的处罚,包括警告、记过、辞退等。
2.对于有关部门及个人在封样管理工作中失职渎职,公司将视情节严重程度,给予相应的处罚,包括警告、降职、记过、辞退等。
产品封样管理制度一、制度目的二、适用范围本制度适用于企业内所有需要进行产品封样的部门和人员。
三、管理原则1.准确性原则:产品封样必须准确反映产品的实际情况,确保封样品与产品批次一致。
2.独立性原则:产品封样必须由专门负责的人员进行,并且在封样过程中要保持独立性。
3.真实性原则:产品封样必须真实反映产品的质量和特性,不得伪造或擅自修改。
4.保密性原则:产品封样的相关信息必须严格保密,不得泄露给外部人员。
四、具体规定1.封样人员的负责人由公司指定,必须具备相关的产品知识和封样技能。
2.封样人员需经过培训并持有相应的证书方可进行产品封样工作。
3.封样人员必须独立操作,不得被其他人员干扰或影响。
4.封样人员必须对封样过程进行记录,并留存相关的材料和样品,以备核查。
5.封样过程中要注意避免样品污染和混淆,确保样品的原始性和完整性。
6.封样完成后,封样人员需将封样材料交给负责审核的上级,并同时备份相关电子文件。
7.审核人员需仔细核对封样材料和样品,确保准确无误。
8.审核通过后,审核人员需将封样材料和样品交给指定的保管人进行封样品的保管。
9.保管人需对封样品进行严格的安全保管,确保不被他人获取或擅自使用。
10.封样品的保管期限为X个月,过期后需及时销毁或退还给负责人。
11.封样品的销毁需由负责人和保管人一同进行,销毁过程需做好记录并及时报告上级。
12.封样人员对于产品质量问题的反馈要及时、真实地向上级报告,并配合进行调查和处理。
13.封样人员需定期接受公司的培训和考核,提高自身的专业水平和工作能力。
五、违规处理1.对于严重违反产品封样管理制度的人员,将受到纪律处分,并可能被追究相关法律责任。
2.对于轻微违反产品封样管理制度的人员,将进行批评和教育,并要求进行整改。
六、审批流程产品封样需要经过申请、审核和记录等步骤,并由指定人员进行审批。
七、附则1.如有其他相关的制度或规定,应与本制度相衔接。
2.本制度的解释权归企业所有,并有权对其进行修改和调整。
封样管理制度
公司名称:文件编号:
1 •范围
本标准规定了圭寸样的提出、圭寸样、标识、保管等要求。
本标准适用于品质部、各车间。
2.引用标准
无
3.定义
本标准采用如下定义。
3.1封样
为保证生产、检验的准确性,对无法或不易定量评价的检验或操作标准采用实物、图片、模型
4.管理职责
技术部和品质部负责封样,并注明封样要求、有效期、保证封样准确。
使用部门根据使用要求对封样进行管理。
5.管理内容
5.1封样的提出
各检验员、计量员、检验组长、科长负责向技术部提出检验、测试过程中的封样要求。
各分厂检验员、实验室人员、检验组长、科长负责向技术部提出生产装配、过程检验中的封样要求。
5.2组织封样
技术部接到封样要求后,应积极组织封样,同时对封样样品状态进行确认。
封样样品确认合格后,填写封样样品标签,明确封样名称(包括型号规格)、图号、封样项目、
关键特性及参数、有效期、供应厂商等。
封样人员对封样的有效性负责,如果使用接收部门对封样项目或封样标签上所注明的信息有异议,在与封样人员进行充分沟通仍未能达成一致的情况下,有权拒收封样并可以申请品质部长、技术部长仲裁。
封样时必须考虑使用时间对封样的影响,如灯的亮度、塑料件的色彩等。
如果对封样样品的保存条件(如温度、湿度、压力、通风、堆放等)有特殊要求的,由封样人在备注栏内说明,以充分保证封样样品的有效性。
封样使用台账封样样品标签。