楼板强度的计算.doc
- 格式:doc
- 大小:84.50 KB
- 文档页数:14
混凝土回弹强度计算范例简况:回弹楼板混凝土强度,设计强度C25, 测区回弹值为,测得平均碳化值为㎜。
方法:回弹由室内垂直向上回弹。
计算如下:测区平均值:MPa (一个测区)角度修正值( 90 度):查表为,插入计算为角度修正后:-=浇筑面修正值:查表为,插入计算为浇筑面修正后:—=根据碳化值㎜和浇筑修正值查表,插入计算测区混凝土强度换算值为MPa。
角度修正值插入计算方法:查表32 对应值为,插入计算32/x= x=(精确到)浇筑修正值插入计算方法:查表27 对应值为,插入计算27/x= x= (精确到)以上两项为反插法计算,即回弹值小修正值大,回弹值大则修正值小。
根据碳化值㎜和浇筑面修正值查表为,插入计算=x x= (精确到),该项为正插入法计算,即在同一碳化值范围内回弹值越高测区混凝土换算值越大,该项为正值。
混凝土强度的推定1. 平均值的计算:(以 10 个测区为例)经修正后的混凝土换算值为平均值222426 30。
=( 22++++ 24++ 26+30++)÷ 10= (精确到标准差的计算:10 个测区换算值平方之和减去10 倍平均值的平方除以 10-1 后再开方。
(精确到{(222++++ 242++ 262+ 302++ -10)2}÷( 10-1) =开方 =混凝土强度的推定值为:混凝土强度的推定值应按下列方法确定:1.推定值 =构件中最小的测区混凝土强度换算值;2.当该结构或构件的测区强度值中出现小于时,推定值﹤;3.当该结构或构件的测区数不少于10 个或按批量检测时,应按下列公式计算:推定值 =平均值×标准差。
铝合金模板安全专项施工方案- 1 -.梁、楼板处铝合金模板抗弯强度以及挠度校核(1)结合本项目结构施工图,以及广亚铝模板特点,选出梁尺寸200mm*1000 m m ,跨度为1200mm 最不利情况进行梁底处铝合金模板抗弯强度以及挠度校核 梁截面(b*h )为200*1000mm ,跨度为1200mm 。
模板及支架的强度验算时按简支受力计算,计算简图如下:S=1.2(NG1k + NG2k )+0.9*1.4∑NQK P=1.2*(24*0. 2 +1.1*1)+0.9*1.4*(1+2) =10.86KN/m2梁底板处铝合金模板最大支撑间距为跨度1200,跨中弯矩M 为: M=1*ql2/8=2.17*0.82/8=0.173K.m其中,q 为恒荷载均布线荷载标准值;对于200mm 标准板均布线荷载q=10.86*0.2=2.17KN/m. 最大弯曲应力:f= M/W=0.173*106/12571=13.81 N/mm2 <[f]=200N/mm2, 模板及支架的强度满足设计要求。
铝合金模板挠度应满足: v=5qgL4/384EIx<= [v]其中,为恒荷载均布线荷载标准值;[v]为允许挠度。
由规范可知[v]=L/250=1200/250=4.8mm计算得v=5qgL4/384EIx=5*2.17*8004/(384*70000*609925) =0.27m m<4.8mm ,满足要求。
抗剪强度计算T=3Q/2bh<[T]由于是简支梁均布加载,故面板抗剪强度必定满足设计要求! (2)楼板处铝合金模板抗弯强度以及挠度校核针对广亚铝模板的特点,以及本项目的需要,这里主要校核:规格为P400,长度为1100 mm这种最不利的情况,楼板厚度取120m m。
楼板模板规格为P400,长度为1100mm。
模板及支架的强度验算时按简支受力计算,计算简图如下:S=1.2(NG1k + NG2k)+0.9*1.4∑NQKP=1.2*(24*0. 12 +1.1*0.12)+0.9*1.4*(1+2)=7.39KN/m2楼板处铝合金模板最大支撑间距为跨度1100,跨中弯矩M为:M=1*ql2/8=2.96*1.1^2/8=0.447 KN.m其中,q为恒荷载均布线荷载标准值;对于400mm标准板均布线荷载q=7.39*0.4=2.96 KN/m最大弯曲应力:f= M/W= 0.447*10^6/24786 =18.03 N/mm2 <[f]=200N/mm2,模板及支架的强度满足设计要求。
楼顶字钢结构强度计算书一、楼顶广告标识的风荷载计算:1、计算风荷ωk:ωk=βzxμsxμzxωop(1)ωo为基本风压,查表d〃4盐城地区50年一遇最大风压为0.45kn/m2(2)μz 为高度系数盐城地区海拔为3.6米;该楼高为30米;按总高粗糙度为33.6m,地面粗糙度按C级计算:查表7.2.1,利用插值法算出μz=1.00+(1.13-1.00)x(33.6-30)/(40-30)=1.0468(3)μs为形体系数查表7.3.1取第33项为独立垂直墙面取μs=1.3(4)βz为阵风系数查表7.5.1利用插值法算得βz=1.8084,二则ωk=1.8084x1.3x1.0468x0.45=1.1074kn/m2、承载风荷面积ss=40.5x7=283.5m23、计算钢架承载的反转拉力p:22p=sxωk=283.5mx1.1074kn/m=313.94kn4、喷绘等布画面中重量g按100公斤计算:g=100kg=1000n二、钢框架强度分析:1、广告标识采用11支20#槽钢立柱支撑,承载的最大拉(压)力p拉:(1)p拉=p=313.94kn(2)最大拉力由11支7x200mm的槽钢立柱承载,其截面积为a:a=11x3283。
1=36114mm2(3)最大拉(压)力σ拉:Q235的屈服极限为σP=235mpa,根据相关规定,户外标志的安全系数η≥2.∴[σ]=σp/η=235/2=117.5mpaσ拉力=p拉力/a=313940/36114=8.69mpa2、槽钢立柱承载的最大弯曲力:(1)最大弯矩为:m=8400xg=8400x1000=8.4x106n。
嗯(2)槽钢立柱的抗弯截面模量w:w=11x253003=2.783x106mm3(3)槽钢柱最大弯曲应力σw:σw=m/w=8.4x106n.mm/2.783x106mm3=3.018mpaσ=σ拉力+σw=8.69+3.018=11.708mpa3、结论:在风荷和自重的作用下,槽钢立柱的拉(压)和弯曲应力远远小于材料的许用应力,柱体采用5#连接,保证了结构的稳定性。
模板面板按三跨连续梁计算。
静荷载标准值q1=25×0.1×1.2+0.5×1.2=3.6KN/M活荷载标准值q2=(1+2)×1.2=3.6 KN/M面板的惯性矩I和截面抵抗矩W分别为:W=120×1.0×1.0/6=20㎝³I=120×1.0×1.0×1.0/12=10㎝ 4(1)抗弯强度计算f=M/W<[f]其中f--面板的抗弯强度计算值(N/㎜2)M—面板的最大弯矩(N·m)W—面板的净截面抵抗矩[f] —面板的抗弯矩设计值,取13N/㎜2M=0.1ql2M=0.1×(1.2×3.6+1.4×3.6)×0.4×0.4=0.15KN·M F=0.15×1000×1000/37800=3.97N/㎜2<[f]=13N/㎜2,满足要求.(2)抗剪计算T=3Q/2bh<[T]Q=0.6×(1.2×3.6+1.4×3.6)×0.4=2.42KNT=3×2420/(2×1200×10)=0.303N/㎜2<[T]=1.4 N/㎜2,满足要求.(3)挠度计算v=0.677ql4/100EI<[v]=l/250v=0.677× 3.6×4004/(100×9000×388800)=0.173㎜<[v]=l/250=1.6㎜一、楼板模板隔栅计算隔栅按照均布荷载下连续梁计算。
1、荷载的计算(1)钢筋混凝土板自重(KN/m)q11=25×0.10×0.4=1.0 KN/m(2)模板的自重线荷载(KN/m)q12=0.5×0.4=0.2 KN/m(3) 活荷载为施工荷载标准值和振捣混凝土时产生的荷载(KN/m)q2=(1+2)×0.4=1.2 KN/m静荷载q1=1.2×1.0+1.2×0.2=1.44 KN/m活荷载q2=1.4×1.2=1.68 KN/m2、木方的计算按照三跨连续梁计算,最大弯矩考虑为静荷载与活荷载的计算值最不利分配的弯矩和均布荷载q=q1+q2=3.12KN/m最大弯矩M=0.1ql2=0.1×3.12×1.2×1.2=0.45 KN·m最大剪力Q=0.6×1.2×3.12=2.25KN最大支座力N=1.1×1.2×3.12=4.12 KN面板的惯性矩I和截面抵抗矩W分别为:W=5×8×8/6=53.33CM3I=5×8×8×8/12=213.33 CM4(1)木方抗弯强度计算f=0.45×106/53330=8.44N/㎜2<[f]=13 N/㎜2满足要求。
楼板计算书日期: 4/18/2012时间:10:33:36:59 am一、基本资料:1、房间编号: 22;次房间号: 1。
2、边界条件(左端/下端/右端/上端):固定/铰支/固定/固定/3、荷载:永久荷载标准值:g = 7.00 kN/m2可变荷载标准值:q = 2.00 kN/m2计算跨度Lx = 3800 mm ;计算跨度Ly = 7450 mm板厚H = 150 mm;砼强度等级:C30;钢筋强度等级:HRB4004、计算方法:弹性算法。
5、泊松比:μ=1/5.6、考虑活荷载不利组合。
二、计算结果:Mx =(0.04088+0.00891/5)*(1.35* 7.00+0.98* 1.00)* 3.8^2 = 6.43kN·m 考虑活载不利布置跨中X向应增加的弯矩:Mxa =(0.09636+0.01747/5)*(1.4* 1.00)* 3.8^2 = 1.41kN·mMx= 6.43 + 1.41 = 7.84kN·mAsx= 300.00mm2,实配φ 8@150 (As = 335.mm2)ρmin = 0.179% ,ρ= 0.223%My =(0.00891+0.04088/5)*(1.35* 7.00+0.98* 1.00)* 3.8^2= 2.57kN·m 考虑活载不利布置跨中Y向应增加的弯矩:Mya =(0.01747+0.09636/5)*(1.4* 1.00)* 3.8^2 = 0.52kN·mMy= 2.57 + 0.52 = 3.09kN·mAsy= 300.00mm2,实配φ 8@150 (As = 335.mm2)ρmin = 0.179% ,ρ= 0.223%Mx' =0.08358*(1.35* 7.00+0.98* 2.00)* 3.8^2 = 13.77kN·mAsx'= 345.68mm2,实配φ10@200 (As = 393.mm2,可能与邻跨有关系) ρmin = 0.179% ,ρ= 0.262%My' =0.05690*(1.35* 7.00+0.98* 2.00)* 3.8^2 = 9.38kN·mAsy'= 300.00mm2,实配φ 8@150 (As = 335.mm2,可能与邻跨有关系) ρmin = 0.179% ,ρ= 0.223%三、跨中挠度验算:Mq -------- 按荷载效应的准永久组合计算的弯矩值(1)、挠度和裂缝验算参数:Mq =(0.00891+0.04088/5)*(1.0* 7.00+0.5* 2.00 )* 3.8^2 = 1.97kN·m Es = 200000.N/mm2 Ec = 29791.N/mm2Ftk = 2.01N/mm2 Fy = 360.N/mm2(2)、在荷载效应的准永久组合作用下,受弯构件的短期刚度 Bs:①、裂缝间纵向受拉钢筋应变不均匀系数ψ,按下列公式计算:ψ= 1.1 - 0.65 * ftk / (ρte * σsq) (混凝土规范式 7.1.2-2)σsq = Mq / (0.87 * ho * As) (混凝土规范式 7.1.4-3)σsq = 1.97/(0.87* 108.* 335.) = 62.679N/mm2矩形截面,Ate=0.5*b*h=0.5*1000*150.= 75000.mm25ρte = As / Ate (混凝土规范式 7.1.2-4)ρte = 335./ 75000.=0.00447ψ= 1.1 - 0.65* 2.01/(0.00447* 62.68) = -3.556当ψ<0.2 时,取ψ= 0.2②、钢筋弹性模量与混凝土模量的比值αE:αE =Es / Ec =200000.0/ 29791.5 = 6.713③、受压翼缘面积与腹板有效面积的比值γf':矩形截面,γf' = 0④、纵向受拉钢筋配筋率ρ= As / b / ho = 335./1000/ 108.=0.00310⑤、钢筋混凝土受弯构件的 Bs 按公式(混凝土规范式 7.2.3-1)计算:Bs=Es*As*ho^2/[1.15ψ+0.2+6*αE*ρ/(1+ 3.5γf')]Bs= 200000.* 335.* 108.^2/[1.15*0.200+0.2+6*6.713*0.00310/(1+3.5*0.00)]=1408.57kN·m2(3)、考虑荷载长期效应组合对挠度影响增大影响系数θ:按混凝土规范第 7.2.5 条,当ρ' = 0时,θ= 2.0(4)、受弯构件的长期刚度 B,可按下列公式计算:B = Bs / θ(混凝土规范式 7.2.2)B= 1408.57/2 = 704.284kN·m2(5)、挠度 f =κ * Qq * L ^ 4 / Bf =0.00258* 8.0* 3.80^4/ 704.284= 6.109mmf / L = 6.109/3800.= 1/ 622.,满足规范要求!四、裂缝宽度验算:①、X方向板带跨中裂缝:裂缝间纵向受拉钢筋应变不均匀系数ψ,按下列公式计算:ψ= 1.1 - 0.65 * ftk / (ρte * σsq) (混凝土规范式 7.1.2-2)σsq = Mq / (0.87 * ho * As) (混凝土规范式 7.1.4-3)σsq = 4.93*10^6/(0.87* 116.* 335.) = 145.727N/mm2矩形截面,Ate=0.5*b*h=0.5*1000*150.= 75000.mm2ρte = As / Ate (混凝土规范式 7.1.2-4)ρte = 335./ 75000.= 0.004当ρte <0.01 时,取ρte = 0.01ψ= 1.1 - 0.65* 2.01/( 0.01* 145.73) = 0.205ωmax =αcr*ψ*σsq/Es*(1.9c+0.08*Deq/ρte) (混凝土规范式 7.1.2-1)ωmax =1.9*0.205*145.727/200000.*(1.9*30.+0.08* 8.00/0.01000) = 0.034mm,满足规范要求!②、Y方向板带跨中裂缝:裂缝间纵向受拉钢筋应变不均匀系数ψ,按下列公式计算:ψ= 1.1 - 0.65 * ftk / (ρte * σsq) (混凝土规范式 7.1.2-2)σsq = Mq / (0.87 * ho * As) (混凝土规范式 7.1.4-3)σsq = 1.97*10^6/(0.87* 108.* 335.) = 62.679N/mm2矩形截面,Ate=0.5*b*h=0.5*1000*150.= 75000.mm2ρte = As / Ate (混凝土规范式 7.1.2-4)ρte = 335./ 75000.= 0.004当ρte <0.01 时,取ρte = 0.01ψ= 1.1 - 0.65* 2.01/( 0.01* 62.68) = -0.980当ψ<0.2 时,取ψ= 0.2ωmax =αcr*ψ*σsq/Es*(1.9c+0.08*Deq/ρte) (混凝土规范式 7.1.2-1)ωmax =1.9*0.200* 62.679/200000.*(1.9*30.+0.08* 8.00/0.01000) = 0.014mm,满足规范要求!③、左端支座跨中裂缝:裂缝间纵向受拉钢筋应变不均匀系数ψ,按下列公式计算:ψ= 1.1 - 0.65 * ftk / (ρte * σsq) (混凝土规范式 7.1.2-2)σsq = Mq / (0.87 * ho * As) (混凝土规范式 7.1.4-3)σsq = 9.66*10^6/(0.87* 115.* 393.) = 245.750N/mm2矩形截面,Ate=0.5*b*h=0.5*1000*150.= 75000.mm2ρte = As / Ate (混凝土规范式 7.1.2-4)ρte = 393./ 75000.= 0.005当ρte <0.01 时,取ρte = 0.01ψ= 1.1 - 0.65* 2.01/( 0.01* 245.75) = 0.569ωmax =αcr*ψ*σsq/Es*(1.9c+0.08*Deq/ρte) (混凝土规范式 7.1.2-1)ωmax =1.9*0.569*245.750/200000.*(1.9*30.+0.08*10.00/0.01000) = 0.182mm,满足规范要求!⑤、右端支座跨中裂缝:裂缝间纵向受拉钢筋应变不均匀系数ψ,按下列公式计算:ψ= 1.1 - 0.65 * ftk / (ρte * σsq) (混凝土规范式 7.1.2-2)σsq = Mq / (0.87 * ho * As) (混凝土规范式 7.1.4-3)σsq = 9.66*10^6/(0.87* 115.* 393.) = 245.750N/mm2矩形截面,Ate=0.5*b*h=0.5*1000*150.= 75000.mm2ρte = As / Ate (混凝土规范式 7.1.2-4)ρte = 393./ 75000.= 0.005当ρte <0.01 时,取ρte = 0.01ψ= 1.1 - 0.65* 2.01/( 0.01* 245.75) = 0.569ωmax =αcr*ψ*σsq/Es*(1.9c+0.08*Deq/ρte) (混凝土规范式 7.1.2-1)ωmax =1.9*0.569*245.750/200000.*(1.9*30.+0.08*10.00/0.01000) = 0.182mm,满足规范要求!⑥、上端支座跨中裂缝:裂缝间纵向受拉钢筋应变不均匀系数ψ,按下列公式计算:ψ= 1.1 - 0.65 * ftk / (ρte * σsq) (混凝土规范式 7.1.2-2)σsq = Mq / (0.87 * ho * As) (混凝土规范式 7.1.4-3)σsq = 6.57*10^6/(0.87* 116.* 335.) = 194.370N/mm2矩形截面,Ate=0.5*b*h=0.5*1000*150.= 75000.mm2ρte = As / Ate (混凝土规范式 7.1.2-4)ρte = 335./ 75000.= 0.004当ρte <0.01 时,取ρte = 0.01ψ= 1.1 - 0.65* 2.01/( 0.01* 194.37) = 0.429ωmax =αcr*ψ*σsq/Es*(1.9c+0.08*Deq/ρte) (混凝土规范式 7.1.2-1)ωmax =1.9*0.429*194.370/200000.*(1.9*30.+0.08* 8.00/0.01000) = 0.096mm,满足规范要求!---------------------------------------------------一、基本资料:1、房间编号: 22;次房间号: 2。
模板受力验算模板受力验算提要:强度验算:查表得弯矩系数km=-故mmax=kmql2=×18×12002=×106N·mm更多精品源模板受力验算1.板模板验算:1)、300厚楼板验算:板模板采用12mm厚腹膜多层板,次龙骨用50mm×100mm木方,间距300mm,主龙骨用100mm ×100mm木方,间距1200mm,支撑采用碗扣支撑,间距为900mm ×1200mm,横杆步距1800mm。
荷载计算:模板自重/m2混凝土自重24×=/m3钢筋自重.1×=/m3均布荷载/m2荷载设计值(合计):(++)×+×=/m3次龙骨验算:线荷载:q=×=/mmma*==××=σ=m/w=6m/bh2=6××106/50×1002=/mm2 V==××=τ=3V/2bh=3××103/2×50×100=/mm2 f=/EI=×12××12004/= 主龙骨验算:线荷载:q=×=/mmma*==××=σ=m/w=6m/bh2=6××106/100×1002=/mm2 V==××=τ=3V/2bh=3××103/2×100×100=/mm2 f=/EI=×12××12004/= 碗扣支撑验算:单根立杆受力:N=××= 300厚楼板验算:板模板采用12mm厚腹膜多层板,次龙骨用50mm×100mm木方,间距350mm,主龙骨用100mm×100mm木方,间距1200mm,支撑采用碗扣支撑,间距为1200mm×1200mm,横杆步距1800mm。
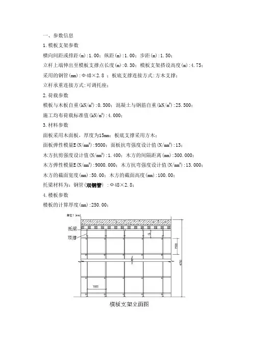
一、参数信息1.模板支架参数横向间距或排距(m):1.00;纵距(m):1.00;步距(m):1.50;立杆上端伸出至模板支撑点长度(m):0.30;模板支架搭设高度(m):4.75;采用的钢管(mm):Φ48×2.8 ;板底支撑连接方式:方木支撑;立杆承重连接方式:可调托座;2.荷载参数模板与木板自重(kN/m2):0.500;混凝土与钢筋自重(kN/m3):25.500;施工均布荷载标准值(kN/m2):4.000;3.材料参数面板采用木面板,厚度为15mm;板底支撑采用方木;面板弹性模量E(N/mm2):9500;面板抗弯强度设计值(N/mm2):13;木方抗剪强度设计值(N/mm2):1.400;木方的间隔距离(mm):300.000;木方弹性模量E(N/mm2):9000.000;木方抗弯强度设计值(N/mm2):13.000;木方的截面宽度(mm):50.00;木方的截面高度(mm):100.00;托梁材料为:钢管(双钢管) :Ф48×2.8;4.楼板参数楼板的计算厚度(mm):250.00;楼板支撑架荷载计算单元二、模板面板计算模板面板为受弯构件,按三跨连续梁对面板进行验算其抗弯强度和刚度模板面板的截面惯性矩I和截面抵抗矩W分别为:W = 100×1.52/6 = 37.5 cm3;I = 100×1.53/12 = 28.125 cm4;模板面板的按照三跨连续梁计算。
面板计算简图1、荷载计算(1)静荷载为钢筋混凝土楼板和模板面板的自重(kN/m):= 25.5×0.25×1+0.5×1 = 6.875 kN/m;q1(2)活荷载为施工人员及设备荷载(kN/m):= 4×1= 4 kN/m;q22、强度计算计算公式如下:M=0.1ql2其中:q=1.2×6.875+1.4×4= 13.85kN/m最大弯矩M=0.1×13.85×3002= 124650 N·m;面板最大应力计算值σ =M/W= 124650/37500 = 3.324 N/mm2;面板的抗弯强度设计值 [f]=13 N/mm2;面板的最大应力计算值为 3.324 N/mm2小于面板的抗弯强度设计值 13 N/mm2,满足要求!3、挠度计算挠度计算公式为ν=0.677ql4/(100EI)≤[ν]=l/250其中q =q1=6.875kN/m面板最大挠度计算值ν =0.677×6.875×3004/(100×9500×28.125×104)=0.141 mm;面板最大允许挠度 [ν]=300/ 250=1.2 mm;面板的最大挠度计算值 0.141 mm 小于面板的最大允许挠度 1.2 mm,满足要求!三、模板支撑方木的计算方木按照三跨连续梁计算,截面惯性矩I和截面抵抗矩W分别为:W=b×h2/6=5×10×10/6 = 83.33 cm3;I=b×h3/12=5×10×10×10/12 = 416.67 cm4;方木楞计算简图1.荷载的计算(1)静荷载为钢筋混凝土楼板和模板面板的自重(kN/m):q1= 25.5×0.3×0.25+0.5×0.3 = 2.062 kN/m ;(2)活荷载为施工人员及设备荷载(kN/m):q2= 4×0.3 = 1.2 kN/m;2.强度验算计算公式如下:M=0.1ql2均布荷载q = 1.2 × q1+ 1.4 ×q2= 1.2×2.062+1.4×1.2 = 4.155 kN/m;最大弯矩 M = 0.1ql2= 0.1×4.155×12= 0.416 kN·m;方木最大应力计算值σ= M /W = 0.416×106/83333.33 = 4.986 N/mm2;方木的抗弯强度设计值 [f]=13.000 N/mm2;方木的最大应力计算值为 4.986 N/mm2小于方木的抗弯强度设计值 13 N/mm2,满足要求!3.抗剪验算截面抗剪强度必须满足:τ = 3V/2bh n< [τ]其中最大剪力: V = 0.6×4.155×1 = 2.493 kN;方木受剪应力计算值τ = 3 ×2.493×103/(2 ×50×100) = 0.748 N/mm2;方木抗剪强度设计值 [τ] = 1.4 N/mm2;方木的受剪应力计算值 0.748 N/mm2小于方木的抗剪强度设计值 1.4 N/mm2,满足要求!4.挠度验算计算公式如下:ν=0.677ql4/(100EI)≤[ν]=l/250均布荷载 q = q= 2.062 kN/m;1最大挠度计算值ν= 0.677×2.062×10004/(100×9000×4166666.667)= 0.372 mm;最大允许挠度 [ν]=1000/ 250=4 mm;方木的最大挠度计算值 0.372 mm 小于方木的最大允许挠度 4 mm,满足要求!四、托梁材料计算托梁按照集中荷载作用下的三跨连续梁计算;托梁采用:钢管(双钢管) :Ф48×2.8;W=8.5 cm3;I=20.38 cm4;集中荷载P取纵向板底支撑传递力,P=4.155kN;托梁计算简图托梁计算弯矩图(kN·m)托梁计算变形图(mm)托梁计算剪力图(kN)最大弯矩 M= 1.399 kN·m ;max= 2.139 mm ;最大变形 Vmax最大支座力 Q= 15.111 kN ;max最大应力σ= 1398683.8/8500 = 164.551 N/mm2;托梁的抗压强度设计值 [f]=205 N/mm2;托梁的最大应力计算值 164.551 N/mm2小于托梁的抗压强度设计值 205 N/mm2,满足要求!托梁的最大挠度为 2.139mm 小于 1000/150与10 mm,满足要求!五、模板支架立杆荷载设计值(轴力)作用于模板支架的荷载包括静荷载和活荷载。
楼板强度的计算楼板强度的计算(1)计算楼板强度说明验算楼板强度时按照最不利考虑,楼板的跨度取8.400m,梁板承受的荷载按照线均布考虑。
宽度范围内配筋2级钢筋,配筋⾯积A s=3696.0mm2,f y=300.0N/mm2。
板的截⾯尺⼨为 b×h=5600mm×220mm,截⾯有效⾼度 h0=200mm。
按照楼板每12天浇筑⼀层,所以需要验算12天、24天、36天...的承载能⼒是否满⾜荷载要求,其计算简图如下:(2)计算楼板混凝⼟12天的强度是否满⾜承载⼒要求楼板计算长边7.00m,短边7.00×0.80=5.60m,楼板计算范围内摆放8×7排脚⼿架,将其荷载转换为计算宽度内均布荷载。
第2层楼板所需承受的荷载为q=1×1.20×(0.20+25.10×0.22)+1×1.20×(0.50×8×7/7.00/5.60)+1.40×(0.00+2.50)=11.22kN/m2计算单元板带所承受均布荷载q=5.60×11.22=62.83kN/m板带所需承担的最⼤弯矩按照四边固接双向板计算M max=0.0664×ql2=0.0664×62.82×5.602=130.82kN.m按照混凝⼟的强度换算得到12天后混凝⼟强度达到74.57%,C40.0混凝⼟强度近似等效为C29.8。
混凝⼟弯曲抗压强度设计值为f cm=14.22N/mm2则可以得到矩形截⾯相对受压区⾼度:ξ= A s f y/bh0f cm = 3696.00×300.00/(5600.00×200.00×14.22)=0.07 查表得到钢筋混凝⼟受弯构件正截⾯抗弯能⼒计算系数为αs=0.067此层楼板所能承受的最⼤弯矩为:M1=αs bh02f cm = 0.067×5600.000×200.0002×14.2×10-6=213.4kN.m 结论:由于∑M i = 213.38=213.38 > M max=130.82所以第12天以后的各层楼板强度和⾜以承受以上楼层传递下来的荷载。
楼板模板计算附件:计算书1.1 楼板模板计算楼板厚度1600mm和120mm,模板板面采用15mm高强度层板,次龙骨采用50*100mm,E=104N/mm2,I=bh3/12=50*1003/12=4.16*104mm4方木主龙骨采用100*100mm方木。
(1)荷载计算模板及支架自重标准值:0.3KN/m2混凝土标准值:24KN/m2钢筋自重标准值: 1.1KN/m2施工人员及设备荷载标准值:2.52楼板按120mm厚算荷载标准值:F1=0.3+24*0.12+1.1+2.5=6.3KN荷载标准值:F2=(0.3+24*0.1+1.1)*1.2+2.5*1.4=6.78KN楼板按160mm厚算荷载标准值:F3=0.3+24*0.16+1.1+2.5=7.74KN荷载标准值:F4=(0.3+24*0.16+1.1)*1.2+2.5*1.4=9.79KN (2)计算次龙骨间距:新浇筑的混凝土均匀作用在胶合板上,单位宽度的面板可以视为梁,次龙骨作作为梁支点按三跨连续考虑,梁宽度250mm 1)板厚按160mm算则最大弯距:M max=0.1q12l12最大挠度:U max=0.667q12l14/(100EI)其中线荷载设计值:q1= F4*0.2=9.79*0.2=1.96KN/m按面板的抗弯承载力要求:M max=0.1q1l12=[f w w]=1/6f w bh20.1*2.48*l12=1/6f w bh2l1=[(1/6*30*200*252)/(0.1*1.96)]0.5=1764.74按面板的刚度要求,最大变形值为模板结构的1/250U max=0.677q2l14/(100EI)=l1/250l1′=[(100*104*4.16*104)/(1.96*0.677*250)]1/3=438mm2)板厚按120mm算则最大弯距:M max=0.1q12l12最大挠度:U max=0.667q22l24/(100EI)其中线荷载设计值:q2=F2*0.2=6.78*0.2=1.356KN/m按面板的抗弯承载力要求:M max=0.1q2l22=[f w w]=1/6f w bh21.1*1.356*l22=1/6f w bh2l2=[(1/6*30*250*102)/(0.1*1.356)]0.5=339按面板的刚度要求,最大变形值为模板结构的1/250U max=0.677q2l24/(100EI)=l2/250L2′=[(100*104*4.16*104)/(1.356*0.677*250)]1/3=634mm取按抗弯承载力,刚度要求计算的小值,l1′=438mm,施工次龙骨间距取200mm<l1′满足要求。
c30混凝土楼板承载力计算一、C30混凝土楼板的基本概念C30混凝土楼板是指采用C30混凝土(混凝土强度为30MPa)制作的楼板。
C30混凝土楼板在我国建筑工程中广泛应用,因其具有较高的强度、良好的耐久性和较好的抗裂性能。
二、C30混凝土楼板的承载力计算方法1.公式计算C30混凝土楼板的承载力计算公式为:F = γ × h × η其中,F表示承载力,γ表示楼板重度(kN/m),h表示楼板厚度(m),η表示安全系数。
2.实际工程应用在实际工程中,C30混凝土楼板的承载力计算还需考虑楼板的平面尺寸、钢筋配置等因素。
通常采用结构力学方法,如弹性理论、塑性理论等,对楼板进行受力分析。
三、影响C30混凝土楼板承载力的因素1.混凝土强度混凝土强度是影响楼板承载力的重要因素。
C30混凝土楼板的强度等级为C30,意味着混凝土28天抗压强度为30MPa。
在设计时,应确保混凝土强度满足要求。
2.楼板厚度楼板厚度也会影响承载力。
一般来说,楼板厚度越大,承载力越高。
但在实际工程中,需根据建筑功能、跨度等因素综合考虑楼板厚度。
3.钢筋配置钢筋配置对楼板承载力也有很大影响。
合理配置钢筋可以提高楼板的抗弯、抗剪承载力。
在设计时,应根据楼板的受力特点和钢筋规范要求,确定钢筋直径、间距、排数等参数。
四、提高C30混凝土楼板承载力的措施1.合理设计合理设计是提高C30混凝土楼板承载力的关键。
设计时应充分考虑建筑物的功能、结构形式、材料性能等因素,优化楼板尺寸、钢筋配置等参数。
2.施工质量控制施工质量对楼板承载力具有重要影响。
在施工过程中,应严格按照设计要求和施工规范进行操作,确保混凝土浇筑质量、钢筋焊接质量等。
3.后期维护与检查楼板交付使用后,应对其进行定期检查和维护,发现问题及时处理。
这将有助于延长楼板使用寿命,确保其承载力不受损害。
总之,C30混凝土楼板的承载力计算和提高措施是一个系统工程,涉及设计、施工、后期维护等多个环节。
混凝土楼板计算书混凝土楼板计算书1.引言混凝土楼板计算书用于确定混凝土楼板的结构设计和计算,确保楼板能够承受设计载荷,并满足安全性和稳定性的要求。
2.设计参数2.1 项目基本信息- 楼板所在位置- 楼板荷载要求- 楼板尺寸和高度要求2.2 混凝土材料参数- 混凝土强度等级- 钢筋强度等级- 混凝土砂浆配合比3.荷载计算3.1 楼板自重计算- 楼板体积计算- 楼板自重计算3.2 活载计算- 楼板的使用类别和活载等级- 活载分布和大小的计算- 活载影响系数的计算3.3 风载计算- 楼板的风荷载标准- 风压大小的计算- 风载分布的计算3.4 震荡荷载计算- 楼板的地震烈度等级- 震荡荷载大小的计算4.截面尺寸计算4.1 首次估算截面尺寸- 楼板布置图- 估算截面尺寸4.2 钢筋面积计算- 钢筋表面积计算公式- 钢筋面积估算4.3 截面受弯承载力计算- 截面受弯承载力公式- 截面受弯承载力计算5.楼板设计验证5.1 楼板受弯刚度验证- 楼板受弯刚度计算- 刚度验证5.2 楼板受弯承载力验证- 楼板受弯承载力计算- 承载力验证5.3 楼板抗剪承载力验证- 楼板抗剪承载力计算- 抗剪承载力验证6.材料选用和施工方法6.1 混凝土配合比设计- 混凝土强度等级- 混凝土配合比设计方法6.2 钢筋选用- 钢筋强度等级- 钢筋直径和间距的确定6.3 施工方法- 混凝土浇筑工艺流程- 钢筋安装方法7.总结混凝土楼板计算书用于确定混凝土楼板的结构设计和计算,确保楼板能够承受设计载荷,并满足安全性和稳定性的要求。
附件:- 楼板设计图纸- 楼板力学计算表格法律名词及注释:- 结构设计:根据建筑设计要求和规范,对结构进行计算和设计。
- 强度等级:混凝土和钢筋的强度等级代表了其承载能力。
- 配合比:混凝土中水、水泥、砂和石的比例关系。
- 荷载计算:根据建筑设计要求和规范,对楼板所承受的荷载进行计算。
- 活载:楼板在使用过程中产生的荷载,如人员、家具、设备等。
混凝土回弹强度计算范例简况:回弹楼板混凝土强度,设计强度C25, 测区回弹值为32.4MPa,测得平均碳化值为1.5伽。
方法:回弹由室内垂直向上回弹。
计算如下:测区平均值:32.4 MPa (一个测区)角度修正值(90 度):查表为-4.8,插入计算为-4.7 角度修正后:32.4-4.7=27.7浇筑面修正值:查表为-2.3,插入计算为-2.2浇筑面修正后:27.7—2.2=25.5根据碳化值1.5伽和浇筑修正值25.4查表,插入计算测区混凝土强度换算值为17.2 MPa。
角度修正值插入计算方法:查表32 对应值为-4.8,插入计算32/x=32.4/-4.8 x=-4 . 7(精确到0.1 )浇筑修正值插入计算方法:查表27 对应值为-2.3,插入计算27/x=27.7/-2.3 x=2.2 (精确到0.1 )以上两项为反插法计算,即回弹值小修正值大,回弹值大则修正值小。
根据碳化值1.5 mm和浇筑面修正值25.4查表为17.1,插入计算25.4/17.1=25.5/x x=17.2 (精确到0.1 ),该项为正插入法计算,即在同一碳化值范围内回弹值越高测区混凝土换算值越大,该项为正值。
混凝土强度的推定1. 平均值的计算:(以10 个测区为例) 经修正后的混凝土换算值为22 19.5 27.6 31.5 24 30.4 26 3025.7 28.1 。
平均值=(22+19.5 +27.6 +31.5 +24+30.4 +26+30+ 25.7 + 28.1 ) - 10=26.5 ( 精确到0.1)标准差的计算:10 个测区换算值平方之和减去10 倍平均值的平方除以10-1 后再开方。
( 精确到0.01){ (222+ 19.5 2+ 27.6 2+ 31.5 2+ 242+ 30.4 2+ 262+ 302+ 25.7 2+ 28.1 2)-10(26.5 ) 2}-( 10-1 ) =(7144.52-7022.5)+ 9=13.5813.58 开方=3.69混凝土强度的推定值为:26.5-1.645 X 3.69=20.4MPa混凝土强度的推定值应按下列方法确定:1. 推定值=构件中最小的测区混凝土强度换算值;2. 当该结构或构件的测区强度值中出现小于10.0MPa 时,推定值v 10.0MPa;3. 当该结构或构件的测区数不少于1 0个或按批量检测时,应按下列公式计算:推定值=平均值-1.645 X标准差。
混凝土强度计算范文混凝土强度计算是工程界常见的计算任务之一、混凝土强度通常通过试验来确定,试验结果会受到多种因素的影响。
在计算混凝土强度时,需要考虑原材料的特性、配比的合理性以及施工工艺等因素。
下面将详细介绍混凝土强度计算的一般步骤和相关原理。
1. 确定试件:首先需要确定进行强度试验的混凝土试件的类型和尺寸。
常见的试件类型有立方体、圆柱体和梁等,其尺寸一般是根据工程需要和国家标准进行确定的,如立方体的尺寸一般为150mm × 150mm × 150mm,圆柱体的尺寸一般为Φ150mm × 300mm。
2.制作试件:在确定试件类型和尺寸后,需要进行试件的制作工作。
制作试件要保证试件的密实性和均匀性,避免混凝土中的空隙和集料分布不均匀现象。
3.试件养护:试件制作完成后需要进行养护。
混凝土试件在养护期间需要保持湿润,养护的时间通常是28天。
在养护期间,混凝土逐渐硬化并形成强度。
4.试验:试件养护完毕后,进行混凝土强度试验。
常见的试验方法有压剪强度试验、抗折强度试验和抗拉强度试验等。
试验时需要注意测量、记录和计算的准确性。
5.强度计算:根据试验结果进行强度计算。
一般情况下,混凝土的强度计算是指28天龄期的强度计算。
1.强度计算公式:混凝土的强度计算常用的公式为强度计算公式。
常见的强度计算公式有压剪强度计算公式、抗折强度计算公式和抗拉强度计算公式等。
这些公式是根据材料力学原理和试验结果得出的,可以用来计算不同类型试件在不同荷载下的强度。
2.混凝土材料特性:混凝土的强度受到多种材料特性的影响。
混凝土的强度与水胶比、胶凝材料种类、骨料性质、掺合料等因素有关。
在混凝土配比设计过程中,需要合理选择材料来控制混凝土强度。
3.施工工艺:混凝土的施工工艺也会对其强度产生影响。
施工过程中需要注意的因素包括浇筑的均匀性、振捣的效果、后期养护等。
合理的施工工艺可以提高混凝土的强度。
在进行混凝土强度计算时,需要注意以下几个要点:1.根据实际工程需要和国家标准选择合适的试件类型和尺寸。
压型钢楼板的计算压型钢楼板是一种常用于建筑结构中的楼板材料,它由冷弯成型的钢材制成,具有强度高、刚度好、重量轻、耐腐蚀等优点。
在楼板设计中,需要进行一系列的计算来确定楼板的尺寸和材料的选择,本文将介绍压型钢楼板计算的一般步骤和注意事项。
1.楼板尺寸计算在进行楼板尺寸计算时,需要确定楼板的跨度、荷载和支座的类型等参数。
根据跨度和荷载,可以计算出楼板的最大弯矩和剪力。
然后,根据楼板弯矩和剪力的性能要求,选择适当的压型钢楼板型号和截面尺寸。
根据楼板的截面尺寸,可以计算出楼板的惯性矩、截面积和重量等参数。
2.楼板抗弯强度计算楼板在使用过程中会承受弯曲荷载,因此需要保证楼板的抗弯强度。
根据楼板截面的几何特征,可以计算出楼板的截面模量和截面形心位置,然后根据这些数据,可以计算出楼板的抗弯强度。
3.楼板刚度计算楼板的刚度是指单位宽度楼板在受到单位宽度弯曲力矩作用下的变形量。
刚度是计算楼板挠度的重要参数,可以通过计算楼板的刚度系数和荷载作用下的挠度来确定楼板的刚度。
4.楼板承载力计算楼板在使用过程中还需要承载来自上层结构和自重的荷载。
通过计算楼板的承载能力,可以确定楼板的最大承载力,以及进行楼板布置和支承结构的设计。
5.楼板振动计算楼板在使用过程中还需要满足一定的振动要求,为了确保楼板在使用中不会产生不适的振动,需要进行楼板振动计算。
楼板的振动计算包括自由振动和强迫振动两部分,需要根据楼板截面、材料和支承方式等参数进行计算。
在进行压型钢楼板计算时,还需要注意以下几点:1.确定楼板的荷载组合。
楼板在使用过程中可能被同时施加多个荷载,需要根据设计规范确定荷载的组合方式。
2.考虑楼板的边缘条件。
楼板在边缘受到支座或边缘梁的约束,需要根据实际情况考虑边缘约束对楼板受力性能的影响。
3.选择合适的楼板材料。
压型钢楼板有多种材料可选,如冷弯薄壁型钢、中面板和大横梁等,需要根据楼板使用的要求选择合适的材料。
4.进行楼板的稳定性计算。
面层结构强度计算公式面层结构是指路面或者其他场地表面的覆盖层,通常由沥青混凝土、水泥混凝土或者其他材料构成。
在工程设计和施工过程中,面层结构的强度是一个非常重要的参数,它直接影响着路面或者场地的使用寿命和安全性。
因此,对于面层结构的强度进行准确的计算和评估是至关重要的。
面层结构的强度计算公式是通过对材料的物理性能和结构的受力情况进行分析和计算得出的。
一般来说,面层结构的强度可以通过以下公式进行计算:σ = P / A。
其中,σ为面层结构的应力,单位为N/m²或Pa;P为施加在面层结构上的荷载,单位为N或kg;A为面层结构的受力面积,单位为m²。
在实际工程中,面层结构的强度计算公式可能会根据具体情况进行调整和修正。
例如,对于沥青混凝土路面,其强度计算公式可以根据材料的弹性模量、抗拉强度、厚度等参数进行修正;对于水泥混凝土路面,其强度计算公式可能会考虑到材料的抗压强度、抗弯强度、温度变化等因素。
除了上述的简单强度计算公式外,对于复杂的面层结构,还可能需要考虑到材料的非线性特性、温度和湿度的影响、动态荷载的作用等因素。
在这种情况下,强度计算公式可能会采用有限元分析、材料力学理论、结构力学理论等方法进行计算。
在实际工程中,面层结构的强度计算还需要考虑到材料的工程性能、施工质量、使用环境等因素。
例如,对于路面来说,其强度计算需要考虑到车辆荷载、气候变化、交通流量等因素;对于场地表面来说,其强度计算需要考虑到人员活动、设备荷载、环境影响等因素。
在面层结构的强度计算过程中,还需要进行合理的安全系数设计。
由于实际工程中存在着各种不确定性因素,例如材料的强度抗压抗拉强度、荷载的变化、使用环境的影响等,因此需要在强度计算公式中引入合适的安全系数,以确保面层结构在使用过程中能够满足安全性和耐久性的要求。
总之,面层结构的强度计算公式是工程设计和施工过程中的重要工具,它为工程师提供了对面层结构强度进行准确评估的方法。
楼板承重计算公式
楼板是建筑物中承托住层层楼房的构件,其承重能力是建筑物结构设计中非常重要的因素。
为了保证建筑物的安全,楼板的承重能力必须满足设计要求。
计算楼板承重能力的公式如下:
平面楼板的承重计算公式:
Q = (γ1γ2fckbh)/γ3+Σ(n*qk)
其中,Q表示楼板的承载力,单位为牛;γ1、γ2、γ3分别表示楼板的附加系数,需要根据具体情况确定;fck表示混凝土的轴心抗压强度,单位为兆帕;b表示楼板的宽度,单位为米;h表示楼板的厚度,单位为米;n表示荷载的数量;qk表示单个荷载的负荷,单位为牛。
圆弧形楼板的承重计算公式:
Q = (fckbhr)/γ1+Σ(nqk)
其中,Q表示楼板的承载力,单位为牛;fck表示混凝土的轴心抗压强度,单位为兆帕;b 表示楼板的宽度,单位为米;h表示楼板的厚度,单位为米;r表示圆弧半径,单位为米;γ1表示楼板的附加系数,需要根据具体情况确定;n表示荷载的数量;qk表示单个荷载的负荷,单位为牛。
注意:在使用楼板承重计算公式时,需要根据楼板的实际形状和承载情况选择适当的公式进行计算。
还需要注意的是,楼板的承重能力不仅受到混凝土的轴心抗压强度的影响,还受到楼板的厚度、宽度和形状等因素的影响。
因此,在计算楼板的承重能力时,需要考虑这些因素的影响。
此外,在计算楼板的承重能力时,还需要考虑到楼板的荷载情况。
除了均布荷载之外,楼板还可能承受集中荷载和悬荷载等特殊荷载。
这些荷载的计算方法也有所不同,需要在计算时特别注意。
总之,计算楼板的承重能力需要综合考虑多方面因素,确保楼板的安全使用。
C30混凝土楼板承载力计算
一、混凝土抗压强度
首先,我们需要了解C30混凝土的抗压强度。
C30混凝土的抗压强度通常在20 MPa至30 MPa之间。
这个值可以通过实验确定,或者根据规范在设计时采用。
二、板厚与跨度
接下来,我们需要考虑楼板的厚度和跨度。
楼板的厚度通常在100mm至150mm之间,跨度则根据实际需要而定。
楼板的厚度和跨度都会影响其承载力。
三、钢筋配置
钢筋的配置对楼板的承载力也有重要影响。
一般来说,楼板需要配置一定数量的底部钢筋和顶部钢筋,以及箍筋或钢纤维来增强其承载能力。
钢筋的数量和类型应根据设计规范进行选择和配置。
四、活荷载
活荷载是指楼板上可能出现的活动荷载,例如人员、家具、设备等。
这些荷载的大小和分布应根据实际使用情况进行计算。
在设计时,通常会考虑一定的安全系数来应对可能出现的额外荷载。
五、集中荷载
集中荷载是指楼板上可能出现的集中荷载,例如建筑物的自重、土压力、地震力等。
这些荷载的大小和分布应根据结构分析和设计规范进行计算。
在设计时,通常会考虑一定的安全系数来应对可能出现的额外荷载。
在计算C30混凝土楼板的承载力时,需要考虑以上几个方面的影响因素。
同时,还应根据实际情况进行详细的结构分析和设计计算,以确保楼板的安全性和稳定性。
楼板强度的计算
(1)计算楼板强度说明
验算楼板强度时按照最不利考虑,楼板的跨度取8.400m,梁板承受的荷载按照线均布考虑。
宽度范围内配筋2级钢筋,配筋面积A s=3696.0mm2,f y=300.0N/mm2。
板的截面尺寸为 b×h=5600mm×220mm,截面有效高度 h0=200mm。
按照楼板每12天浇筑一层,所以需要验算12天、24天、36天...的
承载能力是否满足荷载要求,其计算简图如下:
(2)计算楼板混凝土12天的强度是否满足承载力要求
楼板计算长边7.00m,短边7.00×0.80=5.60m,
楼板计算范围内摆放8×7排脚手架,将其荷载转换为计算宽度内均布荷载。
第2层楼板所需承受的荷载为
q=1×1.20×(0.20+25.10×0.22)+
1×1.20×(0.50×8×7/7.00/5.60)+
1.40×(0.00+
2.50)=11.22kN/m2
计算单元板带所承受均布荷载q=5.60×11.22=62.83kN/m
板带所需承担的最大弯矩按照四边固接双向板计算
M max=0.0664×ql2=0.0664×62.82×5.602=130.82kN.m
按照混凝土的强度换算
得到12天后混凝土强度达到74.57%,C40.0混凝土强度近似等效为C29.8。
混凝土弯曲抗压强度设计值为f cm=14.22N/mm2
则可以得到矩形截面相对受压区高度:
ξ= A s f y/bh0f cm = 3696.00×300.00/(5600.00×200.00×14.22)=0.07 查表得到钢筋混凝土受弯构件正截面抗弯能力计算系数为
αs=0.067
此层楼板所能承受的最大弯矩为:
M1=αs bh02f cm = 0.067×5600.000×200.0002×14.2×10-6=213.4kN.m 结论:由于∑M i = 213.38=213.38 > M max=130.82
所以第12天以后的各层楼板强度和足以承受以上楼层传递下来的荷载。
第2层以下的模板支撑可以拆除。
钢管楼板模板支架计算满足要求!
(十六)180厚屋面板模板(扣件式)计算书
1、计算参数:
钢管强度为205.0 N/mm2,钢管强度折减系数取1.00。
模板支架搭设高度为5.2m,
立杆的纵距 b=1.00m,立杆的横距 l=0.90m,立杆的步距 h=1.50m。
面板厚度18mm,剪切强度1.4N/mm2,抗弯强度15.0N/mm2,弹性模量6000.0N/mm2。
模板自重0.20kN/m2,混凝土钢筋自重25.10kN/m3,施工活荷载2.50kN/m2。
扣件计算折减系数取1.00。
图1 楼板支撑架立面简图
图2 楼板支撑架荷载计算单元
按照模板规范4.3.1条规定确定荷载组合分项系数如下:
由可变荷载效应控制的组合S=1.2×(25.10×0.18+0.20)+1.40×2.50=9.162kN/m2
由永久荷载效应控制的组合S=1.35×25.10×0.18+0.7×1.40×2.50=8.549kN/m2
由于可变荷载效应控制的组合S最大,永久荷载分项系数取1.2,可变荷载分项系数取1.40
采用的钢管类型为φ48.3×3.6。
钢管按φ48.0×3.0计算。
钢管惯性矩计算采用 I=π(D4-d4)/64,抵抗距计算采用 W=π(D4-d4)/32D。
2、模板面板计算
面板为受弯结构,需要验算其抗弯强度和刚度。
模板面板的按照三跨连续梁计算。
考虑0.9的结构重要系数,静荷载标准值q1 = 0.9×(25.100×0.180×1.000+0.200×1.000)=4.246kN/m
考虑0.9的结构重要系数,活荷载标准值q2 = 0.9×(0.000+2.500)×1.000=2.250kN/m
面板的截面惯性矩I和截面抵抗矩W分别为:
本算例中,截面惯性矩I和截面抵抗矩W分别为:
W = 100.00×1.80×1.80/6 = 54.00cm3;
I = 100.00×1.80×1.80×1.80/12 = 48.60cm4;
(1)抗弯强度计算
f = M / W < [f]
其中 f ——面板的抗弯强度计算值(N/mm2);
M ——面板的最大弯距(N.mm);
W ——面板的净截面抵抗矩;
[f] ——面板的抗弯强度设计值,取15.00N/mm2;
M = 0.100ql2
其中 q ——荷载设计值(kN/m);
经计算得到M = 0.100×(1.20×4.246+1.40×2.250)×0.300×0.300=0.074kN.m
经计算得到面板抗弯强度计算值 f = 0.074×1000×1000/54000=1.374N/mm2
面板的抗弯强度验算 f < [f],满足要求!
(2)抗剪计算
T = 3Q/2bh < [T]
其中最大剪力 Q=0.600×(1.20×4.246+1.4×2.250)×0.300=1.484kN
截面抗剪强度计算值 T=3×1484.0/(2×1000.000×18.000)=0.124N/mm2
截面抗剪强度设计值 [T]=1.40N/mm2
面板抗剪强度验算 T < [T],满足要求!
(3)挠度计算
v = 0.677ql4 / 100EI < [v] = l / 250
面板最大挠度计算值 v = 0.677×4.246×3004/(100×6000×486000)=0.080mm 面板的最大挠度小于300.0/250,满足要求!
(4) 2.5kN集中荷载作用下抗弯强度计算
经过计算得到面板跨中最大弯矩计算公式为 M = 0.2Pl+0.08ql2
面板的计算宽度为1200.000mm
集中荷载 P = 2.5kN
考虑0.9的结构重要系数,静荷载标准值q = 0.9×(25.100×0.180×1.200+0.200×1.200)=5.095kN/m
面板的计算跨度 l = 300.000mm
经计算得到 M = 0.200×0.9×1.40×2.5×0.300+0.080×1.20×5.095×0.300×0.300=0.233kN.m
经计算得到面板抗弯强度计算值 f = 0.233×1000×1000/54000=4.315N/mm2
面板的抗弯强度验算 f < [f],满足要求!
3、纵向支撑钢管的计算
纵向钢管按照均布荷载下连续梁计算,截面力学参数为。