离心泵单元工程安装质量验收评定表填表说明
- 格式:docx
- 大小:16.55 KB
- 文档页数:2
8泵站设备安装⼯程单元⼯程质量验收评定表及填表说明8 泵站设备安装⼯程⽬录1、表8.1 ⽴式⽔泵机组安装单元⼯程质量验收评定表2、表8.2 卧式与斜式⽔泵机组安装单元⼯程质量验收评定表3、表8.3 灯泡贯流式⽔泵机组安装单元⼯程质量验收评定表4、表8.4 潜⽔泵机组安装单元⼯程质量验收评定表5、表8.5 离⼼泵安装单元⼯程质量验收评定表6、表8.6 深井泵安装单元⼯程质量验收评定表7、表8.7 齿轮油泵安装单元⼯程质量验收评定表8、表8.8 螺杆油泵安装单元⼯程质量验收评定表9、表8.9 滤⽔器安装单元⼯程质量验收评定表10、表8.10 空⽓压缩机安装单元⼯程质量验收评定11、表8.11 离⼼通风机安装单元⼯程质量验收评定表12、表8.12 轴流通风机安装单元⼯程质量验收评定表13、表8.13 ⽔环式真空泵安装单元⼯程质量验收评定表14、表8.14 蝴蝶阀安装单元⼯程质量验收评定表15、表8.15 球阀安装单元⼯程质量验收评定表16、表8.16 筒形阀安装单元⼯程质量验收评定表17、表8.17 伸缩节安装单元⼯程质量验收评定表18、表8.18 主阀的附件和操作机构安装单元⼯程质量验收评定表19、表8.19 进(出)⽔钢管安装单元⼯程质量验收评定表20、表8.20 泵站设备系统管道安装单元⼯程质量验收评定表21、表8.21 箱、罐及其他容器安装单元⼯程质量验收评定表22、表8.22 起重机轨道与车档安装单元⼯程质量验收评定表23、表8.23 通⽤桥式起重机安装单元⼯程质量验收评定表24、表8.24 通⽤门式起重机安装单元⼯程质量验收评定表25、表8.25 电动单梁起重机安装单元⼯程质量验收评定表26、表8.26 电动葫芦及轨道安装单元⼯程质量验收评定表泵站设备安装⼯程填表说明1.本章适⽤于宁夏回族⾃治区中⼩型⽔利⼯程泵站设备安装⼯程单元⼯程施⼯质量验收评定。
2.单元⼯程安装质量验收评定,应在单元⼯程所有检验项⽬的检验结果达到《⽔利⽔电⼯程单元⼯程施⼯质量验收评定标准——⽔⼒机械辅助设备系统安装⼯程》(SL 637—2012)等相关技术标准的要求和具有完备的施⼯记录基础上进⾏。
水利水电工程单元工程施工质量验收评定表及填表说明(下册)水利部建设与管理司编著内容提要《水利水电工程单元工程施工质量验收评定表及填表说明》(上、下册)根据《水利水电工程单元工程施工质量验收评定标准》(SL 361—2012~SL 637—2012和SL 638—2013、SL 639—2013)评定标准编制,用于水利水电工程单元工程施工质量验收评定工作使用。
上册主要内容包括土石方工程、混凝土工程、地基处理与基础工程、堤防工程;下册主要内容包括水工金属结构安装工程、水轮发电机组安装工程、水力机械辅助设备系统安装工程、发电电气设备安装工程和升压变电电气设备安装工程。
本书样表和填表说明基本涵盖了水利水电工程施工质量验收评定所需表格。
本书是水利水电工程建设、施工、监理、质量监督和质量检测等工程技术人员的工具书,也可作为其他领域相关人员的参考用书。
前言为加强水利工程施工质量管理,根据水利部发布的《水利水电工程单元工程施工质量验收评定标准》(SL 631~SL 637—2012、SL 638~SL 639—2013)和有关施工规程规范。
水利部建设与管理司组织水利部建设管理与质量安全中心、吉林省水利厅等单位的有关专家编写了《水利水电工程单元工程施工质量验收评定表及填表说明》,便于广大水利水电工程技术人员更好地理解评定标准和实际工作中使用,进一步规范单元工程施工质量验收评定工作。
全书分上、下册,总计539个表格。
上册包括土石方工程51个;混凝土工程68个;地基处理与基础工程52个;堤防工程38个。
下册包括水工金属结构安装工程50个;水轮发电机组安装工程83个;水力机械辅助设备系统安装工程45个;发电电气设备安装工程106个;升压变电电气设备安装工程46个。
逐表编写了填表要求。
本书所列表式为通用表式,有关专业人员在使用时可结合工程实际情况,依据设计文件、合同文件和有关标准规定,对相关内容作适当的增减。
在工程项目中,如有SL 631~SL 639标准尚未涉及的单元工程,其质量标准及评定表格,由建设单位组织设计、施工及监理等单位,根据设计要求和设备生产厂商的技术说明书,制定相应的施工、安装质量验收评定标准,并按照《水利水电工程单元工程施工质量验收评定表及填表说明》中的统一格式(表头、表身、表尾)制定相应质量验收评定、质量检查表格,报相应的质量监督机构核备。
2023最新建筑工程施工质量验收评定表
及填表说明
该文档为2023年最新版建筑工程施工质量验收评定表及填表说明。
本表用于评定建筑工程施工过程中的质量,以确保项目达到预期的标准和要求。
填表说明
本表分为多个部分,每个部分包含相关的质量评定项。
填表人员应按照实际情况,在适当的位置打勾或填写相应的信息。
项目信息
填写建筑项目的基本信息,包括项目名称、工程地址、项目负责人等。
施工过程质量
评定施工过程中各阶段的质量情况,包括建筑材料的选择和使用、施工工艺的合理性、防水、防火等方面。
结构质量
评定建筑结构的质量情况,包括结构的抗震性能、承载能力、连接部位的稳固性等。
室内装饰质量
评定室内装饰的质量情况,包括墙面、地面、天花板、门窗等的安装质量、装修材料的合理选择等。
设备安装质量
评定建筑设备的安装质量,包括供水、供电、通风、空调等设备的安装质量、设备的性能指标等。
安全与环保
评定工程的安全与环保情况,包括施工期间的安全措施、建筑材料的环保性能、废弃物的处理等。
注意事项
- 填表人员应具备一定的建筑知识和专业背景,以确保评定结果准确有效。
- 填表时应真实、客观地记录施工过程中的质量情况,不得故意歪曲事实。
- 填表人员应认真核对填写的信息,确保准确无误。
以上为2023最新建筑工程施工质量验收评定表及填表说明的概要内容。
具体操作请参照实际文档。
单位工程施工质量评定表填表说明填表时必须遵守“填表基本规定”,并符合以下要求。
1.本表是水利水电工程(含堤防工程)单位工程质量评定表的统一格式。
2.单位工程量,只填写本单位工程的主要工程量。
3.分部工程名称按项目划分时确定的名称填写,并在相应的质量等级栏内用“√”标明。
主要分部工程是指对工程安全、功能或效益起控制作用的分部工程,应在项目划分时确定。
主要分部工程名称前面应加“△”符号。
4.表身各项由施工单位按照经项目法人、监理复核的质量结论填写。
5.表尾填写:①施工单位评定人指施工单位质检处负责人,项目经理指该项目质量责任人。
若本单位工程是分包单位施工,本表应由分包单位上述人员填写和自评,总包施工单位质检处负责人和项目经理审查、签字、加盖公章;②监理单位复核人,指负责本单位工程质量控制的监理工程师;③项目法人复核人,指负责本单位工程现场质量管理的工程师;④质量监督机构的核定人指负责本单位工程的质量监督员。
机构负责人指项目站长或机构分管领导。
6.关于原材料、中间产品、金属结构与启闭机、机电产品质量:对工程量大的工程,应计入分部工程进行质量评定,评定单位工程质量时,不再重复评定原材料、中间产品等质量。
对工程量不大的工程则计入单位工程评定。
7.单位工程施工质量评定标准。
(1)合格标准:所含分部工程质量全部合格;质量事故已按要求进行处理;工程外观质量得分率达到70%以上。
单位工程施工质量检验与评定资料基本齐全;工程施工期与试运行期,单位工程观测资料分析结果符合国家和行业技术标准以与合同约定的标准要求。
(2)优良标准:所含分部工程质量全部合格,其中70%以上达到优良等级,主要分部工程质量全部优良,且施工中未发生过较大质量事故;质量事故已按要求进行处理;外观质量得分率达到85%以上;单位工程施工质量检验与评定资料齐全;工程施工期与试运行期,单位工程观测资料分析结果符合国家和行业技术标准以与合同约定的标准要求。
2.混凝土工程
表2.1普通混凝土单元工程施工质量验收评定表
填表说明
填表时必须遵守“填表基本规定”,并符合以下要求。
1.单元工程划分:宜以混凝土浇筑仓号或一次检查验收范围划分。
对混凝土浇筑仓号,应按每一仓号分为一个单元工程;对排架、梁、板、柱等构件,应按一次检查验收的范围分为一个单元工程。
2.单元工程量:填写本单元工程混凝土浇筑量(m³)。
3.本单元工程分为基础面或施工缝处理、模板安装、钢筋制作及安装、预埋件(止水、伸缩缝等)制作及安装、混凝土浇筑(含养护、脱模)、外观质量检查6个工序,其中钢筋制作及安装、混凝土浇筑(含养护、脱模)工序宜为主要工序。
本表是在表2.1.1~表2.1.6工序质量验收评定后完成。
4.单元工程施工质量验收评定应提交下列资料。
(1)施工单位应提交单元工程中所含工序(或检验项目)验收评定的检验资料,原材料、拌和物与各项实体检验项目的检验记录资料。
(2)监理单位应提交对单元工程施工质量的平行检测资料。
5.单元工程质量标准。
(1)合格标准:各工序施工质量验收评定应全部合格;各项报验资料应符合SL632—2012的要求。
(2)优良标准:各工序施工质量验收评定应全部合格,其中优良工序应达到50%及以上,且主要工序应达到优良等级;各项报验资料应符合SL632—2012的要求。
水利水电工程单元工程施工质量验收评定表填表说明与示例(试行)全册(部颁标准:工程项目及单元工程评定表)××省市水务工程质量监督站汇编前言为了进一步加强××省市水利工程施工质量验收评定工作,明确施工质量验收评定相关要求,使水利工程施工质量验收评定工作标准化、规范化,根据××省市水利工程建设的特点,汇编《××省市水利水电工程单元工程施工质量验收评定表填表说明与示例(试行)》(以下简称汇编评定表),在××省市水利工程建设中使用。
由于汇编时间仓促和水平有限,新规范、新标准、新工艺的不断推出,本书难免存在不尽之处,在使用过程中,有意见和建议请随时反馈,以便今后修订和完善。
如果与国家、省市有关法规标准不一致之处,以法规标准为准。
本《汇编评定表》汇编过程中,得到了××省省水利厅安监处,××省市海洋农渔和水务局的指导和支持,××省市水利工程质量安全监督站、××省省水利水电第三工程局、××省×省工程有限公司、××省××省工程监理有限公司等单位也给予了大力支持,在此一并表示衷心感谢。
汇编单位:××省市水务工程质量监督站参编单位:××省×省工程建设监理有限公司编委会:郭仲秋、王电波、许蓓蕾、雷芸、叶永巧编写人员:叶永巧、谢利监、吕汉增、黄敏能、杨水深、梁佩华莫华、韦家庆、谢貞博、蒲蜀君、段仲锋、王玉彬反馈意见请寄:××省市水务工程质量监督站地址:邮编:电子邮箱:汇编说明为了规范××省市水利水电工程单元工程施工质量验收评定,根据《水利水电工程施工质量检验与评定规程》SL176—2007、《水利水电建设工程验收规程》SL223—2008、《水利水电工程单元工程施工质量验收评定标准—土石方工程》(SL631-2012)、《水利水电工程单元工程施工质量验收评定标准—混凝土工程》(SL632-2012)、《水利水电工程单元工程施工质量验收评定标准—地基处理与基础工程》(SL633-2012)、《水利水电工程单元工程施工质量验收评定标准—堤防工程》(SL634-2012)、《水利水电工程单元工程施工质量验收评定标准—水工金属结构安装工程》(SL635-2012)、《水利水电工程单元工程施工质量验收评定标准—水轮发电机组安装工程》(SL636-2012)、《水利水电工程单元工程施工质量验收评定标准—水力机械辅助设备系统安装工程》(SL637-2012)(以下简称“七项标准”)及相关规范、规程要求,我站根据××省市水利工程的特点,结合××省市近年来水利水电工程施工实例,按照“七项标准”的分类,筛选出“七项标准”中××省市水利水电工程中常用到的单元工程施工质量评定表及《水利水电工程施工质量检验与评定规程》SL176—2007规定的工程项目施工质量评定表,汇编××省市水利水电工程单元工程施工质量验收评定表(试行)(第一册)。
水泵安装检验批施工质量验收表1. 项目信息
- 项目名称:[项目名称]
- 施工单位:[施工单位]
- 施工地点:[施工地点]
- 施工日期:[施工日期]
- 监理单位:[监理单位]
2. 检验批信息
2.1 检验批编号:[检验批编号]
2.2 设备信息
3. 施工质量验收内容
3.1 安装验收
- [安装项1]:[验收结果]
- [安装项2]:[验收结果]
- [安装项3]:[验收结果]
3.2 电气连接验收
- [电气连接项1]:[验收结果]
- [电气连接项2]:[验收结果]
- [电气连接项3]:[验收结果]
3.3 运行试验
- [运行试验项1]:[验收结果]
- [运行试验项2]:[验收结果]
- [运行试验项3]:[验收结果]
4. 验收结论
根据以上施工质量验收内容的检查结果,经评定验收合格。
5. 验收人员
- 施工单位代表:[施工单位代表姓名]
- 监理单位代表:[监理单位代表姓名]
6. 验收日期
- 年月日
以上内容作为水泵安装检验批施工质量验收表,供各方参考。
如有任何异议,请及时提出。
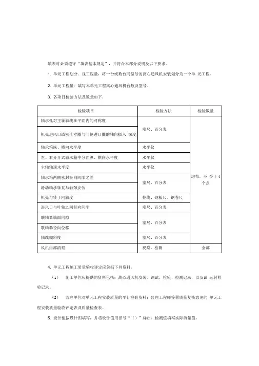
填表时必须遵守“填表基本规定”,并符合本部分说明及以下要求。
1. 单元工程划分:视工程量,将一台或数台同型号的离心通风机安装划分为一个单元工程。
2. 单元工程量:填写本单元工程离心通风机台数及型号。
3. 各项目检验方法及数量如下:
4. 单元工程施工质量验收评定应包括下列资料。
(1)施工单位应提供的资料包括:离心通风机安装、调试、检验、检测记录,以及试运转检验记录。
(2)监理单位对单元工程安装质量的平行检验资料;监理工程师签署质量复核意见的单元工程安装质量验收评定表及质量检查表。
5. 设计值按设计图填写,并将设计值用括号“()”标出。
检测值填写实际测量值。
6. 单元工程安装质量检验项目质量标准。
(1)合格等级标准。
1)主控项目检测点应 100%符合合格标准。
2)一般项目检测点应 90%及以上符合合格标准,其余虽有微小偏差,但不影响使用。
(2)优良等级标准。
在合格标准基础上,主控项目和一般项目的所有检测点应90%及以上符合优良标准。
7. 单元工程安装质量评定分为合格和优良两个等级,其标准如下。
(1)合格等级标准。
1)检验项目应符合 SL637— 2012第 3.2.5 条 1款的要求。
2)主要部件的调试及操作试验应符合SL637—2012 和相关专业标准的规定。
3)各项报验资料应符合 SL637—2012 的要求。
(2)优良等级标准。
在合格等级标准基础上,有 70%及以上的检验项目应达到优良标准,其中主控项目应全部达到优良标准。
水利工程水工金属结构安装液压式启闭机单元工程安装质量验收评定表填表要求填表时必须遵守“填表基本规定”,并应符合下列要求:1.单元工程划分:宜以每一个液压系统的安装划分为一个单元工程。
2.单元工程量:填写本单元启闭机重量(t)或型号。
3.本表是在表5.14.1~表5.14.4、表7.13.4、表7.14.1检查表质量评定合格基础上进行。
4.单元工程施工质量验收评定应提交下列资料:(1)施工单位应提供启闭机到货检验记录(资料)、安装记录、试运行记录等。
(2)监理单位应提交对单元工程施工质量的平行检测资料。
5.液压式启闭机安装包括机架安装、钢梁与推力支座安装、油桶及贮油箱管道安装等部分,其安装技术要求应符合SL 381的规定。
各部分安装完毕后应进行试运行。
5.液压式启闭机设备出厂前应进行整体组装和试验。
设备运到现场后,应经检查,开箱验收后方可安装。
7.油桶及贮邮箱管道安装质量检查表参照《水利水电工程单元工程施工质量验收评定标准水利机械辅助设备系统安装工程》(SL 637—2012)的规定。
8.单元工程安装质量评定标准:(1)合格等级标准:1)各检验项目均达到合格等级及以上标准。
2)设备的试验和试运行符合SL 635—2012及相关专业标准的规定;各项报验资料符合SL 635—2012的要求。
(2)优良等级标准:在合格等级标准基础上,安装质量检验项目中优良项目占全部项目70%及以上,且主控项目100%优良。
________________________工程表5.14液压式启闭机单元工程安装质量验收评定表表5.14.1 液压式启闭机机械系统机架安装质量检查表填表要求填表时必须遵守“填表基本规定”,并应符合下列要求:1.分部工程、单元工程名称填写应与表5.14相同。
2.各检验项目的检验方法及检验数量按表E-20的要求执行。
3.液压式启闭机机械系统的安装,主要包括机架、钢梁与推力支座的安装。
4.现场安装管路应进行整体循环油冲洗,冲洗速度宜达到紊流状态,滤网过滤精度应不低于10μm,冲洗时间不应少于30min。
水利水电工程施工质量验收评定表及填表说明水利水电建设管理与质量安全中心二〇一三年十月填表基本规定《水利水电工程施工质量验收评定表》(以下简称《评定表》)是检验与评定施工质量的基础资料,也是进行工程维修和事故处理的重要凭证,是工程验收的备查资料。
工程竣工验收后,《评定表》作为档案资料长期保存。
因此,按档案管理有关要求对《评定表》的填写作如下基本规定:(1)单元(工序)工程完工后,在规定时间内及时评定其质量等级,并按现场检验结果,客观真实地填写《评定表》。
(2)现场检验应遵守随机布点与监理工程师现场指定区位相结合的原则,检验方法及数量应符合《新标准》和相关标准的规定。
(3)若手工填写,应使用蓝色或黑色墨水钢笔,字迹应工整、清晰;若计算机打印,输入内容的字体应与表格固定内容不同,以示区别,字号可以相同或相近,匀称为宜。
质量意见和质量结论及签字部分(包括日期)不可打印。
(4)验收评定表与备查资料的制备规格采用国际标准A4 (210mm×297mm)。
(5)数字要使用阿拉伯数字(1,2,3,…,9,0),单位使用法定计量单位,并以规定的符号表示(如m,kg,m³,…)。
数据与数据之间用逗号(,)隔开,小数点要用圆点(.)。
合格率用百分数表示,小数点后保留1位,如果恰为整数,则小数点后以0表示。
(6)手工填写修改错误时,将错误部分用斜线划掉,再在右上方填写正确的文字或数字。
禁止使用改正液、橡皮擦、刀片刮等不标准方法。
(7)表头填写:单位工程、分部工程、单元工程名称,按项目划分确定的名称填写。
单元工程部位可用桩号、高程、到轴线(中心线)距离表示,原则是使该单元从空间(三维)上受控,必要时附图示意。
“施工单位”栏要填写与项目法人签订承包合同的施工单位全称。
(8)“质量标准”栏中,凡有“符合设计要求”者,应注明设计要求的具体内容,如内容较多可附页说明;凡有“符合规范要求”者,应标出所执行的规范名称和编号。
水利水电工程单元工程施工质量验收评定标准及填表示例一、土石方工程专项说明1.本章表格适用于大中型水利水电工程的土石方工程的单元工程施工质量验收评定,小型水利水电工程可参照执行。
2.划分工序的单元工程,其施工质量验收评定在工序验收评定合格和施工项目实体质量检验合格的基础上进行。
不划分工序的单元工程,其施工质量验收评定在单元工程中所包含的检验项目检验合格和施工项目实体质量检验合格的基础上进行。
3.工序施工质量具备下述条件后进行验收评定:①工序中所有施工项目(或施工内容)已完成,现场具备验收条件;②工序中所包含的施工质量检验项目经施工单位自检全部合格。
4.工序施工质量按下述程序进行验收评定:①施工单位首先对已经完成的工序施工质量按SL631标准进行自检,并做好检验记录;②自检合格后,填写工序施工质量验收评定表,质量责任人履行相应签认手续后,向监理单位申请复核;③监理单位收到申请后,在4h内进行复核。
5.监理复核工序施工质量包括以下内容:①核查施工单位报验资料是否真实、齐全;结合平行检测和跟踪检测结果等,复核工序施工质量检验项目是否符合SL631标准的要求;②在工序施工质量验收评定表中填写复核记录,并签署工序施工质量评定意见,核定工序施工质量等级,相关责任人履行相应签认手续。
6.单元工程施工质量具备下述条件后验收评定:①单元工程所含工序(或所有施工项目)已完成,施工现场具备验收的条件;②已完工序施工质量经验收评定全部合格,有关质量缺陷已处理完毕或有监理单位批准的处理意见。
7.单元工程施工质量按下述程序进行验收评定:①施工单位首先对已经完成的单元工程施工质量进行自检,并填写检验记录;②自检合格后,填写单元工程施工质量验收评定表,向监理单位申请复核;③监理单位收到申报后,在8h内进行复核。
8.监理复核单元工程施工质量包括下述内容:①核查施工单位报验资料是否真实、齐全;②对照施工图纸及施工技术要求,结合平行检测和跟踪检测结果等,复核单元工程质量是否达到SL631标准的要求;③检查已完单元工程遗留问题的处理情况,在单元工程施工质量验收评定表中填写复核记录,并签署单元工程施工质量评定意见,核定单元工程施工质量等级,相关责任人履行相应签认手续;④对验收中发现的问题提出处理意见。
离心泵单元工程安装质量验收评定表填表说明
填表时必须遵守“填表基本规定”,并符合本部分说明及以下要求。
1. 单元工程划分:一台或数台同型号的离心泵安装宜划分为一个单元工程。
2. 单元工程量:填写本单元工程离心泵台数。
3. 各项目检验方法及数量如下。
4. 单元工程施工质量验收评定应包括下列资料。
(1)施工单位应提供的资料包括:离心泵安装、调试、检验、检测记录,以及试运转检验记录。
(2)监理单位对单元工程安装质量的平行检验资料;监理工程师签署质量复核意见的单元工程安装质量验收评定表及质量检查表。
5. 填料密封的泄漏量允许值。
6. 设计值按设计图填写,并将设计值用括号“()”标出。
检测值填写实际测量值。
7. 单元工程安装质量检验项目质量标准。
(1)合格等级标准。
1)主控项目检测点应100鳩合合格标准。
2)—般项目检测点应90%及以上符合合格标准,其余虽有微小偏差,但不影响使用。
(2)优良等级标准。
在合格标准基础上,主控项目和一般项目的所有检测点应90%及以上符合优良标准。
8. 单元工程安装质量评定分为合格和优良两个等级,其标准如下。
(1)合格等级标准。
1)检验项目应符合SL637—2012第3.2.5 条1款的要求。
2)主要部件的调试及操作试验应符合SL637—2012 和相关专业标准的规定。
3)各项报验资料应符合SL637—2012 的要求。
(2)优良等级标准。
在合格等级标准基础上,有70%及以上的检验项目应达到优良标准,其中主控项目应全
部达到优良标准。