贴片生产线维护记录表
- 格式:xls
- 大小:19.50 KB
- 文档页数:1
每(周月季)设备维修养护记录表
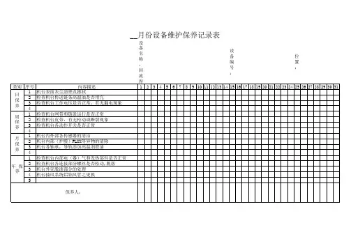
口机电设备口机械仪表口辅助设施年月日编号
备注:每周周六对厂内所有设备进行检查,维修、保养。
每日设备维修养护记录表
设备名称:岗位司机:年月日
备注:(1)设备正常打“√”不正常打“×”停机待机打“○”(2) 设备不正常时,应及时填写维修报表,上报主任及时处理保证正常生产。
焦炭事业部设备维修记录表
注:维修人员必须认真填写表格,为日后设备保养和维修摸索一个好的章程。
年度维修保养记录表
每日设备维修养护记录表
备注:(1)设备正常打“√”不正常打“×”停机待机打“○”(2) 设备不正常时,应及时填写维修报表,上报主任及时处理保证正常生产。
设备维修养护记录表。
生产设备维护保养记录日期:20XX年XX月XX日设备名称:XXXXX维护保养人员:XXXXX项目:1. 设备清洁2. 零部件更换3. 润滑与润滑油更换4. 电气系统检查与维修5. 安全装置检查与测试6. 故障排查与修复维护保养记录:本次维护保养工作由XXX公司的维护人员按照以下步骤进行执行:1. 设备清洁:使用干净的布和清洁剂对设备外表进行擦拭,去除灰尘和污渍。
2. 零部件更换:检查设备的零部件是否磨损或损坏,如有需要,及时更换以保证设备的正常运行。
在本次维护保养中,更换了以下零部件:(列出具体更换的零部件)3. 润滑与润滑油更换:对设备的摩擦部件进行润滑处理,以减少磨损和摩擦力。
在本次维护保养中,更换了以下润滑油:(列出具体更换的润滑油种类和数量)4. 电气系统检查与维修:检查设备的电气连接是否松动或损坏,如有需要,及时进行修复以确保电气系统的正常运行。
5. 安全装置检查与测试:检查设备的安全装置是否完好,并进行测试以确保其正常工作。
在本次维护保养中,检查并测试了以下安全装置:(列出具体检查和测试的安全装置)6. 故障排查与修复:对设备日常运行中出现的故障进行排查,并及时修复以确保设备的正常运行。
备注:在维护保养过程中,未发现其他异常,设备正常运行良好。
维护保养人员遵循操作规程,严格按照要求进行了维护保养工作,确保了设备的稳定性和可靠性。
下次维护保养计划:下次维护保养计划将在XX年XX月XX日进行,届时将继续对设备进行全面检查与维护保养工作,确保设备长期稳定运行。
维护保养人员签名:________________日期:20XX年XX月XX日。
自动化设备系统维护记录单日期:2022年1月1日设备名称:自动化生产线维护人员:张三维护周期:每月一次维护记录:1. 检查设备外观及周围环境:- 确保设备周围无杂物堆积,通道畅通。
- 检查设备外壳是否有损坏,如有损坏及时修复。
- 清洁设备外壳,确保无灰尘和污垢。
2. 检查电源供应:- 检查电源线连接是否坚固。
- 检查电源开关是否正常,确保供电稳定。
3. 检查传感器及控制器:- 检查传感器连接是否松动,如有松动及时固定。
- 检查控制器运行状态,确保正常工作。
- 检查传感器的灵敏度,如有需要进行调整。
4. 检查机械部件:- 检查设备传动系统,如皮带、链条等是否磨损,如有磨损及时更换。
- 检查设备轴承是否润滑,如需要添加润滑油进行维护。
- 检查设备运动部件是否正常,如有异常及时修复。
5. 检查控制程序:- 检查设备控制程序是否正常运行,如有异常及时调整。
- 检查设备的自动化流程是否顺畅,如有问题及时解决。
6. 清洁维护:- 清洁设备内部,确保无灰尘和杂物。
- 清洁设备传送带、输送管道等部件,确保畅通无阻塞。
- 清洁设备传感器,确保灵敏度。
7. 维护记录:- 记录维护日期、维护人员、维护内容及发现的问题。
- 如有需要进行维修的问题,记录维修措施及结果。
维护记录单完成情况:- 日期:2022年1月1日- 维护人员:张三- 维护周期:每月一次维护内容:- 检查设备外观及周围环境:设备周围无杂物堆积,外壳完好无损,外壳清洁。
- 检查电源供应:电源线连接坚固,电源开关正常。
- 检查传感器及控制器:传感器连接稳固,控制器正常工作,传感器灵敏度调整正常。
- 检查机械部件:传动系统无磨损,轴承润滑正常,运动部件正常。
- 检查控制程序:控制程序正常运行,自动化流程顺畅。
- 清洁维护:设备内部清洁无灰尘和杂物,传送带和输送管道畅通无阻塞,传感器清洁。
- 维护记录:维护日期为2022年1月1日,维护人员为张三,维护内容包括检查设备外观、电源供应、传感器及控制器、机械部件、控制程序,以及清洁维护。
日期 记录项目
1,检查气压(0.6Mpa)2,清理废料盒3,清理废编带箱
4,清理贴片工作台周边5,清洁运动部件及周边6,清洁PCB感应器
7,清洁机器表面及周边
日期 记录项目
1,确定吸嘴并清洗1,2,清洁cammera镜面2,3,清洁丝杠等运动件3,4,检查FEEDER使用状况4,5,检查机器是否有异常5,6,检查传感器6,7,7,8,8,保养人确认人
汉得利(常州)电子有限公司
设备名称:设备编号:设备型号:文件编号: 年 月月检备注保养人确认人
检查真空及过滤各轴丝杠加润滑油检查各传感器工作状况检查各电机运行状况检查FEEDER工作状况二三四序号检查各吸嘴并清洗检查吸嘴轴的工作情况31
保养人确认人
序号一备注
日期
记录
项目
252627282930192021222324131415161718789101112日常保养:日常保养的保养人由生产操作员工完成,其确认人为该线的技术人员;
周保养:周保养的保养由技术人员完成,其确认人为设备的管理人员;
月保养:由车间设备管理人员和技术员共同完成,确认人为设备管理人员;
序号123456。