2017年建筑垃圾数据
- 格式:docx
- 大小:54.63 KB
- 文档页数:3
成分百分比(%)建筑施工垃圾旧建筑物拆除垃圾沥青0.15 1.59混凝土块18.4254.26碎石块23.8311.68渣土、泥浆30.5511.96瓷砖 5.02 6.35砂石 1.72 1.44碎玻璃0.560.20废金属料 4.34 3.41废塑料 1.130.61竹料、木材10.957.46其他有机物 3.05 1.29其他杂物0.270.12合计1001001引言据统计,截止到2020年,我国每年产生的建筑垃圾总量已超过15亿吨,占城市垃圾总量的30%~40%[1]。
这些建筑垃圾大多采用直接填埋或者露天堆放的方式,如不采取措施进行有效的处理,堆积的建筑垃圾不仅占用大量土地资源,还会对环境造成严重的危害。
虽然我国也制定了相应的法律体系,但建筑垃圾资源化利用效率依然较低[2]。
2城市建筑垃圾基础理论2.1城市建筑垃圾的定义CJJT 134—2019《建筑垃圾处理技术标准》对建筑垃圾的定义为:建筑垃圾是指新建、扩建、改建和拆除各类建筑物、构筑物、管网以及居民装饰装修房屋过程中所产生的弃土、弃料及其他废弃物[3]。
2.2城市建筑垃圾的分类城市建筑垃圾按来源可以分为五类,各类别的产生方式及内容如表1所示。
我国城市建筑垃圾的主要来源是建筑施工垃圾和旧建筑物拆除垃圾,这两种类别的组成成分基本相同,但是不同成分的含量有所差异。
表2为建筑施工垃圾与旧建筑物拆除垃圾的组成成分比较,由表中数据可知,在建筑垃圾中,混凝土块、碎石块以及渣土这三种成分所占的比例最大,所占的比例之和分别为72.80%和77.90%,其他组分含量则不大[4]。
2.3城市建筑垃圾的特点我国城市建筑垃圾具有时间性、空间性和持久危害性的特点。
①时间性。
已建成的建筑物在超过规定的使用年限以【作者简介】杨静(1988-),女,河南南阳人,助教,从事项目管理、工程经济研究。
我国城市建筑垃圾资源化现状及对策研究Research on Current Situation and Countermeasure of Municipal Construction Waste Recycling in China杨静,刘燕丽(河南城建学院管理学院,河南平顶山467036)YANG Jing,LIU Yan-li(School of Management,Henan University of Urban Construction,Pingdingshan 467036,China)【摘要】随着我国基础设施的大规模建设以及城镇化进程的快速推进,建筑垃圾的产生量日益增多。
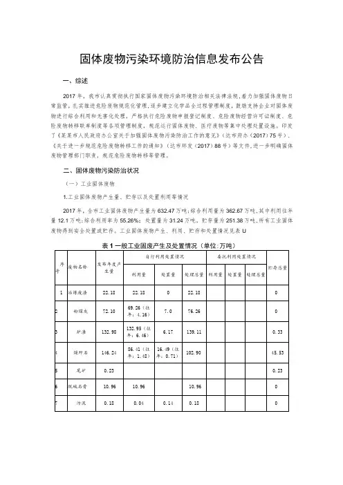
固体废物污染环境防治信息发布公告一、综述2017年,我市认真贯彻执行国家固体废物污染环境防治相关法律法规,着力加强固体废物日常监管,扎实推进危险废物规范化管理,逐步建立化学品全过程管理制度,鼓励支持企业对固体废物进行综合利用和无害化处理,严格执行危险废物申报登记制度、危险废物经营许可证制度、危险废物转移联单制度等各项管理制度,规范运行固体废物、医疗废物等集中处理处置设施。
印发了《某某市人民政府办公室关于加强固体废物污染防治工作的意见》(达市府办(2017)75号)、《关于进一步规范危险废物转移工作的通知》(达市环发(2017)88号)等文件,进一步明确固体废物管理部门职责,规范危险废物转移等管理。
二、固体废物污染防治状况(一)工业固体废物1.工业固体废物产生量、贮存以及处置利用等情况2017年,全市工业固体废物产生量为632.47万吨;综合利用量为362.67万吨,其中利用往年量12.1万吨;综合利用率为55.26%;处置量为31.24万吨,贮存量为251.38万吨,所有工业固体废物得到安全处置或贮存。
工业固体废物产生、利用、贮存和处置情况见表U注:1.污泥类型:定性为一般工业固废的印染污泥、含氟废水处理污泥、化工废水处理污泥、集中工业园区废水处理污泥、含钛污泥、其他污泥;2 .表中第1-9项为《某某省某某经济带固体废物大排查行动工作方案》中要求填写的一般工业固体废物类型,必填;分类不明的固体废物归入第10项中。
3 .主要工业固体废物种类(除矿产开发中产生的固体废物以外的产生量为前5位的工业固体废物)及其有关信息。
2017年,除矿产开发中产生的固体废物以外,我市工业固体废物总产生量486.23万吨,主要产生于化工、钢铁、电力等行业,工业固体废物产生构成中,以磷石膏居首位,达205.27万吨,占总量的42.22%;炉渣产生量其次,为132.98万吨,占总量的27.35%;排在三到五位的分别是粉煤灰、冶炼废渣、脱硫石膏,产生量依次为72.1万吨、22.18万吨和10.96万吨,分别占总量的14.83%、4.56%、2.25%。
浅谈国内外建筑垃圾资源化利用现状摘要:建筑垃圾是数量庞大的固体废弃物之一,环境危害极大。
因此,有必要探索科学有效的建筑垃圾资源化利用现状,提高资源利用率,推进我国"无废城市”建设。
目前,我国在建筑垃圾管理实践中仍存在法律规范欠缺、协同连接不畅、责任意识薄弱、管理措施不完备等问题。
所以,本文论述了国内外建筑垃圾资源化利用的状况,并通过案例剖析先进的模式,为建筑垃圾资源化利用管理提供参考。
关键词:建筑垃圾;国内外;现状引言施工建设单位进行新建、扩建、改建和拆除各类建筑物、构筑物、管网等以及房屋装修中产生的弃土、弃石、弃料及其他废弃物统称为建筑垃圾。
随着城镇化进程日渐加快,各类工程项目急剧增多,建筑垃圾产量也与日俱增,已占城市垃圾总量的 30%~40%。
据统计,2017年我国建筑垃圾年产量已超过 20 亿t,并以每年 10% 的幅度高速增长,且此涨幅也在继续增大,预计到 2022 年建筑垃圾年产量将达35 亿t,如图 1 所示。
建筑垃圾中的有机物、金属、非金属污染物和粉尘等,经太阳暴晒、雨水冲刷等,会产生大量有毒物质,污染水体空气和土壤,给环境带来巨大压力。
然而,建筑垃圾是放错位置的资源,合理处理建筑垃圾,不仅能减少环境污染,还能有效避免资源浪费。
1国外建筑垃圾再生利用情况城镇化迅速发展的情况下,发达国家很早就开始探索再生利用建筑垃圾的途径和方法。
采用合理的管理方式和先进的控制手段,并且制定相关的法律法规,使得建筑垃圾资源化利用为国家发展提供帮助。
现从法律法规、技术方法两方面分析德、美、日三国的建筑垃圾处理情况。
1.1 国外概况1945 年,德国开始研究建筑垃圾再生利用。
据德国国家统计局给出的统计数据,建筑垃圾年均产量在 2 亿左右,其中约 25% 为建筑物垃圾,60% 以上为开挖土。
2006 年建筑垃圾资源化利用率为 87%,截至 2015 年的最新数据显示,其资源化利用率已提高至 90%,这得益于国家的高度重视。
淮安市建筑垃圾资源化利用工作情况汇报淮安市城市管理局2018年7月根据省委省政府“263”专项行动明确的“到2020年,设区市建筑垃圾资源化利用设施全面建成”等目标要求,我局认真开展调研,编制专业规划、开展工作试点,积极推进建筑垃圾资源化利用工作。
现将有关情况汇报如下:一、我市建筑垃圾资源化利用工作开展情况(一)我市建筑垃圾产生量。
目前,我市产生的建筑垃圾主要包括工程建设垃圾、拆除垃圾、装修垃圾和工程渣土。
经统计和测算,2017年我市中心城区产生工程建筑垃圾约15万吨,拆除垃圾约147万吨,装修垃圾约63万吨,工程渣土约320万吨,合计约545万吨。
随着我市城市化进程的加快以及居民生活水平的提高,预计在今后一段时期内,工程建设垃圾、拆除垃圾、工程渣土量保持将相对平衡,装修垃圾量会长期、持续产生并有一定增长。
(二)我市建筑垃圾主要处理方式。
目前我市建筑垃圾消纳处理方式主要为互相调剂和简易填埋。
工程渣土主要用于工程回填或低洼地回填,基本能够合理利用。
拆除垃圾主要用于垫路,少部分拆除垃圾、工程建筑垃圾可利用成分较高,通过社会上零星的资源化利用企业,制成再生建筑材料,但尚未形成大规模的市场化、产业化应用。
装修垃圾目前尚未开展资源化利用,由各运输单位自行寻找处置场所,主要采用简易填埋或堆放的处理方式处理,乱倒现象也比较严重。
(三)我市建筑垃圾处置设施规划情况。
目前,我市现有建筑垃圾填埋场(消纳场、临时调配场)3个,基本上是满负荷运行,难以满足我市建筑垃圾处置消纳需求。
根据省住建厅的统一要求,我市编制了《淮安市建筑垃圾处理专项规划》(2017—2035),共规划了建筑垃圾资源化利用厂3处,建筑垃圾填埋场(消纳场、临时调配场)4处,如能够按规划顺利推进,能够基本满足我市建筑垃圾处置消纳的需求。
(四)我市建筑垃圾管理机制。
在管理体系上,目前,我市实行属地管理的工作体系,从“两点一线”,产生源头、运输过程和处置地点,各区均进行了有效引导和监督管理。
第2期(总第214期)0引言城市化进程的不断加快,导致大量建筑垃圾的产生。
建筑垃圾是指在新建、改建、扩建、拆除、加固各类建筑物、构筑物、管网等以及居民装饰装修房屋过程中产生的废弃物[1]。
据统计,我国建筑垃圾堆放总量已达70亿t,每年新产生的建筑垃圾超过4亿t [1],但综合利用率不足5%,而目前欧盟各国的建筑垃圾资源化率平均在70%以上,最高达到90%,韩国建筑垃圾的资源化率甚至达到97%以上[2]。
随着西宁市城市建设速度的加快,产生的建筑垃圾也越来越多[3]。
目前我国建筑垃圾处理方式可以归结为填埋、回收利用和资源化利用三种方式[4]。
大量建筑垃圾随意堆放或填埋,会引起土地占用、环境污染、生态破坏等一系列环境问题[4]。
因此,合理分析西宁市建筑垃圾处理处置设施的现状对于减小建筑垃圾对环境的影响、提高建筑垃圾资源化程度、优化布局建筑垃圾处理处置设施有着重要意义。
1研究方法通过实地调研确定西宁市主城区建筑垃圾处理处置设施的分布情况,具体包括名称、位置、占地面积、处理处置方式、年处理量等信息。
分析西宁市建筑垃圾处理处置设施的年处理量并与西宁市建筑垃圾产量进行对比,从而为西宁市建筑垃圾处理处置设施的布局优化提供依据。
研究方法总体设计见图1。
1.1研究区域研究区域为西宁市主城区,即城北区、城东区、城中区、城西区(见图2)。
西宁市主城区是西宁市核心区域,建筑垃圾产生量大,对建筑垃圾处理处置设施的需求明显。
1.2现状分析(1)处理处置设施分布。
目前西宁市主城区有西杏园垃圾填埋场、正源建筑垃圾消纳场、沈家沟垃圾再生场3处建筑垃圾处理处置设施。
西宁市茂发资源再生利用有限公司位于甘河工业园区,距城西区较近,城西区部分建筑垃圾运往此处处理,因此将其考虑在内(见图3)。
西宁市建筑垃圾处理处置设施现状分析高云甫,龚志起(青海大学土木工程学院,青海西宁810016)摘要建筑垃圾处理处置设施对于建筑垃圾的管理有着重要作用。
建筑垃圾综合利用项目计划书第一章总论一、项目承办单位基本情况(一)公司名称xxx有限公司(二)公司简介顺应经济新常态,需要公司积极转变发展方式,实现内涵式增长。
为此,公司要求各级单位通过创新驱动、结构优化、产业升级、提升产品和服务质量、提高效率和效益等路径,努力实现“做实、做强、做大、做好、做长”的发展理念。
公司致力于创新求发展,近年来不断加大研发投入,建立企业技术研发中心,并与国内多所大专院校、科研院所长期合作,产学研相结合,不断提高公司产品的技术水平,同时,为客户提供可靠的技术后盾和保障,在新产品开发能力、生产技术水平方面,已处于国内同行业领先水平。
公司经过长时间的生产实践,培养和造就了一批管理水平高、综合素质优秀的职工队伍,操作技能经验丰富,积累了先进的生产项目产品的管理经验,并拥有一批过硬的产品研制开发和经营人员,因此,项目承办单位具备较强的新产品开发能力和新技术应用能力,为实施项目提供了有力的技术支撑和技术人才资源保障。
公司引进世界领先的技术,汇聚跨国高科技人才以确保公司产业的稳定发展和保持长期的竞争优势。
公司一直注重科研投入,具有较强的自主研发能力,经过多年的产品研发、技术积累和创新,逐步建立了一套高效的研发体系,掌握了一系列相关产品的核心技术。
公司核心技术均为自主研发取得,支撑公司取得了多项专利和著作权。
公司生产运营过程中,始终坚持以效益为中心,突出业绩导向,全面推行内部市场化运作模式,不断健全完善全面预算管理体系及考评机制,把全面预算管理贯穿于生产经营活动的各个环节。
通过强化预算执行过程管控和绩效考核,对生产经营过程实施全方位精细化管理,有效控制了产品生产成本;着力推进生产控制自动化与经营管理信息化的深度融合,提高了生产和管理效率,优化了员工配置,降低了人力资源成本;坚持问题导向,不断优化工艺技术指标,强化技术攻关,积极推广应用新技术、新工艺、新材料、新装备,原料转化率稳步提高,降低了原料成本及能源消耗,产品成本优势明显。
2017年上半年卫生整治数据
我社区一直狠抓城市管理工作不松懈,2017年上半年共清理楼道、房前屋后垃圾340车,卫生死角70处,生活垃圾1123车,更换窨井盖8块、更换及维修垃圾桶23个、新增垃圾果壳箱6处;定期开展春季夏季除四害工作,预防和减少疾病的发生,今年上半年社区共投放蟑螂杀虫粉60余瓶、发放灭蚊片3380片、鼠药180包、外环境药水消杀12次;根据管理处要求,及时发现违章搭建3处,上报3处,并建立了违章搭建工作台账。
根据处综管办任务部署,我社区城市管理工作站安排了每日巡查整治,根据牛皮癣整治要求,为彻底解决牛皮癣清除后留印问题,城市管理站站长突破创新,采取多种方式,最终取得了良好的成果,我社区上半年共清除牛皮癣1326处,使垃圾广告乱贴现象得到有效的遏制。
凯美怡和社区居委会
2017年6月26日。
建筑垃圾行业现状分析报告投资管理部2017年8月1日目录一、建筑垃圾的概念1二、建筑垃圾的来源1建筑垃圾的来源分类:1三、建筑垃圾处理行业情况1四、政策情况2五、商业模式3一开展试点示范推广先进经验3二 "互联网+"应用于建筑垃圾管理4三引入社会资本实行特许经营4各项指标:41、所属行业:42、主营业务:43、产品或服务:44、客户类型:45、关键资源:46、销售渠道:57、收入来源:5六、处理技术与方向5七、标杆企业5八、行业痛点与不足6一土地资源缺,选址要求高6二市场"卖不好",企业"吃不饱"6三政策技术不成熟,灰色利益难斩断6九、未来的趋势与机遇7一我国建筑垃圾存量7二政府产业支持7三 "一带一路"71.需求和供给并存72.我国建筑垃圾资源化能为"一带一路"更好实施保驾护航83.应将建筑垃圾资源化项目纳入"一带一路"基础建设的一部分8十、我们的建议与想法9一要完善法规9二修订完善建筑垃圾资源化利用的技术规范9三明确建筑垃圾再生品使用标准及管理评价规范9四制定完善的建筑垃圾排放监测监管制度9五需要坚持使用资源付费和谁污染环境、谁破坏生态谁付费的原则9六政策扶持10一、建筑垃圾的概念建筑垃圾指人们在从事拆迁、建设、装修、修缮等建筑业的生产活动中产生的渣土、废旧混凝土、废旧砖石及其他废弃物的统称.按产生源分类,建筑垃圾可分为工程渣土、装修垃圾、拆迁垃圾、工程泥浆等;按组成成分分类,建筑垃圾中可分为渣土、混凝土块、碎石块、砖瓦碎块、废砂浆、泥浆、沥青块、废塑料、废金属、废竹木等.二、建筑垃圾的来源建筑垃圾的来源分类:<1>土地开挖:分为表层上和深层上,前者可用于种植,后者主要用于回填、造景等;<2>道路开挖:分为混凝土碎块和沥青混凝土碎块;<3>旧建筑物拆除:分为砖和石头、混凝土、木材、塑料、石膏和灰浆、钢铁和非铁金属等几类;<4>建筑工地垃圾:分为剩余混凝土〕工程中没有使用掉的混凝土〔、建筑碎料〕凿除、抹灰等产生的旧混凝土、砂浆等矿物材料〔以及木材、纸、金属和其他废料等类型.三、建筑垃圾处理行业情况随着我国城市化进程步伐日益加快,建筑垃圾随之增加.数据表明,我国城市建筑垃圾已占城市垃圾总量的30%~40%,是第一大城市垃圾源.预计2020年,新建住宅300亿平方米,建筑垃圾至少达500亿吨.建筑垃圾处理行业市场非常巨大,但行业开发率是极低的,即使是,总的处理情况也只有30%,换句话说,也只有30%"财富"被挖掘.当前,在我国建筑垃圾资源化产业市场化、产业化过程中,尽管可以发挥市场在资源配置中的决定性作用,但是从我国建筑垃圾资源化产业的发展实践来看,由于我国长期把垃圾处理作为公共事业,政府的扶植配合政策起着关键性作用,多是参与"PPP"融资方式中,今后政府发挥的余地仍然巨大.发达国家经验表明,建筑垃圾资源化利用技术已不是主要瓶颈问题,主要症结就在于相关的法制政策保障的引导与落实.因此,在推进我国建筑垃圾资源化的过程中,政府要做好体制机制方面的重要保障.据建筑垃圾资源化产业技术创新战略联盟发布的资料显示,国外建筑废弃物处置和利用都有较高的技术门槛和行业规范,这对建筑废弃物处置利用行业起到指导监督作用.如美欧日均高度重视建筑废弃物再生技术标准及各种强制性的使用规范.而我国目前建筑垃圾处理行业缺少强制性的严格相关规范,使得我国建筑垃圾回收利用率5%远远低于英国的48%、新加坡的63%、**的80%、日本的95%.若要保证建筑垃圾资源化的质量和效果,我国必须制订一系列的标准规范,才能使建筑垃圾资源化过程中每一个技术环节所提供技术依据,得以找到质量的控制点,使之产品有合格、验收的依据.四、政策情况2017年5月17日,住房城乡建设部国家发展改革委关于印发全国城市市政基础设施建设"十三五"规划的通知.规划提出加强建筑垃圾源头减量与控制.加强建筑垃圾资源回收利用设施及消纳设施建设.积极拓展建筑垃圾再生利用产品市场利用渠道.鼓励建筑垃圾回用于道路及海绵设施建设.开展建筑垃圾存量排查及安全隐患整治.建立建筑垃圾数字化管理平台.2016年12月工业和信息化部公布的《建筑垃圾资源化利用行业规范条件》〕暂行〔〕征求意见稿〔要求,新建、改扩建建筑垃圾资源化利用项目应符合规范条件,项目建设要满足工程勘探、咨询、设计、施工和监理的要求.2016年11月4日,国家住房和城乡建设部网站公布"关于发布行业产品标准《建筑垃圾再生骨料实心砖》的公告".批准《建筑垃圾再生骨料实心砖》为建筑工业行业产品标准,自2017年2月1日起实施,为建筑垃圾再生骨料以及砖块的生产和质量监督提供了重要的技术依据.2016年10月,工信部发布了《关于印发京津冀及周边地区工业资源综合利用产业协同发展示范工程项目名单的通知》〕工信厅节函〔2016〕701号〔,确定了44个京津冀及周边地区工业资源综合利用产业协同发展示范工程项目.2016年8月,国家发展改革委《循环发展引领计划》<征求意见稿>公布.提出"加快建筑垃圾资源化利用.发布加强建筑垃圾管理及资源化利用工作的指导意见,制定建筑垃圾资源化利用行业规范条件.开展建筑垃圾管理和资源化利用试点省建设工作.完善建筑垃圾回收网络,加强分类回收和分选.探索建立建筑垃圾资源化利用的技术模式和商业模式.继续推进利用建筑垃圾生产粗细骨料和再生填料,规模化运用于路基填充、路面底基层等建设.提高建筑垃圾资源化利用的技术装备水平,将建筑垃圾生产的建材产品纳入新型墙材推广目录.把建筑垃圾资源化利用的要求列入绿色建筑、生态建筑评价体系."2016年5月,国务院印发《土壤污染防治行动计划》<以下简称"土十条">,从十方面入手,就今后一段时期全面开展土壤污染治理和修复,逐步改善土壤环境质量,做出具体部署和要求."土十条"中特别强调了要对建筑垃圾进行资源化处置,同时开展建筑垃圾资源化利用示范工作,发挥建筑垃圾资源化在减少生活污染方面的重要作用.建筑垃圾任意填埋不仅占用大量土地,其中含有的有害物质更会污染土壤."土十条"的印发将规范未来建筑垃圾处置,大力推动建筑垃圾资源化进程.2015年9月1日,工业和信息化部、住房城乡建设部关于印发《促进绿色建材生产和应用行动方案》的通知,提出今后将要"以建筑垃圾处理和再利用为重点,加强再生建材生产技术和工艺研发,提高固体废弃物消纳量和产品质量." 工业和信息化部工业节能与综合利用司将"全面推动再生资源综合利用"列为2015年工作要点,要编制建筑垃圾资源化利用先进技术与装备目录、建筑垃圾资源化产业发展专项规划.2015年6月,亚洲开发银行批准了"中国建筑垃圾管理政策研究"国别技援项目〕PATA 8906〔,项目由住房和城乡建设部城市建设司负责执行,金额为40万美元.该项目旨在为中国建筑垃圾管理提供政策建议,提高建筑垃圾资源化利用率.项目主要内容包括:1、对中国建筑垃圾管理情况进行调研和全面评估;2、了解国外建筑垃圾管理的政策法规和相关技术;3、提出规范中国建筑垃圾管理的政策建议,包括建筑垃圾分类利用和处理的技术指南、推广使用资源化产品的支持政策等.2015年4月14日,为贯彻落实《循环经济发展战略及近期行动计划》<国发[2013]5号>,扎实推进循环经济发展,国家发展和改革委员会印发了《2015年循环经济推进计划》.文件要求,由住房城乡建设部、国家发展改革委、财政部、工业和信息化部推进建筑垃圾资源化利用工作.研究起草《关于加强建筑垃圾管理及资源化利用工作的指导意见》和《建筑垃圾资源化利用试点方案》;开展建筑垃圾管理和资源化利用试点省建设工作;鼓励各地探索多种形式市场化运作机制,创新建筑垃圾资源化利用领域投融资模式.2015年4月,《中共中央国务院关于加快推进生态文明建设的意见》正式发布.《意见》要求,全面促进资源节约循环高效使用,推动利用方式根本转变.发展循环经济,按照减量化、再利用、资源化的原则,加快建立循环型工业、农业、服务业体系,提高全社会资源产出率.完善再生资源回收体系,推进建筑垃圾资源化利用.住房和城乡建设部建筑节能与科技司将"提高建筑垃圾综合利用水平"列为2014年工作要点,要研究制定推进建筑垃圾综合利用相关政策文件,指导各地开展建筑垃圾综合利用工作,启动试点示范,推动相关技术、产品、设备的研究开发、推广应用和产业化发展.2015年3月18日,国家发展和改革委员会发文组织申报资源节约和环境保护2015年中央预算内投资备选项目.选项范围:节能、循环经济和资源节约重大项目,重大环境治理工程,战略性新兴产业专项中节能环保技术装备产业化示范项目;其中,建筑废弃物资源化示范项目作为循环经济示范内容和资源综合利用"双百工程"成为节能、循环经济和资源节约重大项目之一.补助标准:原则上按东、中、西部地区分别不超过8%、10%、12%,且单个项目最高补助上限为1000万元.2014年12月31日,国家发展改革委、科技部、工业和信息化部、财政部、环境保护部、商务部等六部委联合印发《重要资源循环利用工程<技术推广及装备产业化>实施方案》,要求"产业废弃物资源化利用:到2017年,在共伴生矿产资源、尾矿、粉煤灰、煤矸石、冶炼渣、工业副产石膏、赤泥、建筑废物等领域研发60-70项具有自主知识产权的技术、装备,推广50-60项先进适用技术、装备"."研发建<构>筑物的拆除技术、建筑废物的分类与再生骨料处理技术、建筑废物资源化再生关键装备、新型再生建筑材料应用技术工艺.推广再生混凝土及其制品制备关键技术、再生混凝土及其制品施工关键技术、再生无机料在道路工程中的应用技术".针对建筑废弃物研发回收利用成套设备,推广应用建筑垃圾、道路沥青处理及利用设备.2014年2月19日,为进一步贯彻落实国务院《节能减排"十二五"规划》和《"十二五"节能减排综合性工作方案》的部署,全面推进节能减排科技工作,科技部、工业和信息化部组织制定了《2014-2015年节能减排科技专项行动方案》,将"建筑垃圾处理和再生利用技术设备"列为"节能减排先进适用技术推广应用"重点任务.五、商业模式现在许多城市都单独出具了相关文件政策,建筑垃圾资源化处理仍然是一项社会福利化任务.大多数省级、地方政府会选择"PPP"模式和社会企业开展合作,主要分三步开展工作:一开展试点示范推广先进经验省住建厅确定若干市〕县〔作为建筑垃圾管理和资源化利用试点市〕县〔,以若干龙头企业为依托培育一批建筑垃圾综合利用示范基地,并联合省财政厅对这些试点市〕县〔、企业和项目进行补贴.当地县市也可通过招标的方式,依据政府指导,建议相关建筑垃圾资源化利用企业开展试点工作,从少量、初级处理到大量、高端处理的探究转变过程.与此同时,省住建厅将积极推广建筑垃圾综合利用试点市〕县〔的先进经验,在城市基础设施建设和改善农村人居环境建设中大力推动再生产品的应用,发挥示范效应.二 "互联网+"应用于建筑垃圾管理在‘互联网+’时代,建立建筑垃圾物联网管理平台十分必要.建筑垃圾目前来看还是属于重量高、附加值低的一种材料来源,通过网络平台来实现科学的资源化利用设施布局、合理的运输路径选择、完善的分类收集制度落实,将对降低处置成本、规范各环节管理起到非常重要的作用.作为建立物联网管理平台作为规范化管理行动计划的重要组成部分,省级政府要求各市〕县〔政府建立由城管、住房建设、公安、交通、环保等职能部门和资源化企业联动的建筑垃圾网络管理平台,通过平台对建筑垃圾产生、收集、运输、处置等四个环节进行监控.同时要求各市〕县〔政府开始定期公布建筑垃圾的产生量、减量化处置和资源化处置计划.三引入社会资本实行特许经营各地政府统筹需要规划、合理布局,引入社会资本,鼓励采取PPP〕政府和社会资本合作〔等投融资模式,加快建筑垃圾资源化利用设施建设.此外,还需要实行特许经营,住房和城乡建设〕市容环境卫生〔行政主管部门根据市〕县〔政府授权,依据建筑垃圾产生量、消纳或资源化利用的需要,采用招投标方式授予建筑垃圾运输企业、消纳或资源化利用企业特许经营权.以建筑垃圾资源化处理试点省份—**省为例,到2020年,县级以上城市要全部建成建筑垃圾资源化利用设施,省辖市建筑垃圾资源化利用率达到70%以上,省直管县〕市〔和其他县〕市〔资源化利用率达到50%以上,**省将培育出一批具有较高技术装备水平和较强产业竞争力的集团化企业,产业化发展达到一定规模,规范化管理和资源化利用试点成果在全省得到全面推广.各项指标:1、所属行业:所处行业为生态保护和环境治理业,一直专注于建筑垃圾资源化利用工作,是国家高新技术企业.2、主营业务:专业从事建筑垃圾收集、运输、处置、研发及再生产品的生产和销售,涵盖了从建筑垃圾收集到再利用环节的全产业链.3、产品或服务:通过不断探索创新,研发成功了适合中国国情的建筑垃圾资源化利用成套设备、工艺和技术.4、客户类型:主要客户类型一般为二大类.第一类是建筑垃圾产生客户,需要公司为其提供建筑垃圾的收集运输服务,收集运输费用由其与公司协商确定,主要客户来源为政府建设部门、土地收储部门、房地产开发商、建筑商等;第二类是再生产品使用客户,需要公司根据其工程需要提供不同品种不同规格的建筑垃圾再生产品,主要客户来源为城市道路、游园、广场的建设单位、水利工程的建设单位等, 双方供需方式一般为政府采购,市场定价.5、关键资源:公司的关键资源是建筑垃圾资源化利用产业关键技术,主要包括建筑垃圾的收集、处理和再生利用三个方面.公司一般会积极与相关研发中心,知名高校实验室开展合作,并聘用专家作为公司专业指导,结合当前国内外先进管理和生产经验,重点在设备、工艺、产品配方、再生骨料性能等方面开展的一系列研究,特别是完成的再生骨料基础性能的研究、基本配方的研究、基本外加剂的研究,为公司快速开发适合不同区域市场的差异化产品奠定了基础.6、销售渠道: <1>收集运输业务:建筑垃圾行业作为市政公用行业,政府对其实行特许经营模式,公司通过政府授权对授权范围内的建筑垃圾进行收集运输,既为公司进行资源化利用提供了原材料保证,又同时保证了公司稳定的收入来源. <2>再生产品业务:渠道之一为政府采购,即再生产品按照国家相关法律法规和文件规定实行政府采购,广泛应用于政府投融资项目,使公司在获得稳定经济效益的同时,也产生了巨大的社会效益<如:减少环境污染、节约土地、保护生态、节能减排等>;渠道之二为市场销售,即通过市场自由化竞争取得销售收入,公司通过积极跟进项目当地建设信息、加强和设计单位及施工单位的沟通等使设计和施工单位充分了解公司的产品性能和生产能力,扩大了公司再生产品的应用范围.7、收入来源:主要为建筑垃圾清运回收利用收入、建筑砂石骨料及再生砖、混凝土销售收入、砂浆收入、建筑垃圾填埋收入.六、处理技术与方向发展方向是针对废混凝土、建筑渣土等建筑垃圾,重点突破建筑废物的分类与再生资源化利用,以及再生混凝土高性能化关键技术,形成适合我国国情建筑资源化技术体系和产业化平台.技术重点主要有三方面.一是建筑垃圾资源化再生技术,重点研究建筑废弃物的分类与再生骨料处理技术、建筑废弃物资源化再生关键装备、再生产品高品质化技术,形成建筑废弃物再生成套工艺与设备,建立完善先进的建筑废弃物回收、再利用体系;二是建筑垃圾资源化利用技术,研究再生混凝土及其制品关键技术、施工关键技术、再生无机料在道路中的关键技术,以及新型再生建筑应用技术,形成有关的产品标准、设计以及施工规范;三是再生混凝土高性能化和利用,重点研究再生混凝土高性能化制备技术、应用技术;再生混凝土耐久性控制技术、长期性能等.实现全产业链覆盖整合.建筑垃圾处理依托于生产线,随着技术不断革新,相应的手段更加环保节能,分类更彻底,利用率更高,破碎后成品骨料的杂质含量更少,品质更优.生产线主要由预分拣区,颚式破碎机,重型筛分模块,正压轻质物分离器,水平筛+负压轻质物分离器,卧轴反击式破碎机,人工捡拾台,输送系统,抑尘降噪系统,控制系统,参观通道组成,通过建筑混合垃圾再生处理流程对建筑混合垃圾中的轻质物,金属,其他杂物<铝合金,电缆,木材等>等进行分拣剔除,对混凝土,废砖头,石头等进行破碎筛分处理加工,从而实现资源再利用.七、标杆企业详情请见附件八、行业痛点与不足一土地资源缺,选址要求高建筑垃圾处理过程比较复杂,不光需要把垃圾分拣处理,还需要将其分解重塑,最后制成环保材料.期间需要多个环节,多个厂房作为支撑.这也就造就了建筑垃圾处理企业需要大量土地建造厂房,只有土地越大,建造的厂房越大,企业每天能处理的建筑垃圾更多.以北上广这种特大城市举例,要建多少企业,给多少土地才能将北上广建筑垃圾消化完?这在北上广这种寸土寸金的大城市是很严重的问题.也暴露了目前在建筑垃圾处置过程中存在土地利用效率低的现象.同时,环保企业选址不仅仅需要考虑不能距离城市过远,增加建筑垃圾运输的成本,同时也不能离城市过近,占用城市规划区域.即使符合要求,周边居民也往往不支持,引起市民对环境污染的担忧.土地资源本来就紧缺,还要考虑土地规划和市政规划的配合.各方未形成合力,难免进展缓慢,这是本行业的痛点之一.二市场"卖不好",企业"吃不饱"许多人思想观念有误,对于建筑垃圾再生产品,往往接受程度低或有抵触情绪,总觉得垃圾制作出来的东西还是垃圾,而拒绝使用.更重要的是,企业在对建筑垃圾回收利用时,是需要花费大量的人力物力,这些费用需要企业自己承担,使得环保再生材料的价格相比同类产品没有优势,这是"卖不好"的表现.另外一个问题是企业"吃不饱".虽然从一开始,企业是按照某种年处理量生产建设,但实际上年处理量远远低于预期,大多数时候它们只能"等米下锅".究其原因还是建筑垃圾的终端处置场所太少,各施工单位、运输单位为了节约成本纷纷自寻出路,城乡结合部往往成为建筑垃圾的"重灾区",一边是建筑垃圾的随意扔弃,破坏环境;一边是建筑垃圾处理行业"巧妇难为无米之炊",这是本行业的痛点之二.三政策技术不成熟,灰色利益难斩断现行与建筑垃圾处理相关的《城市市容和环境卫生管理条例》、《循环经济促进法》等法规主要关注建筑垃圾造成的环境污染及其对市容带来的影响,几乎未涉及建筑垃圾循环利用问题;政策法规缺乏整体性,没有形成一个完善的体系,无法为深入开展建筑垃圾资源化利用提供政策法规支持和保障;缺乏统一规划、没有专管机构,住建、市政、城管部门及街道居委会的职能都有所涉及.尽管我国建筑垃圾处理技术不管改进提升,但相比国外的先进技术,还有很大差距,这就使得我们的回收利用率较低,资源浪费依然较大.建筑垃圾资源化处理背后暗藏着许多灰色利益链,严重阻扰和制约着建筑垃圾向资源化处置方向发展的进程.传统的建筑垃圾处置企业是以受纳场为主,还有一小部分企业挑选建筑垃圾**有利用价值的废弃混凝土、砖、瓦等,进行简单剥离,经过破碎制成再生的砖、瓦等产品,而剩余的建筑垃圾,依然会被随意丢弃或填埋,这其中包含很多有害物质,如废电池、有毒的废铜和铝等,产生二次污染.这些企业经过长期发展,在管理、资金、政府资源等方面都有了一定的经验,也形成了庞大的产业链和利益链,逐步发展成为藩篱围成的"固定圈子".目前建设工程总承包对工程中产生的建筑垃圾,往往会以子工程出标书单独招标,以最低的价格招标,对招标后如何运输往往不闻不问.承运方中标后,由于中标价格低,为赚取最大利益,运输者为躲避检查,经常会在深夜偷运,随意偷倒.这是本行业的痛点之三.九、未来的趋势与机遇一我国建筑垃圾存量就目前我国建筑垃圾的存量来说,供应量充裕,效益巨大.建筑垃圾的产生速度与城市的改进速度是成正比的,据数据显示,我国建筑垃圾现存量已超20亿吨,预计到2020年将达50亿吨左右.曾有行业人士做出这样的计算:按照每年回收建筑垃圾150万吨计算,可替代约120万吨天然石材,价值约6000万人民币.如果能把我国50亿吨建筑垃圾进行资源化再生利用,可以创造上万亿元的价值.可见,建筑垃圾不是垃圾,而是一个巨大的宝藏.二政府产业支持就当前政府对于建筑垃圾资源化产业的支持来说,建筑垃圾资源化得到政府和社会的特别关注和重视,政府已经陆续出台相关政策,对建筑垃圾资源化企业进行支持,现在更有政企合作的PPP模式供企业选择.其不仅在政策上给予支持,在经济上给予补助,在资金、税收、市场和技术服务等方面予以优惠政策.三 "一带一路"另外在国家重大战略层面上,"一带一路"战略也蕴藏了巨大机遇."一带一路"沿线总人口约44亿,经济总量约21万亿美元,分别约占全球的63%和29%.无论从人口总量还是经济总量上来说,都孕育着巨大商机.1.需求和供给并存首先,"一带一路"将极大拉动建材行业需求.在"一带一路"建设中,为加快提升我国与周边国家交通基础设施的互联互通水平,形成区域交通运输一体化,交通运输是优先发展领域."一带一路"沿线60多个国家大多是新兴经济体和发展中国家,多数处于经济发展上升期,无论是从国内需求或是未来区域经济合作的角度分析,这些国家对于基础设施建设的需求均极其旺盛,按照规划,未来10年间基础设施投资将会达到50亿人民币,因此基础设施建设也是"一带一路"发展的重要着眼点.以中国交建在"一带一路"沿线开展的工程量为例,其在"一带一路"沿线修建了10320公里公路、152座桥梁、95个深水泊位、10座机场,都需要大量的建筑材料作支撑.其次,在拆建过程中不可避免会产生大量的建筑垃圾,成为很多国家在发展中亟待解决的一个问题.根据我国废弃物资源化国家工程中心测算,每拆除1平方米的旧建筑,将产生0.8立方米的建筑垃圾,中国与沿线国家基础设施等设施建筑相对滞后,很多原有建筑需要翻新重建,必然会产生大量的建筑垃圾且难以处置.一方面,公路、铁路等基础设施建设急需建筑材料,另一方面,拆除旧建筑产生大量的建筑垃圾,如果不加以解决,这一矛盾只会会伴随着"一带一路"的深入发展而越来越大.而建筑垃圾资源化既可以消化掉建筑垃。
特辑2017·建筑垃圾处理现状分析2017年12月,中国环联发布了五份最新发展报告:生活垃圾分类2017年度发展报告、生活垃圾处理行业2017年度发展报告、危废处理行业2017年度发展报告、土壤修复行业2017年度发展报告和建筑垃圾处理行业2017年度发展报告。
近期,固废观察将摘录这几份报告中,非常具有价值的一些数据和观点,推出一系列固废行业特辑,与大家一起做一次行业回顾与展望。
来源:中国环联建筑垃圾属于垃圾的一种,是指在建筑物、构筑物拆除、新建、重建、维修、装修及自然灾害等过程中产生的各类废弃物,主要包括废混凝土块、沥青混凝土块、砖瓦、杂土及施工过程中散落的砂浆和混凝土、碎砖渣、金属、木材、装饰装修产生的废料、各种包装材料、其他废弃物等各类固体废弃物。
由于土地开挖产生的垃圾、道路开挖产生的垃圾和建材生产垃圾一般可全部(再生)利用,建筑垃圾一般指旧建筑物拆除垃圾和建筑施工垃圾。
旧建筑物拆除垃圾的组成与建筑物的种类有关:废弃的旧民居建筑中,砖块、瓦砾、混凝土块、渣土约占80%,其余为木料、碎玻璃、石灰、金属、包装物、防水材料、各类电信线和电源线、塑料制品等;废弃的旧工业、楼宇建筑中,混凝土块约占50%~60%,其余为金属、砖块、砌块、塑料制品等。
对不同结构形式的建筑工地,垃圾组成比例略有不同,而垃圾数量因施工管理情况不同在各工地差异很大。
从2006年至2014年间,我国建筑业房屋施工面积呈指数型增长,由此可见,我国的建筑垃圾数量也很可能呈指数化快速增长趋势。
2015年,我国建筑业房屋施工面积略有下降,但基本与2014年持平。
从存量来看,过去50 年,中国至少生产了300 亿立方米的黏土砖,这在未来50 年大都会转化成建筑垃圾;中国现有500亿平方米建筑,未来100 年也大都将转化为建筑垃圾;从增量来看,2006年全国建筑业房屋施工面积为41.02亿平方米,而到2015年全国建筑业房屋施工面积为123.97亿平方米,年均增长率为13%。
834-2017加标回收合格范围
《834-2017加标回收合格范围》是指中国国家标准《834-2017建筑垃圾回收再利用产品技术规范》中规定的符合加标回收要求的建筑垃圾回收再利用产品所具备的技术性能范围。
根据该标准的要求,建筑垃圾回收再利用产品应该具备一定的物理、力学、化学等性能,以及对环境的要求。
这些性能指标包括但不限于以下几个方面:
1.物理性能:包括颗粒形状、密度、容重、吸湿性等指标;
2.力学性能:包括抗压强度、抗冻性、耐久性等指标;
3.化学性能:包括碱活性、纯度、腐蚀性等指标;
4.环境要求:包括有害物质含量、辐射性等指标。
只有符合这些要求的建筑垃圾回收再利用产品才能被认定为合格的,才能在建筑工程中使用。
需要注意的是,具体的加标回收合格范围会根据不同的建筑垃圾回收再利用产品而有所不同,具体要求可以通过查阅相关标准文献获得。
2017年我国建筑垃圾行业发展概况分析
建筑垃圾指人们在从事拆迁、建设、装修、修缮等建筑业的生产活动中产生的渣土、废旧混凝土、废旧砖石及其他废弃物的统称。
这些材料对于建筑本身而言是没有任何帮助的,但却是在建筑的过程中产生的物质,需要进行相应的处理,这样才能够达到理想的工程项目建设,正因为是一个整体的过程,所以其环节的考虑是更重要的。
2017 年,全国建筑业总产值为213954 亿元,同比增长10.5%,增速略有回升。
全国建筑业房屋建筑施工面积131.72 亿平方米,同比增长 4.2%。
从施工和新开工项目情况看,施工项目计划总投资1311629亿元,比上年增长18.2%,增速比1-11 月份回落0.5 个百分点;新开工项目计划总投资519093 亿元,增长6.2%,增速与1-11 月份持平。
2007-2017年我国建筑业房屋建筑施工面积走势图
按照我国《民用建筑设计通则》,重要建筑和高层建筑主体结构的耐久年限为100年,一般建筑为50~100年。
“十一五”期间,中国共有46亿平方米建筑被拆除,其中20亿平方米建筑在拆除时寿命小于40年。
2017年我国建筑拆除面积在4.69亿平方米左右,按照每平方米拆除费用1000元人民币计算,建筑拆除要花费4600亿元人民币。
2012-2017年我国建筑拆除面积走势图
2017年建筑垃圾的产生量19.3亿吨,每吨建筑垃圾的运输与处置费用按照35元计算,2017年我国建筑垃圾处理行业规模达到了675.5亿元。
2012-2017年中国建筑垃圾处理行业市场规模
资料来源:智研咨询整理
目前,随着大规模基础设施建设的持续投入、城市建筑垃圾处理的日渐成熟与规范,以及人们环保意识的增强,建筑垃圾再生利用已经在全国各地投入使用生产,为基础设施建设提供了大量原材料,中国移动式破碎筛分设备市场格局势必会呈现突破式的快速行进。
移动式破碎筛分设备在建筑垃圾处理领域的作用日益突出,大多数建筑垃圾经过破碎筛分处理完的骨料,可被再次应用于公路建设、房地产项目、城市化建设、园林建设等领域,具有较高的经济利用价值。
在欧美等发达国家市场,具备移动便捷、环保性能优势更为突出的移动式破碎筛分设备,应用更为普遍,市场占有率更是高达60%-70%。
一些国外相关制造商就已将目光投注其中。
相比于国外工程机械企业纷纷“入驻”中国移动式破碎筛分市场的“热闹”,中国企业也不甘示弱,在技术、营销服务布局上开始快速赶上。
郑州一帆机械经过多年的积极研发,通过与国内建筑垃圾处理市场的严密结合,目前在移动式破碎筛分设备方面已掌握其核心技术,并迅速展开建筑垃圾处理技术的大范围推广,并迅速占领建筑垃圾处理行业市场。
“低碳经济、绿色世界”的主题已经成为时代潮流。
新型节能绿色环保破碎筛分设备以及中国用户对建筑垃圾处理产品方面的认知度不断加强,将促成其行业迅速发展。