维生素E验收标准及检验方法规程
- 格式:doc
- 大小:30.00 KB
- 文档页数:3
测定食品中的维生素A、维生素E的基本测定方法一、案例乳粉是人们认识的养分品,它除了提供丰盛的蛋白质、脂肪等养分物质外,还含有大量的维生素。
维生素A又名视黄醇,只存在于动物组织中,在植物体内则以胡萝卜素的形式存在。
维生素A为条状淡黄色晶体,熔点62~64℃,不溶于水,能溶于乙醇、甲醇、氯仿、乙醚和苯等有机溶剂,易被氧化破坏,对酸不稳定。
维生素E又称生育酚,属于酚类物质,为黄色油状液体,溶于脂溶性溶剂,对热稳定,在酸性环境比碱性环境稳定,在无氧条件下,对热与光以及对碱性环境也相对较为稳定。
二、选用的国家标准 GB/T 5009.82 2003食品中维生素A和维生素E的测定。
三、测定办法 1.皂化称取适量样品1.0~10.0g(含维生素A约3μg,维生素E各异构体约40μg于皂化瓶中,加30mL无水乙醇,振摇使样品簇拥;加入5mL 100g/L抗坏血酸溶液和2.00mL苯并[e]芘溶液(5μg/L,内标用),混匀,加10mL 50%氢氧化钾溶液,混匀,于沸水浴上回流30min,使皂化彻低,皂化后立刻放入冰水中冷却。
2.提取将皂化后的样品移入分液漏斗中,用50mL 水分2~3次洗皂化瓶,洗液并人分液漏斗中;用100mL无水乙醚分2次洗皂化瓶及残渣,乙醚液并入分液漏斗中;轻轻振摇分液漏斗2min,静置分层,弃去水层;每次用约50mL水将乙醚液洗至中性,约4~5次。
3.浓缩将乙醚提取液经无水硫酸钠(约5g)滤入与旋转蒸发器配套的250~300mL球形蒸发瓶内,用约100mL乙醚冲洗分液漏斗及无水硫酸钠3次,并入蒸发瓶内,于55℃水浴中减压蒸馏并回收乙醚,待瓶中乙醚剩下约2mL时,取下蒸发瓶,用氮气吹于乙醚,随即加入2mL乙醇,充分混合、溶解提取物;将乙醇液移人塑料离心管中,于3000r/min下离心5min,上清液供色谱分析用。
4.液相色谱分析色谱推举条件如下。
预柱:ODS 10μm,4mm×4.5cm 分析柱:ODS 5μm,4.6mm×25cm。
适用范围:适用于维生素E的检验。
责任人:化验员。
引用标准:中国药典2010年版二部批准文号:本品为合成型或天然型维生素E;合成型为(±) -2,5,7,8-四甲基-2-(4,8,12- 三甲基十三烷基)-6-苯并二氢吡喃醇醋酸酯或d-α-生育酚醋酸酯。
含C30H52O3应为96.0%~102.0%。
【性状】本品为微黄色至黄色或黄绿色澄清的粘稠液体;几乎无臭;遇光色渐变深。
天然型放置会固化,25℃左右熔化。
本品在无水乙醇、丙酮、乙醚或植物油中易溶,在水中不溶。
【比旋度】避光操作,取本品约0.4g,精密称定,置150ml具塞圆底烧瓶中,加无水乙醇25ml使溶解,加硫酸乙醇溶液(1→7)20ml,置水浴上回流3小时,放冷,用硫酸乙醇溶液(1→72)定量转移至200ml量瓶中并稀释至刻度,摇匀。
精密量取100ml,置分液漏斗中,加水200ml,用乙醚提取2次(75ml,25ml),合并乙醚液,加铁氰化钾氢氧化钠溶液[取铁氰化钾50g,加氢氧化钠溶液(1→125)溶解并稀释至500ml]50ml,振摇3分钟;取乙醚层,用水洗涤4次,每次50ml,弃去洗涤液,乙醚液经无水硫酸钠脱水后,置水浴上减压或在氮气流下蒸干至7~8时,停止加热,继续挥干乙醚,残渣立即加异辛烷溶解并定量转移至25ml量瓶中,用异辛烷稀释至刻度,摇匀,依法测定(附录ⅥE),比旋度(按d-α-生育酚计,即测得结果除以换算系数0.911)不得低于+24︒(天然型)。
折光率本品的折光率(附录ⅥF)为1.494 ~1.499 。
吸收系数取本品,精密称定,加无水乙醇溶解并定量稀释制成每1ml 中约含0.1mg的溶液,照紫外-可见分光光度法(附录ⅣA),在284nm 的波长处测定吸光度,吸收系数(E%1)为41.0~45.0。
1cm【鉴别】(1) 取本品约30mg,加无水乙醇10ml溶解后,加硝酸2ml,摇匀,在75℃加热约15分钟,溶液显橙红色。
目的:规范维生素E的检验操作方法及程序。
范围:维生素E责任:质检员程序:1性状1.1观察本品颜色,澄明度、状态、气味,遇光颜色的变化情况。
1.2观察本品在无水乙醇、丙酮、乙醚、植物油、水中的溶解情况。
1.3折光率依法测定(附录VIF)1.4吸收系数1.4.1方法取本品,精密称定,加无水乙醇溶解并定量稀释制成每1ml中约含0.1mg的溶液,照分光光度法(附录IV A),在284nm的波长处测定吸收度。
1.4.2计算公式AE1%1cm=CA:吸收度C:浓度(mg/ml)1.5比旋度避光操作。
取本品约0.4g,精密称定,置150 ml具塞圆底烧瓶中,加无水乙醇25 ml使溶解,加硫酸乙醇溶液(1→7)20ml,水浴回流3小时,放冷,用硫酸乙醇溶液(1→72)定量转移至200 ml量瓶中并稀释至刻度,摇匀。
精密量取100 ml,置分液漏斗中,加水200 ml,用乙醚提取2次(75 ml,25 ml),合并乙醚液,加铁氰化钾氢氧化钠溶液[取铁氰化钾50g,加氢氧化钠溶液(1→125)溶解并稀释至500 ml]50 ml,振摇3分钟;取乙醚层,用水洗涤4次,每次50 ml,弃去洗涤液,乙醚液经无水硫酸钠脱水后,置水浴中减压或在氮气流下蒸干至7∽8 ml时,停止加热,继续挥干乙醚,残渣立即加异辛烷溶解并定量转移至25 ml 量瓶中,加异辛烷稀释至刻度,依法测定(附录VI E),记录读数。
2.鉴别2.1取本品约30mg,加无水乙醇10ml溶解后,加硝酸2ml,摇匀,在75℃加热约15分钟,观察溶液颜色变化。
2.2观察本品的红外光吸收图谱与对照的图谱(附录VI C)。
3.检查3.1酸度取乙醇与乙醚各15ml,置锥形瓶中,加酚酞指示液0.5ml,滴加氢氧化钠滴定液(0.1mol/l)至微显粉红色,加本品1.0g,溶解后,用氢氧化钠滴定液(0.1mol/l)滴定,检读消耗体积(ml)。
3.2生育酚取本品0.10g,加无水乙醇5ml溶解后,加二苯胺试液1滴,用硫酸铈滴定液(0.01mol/l)滴定,检读消耗体积(ml)。
维生素E的含量检验方法一、目的:建立维生素E含量标准检验方法,保证分析结果的准确性。
二、依据:GB/T5009.82-2003三、范围:本规程适用于本公司维生素E含量检验操作四、职责:质量检验员对本标准的实施负责五、正文:1、试制和溶液1.1 无水乙醚::不含有过氧化物。
1.1.1 过氧化物检查方法:用5 mL乙醚加1mL10%碘化钾溶液,振摇1 min,如有过氧化物则放出游离碘,水层呈黄色或加4滴0.5%淀粉溶液,水层呈蓝色。
该乙醚需处理后使用。
1.1.2 去除过氧化物的方法:重蒸乙醚时,瓶中放人纯铁丝或铁末少许。
弃去10%初馏液和10%残馏液。
1.2 无水乙醇:不得含有醛类物质1.2.1 检查方法:取2mL银氨溶液于试管中,加人少量乙醇,摇匀,再加人氢氧化钠溶液,加热,放置冷却后,若有银镜反应则表示乙醇中有醛。
1.2.2 脱醛方法:取2g硝酸银溶于少量水中。
取4g氢氧化钠溶于温乙醇中。
将两者倾人1L乙醇中,振摇后,放置暗处两天(不时摇动,促进反应),经过滤,置蒸馏瓶中蒸馏,弃去初蒸出的50 mL。
当乙醇中含醛较多时,硝酸银用量适当增加。
1.3 无水硫酸钠。
1.4 甲醇:重蒸后使用。
1.5 重蒸水:水中加少量高锰酸钾,临用前蒸馏。
1.6 抗坏血酸溶液(100 g/L):临用前配制。
1.7 氢氧化钾溶液(1+1),1.8 氢氧化钠溶液(100 g/1)。
1.9 硝酸银溶液((50 g/L)o1.10 银氨溶液:加氨水至硝酸银溶液(3. 9)中,直至生成的沉淀重新溶解为止,再加氢氧化钠溶液(3.8)数滴,如发生沉淀,再加氨水直至溶解。
1.11 维生素E标准液:a一生育酚(纯度95%)>Y一生育酚(950o),S一生育酚(纯度95%)。
用脱醛乙醇分别溶解以上三种维生素E标准品,使其浓度大约为1 mL 相当于1 mg。
临用前用紫外分光光度计分别标定此三种维生素E溶液的准确浓度。
1. 12 内标溶液:称取苯并「e」芘(纯度98%),用脱醛乙醇配制成每1 mL相当10 ug苯并「e」芘的内标溶液。
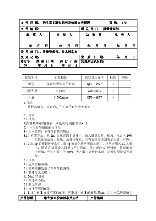
将样品倒入白瓷盘内,在明亮的自然光处观察.2.含量2.1试剂1)四氢呋喃-丙酮溶液:四氢呋喃:丙酮溶液=1:12)α-生育酚醋酸酯标准品3)无水乙醇:不得含有醛类物质3.1)检查方法:取2ml银氨溶液于试管中,加入用量乙醇,摇匀,再加入10%氢氧化钠溶液,加热,放置冷却后,若有银镜反应则表示乙醇中有醛。
3。
2)取2g硝酸银溶于水中。
取4g氢氧化钠溶于温乙醇中。
将两者倾入1L乙醇中,振摇后,放置暗入两天(不时摇动,促进反应),经过滤,置蒸馏瓶中蒸馏,弃去初蒸出的50ml。
当乙醇中含醛较多时,硝酸银用量适当增加。
2.2仪器1)超声波振荡器;2)高效液相色谱仪带紫外检测器;3)紫外分光光度计;4)100ml容量瓶;5)高速离心机;2.3测定步骤1)标准溶液的配制:一100ml溶量瓶中,并定容.将最终稀释液用作标准溶液.1。
2)标准溶液的标定:于紫外分光光度计中按下面条件测定标准溶液的吸光度:维生素E标准溶液测定条件:波长:285nm且E错误!=442。
4样品的处理:1)准确称取20.0mg维生素E样品于一100ml容量瓶中,加水约10ml,于65℃超声水浴10min,冷却至室温。
2)加四氢呋喃:丙酮溶液约75ml,常温下超声水浴20min,冷却后,用四氢呋喃:丙酮溶液定容至刻度,离心后取上清液于液相色谱中测定。
2.5高效液相色谱分析2.5.1色谱条件1)分析柱:ultrasphere ODS 5μm,4。
6mm×25cm;2)甲醇:色谱纯;3)紫外检测器波长:285nm;4)进样量:20μL;5)流速:1.5ml/min;6)灵敏度:0。
5。
2。
5。
2样品分析1)把前标准溶液按上述色谱条件进样3~4次,根据色谱图,计算标准溶液的平均峰面积。
2)将样品溶液按上述色谱条件进样,根据色谱图,计算样品溶液的峰面积. 3)计算A样某种维生素含量(mg/g)= ————-—×C×100÷1000A标×W样式中:A样—-样品溶液的峰面积;A标——标准溶液的峰面积;W样——样品的质量,g;C——标准溶液的浓度,ug/100g。
MM_FS_CNG_0792饲料添加剂维生素E(原料) 检验规程滴定法分光光度法MM_FS_CNG_0792饲料添加剂维生素E(原料)1.适用范围本方法适于由三四基氢与异植物醇为原料,经化学合成制得的维生素E。
在饲料工业中作为饲料添加剂的原料,也可作为抗氧剂。
2. 分子式、分子量分子式:C31H52O3分子量:472.75(按1983年国际原子量)3.技术要求3.1.外观和性状本品为微绿黄色或黄色的粘稠液体,遇光色渐变深。
本品在无水乙醇、丙酮、乙醚或石油醚中易溶,在水中不溶。
4.4.1.主要试剂无水乙醇;乙醚;硝酸;2,2-联吡啶:0.5%乙醇溶液。
三氯化铁:0.2%乙醇溶液;氢氧化钾:0.5mol/L乙醇溶液(按中国药典1985年版二部附录128页制备);95%乙醇;硫酸:12%(V/V)乙醇溶液;硫酸铈;二苯胺:1%硫酸溶液;硫酸铈标准液:0.01mol/L。
按中国药内1985年版二部附录134页制备和标定。
4.2.仪器一般实验仪器设备和折光仪、紫外分光光度计。
4.3.鉴别试验4.3.1.称取样品约30mg,加无水乙醇10mL溶解后,加硝酸2mL,摇匀,在75℃加热约15min,溶解显橙红色。
4.3.2.称取样品约10mg ,加0.5mol/L 乙醇制氢氧化钾溶液2mL ,煮沸5min ,放冷,加水4mL 及乙醚10mL ,振摇,静止使分层,取乙醚液2mL 和0.5%2,2-联吡啶乙醇溶液数滴,0.2%三氯化铁乙醇溶液数滴混合,应显血红色。
4.4.维生素E 含量测定4.4.1.测定方法称取样品0.2g(准确至0.0002g),置具塞棕色锥形瓶中,加无水乙醇25mL 溶解,加12硫酸乙醇溶液25mL ,加热回流3h ,放冷,移置100mL 棕色量瓶中,用少量无水乙醇洗涤容器,洗液并入量瓶中,加无水乙醇稀至刻度,摇匀,准确量取25mL ,置于三角瓶中,加95%乙醇20mL ,水10mL ,1%二苯胺硫酸试液2滴,用0.01mol /L 硫酸铈标准溶液滴定,滴定速度以每10s25滴为宜,至溶液由亮黄色转变为灰紫色,持续10s 即为终点,并将滴定结果用空白试验校正。
维生素E测定方法 Prepared on 22 November 2020MM_FS_CNG_0793饲料添加剂维生素E粉检验规程滴定法称量法MM_FS_CNG_0793饲料添加剂维生素E粉1.适用范围本方法适用于以维生素E为原料,加入适当的吸附剂制成的维生素E粉,在饲料工业中作为维生素类饲料添加剂。
2. 分子式、分子量分子式:C31H52O3分子量:(按1983年国际原子量)3.技术要求.外观和性状本品为类白色或淡黄色粉末,易吸潮。
.粒度本品90%通过三号筛。
.项目和指标4.过程简述.外观及粒度称取样品50g,用肉眼观察颜色,再用三号筛测定。
.鉴别主要试剂无水乙醇;硝酸。
鉴别方法称取样品约相当于维生素E15mg,加无水乙醇10ml溶解后,加硝酸2ml,摇匀,在75℃加热约15min,溶液显橙红色。
.维生素E含量测定主要试剂95%乙醇;无水乙醇;硫酸;二苯胺:1%(g/ml)硫酸溶液;硫酸铈;硫酸铈标准液:L。
按中国药典一九八五版二部附录134页制备和标定。
测定方法称取样品约相当于维生素E (准确至,置于100ml量瓶中,加无水乙醇至刻度。
振摇30min,用干燥滤纸过滤,弃去初滤液,准确吸取续滤液50ml,置于回流瓶中,再加无水乙醇稀释至刻度,摇匀,准确吸取25ml,加乙醇20ml,水10ml,二苯胺硫酸溶液2滴,用L硫酸铈标准液滴定,滴定速度以每10s 25滴为宜,至溶液由亮黄色转变为灰紫色。
持续10s,即为终点,并将滴定结果用空白试验校正。
计算和结果的表示所含维生素E 相当于标示量的百分数X 1(%)按式(1)计算:)1(1008002364.0)((%)01 ⨯⨯⨯⨯⨯-=KG F V V X 式中:V ──样品溶液消耗硫酸铈标准液的体积,ml ;V 0──空白溶液消耗硫酸铈标准液的体积,ml ;F ──硫酸铈标准液浓度校正系数;──滴定度(每1ml L 硫酸铈标准液相当于的C 31H 52O 3);8──样品稀释倍数;G ──样品重量,g ;K ──维生素E 的标示量(如5010033100251002010010100,,,,等)。
文件制修订记录1 范围本标准规定了番茄红素维生素E软胶囊的技术要求、生产加工过程的卫生要求、试验方法、检验规则、标签、标志、包装、运输、贮存、保质期的要求。
2 规范性引用文件下列文件对于本文件的应用是必不可少的。
凡是注日期的引用文件,仅所注日期的版本适用于本文件。
凡是不注日期的引用文件,其最新版本(包括所有的修改单)适用于本文件。
GB/T 191 包装储运图示标志GB/T 1535 大豆油GB 1886.87 食品安全国家标准食品添加剂蜂蜡(含第1号修改单)GB 1886.220 食品安全国家标准食品添加剂胭脂红GB 1886.341 食品安全国家标准食品添加剂二氧化钛GB 2760 食品安全国家标准食品添加剂使用标准GB 4789.2 食品安全国家标准食品微生物学检验菌落总数测定GB 4789.3 食品安全国家标准食品微生物学检验大肠菌群计数GB 4789.4 食品安全国家标准食品微生物学检验沙门氏菌检验GB 4789.10 食品安全国家标准食品微生物学检验金黄色葡萄球菌检验GB 4789.15 食品安全国家标准食品微生物学检验霉菌和酵母计数GB 5009.4 食品安全国家标准食品中灰分的测定GB 5009.11 食品安全国家标准食品中总砷及无机砷的测定GB 5009.12 食品安全国家标准食品中铅的测定GB 5009.17 食品安全国家标准食品中总汞及有机汞的测定GB 5009.22 食品安全国家标准食品中黄曲霉毒素B族和G族的测定GB 5009.35 食品安全国家标准食品中合成着色剂的测定GB 5009.82 食品安全国家标准食品中维生素A、D、E的测定GB 5009.227 食品安全国家标准食品中过氧化值的测定GB 5009.229 食品安全国家标准食品中酸价的测定GB/T 6543 运输包装用单瓦楞纸箱和双瓦楞纸箱GB 6783 食品安全国家标准食品添加剂明胶GB 7718 食品安全国家标准预包装食品标签通则GB 14756 食品安全国家标准食品添加剂维生素E(dl-α-醋酸生育酚)GB 14880 食品安全国家标准食品营养强化剂使用标准GB 16740 食品安全国家标准保健食品GB 17405 保健食品良好生产规范GB/T 22249 保健食品中番茄红素的测定GB 29950 食品安全国家标准食品添加剂甘油YBB 00122002 口服固体药用高密度聚乙烯瓶《保健食品标识规定》《中华人民共和国药典》3 技术要求3.1 原料要求3.1.1 原辅料检验标准要求详见《原辅料检验标准》。
维生素E(dl-α-醋酸生育酚)质量标准
一、品名:维生素E(dl-α-醋酸生育酚)
二、引用标准:GB 14756 《食品安全国家标准食品添加剂维生素E(dl-α-醋酸生育酚)》。
三、质量指标
(一)感官要求
(二)理化指标
四、入厂检验和型式检验
(一)入厂检验
入厂检验项目包括:感官要求。
(二)型式检验
1)型式检验项目为质量指标中规定的全部指标。
2)应每年进行一次型式检验。
3)型式检验由供应商委托合格的第三方检测机构进行。
五、贮存条件和注意事项:
密封于2~8℃干燥避光处保存;不得与有害、有毒物品同时贮存。
六、复验期:12个月。
七、储存期:12个月。
柠檬黄质量标准第2页共2页。
维生素e的含量测定方法-回复维生素E(Vitamin E)是一种重要的脂溶性维生素,对人体健康有许多益处。
它具有较强的抗氧化性能,能够保护细胞免受自由基的损害,从而减缓衰老的过程,维护血管、肌肤以及眼睛的健康。
要正确测定维生素E的含量,有许多可行的方法。
在此,我们将介绍一种常用的方法高效液相色谱法(HPLC),以及步骤和要点。
步骤一: 样品准备首先,我们需要准备样品。
这可以是食物中提取的维生素E,或者是维生素E补充剂。
将样品粉碎,以获得更好的分散性。
根据样品资料,选择合适的样品量,常规情况下为0.2~0.5克。
然后,将样品置于适当的容器中,并密封以防止维生素E的挥发或氧化。
步骤二: 提取过程接下来,我们需要进行维生素E的提取。
这是一种溶剂萃取的方法。
加入适量的萃取溶剂,常见的有乙醇、醚类、氯仿等。
注意,选择合适的萃取溶剂不仅要考虑溶解度,还要考虑其在分析过程中对仪器设备的影响。
样品和溶剂的比例一般为1:10。
然后,利用涡旋振荡器或超声波清洗机将样品与溶剂充分混合,进行提取过程。
提取时间一般为15~30分钟,提取温度可以控制在10~30摄氏度之间。
步骤三: 净化过程提取得到的提取液中可能还包含一些杂质,需要进行净化处理。
通常,我们会利用固相萃取柱(SPE)来进行净化。
选择合适的SPE柱根据维生素E的物理性质和样品特点。
将样品溶液转移至SPE柱中,注意控制流速以保证良好的净化效果。
一般来说,首先使用无极性固相材料进行预洗,然后再使用高极性固相材料进行后处理。
此过程可有效去除大部分杂质。
步骤四: 色谱分析在样品处理完成后,我们就可以进行色谱分析了。
将经过净化的样品溶液注入色谱柱中。
常见的色谱柱是正相色谱柱,填充物可以是矽胶或其他材料。
在色谱分析中,通常会选择适当的流动相,如正己烷/乙酸乙酯/异丙醇。
根据维生素E的特征峰,设置合适的检测波长,通常为280纳米。
然后,利用高效液相色谱仪(HPLC)进行分离和定性分析。
番茄红素维生素E软胶囊1范围本标准规定了格瑞斯牌番茄红素维生素E软胶囊的技术要求、试验方法、检验规则、标志、包装、运输及贮存。
本标准适用于以番茄红素油树脂(番茄红素、脂肪酸甘油酯),维生素E(dl-α醋酸生育酚)、玉米油为原料,以明胶、甘油、纯化水、棕氧化铁为辅料。
经料液胶液配制、制丸、定型、洗丸、干燥、挑拣、包装等工序制成的具有增强免疫力功能的格瑞斯牌番茄红素维生素E软胶囊。
2规范性引用文件下列文件对于本文件的应用是必不可少的。
凡是注日期的引用文件,仅注日期的版本适用于本标准。
凡是不注日期的引用文件,其最新版本(包括所有的修改单)适用于本文件。
GB/T 191 包装储运图示标志GB 1886.233 食品安全国家标准食品添加剂维生素EGB 2760 食品安全国家标准食品添加剂使用标准GB 2761 食品安全国家标准食品中真菌毒素限量GB 2762 食品安全国家标准食品中污染物限量GB 4789.1 食品安全国家标准食品微生物学检验总则GB 4789.2 食品安全国家标准食品微生物学检验菌落总数测定GB 4789.3 食品安全国家标准食品微生物学检验大肠菌群计数GB 4789.4 食品安全国家标准食品微生物学检验沙门氏菌检验GB 4789.10 食品安全国家标准食品微生物学检验金黄色葡萄球菌检验GB 4789.11 食品安全国家标准食品微生物学检验β型溶血性链球菌检验GB 4789.15 食品安全国家标准食品微生物学检验霉菌和酵母计数GB 4806.7 食品安全国家标准食品接触用塑料材料及制品GB 5009.3 食品安全国家标准食品中水分的测定GB 5009.4 食品安全国家标准食品中灰分的测定GB 5009.11 食品安全国家标准食品中总砷及无机砷的测定GB 5009.12 食品安全国家标准食品中铅的测定GB 5009.17 食品安全国家标准食品中总汞及有机汞的测定GB 5009.22 食品安全国家标准食品中黄曲霉毒素B族和G族的测定GB 5009.82 食品安全国家标准食品中维生素A、D、E的测定GB 5009.123 食品安全国家标准食品中铬的测定GB 5009.227 食品安全国家标准食品中过氧化值的测定GB 5009.229 食品安全国家标准食品中酸价的测定GB 6783 食品安全国家标准食品添加剂明胶GB 7718 食品安全国家标准预包装食品标签通则GB 14880 食品安全国家标准食品营养强化剂使用标准GB 16740 食品安全国家标准保健食品GB 17405 保健食品良好生产规范GB/T 19111 玉米油GB/T 22249 保健食品中番茄红素的测定GB 28050 食品安全国家标准预包装食品营养标签通则GB 29950 食品安全国家标准食品添加剂甘油JJF 1070 定量包装商品净含量计量检验规则《中华人民共和国药典》2015版四部国家质量监督检验检疫总局令第75号《定量包装商品计量监督管理办法》国家质量监督检验检疫总局令第123号《食品标识管理规定》3 技术要求3.1 原料和辅料要求3.1.1 原料3.1.1.1番茄红素油树脂(番茄红素、脂肪酸甘油酯):应符合附录A的规定。
题目:维生素e的检测方法学院:食品与生物工程学院专业:应用化学班级:化学1401学号:1410070118学生姓名:闫文卉指导教师:张祥二○一六年十一月维生素e的检测方法摘要:维生素e亦称维他命e,是一种脂溶性维生素。
其水解产物为生育酚,是最主要的抗氧化剂之一,在食油、水果、蔬菜及粮食中均存在。
它溶于脂肪和乙醇等有机溶剂中,不溶于水,对热、酸稳定,对碱不稳定,对氧敏感。
维生素e对人体的益处十分大。
由于其是脂溶性物质,不溶于水相,因此在检测过程中提取困难,在测定操作上有一定的难度。
现存的测定方法之间存在一定的差异,本文采用了气相色谱法和双波长紫外分光光度法具体检测维生素e的含量,并分析其优点与不足。
关键词:维生素e 国标法紫外分光光度法检测1、引言维生素E(Vitamin E)是一种脂溶性维生素,其水解产物为生育酚,是最主要的抗氧化剂之一。
易溶于脂肪和乙醇等有机溶剂中,不溶于水,对热、酸稳定,对碱不稳定,对氧敏感,对热不敏感,但油炸时维生素E活性明显降低。
它能延缓衰老,有效减少皱纹的产生;减少细胞耗氧量,使人更有耐久力,有助减轻腿抽筋和手足僵硬的状况;抗氧化保护机体细胞免受自由基的毒害;改善脂质代谢,预防冠心病、动脉硬化;预防癌症、预防多处慢性疾病;预防炎症性皮肤病、脱发症;预防溶血性贫血、保护红血球使之不容易破裂;预防治疗甲状腺疾病,改善血液循环、保护组织、降低胆固醇、预防高血压;维生素E是一种很重要的血管扩张剂和抗凝血剂可预防与治疗静脉曲张;可防止血液的凝固,减少斑纹组织的产生;强化肝细胞膜、保护肺泡细胞,降低肺部及呼吸系统遭受感染的几率;保护皮肤免受紫外线和污染的伤害,减少疤痕与色素的沉积;加速伤口的愈合;促进性激素分泌,使男子精子活力和数量增加,使女子雌性激素浓度增高,提高生育能力,预防流产。
近来还发现维生素E可抑制眼睛晶状体内的过氧化脂反应,使末稍血管扩张,改善血液循环,预防近视发生和发展。
化妆品中维生素E的检验方法维生素E 乂称生育酚,多存在于植物组织中,在化学结构上客观存在是6-疑基苯骈二氢毗喃的衍生物,环上C2都有屮基和坯链。
由于环上的中基位置和数H不同,有—B、丫、§生育酚等。
天然的生育酚都有是D型,而人工合成的为DL型。
维生素E油状物,在无氧条件下对热稳定。
游离的维生素E和它的酯都极易溶于油脂和大多数有机溶剂,不溶于水,有抗氧化剂的作用。
« -生育酚和« -生育酚乙酸酯是维生素E的衍生物。
I」前已广泛地用于化妆品中作用抗氧化剂。
(-)薄层色谱定性法1应用范围本方法适用于油性沐浴液、护肤霜、香波中a-生育酚和a-生育酚乙酸酯的定性测定。
2原理样品中a -生育酚和a -生育酚乙酸酯在GF-254薄层板上经展开剂展开分离后,在紫外光下观察,根据Rf值进行定性。
3试剂。
-生育酚标准溶液:准确称取。
-生育酚于10ml棕色容量瓶中,用己烷定容到刻度,储于氮气下以避免被空气氧化,避光保存。
此溶液lml含「生育酚。
每周配制一次。
-生育酚乙酸酯标准溶液:准确称取旷生育酚于10ml棕色容量瓶中,用己烷定容,作为储备液。
每周配制一次。
储于氮气下以避免被空气氧化,避光保存。
此溶液每毫升含&-生育酚乙酸酯。
展开剂:环已烷+乙醍(8+2)4 仪器硅胶薄层板:含254nm下产生荧光指示剂。
玻璃层析缸:275X275X75mm (HXWXD)。
5测定样品处理称取定量样品,用数毫升已烷溶解或萃取,离心,取上清液在氮气流下吹气浓缩。
此浓缩液作为待测样品。
薄层定性分析取5〜10 U1待测样品和标准液(和)分别点样于硅胶薄层板()上,样点离底端3cm,二样点间相距1. 5cmo将薄层板置于内装有环己烷+乙醛(8+2)溶液的玻璃层析缸内。
待展开液前沿移动10cm 以后,取出薄层板,自然风干。
将薄层板置紫外光(254nm)下观察。
在绿色荧光背景上出现黑色色斑。
比较待测溶液与标准的色斑位置以定性判别(1)。
维生素E检验记录
【依据】中国药典2010年版
【感观】取本品,至清洁干燥的试管中,在自然光线下观察,本品为。
(规定:白色至黄色粉末)结论:
【含量】仪器:气相色谱仪:电子天平:
色谱柱和典型色谱操作条件
色谱柱:长30m,柱内径0.53 mm或0.32 mm,固定液为100%甲基聚硅氧烷
柱温:280 ℃
检测器:氢火焰离子化检测器,温度300 ℃
进样口:290 ℃;分流进样,分流比1:20;进样量1 μL
载气:氮气,流速5ml/min
1 内标溶液的制备称取十六酸十六醇酯 g,加正己烷溶解,稀释后的
溶液每1mL含 mg的十六酸十六醇酯(3mg),摇匀,作为内标溶液
2 对照品溶液的制备称取约 mg维生素E对照品,精确至0.0001 g,
置10 mL棕色容量瓶中,加内标溶液溶解并稀释至刻度,摇匀,作为对照品溶液。
3 样品溶液的制备称取约⑴ mg,⑵ mg实验室样品,精确至
0.0001 g,置10mL棕色量瓶中,加内标溶液溶解稀释至刻度,摇匀,作为样品溶液。
4 系统适用性试验用甲基聚硅氧烷为固定液的石英毛细管柱(30 m),柱温280 ℃,
理论塔板数按维生E计算,不得小于3000,维生素E与内标峰的分离度应大3。
5 含量的测定量取1.0μL样品溶液注入气相色谱仪,记录色谱图,另取对照品溶
液,同法测定。
按内、标法以峰面积计算出样品中C
31H
52
O
3
的含量。
6 计算结果
⑴ = × = %
⑵ = × = %
平均: % (规定:VE含量不得低于50.0%)结论:。
将样品倒入白瓷盘内,在明亮的自然光处观察.
2.含量
2.1试剂
1)四氢呋喃-丙酮溶液:四氢呋喃:丙酮溶液=1:1
2)α-生育酚醋酸酯标准品
3)无水乙醇:不得含有醛类物质
3.1)检查方法:取2ml银氨溶液于试管中,加入用量乙醇,摇匀,再加入10%
氢氧化钠溶液,加热,放置冷却后,若有银镜反应则表示乙醇中有醛。
3.2)取2g硝酸银溶于水中。
取4g氢氧化钠溶于温乙醇中。
将两者倾入1L乙醇
中,振摇后,放置暗入两天(不时摇动,促进反应),经过滤,置蒸馏瓶
中蒸馏,弃去初蒸出的50ml。
当乙醇中含醛较多时,硝酸银用量适当增
加。
2.2仪器
1)超声波振荡器;
2)高效液相色谱仪带紫外检测器;
3)紫外分光光度计;
4)100ml容量瓶;
5)高速离心机;
2.3测定步骤
1)标准溶液的配制:
一100ml溶量瓶中,并定容。
将最终稀释液用作标准溶液。
1.2)标准溶液的标定:
于紫外分光光度计中按下面条件测定标准溶液的吸光度:
维生素E标准溶液测定条件:波长:285nm且E
1%
1cm =44
2.4样品的处理:
1)准确称取20.0mg维生素E样品于一100ml容量瓶中,加水约10ml,于65℃超声水浴10min,冷却至室温。
2)加四氢呋喃:丙酮溶液约75ml,常温下超声水浴20min,冷却后,用四氢呋喃:丙酮溶液定容至刻度,离心后取上清液于液相色谱中测定。
2.5高效液相色谱分析
2.5.1色谱条件
1)分析柱:ultrasphere ODS 5μm,4.6mm×25cm;
2)甲醇:色谱纯;
3)紫外检测器波长:285nm;
4)进样量:20μL;
5)流速:1.5ml/min;
6)灵敏度:0.5。
2.5.2样品分析
1)把前标准溶液按上述色谱条件进样3~4次,根据色谱图,计算标准溶液的平均峰面积。
2)将样品溶液按上述色谱条件进样,根据色谱图,计算样品溶液的峰面积。
3)计算
A
样
某种维生素含量(mg/g)= ——————×C×100÷1000
A
标×W
样
式中:A
样
——样品溶液的峰面积;
A
标
——标准溶液的峰面积;
W
样
——样品的质量,g;
C——标准溶液的浓度,ug/100g。
3.干燥失重
3.1称取样品1~2g(称准至0.001g)于干燥已知恒重的称量瓶中,于105℃烘箱
干燥1小时。
3.2计算
G
1-G
2
干燥失重 % = ×100
G
1
-G
式中:
G1——干燥前称量瓶加试样重,g;广州赢特保健食品有限公司
2
G——称量瓶重,g。