公共营养师三级技能考试答案及给分标准
- 格式:doc
- 大小:40.50 KB
- 文档页数:11
公共营养师三级技能知识习题参考答案一、食物成分计算11.请正确表述土豆的可食部:94%12.请正确查找100克牛乳中的维生素A含量:28ug/100g13.请正确计算50克土豆(市品)中钙的含量:50×94%×7%=3.3(mg)14.请正确计算50克花生(可食部)中的能量含量:50×566%=283(kcal)15.请正确计算50克黑米中铁的含量:50×6.5%=3.3(mg)二、营养指标计算三、案例计算案例 1 某糖尿病患者某日早餐如下:一杯牛奶(200ml)、一根油条(50g)、一个花卷(100g)。
试从血糖生成指数和血糖负荷角度对其早餐进行评价(保留1位小数)。
每种食物的相关数据如下表所示:表2 所食食物的相关数据1.计算碳水化合物含量:牛奶6.8;油条26.5;花卷45;共计78.32.三种食物碳水化合物构成比:8.7%;33.8%;57.5%3.三种食物对GI的项贡献率:1.8%;25.0%;50.6%4.混合食物的GI:77.4%5.GL:60.6案例2表4 小刘一日三大产热营养素产热比例案例3 某品牌牛奶的营养标签如表6所示,请回答下列问题1.请计算该品牌牛奶的能量密度:0.00282.请计算该品牌牛奶的蛋白质密度:0.04273.请计算该品牌牛奶的钙密度:0.13754.请计算该品牌牛奶中蛋白质的INQ:15.255.请计算该品牌牛奶中钙的INQ:49.116.请说明表出给出的NRV具有什么意义案例4表7 某食堂三天就餐人数统计表1.请计算并完成表4中的空格(请保留1位小数)。
2.请计算平均每人每日主食消耗量3800÷7.6=500(克)案例5对一职工食堂用称重法进行膳食调查,下面是一顿中餐的称重调查结果,进餐人数60人,请在表格中填入该餐各种食品的人均进食量(请取整数,每格2案例61.请计算该女子的BMIBMI=75÷(1.55)2=31.22.请计算该方案中蛋白质、脂类、碳水化合物的摄入量:蛋白质:50×20×20%÷4=50克脂类:50×20×20%÷9=22.2克碳水化物:50×20×60%÷4=150克3.计算该女子1日主食摄入量150÷75%=200(克)4.计算该女子一日肉类摄入量(假定剩余蛋白质全部由肉类来提供)主食已提供的蛋白质:200×10%=20(克)还需补蛋白质:50-20=30(克)需吃肉:30÷20%=150(克)5.如果一日总热能按3:4:3模式来分配,早、中、晚餐的热能应分别为:早:1000×30%=300(kcal)中:1000×40%=300(kcal)晚:1000×30%=300(kcal)案例7某男,45岁,干部,体型正常。
三级技能参考答案(0809)一、(1)食物量计算全日营养素目标值:能量1600kcal 蛋白质55g 2分中餐能量:1600×40%=640kcal 2分蛋白质需要量:55×40%=22g 1分脂肪提供能量:640×25%=160kcal 1分脂肪需要克数:160÷9=17.8g 1分碳水化合物提供能量:640-22×4-160=392kcal 1分需要碳水化合物的克数:392÷4=98g 1分需要粳米的量:98÷77.9%=126g 2分粳米提供的蛋白质量:126×7.4%=9.3g 1分副食提供的蛋白质量:22-9.3=12.7g 1分豆干提供蛋白质的量:12.7×30%=3.8g 1分豆干的数量:3.8÷15.8%=24g 1分动物性食品应提供的蛋白质:12.7×70%=8.9g 1分牛肉提供的蛋白质量:8.9×60%=5.3g 1分所需牛肉量:5.3÷20.2%=26 1分鸡蛋提供的蛋白质量:8.9×40%=3.6g 1分所需鸡蛋量:3.6÷13.3%=27g 1分(2)不宜选择的烹饪方法粳米:不宜捞、炸1分牛肉、鸡蛋、豆干,不宜煎、炸、烤2分蔬菜:不宜煮、烤、炸1分二、社区居民维生素B2缺乏营养干预计划(一)总体框架1增加设计调查表的内容2分2制定目标长期目标,不应有营养补充剂消费的目标2分4 采取的措施中(1)开展营养教育,不宜用出黑板报、发放宣传折页的方法,应选择录相、讨论的方法2分(3)销售营养补充剂是不应进行的方法2分5 在3年后进行干预效果评价不当,应每年或每阶段进行评价。
2分(二)平衡膳食教育计划1教育内容错误①平衡膳食分五层,最多的一层为谷类2分②宝塔的量不是熟重,而是生重1分③食物应多样化,虽然蔬菜含维生素B 2少,但它却是中国居民的主要膳食来源1分④要适当选内脏,还要考虑胆固醇的含量2分⑤数量不应固定,用交换法进行调整1分⑥要积极利用当地资源选择食物1分2教育方式有误教育中应多示范2分三、1 介绍营养特点2分(1)青菜富含维生素、矿物质、膳食纤维,维生素C易被破坏、1分(2)瘦猪肉主要含有蛋白质、脂肪、矿物质1分2 原料处理指导,青菜摘去不可食部分1分3 介绍不同烹饪方法可能造成营养素的损失,帮助居民选择适当方式2分(1)青菜宜先洗后切、急火快炒、现做现吃1分(2)瘦猪肉宜选择炒、炖、蒸、烧的形式,不宜油炸、油煎1分4 根据口味选择风格,以清淡少盐、少辛辣为主1分4 根据年龄选择易消化方法1分5 介绍相关保护营养素的烹饪技巧1分(1)青菜的切配、急火快炒的方法1分(2)瘦猪肉上浆挂糊、勾芡、慎用碱、加醋1分6 示范和建议1分如采用上浆、挂糊、勾芡等方法的示范1分四、(一)应包括:(1)个人情况:了解易出现的营养缺乏病,1分(2)疾病史:排除是其他疾病导致的疾病,1分(3)膳食史:了解营养素摄取情况,2分(4)缺乏原因调查:进行原因分析,对膳食指导提供依据,2分(5)体征检查:对缺乏病进行判断,2分(6)症状观察:确定和排除有关疾病,1分(7)生化检查:有助确诊。
0909江苏省职业技能鉴定公共营养师三级技能试卷评分标准一、膳食调查与评价 ( 20分 )答案评分标准:1、完成后的表格(1)人日数=早餐用餐人次总数×早餐餐次比+中餐用餐人次总数×中餐餐次比+晚餐用餐人次总数×晚餐餐次比(2)标准人日数=人日数×标准人系数(3)总标准人日数=五个人折合标准人日数之和计算后将结果填入表中(12分)2、计算平均每标准人日三大营养素。
(6分)(1)平均每标准人日蛋白质摄入量=蛋白质总摄入量÷总标准人日数=1203÷15.56≈77.3(克)(2)平均每标准人日脂肪摄入量=脂肪总摄入量÷总标准人日数=1390÷15.56≈89.3(克)(3)平均每标准人日碳水化合物摄入量=碳水化合物总摄入量÷总标准人日数=4230÷15.56≈271.9(克) 3、能量的摄入量(2分)(1)能量总摄入量=蛋白质总摄入量×4+脂肪总摄入量×9+碳水化合物摄入量×4=1203×4+1390×9+4230×4=4812+12510+16920=34242(千卡)(2)平均每标准人日能量摄入量=能量总摄入量÷总标准人日数=34242÷15.56≈2200.6(千卡)二、人体营养状况测定 ( 20分 )答案评分标准:1、皮褶厚度测量方法(6分)(1)校正仪器(按说明书进行)(2)暴露测量部位(3)左手拇指和食指捏起皮褶(注意方向),连同皮下组织(4)确认无肌肉附着(5)右手拇指松开皮褶厚度仪卡钳钳柄,使钳尖部充分夹住皮褶,(6)在皮褶计指针快速回落后立即读数,重复测量3次,取平均值2、皮褶定位(4分)(1)肱三头肌部:上臂背侧中点上约2厘米,即肩峰至肘骨鹰嘴连线中点外侧2厘米。
(2)肩胛下角:肩胛下角下方约1厘米处。
广东省职业技能等级认定试卷公共营养师技能等级认定三级技能考核试卷样题标准答案一、参考答案(12分)1、食物多样,谷类为主(2分)。
2、食动平衡,健康体重(2分)。
3、多吃蔬菜、奶类、大豆(2分)。
4、适量吃鱼、禽、蛋、瘦肉(2分)。
5、少盐少油,控糖限酒(2分)。
6、杜绝浪费,兴新食尚(2分)。
二、参考答案(15分)1.共5分,评分标准:每个人日数各占1分,若结果错误,但列出计算公式且公式正确,可以根据中括号内过程给分,总分四舍五入。
轻体力男性26(人日)(1分);轻体力女性32(人日)(1分);中体力男性22(人日)(1分);重体力男性11(人日)(1分);总就餐人日91(人日)(1分)。
【轻体力男性:25×30%+30×40%+20×30%=26(人日)(0.5分);轻体力女性:28×30%+36×40%+32×30%=32(人日)(0.5分);中体力男性:20×30%+24×40%+22×30%=22(人日)(0.5分);重体力男性:10×30%+12×40%+10×30%=11(人日)(0.5分);总就餐人日数:26+32+22+11=91(人日)(0.5分)】2.共7分,评分标准:标准人占1分,每个标准人系数各占1分,混合标准人系数占2分。
若结果错误,但列出计算公式且公式正确,可以根据中括号内过程给分,总分四舍五入。
以轻体力男性为标准人(1分);轻体力男性标准人系数1.00(1分);轻体力女性标准人系数0.80(1分);中体力男性标准人系数1.16(1分);重体力男性标准人系数1.33(1分)。
混合系数1.01(2分)。
【轻体力男性折合标准人系数:2250÷2250=1.00(0.5分);轻体力女性折合标准人系数:1800÷2250=0.80(0.5分);中体力男性折合标准人系数:2600÷2250=1.16(0.5分);重体力男性折合标准人系数:3000÷2250=1.33(0.5分);混合系数(1.00×26+0.80×32+1.16×22+1.33×11)÷91=1.01(1分)】3.共3分,评分标准:蛋白质摄入量3分。
公共营养师三级专业能力试题答案注意事项1膳食调查与评价20分评分标准【参考答案】(1)调查表中应包括的信息有1)食物的具体名称2分2)调查前结存量2分3)调查期间购入量与废弃量2分4)调查结束时食物的剩余量2分5)用餐者的信息2分6)用餐者用餐情况2分(2)注意事项1)不要忽视零食2分2)注意所记录食物的重量是可食部分还是食品重量2分3)为保证代表性和真实性,时间最好一年四季进行调查,人群也应有代表性2分4)如有生熟比例,如不需要个人量,可不称个人的熟重,按总的熟重来计2分2营养状况测定和评价20分评分标准【参考答案】(1)工作准备:1)准备和调整用到的相关测量器具,如身高计,体重计等1分2)准备记录体格测量结果可能要用到的表格1分(2)工作方案1)了解一般情况,包括年龄,性别,籍贯等1分2)膳食史调查,询问喂养情况包括母乳喂养,辅助添加等情况2分3)了解个人健康状况基本资料,如有无患病寄生虫感染,慢性腹泻,消化道疾病,外科损伤,消耗性疾病等2分4)进行相关体格检查2分①观察被检查者的体型,看是否消瘦,发育不良。
进一步测量包括身高,体重,皮褶厚度,头围,胸围,上臂围等指标。
并和既往的体重作比较,判断体重的变化情况。
2分②观察被检查者的外貌,表情,活动情况,精神状态等,看是否存在精神萎靡,反应冷淡。
2分③主要检查皮肤弹性,看是否有水肿或皮肤干燥 2分④检查全身皮下脂肪层是否变薄或消失,肌肉组织是否松弛或消失2分5)建议患者进行一些实验室指标的检查,如血红蛋白浓度,血清白蛋白,血清运铁蛋白,血清甲状腺素结合前白蛋白,血浆视黄醇结合蛋白等 2分6)询问获得相关信息,了解相关病因:如家长对食物和营养相关知识的错误观念态度,能量,蛋白质摄入不足,获取食物受限等2分7)分析判定要点,作出判定 1分3营养咨询和教育 20分评分标准【参考答案】(1)题目 2分(2)什么是缺铁性贫血,如血红蛋白下降,红细胞减少,红细胞比积降低等 2分(3)缺铁性贫血的表现,如头晕,气急等 2分(4)缺铁性贫血的危害影响生长发育,工作学习和日常生活 2分(5)缺铁性贫血的判定,症状,体征及实验室检查 2分(6)缺铁性贫血的营养相关原因,铁来源不好,铁吸收不佳 3分(7)缺铁性贫血的营养防治,补血红素铁,通过强化食品,营养素补充剂,保健食品补充 3分(8)营养防治的注意点,促进非血红素铁的吸收,减少影响吸收的因素 2分(9)营养防治的误区,牛奶,鸡蛋不提供铁 2分4.膳食指导和评估20分评分标准【参考答案】(1)1)了解学龄儿童的性别,年龄后再查询参考标准2分2)计算产能营养素的数量2分3)了解本地区营养素食物来源情况4)根据产能营养素的需要量,计算主要食物的需要量1分①根据所选择主食的碳水化合物量,首先确定谷类需要量 2分②根据动物类食物蛋白质的含量及应由动物性食品提供蛋白质的数量,确定动物性食品的需要量2分③在去除主食,副食提供的脂肪量外,其余脂肪需要量则用油来调节2分×(2)1)蛋白质65g,提供能量65×4=260kcal 2分2)脂肪的需要量:1900×25%=475kcal3)实际克数475 ÷9=52g 2分4)碳水化合物提供能量:1900—260—475=1165kcal 2分5)需要碳水化合物克数:1165÷4=291g 1分6)大米的量为:291÷73.6%=395.4g 2分5社区营养管理与干预10分评分标准[参考答案](1)B(2)凡是可填写的项目每项0.5分,共8.5分,调查表顺序0.5分居民营养与健康综合信息调查表编号一.基本情况姓名王祥性别①男②女出生日期:1949年6月28号 1分家庭住址:创新小区8幢108室联系方式民族①汉族②回族③其他 2分婚姻状况①未婚②已婚③离异④丧偶 2分文化程度①文盲②小学③初中④高中中专⑤大专本科⑥研究生 4分身高 156cm 体重76kg二.健康状况您目前患有的疾病有:高血压.肥胖三.膳食摄取情况食物名称平均食用次数每天每周每月每年平均每次食用量(克) 粳米3次150大白菜 1 200四.生活方式1.吸烟(1)是否吸烟①是②否(2)平均每日吸烟量①未小于5支②5—10支③10—20支④20支以上 4分2.运动(1)是否运动①是②否(2)主要的运动项目及时间五.体检结果血压收缩压162mmHg 舒张压92mmHg6.食品营养评价10分内容提示:1.牛奶的益处3分2.该产品在鲜牛奶的基础上添加了黑芝麻粉.黑米粉和黑豆粉,所以该产品的膳食纤维含量会高于普通鲜奶,另外铁等无机元素的含量也会较高7分。
公共营养师三级技能真题(含答案)一、填空题(第1-3题,每空1分,共15分)1、体内缺铁可分为三个阶段:(1)铁的( ),无临床症状;(2)( )缺铁期,体内( )下降,处于亚临床阶段;(3)缺铁性( ),( )下降,红细胞色泽暗淡,呈干瘪状。
2、某女士,48岁,教师,身高156cm,体重64kg。
不吃早餐,喜食甜食和油炸食品,有晚餐后边看电视边吃大量零食的饮食习惯,平时运动量少,经常便秘。
近期性情急燥,常发脾气,食欲时好时坏,现月经紊乱,经量较前减少。
体检发现,血压145mmHg/85mmHg,血清胆固醇6.82mmol/1,正常值为( )mmol/L:血清甘油三酯2.08mmol/L,正常值为( )mmol/L;血糖9.9mmol/L,正常值为( )mmol/L;从实验室检验结果该女士可能患有( )症和( )病,需去医院进一步检查,诊断,治疗。
3、某小学四年级学生,午餐蛋白质、脂肪、碳水化合物所提供的能量分别为126kcal,210kcal,504kcal,午餐中蛋白质的供给量是( )g,脂肪的供给量是( )g,碳水化合物的供给量是( )g?儿童食物选择应注意提高膳食中钙的水平,同时应每周安排一次( )食物以补充碘,安排一次( )以补充维生素A和铁。
二、计算题(第4-6题,共35分)4、试用AAS对大米(粳米)的蛋白质进行营养评价。
具体参数见表。
已知100g 大米(粳米)含蛋白质7.2g,含赖氨酸229mg,苏氨酸2 12mg,色氨酸129mg。
请计算大米(粳米)中含有氨基酸的数量(mg/g)并进行蛋白质营养评价。
(10分)表:参考蛋白质中相应氨基酸量5、某大学生食堂,就餐人数500人,其中男生200人,女生300人,年龄在18-25岁。
能量的RNI值:男性为2700kcal/日,女性为2300kcal/日。
(1)以平均能量摄入量为基准,计算蛋白质、脂肪、碳水化合物的摄入量。
(供给比例:蛋白质占12%,脂肪占25%,碳水化合物占63%)(4分)(2)女性2300kcal为基准,计算出男生折合女生的系数,该食堂总人日数。
公共营养师三级技能考核评分标准公共营养师是指在公共场所从事饮食指导工作的专业人员。
为了提供统一的技能考核评分标准,确保公共营养师的素质和能力达到一定的水平,制定公共营养师三级技能考核评分标准具有重要的意义。
本文将介绍公共营养师三级技能考核评分标准的相关内容,以确保公共营养师工作的质量和效果。
一、理论知识考核公共营养师应具备广泛的理论知识,包括但不限于饮食营养学、食品安全与卫生学、营养评估等。
理论知识考核主要通过笔试形式进行,包括选择题和问答题。
选择题考核考察对相关知识的掌握情况,问答题考核考察对知识的理解和应用能力。
理论知识考核的评分标准主要包括准确性、完整性和应用能力。
二、实际操作考核公共营养师的工作需要具备一定的实际操作能力,例如食品营养计算、饮食方案设计、营养咨询技巧等。
实际操作考核主要通过实地操作形式进行,例如模拟咨询、食品营养计算等。
实际操作考核的评分标准主要包括操作的准确性、规范性和流程的熟练程度。
三、沟通能力考核公共营养师在工作中需要与人进行有效的沟通,包括与客户的沟通、与其他专业人员的沟通等。
沟通能力考核主要通过模拟情境或面试形式进行,考察公共营养师的沟通表达能力、倾听能力和解决问题的能力。
沟通能力考核的评分标准主要包括语言表达的准确性、沟通技巧和沟通结果的效果。
四、专业素养考核公共营养师作为专业人员,需要具备一定的专业素养,例如职业道德、专业知识更新等。
专业素养考核主要通过面试或综合评价形式进行,考察公共营养师的专业素养水平。
专业素养考核的评分标准主要包括道德准则的遵守、对社会责任的认识和对专业知识更新的积极性。
经过以上四个方面的考核,可以全面评估公共营养师的综合能力和素质水平。
考核评分标准的制定有利于提高公共营养师的整体素质,保障他们在饮食指导工作中能够提供高质量的服务。
同时,考核评分标准的公开透明也有利于客户选择合格的公共营养师,从而保障他们的权益。
综上所述,公共营养师三级技能考核评分标准的制定对于提高公共营养师的素质和能力至关重要。
公共营养师(三级)注意事项1、考试时间:闭卷120分2、请仔细阅读答题要求,在规定位置填写答案。
一、单项选择题(从下列各题四个备选答案中选出一个正确答案,并将其代号写在答题纸的相应位置。
答案选错或者未选者不得分。
每小题0.5分,共25分。
)1.下面不属于产能营养素的是。
A. 碳水化合物B. 蛋白质C. 脂肪D. 膳食纤维2.人们所称半EAA是指。
A. Cys和met B、met和Phe C、Phe和Cys D、Cys和Tyr3. 以下哪一种情况会消耗脂肪作为能量来源?A. 上课听讲B. 爬山4小时C. 打30分钟的篮球D. 散步1小时4. 生长期的婴幼儿和青少年,孕期及恢复期的病人他们正处于。
A.B>0正氮平衡,B. B<0负氮平衡,C. B=0氮平衡,D. 非平衡状态5.婴儿“弓形腿”,小儿“鸡胸”,妇女骨质疏松症都会由缺乏引起。
A.V D B、V A C、V E D、V K6. 成人碘缺乏时会导致。
A. 地克病B. 克山病C. 异食症D.地甲肿7. 畜禽肉中的铁是属于。
A. 贮存铁B. 功能铁C. 血红素铁D. 非血红素铁8. 缺乏维生素A不会引起。
A.暗适应能力降低 B. 夜盲症C.癞皮病 D. 皮肤干燥症9. 缺乏维生素C主要会引起。
A.血液凝固慢 B.血流不止C.坏血病 D.白血病10. 以下哪些营养素在加工中最容易损失?A.维生素A和胡萝卜素 B. 维生素C和胡萝卜素C.维生素C和维生素B1 D. 钙和铁11、营养学上,从食物蛋白质的含量、()和被人体利用程度三个方面来全面地评价食品蛋白质的营养价值。
(A)被消化吸收程度(B)蛋白质种类(C)氨基酸分类(D)蛋白质的生物价12、食物中蛋白质含量测定一般使用(),测定食物中的氮含量。
(A)称量法(B)微量凯氏定氮法(C)灰化法(D)系数计算法13、食物中含氮量占蛋白质的(),由氮计算蛋白质的换算系数即是6.25。
(A)10%(B)14%(C)12%(D)16%14、蛋白质的消化率测定的实际应用中,一般不考虑粪代谢氮,不仅实验方法简便,且对人是有一定安全性,这种消化率称为()。
湖北省职业技能鉴定技能试卷答案公共营养师(三级)一、简答题(每小题5分,共20分。
)1. 绿色食品的等级怎样划分?答:绿色食品的等级划分:AA级绿色食品是指生产产地的环境质量符合NY/T391-2000的要求,生产过程中不使用化学合成的肥料、农药、兽药、饲料添加剂、食品添加剂和其他有害于环境和身体健康的物质,按有机生产方式生产,产品质量符合绿色食品产品标准,经专门机构认定,许可使用AA级绿色食品标志的产品(AA级绿色食品实质上就是有机食品)。
(3分)A级绿色食品:A级绿色食品是指生产产地的环境符合NY/T391-2000的要求,生产过程中严格按照绿色食品生产资料使用准则和生产操作规程要求,限量使用限定的化学合成生产资料,产品质量符合绿色食品产品标准,经专门机构认定,许可使用A级绿色食品标志的产品。
(2分)2、简述母乳喂养的特点。
答:(1)营养成分最适合婴儿的需要;(1分)(2)含有多种免疫因子,有助于增强婴儿的抗感染能力;(1分)(3)不容易发生过敏;(1分)(4)有利于母亲的产后康复;(1分)(5)方便、经济。
(1分)3、简述预防骨质疏松症的饮食营养措施。
答:(1)合理充足的钙摄入;(0.5分)(2)合理合理充足的维生素D;(0.5分)(3)钠盐摄入要少;(0.5分)(4)蛋白质摄入要适中;(0.5分)(5)不要酗酒;(0.5分)(6)不要大量饮用咖啡;(0.5分)(7)少喝碳酸饮料;(0.5分)(8)多吃蔬菜水果;(0.5分)(9)多吃富含黄酮类的食物;(0.5分)(10)合理平衡全面的饮食。
(0.5分)4.什么是食物中毒?分为哪几种类型?答:凡健康人经口摄入正常数量、可食状态的“有毒食物”(指被致病菌及其毒素、化学毒物污染或含有毒素的动植物食物)后所引起的以急性感染或中毒为主要临床特征的疾病。
(3分)通常按病原学将食物中毒分为:细菌性食物中毒、有毒动植物食物中毒、化学性食物中毒、真菌毒素食物中毒。
公共营养师三级技能考试题(含答案)一、人群折合系数(一)对某组人群进行连续三天所有餐次的膳食调查,平均能量RNI有四种结果:8人2500kcal,10人2000kcal,4人1800kcal,1人1300kcal;全部人平均每日蛋白质摄入量75g /人·日。
1、计算该人群不同能量需要的亚人群折合标准人系数(保留至小数点后2位数)。
2、计算该人群的混合系数(保留至小数点后2位数)3、计算该人群折合标准人的蛋白质摄入量(保留至整数)。
(二)调查某人群3天所有餐次的膳食情况,其中12人能量RNI为2000kcal,8人2400kcal,6人2600kcal,该人群蛋白质摄入量70g /人·日。
要求:(15分)1、计算三种不同能量需要人群的折合标准人系数。
2、计算该人群的混合系数3、计算该人群折合标准人蛋白质的摄入量。
二、膳食调查(一)计划应用记帐法对某家庭进行膳食调查,请设计《家庭食物消耗量登记表》并写出家庭食物实际消耗量的计算公式。
(二)已知某男性,24岁,公司文员,身高1.62m,体重53kg,请你完成下列操作:1、制作24小时回顾法的膳食营养调查表2、简述调查前的准备工作3、简述调查过程及注意事项三、体格测量(一).某男,58岁,身高165cm,体重166斤,喜吃肥肉、饮酒,较少时间运动。
请您计算并评价该男子体质指数;为了解该男子是否存在向心性肥胖的问题,请提出一项体格测量指标、并写出测量方法和评价标准。
(20分)(二)请写出体重测量的方法及注意事项四、儿童体格评价(一)已知4岁男孩人群体重中位数值16.7kg,标准差2.1 kg;身高中位数值102.9cm,标准差4.2cm;身高94cm的男孩体重中位数值13.9kg,标准差1.0kg。
现测得某4岁男孩身高94cm,体重12.0kg。
1、请写出国际上常用的3种标准差指标评价法的定义及中等、中下等及下等标准范围,并评价该男孩的测量值。
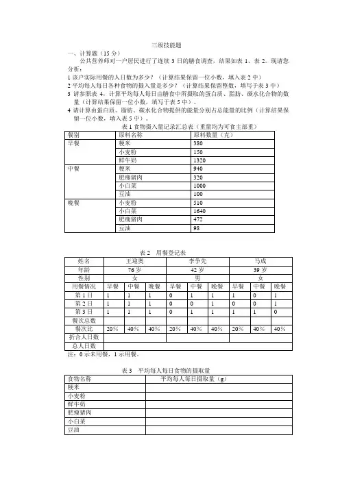
三级技能题一、计算题(15分)公共营养师对一户居民进行了连续3日的膳食调查,结果如表1、表2。
现请您分析:1该户实际用餐的人日数为多少?(计算结果保留一位小数,填入表2中)2平均每人每日各种食物的摄入量是多少?(计算结果保留整数,填写于表3中)3请参照表4,计算平均每人每日由膳食中所摄取的蛋白质、脂肪、碳水化合物的数量(计算结果保留一位小数,填写于表5中)。
4请计算由蛋白质、脂肪、碳水化合物提供的能量分别占总能量的比例(计算结果保留一位小数,填入表5中)。
二、案例设计(35分)现有一公共营养师要进行蛋白质生物学价值的评价,1.您认为应收集哪些生物样品,请选择()。
A尿液B粪便C食物2.请写出有关生物样品相应的收集方法(自收集的准备至保存止)。
3.请写出蛋白质生物学价值具体的评价公式(以能获得的具体量列出)。
三、案例分析(10分)某单位体检发现,在参加体检的347名办公室工作人员中(男性163名),2007年男性肥胖者50名,女性37名,这些员工在2008年体检仍为肥胖,但2008年体检中,男性肥胖者又增加了12人,女性增加了9人,该单位员工年龄均在25~40岁之间,试问:1 2008年该单位肥胖的发病率为多少?患病率又为多少?2 2008年该单位男性肥胖的发病率为多少?患病率又为多少?女性肥胖的发病率为多少?患病率又为多少?3 该单位男女性的比例为多少?(以男性为1)4如果该单位肥胖者拟利用游泳进行减肥,如以日摄取能量的10%作为减肥目标,试问如果每日游泳,男、女员工每日需要游多少时间?(平均体重男性以85kg、女性以70kg计,游泳时的能量消耗为0.070kcal/kg/min)计算结果均保留一位小数。
四、陈述题(20分)请按顺序列出幼儿园可实际操作的食谱编制具体步骤。
五、论述题(20分)公共营养师拟在某学校对学生进行平衡膳食知识的宣传1.可采用什么方法进行学生是否平衡膳食的测评,请给出具体方法?2.如果发现问题,又如何进行平衡膳食的教育,请给出具体方法?参考答案一、计算题(15分)每空格0.5分二、案例设计(35分)1.A,B6分(每个答案3分)2.(1)尿液的收集方法①准备工作:准备收集瓶或尿杯、保存尿液的容器、标签、防腐剂1分②收集1)在收集容器上贴上标签,写上被检者的姓名、性别、年龄、编号。
公共营养师三级实操公共营养师参考题型:理论知识(机考): 每卷共180题,单选140题0.5分/题、多选20题1分/题100 分钟判断 20 题 0.5分/题,合计 100 分;考试时间100分钟技能(实操)考核(笔试): 每卷4个模块,简答题2题 10 分/题、案例分析题2题;第 1题 15 分、第 2题 20 分;计算题 1题 30 分、论述题 1题 15分,合计 100 分;考试时间120 分钟。
请大家把题目自己独立做一遍,再结合书本、参考答案对下,有问题及时提出!考试是笔试,建议认真书写一遍,熟记!谢谢!一、简答题(一)简要列出学龄前儿童食谱编制的工作程序。
(三级技能P257-262)答:程序1 确定全日能量需要程序2 确定宏量营养素需要程序3 根据餐次比计算每餐宏量营养素目标程序4 主食品种、数量的确定程序5 副食品种、数量的确定程序6 蔬菜量确定程序7 油和盐的确定程序8 食谱编制程序9 食谱能量和营养素计算程序10 检查差距和调整(二)产品宣传资料的种类很多,其中印刷资料是传统的宣传资料,简述其优点。
(技能378)印刷宣传品的优点主要体现在以下几个方面1)编制容易,成本低廉,制作周期短,发行快。
2)阅读容易,使用面广。
印刷宣传品可制作成不同形式,向各个阶层人士发行。
由于主要以文字和图片进行表达,适合大众阅读。
3)复制容易,便于借鉴。
印刷宣传品可根据需要随时复制,供消费者阅读、携带。
4)传播容易,不受场所的限制。
印刷宣传品可以在任何场所供消费者参阅,不受条件的限制。
5)形象具体。
印刷宣传品是“看得见摸得着”的东西,便于使用者保存并随时查阅。
6)灵活多样。
印刷宣传品可根据不同的使用对象,制作成不同的形式,反映不同方面的情况。
二、案例分析题(一)某膳食调查项目组有营养师10 人,刚刚在A 社区完成了一项营养教育项目。
为了解A 、B 社区人群近期膳食变化和主要营养素摄入情况,选择了A 社区和B 社区(对照)观察人群进行膳食调查,并计划在1 周内完成,每个社区大约400 户。
公共营养师(三级)技能试卷试题1参考答案1、计算各亚人群的折合标准人系数(1)能量RNI为2700Kcal的人群折合系数:2700kcal ÷2400kcal=1.12(2)能量RNI为2100Kcal的人群折合系数:2100kcal÷2400kcal=0.88(3)能量RNI为1900kcal的人群折合系数:1900kcal÷2400kcal=0.79(4)能量RNI为1400kcal的人群折合系数:1400kcal÷2400kcal=0.582、计算该人群的混合系数混合系数=(1.12×10×3+0.88×8×3+0.79×3×3+0.58×2×3)÷(10×3+8×3+3×3+2×3)=0.953、计算该人群折合标准人的蛋白质摄入量65g/人·日÷0.95=68 g/人·日试题2 参考答案1、评价膳食结构⑴标准:年龄大于6岁女孩适用于《中国居民平衡膳食宝塔》进行评价。
⑵分析:每天食入宝塔4层少于10种食物,⑶评价:膳食结构不合理,午晚餐食物品种重复,缺乏水果类、蛋类、奶类和豆类等食品;⑷建议:增加牛奶、蛋类、豆制品和水果等供给,避免午晚餐的食物重复。
2、评价食物量⑴标准:依据《Chinese DRIs》及《中国居民平衡膳食宝塔》中最低能量摄入水平1600kcal的各类食物要求:谷类225g、大豆类30g、蔬菜300g、水果200、肉类50、乳类300、蛋类25g、水产品50g、烹调油20g进行评价。
⑵计算:粮谷类摄入量175g÷225X100%=77%鱼肉蛋类 60g÷(50+25+50)X100% = 48%蔬菜 200g÷200gX100% = 100%烹调用油 40g÷20gX100%=200%⑶评价:该食谱除烹调用油较高外(>95%±),其余食物量低于宝塔推荐量(<95%±)。
三级技能一、营养素缺乏体征判断与建议小方今年22岁,最近觉得无故疲劳,发现牙龈出血,皮肤瘀斑。
经医生询问,小方由于平时工作繁忙,饮食单一且不规律,不喜欢蔬菜,也很少吃水果。
请问:1.小方可能出现的营养问题是什么?2.针对目前状况,她应该如何调整膳食?需要重点补充哪类食物?3.二、学生营养午餐编制及评价1.请评价此午餐食谱营养搭配是否合理?营养素摄入是否充足?(能量、蛋白质、钙、铁、锌、视黄醇当量、维生素B1、维生素B2)2.若不合理,请调整食谱,并对调整后的食谱重新评价.三、幼儿园食谱编制新星幼儿园有儿童210名,其中3岁组有60名(男29名,女31名),4岁组有80名(男42名,女38名)。
5岁组有70名(男36名,女34名)四、成人职工食堂食谱编制与评价某单位职工食堂每天平均就餐150人,年龄为20~59岁,请按标准人编制一日食谱并计算此食堂一日所需食物总量。
人员组成如下:五、食物营养指数(INQ)值。
六、混合膳食蛋白质互补作用的评价七、食物碳水化合物评价—血糖生成指数三级技能答案一、解答:1.首先应对小方进行营养素缺乏体征进行判断①膳食史调查:饮食单一且不规律,不喜欢蔬菜,也很少吃水果;②相关症状调查:无故疲劳;③体格检查:牙龈出血,皮肤瘀斑;④分析:根据以上调查判断小方的营养问题应该是维生素C缺乏。
建议:选择维生素C治疗试验。
2.针对目前状况,小方的膳食应该进行调整:①饮食规律,食物多样,每天食物种类应该在20种以上。
②多吃蔬菜和水果,蔬菜每天500克,水果400克。
③重点补充富含VC的食物:富含VC的蔬菜(VC含量由高到低):辣椒(红、小)、白萝卜缨、芥兰、甜椒、豌豆苗、油菜苔、青尖辣椒,菜花、苦瓜、西兰花、香菜、水萝卜、藕、香椿、白豆角、油菜富含VC的水果(VC含量由高到低):酸枣、VC橘汁、无核蜜枣、番石榴、中华猕猴桃、蜜枣、草莓、木瓜、荔枝、金桔二、解答:VB2含量均偏低。
2.应对食谱进行简单调整。
公共营养师三级技能真题(含答案)
一、综合应用题:[本题20分]
1、如何合理利用大豆类食物(10分)
2、根据学龄前儿童的生理特点和营养需要,为其提供膳食指南。
(10分)
二、食谱编制题:[本题20分]
根据孕妇的生理特点和营养需要,利用下列食物,为怀孕末期的妇女(7-9月)编制一日食谱,要求写出一日三餐各种食物用量,但不需要写出计算过程。
牛奶、稻米、小麦粉、橘子、白糖、小米、猪瘦肉、油菜、番茄、鸡肉、鸡蛋、草鱼肉、豆腐、小白菜、苹果、菜籽油、食盐。
三、应用计算题:[本题30分]
1、根据人体、面粉和大米蛋白质的必需氨基酸含量,计算出面粉和大米各种必需氨基酸的AAS(氨基酸评分值),确定面粉和大米蛋白质的AAS,并判断面粉和大米蛋白质的质量高低。
(15分)
人体、面粉和大米蛋白质的必需氨基酸含量(mg/g)见下表
名称异亮氨酸亮氨酸赖氨酸蛋、胱氨酸笨丙、酷氨酸苏氨酸缬氨酸色氨酸
面粉42 70 20 31 79 28 42 11
大米52 82 32 30 50 38 62 13
人体40 70 55 35 60 40 50 10。
广东省职业技能等级认定试卷
公共营养师技能等级认定三级理论知识试卷样卷
标准答案
一、单选题(第1题~第120题。
选择一个正确的答案,将相应的字母填入题内的括号中。
每题0.5分,满分60分。
)
评分标准:每题答对给0.5分,答错或不答不给分,也不倒扣分;每题0.5分,共60分。
二、多选题(第121题~第140题。
选择一个以上正确的答案,将相应的字母填入题内的括号中。
每题1分,满分20分。
)
三、判断题(第141题~第180题。
将判断结果填入括号中。
正确的填√,错误的填×。
每题0.5分,满分20分。
)
评分标准:每题答对给0.5分,答错或不答不给分,也不倒扣分;每题0.5分,共20。
公共营养师三级技能考试答案及给分标准(2009-03-22 20:09:19)一、食物营养评价(共20分,每小题10分)1. 计算150g芥菜总维生素E含量?已知100g芥菜含有0.94mgα-维生素E , 0.14mg (β+γ)-维生素E , 0.98mgδ-维生素E 。
答:已知100g芥菜含有0.94mgα-维生素E , 0.14(β+γ)-维生素E , 0.98mgδ-维生素E 150×0.94mg/100+150×0.14mg/100+150×0.98mg/100 (5分)=1.4mg+0.2mg+1.5mg(3分)=3.1mg(2分)答:150g芥菜中总维生素E为3.1mg。
2. 将食品折算成原料,63g米饭折算成多少克粳米?已知100g粳米米饭含碳水化合物为26.0g, 100g粳米含碳水化合物为75.3g.解: 63g粳米米饭含多少碳水化合物100:26.0 = 63 :X (3分)X=16.4g(2分)63g米饭(粳米)含碳水化合物为16.4g折算成粳米:多少粳米能提供16.4g碳水化合物100:75.3 = X:16.4 (3分)X=21.8g(2分)答:16.4碳水化合物需21.8g粳米提供。
二、膳食调查(10分)在某一个幼儿园调查,三餐能量比,早餐为20%,午餐为40%,晚餐为40%,早餐有30名儿童就餐,午餐有25名儿童就餐,晚餐有30名儿童就餐,吃掉1680g馒头,计算每人日馒头的摄入量?解:平均人日数为 30×20%+25×40%+30×40% (3分)=28人日(2分)每人日馒头的摄入量 1680g÷28 (3分)= 60g (2分)平均每人日摄入馒头60g三、营养咨询与指导(简答题)题:婴儿添加辅食通常在什么时间?应按怎样的顺序添加?(10分)答:添加辅食的时间:通常从4个月开始在母乳喂养的同时有步骤的增加辅食。
(2分)添加辅食的顺序1、谷类:例如米粉、面粉(2分)2、蔬菜水果:例如菜泥、果泥(2分)3、奶及奶制品(2分)4、动物性食物:例如蛋黄、肝、肉(2分)在添加这些辅食的过程中,加入适量的食用油(注意不饱和脂肪酸的摄入),但不必加入食盐。
三、膳食评价1.某 25岁男性,身高170厘米,体重70千克,建筑工人,请根据一下餐谱及食品归类排序表,通过有关计算评价此午餐是否合理?(重体力劳动强度按每千克体重每天需要45千卡能量计算)(40分)餐谱重量米饭番茄鸡块白菜炖土豆红椒丝拌苦苣食油小站稻米150g鸡腿肉100g 番茄100g白菜100g 土豆200g红辣椒25g 苦苣100g大豆色拉油20g食品归类排序表食物名称可食部生重(g)蛋白质(g)脂肪(g)碳水化合物(g)大米 150 10.35 1.05 118.8鸡腿肉 100 20.2 7.2 0番茄 100 0.9 0.2 3.3白菜 100 1.1 0.1 2.6土豆 200 5.2 0.4 35.6红辣椒 25 1 0.1 4.4苦苣 100 3.1 0.6 4.5大豆色拉油 20 —— 19.98 0.02合计 41.85 29.63 169.22答案:根据食品归类排序表能量营养素蛋白质脂肪碳水化合物产生的能量(kcal) 167.4 266.67 676.88 (6分)产生的总能量为:167+267+677=1110.95(千卡)=1111(2分)标准体重(千克)=170-105=65千克(4分)每日所需的总能量为:45×65=2925千卡(4分)午餐的能量为:2925×40%=1170千卡(4分)本餐产生的总能量占推荐量的百分比为:(1111-1170)÷1170=-5%(4分)三种能量营养素占总能量的比例为:蛋白质:167÷1111=15%(优质蛋白超过50%)(2分)脂肪:267÷1111=24%(三种脂肪酸的比例比较合理)(2分)碳水化合物:677÷1111=61%(2分)评价:(10分)1、总能量在正常范围内;2、三种能量营养素的比例适宜,符合比例标准;3、从食物种类搭配看,有谷类、薯类、肉类、蔬菜,基本达到了主副食平衡、荤素平衡、酸碱平衡等膳食平衡的要求;4、西红柿、红辣椒、白菜等都是抗氧化能力较强的食品;5、采用了比较合理的烹调方式;6、兼顾了食材易购、食物的美观性和消费者的承受能力。
因此,该午餐基本合理。
2.某 65岁男性,身高170厘米,体重70千克,退休。
请参照上述食谱根据此人的情况变化做以改进并说明理由。
(10分)答案:改进意见:1、降低总能量,例如把主食米饭减去2/3,;2、把食用油的用量降低到15克,减少脂肪的摄入;3、把食用油换成单不饱和脂肪酸含量较高的花生油,使三种脂肪酸的比例更接近于1:1.5:1。
四、人体营养评价(共10分,每小题5分)1.某企业老板,男,43岁,腰围93cm,臀围105cm,用腰臀比评价他们的营养状况。
答案:男性腰臀比的正常值应小于0.9,(2分)此人的腰臀比为0.886,(2分)属正常。
(1分)2.某公司职员,女,40岁,腰围92cm,臀围105cm,用腰臀比评价他们的营养状况。
答案:女性腰臀比的正常值应小于0.85,(2分)此人的腰臀比为0.876, (2分)属于中央型肥胖。
(1分)一、计算题1、某建筑工人每天需要3200kcal的能量,请计算出其蛋白质、脂肪、碳水化合物的日需要量?午餐应供应多少量的主食?答:已知建筑工人日消耗能量是3200kcal,建筑工人是重体力劳动者。
第一步:三大产能营养素,提供的能量分别是:蛋白质=3200×15%=480kcal脂肪 =3200×25%=800kcal碳水化合物=3200×60%=1920kcal第二步:三大产能物质的质量(克数)是:蛋白质=480÷4=120g脂肪=800÷9=88.9g碳水化合物=1920÷4=480g第三步: 午餐应供应的主食:午餐应供的碳水化合物=480÷40%=192g查食物成分表:大米含碳水化合物77.4%如果午餐用大米、所用的大米的质量应为:192÷77.4%=248g查食物成分表:面粉含碳水化合物73.6%如果午餐用面粉,所用的面粉的质量应为:192÷73.6%=261g答:三大产能营养素蛋白质、脂肪、碳水化合物的日需要量分别是:120g、88.9g、480g;如果午餐食用大米,所用的大米量为248g;如果午餐食用面粉,所用的面粉是261g.2、早餐是一个白皮鸡蛋(按60克计算)、一袋牛奶(250克)和凉拌黄瓜(黄瓜100克),该早餐中含蛋白质、脂肪、碳水化合物各是多少克?能够产生的热量是多少?2、解答:已知:白皮鸡蛋60g、牛奶250g、黄瓜100g、第一步:查食物成分表白皮鸡蛋含能量、蛋白质、脂肪、碳水化合物的值分别是:13.8%、12.7%、9.0%、1.5%牛奶含能量、蛋白质、脂肪、碳水化合物的值分别是:54%、3.0%、3.2%、3.4%黄瓜含能量、蛋白质、脂肪、碳水化合物的值分别是:15%、0.8%、0.2%、2.9%第二步:该早餐中蛋白质的量=60×12.7%+250×3.0%+100×0.8%=15.9 g 该早餐中脂肪的量=60×9.0%+250×3.2%+100×0.2%=13.7 g该早餐中碳水化合物的量=60×1.5%+250×3.4%+100×2.9%=12.3 g第三步:该早餐产生的能量=60×13.8%+250×54%+100×15%=232.8kcal答:该早餐中含蛋白质、脂肪、碳水化合物的质量分别是:15.9 g、13.7 g、12.3 g,该早餐能够产生的热量是232.8kcal3、小刚,男孩,5岁,每天需要摄入钙800mg。
小刚一天喝牛奶400g,吃鸡蛋200g,吃大米200g。
请问还需要从其它食物中补充多少钙才能满足其机体需要?小刚的标准体重应该是多少?解答:已知牛奶400g、鸡蛋200g、大米200g第一步:查食物成分表:牛奶、鸡蛋、大米含钙量分别是:104%、56%、13%总的含钙量=400×104%+200×56%+200×13%=554mg已知:男孩,5岁,每天需要摄入钙800mg、554mg<800mg所以,牛奶、鸡蛋、大米三者的含钙总量不能满足每天需要的钙量第二步:其它食物应提供的钙量是=800-554=246mg第三步:小刚的标准体重应该是:年龄×2+8=5×2+8=18kg(书上有公式)答:小刚还需要从其它食物中补充246mg钙才能满足其机体需要,小刚的标准体重应该是18kg。
4、男搬运工人,早餐吃了馒头200g,鸡蛋2个(150g),牛奶200g,凉拌白萝卜丝80g,油5g,请问该工人早餐所摄入能量能满足机体需要吗?还应该补充或减少多少能量?解答:已知早餐馒头200g、鸡蛋150g、牛奶200g、白萝卜80g,油5g查食物成分表:馒头,鸡蛋,牛奶,白萝卜所摄入能量是:221%,144%,54%,31%第一步:总能量=200×221%+150×144%+200×54%+80×31%+5×9kcal=836kcal第二步:已知该工人是搬运工人,是重体力劳动者,该工人每天需要能量是3200kcal,早餐需要能量是3200×30%=960kcal第三步:960kcal-836kcal=124kcal所以,该工人早餐所摄入的能量不能满足机体需要,还应该从其他食物中补充124kcal能量5、11岁女学生,一晚餐进食馒头100克,小米粥(小米30克),茼蒿100克,炒猪肝30克。
请问其优质蛋白符合营养需要吗?解答:已知:馒头100g、小米30g、茼蒿100g,猪肝30g第一步:查食物成分表得:馒头含蛋白质7.0%,小米含蛋白质9.0%,茼蒿含蛋白质1.9%,猪肝含19.3%蛋白质的总量=100×7.0%+30×9.0%+100×1.9%+30×19.3%=17.40g优质蛋白由猪肝提供:优质蛋白=30×19.3%=5.8g优质蛋白的比例:5.8/17.4 ×100% =33.3%如果针对成人来说,优质蛋白质占全天摄入蛋白质总量的1/2-1/3,其符合营养需要,但是针对一个学生来说,优质蛋白质占全天摄入蛋白质总量的1/2,咱们算出来的是33.3%11岁的女同学正处在生长发育时期所以优质蛋白质不符合营养需求。