高压电机铭牌
- 格式:xls
- 大小:49.50 KB
- 文档页数:16
EG系列高压三相同步发电机安全使用维护手册广州英格发电机有限公司GUANGZHOU ENGGA GENERATORS CO.,LTD安全指南EG高压发电机采用最新的发电机设计、生产工艺、质量控制理念,拥有出众性能、可靠质量、优质发电机。
敬请各位用户在使用前务必仔细阅读和理解本手册中有关发电机安装、使用和维护的内容。
安装、调试、检修必须由具备相关高压操作工作资格的专业人员进行,操作人员应能掌握正确的使用方法、安全操作,否则有可能引起严重的人员伤亡或设备损坏事故。
①警示标识本手册中使用和随发电机提供的警示和警告标识的含义如下,发电机组配套商应确保警示标签位置放置正确并清晰,标签含义如下:电气危险标识,可能电气原因会导致人员伤亡的直接危险通用危险标识,可能会导致人员伤亡的直接危险目录1 概述1.1 标准1.2 发电机型号代表意义1.3 铭牌1.4电机的搬运、接收检查、存放与使用2 发电机的使用环境2.1 使用环境2.2 发电机的容量修正3 发电机结构3.1 发电机的工作原理3.2 定子3.3 转子3.4 励磁系统4 安装4.1 安装环境4.2 安装4.3 转向4.4 接线4.5 接地、保护5 运行5.1 运行前的检查5.2 运行前的试验调整5.3 开机与停机6 维护和检修6.1 一般维护6.2 检修项目6.3 发电机的拆装6.4故障现象及排除6.5 AVR故障检修7 保修期限及要求8 随机备件和附件9 对环境及能源的影响本安装使用维护手册阐述了英格EG系列高压三相交流发电机的结构特点、性能原理、安装使用和维护检修。
1 概述1.1 标准发电机符合下列国际和相关国家标准:I.E.C 60034-1 国际电工委员会标准GB755 旋转电机标准1.2 发电机型号意义:EG发电机的型号按照以下方式命名例如:EG560-1600G/10500EG---表示EG系列发电机 560---表示发电机的机座号1600---表示发电机功率(kW) G---表示EG系列高压发电机10500---表示发电机的额定电压(V)1.3 铭牌发电机铭牌位于电机机身右侧(从轴伸端看)。
高压电机工作原理和常见故障处理培训人:涂永刚一、高压电机说明及工作原理1、电机产品型号及标识规定Y-异步电动机T-同步电动机TF-同步发电机QF-汽轮发电机Z-直流电动机ZF-直流发电机SF-水轮发电机Q-潜水电机S1-工作制IC-冷却方式IM-安装形式IP-防护等级三相交流异步电动机的效率:η=P/(√3*U*I*COSφ)其中,P—是电动机轴输出功率,U—是电动机电源输入的线电压,I—是电动机电源输入的线电流,COSφ—是电动机的功率因数2、电动机的输出功率:指的是电动机轴输出的机械功率输入功率指的是:电源给电动机输入的有功功率:P=√3*U*I*COSφ(KW)按说电动机的输入功率应该指的是电源输入的视在功率:S=√3*U*I 这个视在功率包括有功功率(电动机的机械损耗、铜损、铁损等)、无功功率。
额定功率=U*I*√3*cosφ*η3、三相交流异步电动机定子部分:机座,定子铁芯、线圈、绝缘材料、端盖、轴承盖、轴承转子部分:轴、转子铁芯、铸铝笼条、绕线转子、导线、连接环、滑环4、公司高压电机:我公司是指供电电源系用三相交流电,电压等级是6000V三相异步电机。
分类:我公司高压电机分两种:绕线式,鼠笼式。
用途:鼠笼式:一般用于大型斗提及皮带机等一般负载。
绕线式:一般用于球磨机、立磨、破碎机、大型风机等高起动转矩场所。
5、工作原理5.1.高压电机接通线电压为6KV三相初相位相差1200正弦交流电,定子绕组有三相电流通过,在定子铁芯产生一个旋转磁场,静止的转子同旋转磁场有了相对运动,转子导线切割磁力线而产生感应电动势,转子导线是一个闭合的回路因而产生感应电流,电流在磁场作用下产生电磁力,使转子随旋转磁场旋转方向转动起来。
5.2.异步电机指电机的额定转速小于其旋转磁场的速度的电机,使转子与旋转磁场之间速度保持一定差异,始终使转子能切割磁力线保持电机运转。
5.3.转差率是分析异步电机运转特性的一个重要数据,其公式:S=n1-n2/n1n1:旋转磁场的速度n2:电机转子速度。
YB2系列高压隔爆型(ExdⅡCT4)三相异步电动机(机座号355~560)使用说明书江苏锡安达防爆股份有限公司2009年9月20日电话:*************、83591777、83591666厂址:无锡市惠山经济开发区张村路8号1.概述1.1本说明书适用于YB2-355~560系列高压隔爆型三相异步电动机(以下简称电动机),该电动机防爆性能执行GB3836.2-2000《爆炸性气体环境用电气设备 第2部分 隔爆型“d” 》的规定,电气性能执行Q/320206JLAB02-2009的规定,电动机制成隔爆型,防爆标志为ExdⅡCT4〈H2〉,适用于具有引燃温度组别为T1~T4组的可燃性气体或蒸气与空气形成的爆炸性气体混合物(H2)的场所。
1.2 电动机执行标准:GB3836.1 爆炸气体性环境用电气设备第1部分:通用要求GB3836.2 爆炸气体性环境用电气设备第2部分:隔爆型“d”Q/320206JLAB02-2009 YB2系列高压隔爆型(ExdⅡCT4)三相异步电动机技术条件1.3 电动机型号的含义:YB2 – 450 2 – 4 WW—户外型 隔爆型异步电动机 TH—湿热带中心高 TA—干热带 铁心长度代号 极数1.4 电动机的防爆标志位于铭牌及接线盒上,铭牌上防爆等级代号含义如下:Ex d ⅡC T4 (H2)含氢气混合物的环境防爆标志温度组别T4隔爆型Ⅱ类厂用、C级1.5 电动机适用于下列工作条件:1.5.1额定电压:3000V±5%、6000V±5%或10000V±5%,具体见电机铭牌;1.5.2额定频率:50Hz±1%或60Hz±1%;1.5.3 环境空气最高温度:随季节而变化,但不超过40°C;1.5.4 环境空气最低温度为-20℃。
1.5.5最高环境空气相对湿度不超过95%(当温度为+25℃时)或最湿月月平均最高相对湿度为90%,同时该月月平均最低温度不高于+25℃。
高压电机铭牌
高压电机铭牌上通常会标注以下信息:
1. 厂商信息:包括制造商名称、製造国家或地区以及联系方式;
2. 电机型号:一般有专门的型号编码标注;
3. 额定功率:电机的额定功率,单位一般为千瓦(KW)或马
力(HP);
4. 额定电压和频率:电机的额定工作电压和频率;
5. 额定转速:电机的额定转速,单位为转/分钟(RPM);
6. 额定电流:电机的额定电流,在额定电压下的运行电流;
7. 绝缘等级:电机的绝缘等级,常见的有F级、H级等;
8. 冷却方式:电机的冷却方式,如自然冷却、强迫通风等;
9. 防护等级:电机的防护等级,常见的有IP55等级;
10. 序列号:电机的序列号,用于追踪和管理电机的生命周期等。
以上是一般常见的高压电机铭牌上的标注信息,具体信息可能会因电机品牌、型号和用途而有所不同。
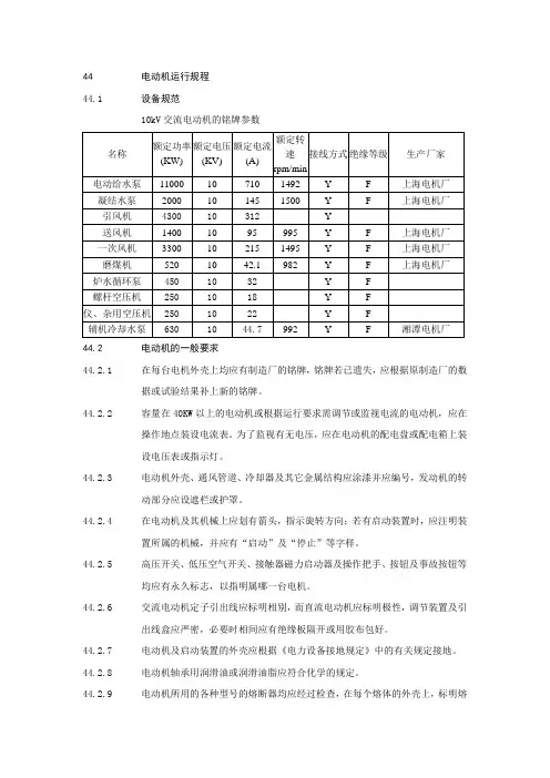
44 电动机运行规程44.1 设备规范10kV交流电动机的铭牌参数44.2 电动机的一般要求44.2.1 在每台电机外壳上均应有制造厂的铭牌,铭牌若已遗失,应根据原制造厂的数据或试验结果补上新的铭牌。
44.2.2 容量在40KW以上的电动机或根据运行要求需调节或监视电流的电动机,应在操作地点装设电流表。
为了监视有无电压,应在电动机的配电盘或配电箱上装设电压表或指示灯。
44.2.3 电动机外壳、通风管道、冷却器及其它金属结构应涂漆并应编号,发动机的转动部分应设遮栏或护罩。
44.2.4 在电动机及其机械上应划有箭头,指示旋转方向;若有启动装置时,应注明装置所属的机械,并应有“启动”及“停止”等字样。
44.2.5 高压开关、低压空气开关、接触器磁力启动器及操作把手、按钮及事故按钮等均应有永久标志,以指明属哪一台电机。
44.2.6 交流电动机定子引出线应标明相别,而直流电动机应标明极性,调节装置及引出线盒应严密,必要时相间应有绝缘板隔开或用胶布包好。
44.2.7 电动机及启动装置的外壳应根据《电力设备接地规定》中的有关规定接地。
44.2.8 电动机轴承用润滑油或润滑油脂应符合化学的规定。
44.2.9 电动机所用的各种型号的熔断器均应经过检查,在每个熔体的外壳上,标明熔体的额定电流值,备用熔体应放在更换方便的地方。
44.2.10 厂用电动机所处的场所应保持清洁无漏水、漏汽及漏油现象,运行人员和维护人员应分别定期清扫电动机外部灰尘。
44.2.11 在爆炸和火灾危险的场所应装设防爆式(隔爆式)电动机,电动机出线处应设有防爆措施。
44.2.12 除远方操作装置距电动机很近外,电动机应设有机旁的事故按钮开关,在事故按钮的回路中可装设闭锁装置,当闭锁不解除时,电动机不能合闸。
44.2.13 重要的和容量较大的厂用电动机应有运行历史记录,其中包括:44.2.13.1 制造厂的出厂检查记录。
44.2.13.2 交接试验记录。
电机基本知识电机是电动机和发电机的统称,通常分为直流电机和交流电机两大类,交流电机分为异步电机与同步电机两类。
这里介绍一下同步电机、异步电动机、电机产品型号编制方法、工作制(S类)、防护型式:IPXX、电机安装结构型式IM XX、绝缘等级、异步电动机额定数据、异步电机主要技术指标、电机选型要点。
1、同步电机回顶部转子转速与旋转磁场的转速相同的一种交流电机,它具有可逆性。
可作发电机运行,也可作电动机运行,还可作补偿机运行。
2、异步电动机回顶部异步电动机是一种基于电与磁相互依存又相互作用而达到能量转换目的的机械。
它的定子、转子在电路上是彼此独立的,但又是通过电磁感应而相互联系的,其转子转速永远低于旋转磁场的转速,即存在有转差率,故称为异步电动机。
工作原理:电机定子通入三相交流电时即可产生旋转磁场,假设旋转磁场为顺时针转动,静止的笼形转子切割磁力线产生感应电流,通电导体在磁场中受力,且此转矩与磁场旋转方向一致,所以转子便顺着旋转磁场方向转动起来。
3、电机产品型号编制方法回顶部产品型号由产品代号、规格代号、特殊环境代号和补充代号等四个部分组成,示例:我公司低压电机(1140V及以下)主要产品代号有:Y、YDDC、YA、YB2、YXn、YAXn、YBXn、YW、YBF、YBK2、YBS、YBJ、YBI、YBSP、YZ、YZR等;高压电机(3000V及以上)主要产品代号有:Y、YKK、YKS、Y2、YA、YB、YB2、YAKK、YAKS、YBF、YR、YRKK、YRKS、TAW、YFKS、QFW等。
常用特殊环境代号有:W(户外型)、WF1(户外防中等腐蚀型)、WF2(户外防强腐蚀型)、F1(户内防中等腐蚀型)、F2(户内防强腐蚀型)、TH(湿热带型)、WTH(户外湿热带型)、TA(干热带型)、T(干、湿热合型)、H(船或海用)、G(高原用)。
4、工作制(S类)回顶部S1—连续工作制S2—短时工作制S3--断续周期工作制S4—包括起动的断续工作制S5—包括电制动的断续工作制S6—连续周期工作制S7—包括电制动的连续周期工作制S8—包括变速负载的连续周期工作制S9—负载和转速非周期变化工作制5、防护型式:IPXX回顶部第一位数字表示:防止人体触及或接近壳内带电部分及壳内转动部件,以及防止固体防异物进入电机。
我厂高压变频器安装调试及常见故障处理摘要:1111厂使用的美国罗宾康公司生产的完美无谐波高压变频器,是独山子的先例,此文介绍了高压变频器使用条件、安装条件以及调试时的注意事项和常见故障处理方法关键词:高压变频器调试故障处理一、完美无谐波高压变频器简介:1111厂两台稀烃泵驱动用高压变频器是美国罗宾康公司生产的完美无谐波系列高压变频器。
该型号变频器具有输入输出谐波低、功率因数高、dv/dt低、效率高、维护方便、体积小及中心点偏移旁路等优点。
高压变频器铭牌参数如下:●NXG Harmony Drive●额定功率:450kW,额定输入电压:6000VAC,额定输入频率:50Hz,额定输入电流:64A。
输出频率:0-50Hz,输出电压:0-6000VAC,额定输出电流:70A。
控制电源:380V,50Hz,30A。
●两台电机铭牌参数为:额定功率410kW,额定电压6000VAC,额定转速1490rpm,额定电流49.6A.二、高压变频器安装条件两台高压变频器安装在6KV高压配电室隔壁一楼专门的高压变频器室。
房间尺寸长×宽×高=6000×5000×3000。
通风条件:两台轴流风机强排风。
房间位置靠阴面。
三、高压变频器的调试内容1.6KV高压主电源通电前检查内容∙确认柜风机的所有封口的完整性。
∙确认所有低压控制连接正确。
∙确认变频器正确接地。
∙对所有功率单元进行内部机械和电气连接作外观检查。
∙检查并紧固所有柜间的连接,特别是电流反馈、线电压反馈。
∙打开变压器柜门,检查变压器。
高压电缆接头为:+5%∙打开功率单元柜,检查功率单元。
功率单元的中心点为T1。
∙将功率单元串联之间的连接线T1和T2脱开。
∙检查变压器次级到单元的接线。
用万用表电阻挡检查变压器次级到输入单元间的电阻,确认变压器绕组连接正常。
∙送380V控制电源。
检查微处理器初始化和风机的转向正确。
∙确认冷却系统正常,风机运行时通过单元柜门、变压器柜门和过滤器的气流应能将标准厚度的A4纸张牢牢的吸附在过滤器上。
高压电动机保护整定方案整定计算说明:1、电动机起动电流按实测值,如无则暂按6倍额定电流计算;2、起动时间按一般轻载起动电动机取6s ;循环泵、电动给水泵、吸风机、送风机按6s ;一次风机、密封风机等按15s ;3、F-C 回路中接触器最大分断电流为4kA ;4、在电动机起动试验时,应实测电动机起动电流及起动时间,并根据实测值对保护定值进行重新调整;5、有关参数均按设计资料,如现场设备与设计不一致,则应按实际参数对保护定值进行修改1、电动给水泵保护1、参数及容量(1)电动机铭牌参数P e =3400kWI e =374A 保护CT 变比=600/5零序CT 变比=100/5(2)电动机额定二次电流计算3.1(A)5/600374==e I 取为3A(3)电动机额定启动电流计算18.7(A)5/6007436qde =⨯=⨯=TAeqd n I K I 取为19A(4)电动机启动时间整定值计算。
为保证电动机可靠启动,取 式中max .st t —电动机正常最长启动时间(s)。
电动机启动时间整定值取为t qd =10s 。
(5)电动机允许堵转时间整定值取为t yd =10s 。
2、电动机差动保护定值计算(1)差动速断电流计算。
按躲过电动机起动时最大不平衡电流计算,根据经验取I sd =(4~5)I e (大型发电机继电保护整定计算与运行技术第二版494页))(153.05A I cdsd =⨯=取为15A(2)最小动作电流I set 计算。
按经验公式I set =(0.3~0.4)I eI set =0.4I e =0.4×3=1.2A(3)比率制动系数K 计算。
按经验公式K=(0.4~0.5)取K=0.5(4)差动保护动作时间整定。
由于加装纵差动保护的电动机都用断路器切除短路电流,所以动作时间为固有动作时间,取t dz =0s ,保护投跳闸。
3、电动机综合保护定值计算 3.1、电流速断保护定值计算(1)高定值动作电流计算。
电动机试验报告用途:#4炉引风机B(63416)安装位置:#4机6KV配电室B段#8柜I、铭牌数据型号额定电压额定电流192.5A 接法额定功率绝缘等级F级功率因数编号额定转速745r/min 生产日期生产厂家东方电机股份有限公司II、绝缘检查温度: 29 ℃U对V、W及地420/350MΩV对U、W及地450/350MΩW对V、U及地400/300MΩIII、直流电阻测试绕组名称U1— U2V1— V2W1— W2直流电阻0.1225Ω0.1227Ω0.1224ΩⅣ、极性检查:经直流感应法检查,U1、V1、W1同极性。
Ⅴ、直流耐压相别试前绝缘试后绝缘试验电压泄漏电流试验时间U-V、W及地800/600MΩ3400/2000 MΩ18KV 64uA 1分钟V-U、W及地350/280MΩ400/320MΩ18KV 72uA 1分钟W-U、V及地320/250MΩ330/260MΩ18KV 70uA 1分钟VI、交流耐压相别试前绝缘试后绝缘试验电压电容电流试验时间U-V、W及地1700/900MΩ2000/1100Ω10KV 172mA 1分钟V-U、W及地550/450MΩ550/450 MΩ10KV 163mA 1分钟W-U、V及地490/380MΩ490/380 MΩ10KV 174mA 1分钟VII、电机空载运行试验起动电流运行电流A相(2h)运行电流C相(2h)保护整定1250A 66.0A 66.2A 正确试验结论:合格使用仪器:QJ44 双臂电桥 0.2级 NO:90081845 MF500指针万用表 NO:3116.89.4 T51-V型电压表 0.5级 NO:065105 ZC48电动兆欧表 2500V 50000MΩ NO:62 YDJ-5/10高压试验变压 5KVA NO:954 FRC-100M高电压测量装置 1.3级 NO:98068。
10kv高压电机电流计算方法10kV高压电机的电流计算方法可以通过以下步骤来进行:1.确定电机的功率:根据电机的额定功率来确定电流计算的起点。
额定功率通常可以在电机的铭牌上找到。
假设电机的额定功率为PkW。
2. 确定电机的功率因数:功率因数是指电机实际输出功率与电机表面标识的额定功率之间的比值。
功率因数通常可以在电机的铭牌上找到。
假设电机的功率因数为cos(φ)。
3.计算电机的输入功率:输入功率是指电机从电源输入的总功率,可以通过以下公式计算得到:输入功率=额定功率/功率因数在这个例子中,输入功率为P / cos(φ) kW。
4.确定电机的电源电压:电源电压是指供电给电机的电压,通常可以在电机的电源线上找到。
假设电机的电源电压为UV。
5.计算电机的电流:根据欧姆定律,电流可以通过以下公式计算得到:电流=输入功率/(根号3×电源电压)在这个例子中,电流为(P / cos(φ)) / (√3 × U) A。
通过上述步骤,我们可以得到电机的电流值。
然而,要注意的是,上述计算方法仅适用于理想条件下的电机运行情况。
在实际应用中,还应考虑到电机的负载情况、功率因数的变化以及电压的稳定性等因素。
关于10kV高压电机常见故障,一般包括以下几种情况:1.绝缘故障:绝缘故障可能导致电机出现漏电、短路等问题。
绝缘故障的主要原因包括使用不当、过载运行、湿气侵入等。
2.轴承故障:轴承故障通常会导致电机运转不平稳、发出异常噪音等问题。
轴承故障的主要原因包括润滑不良、轴承损坏等。
3.绕组故障:绕组故障可能导致电机电流突然升高、温度升高等问题。
绕组故障的主要原因包括绝缘老化、电压波动等。
4.转子故障:转子故障通常会导致电机的转速不稳定、振动增大等问题。
转子故障的主要原因包括转子不平衡、转子损坏等。
以上仅列举了部分10kV高压电机的常见故障情况,实际应用中还可能存在其他故障。
为了保证电机的正常运行,应定期进行维护检修,并及时排除故障。
电动机铭牌暂载率的最新符号表示“断续运行”是电动机在额定负载下,其工作与休止作周期性的交替,用暂载率来表示(即在10min的一上周期内,电动机持续负载运行的时间与周期之比的百分数。
)分为15%、25%、40%和60%四种类型。
如暂载率为25%的电动机,是在一个周期内工作2.5min,停车7.5min普通设备的暂载率为100%。
某些设备的暂载率由最高限制,比如电焊机。
这些设备所谓连续使用(比如24小时)其实还是断断续续的,这些设备的铭牌上都有暂载率的指标。
铭牌上不表暂载率的设备按照100%计算。
诸如电动机之类的用电器都属于电感类设备,这些设备需要考虑功率因数。
一般可以按照0.8计算,但最好加一套功率因数表。
如果你的工地上又变电室,一定要有功率因数表和补偿电容。
千万不要企图将功率因数补偿到1,会引起谐振,很危险的。
暂载率又叫额定负载持续率、负载相对持续系数,是电气设备运行主要技术指标之一,它不仅影响电气设备容量,还影响电气设备的使用寿命。
以电焊机的暂载率为例作一讲解。
焊机暂载率即焊接时间与工作周期之比。
工作周期即为负载时间与休息时间之和。
计算暂载率公式:表示。
式中F-暂载率,t-焊接时间(分钟),T-焊机电源工作周期(焊接时间与休息时间之和)手工弧焊规定T为5分钟,其他焊接方法,T为1O分钟或5分钟。
FS表示暂载率,部颁标准有15%、25%、40%、60%、80%、100%六种。
又如电厂冷凝器、轨道或自动送丝机、建设工地电气设备等,其容量设计时均需考虑暂载率。
通常焊机容量选取可按照铭牌上所列数据,以FS=65%来确定(使用时FS的百分数越大,焊机容量相应减少)焊机工作时要产生温升,温升过高会烧坏焊机,温升不但与电流大小有关,还与通电时间长短有关。
所以焊机出厂时,铭牌上不但注明额定电流,而且还注明暂载率。
在温升相等情况下,不同的暂载率对应不同的实际工作电流,可用下式换算:。
如某焊机额定输出电流I额定=500(A),FS额定=60%,要求出任暂载率为80%下允许电流I实为:,其他暂载率下的实际可使用电流如附表。
高压电动机铭牌数据及额定值型号:表示电动机的系列品种、性能、防护结构形式、转子类型等产品代号。
功率:表示额定运行时电动机轴上输出的额定机械功率,单位KW或HP ,1HP=0.736KW 。
电压:直接到定子绕组上的线电压(V),电机有Y形和△形两种接法,其接法应与电机铭牌规定的接法相符,以保证与额定电压相适应。
电流:电动机在额定电压和额定频率下,并输出额定功率时定子绕组的三相线电流。
频率:指电动机所接交流电源的频率,我国规定为50HZ±1。
转速:电动机在额定电压、额定频率、额定负载下,电动机每分钟的转速(r/min);2极电机的同步转速为3000r/min 。
工作定额:指电动机运行的持续时间。
绝缘等级:电动机绝缘材料的等级,决定电机的允许温升。
标准编号:表示设计电机的技术文件依据。
励磁电压:指同步电机在额定工作时的励磁电压(V)。
励磁电流:指同步电机在额定工作时的励磁电流(A)。
特别提示:一般电机铭牌上标明的是磁极数,在转速计算公式中是磁极对数,所以要除以2再代入公式计算(交流异步电动机铭牌上主要标记以下数据,并解释其意义如下:(1)额定功率(P ):是电动机轴上的输出功率。
(2)额定电压:指绕组上所加线电压。
(3)额定电流:定子绕组线电流。
(4)额定转数(r/min ):额定负载下的转数。
(5)温升:指绝缘等级所耐受超过环境温度。
(6)工作定额:即电动机允许的工作运行方式。
(7)绕组的接法:Δ或Y 联结,与额定电压相对应。
1、型号:例如Y112M-4中“Y”表示Y系列鼠笼式异步电动机(YR表示绕线式异步电动机),“112”表示电机的中心高为112mm,“M”表示中机座(L表示长机座,S表示短机座),“4”表示4极电机。
有些电动机型号在机座代号后面还有一位数字,代表铁心号,如Y132S2-2型号中S后面的“2”表示2号铁心长(1为1号铁心长)。
2、额定功率:电动机在额定状态下运行时,其轴上所能输出的机械功率称为额定功率。
高压电动机铭牌参数名称型号额定功率(KW) 额定电压(KV)额定电流(A)接线方式绝缘等级生产厂家备注1、2号机1、2、3号给水泵YKS800—4 5000 6 569.5Y F 湘潭电机厂水-空1、2号机1、2号循环泵YKSL1600—12/1730—11600 6 187 Y F 兰州电机厂水-空1、2号炉1、2号一次风机YKK560—4 1400 6 155.8Y F 上海电机厂空-空1、2号炉1、2号引风机YKK710—8 1600 6 186 Y F 上海电机厂空-空1、2号炉1、2号送风机YKK500—4 800 6 90.3 Y F 上海电机厂空-空1、2号炉1、2、3、4、5号磨煤机YMPS450—6 355 6 49.4 Y F 湘潭电机厂空-空1、2号机1、2、3号凝结泵YKKL450—4 500 6 60.1 Y F 湘潭电机厂空-空1、2、3号氧化风YKK355-4—4 200 6 24.4 Y F 江苏清江电机厂机1、2号机1、2号开式循环泵YKK355—4 250 6 29 Y F 江苏南通电机厂水-空1、2号炉1、2号球磨机YTM450—6 380 6 48 Y F 湘潭电机厂空-空1、2号机增压风机2500 6 44 Y F 湘潭电机厂空-空1、2号机1、2号浆液循环泵YKK450-3—4 630/6306 66.5 Y F 兰州电机厂水-空1、2号机3号浆液循环泵YKK450-3—4 560 6 66.5 Y F 湘潭电机厂水-空5号甲、乙带式输送机YKK355—4 250 6 28.93Y F 兰州电机厂1、2、3、4、5号热网循环泵Y560—4 1250 6 Y F1、2、3、4、5、6号热网疏水泵220 6 Y F1、2号斗轮机350 6 Y F 电机厂空-空1、2号碎煤机YKK5002—8 450 6 57.7 Y F 湘潭电机厂空-空附录B:#1机低压电动机及闸门电机铭牌参数(汽机主厂房)1、2号闭式循环冷却水泵Y315M—4 132 380 ∆江苏南通电机厂1、2号循环泵坑排污水泵Y112M—2 4 380 ∆上海东方电机厂1、2号润滑油输送泵YB132S—4 5.5 380 ∆ F 沈阳市实力电机厂1、2号水环真空泵Y355L1—10 132 380 275 ∆ F 北京毕捷电机有限公司1、2号定子冷却水泵Y180M—2 22 380 42.2 ∆ F 文登奥文电机有限公司1、2号胶球泵Y160M—4 11 380 22.6 ∆ F 临清市中心飞轮机械厂1、2号闭式冷却水泵YZ315M—4 132 380 240.4∆ F 南通电机制造有限公司1、2排污泵Y2—160L—2 18.5 380 34.7 ∆ F 皖南电机厂1、2循环泵排污泵Y2—160L—2 380 ∆ F 皖南电机厂交流润滑油泵YB2-225M—2 55 380 82.1 ∆ F 电机厂直流润滑油泵Z2—6213 17 220 114.2∆ F 电机厂1、2号顶轴油泵YB250M-4-d/B5 55 380 103 ∆ F 重庆特种电机厂1、2号高Y200L—04 30 380 56.8 ∆ F 昆明电工厂压抗燃油泵Y90L—04 1.5 380 3.7 ∆ F 昆明电工厂高压抗燃循环油泵Y90L—04 1.5 380 3.7 ∆ F 昆明电工厂高压抗燃再生油泵Y132S—4 4 380 8.8 ∆ F 江苏贝得电机厂1、2号交流密封油泵Y132S—4 4 380 8.8 ∆ F 江苏贝得电机厂1、2号交流密封油泵Z2—51 220 ∆江苏贝得电机厂直流事故密封油泵Y132S—4 5.5 220 30.9 ∆ F 江苏贝得电机厂密封油真空泵Y132S—4 5.5 380 11.6 ∆ F 江苏贝得电机厂1、2号密封油再循环泵3GQA/32/D1-B3A 5.5 380 11.3 ∆ F ABB MOTORS 1号给水泵辅助油泵3GQA/32/D1 5.5 380 11.3 ∆ F ABB MOTORS 2、3号给水泵辅助油泵Y2—16M1—2 15 380 ∆ F 电机厂1、2号轴加排气风机1、2号主YB2—100L2 4 380 ∆ F 电机厂风机1、2号密封油排烟风机YB2—90S-2 4 380 ∆ F 皖南电机厂盘车电机YB2—225M—8 22 380 47.4 ∆ F 南阳防爆电机厂汽轮机油净化处理装置滤油机YB132S—6 3 380 重庆特种电机厂1、2号凝结器滤网电机Y90L—4 380 ∆ F 电机厂汽轮机油净化处理装置输油泵Y132S—6 3 380 ∆ F 重庆特种电机厂2台汽轮机油净化处理装置水环真空泵AB—50,SK—1.5 4 380 ∆ F 南京微分电机厂2台汽机房大天车75T/25T 新乡起重运输机械厂2台附录C:#1炉低压电动机及闸门电机铭牌参数(锅炉主厂房)1、2号凝结水输送泵Y280S—2 75 380 ∆上海东方电机厂1、2号暖Y200L2—2 37 380 70.4 ∆ F 上海东方电机厂泵1、2号密封风机Y315M—4 132 380 207.7∆ F磨煤机润滑油泵Y132S1—2 5.5 380 15.2 ∆ F磨煤机排渣箱闸门阀油泵Y100L2—4 2.2 380 ∆ F液压加载油泵电机Y160L—4 15 380 ∆ F磨煤机盘车装置电机Y200L2—4 22 380 ∆ F给煤机驱动主电机SA77DV100L4 3 380 ∆ F给煤机清扫电机R67DT80N44 0.75 380 ∆ F引风机轴冷却风机电机2.2 380 ∆ B引风机稀油站油泵电机Y801—A 0.55 380/220∆/Y F送风机液压油站油泵电机Y801—A 2⨯2.2380 8.5 ∆ F空预器主驱动电机Y1601—4 2⨯15 380 24.6 ∆ F空预器辅助驱动电机Y160M2—8 2⨯5.5380 12.6 ∆ F空预器润滑油电机Y802—4 2⨯0.75380 ∆ F吹灰器电机AO2—6324—B5 0.18 380 ∆ F附录D:锅炉公用低压电动机铭牌参数火检风机电机11 380 ∆ F 附录E:工业废水泵房低压电动机铭牌参数1、2、3、4号经常性废水输送泵22 380 ∆自吸式1、2号非经常性废水输送泵22 380 ∆自吸式1、2、3号罗茨风机22 380 ∆絮凝反应槽搅拌泵∆泥浆输送泵∆泥浆浓缩脱水机∆1、2号立式液下渣浆泵∆最终中和池搅拌机7.5 ∆螺浆式1、2号清水输送泵45 ∆盐酸加药系统卸酸泵3 ∆1、2、3号盐酸计量泵∆碱加药系统卸碱泵3 ∆碱液输送泵3 ∆卸次氯酸钠泵3 ∆次氯酸钠输送泵3 ∆电动葫芦6M ∆1.0T电动葫芦8M ∆3.2T电动葫芦6M ∆0.5T附录F:汽机公用低压电动机铭牌参数防爆玻璃钢屋顶风机YB180L—12 11 380 ∆ B 河北衡水电机有限公司23台防爆玻璃钢屋顶风机YB180L—12 4 380 ∆ B 河北衡水电机有限公司6台热网补水泵Y160M1—2 11 380 ∆ F 上海东方附录G:综合水泵房低压电动机铭牌参数1、2号工业给水泵37 380 ∆3号工业给水泵75 380 ∆1、2、3号循环水补给水泵45 380 ∆1、2号排水泵380 ∆电动葫芦6M380 ∆ F 3T 附录H:循环水泵房低压电动机铭牌参数液控阀电动头电机Y112M—6—135 380 ∆ F电动葫芦单轨10T 电动葫芦双轨40/10T∆附录I:生活污水及雨水泵房低压电动机铭牌参数1、2号生活污水泵15 380 ∆1、2号雨水泵45 380 ∆3号雨水泵75 380 ∆∆附录J:生活及消防水泵房低压电动机铭牌参数电动消防泵Y315M—2 132 380 242.3∆消火栓柴油机消防泵G128ZLD2 227 ∆消火栓1、2号稳压泵Y2—100L—2 3 380 6.31 ∆消火栓电动消防泵Y315L—4 160 380 289.04∆自动喷水柴油机消防泵G128ZLD2 227 ∆自动喷水1、2号稳压泵Y2—100L—2 3 380 6.31 ∆自动喷水1、2号生活给水泵Y2—160S—2 11 380 6.31 ∆生活变频供水电动葫芦6M∆3T∆∆∆∆附录K:化学水处理低压电动机铭牌参数1、2、3号Y200L—4 30 380 56.8 ∆江苏大中电机厂生水泵Y180M—2 22 380 42.2 ∆江苏大中电机厂1、2号热网补水泵Y200L—4 30 380 56.8 ∆江苏大中电机厂1、2、3号超滤水泵1、2号叠Y160M1—2 11 380 21.8 ∆江苏大中电机厂片过滤器反洗水泵Y180M—4 18.5 380 35.9 ∆江苏大中电机厂1、2号超滤反洗水泵Y2-160L—2 18.5 380 34.7 ∆江苏大中电机厂1、2号超滤清洗泵Y2-160M2—2 15 380 29.4 ∆江苏大中电机厂反渗透清洗泵GH15CT37 37 380 66.6 ∆进口格兰富1.2.3.4高压给水泵Y180M—2 22 380 42.2 ∆江苏大中电机厂1、2、3号中间水泵1、2号热Y180M—2 22 380 42.2 ∆江苏大中电机厂网补水泵1、2号除Y180M—2 22 380 42.2 ∆江苏大中电机厂盐水泵Y225M—2 45 380 83.9 ∆江苏大中电机厂启动除盐水泵1、2号自Y160M2—2 15 380 29.4 ∆江苏大中电机厂泵1、2号卸酸泵Y112M—2 4 380 8.2 ∆江苏大中电机厂1、2号卸碱泵Y132S—4 5.5 380 11.6 ∆江苏大中电机厂1、2号中和水泵Y160M2—2 15 380 29.4 ∆江苏大中电机厂1、2号罗茨风机Y2-250M—4 55 380 103 ∆百事德制造江苏大中电机厂1、2、3号杀菌剂计量泵YSJ7114 0.25 380 ∆美国米顿罗1、2号絮凝剂计量泵YSJ7114 0.25 380 ∆美国米顿罗1、2号还原剂计量泵YSJ7114 0.55 380 ∆美国米顿罗1、2、3、4号阻垢剂计量泵YSJ7114 0.1 220 ∆美国米顿罗1、2号絮凝剂搅拌泵YSJ7114 0.55 380 ∆北京中联动力1、2号还原剂搅拌泵YSJ7114 0.37 380 ∆北京中联动力1、2号阻YSJ7114 0.55 380 ∆北京中联动力泵1、2、3、4号除碳风机Y112M—2 4 380 ∆江苏大中电机厂凝结水精处理1、2号再循环泵Y225M—2 45 380 ∆凝结水精处理1、2号罗茨风机Y2-180L—4 22 380 ∆凝结水精处理1、2号冲洗水泵Y180M—2 22 380 ∆凝结水精处理1、2号废水排放泵Y200L—2 22 380 ∆自吸式凝结水精处理卸酸泵Y112M—2 5.5 380 ∆氟合金凝结水精处理卸碱泵Y112M—2 5.5 380 ∆1、2、3号给水加氨380 ∆美国耐普顿计量泵 1、2、3号凝结水加氨计量泵380∆美国耐普顿联氨输送泵1.1 380∆1、2、3号给水加联氨计量泵380∆美国耐普顿1、2、3、4号磷酸三钠计量泵380∆美国耐普顿∆ ∆ ∆∆附录L :热网加热站低压电动机铭牌参数附录M :制氢站低压电动机铭牌参数 加水泵YB2—801—40.553801.6YF温州南阳防爆电机厂1台 冷却水泵 Y132S1—2 5.5 380 11 ∆ B 沪源电机厂 2台 屏蔽电泵F84—216H4M1.5 380 5 ∆ H 大连帝国电机厂日本防爆玻璃钢屋顶风机 YB180L —12 4380∆B河北衡水电机有限公司6台附录N :空压机室及飞灰气力输送系统低压电动机铭牌参数空压机132 380 ∆ F灰库气化风机9/12 380 ∆ F 4台空气电加热器380 4台汽车散装机1.1 380 ∆ F双轴搅拌器18.5 380 ∆ F电动给料机4 380 ∆ F∆ F附录O:工业含油废水低压电动机铭牌参数1、2号反洗水泵1.5 380 ∆南京蓝深制泵1、2、3号含油污水提升泵Y100L2—4—B5 3 380 ∆南京蓝深制泵附录P:复用水泵房低压电动机铭牌参数1、2、3号复用水泵90 ∆立式长轴附录Q:工业回收水泵房低压电动机铭牌参数1、2、3号工业回收水泵∆立式长轴电动葫芦 1.0T/0.5T/3.2T 各1 附录R:输煤系统低压电动机铭牌参数1号甲、乙皮带输送机Y315M1—4 160 380 ∆兰州电机厂2号甲、乙皮带输送机Y315M2—4 132 380 ∆兰州电机厂3号甲、乙皮带输送机Y315M2—4 110 380 ∆兰州电机厂双驱4号甲、乙皮带输送机Y315M2—4 160 380 ∆兰州电机厂6号甲、乙皮带输送机Y315M2—4 75 380 ∆兰州电机厂1~10号滚轴筛Y90L—6 3 380 ∆1~4号振动给煤机Y160M—6 7.5 380 ∆ F 天津大明电机厂斗轮机俯仰机构YZR180L—6 15 380 ∆斗轮机回转机构15 380 ∆斗轮机行走机构12⨯5.5380 ∆悬臂胶带机Y225M—4 2⨯45 380 ∆拨车机电机YP2-315S—8 4⨯55 380 ∆拨车机油泵电机Y160M—6 1⨯15 380 ∆翻车机电机YP2-280M—8 2⨯45 380 ∆翻车机油泵电机Y200L—4 1⨯30 380 ∆翻车机振动电机B—11A 4⨯1.1380 ∆迁车台电机YP2-160L—8 2⨯7.5380 ∆推车机电机YP2-280M—8 2⨯45 380 ∆推车机油泵电机Y100L1—4 1⨯2.2380 ∆清篦破碎机Y2-160L—4 15 380 ∆湘潭电机厂清篦破碎机Y2-315S—4 110 380 ∆湘潭电机厂除铁器电机4 380 ∆梨煤其电机1.1 380 ∆复膜扁布袋除尘器风机电机7.5 380 ∆45立方米复膜扁布袋除尘器振动电机2⨯0.18380 ∆45立方米复膜扁布15 380 ∆60袋除尘器风机电机立方米复膜扁布袋除尘器振动电机2⨯0.18380 ∆60立方米多管冲激式除尘器电机Y250M—4 55 380 ∆ F初级采样头160L8A 4.5 380 ∆ F 皮带机采样初级螺旋给料机132S8A 2.2 380 ∆ F 中部取样斗式提升机132S8A 2.2 380 ∆ F 余煤回送破碎机 5.5 380 ∆ F 缩分器 1.1 380 ∆ F 样品收集器80MBA 0.18 380 ∆ F行车式提板刮泥机0.75 380 ∆ F 煤水处理反冲洗水泵7.5 380 ∆ F 煤水处理电动葫芦3T/40m 1 电动葫芦2T/6m 1 电动葫芦5T/13m 1 电动葫芦5T/18m 1 电动单梁悬挂起重3T/13m 1机电动单梁悬挂起重机3T/8m 1电动单梁桥是起重机10T/20m 1电动双梁桥式起重机20T/30m 1∆∆附录S:燃油泵房低压电动机铭牌参数1、2、3号供油泵YB250M—2 55 380 ∆ F 沈阳市实力电机厂水冷1、2、号卸油泵YB160L—2 18.5 380 ∆ F 沈阳市实力电机厂离心式污油泵YB100L1—4 2.2 380 ∆ F 沈阳市实力电机厂3号卸油泵YB200L—4 30 380 ∆ F 沈阳市实力电机厂螺杆式附录T:电除尘系统低压电动机铭牌参数仓壁振打电机380 ∆ F 16/单炉槽扳振打电机380 ∆ F 4/单炉阳极振打电机380 ∆ F 16/单炉阴极振打380 ∆ F 32/电机单炉灰斗气化风机380 ∆ F 4台空气电加热器380 2台附录O:脱硫系统低压电动机铭牌参数(#1循环泵房、增压风机房、吸收塔、GGH、事故浆液,石膏浆液罐、FGD烟道系统、工艺楼)#1、2工业水泵15 380 ∆ F 北起2台#1、2工艺水泵75 380 ∆ F 东起2台#3工艺水泵45 380 ∆ F 东起增压风机稀油站油泵14.2 380 ∆ F增压风机静叶执行机构7.5 380 ∆ F#1、2冷风机7.5 380 ∆ F增压风机电机吊车14.6 380 ∆ F增压风机叶轮吊车14.6 380 ∆ F#1~5搅拌器37 380 ∆ F#1~3循环泵入口们3 380 ∆ F75 380 ∆ F #1、2吸收塔石膏浆液排出泵22 380 ∆ F 吸收塔地坑泵3 380 ∆ F 吸收塔地坑搅拌器3 380 ∆ F 吸收塔排空门净化风机185 380 ∆ F1.5 380 ∆ F 净化风机入口门1.5 380 ∆ F 净化风机出口门#1GGH主18.5 380 ∆ F 电机9.2 380 ∆ F #1GGH辅电机0.75 380 ∆ F #1GGH支撑轴承油泵#1GGH导0.75 380 ∆ F 向轴承油泵7.5 380 ∆ F #1GGH密封风机旋流器废 3 380 ∆ F水泵0.55 380 ∆ F 旋流器废水箱搅拌器22 380 ∆ F #1~3事故浆液搅拌器45 380 ∆ F 事故浆液输送泵3 380 ∆ F 石膏浆液搅拌器11 380 ∆ F #1~2石膏浆液输送泵18.5 380 ∆ F FGD#1~2挡板门密封风机7.5 380 ∆ F FGD原烟道挡板门FGD净烟7.5 380 ∆ F 道挡板门7.5 380 ∆ F FGD旁路道挡板门30 380 ∆ F 石灰石浆液罐搅拌器18.5 380 ∆ F #1~2过滤水地坑泵#1~2过滤 3 380 ∆ F水地坑搅拌器#1~2石灰石供浆泵37 380 ∆ F#1~2球磨机一级再循环箱搅拌器15 380 ∆ F#1~2一级循环A,B泵18.5 380 ∆ F#1~2真空泵132 380 ∆ F#1~2滤布冲洗水泵11 380 ∆ F #1~2滤饼冲洗水泵2.2 380 ∆ FY系列三相异步电动机轴承规格一览表机座号极数轴承规格轴承规格轴承外径(内径X外径X宽度)轴伸端(前侧)风扇端(后侧)80 2,4 180 204 ZI 180 204 ZI 20X47X14 90 2,4,6 180 205 ZI 180 205 ZI 25X52X15 100 2,4,6 180 206 ZI 180 206 ZI 30X62X16112 2,4,6 180 306 ZI 180 306 ZI 30X72X19 132 2,4,6,8 180 308 ZI 180 308 ZI 40X90X23 160 2 309ZI 309ZI 45X100X25 160 4,6,8 309 309ZI 45X100X25 180 2 311ZI 311ZI 55X120X29 180 4,6,8 311 311ZI 55X120X29 200 2 312ZI 312ZI 60X130X31 200 4,6,8 312 312ZI 60X130X31 225 2 313ZI 313ZI 65X140X33 225 4,6,8 313 313ZI 65X140X33 250 2 314ZI 314ZI 70X150X35 250 4,6,8 314 314ZI 70X150X35 280 2 314ZI 314ZI 70X150X35 280 4,6,8 317 317ZI 85X180X41 315 2 316ZI 314ZI 80X170X39 315 4,6,8 319 319ZI 95X200X45 355 2 317ZI 317ZI 85X180X41 355 4,6,8 322 322ZI 110X240X50。