ACT50 60 TYPE-C测试机简易操作说明
- 格式:pdf
- 大小:745.64 KB
- 文档页数:13
电子行业电源测试仪使用方法说明书使用方法说明书一、产品概述电子行业电源测试仪是一种用于测试电子设备电源性能的仪器。
本说明书旨在帮助用户正确、高效地操作电源测试仪,以确保测试结果准确可靠。
二、使用注意事项在操作电源测试仪前,请务必阅读并理解以下注意事项:1. 仪器应放置在干燥、通风良好的环境中,避免水和其他液体进入设备内部;2. 请使用标配的电源线进行供电,确保电源电压稳定;3. 在连接测试设备前,应确保测试仪处于关闭状态;4. 使用测试仪时,应避免与金属物质直接接触,以避免电流泄露;5. 要定期检查仪器连接线是否完好,如有破损应及时更换;6. 未经授权人员不得拆卸仪器,以避免损坏设备或导致电击。
三、使用步骤1. 连接电源将电源测试仪与稳定的电源电压连接。
确保连接线插头与测试仪的电源接口正确对应,并牢固连接。
2. 连接被测设备将待测试的电子设备与电源测试仪连接。
根据被测设备的输入端口要求,选择相应的测试接口,并确保连接牢固。
3. 打开电源测试仪按下电源测试仪上的电源按钮,开启仪器电源。
待仪器启动完毕后,屏幕上将显示仪器相关信息。
4. 设置测试参数根据被测设备的要求,设置电源测试仪的参数。
通过仪器面板上的按键或旋钮进行参数调节,确保电源输出符合被测设备所需的电压、电流等参数。
5. 进行测试确认所有参数设置正确后,按下开始测试按钮,电源测试仪将开始输出电源,并监测与记录被测设备的电源性能。
测试过程中,仪器屏幕将显示实时数据以及测试进度。
6. 完成测试测试结束后,按下停止测试按钮,仪器将停止电源输出,并将测试结果显示在屏幕上。
用户可查看测试结果,并进行相关数据分析和处理。
四、故障排除如果在使用过程中出现仪器故障或操作困难,您可参考以下故障排除方法:1. 仪器无法正常启动- 检查电源线是否插紧,电源是否正常供电;- 尝试使用其他电源线或电源插座。
2. 仪器无法输出电源- 检查测试连接线是否插紧,连接是否松动;- 确认测试参数设置是否正确;- 尝试重新启动仪器。
转辙机综合测试仪使用说明书一、开机/关机1.开机按下键并保持2-3s后,仪器开机并开始初始化自检,自检期间蜂鸣器鸣响。
初始化完毕后进入主菜单,蜂鸣器停止鸣响,进入主菜单开机完毕。
主菜单显示当前存储器通道号、当前道岔号、当前日期、时钟及电池电量。
2.关机在任意状态下,按下键后仪器即时关机,关机后关闭所有电源。
并将部分设定内容存储。
二、设定内容及操作方法1.显示液晶对比度当显示液晶受温度、光照等因数造成显示不清时,你可以通过设置液晶的显示对比度进行修正。
在主菜单下按键及键可调整液晶的显示对比度。
设定内容可自动保存。
2.显示液晶辅助背光开关当使用环境的光线不足、能见度较低,你可以开关液晶的辅助背光。
在主菜单下按键及键可开关液晶的辅助背光。
设定不可保存。
3.修改当前通道在自动、手动、显示等菜单中按键及键可改变当前的默认存储通道。
4.设置菜单在主菜单下按键后进入设置菜单,你可以在此菜单中修改道岔号、当前时钟、打印数据间隔。
1)改变当前的道岔号在设置菜单中选择1进入。
显示当前的道岔号,随光标位置输入新的道岔号后按确定完成修改。
2)调整日期、时钟在设置菜单中选择2开始进行调整。
随光标位置输入新的日期、时间后按确定完成修改。
3)修改打印数据间隔在设置菜单中选择3进行修改。
首先显示的是当前的打印数键或键来进行修改,设定范围为0.15s – 0.9s,设定间隔为 0.15s。
三、电池充电当电池电量降至30 %时,仪器的蜂鸣器鸣响,电池欠电报警,请立即停止使用,并请及时充电。
当可能较长时间不用时,请带电保存。
并请每3个月充电一次。
电池的充电时间为12-16 小时。
四、连接、联线请将综合测试线的电压测试线并接在转辙机电机电源线的任意两相上。
请将综合测试线的电流测试线串接在转辙机电源线的回路中。
请将综合测试线的时间测试线接在转辙机到位闭合的一组备用接点上。
请将拉力传感器替换转辙机与安装装置的连接销后用联线与仪器连接。
请将压力传感器替换转辙机被测压力腔侧的二动调节阀后用联线与仪器连接(只限于电液转辙机)。
线材测试机基本操作说明(测试人员培训资料)一.测试的作用:将产品中的电性不合格品,用通过测试的方法将其挑选出来,以达到控制不合格品,避免流入下一工序及流入客户端,确保产品品质。
二.测试机型号:目前公司测试机的型号为益和8681及8683型。
三.测试注意事项:1.测试机使用电源为AC 220V,为确保机器的稳定性,请连接地线。
2.测试治具线制作要求为:a.不论产品本身是否有跳线,治具线永远是一对一,不存在跳线。
b.治具线愈短愈好,c.测试治具本身不可有短路,断路等不良现象,在使用前务必进行确认是否合格。
d.为确保测试资料的准确度,测试治具焊接要求为满PIN。
e.测试治具的作用次数有一定的要求,时间用长了后,因治具磨损会影起接触不良,此时就要检查与考虑更换治具了。
f.连接测试机接口的测试治具一般使用之材料:1.XH端子与插头、拓邦2.54端子与插头等(间距为2.5mm规格)。
2.间距为2.54不同PIN位的IDC及牛角头。
3.用来输入资料之产品必须是标准样品(即经过相关人员确认合格的产品),不可随便在生产线上拿取。
4.输入之测试资料接点必须与作业指导书或工程图纸接点相符合。
5.合格品与不合格品必须严格区分与标示,为避免混乱,请存放于指定位置。
6.所有测试参数设定必须符合工程图纸或作业指导书要求。
7.测试机使用了一段时间后,要对测试机内部及外接治具板进行清洁刷洗,避免因灰尘所影起的绝缘不良;如因天气潮湿造成测试机本身绝缘,可用热风枪对测试治具及测试转接头进行除湿。
四.各功能健操作说明:1.读线健(READ):读取资料使用。
2.上下箭头健:资料查找与设定参数选择。
3.导通健(COND):设定导通阻抗值。
4.绝缘健:设定绝缘阻抗值。
5.退出健(EXIT):脱离某种设置状态或系统参数重新设定。
6.音量健:设定测试音量大小。
7.标准参数(MODE):标准参数设置。
8.测试键(TEST):当测试参数设置好后,按此键进行测试。
Type-C数据线综合测试仪使用说明书YG-620更新日期:2018.08.28开发天地 用心设计主机YG-620【简介】2015年CES大展上,Intel联合USB实施者论坛向公众展示了USB 3.1的威力,具体搭配的接口是USB Type C,能够正反随便插,大小也与micro-USB相差无几。
理论上,USB 3.0 Type C的传输速度能够达到10Gbps。
Type-C是USB接口的一种连接介面,不分正反两面均可插入,大小约为8.3mm×2.5mm,和其他介面一样支持USB标准的充电、数据传输、显示输出等功能。
Type-C由USB Implementers Forum制定,在2014年获得苹果、谷歌、英特尔、微软等厂商支持后开始普及。
随着Type-C接口的普及,对Type-C数据线的需求日益增多,我们适时推出这款专用的测试仪器,用于产品量产检测用,以帮助广大厂商提高生产效率,控制好产品质量。
【功能特点】1、采用32位ARM高速处理器设计。
2、支持带E-Marker芯片的Type-C数据线测试。
3、支持各种版本Type-C转接线的测试:Type-C转Type-C、C转A公2.0/3.0、C转A母2.0/3.0、C转B公2.0/3.0、C转Micro公2.0/3.0、A公转B公2.0/3.0、A公转Micro公2.0/3.0等。
4、支持Ra、Rd(5.1K)、Rp(10K、22K、56K)电阻的测试,双56K,两头56K或5.1K对裁线,一头56K、另一头5.1K线。
5、支持所有E-MARKER芯片读码对比数据,部分品牌识别IC型号。
6、因为Type-C有多条电源线,仪器可以单独检测每一条电源线是否接通,也可以设定部分接通即可通过。
7、可检测线材通断、错线、内阻、漏电阻(绝缘电阻)并根据设定参考值判定是否合格。
8、可检测线材额定电流、电源线滤波电容大小。
9、支持带灯线的点亮测试。
10、LCD显示屏,可以脱离电脑使用。
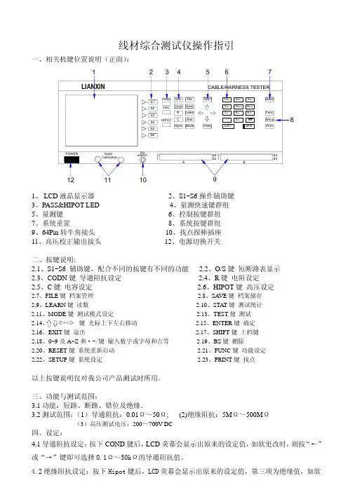
线材综合测试仪操作指引一、相关机键位置说明(正面):1、 LCD 液晶显示器2、S1~S6操作辅助键3、PASS&HIPOT LED4、量测快速键群组5、量测键6、控制按键群组7、系统重置 8、系统按键群组9、64Pin 转牛角接头 10、找点探棒插座11、高压校正输出接头 12、电源切换开关二、按键说明:2.1、S1~S6 辅助键,配合不同的按键有不同的功能 2.2、O/S 键 短断路表显示2.3、CODN 键 导通阻抗设定 2.4、R 键 电阻设定2.5、C 键 电容设定 2.6、HIPOT 键 高压设定 2.7、FILE 键 档案管理 2.8、SA VE 键 档案储存2.9、LEARN 键 读数 2.10、STAT 键 测试统计2.11、MODE 键 测试模式设定 2.13、TEST 健 测试2.14、 键 光标上下左右移动 2.15、ENTER 键 确定2.16、EXIT 键 退出 2.17、SHIFT 键 上档键2.18、0~9及A~Z 和·-/键 输入数字或字母和点等 2.19、BS 键 删除2.20、RESET 键 系统重新启动 2.21、FUNC 键 功能设定2.22、SETUP 键 系统设定 2.23、PRINT 键 找点以上按键说明仅对我公司产品测试时所用。
三、功能与测试范围:3.1功能:短路、断路、错位及绝缘。
3.2测试范围:(1)导通阻抗:0.01Ω~50Ω; (2)绝缘阻抗:5M Ω~500M Ω(3)高压测试电压:200~700V DC四、设定:4.1导通阻抗设定:按下COND 键后,LCD 荧幕会显示出原来的设定值,如欲更改时,则按“←”或“→”键即可选择0.1Ω~50kΩ的导通阻抗值。
4.2绝缘阻抗设定:按下Hipot 键后,LCD 荧幕会显示出原来的设定值,第三项为绝缘值,如欲更改直接输入5MΩ~500MΩ或OFF(不作测试)的绝缘阻抗值。
4.3电压设定:按下Hipot键后,LCD荧幕会显示出原来的设定值,如欲更改直接输入200~700V DC的测试电压值,第二项为时间值设定,如欲更改直接输入时间值即可。
线材测试机使用说明一、测试机基本操作文字数字输入:在做档案存储时要求输入文字数字,第一次按下为该按键数字第2—4次分别代表数字键上方由左到右之大写英文字母。
2.移动:您可用← → ↑ ↓移动游标3.确认:Enter为一般之确认键4.量测:TEST为量测启动键,EXIT为跳离键5.另选:加Shift键可启动该键盘上方功能简单安装程序:(测试机外壳必须接地,防静电干扰)a.请确认电源供应器的电源,接上电源为AC115V或AC220V。
(有使用115V 电压时请注意)。
b.开启电源,系统会进行自我检测,在无治具状态或确定治具(本身无绝缘不良!开路或短路)状态良好之情况下,所有自检均显示OK(注:若有时开机,第9项INSUL绝缘检测检测NG,则考虑降低绝缘测试条件进行温机直至测试稳定,后面有讲到温机简单操作步骤)二.综合测试模式:1.即时测试:a.按File键,进入档案设定画面,再按(建立新档)所对应之软件键,输入档案名按Enter键确认b.Cond键入导通测试条件(几欧)一般设为3欧,导通测试模式为“一般”,瞬间导通测试次数为1次,导通阻抗值调整正常状态为“0”线材归零“无”按SAVE+Enter键存档c.按Hipot键进入高压编辑状态画面,设定测试电压,测试时间及测试规格测试模式只开“二分快速”,测试点数一律设定128点。
按SAVE+Enter存档d.按Model键进入测试模式设定画面,依条件选取设定1.2.4.8.9.10.11项,再按测试项目对应之软件键进入测试项目设定画面,按↓键移动光标依次确认测试项目。
(右上角项目选择键为选择确认键)再按SAVE+Enter存档e.插上治具连接好待测试线材样品(良品),按Learn键学习资料,SAVE+Enter存档。
按EXIT跳离主画面。
按TEST键即可测试2.已存测试:即调用已经设定好。
并储存在记忆体内之档案的执行测试操作程序:按下File键按↑↓移动游标,覆盖欲选取之档案名称:按Enter键即选取完成,若选取错误可重复步骤逐个检视,画面确认设定无误,按Test键即可测试三.单边测试:单边测试时机台外壳必须接地,只有Port A(A槽)有效操作步骤:按File键建立档案。
完整性测试仪操作说明FILGUARD-311全⾃动过滤器完整性测试仪FILTER INTEGRITY INSTRUMENTOPERATION MANUAL上海先维过滤设备⼚SHANGHAI SURWAY FILTER COMPANY⽬录1 测试原理 (1)1.1 ⽓泡点法 (1)1.2 保压法(压⼒衰减) (1)1.3 扩散流 (2)1.4 ⽔侵⼊保压法 (2)2 仪器⾯板介绍 (3)2.1 ⾯板 (3)2.2 背板介绍 (4)3 测试准备 (4)3.1 操作步骤 (4)3.2 准备⼯作 (4)3.3 浸润滤材 (5)3.4 ⽓路连接 (6)4 仪器操作 (7)4.1 菜单功能介绍 (7)4.2 开机 (8)4.3 ⽇期和时间校准 (8)4.4 输⼊及读取参数 (8)4.5 修改参数 (10)4.6 ⾃动⽓泡点测试 (12)4.7 ⾃动保压/扩散流测试 (14)4.8 ⼿动测试 (15)4.9 ⽓密性⾃检 (17)4.10 ⽓流调节 (18)4.11 读取测试结果及测试参数 (18)5 常见问题及解决⽅法 (20)6 性能参数 (22)7 维护保养 (22)8 随机附件 (23)9 可选附件 (23)使⽤本仪时应该保证可靠接地!FILGUARD-311 型全⾃动过滤器完整性测试仪·1·FILGUARD-311 型过滤器完整性测试仪适⽤于对过滤器进⾏完整性检测,判断选⽤的滤材过滤精度是否符合要求、滤材有⽆破损以及过滤器的密封性是否完好,以保证过滤器能按要求正常运⾏。
FILGUARD-311 型是由微电脑控制的新⼀代过滤器完整性⾃动测试仪,可直接检测滤芯和滤膜的⽓泡点、压⼒衰减值和扩散流(输⼊上游体积时),也可间接检测⽔浸⼊值。
仪器结合先进的测试电路和精密的算法软件⾃动测试过滤器的完整性,具有测试精度⾼,重现性好、操作简单⽅便等特点。
FILGUARD-311 型测试仪采⽤5.7″带背光数字液晶显⽰屏;中⽂菜单及提⽰,实时显⽰测试数据和曲线,并可打印测试结果及测试曲线,以便监控测试全过程,帮助分析滤膜及过滤系统的性能;机内⼤容量存贮空间,可存贮50 组测试结果及50 组测试参数。
YH—101型综合测试仪操作规程1.确定仪器可靠接地,将电源插头插入带有接地线的插座中,接通气源。
2.将待测产品类型对应之测试模具装入测试座内。
3.打开电源开关(POWER)键,检查仪器是否通电。
4.根据待测产品型号,选择正确之参数,2芯或3芯,3芯或4芯,有无极性。
5.按下高压启动开关,然后慢慢调节“高压调节”旋钮使内、外高压表的表针指到所需要的电压位置上。
6.根据产品电线长度调节合适的漏电流。
7.将产品插入测试座内,调节“长度调节按钮”使%表内红灯亮为止。
8.将“顶出/打印”开关置于快速顶出(MARKING)位置,将温度旋钮调到所需要位置(需要时设定)。
9.用标准不良品样品作功能测试,检测仪器是否正常,如不正常,必须立即停止作业,报告当班组长联络维修,并且隔离前一个点检周期内测试过的产品,等待重新测试;如仪器正常,可正式进行检测。
10.将待检品插入测试座内,根据产品极性对准测试座,按综合测试典型工艺要求依次进行点击,如测试合格,产品被自动顶出;如测试不合格,仪器将自动锁模,产品无法取出,必须按下复位键,才能将产品取出,电测员必须立即标记清楚,放入不合格品箱中(不良品必须经多次测试检验)。
11.注意事项:a.综合测试仪应放置在绝缘工作台上,操作时注意安全。
b.测试中不得切换功能选择开关、高压预调开关等各类功能开关。
c.任何的测试不合格产品都将导致迅速合模,应切实避免夹伤手指。
d.箱体外壳一定要通过有接地极的电源插座良好接地,否则会有电击危险,而且影响测试精度。
e.产品测试中不要接触线材的导体部位,以防止被高压击伤。
f.下班后,关闭电源开关,切断电源,并做好仪器及周围的清洁卫生工作。
12.漏电流按电线长度设定,如下表:编制:审核:批准:YH—102型综合测试仪操作规程1.确定仪器可靠接地,将电源插头插入带有接地线的插座中,接通气源2.打开电源开关(POWER)键,检查机器是否通电。
3.根据所需测试产品之电线规格、插头形式设定合适之参数。
电力测试设备操作说明书第一部分:引言本操作说明书旨在提供详细的操作步骤和相关注意事项,以帮助用户正确操作电力测试设备。
在使用本设备前,请务必阅读并了解本操作说明书的内容。
第二部分:设备概述1. 设备名称:电力测试设备2. 设备型号:xxxxx3. 设备用途:该设备主要用于电力系统的测试和测量,包括电压、电流、功率等参数的测量与分析。
4. 设备组成:本设备由仪表、连接线缆、电源适配器等组件构成。
第三部分:安全注意事项1. 使用环境:请确保在干燥、通风的环境中使用设备,并避免暴露在高温、潮湿或有腐蚀性气体的环境中。
2. 电源要求:请使用标准电源适配器,并确保电源电压与设备要求相符。
3. 操作人员:只允许经过相应培训并具备相关专业知识的人员操作本设备。
4. 存储和搬运:请将设备存放在干燥、无腐蚀性气体的场所,并小心搬运,避免碰撞和摔落。
第四部分:设备操作步骤1. 步骤一:准备工作a. 将设备连接至标准电源适配器,并插入电源插座。
b. 根据所需测试的参数,选择合适的传感器并将其连接至设备。
c. 检查连接线缆的插头和接口是否正常插入,确保连接牢固。
2. 步骤二:设备开机与设置a. 按下电源按钮,启动设备。
b. 进入设备主界面后,根据实际需要,设置所需测试的参数、范围和显示方式。
c. 确认设置无误后,点击确认按钮,进入待测试状态。
3. 步骤三:测试操作a. 将测试对象与设备连接,确保连接牢固且接触良好。
b. 在设备屏幕上,选择开始测试,设备将开始自动测量并显示测试结果。
c. 可根据需要,进行数据记录、重置、保存等操作。
4. 步骤四:设备关闭与存储a. 测试完成后,点击关闭按钮,将设备关闭。
b. 清理设备表面的灰尘和污渍,确保设备干净整洁。
c. 将设备放置在干燥、通风且安全的位置,避免受到外力损坏。
第五部分:故障排除1. 设备无法启动:a. 检查电源适配器是否接触良好。
b. 确认电源插座是否正常供电。
2. 测试结果不准确:a. 检查连接线缆是否插口松动或连接不良。
检测仪器操作说明维保检测仪器操作规程为了提高维保人员实际操作水平,全面提升维保工作,更好地服务于广大客户。
根据维保检测仪器功能、检测对象、国家标准等制定检测仪器操作规程。
一、设备名称:秒表名称:秒表量程:量程不小于15min;精度:0.1s应用范围:防火卷帘、消防电梯、火灾自动报警系统响应时间,应急灯及疏散指示时间,各消防设施联动时间等。
操作说明:1、检查仪器是否在检定有效期内。
2、使用前检查是否完好,开启关闭及各项功能正常。
3、每单项检测应重复两次,求平均值。
4、仪器使用后应置于干燥适宜的环境存放。
规范标准:*自动发电机组自动启动正常工作时间不应大于30s;*火灾自动报警系统响应时间不应大于30s;*湿式系统开启末端泄水装置5min内自动启动消防水泵;*干式系统开启末端试水装置1min内出水压力不应低于0.05MPa;*预作用系统火灾报警器确认火灾后2min,末端试水装置的出水压力不低于0.05MPa ;*泡沫系统做联动实验时从接到信号到喷射不宜(小于)1min;*气体灭火系统做模拟启动实验时应有20—30s延时;*应急照明灯工作时间不应小于20min,建筑高度超过100的建筑不应小于30min;*疏散指示标志应急工作时间不应小于30min;*消防电梯迫降时间不应大于60s。
二、设备名称:卷尺名称:卷尺量程:量程不小于30m;精度:1mm应用范围:测量室内、外消火栓间距、消防水带长度及设备设施高度、宽度等。
操作说明:1、检查仪器是否在检定有效期内。
外观完好、开启灵活。
2、在测量时需反复测量被测项目两次,求取平均值。
规范标准:1火灾探测器周围0.5m内不应有遮挡物。
2.手报距离地面1.3—1.5m。
3.从一个防火分区内任何一点到最近一个手报距离不大于 30m。
4.壁挂式火灾报警控制器底边距地面1.3—1.5m,靠近门轴一侧不小于0.5m,正面操作距离不小于1.5m。
5.柜式火灾报警控制器,当设备单列时正面操作距离不小于1.5m,双列时不小于2m,距墙维修距离不小于1.0m,其底高出地面0.1-0.2m。
typec线短路测试法【一、typec线短路测试法简介】typec线短路测试法是一种用于检测电子设备中typec线(即Type-C 线)是否存在短路的测试方法。
这种测试方法广泛应用于电子制造业、维修行业以及研发领域,旨在确保设备连接线的可靠性和安全性。
【二、typec线短路测试法原理】typec线短路测试法的原理主要是通过向typec线施加一定的电压,然后检测线两端的电压值是否发生变化。
如果电压值发生变化,说明线路上存在短路;反之,则说明线路正常。
【三、typec线短路测试法操作步骤】1.准备测试设备:包括typec线短路测试仪、电压表等。
2.连接测试设备:将待测typec线一端连接到测试仪,另一端悬空或连接到地面。
3.施加电压:开启测试仪,向typec线施加一定的电压(如5V)。
4.检测电压:观察电压表的读数,如果电压值发生变化,说明存在短路;若电压值稳定,说明线路正常。
5.判断结果:根据检测结果,判断typec线是否存在短路。
【四、typec线短路测试法注意事项】1.测试时,请确保typec线连接牢固,避免因接触不良导致测试结果不准确。
2.施加电压时,切勿触及其他金属部位,以免引起误判。
3.测试仪和电压表需定期校准,以确保测试结果的准确性。
4.对于已确认存在短路的typec线,请不要继续使用,以免造成设备损坏或人身安全隐患。
【五、typec线短路测试法应用场景】1.电子产品生产过程中,对typec线进行质量把关。
2.电子产品维修时,检测typec线是否存在短路故障。
3.研发领域,对typec线进行性能测试。
4.电子设备使用者,定期检查typec线连接状态,确保设备正常运行。
【六、总结】typec线短路测试法作为一种实用的检测手段,在电子制造业、维修行业及研发领域发挥着重要作用。
通过对typec线的检测,可以确保设备连接线的可靠性和安全性,降低设备故障率和维修成本,提高用户体验。
充电器测试仪的使用方法
充电器测试仪是一个用于测试充电器性能和安全性的设备。
以下是充电器测试仪的使用方法:
1. 关闭充电器测试仪的电源开关,确保其处于关闭状态。
2. 将待测试的充电器插头插入充电器测试仪的插座中。
3. 打开充电器测试仪的电源开关,启动设备。
4. 在充电器测试仪的控制面板上选择所需的测试模式和参数。
充电器测试仪通常提供多种测试模式,如电压测试、电流测试、功率测试、过载保护测试等。
5. 根据测试模式,连接所需的测试线,如电压测试需要连接测试线到电压测试接口。
6. 按下开始测试按钮,充电器测试仪开始对充电器进行测试。
7. 等待测试完成,测试结果将显示在充电器测试仪的屏幕上。
通常,测试结果包括电压、电流、功率、温度等指标。
8. 根据测试结果判断充电器的性能和安全性是否符合要求。
9. 完成测试后,关闭充电器测试仪的电源开关,拔出待测试充电器的插头。
注意事项:
- 使用充电器测试仪时,确保充电器测试仪的电源和待测试充电器都符合安全要求,以避免电击和其他安全事故。
- 在使用充电器测试仪之前,阅读并遵守设备的用户手册和安全操作指南。
- 定期校准充电器测试仪,以保证测试结果的准确性和可靠性。
信创使用说明书交直流功率测量仪一、简介交直流功率测量仪是一种用于测量交流和直流功率的设备。
它可以广泛应用于电力系统、工业生产、实验室研究等领域。
本文将介绍如何正确使用信创交直流功率测量仪。
二、外观和功能信创交直流功率测量仪外观小巧,操作简便。
它主要由显示屏、旋钮、按键等组成。
显示屏可以清晰地显示测量结果,旋钮和按键用于调整测量参数。
该仪器具有测量交流电压、交流电流、直流电压、直流电流、有功功率、无功功率等功能。
三、使用步骤1.连接供电:首先将交直流功率测量仪与电源连接,确保电源电压符合仪器要求。
注意接线的正确性,避免引起电路短路或其他安全问题。
2.调整参数:按照需要测量的功率类型,选择相应的电压、电流和功率测量范围。
通过旋钮和按键可以方便地进行调整。
3.连接被测电路:将被测电路与交直流功率测量仪连接,确保连接稳固可靠。
注意被测电路的电源是否关闭,以免对测量仪器造成损坏。
4.开始测量:确认连接无误后,可以按下测量按钮,仪器将自动对电路进行测量,并在显示屏上显示结果。
在测量过程中,可以实时观察电流和电压的变化,以便及时调整测量参数。
5.记录和分析结果:测量完成后,可以将测量结果记录下来,并进行分析。
根据测量结果可以判断电路的工作状态,以及是否需要进行调整或维修。
四、使用注意事项1.在使用交直流功率测量仪之前,务必阅读并理解产品说明书,确保操作正确、安全。
2.避免将测量仪器暴露在高温、潮湿或有腐蚀性气体的环境中,以免影响仪器的正常工作。
3.在连接电路时,务必保证电路处于安全状态,避免触电或其他危险事故的发生。
4.在测量过程中,应注意观察仪器的显示情况,确保测量结果准确可靠。
5.仪器应定期进行校准和维护,以保证其测量精度和使用寿命。
五、总结信创交直流功率测量仪是一种方便实用的测量设备,它可以准确测量交流和直流功率,广泛应用于各个领域。
正确使用交直流功率测量仪可以帮助我们更好地了解电路的工作状态,及时进行调整和维修。
文件制修订记录1.0目的/Aim:1.1为操作者提供使用说明,确保使用者及设备的安全。
2.0参考文件/Reference Instruction:2.1 相关设备的操作说明书3.0设备/材料/ Equipment/Material:3.1 电检仪3.2被测电热水器4.0准备/要求/Prepare/Requirement:4.1确保输入电压为单相220伏,测试场所保持整齐、干净。
5.0安全/维护/Safety/Maintenance:5.1 尽可能使用非导电材质的工作桌、工作台,操作人员和待测物之间不得使用任何金属。
5.2 操作人员不可穿有金属装饰的衣物或配有金属的首饰和手表,这些金属饰物容易造成意外的触电,而且后果也会更加严重。
5.3 测试仪绝对不能让有心脏病或配戴心率调整器、心脏起搏器的人操作。
5.4 万一发生任何问题,请立即关闭电源。
6.0操作程序/Operation Process:6.1 打开后面板空气开关,打开前面板辅助电源开关。
6.2 确定没有连接任何测试线,按下“确定”按钮,仪器自检,结束后设备处于准备状态。
6.3 选择相应的测试组,或请质量部人员设置当前测试组。
6.4 将热水器电源线插入测试仪插座,将接地夹子夹在热水器的接地端。
6.5 按下仪器上绿色启动按钮,或踩下脚踏开关启动测试。
6.6 测试中黄灯亮,测试完毕通过的话绿灯亮,不通过的话红灯亮。
6.7 测试结束后,先按红色“停止”按钮退出测试状态,然后关闭辅助电源开关,最后关闭后面板的空气开关。
7.0其他操作/Other Operation:7.1开机自检:开机前请不要接任何测试线,然后接通电源进行自检。
7.2测试组:系统内设A、B、C、D、E、米共六组测试组,根据测试要求的不同进行设定,测试时只需要选择相应的测试组就可以了。
8.0故障排除8.1 开机液晶屏无显示,按键无响应:8.1.1 检查测试仪插座中的保险丝是否熔断,若熔断请更换保险丝。