17_18版_模块仿真测试题1
- 格式:doc
- 大小:2.40 MB
- 文档页数:10
2010~2011学年第一中学阶段性测试(17-18章)八年级数学试卷一、选择题(每小题3分,共24分)1.下列各式:()xx x x y x x x 2225 ,1,2 ,34 ,151+---π其中分式共有( )个。
A 、2B 、3C 、4D 、52.在反比例函数1ky x-=的图象的每一条曲线上,y 都随x 的增大而增大,则k 的值可以是( ) A .-1 B .0 C .1 D .2 3.如果把分式yx x+2中的x 和y 都扩大3倍,那么分式的值 ( ) A .扩大3倍B .缩小3倍C .缩小6倍D .不变4.下列四个点中,有三个点在同一反比例函数ky x=的图象上,则不在..这个函数图象上的点是 ( ) A .(5,1) B .(-1,5) C .53⎛⎫ ⎪⎝⎭,3 D .533⎛⎫-- ⎪⎝⎭,5.下列分式一定有意义的是( ).A .x x 2+1B .x+2x 2C .22--x x D .x 2x+36.如图,在直角坐标系中,点A 是x 轴正半轴上的一个定点,点B 是双曲线3y x=(x >0)上的一个动点,当点B 的横坐标逐渐 增大时,△OAB 的面积将会 ( ) A .逐渐增大 B .不变C .逐渐减小D .先增大后减小 7.若ab <0,则正比例函数y=a x 与反比例函数by x=在同一坐标系中的大致图象可能是( )8.如图,反比例函数4y x =-的图象与直线13y x =-的交点为A ,B ,过点A 作y 轴的平行线与过点B 作x 轴的平行线相交于点C ,则△ABC 的面积为( )A .8B .6C .4D .2 二、填空题(每小题3分,共24分)9.当x______时,分式11x 2+-x 的值为零。
10.函数x xy 21-=中自变量x 的取值范围是:__________11.若A(x 1,y 1),B(x 2,y 2)是双曲线3y x=上的两点,且x 1>x 2>0,则y 1_______y 2(填“>”、“=”、“<”). 12.已知311=-y x ,则分式yxy x yxy x ---+2232的值等于 。
小学科学课程标准(2017版)模拟考试填空专题及答案(一)1.科学素养是指了解必要的科学技术知识及其对社会与个人的影响,知道基本的(),认识(),树立(),崇尚(),并具备一定的运用它们处理实际问题、参与公共事务的能力。
2.以()为基础,运用各种信息分析和()得出结论,公开研究结果,接受(),不断更新和深入,是科学探究的主要特点。
3.小学科学课程的总目标是培养学生的(),并为他们继续学习、成为合格公民和终身发展奠定良好的基础。
4.在教师指导下,能从具体现象与事物的观察、比较中提出感兴趣的问题属于()学段的科学探究目标。
能基于所学的知识,从事物的结构、功能、变化及相互关系等角度提出可探究的科学问题属于()学段的科学探究目标.5.作出假设的目标与要求上,1-2 年级的目标与要求是在教师指导下,能依据已有的()对问题作出()。
5-6年级是提出有()的假设,并能说明假设的()。
6.物质科学领域内容教学中,教师应帮助学生形成以下主要概念:①。
②。
③。
④。
⑤。
⑥。
7.生命科学领域内容的学习,有助于激发学生了解和认识自然界的兴趣,帮助学生初步形成生物体、、相统一的观点,形成热爱大自然、爱护生物的情感。
8.科学教师应将的培养作为教学设计与实施的最高准则。
在确定教学目标时既要关注科学知识,也要关注科学素养的其他成分,注重各方面目标的与平衡。
9.科学素养的形成是长期的,只有通过连贯、的科学学习与才能达成。
10.自评或互评的结果最好不要简单地用表达,而是采取的方法。
11.终结性评价的方法是多样的,包括纸笔考试、的考试、学习总结汇报、等。
12、终结性评价的重点是课程目标的,或者说是学生所达到的。
13.()和()是推动学生科学学习的内在动力,对其终身发展具有重要的作用。
14.小学科学课程的组织与教学要兼顾知识、()、()三者的需求,将科学本质、科学思想、科学知识、科学方法等学习内容镶嵌在儿童喜闻乐见的科学主题中,创设愉快的教学氛围,保护学生的好奇心和求知欲,激发学生学习科学的兴趣,引导学生主动探究,积累生活经验,增强课程的()和()。
青岛一中2017—2018学年度第一学期第一次模块考试高一物理2017.11本卷分第I 卷(选择题)和第II 卷(非选择题)两部分满分 100 分,考试时间 90分钟注意事项:(请考生答题前先看清试卷和答题卡上的注意事项或说明。
)1.试题全部都答到答题卡上,考试结束时只交答题卡。
2.答题前,考生务必将学校、班级、姓名、考号、座号等填写到答题卡上,(两张答题卡的都要填写),在准考证号填涂区填涂学生考号(用黑色中性笔填号,用2B 铅笔涂号)。
3.第I 卷客观题(选择题),请将每小题选出的答案,用2B 铅笔在答题卡上对应题目标号涂黑,如需改动用橡皮擦干净后,再选涂其它答案标号,不能答在试卷上。
4. 第II 卷主观题(非选择题)作答时,请用黑色钢笔或黑色签字笔在答题卡的指定区域内答题(每题的答题区域以方框为界),答在试卷和规定区域外均不得分。
不允许用修正液。
如果因为涂改造成答题区域不足书写答题内容(也即涂改后剩下的方框无法书写完答题内容),则可以重新更换答卷,但由此损失的时间不予弥补。
5.不得在答题卡上书写与考试无关的内容;必须保持答题卡的卷面整洁、平整,不得揉、搓或折叠答题卡。
第I 卷(选择题,总分60分)一、选择题:共12小题共计60分。
在每小题给出的四个选项中,第1~6题只有一项符合题目要求,第7~12题有多项符合题目要求,全部选对得5分,选对但不全的得3分,有选错的得0分1.甲、乙两个物体在同一直线上沿正方向运动,24s ma =甲,2-4s m a =乙,那么对甲、乙两物体判断正确的是( )A .甲、乙在相等时间内速度变化相等;B .甲做加速直线运动,乙做减速直线运动;C .甲的速度比乙的速度变化快;D .甲的加速度大于乙的加速度2.装修工人在搬运材料时施加一个水平拉力将其从水平台面上拖出,如图 所示,则在匀加速拖出的过程中( )A.材料与平台之间的接触面积逐渐减小,摩擦力逐渐减小B.材料与平台之间的相对速度逐渐增大,摩擦力逐渐增大C.平台对材料的支持力逐渐减小,摩擦力逐渐减小D.材料与平台之间的动摩擦因数不变,支持力也不变,因而工人拉力也不变3.沿直线运动的一辆汽车以速度v 匀速行驶了全程的一半,然后匀减速行驶另一半路程,恰好停止。
2017-2018学年学业水平考试模拟试卷(1)注意事项:考试形式为上机考试,考题分选择题、操作题两部分最新试卷十年寒窗苦,踏上高考路,心态放平和,信心要十足,面对考试卷,下笔如有神,短信送祝福,愿你能高中,马到功自成,金榜定题名。
考试时间40分钟,满分100分一、选择题(本大题有10小题,每小题3分,共30分。
在每小题给出的四个选项中,只有一个符合题目要求)1.【原创】2月26日,国家发展改革委发出通知,决定将汽、柴油价格每吨分别提高205元和200元,测算到零售价格90号汽油和0号柴油(全国平均)每升分别提高0.15元和0.17元,调价执行时间为2月26日24时。
市民得到消息后,都赶在当天24时之前,扎堆储油。
这种现象说明信息具有()A.共享性 B.载体依附性 C.时效性 D.真伪性参考答案: C考核目的:本题主要考核对信息特征的理解。
2.【根据高考仿真卷试题改编】在Goldwave中,对选定部分声音进行剪裁的操作界面如下图所示:剪裁后的音频时长是()A.5秒 B.15秒 C.25秒D.10秒参考答案: D考核目的:本题主要考核使用Goldwave软件编辑音频文件的操作能力。
要求学生能正确区分剪裁和删除的区别。
3.【原创】酷我音乐盒官方下载界面如右图所示:关于该软件,下列说法正确的是()A.该软件的存储容量为9.13KBB.采用了统计评价C.该软件已被下载2669次D.软件需要在WinXP或Win7系统环境下才可以运行参考答案: B考核目的:本题主要考核因特网信息资源的获取与评价。
4.【根据高考仿真卷试题改编】使用UltraEdit软件观察字符内码,结果如下图所示:则存储字符“e直在努力”所需的字节数是()A.9 B.5 C.10 D.8参考答案: A考核目的:本题主要考核有关字符内码的相关知识。
要求学生通过对字符编码的理解以及对UltraEdit软件操作结果的观察,了解字符在计算机中的表示。
2017-2018学年下学期高一年级期中考试仿真测试卷此卷只装订不密封班级姓名准考证号考场号座位号注意事项:1.答题前,先将自己的姓名、准考证号填写在试题卷和答题卡上,并将准考证号条形码粘贴在答题卡上的指定位置。
用2B 铅笔将答题卡上试卷类型A后的方框涂黑。
2.选择题的作答:每小题选出答案后,用2B铅笔把答题卡上对应题目的答案标号涂黑,写在试题卷、草稿纸和答题卡上的非答题区域均无效。
3.非选择题的作答:用签字笔直接答在答题卡上对应的答题区域内。
写在试题卷、草稿纸和答题卡上的非答题区域均无效。
4.考试结束后,请将本试题卷和答题卡一并上交。
第一部分听力(共两节,满分 30 分)(略)第二部分阅读理解(共两节,满分40分)第一节(共15小题:每小题2分,满分30分)阅读下列短文,从每题所给的四个选项(A、B、C和D)中选出最佳选项,并在答题卡上将该项涂黑。
A(河北省正定一中2016-2017学年高一下学期期中试题)Shopping is one of the best ways to relax after a stressful wee k. Nothing is more satisfying than finding a perfect item -- and when I’ m bored with shopping for clothes I move on to make-up and shoes. I never shop in sales -- the reason the items haven’ t sold at full price is usually bec ause they are badly made or horrible colours.--BlancaI hate shopping and it bores me enormously. I really cannot u nderstand such a useless and expensive habit. I only shop for clothes when I can’ t get out of it and when I do, I make su re I buy good quality and as much as I can afford, to put off ha ving to go again for as long as possible. I have friends who wil l spend a Whole day going from shop to shop trying on lots of different clothes and not buying anything. That’s really stupid.I can’ t see the point in spending a lot of money on clothes, w hen they are so much cheaper abroad. I do most of my shopp ing when I go on holiday, and get great clothes for half the pri ce. I love finding bargains! I also buy a lot in sales. The clothe s may be out of fashion a bit, but they’ re good quality, and if y ou wait long enough, they come back into fashion!--MeghanI personally still spend half of my wage on clothes. I usually o nly ever wear something three times before I throw it in the ba ck of my wardrobe (衣橱). I never wear a party dress more than once. If I lost my job and couldn’t afford to buy lots of clothes, I would never be abl e to go out of the house again.--Shelly21. What does Pam focus on when shopping for clothes?A. Price.B. Brand.C. Pattern.D. Quality.【答案】D【解析】细节理解题。
2017-2018学年普通高等学校招生全国统一考试(仿真试卷Ⅰ)英语试题第一部分听力(共两节,满分30分)第一节(共5小题;每小题1.5分,满分7.5分)听下面5段对话。
每段对话后有一个小题。
从题中所给的A、B、C三个选项中选出最佳选项,并标在试卷的相应位置。
听完每段对话后,你都有10秒钟的时间来回答有关小题和阅读下一小题。
每段对话仅读一遍。
例:How much is the shirt?A.£19.15B.£9.15 C.£9.181. Who spoke to Jane?A. Her husband.B. Her boss.C. Her teacher.2. How does the woman go shopping now?A. By car.B. By bike.C. On foot.3. What does the man do last night?A. He lost a game.B. He watched a game.C. He missed a game.4. What’s the woman worried about?A. Jessica may be late for the opening speech.B. Jessica won’t come to the conference.C. Jessica will miss the next conference.5. What does the woman mean?A. At a cinema.B. At the airport.C. In a shopping center.第二节(共15小题;每小题1.5分,满分22.5分)听下面5段对话或独白。
每段对话或独白后有几个小题,从题中所给的A、B、C三个选项中选出最佳选项,并标在试卷的相应位置。
听每段对话或独白前,你将有时间阅读各个小题,每小题5秒钟;听完后,各小题将给出5秒钟的作答时间。
2018年普通高中学生学业水平考试模拟试卷信息技术(本试卷分I、II两卷,满分100分,答题时间50分钟)第I卷客观题一、选择题(本大题包括15小题,每小题2分,共30分,每小题只有一个选项符合题意)1.下面对信息特征的理解,错误的是A.天气预报、情报等引出的信息有时效性B.信息不会随时间的推移而变化C.刻在甲骨上的文字(甲骨文)说明信息的依附性D.盲人摸象提现信息具有真伪性2.下面二进制数和十进制数13相等的是哪一个A.1111 B.1110 C.1101 D.11003.人类把探测器发射到火星上,探测到火星相关的数据,这个过程属于A.信息加工B.信息获取C.信息集成D.信息发布4.某品牌电脑配置为:Intel奔腾E6500 2.8GHz / 2GB / 500GB / 52X,表示内存大小的是A.Intel奔腾E6500 2.8GHz B.2GBC.500GB D.52X5.浏览Internet上的网页,需要知道()。
A.网页的设计原则B.网页制作的过程C.网页的地址D.网页的作者6.在电视节目或其他一些场合中,我们经常通过“二维码”扫描来传递信息,这种对“二维码”信息的识别属于人工智能技术的A.语音识别技术B.动作识别技术C.图像识别技术D.气味识别技术7.在word2003软件中,要对插入的图片进行:截取部分图像、增加亮度、设成背景透明等编辑操作,应依次使用“图片”工具栏中的按钮是①②③④⑤⑥⑦A.⑤④⑦B.②④①C.⑥②⑤D.①③⑥8.通过网上商城购买书籍,这属于A.现金买卖B.电子商务C.储蓄业务D.通存通兑9.用Audition软件加工处理的数据文件名可以是A..mp3 B..jpg C..swf D..mpg10.数字字符“0”的ASCII码为48,那么数字字符“6”对应的ASCII码的二进制数是哪个A.100110 B.111110 C.110111 D.11011011.Excel图表是动态的,当在数据表中修改了对应的数据序列的值时,图表中相对应的图形会A.一点都没变化B.提示修正C.自动修正D.出现错误提示12.当我们想要查找计算机中的某一文件,只记得文件名却不记得保存在哪个文件夹中时,下列方法中比较方便的是A.打开每个盘符每个目录逐个查找B.使用Windows的“搜索”功能C.使用Windows的“文件”功能D.在IE浏览器的“收藏夹”中查找13.下列选项中,不属于计算机程序设计语言的是A.汇编语言B.高级语言C.自然语言D.机器语言14.学校食堂利用计算机数据库系统管理学生的用膳情况,其中学生可以随时在任何一部饭卡机上检查自己的饭卡数额的功能更难过,体现了数据库系统具有A.可实现数据共享B.可实现数据大量存储C.计算快捷D.操作简单15.下列哪一种现象说明信息技术对人们生活也会带来不利影响A.网上购物B.垃圾邮件C.网上影院D.在线聊天第II卷主观题第一部分二、综合应用题(本大题包括10小题,共25分)张明同学根据网络收集的信息创建了“高中阶段亲少年视力情况汇总表”(图1)和对应的图标内容(图2)。
2017—2018学年度高一第一学期第一次模块检测时量:90分钟满分:100分第一部分听力(共两节,满分10分)第一节(共5小题;每小题0.5分,满分2.5分)听下面5段对话,每段对话后有一个小题,从题中所给的A、B、C三个选项中选出最佳选项,并标在试卷的相位位置。
听完每段对话后,你都有10秒钟的时间来回答有关小题和阅读下一小题。
每段对话仅读一遍。
( )1. How does the man feel now?A. Thirsty.B. Hungry.C. Tired.( )2. How does Mike probably feel now?A. Disappointed.B. Worried.C. Happy.( )3. What was the weather like yesterday?A. Rainy at first but fine later.B. Fine at first but rainy later.C. Fine at first but cloudy later.( )4. What’s thepossible relationship between the two speakers?A. Mother and son.B. Teacher and student.C. Classmates.( )5. What did the man do during his vacation?A.He visited his grandma.B. He worked on a farm.C. He went camping.第二节(共15小题;每小题0.5分,满分7.5分)听下面5段对话或独白,每段对话或独白后有一个小题,从题中所给的A、B、C三个选项中选出最佳选项,并标在试卷的相位位置。
听完每段对话后,你都有10秒钟的时间来回答有关小题和阅读下一小题。
每段对话或独白读两遍。
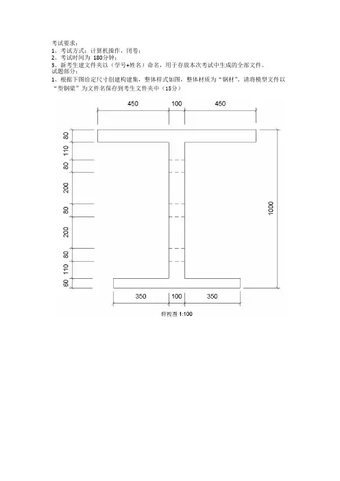
考试要求:1、考试方式:计算机操作,闭卷;2、考试时间为180分钟;3、新考生建文件夹以(学号+姓名)命名,用于存放本次考试中生成的全部文件。
试题部分:1、根据下图给定尺寸创建构建集,整体样式如图,整体材质为“钢材”,请将模型文件以“型钢梁”为文件名保存到考生文件夹中(15分)二、根据下图给定尺寸创建模型,整体样式如图,三维文字深度10,请将模型文件以“旧衣回收箱”为文件名保存到考生文件夹中。
(15分)三、根据下图给定尺寸创建体量模型,整体样式如图,每个闭合区域内的圆弧大小一样,请将模型文件以“仿中国尊”为文件名保存到考生文件夹中。
(20分)四、根据以下要求和给出的图纸,创建模型并将结果输出,在考生文件夹新建名为“第四题输出结果”的文件夹,并将结果文件保存在该文件夹下。
(50分)(1)BIM 建模环境设置(5分)设置项目信息:项目发布日期:2019年12月1日,项目编号:20191201(2)参数化建模(30分)根据给出图纸创建建筑形体,包括轴网、墙、柱、楼板、屋顶、楼梯、洞口,柱均居轴线中,其余未标明尺寸与样式不做要求,柱截面500x500。
20厚面砖10厚水泥砂浆10厚水泥砂浆160厚水泥空心砌块160厚水泥空心砌块外墙10厚水泥 砂浆25厚水泥砂浆室内楼板、屋顶125厚混凝土内墙10厚水泥砂浆(3)对一层平面房间进行标注,所有平面图放置门窗并标记,其中M4529为旋转门。
(5分)(4)创建图纸(5分)1)创建门窗明细表,要求包括类型、宽度、高度以及合计字段。
(2分)2)建立 A0尺寸图纸,创建并放置一层平面图、剖面图、门窗明细表,并根据图纸内容给图纸命名,要求剖面显示样式与题目一致(3分)(5)模型文件管理(5分)1)将创建的图纸导出为 AutoCAD2007DWG 文件,并且导出时将图纸上的视图和链接作为外部参照。
(3分)2)模型文件以“厂房”为项目文件名保存。
(2分)。
[技术与设计1]模块仿真测试题(一)一、选择题1.现有市场上销售的一种折叠梯,可以变成人字梯,也可以变成直梯,下列说法错误的是()A.该梯有人字梯和直梯的功能,体现了技术的创新性,可以考虑申请专利B.该梯折叠后体积很小,有利于搬运和储藏,这体现了技术的目的性C.该折叠梯采用高强度的铝合金材料,结构稳固,但只能折叠不能升降,这体现了技术的两面性D.在设计该梯时,既要从力学角度考虑结构的合理性,又要考虑梯子在造型上的美观程度,还要从材料学角度精选使用的材料,这体现了技术的综合性。
C[本题主要考查技术性质的相关知识。
这类题应特别注意“技术的综合性”“技术的两面性”。
综合性:综合利用多学科、多方面知识;两面性:突出技术使用中可能对人产生的危害。
所以选C。
]2.某公司开发的生物燃料新技术,通过光合作用将转基因单细胞植物转变成为乙醇和生物柴油等燃料,可用于驱动汽车等,减少石油资源的消耗。
下列关于该技术的说法中不恰当的是()A.该技术符合设计的可持续发展原则B.该技术促进了生物技术的创新与发展C.该技术拓展了新能源的开发与利用D.该技术可以让人类不再担忧能源枯竭D[技术的负面作用是技术的固有性质,不可能通过技术发展而得以消除,应当通过技术使用者正确、合理地使用技术,减少其负面作用。
因此D项符合题意。
]3.如图所示的电线夹可以方便地夹在电源线上,电线夹的两面分别有盲文、图案和文字,可以方便快捷地区分出不同电器的电源线。
从人机关系角度分析,该设计()A.未考虑特殊人群的需要B.不符合信息交互要求C.符合高效的目标D.符合人体动态尺寸C[由题意知,电线夹可以方便快捷地区分出不同电器的电源线,符合人机关系中的高效的目标,故C选项正确。
]4.赛车CFD(计算流体动力学)风洞仿真技术可以通过计算机快速的计算能力与超大的存储技术,建立流场模型并进行流体的动力学仿真。
使用该项技术可以节省风洞试验(从设计到建造,再到测试)的时间,并且可以克服因物理结构变动而费时的缺点。
模块综合测评(一)(时间:120分钟满分:150分)一、选择题(本大题共12小题,每小题5分,共60分)1.已知复数z1=2+i,z2=1+3i,则复数z=错误!在复平面内所对应的点位于( )A.第一象限B.第二象限C.第三象限D.第四象限2.错误!等于( )A.错误!B.错误!C.错误!D.13.下列说法错误的是( )A.球的体积与它的半径具有相关关系B.计算误差、测量误差都将影响到残差的大小C.在回归分析中R2的值越接近于1,说明拟合效果越好D.在独立性检验中,K2的观测值k越大,说明确定两个分类变量有关系的把握越大4.在△ABC中,错误!=a,错误!=b,且a·b>0,则△ABC是() A.锐角三角形B.直角三角形C.钝角三角形D.等腰直角三角形5.设回归方程错误!=7-3x,当变量x增加两个单位时()A.y平均增加3个单位B.y平均减少3个单位C.y平均增加6个单位D.y平均减少6个单位6.在如图所示的程序框图中,输入a=错误!,b=错误!,则输出c =( )A.错误!B.错误!C.1 D.07.观察数列1,2,2,3,3,3,4,4,4,4,…的特点,第100项为( )A.10 B.14C.13 D.1008.设△ABC的三边长分别为a,b,c,△ABC的面积为S,内切圆半径为r,则r=错误!;类比这个结论可知:四面体S-ABC的四个面的面积分别为S1,S2,S3,S4,内切球的半径为r,四面体S-ABC 的体积为V,则r=( )A.错误!B.错误!C.3VS1+S2+S3+S4D.错误!9.错误!2 014等于( )A.2i B.-1+iC.1+i D.-110.已知两条直线m,n,两个平面α,β.给出下面四个命题:①m∥n,m⊥αn⊥α;②α∥β,mα,nβm∥n;③m∥n,m∥αn ∥α;④α∥β,m∥n,m⊥αn⊥β。
其中正确命题的序号是( )A.①③B.②④C.①④D.②③11.已知f(x+y)=f(x)+f(y)且f(1)=2,则f(1)+f(2)+…+f(n)不等于( )A.f(1)+2f(1)+…+nf(1)B.f错误!C.n(n+1)D.n(n+1)f(1)12.如图是某汽车维修公司的维修点环形分布图.公司在年初分配给A,B,C,D四个维修点某种配件各50件,在使用前发现需将A,B,C,D四个维修点的这批配件分别调整为40,45,54,61件,但调整只能在相邻维修点之间进行.那么要完成上述调整,最少的调动件次(n件配件从一个维修点调整到相邻维修点的调动件次为n)为( )A.15 B.16 C.17 D.18二、填空题(本大题共4小题,每小题4分,共16分)13.已知复数z=m+i1+i(m∈R,i是虚数单位)是纯虚数,则m的值是__________.14.按如图所示的程序框图运算,若输入x=8,则输出k=__________.15.观察下列式子1+错误!<错误!,1+错误!+错误!<错误!,1+错误!+错误!+错误!<错误!,…,则可归纳出__________.16.已知x,y取值如下表:错误!=0。
第五单元17.中国人失掉自信力了吗基础精练1.下列字形和加点字注音全部正确的一项是( )A.脊.梁(jǐ)茏罩诬蔑.(miè)怀古伤今B.省.悟(xǐn)玄虚倘.若(tǎng)为民请命C.渺.茫(miǎo)麻醉摧.残(cuī)舍身求法D.慨.叹(gài)依赖诓.骗(kuàng)自欺欺人2.下列句子中加点词语的意思不合句意的一项是( )A.这就是中国的脊梁..(比喻在国家、民族或团体中起中坚作用的人)。
B.必须不被搽在表面的自欺欺人....(用自己都难以置信的话或手法来欺骗别人;既欺骗自己也欺骗别人)的脂粉所诓骗。
C.要自己去看地底下...(指土地下面)。
D.一到求神拜佛,可就玄虚..(空而不切实;靠不住;不可信)之至了。
3.在括号里写出下列句中引号的作用。
(1)两年以前,我们总自夸着“地大物博”。
( )(2)先前信“地”,信“物”,后来信“国联”,都没有相信过“自己”。
( )(3)那也只能说中国人曾经有过“他信力”。
( )(4)虽是等于为帝王将相作家谱的所谓“正史”。
( )4.(1)下面这段文字出自《水浒传》中的哪一个情节?李逵虽是个杀人不眨眼的魔君,听的说了这话,自肚里寻思道:“我特地归家来取娘,却倒杀了一个养娘的人,天地也不佑我。
罢罢,我饶了你这厮性命!”放将起来。
______(2)《水浒传》中,“李逵打死殷天锡”这一情节表现了李逵怎样的性格?________________________________________________________________________ 5.“驳论”作为议论文的一种,最基本的仍然是摆事实、讲道理,立论的各种方法都可以在驳论中使用。
它的一般方法包括驳论点、驳论据和驳论证。
你觉得下面这段文字是运用了什么方法来论述的?如果单据这一点现象而论,自信其实是早就失掉了的。
先前信“地”,信“物”,后来信“国联”,都没有相信过“自己”。
绝密★启用前2017-2018学年度学校5月月考卷试卷副标题考试范围:xxx;考试时间:100分钟;命题人:xxx注意事项:1.答题前填写好自己的姓名、班级、考号等信息2.请将答案正确填写在答题卡上第I卷(选择题)请点击修改第I卷的文字说明一、单选题1.某班有学生52人,现用系统抽样的方法,抽取一个容量为4的样本,已知座位号3号,29号,42号的同学都在样本中,那么样本中还有一位同学的座位号是A.16B.19C.24D.36【答案】A【解析】【分析】=13,则另外一个座位号,即可求解.由题意,系统抽样的样本间隔为524【详解】=13,则另外一个座位号为3+13=16,故选A.由题意,系统抽样的样本间隔为524【点睛】本题主要考查了系统抽样的应用,其中解答中熟记系统抽样的方法,计算出样本的间隔是解答的关键,着重考查了分析问题和解答问题的能力,属于基础题.2.若曲线y=x2+mx+n在点(0,n)处的切线方程是x−y+1=0,则()A.m=−1,n=1B.m=1,n=1C.m=1,n=−1D.m=−1,n=−1【答案】B【解析】【分析】根据函数的切线方程得到切点坐标以及切线斜率,再根据导数的几何意义列方程求解即可.【详解】∵曲线在点(0,n)处的切线方程是x−y+1=0,∴0−n+1=0,则n=1,即切点坐标为(0,1),切线斜率k=1,曲线方程为y=f(x)=x2+mx+1,则函数的导数f′(x)=2x+m即k=f′(0)=0+m=1,即m=1,则m=1,n=1,故选B.【点睛】本题主要考查导数的几何意义的应用,属于中档题.应用导数的几何意义求切点处切线的斜率,主要体现在以下几个方面:(1) 已知切点A(x0,f(x0))求斜率k,即求该点处的导数k=f′(x0);(2) 己知斜率k求切点A(x1,f(x1)),即解方程f′(x1)=k;(3) 巳知切线过某点M(x1,f(x1))(不是切点) 求切点, 设出切点A(x0,f(x0)),利用k=f(x1)−f(x0)x1−x0= f′(x0)求解.3.已知函数f(x)=x3在点(1,f(1))处的切线与直线ax−y+1=0垂直,则a的值为( )A.−3B.−13C.3D.13【答案】B【解析】【分析】求得函数f(x)的导数,可得切线的斜率,由两直线垂直的条件:斜率之积为−1,即可得到所求值.【详解】解:函数f(x)=x3的导数为f′(x)=3x2,可得在点(1,f(1))处的切线斜率为3,由切线与直线ax−y+1=0垂直,可得a=−13,故选:B.【点睛】本题考查导数的运用:求切线的斜率,考查两直线垂直的条件:斜率之积为−1,考查方程思想,属于基础题.4.某种智能新产品市场价为每部6000元,若一次采购数量达到一定量,可享受折扣.如图为某位采购商根据折扣情况设计的程序框图,若输出的y=513000,则一次采购………○…………线…………○…:___________………○…………线…………○…该智能新产品的部数为( )A .80B .90C .105D .125 【答案】B 【解析】 【分析】根据程序框图列出y 随x 变化的解析式,再列方程求解可得答案. 【详解】解:根据程序框图可得,x 为一次采购的智能手机的数量,y 为购买该手机的总价钱,则y ={6000x,x ≤806000×0.95x,80<x ≤1206000×0.85x,x >120 ,若6000x=513000,解得x=85.5,不符合题意; 若6000×0.95x =513000,解得x=90;若6000×0.85x =513000,解得x ≈100.6,不符合题意, 综上所述,x=90, 故选B. 【点睛】本题将实际问题与程序框图相结合,主要考查条件结构的程序框图、分段函数的知识,意在考查学生的运算求解能力.5.《孙子算经》是中国古代重要的数学著作,书中有一问题:“今有方物一束,外周一匝有十二枚,问积几何?”该著作中提出了一种解决此问题的方法:“重置二位,左位减八,余加右位,至尽虚减一,即得.”通过对该题的研究发现,若一束方物外周一匝的枚数n 是8的整数倍时,均可采用此方法求解.如图是解决这类问题的程序框图,若…订…………○…………线…………○…※内※※答※※题※※…订…………○…………线…………○…输入n =24,则输出的结果为( )A .47B .48C .39D .40 【答案】A 【解析】 【分析】按照程序框图逐步执行,即可求出结果. 【详解】执行程序框图如下:初始值n =24,S =24,执行循环体; n =16≠0,S =40,执行循环体; n =8≠0,S =48,执行循环体; n =0,S =48,结束循环, S =S −1=47. 输出S =47. 故选A 【点睛】本题主要考查程序框图,按程序逐步执行即可,属于基础题型.6.秦九韶算法是中国古代求多项式f(x)=a n x n +a n−1x n−1+⋯+a 1x +a 0的值的优秀算法,若f(x)=x 5+5x 4+10x 3+10x 2+5x +1,当x =−2时,用秦九韶算法求v 2=( ) A .1B .3C .4D .5【答案】C【解析】【分析】通过将多项式化成秦九韶算法的形式,代入x=−2可得v2.【详解】由题意得:f(x)=((((x+5)x+10)x+10)x+5)x+1则:v2=(x+5)x+10=(−2+5)×(−2)+10=−6+10=4本题正确选项:C【点睛】本题考查秦九韶算法的基本形式,属于基础题.7.程序INPUT"please input an integer"xIF x>9and x<100THENa=x/10b=xMOD10x=10∗b+aPRINTxEND IFEND读上面的程序回答:若先后输入两个数53、125,则输出的结果是()A.53 125B.35 521C.53D.35【答案】D【解析】分析:先判断输入值是否满足条件“x>9 and x<100”,然后逐个语句执行,算出a、b和x的值,最终输出x即为所求.详解:输入x的值是53,满足条件“x>9 and x<100”,则a=53/10=5,b=53MOD10=3,x=3×10+5=35,输出35,程序结束输入x的值是125,不满足条件“x>9 and x<100”,程序结束.故选D.点睛:本题主要考查用伪代码描述算法流程,考查了条件语句和常用的函数语句,由程序代码分析出程序算法的执行内容是解题关键.8.下图是某公司2018年1月至12月空调销售任务及完成情况的气泡图,气泡的大小表示完成率的高低,如10月份销售任务是400台,完成率为90%,则下列叙述不正确的是()○……………………线…………○……○……………………线…………○……A .2018年3月的销售任务是400台B .2018年月销售任务的平均值不超过600台C .2018年第一季度总销售量为830台D .2018年月销售量最大的是6月份 【答案】D 【解析】 【分析】根据图形中给出的数据,对每个选项分别进行分析判断后可得错误的结论. 【详解】对于选项A ,由图可得3月份的销售任务是400台,所以A 正确. 对于选项B ,由图形得2018年月销售任务的平均值为112×(3+2+4+5+8+10+7+4+3+4+1+3)×100=450,所以B 正确.对于选项C ,由图形得第一季度的总销售量为300×12+200×1+400×1.2=830台,所以C 正确.对于选项D ,由图形得销售量最大的月份是5月份,为800台,所以D 不正确. 故选D . 【点睛】本题考查统计中的识图、用图和计算,解题的关键是从图中得到相关数据,然后再根据要求进行求解,属于基础题.9.《易经》是中国传统文化中的精髓,下图是易经八卦图(含乾、坤、巽、震、坎、离、艮、兑八卦),每一卦由三根线组成(表示一根阳线,表示一根阴线),从八卦中任取两卦,这两卦的六根线中恰有5根阳线和1根阴线的概率为( )线…………○……线…………○……A .328 B .332C .532D .556【答案】A 【解析】 【分析】根据古典概型概率求解,先确定从八卦中任选两卦的所有可能的种数,再求出取出的两卦的六根线中恰有5根阳线和1根阴线的种数,进而可得所求概率. 【详解】由题意得,从八卦中任取两卦的所有可能为12×8×7=28种,设“取出的两卦的六根线中恰有5根阳线和1根阴线”为事件A ,则事件A 包含的情况为:一卦有三根阳线、另一卦有两根阳线和一根阴线,共有3种情况. 由古典概型概率公式可得,所求概率为P(A)=328.故选A . 【点睛】根据古典概型求事件A 的概率时,首先要求出试验的所有的结果,即所有的基本事件数,然后再求出事件A 包含的基本事件的个数,最后根据公式求解即可.求基本事件数时,常用的办法是列举法,列举时要做到不重不漏.10.古希腊雅典学派算学家欧道克萨斯提出了“黄金分割”的理论,利用尺规作图可画出己知线段的黄金分割点,具体方法如下:(l )取线段AB =2,过点B 作AB 的垂线,并 用圆规在垂线上截取BC =12AB ,连接AC ;(2)以C 为圆心,BC 为半径画弧,交AC 于点D ;(3)以A 为圆心,以AD 为半径画弧,交AB 于点E .则点E 即为线段AB 的黄金分割点.若在线段AB 上随机取一点F ,则使得BE ≤AF ≤AE 的概率约为 (参考数据:√5≈2.236)…………外………………○………………内………………○……A .0.236B .0.382C .0.472D .0.618 【答案】A 【解析】 【分析】由勾股定理可得AC =√5,由图可得0.764≤AF ≤1.236,由长度比的几何概型可得概率为BE ≤AF ≤AE 的概率为1.236−0.7642=0.236,即可求解。
2017年-2018年专业知识与实务模拟真题单选题1、对个人投资者而言,房地产投资的方式不包括()。
A.房地产购买B.房地产租赁C.房地产信托D.购买房地产公司的股票多选题2、下列政府支出中,能够直接体现政府再分配功能,实现公平目标的有()。
A.政府的经济建设支出B.政府对困难群体的价格补贴C.政府的教育支出D.政府的社会优抚支出E.政府的行政管理支出单选题3、刘某、张某、赵某和王某4人分别出资5万元、8万元、20万元和40万元成立一家专营照相器材的有限责任公司,其中王某以其所有的房产作为出资。
公司成立后运营期间,李某以现金5万元入股,并被公司聘为总经理。
一次,法院在对公司的财产实施强制执行中查明王某的房产仅值20万元。
依我国公司法规定,以下处理正确的是()。
A.由于有限责任公司的股东对公司债务承担有限责任,故公司成立以后,刘、张、赵、王、李5人对成立前的出资不足不负补交差额的责任B.王某以其现有的个人财产补交差额,不足部分待王某有财产时再行补足C.王某以其现有的个人财产补交差额,不足部分由刘、张、赵3人补足D.王某以其现有的个人财产补交差额,不足部分由刘、张、赵、李4人补足多选题4、“建筑工程一切险”规定保险公司承担保险责任的范围包括()的损失。
A.外力引起的电气装备B.地震导致施工建筑物C.台风摧毁施工现场内的临时工程D.水灾导致被保险人在工地上原有建筑物E.气温变化造成精密仪表单选题5、投资项目决策分析与评价中最常用的是以()表示的盈亏平衡点,也有采用()表示的盈亏平衡点。
A.产量和生产能力利用率,产品售价B.产品售价,产量和生产能力利用率C.投资财务内部收益率,产品售价D.产品售价,投资财务内部收益率多选题6、属于经济全球化表现的是()。
A.国际分工合作的深化B.取消金融管制C.国家贸易和跨国投资快速发展D.国内外金融市场之间的联动更加紧密E.资本在全球范围内流动更加自由单选题7、某房地产投资企业在一定日期的负债合计为4000万元,资产合计为6000万元,流动资产和流动负债分别为3000万元和1000万元,存货为1500万元。
[技术与设计1]模块仿真测试题(一)
一、选择题
1.现有市场上销售的一种折叠梯,可以变成人字梯,也可以变成直梯,下列说法错误的是()
A.该梯有人字梯和直梯的功能,体现了技术的创新性,可以考虑申请专利
B.该梯折叠后体积很小,有利于搬运和储藏,这体现了技术的目的性
C.该折叠梯采用高强度的铝合金材料,结构稳固,但只能折叠不能升降,这体现了技术的两面性
D.在设计该梯时,既要从力学角度考虑结构的合理性,又要考虑梯子在造型上的美观程度,还要从材料学角度精选使用的材料,这体现了技术的综合性。
C[本题主要考查技术性质的相关知识。
这类题应特别注意“技术的综合性”“技术的两面性”。
综合性:综合利用多学科、多方面知识;两面性:突出技术使用中可能对人产生的危害。
所以选C。
]
2.某公司开发的生物燃料新技术,通过光合作用将转基因单细胞植物转变成为乙醇和生物柴油等燃料,可用于驱动汽车等,减少石油资源的消耗。
下列关于该技术的说法中不恰当的是()
A.该技术符合设计的可持续发展原则
B.该技术促进了生物技术的创新与发展
C.该技术拓展了新能源的开发与利用
D.该技术可以让人类不再担忧能源枯竭
D[技术的负面作用是技术的固有性质,不可能通过技术发展而得以消除,应当通过技术使用者正确、合理地使用技术,减少其负面作用。
因此D项符合题意。
]
3.如图所示的电线夹可以方便地夹在电源线上,电线夹的两面分别有盲文、图案和文字,可以方便快捷地区分出不同电器的电源线。
从人机关系角度分析,该设计()
A.未考虑特殊人群的需要
B.不符合信息交互要求
C.符合高效的目标
D.符合人体动态尺寸
C[由题意知,电线夹可以方便快捷地区分出不同电器的电源线,符合人机关系中的高效的目标,故C选项正确。
]
4.赛车CFD(计算流体动力学)风洞仿真技术可以通过计算机快速的计算能力与超大的存储技术,建立流场模型并进行流体的动力学仿真。
使用该项技术可以节省风洞试验(从设计到建造,再到测试)的时间,并且可以克服因物理结构变动而费时的缺点。
采用该项技术的试验方法属于()
A.模拟试验法
B.移植试验法
C.优选试验法
D.虚拟试验法
D[利用计算机技术在计算机的虚拟世界里进行的试验属于虚拟试验法。
]
5.如图所示是一款泡茶用的小茶具,它可以便捷地卡在茶杯的杯沿上,不会
让茶叶散在杯中,也可以方便地架放在桌面上。
该小茶具的设计主要体现了设计的()
A.实用原则、创新原则
B.经济原则、技术规原则
C.美观原则、经济原则
D.道德原则、可持续发展原则
A[该产品便于泡茶,提高了产品的实用性,且与同类产品不同,体现了设计的创新性,因此A项正确;题干中没有对造型、成本、环保等容的描述,因此B、C、D项错误。
]
学校自行车停放点场地小,许多同学乱停乱放。
晚来的同学经常无法停放自行车,学校希望同学们提出合理的解决方案。
(完成下题)
6.小黄同学设计解决办法时,受到了各种主客观条件的限制,以下不属于限制条件的是()
A.小黄的知识储备及实践能力
B.设计所需的时间及经费等
C.日常停放的自行车数量
D.自行车的材质
D[本题考查解决问题所受到的限制。
自行车的材质与停放自行车的解决方案无关,不对问题解决产生限制,因此D项符合题意。
]
7.如图所示为一款可平铺的锥形擦菜板,可将蔬菜擦成细条。
卷成锥形放在桌子上擦菜,可大幅提高擦菜效率;平铺开来则有效地降低了刷洗时水资源的浪费,也使产品运输方便。
设计者在设计时进行了以下分析,其中不合理的是()
A.握把的设计应考虑人手持握方式
B.擦板材料应选择有硬度和回弹性的
C.擦孔的形状决定蔬菜细条的长度
D.擦孔的分布越密,擦菜效率越高
C[本题考查设计分析的实例分析。
擦孔的形状决定蔬菜条的粗细与形状,与蔬菜条的长度无关,因此C项符合题意。
]
8.如图所示的尺寸标注中错误的是()
A.R20的标注
B.38的标注
C.8的标注
D.20的标注
D[本题考查尺寸标注。
尺寸线必须单独画出,不能与其他图线重合,不能与对称轴重合,D项中20的标注其尺寸线与对称轴重合,因此D项符合题意。
]
9.针对以下设备与工具的操作,不合理的是()
D[本题考查了金工、木工常用的工具和设备及其操作要领。
板牙加工外螺纹时,紧定螺钉要拧紧,D错误,ABC正确。
]
10.在通用技术实验室,要用铁质长方体工件加工成如图所示的零件,加工方确的是()
A.用直径为6 mm的样冲冲出6 mm的圆孔
B.用平锉可以锉出宽为10 mm,长为10 mm的缺口
C.用宽度为20 mm,厚度为2 mm的平锉锉出深2 mm,宽20 mm的槽
D.用半径为10 mm的圆锉锉出半径为10 mm的圆弧
C[本题考查了金属加工中工具的选择。
用宽20 mm,厚2 mm的平锉可锉出深2 mm,宽20 mm的槽,C正确,ABD错误。
]
11.【加试题】如图所示是一款可以夹在帽檐上的照明灯,采用轻质塑料外壳、LED灯和充电电池。
下列关于该产品的评价中不恰当的是()
A.可以固定在帽檐上,便于双手活动
B.选用了轻质材料,减少帽檐下垂
C.选用了LED灯,降低了能耗
D.选用了充电电池,降低了产品价格
D[充电电池适用于野外无电源的环境,没有成本的体现,D项容无法判断,因此D项符合题意。
]
12.【加试题】如图所示是一款两用椅,将橡木脚安装在办公椅脚上就成为摇摆椅。
下列橡木脚的设计方案中合理的是()
C[本题考查方案的选择与权衡。
根据图示,椅脚为圆柱形;橡木脚外侧面完整,保证椅子不发生左右方向的移动,不与橡木脚分离。
满足上述两点要求的设计方案为C项。
]
13.【加试题】如图所示是一个模型的轴测图。
下列该模型的三视图中正确的是()
A[本题考查三视图的绘制。
A项为正确的三视图;B项主、俯视图错误;C项主、左视图错误;D项左视图错误,因此A项正确。
]
二、非选择题
14.为方便同学们在教室挂放雨伞,伟用木材制作了如图所示的雨伞架。
制作完成后,需要对雨伞架进行稳定性试验,确定雨伞架发生倾倒时所能承受的最小负荷。
现提供重物若干,请设计简易试验方案(在给定的示意图上表示试验方案,用文字说明主要步骤)。
【答案】本题考查了技术试验的设计。
在最前端的挂伞杆中部逐个挂重物,观察雨伞架的倾倒状况,从而确定雨伞架发生倾倒时所能承受的最小负荷。
示意图如下:
15.请补全三视图中所缺的三条图线。
【解析】本题考查三视图补线,图见答案。
【答案】如图所示
16.【加试题】如图(a)所示,为一款超市用摄像头,可以上下角度调整,其结构由摄像头、连接件等组成,原来的连接件已经损坏,现在需要重新设计制作一个连接件。
摄像头连接处的结构如图(b)所示。
现在提供一段槽钢如图(c)所示,制作该连接件。
设计要求为:
A.不改变摄像头的连接处的结构;
B.与天花板或者墙壁有足够的连接强度;
C.能体现合理的人机关系。
请根据上述设计要求完成以下任务:
(1)画出连接件的设计草图,必要时可用文字说明;
(2)在设计草图上标注接头的实际尺寸(包括外形尺寸和圆孔的尺寸)。
【解析】本题考查方案构思、草图绘制及尺寸标注。
具体见答案。
【答案】
17.【加试题】如图所示为某人设计的木制躺椅,其扶手与前后脚之间暂时缺少必要的连接件。
请你设计一个连接件,用于扶手与前后脚之间的连接,并且使用者能通过连接件调整靠背倾斜角度。
设计要求如下:
A.连接件安装在前后腿与扶手之间,能使靠背向前后方向倾斜,并保证一定的连接强度;
B.连接件采用厚2 mm、宽60 mm、长度足够的不锈钢钢板制作,其余零件自选;
C.结构简单,操作方便。
请根据上述设计要求,完成以下任务:
(1)若要实现靠背角度可调节,木制扶手与靠背之间的连接可采用________。
(在①榫接;②膨胀螺栓连接;③松螺栓连接;④焊接中选择一项,将序号填写在“________”处)
(2)画出连接件的设计草图,必要时可用文字说明。
(3)在设计草图上标注连接件的主要尺寸。
(4)说明该连接件是如何实现靠背角度调整的。
(5)安装好连接件后,要对该躺椅进行技术试验,以下试验中,不需要的是________。
(在①躺椅强度试验;②椅背角度调节试验;③连接件防腐蚀试验中选择一项,将序号填写在“________”处)
【答案】(1)③
(2)有图1分;画出与扶手连接的安装孔(1分);孔槽朝向恰当(2分);参考图如下
(3)能完整的标出长、宽、厚度及孔槽等尺寸
(4)将扶手上拉,向前(或向后)移动扶手,带动靠背转动,调整到合适的角度后,再放下扶手,使调节杆卡入连接件的卡槽中。
(5)③。