工程设计专项乙级资质办理
- 格式:doc
- 大小:13.50 KB
- 文档页数:1
乙级设计资质办理条件
乙级设计资质是指企业在工程设计行业中的一种认证。
这种资质通常要求企业必须具备一定的经济实力、管理水平和设计能力,才能取得资格以提供商业服务。
乙级设计资质的办理条件包括以下几个方面:
一、经济实力
作为一家设计企业,在经济实力方面必须具备一定的条件。
首先,需要拥有一定的注册资金,并能够提供相应的财务报表,证明企业经济能力的实际水平。
其次,还需要拥有稳定的资金来源,以保证企业的正常运营和发展。
最后,企业应该具备一定的资产规模,证明其具备一定的商业实力和综合能力。
二、管理水平
乙级设计资质的办理还要求企业具备一定的管理水平。
这方面要求企业要有完善的管理体系和流程,并能够提供相应的管理制度和规定。
此外,还要求企业要具备良好的品牌形象和信誉度,能够为客户提供高质量的服务。
三、设计能力
最后,乙级设计资质的办理要求企业具备一定的设计能力。
这方面要求企业必须拥有一支高效且专业的设计团队,具有较高的设计水平和技术实力,能够为客户提供适合的设计方案。
此外,还要求企业要有一定的技术装备和软件工具,使设计流程更加规范和高效。
总之,乙级设计资质的办理条件涉及到多个方面,需要企业具备一定的经济实力、管理水平和设计能力。
只有在这些方面得到满足,企业才能够顺利地取得乙级设计资质,并为客户提供高质量的设计服务。
乙级设计资质办理条件随着我国经济的快速发展和城市化进程的加快,建筑设计行业也得到了快速发展。
建筑设计行业的发展也带动了乙级设计资质的需求。
乙级设计资质是建筑设计企业的重要资质之一,具有较高的市场竞争力和商业价值。
本文将详细介绍乙级设计资质的办理条件,以帮助有需要的企业顺利办理乙级设计资质。
一、企业注册条件首先,企业需要满足注册条件。
企业在注册时需要提供相关证明材料,包括营业执照、组织机构代码证、税务登记证、法人代表证明等。
此外,企业还需要提供注册资本证明、经济效益证明、财务状况证明等。
企业在注册时需要注意提供真实、准确的材料,否则将无法顺利注册。
二、人员配备条件其次,企业需要满足人员配备条件。
乙级设计资质的申请企业需要配备具有相应职称的注册建筑师、注册结构工程师、注册土木工程师、注册电气工程师等专业人员。
此外,企业还需要配备专业的技术人员和管理人员。
企业在人员配备上需要注意职称的要求,以确保人员能够胜任所需的工作。
三、项目经验条件除了注册和人员配备条件外,企业还需要满足项目经验条件。
乙级设计资质的申请企业需要具有一定的设计经验和项目经验。
企业需要提供相关的设计方案、设计成果、设计施工图等证明材料。
此外,企业还需要提供相关的项目经验证明,包括参与的项目名称、类型、规模、设计任务等信息。
四、工作场所条件最后,企业需要满足工作场所条件。
乙级设计资质的申请企业需要具有相应的工作场所,包括办公室、会议室、设计室、样板间等。
工作场所需要满足相关标准和规定,包括安全、卫生、环保等方面的要求。
此外,企业还需要配备相应的设备和软件,以保障设计工作的顺利进行。
总之,乙级设计资质的办理条件相对较为严格,企业需要满足一系列的条件和要求。
企业在申请乙级设计资质前,需要认真了解相关的规定和要求,并进行充分的准备工作。
只有通过严格的审核和评估,企业才能够顺利获得乙级设计资质,并在市场上获得更大的商业价值。
河南景裕韩经理【↑↑↑咨询拨号】专业代理河南省内工程设计资质现可代理设计资质的新办.升级.延续.和增项,并为资质提供所需人员申请资质的流程步骤会比较朦胧繁琐或者困难重重,下面我就来详细讲解一下企业如何快速专业化去申请、增项或者升级勘察、设计资质,企业应该达到或具备哪些条件,才可以申请资质。
我司可提供资质申办代理服务,可协助您快速获取资质。
热力工程乙级人员配备:共计9人二级注册结构工程师 1名二级注册建筑工程师 1名注册供配电工程师 1名注册动力工程师 2名注册造价工程师 2名中级动力工程师 2名人员配备:每项建筑资质在人员方面都严格的人员配备规定,只有在人员配备齐全才能提交办理申请。
由于人员配备的数量较多,一般人员可以通过当地的招聘网站或者找中介猎头获取,在办理时要对人员各方面加以调查以免人员有不良记录或者有违规行为导致认定人员作假,最终无法通过审核。
资质流程1.首先需要工商注册(拿到营业执照)2.然后选购EI5.0系统锁(北京建设信源资讯有限公司网购)3.紧接配备人员如有注册人员到注册办先去注册(人员配备齐全开始整理人员信息)4.接下来政务服务网上申报后打印形成纸质上报材料(带有条形码的申请表)5.拿着带有条形码的申请表上交到省厅等待专家审批(组织同业专家进行资料评审)6.最后就是省建设厅给出最终评审结果(可登陆当地主管部门网站查询评审结果)首次申请工程设计资质,需提交以下材料:1、工程设计资质申请表;2、附件材料1)企业法人、合伙企业营业执照副本复印件;2)企业章程或合伙人协议文本复印件;3)企业法定代表人、合伙人的身份证明复印件;4)企业负责人、主要技术负责人或总工程师的身份证明、任职文件、毕业证书、职称证书等复印件,主要技术负责人或总工程师提供“专业技术人员基本情况及业绩表”;5)工程设计资质标准要求的主要专业技术人员(注册、非注册)与企业依法签订的劳动合同主要页(包括合同双方名称、聘用起止时间、签字盖章、生效日期)、与原聘用单位解除聘用劳动合同的证明或近一个月的社保证明复印件(对军队或高校从事工程设计的事业编制的主要专业技术人员不需提供社保证明,但需提供所在单位上级人事主管部门的人事证明材料)。
工程设计建筑行业(建筑工程)乙级资质要求(一)工程设计建筑行业乙级资质要求一、注册资格要求•拥有国家注册工程师(建筑)资格证书;•有本行业从业经验,且实际参与过多个工程项目的设计;•具备相关工程设计软件和专业知识;•拥有良好的职业道德和职业操守。
二、专业技术要求•具备扎实的建筑设计理论和知识基础;•熟悉国内外建筑设计规范和标准;•能够运用CAD、Revit等专业设计软件进行建筑方案设计;•具备设计施工图、工程测量、结构设计等技术能力;•熟悉建筑材料和施工工艺,能够合理选择和使用;•具备项目管理能力,能够有效组织设计团队和协调项目进展。
三、工作经验要求•至少具备5年以上的建筑设计工作经验;•参与过多个不同类型的工程项目,包括住宅、商业、办公等;•在项目中担任过重要职责,如主创设计师、项目负责人等;•对工程施工和项目管理有一定的实际经验。
四、案例作品要求•提供至少3个具有代表性的设计案例作品;•所提供的设计案例应包含详细的设计说明和相关施工图纸;•设计案例应能够体现出申请人的设计能力和创新思维;•作品的技术难度和设计水平应达到较高标准。
五、职业素养要求•具备较强的沟通和协调能力,能够与工程团队和客户保持良好的合作关系;•具备较高的学习能力和创新意识,能够不断学习和更新自己的设计理念;•讲究细节和注重实用性,能够将设计理念转化为实际的建筑作品;•积极参与行业交流和专业培训,不断提升自身的专业水平。
示例解释注册资格要求申请人在申请乙级资质之前,需要先取得国家注册工程师(建筑)资格证书。
此外,申请人还需要具备一定的从业经验,参与过多个工程项目的设计,并且具备相关的工程设计软件和专业知识。
同时,良好的职业道德和职业操守也是获得乙级资质的必备条件。
专业技术要求除了具备扎实的建筑设计理论和知识基础之外,申请人还需要熟悉国内外建筑设计规范和标准。
此外,申请人需要能够熟练使用CAD、Revit等专业设计软件进行建筑方案设计,并且具备设计施工图、工程测量、结构设计等技术能力。
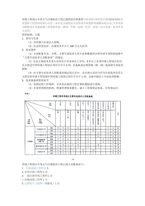
环境工程设计专项大气污染防治工程乙级资质办理条件河南景裕-李经理l73*2O l9*8888河南景裕工程咨询有限公司是一家专业为建筑业企业资质申请提供咨询服务的公司;主营业务为勘察设计及建筑施工资质新申请、增项、升级、延续、托管、变更(法人变更,技术负责人变更)
资质标准:乙级
1、资历与信誉
(1)具有独立企业法人资格。
(2)社会信誉良好,注册资本不少于100万元人民币。
2、技术条件
(1)专业配备齐全、合理,主要专业技术人员专业和数量符合所申请专项资质标准中“主要专业技术人员配备表”的规定。
(2)企业主要技术负责人应具有大学本科以上学历,5年以上从事环境工程设计经历,且主持过中型环境工程设计项目不少于2项,具备执业注册资格(限一级)或高级专业技术职称。
(3)在主要专业技术人员配备表规定的人员中,非注册人员应当作为专业技术负责人主持过所申请专项类别中型环境工程设计项目不少于1项,具备中级以上专业技术职称。
3、技术装备和管理水平
(1)有固定的工作场所,并具有必备的工程计算机辅助设计系统。
(2)企业管理组织机构、档案管理体系健全,建立了质量保证体系,并有效运行。
环境工程设计专项大气污染防治工程乙级人员配备如下:
1.环保高级工程师4名
2.环保中级工程师2名
3.一级注册结构工程师1名
4.机械高级工程师1名
5.注册电气工程师(供配电)1名
6.注册暖通工程师2名
7.自控中级工程师1
8.概预算中级工程师2名合计:14名。
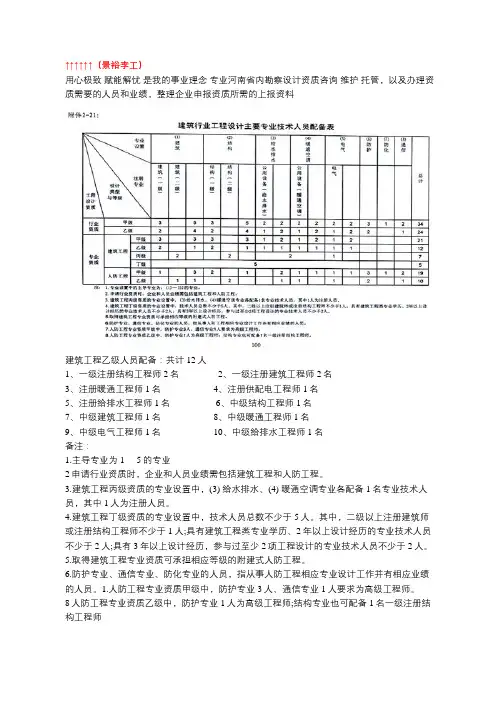
↑↑↑↑↑↑(景裕李工)用心极致赋能解忧是我的事业理念专业河南省内勘察设计资质咨询维护托管,以及办理资质需要的人员和业绩,整理企业申报资质所需的上报资料建筑工程乙级人员配备:共计12人1、一级注册结构工程师 2名2、一级注册建筑工程师 2名3、注册暖通工程师 1名4、注册供配电工程师 1名5、注册给排水工程师 1名6、中级结构工程师 1名7、中级建筑工程师 1名 8、中级暖通工程师 1名9、中级电气工程师 1名 10、中级给排水工程师 1名备注:1.主导专业为1----5的专业2申请行业资质时,企业和人员业绩需包括建筑工程和人防工程。
3.建筑工程丙级资质的专业设置中,(3) 给水排水、(4) 暖通空调专业各配备1名专业技术人员,其中1人为注册人员。
4.建筑工程丁级资质的专业设置中,技术人员总数不少于5人。
其中,二级以上注册建筑师或注册结构工程师不少于1人;具有建筑工程类专业学历、2年以上设计经历的专业技术人员不少于2人;具有3年以上设计经历,参与过至少2项工程设计的专业技术人员不少于2人。
5.取得建筑工程专业资质可承担相应等级的附建式人防工程。
6.防护专业、通信专业、防化专业的人员,指从事人防工程相应专业设计工作并有相应业绩的人员。
1.人防工程专业资质甲级中,防护专业3人、通信专业1人要求为高级工程师。
8人防工程专业资质乙级中,防护专业1人为高级工程师;结构专业也可配备1名一级注册结构工程师企业的主要技术负责人或总工程师应当具有大学以上学历、10年以上设计经历,主持过所申请行业大型项目工程设计不少于1项,或中型项目工程设计不少于3项,具备注册执业资格或高级专业技术职称。
在主要专业技术人员配备表规定的人员中,主导专业的非注册人员应当作为专业技术负责人主持过所申请行业中型项目不少于2项,或大型项目不少于1项。
建筑工程设计乙级资质建筑工程设计资质是评定企业进行建筑设计的一项重要认证,乙级资质是其中的一种,具备乙级资质意味着企业在建筑工程设计领域具备一定的设计能力和经验。
本文将围绕建筑工程设计乙级资质展开论述,包括资质的定义、申请条件、申请流程以及资质的意义和影响等方面。
一、建筑工程设计乙级资质的定义建筑工程设计乙级资质是根据相关法律法规,由政府主管部门对建筑设计企业的设计能力进行评定、认定的资格等级。
乙级资质通常要求企业具备相应的注册人员,拥有一定的设计项目经验和技术实力。
二、申请条件1. 注册资金达到一定数额,以确保企业的经营能力和财务实力;2. 建筑工程设计项目经验要求,企业需要具备一定数量和质量的设计项目经验,以证明设计能力和经验;3. 设计人员条件,企业需要具备一定数量和水平的注册设计师,并且要求设计人员在相关领域具备一定的从业经验;4. 设计设备条件,企业需要配备一定数量和规格的设计设备和软件,以确保设计工作的顺利进行。
三、申请流程1. 准备申请材料,包括企业资质申请表、企业法人营业执照、注册资金证明、设计项目经验证明、注册设计师职称证书、设计设备清单等;2. 提交申请材料,按照要求将申请材料递交至相关部门,并按照规定的时间完成申请;3. 审核评定,相关部门将对申请材料进行审核评定,包括对企业的资质条件、设计项目经验、注册人员及设备条件等进行综合评估;4. 发放资质证书,经过审核评定合格的企业将获得建筑工程设计乙级资质证书。
四、资质的意义和影响1. 提升企业竞争力,建筑工程设计乙级资质是企业在工程设计市场中的重要准入条件,具备该资质将提升企业的竞争力;2. 增强项目信誉,资质证书是企业设计能力和水平的有力证明,可以增加企业在项目招投标中的知名度和信誉度;3. 拓展项目范围,乙级资质是企业承接更高难度、规模更大的设计项目的前提条件;4. 加强行业交流与合作,具备乙级资质的企业可以更好地与其他具备相同资质的企业进行合作与交流,共同提高行业的发展水平。
建筑幕墙工程设计专项乙级资质办理条件河南景裕-李经理l73*2O l9*8888河南景裕工程咨询有限公司是一家专业为建筑业企业资质申请提供咨询服务的公司;主营业务为勘察设计及建筑施工资质新申请、增项、升级、延续、托管、变更(法人变更,技术负责人变更)
资质标准:乙级
1.资历和信誉
(1)具有独立企业法人资格。
(2)社会信誉良好,注册资本不少于100万元人民币。
2.技术人员条件
(1)专业配备齐全、合理,主要专业技术人员专业和数量符合所申请专项资质标准中“主要专业技术人员配备表”的规定。
(2)企业主要技术负责人或总工程师应具有大学本科以上学历,8年以上从事建筑幕墙设计经历,并主持过不小于2项中型或1项大型规模的幕墙工程设计,具备一级注册结构工程师或注册机械工程师执业资格,或具有高级专业技术职称。
(3)在主要专业技术人员配备表规定的人员中,非注册人员应具备3年以上从事建筑幕墙设计经历,并主持过不少于1项中型规模的建筑幕墙工程设计。
3.技术装备及管理水平
(1)有必要的技术装备和工程计算机辅助设计系统,固定的工作场所。
(2)有较完善的质量体系和技术、经营、人事、财务、档案等管理制度。
建筑幕墙工程设计专项乙级人员配备如下:
1.建筑高级工程师1名
2.建筑中级工程师1名
3.机械中级工程师3名
合计:5名。
建筑设计行业乙级资质申请条件建筑设计行业乙级资质申请条件:
建筑设计行业乙级资质是针对具备一定规模和经验的建筑设计企业而设立的资
质等级。
申请乙级资质需要满足以下条件:
1. 注册资金要求:企业注册资本应达到一定金额,通常要求在200万元以上。
2. 人员组成:企业需具备一定数量的建筑设计专业人员,包括具备相应职称及
从业经验的工程师和技术人员。
3. 项目经验:企业申请乙级资质需要提供一定数量的相关建筑设计项目经验,
包括建筑物规模、设计内容和设计效果等。
4. 设计能力:企业需拥有一定的设计能力和技术设备,包括先进的设计软件和
硬件设备。
5. 质量管理:企业需要具备一定的质量管理体系,包括项目管理、设计审核、
质量控制等。
6. 合法经营:企业需要具备合法的经营资质和相关证件,如《企业法人营业执照》、《建筑业企业资质证书》等。
7. 相关文件材料:申请乙级资质需要提交相关的文件材料,包括企业注册信息、人员简历、设计项目清单、质量管理体系文件等。
以上为申请建筑设计行业乙级资质的基本条件,具体要求可能会根据不同地区
和具体情况有所差异。
申请者需仔细阅读官方发布的申请指南,并准备好完善的文件材料,以保证申请的顺利进行。
新办测绘乙级资质办理流程及要求第一篇:新办测绘乙级资质办理流程及要求申请流程:第一步工商注册第二步购买软件第三步配备人员并注册人员第四步准备上报资料(网上申报并打印形成上报材料)第五步递交材料、第六步审批(审批流程)市建委-省建厅一、专业技术人员1.本标准所称专业技术人员,包括测绘专业技术人员和测绘相关专业技术人员。
测绘专业技术人员,是指测绘工程、地理信息、地图制图、摄影测量、遥感、大地测量、工程测量、地籍测绘、土地管理、矿山测量、导航工程、地理国情监测等专业的技术人员。
测绘相关专业技术人员,是指地理、地质、工程勘察、资源勘查、土木、建筑、规划、市政、水利、电力、道桥、工民建、海洋、计算机、软件、电子、信息、通信、物联网、统计、生态、印刷等专业的技术人员。
申请大地测量、测绘航空摄影、摄影测量与遥感、工程测量、不动产测绘、海洋测绘、地图编制、导航电子地图制作的单位,测绘相关专业技术人员不得超过本标准对专业技术人员要求数量的60%;申请地理信息系统工程的单位,测绘相关专业技术人员不得超过本标准对专业技术人员要求数量的80%;申请互联网地图服务的单位,专业技术人员比例不作要求。
2.未取得专业技术职务任职资格的其他测绘从业人员,应当通过测绘地理信息行业职业技能鉴定获得国家职业资格证书。
二、有必要的技术装备及固定的工作场所。
三、有较完善的质量体系和技术、经营、人事、财务、档案等管理制度。
四、质量管理甲级测绘资质单位应当通过ISO9000系列质量保证体系认证;乙级测绘资质单位应当通过ISO9000系列质量保证体系认证或者通过省级测绘地理信息行政主管部门考核;丙级测绘资质单位应当通过ISO9000系列质量保证体系认证或者设区的市级以上测绘地理信息行政主管部门考核;丁级测绘资质单位应当通过县级以上测绘地理信息行政主管部门考核。
申请互联网地图服务专业范围的,不受前款规定限制。
五、测绘业绩1.申请晋升甲级测绘资质的,应当符合以下条件:近2年内完成的测绘服务总值不少于1600万元,且有3个以上测绘工程项目取得省级以上测绘地理信息行政主管部门认可的质检机构出具的质量检验合格证明。
建筑装饰工程设计专项乙级资质要求1. 资质要求简介建筑装饰工程设计专项乙级资质是指具备相应规模和能力,能够从事建筑装饰工程设计的企业所必须具备的资质等级。
该资质要求企业在建筑装饰工程设计领域有一定的经验和能力,并且能够按照国家相关法律法规和标准进行设计工作。
2. 资质申请条件2.1 注册资本申请企业应具有一定的注册资本,以保证企业有足够的经济实力来承担建筑装饰工程设计项目。
2.2 技术人员条件申请企业应具备一定数量的建筑装饰工程设计相关专业技术人员,包括注册建筑师、注册结构师、注册电气工程师等。
这些技术人员应具备相应的职称或执业资格,并且在近几年内有相关项目经验。
2.3 设计管理体系申请企业应具备完善的设计管理体系,包括组织架构、岗位职责、设计流程、质量控制等方面的规定和制度。
企业应能够有效地组织和管理设计团队,保证设计工作的质量和进度。
2.4 设计项目经验申请企业应具备一定数量和规模的建筑装饰工程设计项目经验。
这些项目经验应涵盖不同类型的建筑装饰工程,包括住宅、商业、办公等不同用途的建筑。
2.5 设计设备条件申请企业应具备一定数量和先进程度的设计设备,包括计算机、打印设备、绘图仪等。
这些设备应能够满足设计工作的需要,并且保持正常运行。
3. 资质申请流程3.1 资质预审申请企业首先需要进行资质预审,提交相关材料进行资格审核。
资格审核主要包括注册资本验证、技术人员资格验证、设计管理体系审核等方面。
3.2 资质现场评审通过资质预审后,符合要求的企业将进入现场评审阶段。
现场评审主要是对企业进行实地考察,了解其实际情况和能力。
评审人员将对企业的技术人员、设计管理体系、设计项目经验等进行评估。
3.3 资质审批通过现场评审后,评审结果将提交给相关部门进行最终审批。
审批结果将根据企业的实际情况和能力来决定是否授予建筑装饰工程设计专项乙级资质。
4. 资质维持与提升4.1 资质维持要求获得建筑装饰工程设计专项乙级资质的企业应当按照国家相关法律法规和标准要求开展设计工作,并且定期进行自查和整改,保证设计工作的质量和进度。
工程设计建筑行业(建筑工程)乙级资质要求工程设计建筑行业(建筑工程)乙级资质要求在中国的工程设计建筑行业中,资质等级通常用于评定企业的专业能力和资质水平。
乙级资质是其中一种较高水平的资质等级,在申请和获得乙级资质时,需要满足一系列的要求和条件。
1. 公司背景要求•具备独立承担工程设计和施工图绘制业务的机构;•具备国家建设部门或工程设计行业主管部门核发的相应资格证书;•具备充足的注册资本金,能够满足项目实施的经济需求;•具备适当的办公场所和设备,能够保证项目的顺利进行;•具备合理的人员配置和管理机制,以确保项目的质量和进度。
2. 项目经验要求•具备一定数量和质量的在建或已完成的工程项目;•在近几年内完成过与乙级资质相关的工程项目,以证明其具备相应的技术实力和经验;•项目经验应涵盖不同类型、不同规模和不同难度的工程项目;•具备高水平的项目管理和控制能力,包括质量管理、进度控制和成本控制等方面。
3. 技术要求•具备科学合理的工程设计理念和方法;•具备完整的工程设计流程和方案编制能力;•具备相关工程领域的专业知识和技能,例如建筑结构设计、给排水设计、电气设计等;•具备使用先进的工程设计软件和设备的能力;•具备解决工程设计中复杂问题的能力,例如工程技术难点的攻关和创新。
4. 资质维持要求•在资质有效期内,要维护其良好的业务和声誉,不得有违规经营或违法行为;•定期参加行业培训和技术交流活动,保持业务水平的更新和提升;•及时履行对项目的义务和责任,确保项目的质量和安全;•通过定期的资质评定和审核,确保乙级资质的有效性和合规性。
示例解释:举个例子来说明乙级资质的要求。
某建筑工程设计企业在过去的五年中成功完成了多个商业综合体的工程设计项目,其中包括一座大型购物中心和一座高层写字楼。
这些项目的设计方案融合了创新的建筑设计理念和先进的结构设计方法,同时兼顾了安全性、美观性和经济性。
该企业在设计过程中充分利用了先进的工程设计软件,通过模拟和优化来提高建筑结构的性能和稳定性。
建筑装饰工程设计专项乙级资质要求
建筑装饰工程设计专项乙级资质要求通常包括以下几个方面的要求:
1. 资质申请条件:申请单位必须是具有独立法人资格的企事业单位,且注册资金要求符合要求。
2. 组织管理要求:申请单位必须具备健全的组织机构和管理制度,具备相应的财务、技术、人力资源管理能力。
3. 项目经验和技术条件:申请单位必须有一定的工程设计项目经验,能承担一定规模的建筑装饰工程设计项目。
技术人员要求有相应的职称或资格证书,并具备一定的技术能力和经验。
4. 设备和技术条件:申请单位必须具备一定的技术设备和专业软件,能够完成相应的设计任务。
5. 质量管理要求:申请单位必须具备一定的质量管理体系,能够确保设计项目的质量,遵守相关法规和标准。
6. 工程管理要求:申请单位必须具备相应的工程管理能力,能够协调各方面资源,保证工程的顺利进行。
7. 安全生产要求:申请单位必须具备相关的安全生产管理能力,能够保证工程施工过程中的安全。
以上是一般的建筑装饰工程设计专项乙级资质要求,具体要求
可能会根据地区和政策的不同而有所差异,申请单位需要根据相关规定进行准备和申请。
建筑设计行业乙级资质申请条件摘要:1.建筑设计行业乙级资质的概念与意义2.申请乙级资质的企业所需具备的条件3.申请乙级资质的具体流程与注意事项4.乙级资质对于企业的优势与作用5.结语正文:一、建筑设计行业乙级资质的概念与意义建筑设计行业乙级资质,是我国建筑设计行业对于设计单位的一种等级划分。
乙级资质主要针对的是中型项目工程设计,具有该资质的企业可以承担一定规模的建筑设计任务。
在我国,建筑设计资质分为甲、乙、丙三个等级,其中乙级属于中等级别。
二、申请乙级资质的企业所需具备的条件1.具有独立企业法人资格,并且社会信誉良好,注册资本不少于100 万元人民币。
2.专业技术配备齐全、合理,主要专业技术人员数量不少于所申请行业资质标准中主要专业技术人员配备表规定的人数。
3.企业的主要技术负责人或总工程师应当具有大学本科以上学历、10 年以上设计经历,且主持过所申请行业相应专业设计类型的中型项目工程设计不少于3 项,或大型项目工程设计不少于1 项,具备注册执业资格或高级专业技术职称。
三、申请乙级资质的具体流程与注意事项1.流程:首先,企业需要向所在地的建设主管部门提交申请,然后经过专家评审、公示等环节,最后由建设主管部门审批并发放资质证书。
2.注意事项:企业在申请乙级资质时,需要提交的材料包括企业法人营业执照、组织机构代码证、税务登记证、注册资本证明、专业技术人员证书等。
此外,企业在申请过程中要确保材料真实有效,否则将影响资质申请结果。
四、乙级资质对于企业的优势与作用1.提升企业竞争力:拥有乙级资质的企业可以承接更多规模的项目,有利于提高企业在建筑设计市场的竞争力。
2.拓宽业务范围:乙级资质企业可以承担中型项目工程设计,业务范围相较于丙级资质企业有明显扩大。
3.提高企业信誉度:获得乙级资质证书,意味着企业在建筑设计领域具备一定的实力和信誉度,有利于提高客户对企业的认可度。
总结:办理建筑设计行业乙级资质,需要企业具备一定的条件,如独立法人资格、社会信誉良好、注册资本、专业技术人员等。
水利设计资质是在承接相关项目的准入证,其中,水利设计资质分为不同的等级,因为承接的项目也是有所不同的,主要分为三个资质等级,甲级资质、乙级资质和丙级资质,今天就为大家介绍下水利行业设计乙级资质办理的流程及周期所需要的资料,希望对你有所帮助。
水利设计乙级资质的相关承接范围及资质等级划分。
一、工程设计行业乙级资质承接的业务范围:工程设计行业乙级资质承接的业务范围是承担本行业中、小型建设工程项目的主体工程及其配套工程的设计业务。
工程设计专业乙级资质承接的业务范围是承担本专业中、小型建设工程项目的主体工程及其配套工程的设计业务。
水利设计行业有哪些资质类型?水利行业下的8项专业设计资质类型分别为:灌溉排涝、水库枢纽、河道整治、引调水、围垦、城市防洪、水文设施、水土保持。
企业可以根据自身需求以及营业执照经营范围来选择相应资质进行办理,取得某项专业资质证书只能从事其专业范围内的业务。
另外,还有行业资质,取得行业设计资质证书的企业,可以从事所有水利工程建设,包括这八个类型。
二、水利设计资质等级如何划分1、水利设计资质等级划分为甲级、乙级、丙级;2、八个专业设计资质类型中,除水文设施设计资质划分为甲级和乙级外,其他7项均划分为甲级、乙级、丙级。
企业申请,不论行业资质还是专业资质,其等级不能超过乙级。
取得相应等级的资质证书后,须在其许可范围内从事经营活动。
三、水利设计资质审核哪些方面1、专业技术人员2、技术负责人:分别考核学历、工作经验、技术职称和工程业绩;3、其他方面:注册资本、经营场所等。
以上就是水利行业设计乙级资质的相关内容,水利行业工程设计资质是设计资质的一种类型,是针对设计单位而颁发的资质证书。
对设计单位而言,只有取得资质,企业才有资格承接业务。
水利工程是用于控制和调配自然界的地表水和地下水,达到除害兴利目的而修建的工程。
随着人口增加,城市化进程加快,水利资源的开发与利用刻不容缓。
申请水利行业工程设计资质,不但有助于水利工程发展,也有助于企业发展。
最新环境工程设计专项乙级资质新办流程下载温馨提示:该文档是我店铺精心编制而成,希望大家下载以后,能够帮助大家解决实际的问题。
最新环境工程设计专项乙级资质新办流程该文档下载后可定制随意修改,请根据实际需要进行相应的调整和使用,谢谢!并且,本店铺为大家提供各种各样类型的实用资料,如教育随笔、日记赏析、句子摘抄、古诗大全、经典美文、话题作文、工作总结、词语解析、文案摘录、其他资料等等,如想了解不同资料格式和写法,敬请关注!Download tips: This document is carefully compiled by the editor. I hope that after you download them, they can help you solve practical problems. The document 最新环境工程设计专项乙级资质新办流程 can be customized and modified after downloading, please adjust and use it according to actual needs, thank you!In addition, our shop provides you with various types of practical materials, such as educational essays, diary appreciation, sentence excerpts, ancient poems, classic articles, topic composition, work summary, word parsing, copy excerpts, other materials and so on, want to know different data formats and writing methods, please pay attention!环境工程设计专项乙级资质是在环境保护领域从事设计工作所必备的资质之一,其办理流程通常需要遵循一定的程序和规定。
建筑装饰工程设计乙级资质标准及申请材料第一篇:建筑装饰工程设计乙级资质标准及申请材料建筑装饰工程设计乙级资质标准及申请材料如下:建筑装饰工程设计专项资质|乙级资质审批:建筑装饰工程设计范围包括建筑装饰装修和室内外环境设计,及相关配套的建筑、结构、电气、给排水、暖通、空调等的设计。
承担业务范围:乙级、二级资质,可以承担单项合同额1200万元以下的建筑工程项目的装饰装修设计。
乙级、二级资质:一.资历和信誉:1.具有独立企业法人资格。
2.社会信誉良好,注册资本金不少于100万元人民币。
二..技术条件:1.专业配备齐全、合理,主要专业技术人员专业和数量符合所申请专项资质标准中“主要专业技术人员配备表”的规定。
2.企业主要技术负责人或总设计师、总工程师应具有大学本科以上学历,6年以上从事建筑装饰设计经历,主持过中型以上建筑装饰工程设计项目不少于2项,具备中级以上专业技术职称。
3.在主要专业技术人员配备表规定的人员中,非注册人员应参与过中型以上建筑装饰工程设计项目不少于2项,具备中级以上专业技术职称。
三.技术装备及管理水平:1.有必要的技术装备及固定的工作场所。
2.有较完善的质量体系和技术、财务、档案等管理制度。
乙级、二级资质申请材料:1.工程勘察、工程设计资质申请表;2.企业法人、合伙企业营业执照副本复印件;3.企业章程或合伙人协议;4.企业法定代表人、合伙人的身份证明;5.企业负责人、技术负责人的身份证明、任职文件、毕业证书、职称证书及相关资质标准要求提供的材料;6.工程勘察、工程设计资质申请表中所列注册执业人员的身份证明、注册执业证书;7.工程勘察、工程设计资质标准要求的非注册专业技术人员的职称证书、毕业证书、身份证明及个人业绩材料;8.工程勘察、工程设计资质标准要求的注册执业人员、其他专业技术人员与原聘用单位解除聘用劳动合同的证明及新单位的聘用劳动合同;9.资质标准要求的其他有关材料第二篇:建筑装饰工程设计乙级资质标准材料建筑装饰工程设计乙级资质标准、申请材料建筑装饰工程设计专项资质|乙级资质审批:建筑装饰工程设计专项资质设甲、乙、丙三个级别。
工程设计专项乙级资质办理
建筑装饰设计不只决定着装饰的美观性,更决定着建筑装饰的实用性,建筑装饰设计是建筑装饰工程的重要组成部分。
建筑装饰工程专项设计资质属于工程设计专项资质序列,工程设计专项设计资质分别为甲级、乙级、丙资质,资质不同对企业有不同的条件要求,企业在进行工程设计前需要取得相应的工程设计资质证书。
今天就工程设计专项乙级资质办理流程和标准,给大家列举下。
工程设计专项乙级资质人员配置表
工程设计专项乙级资质标准
1、企业
1)独立法人具有专项工程设计资历至少三年;
2)独立承担专项设计至少两项;
3)注册资本至少五十万元;
2、人员
有承担两项中型专项工程设计的能力,专职技术骨干至少两人,且至少一人参加两项大型专项工程设计业务。
3、技术
1)至少两项主行业或相关专业的专利、专有技术、工艺包(软件包);
2)有计算机的能力;
4、装备
达到国家建设行政主管部门规定的乙级设计单位技术装备及应用水平考核标准,且有固定的工作场所;
5、管理
有设计项目管理为中心的管理体制、健全的质量管理体系和管理制度;
专业技术人员有一定的条件要求,符合条件的专业技术人员才能作为人员进行申报,申报人员的学历、岗位、业绩、职称证书信息等要相符,不相符要按照相应的要求办理。
工程设计专项乙级资质办理流程
工程设计专项乙级及以下资质可以向省住建厅进行申请,以上资质需要由住房城乡建设部进行审批,可以由企业先向省级建设主管部门提出申请。
第一步工商注册
第二步配备人员并注册人员
第三步准备上报资料(网上申报并打印形成上报材料)
第四步递交材料
第五步审批(审批流程)市建委-省建厅
第六步领取资质
企业要想扩大工程设计范围就需要进行资质升级,资质升级中最重要的材料就是工程业绩材料了,那么可能企业会问未完成的项目能进行业绩认定么?事实上是不可以的,只有完成的项目才能作为业绩认定。
想了解更多资质办理内容。