空调管道保温计算表
- 格式:xls
- 大小:182.50 KB
- 文档页数:4
1、经济厚度法计算保温计算依据:《设备及管道绝热技术通则》(GB4272-2008) 《设备及管道绝热技术导则》(GB8175-2008)δ 保温层厚度,单位为毫米(mm)140ƒn 热价,单位为元每吉焦(元/GJ)61.33λ 保温材料制品热导率,对于软质材料应取安装密度下的热导率,单位为瓦每米开尔文单位为[W/(mK)]0.0436τ 年运营时间,单位为(h)7000T 设备和管道的外表面温度,单位为开尔文(摄氏度)[K(℃)]165T 0 环境温度,单位为开尔文(摄氏度)[K(℃)]20P i 保温结构单位造价,单位为元每立方米(元/m³)1150S 保温工程投资贷款年分摊率,按复利计算:0.135481997i 年利率(复利率) 5.94%n 计息年数10α 保温层外表面与大气的换热系数,单位为瓦每平方米开尔文[W/(㎡K)]11.63D 0 保温层外径,单位为毫米(mm)388D i 保温层内经,单位为毫米(mm)1080.4962031560.493383444差值比例0.57%表面凝露法计算保冷:DN40,-196℃液氮管道计算依据:《设备及管道绝热技术通则》(GB4272-2008) 《设备及管道绝热技术导则》(GB8175-2008)λ 单层保冷材料制品在使用温度下的热导率,单位为瓦每米开尔文[W/(mK)]0.064t s 保冷层外表面温度,按大气露点温度+1,单位为摄氏度[℃)]30t 金属管道、圆筒形设备及球形容器壁的外表面温度,单位为摄氏度[℃)]-196t a 环境温度,取年夏季空调室外干球计算温度,单位为摄氏度[℃)]45αs 保温层外表面与大气的换热系数,单位为瓦每平方米开尔文[W/(㎡K)]8.14D 0 管道、圆筒形设备或球形容器的外径,单位为米[m]0.04826D 1 管道、圆筒形设备或球形容器单层保冷层的外径,单位为米[m]0.17999D 1实际值,单位为米[m]0.185264.9092531484.909252364保冷层冷损失量计算W/m冷箱至液氮储槽管道长度,单位为米[m]66-67.76877602总冷量损失,单位为米[w]-4472.739217表面凝露法计算保冷:DN65,-183℃液氧管道计算依据:《设备及管道绝热技术通则》(GB4272-2008) 《设备及管道绝热技术导则》(GB8175-2008)λ 单层保冷材料制品在使用温度下的热导率,单位为瓦每米开尔文[W/(mK)]0.064t s 保冷层外表面温度,按大气露点温度+1,单位为摄氏度[℃)]30t 金属管道、圆筒形设备及球形容器壁的外表面温度,单位为摄氏度[℃)]-183t a 环境温度,取年夏季空调室外干球计算温度,单位为摄氏度[℃)]45αs 保温层外表面与大气的换热系数,单位为瓦每平方米开尔文[W/(㎡K)]8.14D 0 管道、圆筒形设备或球形容器的外径,单位为米[m]0.07302D 1 管道、圆筒形设备或球形容器单层保冷层的外径,单位为米[m]0.2107D 1实际值,单位为米[m]0.233023.0579623.057781保冷层冷损失量计算W/m冷箱至液氧储槽管道长度,单位为米[m]74.3-74.6691总冷量损失,单位为米[w]-5547.92表面凝露法计算保冷:DN50,-186℃液氩管道计算依据:《设备及管道绝热技术通则》(GB4272-2008) 《设备及管道绝热技术导则》(GB8175-2008)λ 单层保冷材料制品在使用温度下的热导率,单位为瓦每米开尔文[W/(mK)]0.064t s 保冷层外表面温度,按大气露点温度+1,单位为摄氏度[℃)]30t 金属管道、圆筒形设备及球形容器壁的外表面温度,单位为摄氏度[℃)]-186t a 环境温度,取年夏季空调室外干球计算温度,单位为摄氏度[℃)]45αs 保温层外表面与大气的换热系数,单位为瓦每平方米开尔文[W/(㎡K)]8.14D 0 管道、圆筒形设备或球形容器的外径,单位为米[m]0.06033D 1 管道、圆筒形设备或球形容器单层保冷层的外径,单位为米[m]0.1941D 1实际值,单位为米[m]0.22333.7533133.759562保冷层冷损失量计算W/m冷箱至液氩储槽管道长度,单位为米[m]89.5-67.3556总冷量损失,单位为米[w]-6028.33。
保温保冷厚度计算举例 SANY GROUP system office room 【SANYUA16H-一、蒸汽管道保温厚度计算计算的已知条件管道直径:219mm,管道长度:100m管道内介质温度:t0=400℃和150 ℃环境温度:平均温度t a=25℃保温表面温度:t s=45℃(温差20℃)CAS铝镁质保温隔热材料的导热方程:0.038+0.00015tcp,导热系数修正系数1.2复合硅酸盐保温材料的导热方程:0.038+0.00018tcp,导热系数修正系数1.8120kg/m3管壳的导热方程:0.048+0.00021tcp,导热系数修正系数1.8注:复合硅酸盐、岩棉管壳的导热方程摘自《保温绝热材料及其制品的生产工艺与质量检验标准规范实用手册》。
1、介质温度为400℃,表面温度为45℃,温差为20℃,材料保温厚度计算CAS铝镁质保温隔热材料(热面400℃,冷面45℃)的平均导热系数λ={0.038+0.00015×(400+45)÷2}×1.2=0.0857复合硅酸盐保温隔热材料(热面400℃,冷面45℃)的平均导热系数λ={0.038+0.00018×(400+45)÷2}×1.8=0.1405岩棉管壳(热面400℃,冷面45℃)的平均导热系数λ={0.048+0.00021×(400+45)÷2}×1.8=0.1705温差为20℃,室内管道表面换热系数as=5.0+3.4+1.27=9.67w/㎡.ka、用CAS铝镁质保温隔热材料保温D 1ln(D1/D)=2λ(t-ts)/<as(ts-ta)>={2×0.0852×(400-45)}÷{9.67×(45-25)}=0.3128 (D1/D)ln(D1/D)=0.3128/0.219=1.4282查表X-XlnX函数得到:X=(D1/D)=2.02(采用内查法:XlnXX1.4192.021.4392.03①1.439—1.419=0.020.02÷10=0.002②1.4282—1.419=0.0092③0.0092÷0.002=4.6④1.4282对应的X为:2.02+(2.03—2.02)×4.6=2.0246)保温层厚度:δ=D(X-1)/2=219(2.02—1)/2=111.7mm。
绝热工程量。
(1设备筒体或管道绝热、防潮和保护层计算公式: V=π×(D+1.033δ×1.033δ S=π×(D+2.1δ+0.0082×L 式中D——直径 1.033、2.1——调整系数;δ——绝热层厚度; L——设备筒体或管道长; 0.0082——捆扎线直径或钢带厚。
(2伴热管道绝热工程量计算式:①单管伴热或双管伴热(管径相同,夹角小于90°时。
D′=D1+D2 +(10~20mm 式中D′——伴热管道综合值; D1 ——主管道直径; D2 ——伴热管道直径; (10~20mm——主管道与伴热管道之间的间隙。
②双管伴热 (管径相同,夹角大于90°时。
D′=D1+1.5D2 +(10~20mm ③双管伴热 (管径不同,夹角小于90°时。
D′=D1 +D伴大+(10~20mm 式中D′——伴热管道综合值; D1 ——主管道直径。
将上述D′计算结果分别代入相应公式计算出伴热管道的绝热层、防潮层和保护层工程量。
(3设备封头绝热、防潮和保护层工程量计算式。
V=\[(D+1.033δ/2\]2 π×1.033δ×1.5×N S=\[(D+2.1δ/2\]2×π×1.5×N (4阀门绝热、防潮和保护层计算公式。
V=π(D+1.033δ×2.5D×1.033δ×1.05×N S=π(D+2.1δ×2.5D×1.05×N (5法兰绝热、防潮和保护层计算公式。
V=π(D+1.033δ×1.5D×1.033δ×1.05×N S=π×(D+2.1δ×1.5D×1.05×N (6弯头绝热、防潮和保护层计算公式。
V=π(D+1.033δ×1.5D×2π×1.033δ× N/B S =π×(D+2.1δ×1.5D×2π×N/B (7拱顶罐封头绝热、防潮和保护层计算公式。
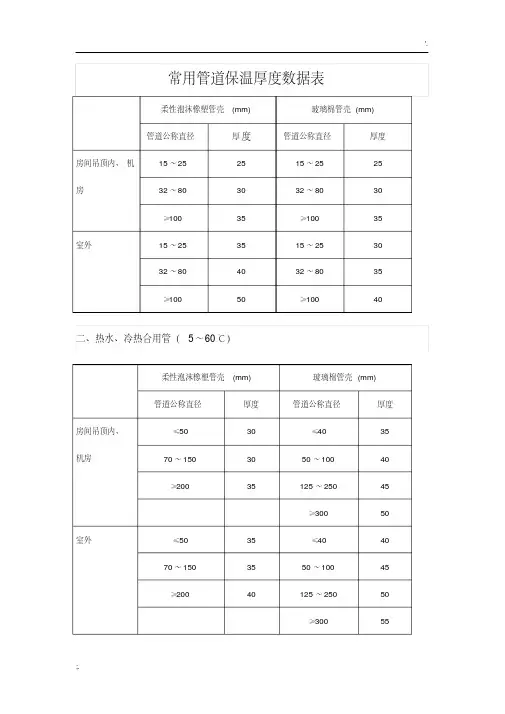
常用管道保温厚度数据表柔性泡沫橡塑管壳(mm)玻璃棉管壳(mm)管道公称直径厚度管道公称直径厚度房间吊顶内、机房15~252515~2525 32~803032~8030≥10035≥10035室外15~253515~253032~804032~8035≥10050≥10040二、热水、冷热合用管(5~60℃)柔性泡沫橡塑管壳(mm)玻璃棉管壳(mm)管道公称直径厚度管道公称直径厚度房间吊顶内、机房≤5030≤4035 70~1503050~10040≥20035125~25045≥30050室外≤5035≤404070~1503550~10045≥20040125~25050≥30055三、热水、冷热合用管(0~95℃)聚氨酯硬质泡沫(直埋)(mm)玻璃棉管壳(mm)管道公称直径厚度管道公称直径厚度房间吊顶内、机房≤3230≤5050 40~2003570~15060≥25045≥20070室外≤3235≤506040~2004070~15070≥25050≥20080四、蓄冰管道(≥-10℃)柔性泡沫橡塑(mm)聚氨酯发泡(mm)室内15~40353050~1004040≥1255050板式换热器35-槽、罐6050室外15~40404050~1005050≥1256060槽、罐7070五、空调凝结水管道柔性泡沫橡塑管壳(mm)玻璃棉管壳(mm)空调房间吊顶内1010非空调房间1515六、空调风管道柔性泡沫橡塑板(mm)玻璃棉板、毡(mm)送风温度≥14℃在非空调房间内2040在空调房间内2030送风温度≥4℃在非空调房间内2550在空调房间内2540七、冷媒管道(分体空调,VRV)安装说明要求的保温层的最小厚度1、通过空调空间19mm2、通过非空调空间19mm3、贯穿浴室吊顶空间25mm八、导热系数离心玻璃棉λ=0.031+0.00017tm W/m.K柔性泡沫橡塑λ=0.03375+0.000125 tm W/m.K聚氨酯λ=0.0275+0.0009tm W/m.K聚氨酯硬质泡沫(直埋)λ=0.02+0.00014 tm W/m.K岩棉或矿棉λ=0.0314+0.0002 tm W/m.Ktm-保冷层的平均温度℃,取管内冷热媒与管道周围空气平均温度。
1、水管保温厚度计算
V=π×(D+1.033δ)×1.033δ×L
式中V——保温棉体积,m³
D——管道外直径,m
δ——保温层厚度,m
L——管道长度,m
1.033——保温损耗系数。
值得注意的是,式中单位均为m最终得出的结果才是m³。
因此,计算过程中需把管道外直径、保温层厚度换算成m。
次式原理为,管道外表面积与保温层厚度的乘积,考虑了损耗。
2、风管保温厚度计算
矩形风管保温面积=(长+宽+保温厚度*1.033)*2*长度
圆形风管保温面积=(直径+保温厚度*1.033*2)*3.14*长度
矩形风管保温厚度=(长+宽+保温厚度*1.033)*2*长度*保温厚度*1.033
圆形风管保温厚度=(直径+保温厚度*1.033*2)*3.14*长度*保温厚度*1.033
式中1.033——保温损耗系数。
上式同样注意式中单位,应保持一致。
空调水系统管道安装工程管道防腐及保温一、管道防腐需要做防腐处理的管路,可以在预制时进行第一遍防腐,涂刷底漆前,用钢丝刷清除表面的灰尘、污垢、锈斑、焊渣等杂物:涂刷油漆,厚度均匀,色泽一致,无流淌及污染现象。
所有管道、管件及支架均刷两道防锈漆,第一道防锈漆在安装前涂好,第二道防锈漆在试压合格后及时进行涂刷。
二、管道保温1、保温方式根据设计说明,管道保温采用橡胶发泡管壳保温材料,保温层厚度根据水管管径不同而不同,具体规格见下表:空调冷水供回水管与其支架之间采用与保温层厚度相同的经过防腐处理的高密度垫块。
其位置不得妨碍水过滤器的拆装,也不得占用设备操作空间。
冷却水管在室外部分需要将电伴热施工完成及验收合格后,再进行电伴热式的绝热保温,保温层厚度按设计要求DNW200,保温厚度30mm;DN>200,保温厚度40mm2、施工特点及重要性本工程保温工作量大,施工质量要求很高:从技术上说,保温不好,严重的后果是能量损失大;从使用上说,夏季在暴露的钢管外表和保温不密实的附件处、支架处甚至仪表接嘴处产生大量冷凝水,俗称“冷汗”,往往汗如雨下,滴流如注,加大了冷量损失,影响装饰美观,影响管材的使用寿命;从观感上说,保温是脸面、衣裳,是反映工程形象的关键之一,要达不到整齐、密实、美观的质量要求,则面目可憎,达不到做为精品工程应有的要求。
3、施工方法和技术要求A、施工工序:现场下料一涂胶一保温粘贴一缠绕胶带一质量检查一保温验收。
管道的保温应在管道试压或通水、防腐完成以后进行;非水平管道的保温自下而上进行;管道的保温要密实,特别是三通、弯头、支架及阀门、法兰等部位要填实。
B、管材、板材的选用:保温材料一般分为管材和板材两大类。
管材内径与相应的管道外径一致,例如DN40的焊管外径为48mm,相应保温层内径就应为48mm,依此类推。
板材一般幅宽Im和0.8m两大类,按照不同的保温管道截取不同尺寸粘接。
一般情况下,当管道外径不大于89mm时,选用管材保温;IOO m m及以上选用板材保温。
1、按防止结露计算空调送风管保温层厚度《空气调节设计手册》(第二版)防止结露指绝大多数时间不结露。
例如放在和室外大气有良好接触的房间的冷管道,当室外相对湿度达到95%以上且温度较高时不结露是很难作到的,也是不必要的。
①.平面的保温厚度对于矩形管道、设备以及外径>400mm的圆形管道,可按平面保温考虑。
按下式计算其最小保温层厚度:②.圆管可按下式计算:式中δ——防止结露保温层的最小厚度(m);twg——保温层外的空气温度(℃),需保温的管道或设备不在空调房间内或在室外时,取室外最热月历年平均温度;tl——保温层外的空气露点温度(℃),不在空调房间内或在室时,按twg和室外最热月历年平均相对湿度确定。
tng——室内介质温度(℃);λ——保温材料的导热系数[W/(m·℃)];d——保温前的管道外径;αwg——保温层外表面换热系数[W/(m·℃)],一般为5.8~11.6,室内管道可取8.1。
对于圆管,计算出后,保温层厚度可由《空气调节设计手册》173页表3-14中查出。
2、判断水管、空调管道是否结露的步骤:①室内设计参数状态 (温度tN、相对湿度φN)下的露点温度值tL;②冷风管、冷冻水管表面温度为tb;③若tb>tL,不结露;若tb≤tL,结露。
回水温度th>供水温度tg>露点温度tL:不结露(辐射空调夏季开窗通风产生结露现象);回水温度th>露点温度tL>供水温度tg:供水结露;(辐射空调)露点温度tL>回水温度th>供水温度tg:供、回水均结露;(辐射空调)3、空调送风管按保温后的外表面温度确定保温层厚度《空气调节设计手册》(第二版)对于平面(方管和≥400mm的圆管),其保温层厚度,可按下式计算:twb—保温后的外表面温度(℃);δ2—按保温后的外表面温度确定的保温层厚度(m);twb—保温后的外表面温度(℃);δ2—按保温后的外表面温度确定的保温层厚度(m);对于圆管,亦可在计算出公式右端后,查表确定保温层厚度。
绝热工程量。
(1)设备筒体或管道绝热、防潮和保护层计算公式: V=π×(D+1.033δ)×1.033δS=π×(D+2.1δ+0.0082)×L式中D——直径 1.033、2.1——调整系数;δ——绝热层厚度;L——设备筒体或管道长; 0.0082——捆扎线直径或钢带厚。
(2)伴热管道绝热工程量计算式:①单管伴热或双管伴热(管径相同,夹角小于90°时)。
D′=D1+D2+(10~20mm)式中D′——伴热管道综合值; D1 ——主管道直径; D2——伴热管道直径; (10~20mm)——主管道与伴热管道之间的间隙。
②双管伴热 (管径相同,夹角大于90°时)。
D′=D1+1.5D2+(10~20mm)③双管伴热 (管径不同,夹角小于90°时)。
D′=D1 +D伴大+(10~20mm)式中D′——伴热管道综合值; D1——主管道直径。
将上述D′计算结果分别代入相应公式计算出伴热管道的绝热层、防潮层和保护层工程量。
(3)设备封头绝热、防潮和保护层工程量计算式。
V=\[(D+1.033δ)/2\]2 π×1.033δ×1.5×N S=\[(D+2.1δ)/2\]2×π×1.5×N(4)阀门绝热、防潮和保护层计算公式。
V=π(D+1.033δ)×2.5D×1.033δ×1.05×NS=π(D+2.1δ)×2.5D×1.05×N(5)法兰绝热、防潮和保护层计算公式。
空调管道保温及表面处理规格表管道系统管径(mm)20~50冷冻水管50~100~250~600二次侧采暖水管冷却水管冷凝水管15~50以上32,≤50一次侧采暖水管65~150200及以上室内空调送/回风管及新风管室外空调送/回风管及新风管室内蓄热罐,补给/膨胀水箱室外蓄热罐,补给/膨胀水箱所有离心玻璃棉32k玻璃棉管壳64k橡塑60K橡塑60K保温材料保温厚度(mm)室外2532室内不保温,室外64030铝皮铝皮铝皮铝皮铝皮铝皮(全部)铝皮(全部)铝皮(全部)原厂铝箔贴面外层保护层规格≤150以上阀门≤150以上阀门——
0.6mm
0.8mm
1.2mm
0.6mm
0.8mm
1.2mm——材料名称泡沫酚醛泡沫酚醛泡沫酚醛泡沫酚醛泡沫酚醛密度不小于80kg/m³;——≤125,密度为80kg/m³;≥150,密度为120kg/m³管道托架规格所有30室内蓄热罐≥100,补给/膨胀水箱≥50;厚度≥85,水泥抹灰直径1mm钢丝网包缠,再加15mm的水泥抹灰,外加聚丁烯片做保护。
18#直径1mm钢丝网包缠,再加15mm的水泥抹灰,外加聚丁烯片做保护。
——所有岩棉100K,镀锌钢板,————所有聚苯乙烯16K水泥抹灰————所有设在厨房内的风管保温应采用
0.5mm厚的不锈钢板做覆盖保护,应以拉锁铆钉在每隔50mm的间距做固定。
1/ 1。
0.071240.0634120.008300.0253025-285088.141管道或设备保温厚度计算表面结露,需加厚保温δ 保温材料厚度(mm)λ2 保温材料导热系数(W/m*K)t 外 一般常温地段应取夏季空调日平均温度(℃)t 表 一般按日平均温度下的露点温度加1~2(℃)t 内 管道或设备内工质温度(℃)d 外 管道或设备外径(mm)α2 外表面放热系数,空气一般取8.141W/(m2*K)序号材料名称导热系数W/(m﹒k)工作温度(℃)密度(kg/m³)常规板材尺寸(mm)1岩棉A 不燃0.026~0.035-260~700≤1501000*630*1002矿渣棉A 不燃0.041~0.055≤65060~1001000*630*1003复合硅酸盐保温材料A 不燃0.028~0.045-40~70030~801000*500*1004普通硅酸铝棉A 不燃0.03~0.045<100080~140宽:400/600/12005玻璃棉板A 不燃0.03~0.04-120~40024~96长:600~2400宽:600~12006离心玻璃棉管A 不燃0.032~0.035-4~454100~400内径15~4267泡沫石棉板材A 不燃0.033~0.044≤60020~401000*500硅酸镁管壳-40~800管径50厚以上硅酸镁板材-20~800500*10009无机墙体保温砂浆A不燃≥0.04≤600280/10彩钢夹芯板(岩棉)A不燃0.026~0.035-260~700≤150宽:840长可自定义11橡塑海绵(一类)B1难燃≤0.038≤11065~851000*2000*10012聚氨酯发泡板B1难燃≤0.025≤120≥30500*1000*10013酚醛保温板B1难燃0.022~0.029≤150045~751200*1000*10014阻燃挤塑板/阻燃≤0.032离火自熄850600*600/600*1200保温材料参考标准说明:1、导热系数越小越好。
空调系统保温材料及保温厚度计算晨怡热管 2008-4-20 20:03:181•保温的类型:保热:热水系统,蒸汽管道等;保冷:新风系统风管,冷冻水供回水管等;2. 需保温的场合:不保温,冷、热损耗大,且不经济时;由于冷、热损失,使介质温度达不到要求温度,因而不能保证室内参数时;当管道穿过室内参数要求严格的空调房间,而管道散出的冷热量对室内参数影响不利时; 管道的冷表面可能结露时。
3. 空调系统常用保温材料:岩棉离心玻璃棉橡塑海绵阻燃聚乙烯泡沫塑料硬质聚氨酯泡沫塑料泡沫塑料硬质聚氨酯 泡沫塑料33 0.018 0.8 2.2x10-7可燃,加阻燃剂后 离火2s 内自息2500损害环境抗老化性 能差4. 标准中对空调保温厚度的规定:设备及管道保温技术通则 上海市公共建筑节能设计标准 ASHARE 90.1-19995•保温厚度的算法:保冷厚度一般大于保热厚度,具保冷效果对空调系统影响较大,因而一般在设计中,按照保冷 的厚度计算; 按防结露厚度计算防结露是指要求保温后管道、设备表面湿度应大于保温层外的空气露点温度,保证绝大多数时 间不结露,这也是空调系统保温的基本要求。
圆形管道: 按经济厚度计算经济厚度是指保温后,全年的冷或热损失价值与保温投资的年折算价值之和为最小的保温材料 厚度。
d = A矩形风管:(d + 26) 加+ 2別矩形设备、管道:TZUTj-i 亍—_石圆形管道:I h丿其中:-——保温层厚度,m ;L温材料导热系数,w/m-k ;a“尹一^温材料外表面换热系数,w/m2-k,一般取8.14 ; -;—傑温层外空气露点温度,C;■■一—T内流体温度,c;一口一傑温层外空气温度,C;-1一^温前管道外径,m ;:—讨算年限,取12年;」一単位换算系数,二,I11 'T —全年输送冷媒的小时数,h ;•―价,元/106kJ ;P 一一:一^温层单位造价,兀/m3;-一^温工程投资贷款分摊率,%,按复利计息,取0.15 ;6•保温厚度推荐值:空■凤管、设*防统,甲責计尊哀蠢3空■风管经济■度计算舉» 5。