活荷载取值完整
- 格式:doc
- 大小:84.00 KB
- 文档页数:3
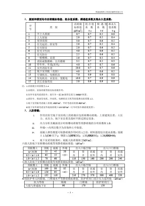
2. 屋面和楼面均布活荷载标准值、组合值系数、频遇值系数及准永久值系数:注:1.活荷载分项系数为1.42.水箱间、设备荷载等按实际荷载作用。
3.室外车道考虑消防车,按汽车-超20级即总重力300kN 核算。
4.消防车、柴油发电机、冷冻机、电梯机房主机等荷载乘动荷系数1.2。
5.地下室顶板考虑施工荷载10kN/m 2,平时考虑活荷载6kN/m 2。
6.地下室外墙考虑室外地面荷载≥10.0 kN/m2(行车时按车辆荷载复算)。
3. 人防荷载:i. 作用在防空地下室结构上的荷载应包括核爆动荷载、上部建筑自重、土压力、水压力、地下室自重及战时不拆迁固定设备。
ii. 内力分析及截面设计时核爆动荷载等效静荷载的分项系数取1.0。
iii. 外墙< >内所注数字为非饱和土中取值。
iv.混凝土弹性模量可取静荷载作用时的1.2倍,材料强度综合提高系数:混凝土1.5(C60以下);钢筋1.5(HPB235),1.35(HRB335),1.20(HRB400)v. 地下室采用桩基时,底板人防荷载取25kN/m2。
六级人防地下室核爆动荷载等效静荷载标准值:(kN/m 2)4.屋面、楼面恒荷载标准值(分项系数1.2)1)上人屋面(铺地砖)10厚地砖0.25 25厚找平结合层0.50 20厚砂浆0.40 防水层0.10 20厚砂浆找平0.40 均200厚轻质材料找坡 2.00 板(12 15cm) 3.00 3.75 吊顶或抹灰0.60 120,150 7.30, 8.002)屋顶绿化本工程暂不考虑3)不上人屋面(隔热砖)50厚隔热砖0.35 25厚找平结合层0.50 20厚砂浆0.40 防水层0.10 20厚砂浆找平0.40 均80厚轻质材料找坡0.80 板(12 15cm) 3.00 3.75 吊顶或抹灰0.60 120,150 6.20, 6.904)地下室顶板(覆土及厚板另计)20厚砂浆0.40 防水层0.10 20厚砂浆找平0.40 均150厚陶粒砼找坡 1.50 板(18,20cm) 4.5 5.00 吊顶或抹灰0.60 180,200 7.5, 8.005)车库、车道90厚细石混凝土 2.25 找平接合层0.20 板(12 20cm) 3.00 5.00 吊顶或抹灰0.60 120,200 6.05, 8.056)水泥楼面(机房等)50厚水泥砂浆 1.00 板(12 15cm) 3.00 3.75吊顶或抹灰0.60 120,150 4.60, 5.357)楼面[50](卧室、客厅等)10厚地砖0.25 40厚找平结合层0.80 板(10,12,15cm) 2.5 3.00 3.75 吊顶或抹灰0.60 100,120,150 4.2 4.70, 5.408)住宅阳台,橱房10厚地砖0.25 25厚找平结合层0.50均50厚水泥砂浆找坡 1.00 防水层0.10 10厚找平结合层0.200厚填料(容重14kN/m3)板(10 12cm) 2.50 3.00 吊顶或抹灰0.60 100,120 5.15, 5.65 9)地砖楼面(公共卫生间填料计入活载)25厚找平结合层0.50均300陶砾填充 4.2華森建築與工程設計顧問有限公司防水层0.10 10厚找平结合层0.20 板(12 15cm) 3.00 3.75吊顶或抹灰0.60 120,1508.60, 9.3510) 楼梯 (板厚应按实际折算)10厚地砖0.25 25厚水泥砂浆0.50 板(120,150)折算5.506.35 板底抹灰0.40 扶手等0.50 120,1507.10, 8.00* 楼梯为两跑5. 墙体荷载:(外墙体采用空心砖计算14kN/m 3, 内墙体采用加气块8kN/m 3 ) * 线荷载=(层高-0.5)xqa. 外墙 (每平米墙面)10厚面砖0.25 50厚面层(双侧)1.00 墙(190,240)2.663.36 墙190,2403.91,4.61b. 内墙, 分户墙50厚面层(双侧)1.00 墙(90 190)0.72 1.52 墙90,190 1.72 2.52c. 橱房有橱柜一侧内隔墙50厚面层(双侧)1.00 实心硅酸钙砖(100)1.2 墙1002.2d. 出挑600的落地窗落地窗0.45x2.5=1.125 上挑板0.6x(4.2x1.2+2.0x1.4)/1.2=3.92 下挑板4.2x0.6=2.52 总和 7.6e. 净挑500的突窗 (窗台高为450)落地窗0.45x2.5=1.125 上挑板0.5x(4.2x1.2+2.0x1.4)/1.2=3.27 450墙 0.2x0.45x28=2.52(该部分做梁时无下挑板4.2x0.5=2.1 总和 9.00(6.5)f. 窗 (窗台高为900)窗(3.0-0.5-0.9)0.45=0.72 900墙0.9x3.91=3.52 总和 4.24g. 落地窗或推拉门统一用2kN/m ,墙体开门窗洞荷载可根据实际情况取用 h. 主阳台栏杆:2kN/m ,i. 其余阳台和露台及屋顶女儿墙:4KN/m 66.. 主主要要结结构构材材料料::11))混混凝凝土土强强度度等等级级::((特特殊殊注注明明者者除除外外))a a .. 垫垫层层:: C C 1155b b .. 地地下下室室底底板板、、外外墙墙及及水水池池:: C C 3300//S S 66c c .. 地地下下室室内内墙墙((除除剪剪力力墙墙)):: C C 3300d d .. 地地下下室室顶顶板板:: C C 3300//S S 66e e .. 承承台台、、基基础础梁梁:: C C 3300f f .. 楼楼层层梁梁、、板板、、楼楼梯梯:: 1111层层住住宅宅 C C 3300 其其余余 C C 2255g g .. 竖竖向向构构件件柱柱、、砼砼墙墙::1111层层住住宅宅二二层层以以下下 C C 3355 1111层层住住宅宅二二层层以以上上及及其其它它 C C 3300 h h .. 墙墙内内构构造造柱柱、、过过梁梁等等:: C C 2255 22))钢钢筋筋:: H H P P B B 223355 ((直直径径<<1100m m m m 及及吊吊钩钩)) H H R R B B 333355 ((直直径径≥≥1100m m m m )) 33))型型钢钢、、钢钢板板、、钢钢管管::Q Q 223355--A A F F 44))焊焊条条::E E 4433 ((H H P P B B 223355级级钢钢筋筋、、Q Q 223355--A A F F 焊焊接接)) E E 5500 ((H H R R B B 333355、、H H R R B B 440000级级钢钢筋筋焊焊接接三.结构设计 1. 结构选型:剪力墙结构或框支剪力墙结构。
建筑钢结构设计——荷载的取值荷载的取值具体包括哪些内容呢,下面本店铺为大家带来相关内容介绍以供参考。
1.恒荷载:楼面符载统一取2.0kN/㎡,这是建筑专业楼面做法的自重,目的是为装修改造留有适当的余地,不包括楼板结构自重和板底做法的重量。
2.住宅中轻质隔墙的自重,无论是轻质隔墙还是位置有可能灵活自由布置的隔墙,统一按恒荷载考虑,一律取值为2.0kN/㎡。
3.住宅的活荷载,也是取2.0kN/㎡(三个2.0kN/㎡:楼面做法自重,轻质隔墙自重,活荷载取值)4.屋面恒荷载 4.0kN/㎡屋面活荷载上人时 2.0kN/㎡不上人时0.5kN/㎡(而对于轻钢结构的屋面,一定要在结构总说明中写明:本工程为不上人屋面,活荷载设计值为0.5kN/㎡,严禁超载)5.需要记住三个数据:2.5kN/㎡、4.0kN/㎡、7.0kN/㎡2.5kN/㎡适用于人或物可能比较集中的楼面,如一般楼梯,一般阳台,一般厕所,一般厨房,会议室,阅览室,医院门诊,教室等。
4.0kN/㎡适用于人或物有可能更集中更密集的楼面,比如健身房,看台,舞厅,商店,旅客等候室,展览厅,消防疏散楼梯等。
7.0kN/㎡用于两个机房和一个变电室,即通风设备机房,电梯机房和高压变压室。
因为这些地方不仅有设备荷载,还有设备基础的荷载也是很大的。
6.地下一层顶板,或者近似认为是±0.000板,它的活荷载取值为8~10kN/㎡。
因为施工到±0.000时,施工单位往往工程备料统统堆放在地下一层顶板上,这样便于施工随时随地取用。
同时要注意的是,当±0.000板活荷载取值8~10kN/㎡时,此时恒荷载中的隔墙自重可取为 1.0kN/㎡或者更小,因为堆放大批施工备料时,隔墙的施工一般还未完成。
(设计±0.000板时,在截面尺寸相同的情况下,板和梁的配筋往往要比其他楼层大)概念第一位,计算第二位。
㈤脚手架荷载标准值作用脚手架的荷载包括静荷载、活荷载和风荷载。
静荷载标准值包括以下内容:⑴每米立杆承受的结构自重标准值(KN/m);本例为0.1278NG1=0.128×22.00=2.812KN;⑵脚手板的自重标准值(KN/m2);本例采用竹笆片脚手板,标准值为0.30NG2=0.300×4×1.600×﹙1.050+0.3﹚/2=1.296KN;⑶栏杆与挡脚手板自重标准值(KN/m);本例采用栏杆竹笆片,标准值为0.15NG3=0.150×4×1.600/2=0.480KN;⑷吊挂的安全设施荷载,包括安全网KN/m2);0.005NG4=0.005×1.600×22.000=0.176KN;经计算得到,静荷载标准值NG=NG1+NG2+NG3+NG4=4.764KN;活荷载为施工荷载标准值产生的轴向力总和,内、外立杆按一纵距内施工荷载总和的1/2取值。
经计算得到,活荷载标准值NQ=3.000×1.050×1.600×2/2=5.040KN;风荷载标准值应安照以下公式计算W =0.7U·U·W0其中Wo—基本风压(KN/m2),按照《建筑结构荷载规范》(GB50009-2001)的规定采用:W O=0.600KN/m2;Uz—风荷载高度变化系数,按照《建筑结构荷载规范》(GB50009-2001)的规定采用:Uz=0.840Us—风荷载体型系数:Us=1.200;经计算得到,风荷载标准值WK=0.7×0.600×0.840×1.200=0.423(KN/m2);不考虑风荷载时,立杆的轴向压力计值计算公式N=1.2NG+0.85×1.4NQ=1.2×4.764+0.85×1.4×5.040=11.714KN;风荷载设计值产生的立杆段弯钜MW计算公式为:Mw=0.85×1.4WKLah2/10=0.850×1.4×0.423×1.600×1.8002/10=0.261KN.m;㈥立杆的稳定性计算不组合风荷载时,立杆的稳定性计算公式为σ= ≦[ƒ]立杆的轴心压力设计值:N=12.772KN;计算立杆的截面回转半径:i=1.58㎝;计算长度附加系数:K=1.155;计算长度系数参照《扣件式规范》表5.3.得:U=1.500计算长度,由公式1o=kuh 确定:1o=3.119m;Lo/i=197.000;轴心受压立杆的稳定系数φ,由长细比1o/i的结果查表得到:φ=0.186;立杆净截面面积:A=4.89㎝2;立杆净截面模量(抵抗矩):W=5.08㎝3;钢管立杆抗压强度设计值:[ƒ]=205.000N/㎜2;σ=12772.000、﹙0.186×489.000﹚=140.426 N/㎜2;立杆稳定性计算σ=140.426小于[ƒ]=205.000 ] N/㎜2满足要求!考虑风荷载时,立杆的稳定性计算公式σ= ≦[ƒ]立杆的轴心压力设计值:N=11.714KN;计算立杆的截面回转半径:i=1.58㎝;计算长度附加系数:K=1.155;计算长度系数参照《扣件式规范》表5.3.3:U=1.500计算长度,由公式1o=kuh确定:1o=3.119m;Lo/i=197.000;轴心受压立杆的稳定系数Φ,由长细比Lo/i的结果查表得到:φ=0.186立杆净截面面积:A=4.89㎝2;立杆净截面模量(抵抗矩):W=5.08㎝3;钢管立杆抗压强度设计值:[ƒ]=205.000N/㎜2;σ=11713.920/﹙0.186×489.000﹚+261169.091/5080.000=180.201 N/㎜2;立杆稳定性计算σ=180.201小于[ƒ]=205.000 N/㎜2满足要求!㈦最大搭设高度的计算不考虑风荷载时,采用单立管的敞开式、全封闭和半封闭的脚手架柯搭设高度按照下式计算:H=构配件自重标准值产生的轴向力NG2K(KN)计算公式为:NG2K=NG2+NG3+NG4=1.952KN; 活荷载标准值:NQ=5.040KN;每米立杆承受的结构自重标准值:GK=0.128KN/mHS= [0.186×4.890×10-4×205.000×103-﹙1.2×1.952+1.4×5.040﹚]/ ﹙1.2×0.128﹚=60.297M;脚手架搭设高度HS等于或大于26米,按照下式调整且不超过50米:[H ]=[H ]=60.297/﹙1+0.001×60.297﹚=56.868m;[H ]=56.868和50比较取较小值。
结构设计荷载取值的归纳和总结:注:荷载规范里面存在加“*”,需参照“建筑装修面层做法”“全国民用建筑工程技术措施”一、关于板荷载(1)楼板1、一般楼板(不带地暖):[恒]:自重+(为普通细石砼楼面)[活]:*用途*空洞周围一跨、长度较长的建筑的板厚适当加大120且配筋采用双层双向配筋。
悬挑楼板[活]:取+,大房间取2、带地暖楼板:[恒]:自重+(常80厚采暖层)[活]:*用途3、*根据活动的人和设施状况,民用建筑楼面活荷载取值原则①活动的人很少,②活动的人较多且有设备,③活动的人很多且有较重设备,④活动的人很集中,有时很挤或有较重设备,⑤活动的性质比较剧烈,⑥储存物品的仓库,⑦有大型的机械设备,~4、各种用途的[活]荷载:A.*1(1) 住宅、宿舍、旅馆、办公楼(视情况取~)、医院病房、托儿所、幼儿园:*1(2) 试验室、阅览室、会议室、医院门诊室:休息室:(含贵宾休息室)EMI试验室:(经验)网络通信室:(经验)会所:(一般房间取,活动的人较多的房间取比较合适)①学校建筑:书画教室琴房音乐培训室耳光室广播室阶梯教室:(全国)科技教室多媒体教室乒乓球室信息服务箢便利店道具间多功能厅跆拳道练习馆屋顶溜冰场器材间①医院(全国民用建筑工程设计技术措施-结构):X光室:1、30MA移动式X光机2、200MA诊断X光机3、200kV治疗机4、X光存片室口腔科:1、201型治疗台及电动脚踏升降椅2、205型、206型治疗台及3704型椅消毒室:1、1602型消毒柜2、2616型治疗台及3704型椅消毒室:3000型、3008型万能手术床及3001型骨科手术台产房:设3009型产房血库:设D-101型冰箱A0.* 11 走廊、门厅:(1)住宅、宿舍、旅馆、医院病房、托儿所、幼儿园:(2)办公楼、餐厅、医院门诊部(3)教学楼及其他可能出现人员密集的情况(电梯门外审查师要求)A1.* 12 楼梯:(楼梯部分另详)(1)多层住宅(2)其他(消防疏散楼梯常用)A2.* 10 浴室、卫生间、盥洗室:(卫生间部分另详)A3.* 13 阳台:(阳台部分另详)(1)可能出现人员密集的情况(2)其他B.*2 教室、食堂、餐厅、一般资料档案室:(用餐地方)*9 厨房(1)餐厅的:(做饭地方)(2)其他的:(一般)C.*3(1) 礼堂、剧场、影院、有固定座位的看台:*4(2) 无固定座位的看台:房:*3(2) 公共洗衣房:*5(1) 健身房、演出舞台:*7 通风机房、电梯机房:(电梯部分另详)空调机房:发电机房、变配电房:10库房、药房等*房:微机电子计算机房D.*4(1) 商店、展览厅、车站、港口、机场大厅及其旅客等候车室:*5(2) 运动场、舞厅:厅:(应该指住宅厅)E.*6(1) 书库、档案室、贮藏室:(当>2m,每米高[活]≥m2)*6(2) 密集柜书库:(无过道)资料室:住宅书房:F.*8 汽车通道及客车停车库:客车:(1)单向板(Ln≥2m)和双向板(Ln≥3mx3m)(2)双向板、无梁楼盖(Ln≥6mx6m)消防车: (1)单向板(Ln≥2m)和双向板(Ln≥3mx3m)(2)双向板、无梁楼盖(Ln≥6mx6m)客车:载人<9人;消防车:满载总重300kN的大型卡车不符合上述情况,直接按车轮局部荷载计算板内力,客车局部荷载(*);消防车60/(*)地下室小型汽车停车库:;(2)楼梯1、板厚取0:[恒]:(平台板取,注意荷载两边倒)[活]:(消防楼梯、其他按荷规;*密集人流≥)2、也可以将荷载分成均布/集中荷载加到梁上。
05-结构设计荷载取值的归纳和总结结构设计荷载取值的归纳和总结:注:荷载规范里面存在加“*”,需参照“建筑装修面层做法”“全国民用建筑工程技术措施”一、关于板荷载(1)楼板1、一般楼板(不带地暖):[恒]:自重+1.5/1.6(1.5为普通细石砼楼面)[活]:*用途*空洞周围一跨、长度较长的建筑的板厚适当加大120且配筋采用双层双向配筋。
悬挑楼板[活]:取2.5+,大房间取3.02、带地暖楼板:[恒]:自重+3.0(常80厚采暖层)[活]:*用途3、*根据活动的人和设施状况,民用建筑楼面活荷载取值原则①活动的人很少,2.0②活动的人较多且有设备,2.5③活动的人很多且有较重设备,3.0④活动的人很集中,有时很挤或有较重设备,3.5⑤活动的性质比较剧烈,4.0⑥储存物品的仓库,5.0⑦有大型的机械设备,6.0~7.54、各种用途的[活]荷载:A.*1(1) 住宅、宿舍、旅馆、办公楼(视情况取2.0~2.5)、医院病房、托儿所、幼儿园:2.0*1(2) 试验室、阅览室、会议室、医院门诊室:2.0休息室:2.0(含贵宾休息室)EMI试验室:2.5(经验)网络通信室:2.5(经验)会所:3.5(一般房间取2.5,活动的人较多的房间取3.0比较合适)①学校建筑:书画教室2.5琴房 2.5音乐培训室2.5耳光室2.5广播室2.5阶梯教室:3.0(全国)科技教室3.0多媒体教室3.0乒乓球室3.0信息服务箢3.0便利店3.5道具间3.5多功能厅3.5跆拳道练习馆 4.0屋顶溜冰场4.0器材间5.0①医院(全国民用建筑工程设计技术措施-结构):X光室:1、30MA移动式X光机2.52、200MA诊断X光机4.03、200kV治疗机3.04、X光存片室5.0口腔科:1、201型治疗台及电动脚踏升降椅3.02、205型、206型治疗台及3704型椅4.0消毒室:1、1602型消毒柜6.02、2616型治疗台及3704型椅5.0消毒室:3000型、3008型万能手术床及3001型骨科手术台3.0产房:设3009型产房2.5血库:设D-101型冰箱5.0A0.* 11 走廊、门厅:2.0 (1)住宅、宿舍、旅馆、医院病房、托儿所、幼儿园:2.5 (2)办公楼、餐厅、医院门诊部3.5 (3)教学楼及其他可能出现人员密集的情况(电梯门外审查师要求)A1.* 12 楼梯:(楼梯部分另详)2.0 (1)多层住宅3.5 (2)其他(消防疏散楼梯常用)A2.* 10 浴室、卫生间、盥洗室:2.5(卫生间部分另详)A3.* 13 阳台:(阳台部分另详)3.5 (1)可能出现人员密集的情况2.5 (2)其他B.*2 教室、食堂、餐厅、一般资料档案室:2.5(用餐地方)*9 厨房(1)餐厅的:4.0(做饭地方)(2)其他的:2.0(一般)C.*3(1) 礼堂、剧场、影院、有固定座位的看台:3.0*4(2) 无固定座位的看台:3.5房:*3(2) 公共洗衣房:3.0*5(1) 健身房、演出舞台:4.0*7 通风机房、电梯机房:7.0(电梯部分另详)空调机房:8.0发电机房、变配电房:10库房、药房等*房:5.0微机电子计算机房3.0D.*4(1) 商店、展览厅、车站、港口、机场大厅及其旅客等候车室:3.5*5(2) 运动场、舞厅:4.0厅:2.0(应该指住宅厅)E.*6(1) 书库、档案室、贮藏室:5.0(当>2m,每米高[活]≥2.5kN/m2)*6(2) 密集柜书库:12.0(无过道)资料室:5.0住宅书房:2.0F.*8 汽车通道及客车停车库:客车:4.0(1)单向板(Ln≥2m)和双向板(Ln≥3mx3m)2.5 (2)双向板、无梁楼盖(Ln≥6mx6m)消防车:35.0(1)单向板(Ln≥2m)和双向板(Ln≥3mx3m)20.0 (2)双向板、无梁楼盖(Ln≥6mx6m)客车:载人<9人;消防车:满载总重300kN的大型卡车不符合上述情况,直接按车轮局部荷载计算板内力,客车局部荷载4.5/(0.2*0.2);消防车60/(0.6*0.2)地下室小型汽车停车库:4.0;(2)楼梯1、板厚取0:[恒]:10.0(平台板取5.0,注意荷载两边倒)[活]:3.5(消防楼梯、其他按荷规2.0/2.5;*密集人流≥3.5)2、也可以将荷载分成均布/集中荷载加到梁上。
模板工程施工活荷载取值一、引言工程施工活荷载取值是指在工程施工过程中所施加在结构体系上的活荷载。
在建筑工程项目的设计和施工中,合理确定工程施工活荷载取值是至关重要的,它直接关系到工程结构的安全性和稳定性。
因此,准确计算和合理确定工程施工活荷载取值对于工程施工的安全和质量具有重要意义。
二、工程施工活荷载取值的基本原则在确定工程施工活荷载取值时,应遵循以下基本原则:1. 安全性原则:工程施工活荷载取值应以保障工程结构安全为首要目标,结合工程所处地理环境和使用要求等因素,合理确定合适的活荷载取值。
2. 合理性原则:工程施工活荷载取值应基于科学合理的计算和分析,不应盲目决定或凭经验调整。
3. 经济性原则:工程施工活荷载取值应在满足安全性和合理性的基础上尽可能减小活荷载取值,从而节约工程成本。
4. 稳定性原则:工程施工活荷载取值应能够保证工程结构的稳定性,防止活荷载引起结构的失稳和破坏。
三、常见的工程施工活荷载取值1. 施工机械和设备施工机械和设备的移动、操作和起重等活动可能对工程结构产生活荷载,因此在施工活荷载的计算中应考虑施工机械和设备引起的水平和垂直活荷载。
通常采用标准活荷载取值和施工机械和设备规格参数相结合的方法进行计算,以确定合理有效的施工活荷载取值。
2. 施工人员和材料施工人员和材料的移动、装卸和施工操作也可能对工程结构产生活荷载。
在施工活荷载的计算中应考虑施工人员和材料引起的活荷载,通常采用标准活荷载取值和实际施工场地情况相结合的方法进行计算,以确定合理有效的施工活荷载取值。
3. 施工现场环境施工现场环境的变化和外界因素的影响都可能对工程结构产生活荷载,例如风荷载、雨雪荷载、震荡和振动等。
在施工活荷载的计算中应考虑施工现场环境引起的各种活荷载,通常采用相关规范和实测数据相结合的方法进行计算,以确定合理有效的施工活荷载取值。
四、工程施工活荷载取值的计算方法1. 基础荷载计算基础荷载是指由土壤及地下水对建筑物所施加的荷载。
一 荷载计算及荷载组合鉴于本单层厂房工程属于轻型门式房屋,无吊车等重型动力荷载、屋面不上人,在考虑结构荷载时,只需要考虑屋面永久荷载,以及屋面活荷载、雪荷载、积灰荷、风荷载等屋面可变荷载。
荷载取值及荷载组合按照《建筑结构荷载规范》(GB50009-2012)进行。
(一)荷载取值1.1永久荷载屋面永久荷载分为结构自重和结构附属荷载,其中结构自重通常包括屋面板、檩条、支撑、刚架自重,附属载荷包括吊顶、管线、天窗、风帽等悬挂或建筑设施。
对于檩条的自重取值,一般实腹式取0.1KN/m 2、格构式取0.5KN/m 2的标准。
本文中取屋面永久荷载为0.95KN/m 2,将屋面均布荷载换算成沿刚架梁长度方向的线性荷载,其中柱距为6m ,则=6x0.95=5.7KN/m 。
结构计算简图如下图所示。
1.2可变荷载屋面可变荷载包括屋面均布活荷载、雪荷载、积灰荷载、风荷载等。
(1)活荷载作用于结构上的屋面活荷载一般按照投影于水平方向上的面积计算,并且考虑施工荷载和屋面检修荷载,屋面均布活荷载按照不上人屋面0.5KN/m 2、上人屋面2.00.5KN/m 2取值。
本文为不上人屋面,活荷载取0.5KN/m 2。
将屋面均布活荷载换算成沿刚架梁长度方向的线性荷载,其中柱距为6m ,则为6x0.5=3.0KN/m 。
(2)雪荷载雪荷载是指投影于屋面水平方向上的积雪荷载。
雪荷载的大小与许多因素有关,包括当地的气候和地形、建筑物的形状、屋面的材料种类和受热状况等。
《建筑结构荷载规范》规定,屋面均布活荷载不与雪荷载同时考虑,应取两者中的较大值。
本文雪荷载小于活荷载,选取活荷载进行计算。
(3)风荷载风荷载通常指垂直地作用于建筑物表面的荷载值。
影响风荷载标准值的因素很多,包括建筑物所在地区的基本风压、建筑物的高度、体型、建筑物的地面粗糙程度等,其值可按下列公式计算:0ωμμβω∙∙∙=z s z k (1)式(1)中z β为高度z 处的风振系数,s μ为风压高度变化系数,z μ为风荷载体型系数,0ω为基本风压值。
一、荷载取值1、面荷载1)二层楼面【建筑做法:采用钢筋混凝土楼板随捣随抹平,上刷耐磨地面硬化剂。
】砼折合板厚125mm 0.125x25=3.125 kN/㎡压型钢板自重0.15 kN/㎡各专业管线设备吊挂荷载0.6 kN/㎡恒载合计 3.9 kN/㎡活荷载标准值为7.5 kN/㎡,货架区域为10 kN/㎡(按业主要求)2)不上人屋面彩色钢板岩棉夹芯板0.25 kN/㎡檩条等0.15 kN/㎡各专业管线设备吊挂荷载0.5 kN/㎡恒载合计0.9 kN/㎡屋面活荷载标准值为 0.5 kN/㎡檩条计算时,风荷载按FM要求按100年取值为0.6 kN/㎡。
4.2m标高雨篷(6m跨&10m跨),输入模型中,荷载见简图22~23轴间有1t电动葫芦,在14.225标高。
2.墙体外墙彩色钢板两层 0.25-0.5*0.12=0.19 kN/m2檩条 0.06 kN/m2玻璃纤维保温棉填充200厚 0.20x1.0 kN/m3=0.2 kN/m2∑ 0.45 kN/ m2二层外墙 0.45*7.8=3.51 kN/m 取为3.6 kN/mKFZ自重 0.1kN/m*10.45=11 kN 取为15 kN一层外墙R轴及32轴:0.45*6.1+1.5*5.0+0.5*4.2=13 kN/m B轴: 0.45*6.1+1.5*5.0+(25*0.25+0.02*20*2)*1.5=26 kN/m 内墙材料统计:CSR(甲方指定)板材二层防火墙,4轴山墙尖,报警阀间,及建筑指定的房间(common room)板材150mm厚,0.3 kN /㎡(根据厂家资料)蒸压砂加气混凝土砌块(200厚)一层防火墙,楼梯间,卫生间,及建筑指定的房间15厚水泥砂浆抹面两层 0.015*20*2=0.6 kN/㎡加气混凝土砌块200厚 0.2x5.5 kN/m3=1.1kN/㎡∑ 1.7 kN/ ㎡1)二层防火墙(CSR) 0.3*(7.8-0.6+2.65/2)=2.6 kN/m 取为10 kN/m(考虑防火卷帘及构造钢柱钢梁等)2)4轴山墙尖(CSR) 0.3*3.2=0.96 kN/m 取为2.5 kN/m3)报警阀间等(CSR) 0.3*3.0=0.9 kN/m (二层3m高)0.3*7.6=2.3 kN/m (二层7.6m高)报警阀间板材墙体自重很小,按装修考虑,未做基础及构造钢梁钢柱。
低压配电室活荷载取值低压配电室活荷载取值:影响因素与合理确定一、引言低压配电室是电力系统中的重要组成部分,负责将高压电能转换为低压电能,并分配到各个用电设备。
在低压配电室的设计和建设过程中,活荷载取值是一个至关重要的参数。
它直接关系到配电室结构的安全性和稳定性。
本文将就低压配电室活荷载取值的影响因素和合理确定方法进行探讨。
二、活荷载取值的概念和意义活荷载是指建筑物在使用过程中承受的可变荷载,包括人员、设备、家具、风雪等。
在低压配电室中,活荷载主要来自于电气设备、电缆、工作人员等。
合理确定活荷载取值,对于配电室的结构设计、材料选用、施工安全等方面都具有重要意义。
过高的活荷载取值可能导致结构安全隐患,而过低的取值则可能造成资源浪费。
三、影响活荷载取值的因素1.电气设备类型和数量:不同类型的电气设备对活荷载的取值有不同要求。
例如,大型变压器、开关柜等重型设备会增加活荷载取值。
2.电缆敷设方式:电缆的敷设方式对活荷载取值也有影响。
采用桥架敷设方式相较于地面敷设方式,活荷载取值会有所增加。
3.工作人员数量和活动范围:工作人员在配电室内的活动和分布也会对活荷载取值产生影响。
人员密度大、活动范围广的配电室需要更高的活荷载取值。
4.自然环境因素:如风雪荷载、地震荷载等自然环境因素也会对活荷载取值产生影响。
需要根据当地的气象地质条件进行合理考虑。
四、合理确定活荷载取值的方法1.规范和标准参考:参考国家相关规范和标准,如《建筑电气设计规范》等,获取活荷载取值的参考数值。
2.实际情况调查:对低压配电室的实际情况进行详细调查,包括设备类型、数量、电缆敷设方式、工作人员活动等,以确保活荷载取值符合实际情况。
3.结构安全评估:通过结构工程师的专业评估,采用合适的方法和工具进行结构分析和计算,确保所取的活荷载值在结构安全范围内。
4.经济性考虑:在确定活荷载取值时,也要综合考虑经济性。
过高的活荷载取值将增加结构成本,而过低的取值可能导致后期维修加固费用增加。
关于消防车荷载的简化计算朱炳寅规范明确规定了等效均布荷载的计算原则,但由于消防车轮压位置的不确定性,实际计算复杂且计算结果有时与规范数值出入很大,对双向板问题更加突出.为方便设计,此处提供满足工程设计要求的等效荷载计算表供设计者选择使用。
1.不同板跨时,双向板等效均布荷载的简化计算表格表1中列出了在消防车(300kN级)轮压直接作用下,不同板跨的双向板其等效均布荷载简化计算数值,供读者参考。
表1 消防车轮压直接作用下双向板的等效均布荷载2. 不同覆土厚度时,消防车轮压等效均布荷载的简化计算不同覆土厚度时,对消防车轮压等效均布荷载数值的计算可采取简化方法,考虑不同覆土厚度对消防车轮压等效均布荷载数值的影响,近似可按线性关系按表2确定。
表2 消防车轮压作用下,不同覆土厚度时的等效均布荷载调整系数3. 综合考虑板跨和不同覆土层厚度时,消防车轮压等效均布荷载的确定考虑板跨和不同覆土层厚度确定消防车轮压作用下的等效均布荷载数值时,可采用简化计算方法,参考表-3,表-4确定不同板跨、不同覆土层厚度时的等效均布荷载数值。
表3 消防车轮压作用下单向板的等效均布荷载值(kN/m2)表4 消防车轮压作用下双向板的等效均布荷载值(kN/m2)4. 等效均布荷载属于结构估算的范畴,追求过高的计算精度对工程设计而言没有必要。
实际工程中应注意效应的统一性,即注意在不同效应时,等效荷载不可通用。
本工程覆土厚度0.60m,板格的短边跨度取2.50m,按表4根据线性关系计算消防车道如下:q=28.3+(30.7-28.3)x(0.75-0.6)/(0.75-0.5)=29.74 kN/m2,取30 kN/m2根据《荷载规范》4.1.2条,地下室顶板为双向板楼盖,计算梁配筋和基础时,活荷载折减系数为0.8,故消防车道活荷载取值为q1=30x0.8=24KN/m2。
希望以上资料对你有所帮助,附励志名3条:1、积金遗于子孙,子孙未必能守;积书于子孙,子孙未必能读。
中南设计院具有建筑工程总承包、工程建设管理、工程咨询、建筑装饰设计、城市规划设计的甲级资质;电子通信广电行业通信工程类(通信铁塔)、市政公用行业(风景园林、热力、道路、燃气、环境卫生)、建筑行业人防工程设计的乙级资质;1985年被国家计委确定为旅游馆指导性设计院;1993年被国家正式授予对外经营权;同年,进入全国勘察设计单位综合实力百强行列;1998年通过IS09001质量管理体系认证。
CSADI现有各类专业技术人员778名,其中国家级设计大师1名,国家级有突出贡献专家1名,省级中青年专家6名,教授级高工67名,国家一级注册建筑师56名,国家一级注册结构工程师86名,注册城市规划师5名。
专业范围涵盖建筑、规划、结构、给排水、电气照明、弱电通讯、暖通、空气调节、热能动力、技术经济、项目管理、电子计算、技术咨询等。
CSADI注重推行和运用现代化设计手段,配备有电脑网络管理系统。
可承接各类大中型民用工业建筑设计、旅游风景区的规划和设计,以及工程建设可行性研究、技术咨询、工程总承包、工程建设监理、项目管理和开展对外经济技术合作业务,并承担建筑结构、建筑设备、建筑声学、建筑材料等新技术、新产品、新材料的研究和试制以及国家规范、标准图集编制工作。
CSADI系国家轻型钢结构技术委员会的挂靠单位,负责组织编写轻型钢结构技术国家标准,有着丰厚的轻型钢结构技术信息资源。
CSADI一贯注重设计质量,坚持精心设计、技术创新。
先后在全国各地及世界15个国家、地区完成了5000余项工程设计,创造出一批享有盛誉的建筑设计作品。
其中有200余项工程获国家、部、省级优秀设计奖和科技进步奖。
50多年来,CSADI坚持以优质设计、优良服务为宗旨,建立了一套完整严密的管理体系,形成了团结求实、进取奉献,严守职业道德的院风,在湖北省乃至全国均享有良好的声誉。
在新世纪中南建筑设计院将不断开拓国内外市场,以造就一流人才、创造一流设计、提供一流服务为目标,竭诚为各界服务。
3.1.2 活荷载
活荷载:又称可变荷载,在结构使用期间内,荷载的大小随时间的推移而变化、或其变化与其平均值相比较不可以忽略。
如楼面活荷载、屋面活荷载、积灰荷载、吊车荷载、雪荷载、风荷载、安装检修荷载等。
3.1.2.1 楼面活荷载
(1)民用建筑楼面活荷载取值
①楼面活荷载取值
楼面活荷载取值与建筑物房间的使用性质、使用功能有关,按照《荷载规范》4.1.1查用,表3.1.5为常用房间楼面活荷载数值参考表。
表3.1.5 常用建筑楼面活荷载标准值(kN/m2)及其组合值、频遇值和准永久值系数
续表3.1.5
②楼面梁设计时活荷载的折减系数
《荷载规范》4.1.2明确,在设计楼面梁时,表3.1.5中的楼面活荷载在下列情况下应乘以规定的折减系数:
第1项中第①项:当楼面梁从属面积超过25m2时,折减系数为0.9;
第1项中第②项~第7项:当楼面梁从属面积超过50m2时,折减系数为0.9;
第8项,对单向板楼盖的次梁和槽型板的纵肋,折减系数为0.8;对单向板楼盖的主梁,折减系数为0.8;对双向板楼盖的梁,折减系数为0.8;
第9项~第12项:采用与所属房屋类别相同的折减系数。
注:楼面梁从属面积,为梁两侧各延伸二分之一梁间距范围内的实际面积。
③墙、柱及基础设计时活荷载的折减系数
《荷载规范》4.1.2明确,在设计墙、柱及基础时,表3.1.5中的楼面活荷载在下列情况下应乘以规定的折减系数:
第1项中第①项:按照表3.1.6规定采用;
第1项中第②项~第7项:采用与其楼面梁相同的折减系数;
第8项,对单向板楼盖:折减系数为0.5;对双向板楼盖和无梁楼盖,折减系数为0.8;
第9项~第12项:采用与所属房屋类别相同的折减系数。
表3.1.6 活荷载按楼层的折减系数
2、工业建筑楼面活荷载(包括吊车荷载等)取值
根据设备使用的要求,工业建筑楼面活荷载由工艺专业(或设备产生厂家)提出,如缺乏资料,对于一般的金工车间、仪器仪表生产车间、半导体器件生产车间、棉纺织造生产车间、轮胎厂准备车间和粮食加工车间等,可按照《荷载规范》附录C查用,工程设计中工业建筑楼面活荷载取值通常≧4.0 kN/m2。
工业建筑楼面(包括工作平台)上无设备区域的操作荷载,包括操作人员、一般工具、零星原料和成品的自重,可按照均布活荷载考虑,采用2.0 kN/m2。
生产车间的楼梯活荷载,可按实际情况采用,但不宜小于3.5 kN/m2。
(3)特殊情况下楼面活荷载取值
当设计中遇到某种规范中未明确的楼面使用活荷载时,可根据具体情况,参考下列方法近似确定其使用活荷载标准值。
方法一:对该楼面活荷载的观测值进行统计,当有足够资料并能对其统计分布作出合理估计时,则在房屋设计基准期(50年)最大值的分布上,根据协定的百分位取其某分位值(如均值、中值、众值等)作为该种楼面活荷载的标准值。
方法二:对不能取得充分资料进行统计的楼面活荷载,可根据已有的工程实践经验,通过分析判断后,协定—个可能出现的最大值作为该类楼面活荷载的标准值。
对于民用建筑楼面,可根据在楼面上活动的人和设施的不同分布状况进行分类,参考表3.1.7取值。
表3.1.7 常用楼面活荷载标准值取值参考表
方法三:对房屋内部设施比较固定的情况,设计时可直接按照给定的设备布置形式、或按照对结构安全产生最不利作用效应的设备布置形式,对结构进行计算。
方法四:对使用性质类同的房间(如内部配置的设施大致相同),一般可对其进行合理分类,在同一类别的房屋中,选取各种可能的设备布置形式,经过分析研究后选出最不利的布置形式,作为该类房屋楼面活荷载标准值的确定依据,按照作用效应相等的原则求出楼面的活荷载标准值。
如有侵权请联系告知删除,感谢你们的配合!。