政府文化体育局贫困村文化活动中心建设体育健身器材采购项目招投标书范本
- 格式:doc
- 大小:235.27 KB
- 文档页数:53
公开招标采购文件项目编号:XXXXX项目名称: XXXXX体育器材采购项目采购单位:XXXXXXXXXX采购代理机构:XXXXX公共资源交易中心年月采购文件备案项目名称: XXXXX体育器材采购项目招标人: XXXXXXXXXX (盖章)经办人(签字):日期:年月日招标代理人名称: XXXXX公共资源交易中心(盖章)编制人(签字):日期:年月日备案意见:备案单位: XXXXX政府采购办公室(盖章)经办人(签字):备案日期:年月日目录第一部分采购公告第二部分采购需求第三部分投标人须知第四部分评标办法及评分标准第五部分合同主要条款第六部分投标文件格式XXXXX公共资源交易中心就XXXXX体育器材采购项目进行公开招标采购,现邀请合格供应商参加投标。
一、采购编号:XXXXX二、项目概况:体育器材批,详见招标文件。
三、采购预算(最高限价):万元。
四、供应商资格要求:、符合《中华人民共和国政府采购法》第二十二条的规定,且必须为未被列入信用中国网站()、中国政府采购网()渠道信用记录失信被执行人、重大税收违法案件当事人名单、政府采购严重违法失信行为记录名单的投标人。
、本项目特定资格条件为:()投标单位为所投品牌的室外健身器材制造商;()不接受联合体投标。
五、标书发售日期:自公告刊登日起至年月日止(节假日及法定假日除外)。
六、标书售价、地点及方式:招标文件免费在“XXXXX政府采购网XXXXX”及“XXXXX公共资源交易网XXXXX”下载。
在月日前,请将报名登记表(见附件)传真到XXXXX公共资源交易中心。
标书发售及报名截止时间之后,供应商可以继续报名及下载采购文件,但应按本招标文件的要求进行答疑,逾期提出的,采购人(采购机构)不予受理、答复。
七、投标截止时间:年月日时分八、投标地点:XXXXX公共资源交易中心开标室九、开标时间:年月日时分十、开标地点:XXXXX公共资源交易中心开标室十一、公告期限:自公告之日起个工作日十二、其他事项:、特别提醒:各供应商须按XXXXX政府采购管理办公室、XXXXX政府采购中心《关于征集“XXXXX政府采购网”注册供应商的公告》的要求完成在XXXXX政府采购网(XXXXX)的注册。
招标编号:年锦江区健身器材采购项目招标文件成都市锦江区文化体育旅游广电和新闻出版局四川国际招标有限责任公司共同编制二O一八年八月目录第一章投标邀请 (3)第二章投标人须知 (5)第三章投标文件格式 (24)第四章投标人和投标产品的资格、资质性及其他类似效力要求..48 第五章投标人应当提供的资格、资质性及其他类似效力要求的相关证明材料 (51)第六章招标项目技术、服务、商务及其他要求 (52)第七章评标办法 (54)第八章政府采购合同 (82)第一章投标邀请四川国际招标有限责任公司受成都市锦江区文化体育旅游广电和新闻出版局委托,拟对年锦江区健身器材采购项目进行国内公开招标,兹邀请符合本次招标要求的供应商参加投标。
一、招标编号:。
二、招标项目:年锦江区健身器材采购项目。
三、资金来源:地方财政资金四、招标项目简介:本项目共个包,采购健身器材一批。
(具体详见招标文件第六章)。
五、供应商参加本次政府采购活动,应当在提交投标文件前具备下列条件:、具有独立承担民事责任的能力;、具有良好的商业信誉和健全的财务会计制度;、具有履行合同所必须的设备和专业技术能力;、具有依法缴纳税收和社会保障资金的良好记录;、参加本次政府采购活动前三年内,在经营活动中没有重大违法记录;、符合法律、行政法规规定的其他条件;、本项目不允许联合体参加。
(详见招标文件第四章)。
六、禁止参加本次采购活动的供应商根据《关于在政府采购活动中查询及使用信用记录有关问题的通知》(财库〔〕号)的要求,采购人/采购代理机构将通过“信用中国”网站()、“中国政府采购网”网站()等渠道查询供应商在采购公告发布之日前的信用记录并保存信用记录结果网页截图,拒绝列入失信被执行人名单、重大税收违法案件当事人名单、政府采购严重违法失信行为记录名单中的供应商报名参加本项目的采购活动(以联合体形式参加本项目采购活动,联合体成员存在不良信用记录的,视同联合体存在不良信用记录)。
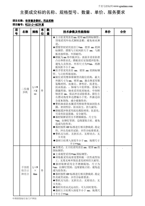
主要成交标的名称、规格型号、数量、单价、服务要求项目名称:体育健身器材、用品采购项目编号:WZZC-J--HZTW重项号名称规格单位数量技术参数及性能指标单价合价二位漫步机L×W×H㎜件★主立柱采用直径mm,壁厚mm的国标钢管;顶端采用外扣式钢制盖帽,避免雨水淋进;★摆臂管材采用直径□*mm,壁厚mm的国标钢管,摆臂与立柱间距大于mm,与踏板直接焊接,牢固耐用;◆踏板为mm厚冷板冲压,表面并设有防滑凸台和排水孔,踏板前后安装缓冲胶垫,避免人员伤害,外形尺寸为**mm,两踏板间距不小于mm;◆扶手管采用直径mm,壁厚.mm的国标钢管,与立柱焊接连接;★限位采用整体铸钢型内限位结构,最大外圆尺寸为mm,壁厚mm,撞击垫采用聚氨酯材料,抗撞击、弹性好、抗老化、抗高低温,,轴端与立柱焊接,套端与摆腿焊接,轴承采用优质轴承,中间转轴直径mm,保证冲击试验要求,限位左右摆动角度单边摆幅小于度,外露边沿全部R倒角,减小碰撞伤害;◆整机轴承防水圈采用特制骨架油封防水圈,密闭性好,防水防尘,持久耐用;◆踏板缓冲垫采用流化橡胶材质,抗老化,另设有防盗措施,安全耐用;◆器材铭牌采用全不锈钢腐蚀,尺寸为*mm,拉铆钉坚固,边缘紧贴立柱,避免造成勾挂伤害;◆器材按照GB-标准进行相关静载荷、稳定性、冲击及疲劳试验,并符合标准要求。
◆整机无勾挂,无挤压点,无剪切点,无卡夹处◆器材立柱埋入深度不小于mm,地埋尺寸不小**mm;..手指锻炼告示牌组合L×W×Hmm件★直埋式,主立柱采用直径mm,壁厚mm的国标钢管;★主承载管采用**mm国标钢管;◆训练板采用高密度塑料板一次性成型加工,无毒无味环保抗老化材料经久耐用。
◆器材铭牌采用全不锈钢腐蚀,尺寸为*mm,拉铆钉坚固,边缘紧贴立柱,避免造成勾挂伤害;◆器材按照GB-标准进行相关静载荷、稳定性及疲劳试验,并符合标准要求。
◆整机无勾挂,无挤压点,无剪切点,无卡夹处;◆器材具有站式运动位,可人同时使用;◆器材主立柱埋入深度不小于mm,地埋尺寸不小于**mm..◆标准件选用防盗不锈钢螺丝。
天台县体育局年健身器材采购项目招标文件招标项目编号:TCCG--(招)采购单位:天台县体育局联系人:陈阳联系电话:-采购代理单位:台州市天诚工程造价咨询有限公司联系人:陈青松褚洪彬联系电话:日期:二O一八年九月目录第一章招标公告………………………………………………………第二章投标人须知……………………………………………………前附表………………………………………………………………一、招标文件………………………………………………………二、投标文件………………………………………………………三、投标……………………………………………………………四、开标……………………………………………………………五、评标……………………………………………………………六、定标……………………………………………………………七、合同授予………………………………………………………第三章合同主要条款…………………………………………………第四章招标内容及需求………………………………………………第五章评标办法及评分标准…………………………………………第六章附件:投标文件格式…………………………………………共页第一章招标公告根据《中华人民共和国政府采购法》、《政府采购货物和服务招标投标管理办法》等有关规定,经天台县政府采购监管办公室批准,受天台县体育局委托,现就健身器材采购项目进行公开招标采购。
一、招标项目编号:TCCG--(招)二、采购组织类型:政府分散采购委托代理三、采购方式:公开招标五、投标供应商资格要求:、符合《政府采购法》第二十二条规定;、本次招标项目不接受联合体投标。
六、招标文件的领取:、领取时间:年月日至年月日(双休日及节假日除外),: -:;:-: ,逾期不再办理。
2、领取地点:天台县公共资源交易中心代理窗口(天台县始丰街道玉龙路号行政大楼B区一楼东侧)3、招标文件售价:人民币元/份,售后不退。
七、投标截止时间和地点:、投标截止时间:年月日时分、投标地点:天台县始丰街道玉龙路号行政大楼B区一楼东侧开标大厅八、开标时间和地点:、开标时间:年月日时分、开标地点:天台县始丰街道玉龙路号行政大楼B区一楼东侧开标大厅九、投标保证金:、投标保证金:元整收款单位:台州市天诚工程造价咨询有限公司开户银行:工商行天台县支行银行账号:、投标保证金交纳方式:以电汇、银行转账方式交纳,需提前打入指定账户,保证金的相关凭证(若为打印件、复印件则加盖公章)需要在递交标书的同时递交(如是转账支票须提供进账凭证)。
年天津市体育局采购健身设施项目(HGGP--D-)项目需求书第一包——第五包:室外健身设施建设:包括供货、安装及售后服务(室外健身园器材、健身广场器材、笼式足球场、多功能运动场)(一).健身园器材(室外健身园及老旧小区及远年住房小区配建室外健身园)共套,每套器材件(含告示牌件),单套预算.万元,每套从以下件器材中选择件(任选件+告示牌的预算不得超过.万元,但投标人须对件器材分别报价,件报价作为投标价格):三位扭腰器、压腿架、二位太空漫步机、太极揉推器、腰背按摩器、健身车、上肢牵引器、健骑机、划船器、腿部按摩器、肋木、仰卧起坐板、背肌训练器、双杠、乒乓球台、篮球架、单杠符合国家质量标准。
.健身广场个,每个健身广场件健身器材(具体技术参数要求与室外健身园相同),单套预算.万元。
包括:告示牌、三位扭腰器、二位太空漫步机、太极揉推器、健身车、上肢牵引器、健骑机、划船器、腿部按摩器、肋木、背肌训练器、双杠、乒乓球台、单杠、篮球架(付,其中个广场调换其他器材,只有个广场安装篮球架)个多功能运动场场地(不含围网和照明),采用硅PU材料,每个预算万元。
根据实际情况进行结算。
.笼式足球场个,每个预算万元,符合国家质量标准。
地面安全、灯光照明符合国家标准。
.多功能运动场个,每个预算万元,符合国家质量标准。
地面安全、灯光照明符合国家标准。
(二)基本要求:1.健身器材上须注有二维码监管、器材及厂商基本信息。
2.开标现场需要携带产品检验报告或NSCC证书原件备查。
3.健身器材安装标准须符合GB-标准。
(三)清单数量第一包清单:第二包:第三包:第四包:第五包:(四)技术参数要求.健身园器材技术要求.笼式足球场技术要求(一)立柱及围网要求. 场地四周采用围网封闭,围网及立柱的布置具有足够的刚度、稳定性(二)主要承载立柱的钢管直径≥mm,管壁厚≥mm,主要承载横梁≥xmm凹型管,管壁厚≥mm。
立柱间隔≤米,围网高度米。
所有管材表面须经过静电粉末喷塑,颜色为墨绿色;网丝材料为P E 包塑镀锌钢丝。
盘锦市政府采购项目竞争性谈判采购文件项目名称:健身器材文件编号:LPJ二零一八年八月十五日目录竞争性谈判采购公告第一章项目需求第二章项目基本内容及要求第三章报价文件内容及格式第四章评审办法附件:.供应商须知.政府采购合同格式. 第()次报价确认表说明:谈判文件由正文和附件两部分组成。
供应商应当完整地阅读、理解构成本谈判文件的所有内容。
正文和附件如有不一致的地方,须以正文为准。
竞争性谈判采购公告盘锦市公共采购交易中心受盘锦市公安局兴隆台分局的委托,对健身器材项目(文件编号:LPJ )进行竞争性谈判采购,现欢迎国内合格的供应商参加本次政府采购活动。
一、采购内容预算:元健身器材则其报价无效。
二、合格供应商的资格条件. 符合《中华人民共和国政府采购法》第二十二条规定应当具备的条件;. 应自觉抵制政府采购领域商业贿赂行为;. 本项目中标供应商不得分包或转包;. 本项目投标供应商需具备下列条件(投标时供应商要把以下要件的复印件加盖清晰公章后放入投标文件中,原件备查):)经年检的营业执照(经营范围中包含经营本项目的资格)。
)税务登记证。
)企业代码证。
)银行开户许可证。
)法人代表身份证(法人亲自投标)、授权代表身份证(授权代表投标的,还需提供法人代表身份复印件及法人代表委托授权书)。
三、供应商操作程序及步骤. 注册入库:参与本级政府采购项目竞标的投标供应商本年度未进入政府采购供应商库的,请详阅“盘锦市公共采购交易平台()”首页--重要通知”栏目中“政府采购供应商入库须知”中相关规定,在“网站首页”的“供应商注册”栏目中进行网上注册登记(在填写供应商注册表时,所有项目必须全部如实填写,“其它栏”中填入供应商具备的其它全部资质,填写内容应与企业相关证件完全一致,如无可填写内容则填写“”)。
注册后,供应商携带网上注册登记填写的所有资质原件及复印件(加盖清晰公章)到盘锦市公共采购交易中心综合部进行入库审核。
入库审核需在网上报名时间内(节假日除外,每日:--:、:--:北京时间)进行。
千里马招标网政府采购竞争性谈判文件项目编号:A项目名称:万盛经开区体育局社区健身点健身器材采购采购人:万盛经开区体育局采购代理机构:万盛经开区公共资源交易中心年月万盛经开区公共资源交易中心竞争性谈判文件目录第一篇竞争性谈判邀请书 ....................................................................... - 4 -一、竞争性谈判内容 ........................................................................... - 4 -二、资金来源........................................................................................ - 4 -三、谈判资格........................................................................................ - 4 -四、谈判有关说明................................................................................ - 4 -五、谈判保证金.................................................................................... - 5 -六、采购项目需落实的政府采购政策 ............................................... - 5 -七、其它有关规定................................................................................ - 6 -八、联系方式........................................................................................ - 6 -第二篇供应商须知.................................................................................... - 7 -一、谈判费用........................................................................................ - 7 -二、竞争性谈判文件 ........................................................................... - 7 -三、谈判要求........................................................................................ - 7 -四、谈判程序........................................................................................ - 9 -五、评审依据...................................................................................... - 11 -六、成交原则...................................................................................... - 11 -七、成交通知...................................................................................... - 12 -八、关于质疑和投诉 ......................................................................... - 12 -九、签订合同...................................................................................... - 14 -十、履约保证金.................................................................................. - 14 -十一、政府采购信用融资 ................................................................. - 14 -第三篇谈判项目技术需求 ..................................................................... - 15 -一、项目一览表.................................................................................. - 15 -二、技术规格及质量要求 ................................................................. - 19 -三、特别说明...................................................................................... - 20 -第四篇谈判项目服务需求 ..................................................................... - 21 -一、交货时间、地点及验收方式 ..................................................... - 21 -二、质量保证及售后服务 ................................................................. - 21 -三、报价要求...................................................................................... - 22 -四、付款方式...................................................................................... - 22 -五、知识产权...................................................................................... - 22 -六、培训.............................................................................................. - 23 -七、其他.............................................................................................. - 23 -第五篇合同草案条款.............................................................................. - 24 -一、合同草案条款.............................................................................. - 24 -二、附页:合同格式 ......................................................................... - 27 -万盛经开区公共资源交易中心竞争性谈判文件三、万盛经开区政府采购货物(服务)验收表 ............................. - 29 -第六篇响应文件格式要求 ..................................................................... - 31 -一、响应文件封面.............................................................................. - 32 -二、响应文件格式目录 ..................................................................... - 33 -(一)资格条件及其他 ..................................................................... - 33 -(二)经济部分.................................................................................. - 39 -(三)技术部分.................................................................................. - 41 -(四)服务部分.................................................................................. - 43 -(五)其他应提供的资料 ................................................................. - 46 -第一篇竞争性谈判邀请书重庆市万盛经开区公共资源交易中心受万盛经开区体育局的委托,对万盛经开区体育局社区健身点健身器材采购项目进行竞争性谈判采购。
千里马招标网鞍山市政府采购文件(竞争性磋商)项目名称:鞍山市体育局健身器材竞争性磋商采购项目采购编号:AGJCGC计划编号:ASZC编制单位(章):鞍山市公共资源交易中心制目录竞争性磋商采购公告第一章采购项目基本内容及要求第二章竞争性磋商响应文件内容及格式第三章评审方法附件:.供应商须知.自觉抵制政府采购领域商业贿赂行为承诺书.政府采购合同条款.政府采购合同格式说明:采购文件由正文和附件两部分组成。
参与竞争性磋商的供应商应当完整地阅读、理解构成本采购文件的所有内容。
正文和附件如有不一致的地方,须以正文为准。
竞争性磋商采购公告鞍山市公共资源交易中心受鞍山市体育局委托,对“鞍山市体育局健身器材采购项目”(采购项目编号:AGJCGC)进行磋商采购,现欢迎国内合格的供应商参加本次政府采购活动。
一、采购内容采购内容说明:.项目采购预算:万元;.本项目招标内容分为个合同包,投标人对所投包内的采购内容必须全投;.报价不能超过采购最高限价,否则其投标无效;.报价包括人工费、材料费、管理费、利润、税金、风险、供货及运输、安装调试、技术培训等完成项目必须发生的全部费用。
二、合格供应商的资格条件.符合《中华人民共和国政府采购法》第二十二条规定应当具备的条件;.生产、服务或经营范围符合国家相关规定和本次采购项目的需求;.本项目不允许联合体投标;.应自觉抵制政府采购领域商业贿赂行为;.所投产品须为中国现行关境内企业生产或加工的产品;. 能够提供快速、良好的维修、服务;.参与本次磋商的供应商须为鞍山市政府采购供应商库内注册登记的供应商或辽宁政府采购网或省内资源共享的其他各市的供应商库的供应商;.合格投标人还要满足的其它资格条件:.投标人须为通过NSCC国体认证的生产企业;.投标人所投的儿童乐园亲子类器材(告示牌除外)须符合QB/T-《玩具硬塑料通用技术》或GB/T-《塑料件的拉伸强度、弯曲强度》国家相关标准。
投标人投标时须提供所投产品检测报告复印件并加盖投标人公章;.投标人所投的儿童乐园亲子类器材(告示牌除外)须符合GB-《玩具安全》国家相关标准。
体育器材采购招标书一、项目背景本项目旨在为我们的体育场馆采购新的体育器材,以提升运动体验和设施的现代化程度。
为了确保公平竞争和合理采购,我们决定进行招标采购。
以下是招标书的详细内容和要求。
二、采购要求1. 体育器材种类:- 甲类器材:篮球、足球、网球等球类器材;- 乙类器材:跳绳、哑铃等训练器材;- 丙类器材:跑道、投掷器材等田径器材。
2. 采购数量:- 甲类器材:100个;- 乙类器材:50个;- 丙类器材:20个。
3. 技术要求:- 甲类器材:应符合国家体育器材安全标准;- 乙类器材:应具备良好的耐用性和质量;- 丙类器材:应满足国际田径比赛标准。
4. 交货期限:最迟于招标截止日期后30天内交付。
5. 供应商资质要求:供应商需具备合法注册资格,并能提供相关器材的检验证书和质量保证书。
三、招标流程和时间安排1. 发布招标公告:本招标公告将于{发布日期}在以下渠道发布:- 公司网站:[URL]- XX媒体:[名称]- XX报纸:[名称]2. 投标文件递交截止日期:所有投标文件需于{截止日期}前递交。
3. 评审和筛选:我们将组成评审委员会对递交的投标文件进行评审并筛选出合适的供应商。
4. 中标通知:中标通知将于{通知日期}前发出。
中标供应商将收到合同草案并需要在{合同签署日期}前确认接受。
四、投标文件要求1. 文件准备:- 公司介绍:包括公司名称、注册资本、经营范围等;- 合法资质:提供合法注册证明和营业执照副本;- 相关经验:提供过去3年内类似项目的参与经验和客户推荐信;- 技术规格:详细说明提供的器材符合的技术要求。
2. 投标文件递交:- 递交地点:{地址}- 递交方式:快递或者专人递送,逾期将不予受理。
五、联系方式如对本次招标有任何疑问,请联系我们的采购部门:- 联系人:XXX- XXX- 电子邮件:XXX谢谢各位关注和参与招标!我们期待与合适的供应商合作,共同推进体育设施的发展!。
体育局体育器材采购项目招投标书范本一、招标方案概述1.1 项目背景为了提升我市社会体育水平,促进市民健康生活,我市体育局决定组织进行体育器材采购项目的招标工作。
1.2 采购内容本次采购项目主要包括以下器材:- 健身房设备:包括跑步机、哑铃、动感单车等;- 篮球场设备:包括篮球架、篮球、运动底板等;- 足球场设备:包括足球门、足球、球网等;- 游泳池设备:包括泳衣、泳帽、泳镜等。
1.3 采购方式本次采购项目采用公开招标方式,接受符合资格条件的供应商投标。
二、投标人资格要求2.1 企业法律资格要求投标人必须具备合法注册的企业法人资格,具有独立承担民事责任的能力。
2.2 经营能力投标人应具备稳定的经营地点和场地,并能提供相关证明文件。
2.3 财务状况投标人应具备健全的财务制度,财务状况良好,近三年无重大违约行为,并能提供相关财务报表。
2.4 产品质量投标人提供的器材需符合相关国家标准,并能提供有效的产品质量保证。
三、投标文件准备3.1 投标文件内容投标人应按照以下要求准备投标文件:(1) 投标信封:在信封上注明“体育器材采购项目招标文件”,并注明投标人名称和联系方式;(2) 投标书:包括投标人的基本信息、投标报价、产品质量保证等;(3) 企业法人资格证书复印件;(4) 经营场所和场地证明文件复印件;(5) 近三年财务报表复印件;(6) 产品合格证明文件或相关检验报告复印件。
3.2 投标文件递交投标人应将投标文件按要求装订好,并在规定时间内递交到指定地点。
四、评标方法和标准4.1 评标方法本次招标采用综合评标法进行评标,包括投标报价、产品质量、售后服务等因素。
4.2 评标标准评标标准将根据项目需求进行权衡,主要考虑投标报价的合理性、产品质量和性价比等因素。
五、中标及合同签订5.1 中标公示采购人将根据评标结果,在指定的媒体上公示中标结果,并与中标人进行书面通知。
5.2 合同签订中标人需与采购人进行合同签订,并按合同要求履行合同义务。
政府采购公开招标文件项目名称:江山市体育局健康适能设备采购项目项目编号:OBZFCG--委托单位:江山市体育局代理单位:欧邦工程管理有限公司备案单位:江山市财政局起草人:沈江龙审核人:徐晓凤二〇一八年十一月目录第一章招标公告 (3)第二章投标须知前附表及投标须知 (5)第三章采购内容及要求........................................ 第四章评标办法及开评标程序.................................. 第五章合同草案.............................................. 第六章应提交的有关格式范例...................................第一章招标公告根据《中华人民共和国政府采购法》等有关规定,欧邦工程管理有限公司受江山市体育局委托,现就江山市体育局健康适能设备采购项目进行公开招标,欢迎国内合格的供应商前来投标。
一、招标项目编号:OBZFCG--二、采购组织类型:分散委托代理四、投标供应商资格要求:.符合《中华人民共和国政府采购法》第二十二条的要求。
.具有良好的本地化服务能力。
.在中华人民共和国境内注册,有独立法人资格,具有经营体质测试仪等的经营范围,能承担本项目的制造商、经销商、代理商。
.本项目谢绝联合体参与投标。
.须为未被列入“信用中国”网站()、中国政府采购网()渠道信用记录失信被执行人、重大税收违法案件当事人名单、政府采购严重违法失信行为记录名单的投标人。
五、招标文件的报名/发售时间、地址、售价:1.报名/发售时间:年月日至年月日(双休日及法定节假日除外)上午::-: ;下午::-:.报名/发售地址:欧邦工程管理有限公司江山分公司(江山市中山路号四楼).标书售价(元):每本.(售后不退)六、投标截止时间:年月日上午:时七、投标地址:欧邦工程管理有限公司江山分公司(江山市中山路号四楼)八、开标时间:年月日上午:时九、开标地址:欧邦工程管理有限公司江山分公司(江山市中山路号四楼)十、投标保证金:投标保证金(元):元。
体育器材招投标书范本一、招标项目概述(一)项目名称:_____体育器材采购项目(二)项目背景:随着体育事业的不断发展,为了满足广大群众日益增长的体育健身需求,提高体育设施的质量和数量,现计划采购一批优质的体育器材。
(三)项目预算:本次采购预算为_____元。
(四)项目地点:_____(五)招标范围:包括但不限于篮球架、乒乓球桌、健身器材等各类体育器材的供应、安装及售后服务。
二、投标人资格要求(一)投标人必须是在中华人民共和国境内注册的独立法人,具有有效的营业执照、税务登记证和组织机构代码证(或三证合一的营业执照)。
(二)投标人应具有良好的商业信誉和健全的财务会计制度,提供近三年(_____年至_____年)的财务审计报告或财务报表。
(三)投标人必须具备履行合同所必需的设备和专业技术能力,提供相关证明材料。
(四)投标人近三年内(_____年至今)在经营活动中没有重大违法记录,提供书面声明。
(五)投标人须具有依法缴纳税收和社会保障资金的良好记录,提供近一年内任意三个月的纳税证明和社保缴纳证明。
(六)投标人所投产品应符合国家相关标准和行业规范,并提供产品质量检测报告。
(七)本项目不接受联合体投标。
三、招标文件的获取(一)获取时间:_____年_____月_____日至_____年_____月_____日(法定节假日除外),每天上午_____至_____,下午_____至_____。
(二)获取地点:_____(三)获取方式:投标人携带营业执照副本复印件(加盖公章)、法定代表人授权委托书及被授权人身份证原件,至获取地点购买招标文件。
(四)招标文件售价:_____元/份,售后不退。
四、投标文件的递交(一)投标文件递交截止时间:_____年_____月_____日_____时_____分。
(二)投标文件递交地点:_____(三)逾期送达的或者未送达指定地点的投标文件,招标人不予受理。
五、开标时间及地点(一)开标时间:_____年_____月_____日_____时_____分。
一、招标公告1.1 招标单位:[招标单位名称]1.2 招标项目:健身器材采购项目1.3 招标内容:提供符合招标文件要求的健身器材1.4 招标方式:公开招标1.5 招标地点:[招标单位地址]1.6 招标时间:[招标开始时间]至[招标结束时间]1.7 联系方式:联系人:[联系人姓名]联系电话:[联系电话]电子邮箱:[电子邮箱]二、项目概况2.1 项目名称:[项目名称]2.2 项目地点:[项目地点]2.3 项目规模:[项目规模]2.4 项目投资:[项目投资]2.5 项目内容:购置各类健身器材,包括但不限于跑步机、椭圆机、力量训练器材等。
三、招标范围3.1 招标范围:本次招标范围为健身器材的采购,包括但不限于以下内容:1. 跑步机2. 椭圆机3. 力量训练器材(哑铃、杠铃、训练凳等)4. 拉力训练器材5. 健身器械配件及维护工具6. 健身器材安装及调试服务四、投标资格要求4.1 投标人应具备以下资格:1. 具有独立法人资格,持有有效的营业执照;2. 具有良好的商业信誉和健全的财务会计制度;3. 具有丰富的健身器材生产、销售及售后服务经验;4. 具有履行合同的能力,具备良好的履约信誉;5. 近三年内无重大违法、违规行为。
五、投标文件要求5.1 投标文件应包括以下内容:1. 投标函2. 企业法人营业执照副本复印件3. 相关产品生产许可证、质量认证证书等复印件4. 近三年财务报表5. 公司简介及业绩介绍6. 健身器材产品详细规格、技术参数、价格等资料7. 售后服务承诺书8. 其他相关证明材料5.2 投标文件应密封,封面注明“[项目名称]健身器材采购项目投标文件”。
六、投标报价6.1 投标人应根据招标文件要求,对所投标的健身器材进行详细报价,包括但不限于:1. 产品价格2. 运输费用3. 安装调试费用4. 售后服务费用5. 其他相关费用6.2 投标报价应一次性报价,不得分阶段报价。
六、投标保证金7.1 投标人应按照招标文件要求,缴纳投标保证金。
用户需求书一、基本要求(健身器材)、安全要求:所有产品应符合GB-《健身器材室外健身器材安全通用要求》;、表面处理要求:表面处理应经过酸洗、磷化处理后或经过表面喷砂(抛丸)等形式处理后,进行表面烤漆工艺或采用塑料粉末喷涂。
、颜色要求:应在红色、桔红、蓝色、墨绿等色彩中选择搭配,但应注意整体色彩效果。
、其他要求:应在每件器材上设置明显标识牌,注明生产厂家,安装日期,使用年限和及售后服务电话。
、安装要求:①器材应安装在符合安全要求的地面;②浇注器材地基所使用的混凝土强度不低于C,且在地基没有完全凝固前,应有专人监护;、所安装器材应配有注明以下内容的标志牌:器材名称、器材型号、功能介绍、使用方法、注意事项和必要的警示标志以及企业名称、生产地址、安装日期、安全使用年限、执行标准、服务电话、产品认证标志等。
、投标人所投健身器材需投保产品责任险、产品质量险、团体意外险和公众责任险。
、为保障产品质量及售后服务,所投健身器材必须统一品牌。
二、技术要求(健身器材)、螺钉、螺母应防锈、防松和防盗;并应采取措施对螺栓、螺纹永久的覆盖。
覆盖件在其安装面以上直角部分的高度小于mm;覆盖件直线部分超过mm的,其突出部分外角应不小于°。
、不器材各支撑人体的表面所有棱边和尖角,应使其半径不小于.mm;使用者或第三者易接触的零部件的其他所有棱边应予以圆滑过渡或加以防护;、允许存在和使用功能无关的凸出物;、闭合开口、不完全闭合开口符合GB -中..的要求;、器材承载主立柱的钢管直径应不小于mm,框架式和高度不大于mm的器材可适当减小钢管直径,钢管壁厚应不小于.mm。
、扶手直径应不小于mm且不大于mm;、把手端部直径不小于mm;、带有轴承的器材,轴承应采取防水、防尘措施,可采取接触式密封,设润滑剂添加装置;、器材安全使用寿命不低于年;、地埋式器材应标出永久性地埋标志线,地埋深度应符合GB-的要求,埋入地下的器材立柱地埋部分应具有横向支撑或支撑盘;、钢铁制件(不锈钢除外)表面,应经过酸洗、磷化处理后或经过表面热度锌处理后,进行表面喷塑处理,涂层厚度不小于-μm;、可尝试攀爬、踩踏高度大于mm时,碰撞区域应有着陆缓冲层;、器材应配有完整的说明书,应包含三图(安装示意图、安装跌落空间图、碰撞区域图)、三表(器材安装检查表、器材定期检查表、易损件明细表)、器材安全使用寿命、器材维护保养注意事项、及寿命周期内对易损件及时更换的承诺等内容;、器材应在醒目位置设有标识牌,标注锻炼方法、主要功能、安全事项、适宜人群、安装时间、使用年限、厂家地址、服务电话等内容,安全警示应采用图示方式提示使用者可能存在风险;、器材颜色应在红、黄、蓝、紫、白等色彩中选择搭配,注意整体色彩效。
一、招标公告根据我国相关法律法规和招标投标管理规定,现对某健身中心所需健身器械进行公开招标。
欢迎具备相关资质和条件的供应商参加投标。
二、项目名称:某健身中心健身器械采购项目三、项目概况:1. 项目地点:某市某健身中心2. 项目规模:根据健身中心场地和需求,采购各类健身器械,包括但不限于跑步机、椭圆机、动感单车、力量训练器材等。
3. 项目预算:人民币XX万元四、招标范围:1. 跑步机:要求具备良好的减震性能,显示屏功能齐全,操作简便,易于维护。
2. 椭圆机:要求具有多种运动模式,可调节阻力,易于操作,安全可靠。
3. 动感单车:要求具备多种运动模式,可调节阻力,操作简便,安全可靠。
4. 力量训练器材:包括哑铃、杠铃、拉力器、仰卧板等,要求质量优良,安全可靠,易于操作。
五、投标人资格要求:1. 具有独立法人资格,持有有效的营业执照;2. 具有良好的商业信誉和健全的财务会计制度;3. 具有完善的售后服务体系,能提供24小时技术支持;4. 具有同类项目供货经验,且项目业绩良好;5. 投标人须具备所投标产品的生产、销售资格,并承诺提供正品产品。
六、投标文件要求:1. 投标人须按照招标文件要求提供投标文件,包括但不限于:(1)投标函;(2)法定代表人身份证明或授权委托书;(3)企业法人营业执照副本;(4)税务登记证副本;(5)组织机构代码证副本;(6)同类项目供货合同及业绩证明;(7)售后服务承诺书;(8)投标报价表;(9)其他招标文件要求提供的资料。
2. 投标文件应采用A4纸打印,封面注明“某健身中心健身器械采购项目投标文件”,并在投标文件封面上注明投标人名称、地址、联系人及联系电话。
七、投标截止时间及开标时间:1. 投标截止时间:2023年X月X日X时X分;2. 开标时间:2023年X月X日X时X分。
八、投标地点及开标地点:1. 投标地点:某市某健身中心;2. 开标地点:某市某健身中心。
九、评标办法:1. 采用综合评分法,对投标文件进行评审;2. 评审内容包括:投标报价、产品质量、售后服务、企业信誉等;3. 评标委员会根据评审结果,确定中标候选人。
一、招标公告根据《中华人民共和国招标投标法》及有关法律法规,现对以下健身器材进行公开招标,欢迎具备相应资质的企业参与投标。
二、招标项目名称健身器材采购项目三、招标人XX体育用品有限公司四、招标内容1. 项目名称:健身器材采购项目2. 项目地点:XX体育用品有限公司3. 项目规模:根据公司需求,采购各类健身器材若干套4. 项目预算:人民币XX万元五、招标范围1. 健身器材的种类:包括但不限于跑步机、椭圆机、动感单车、力量训练器材、健身器材配件等。
2. 品牌要求:国内外知名品牌,具有良好口碑和售后服务。
3. 质量要求:符合国家相关标准和规定,具备良好的耐用性和安全性。
六、投标人资格要求1. 具有独立法人资格,持有有效的营业执照。
2. 具有健全的财务会计制度,具备良好的商业信誉。
3. 具有健身器材销售、安装、维修等相关资质,具备完善的售后服务体系。
4. 近三年内无重大违法违规行为。
七、投标文件要求1. 投标人须按照招标文件要求,编制投标文件,投标文件应包括以下内容:(1)投标函(2)法定代表人身份证明或授权委托书(3)企业法人营业执照副本复印件(4)相关资质证书复印件(5)业绩证明材料(6)报价单(7)售后服务承诺书(8)其他招标文件要求提供的材料2. 投标文件应密封并在封口处加盖公章,投标截止时间前送达指定地点。
八、投标截止时间及开标时间1. 投标截止时间:XX年XX月XX日XX时XX分2. 开标时间:XX年XX月XX日XX时XX分九、投标地点及开标地点1. 投标地点:XX市XX区XX路XX号XX体育用品有限公司2. 开标地点:XX市XX区XX路XX号XX体育用品有限公司会议室十、评标办法1. 采用综合评分法进行评标,评标委员会根据投标文件内容进行综合评分,择优选取中标人。
2. 评标委员会由招标人代表、技术专家、经济专家等组成。
十一、中标及合同签订1. 招标人根据评标委员会的评标结果,确定中标人。
2. 中标人应在接到中标通知书后XX个工作日内与招标人签订合同。
大连市低收入村健身器材采购项目招标文件(项目编号:ZKCG-)招标人:大连市体育局招标代理人:大连卓肯项目管理有限公司日期:二一八年六月大连市低收入村健身器材采购项目招标文件项目负责人:张光欣编制人:朱瑶审核人:张光欣目录投标邀请函………………………………………………………………第一章投标人须知及前附表……………………………………………第二章合同条款及合同格式……………………………………………第三章项目需求及技术要求……………………………………………第四章投标文件格式……………………………………………………附件开标一览表(单独密封)…………………………………………附件资格性审查表………………………………………………………附件符合性审查表……………………………………………………附件评标方法……………………………………………………附件保函及声明函格式………………………………………………大连市低收入村健身器材采购项目投标邀请函大连卓肯项目管理有限公司受大连市体育局的委托,对其低收入村健身器材采购项目进行国内公开招标,欢迎符合资格条件的投标人报名参加投标。
一、项目编号:ZKCG-二、招标内容:双位漫步机、双位天梯、臂力训练器、双位蹬力器、双位单杠、腰背按摩器、室外椭圆机、仰卧起坐板、按摩揉推器、太极揉推器,套。
(详细内容见招标文件)注:.招标文件中要求投标人须提供非进口产品,否则视为无效投标文件。
进口产品是指通过中国海关报关验放入中国境内且产自关境外的产品。
.投标人不能只对本项目个别品目进行投标,否则将被视为非响应性投标而被拒绝。
.采购预算:.万元(投标报价超出采购预算的,按无效投标处理)三、投标人的资格条件:(一)在中国境内注册的独立企业法人;(二)外地投标人须具有在大连市工商管理部门注册的售后服务机构(非投标人分公司或办事处的售后服务机构须有投标人和售后服务机构之间盖有公章的委托协议)。
注:.经检察机关查询三年内有行贿犯罪记录的不得参加本采购项目。
于田县人民政府文化体育局贫困村文化活动中心建设体育健身器材采购项目竞争性谈判招标文件新疆天之源项目管理有限公司资质等级:乙级证书编号:F招标文件编号:XJTZYZFCG-YTX-招标文件(竞争性谈判)项目名称:于田县人民政府文化体育局贫困村文化活动中心建设体育健身器材采购项目采购单位:于田县人民政府文化体育局联系人:张磊--------------------------------------------------------------招标代理机构:新疆天之源项目管理有限公司法人代表:任大为联系人:赵梅风电话:-传真:-详细地址:和田市人民街号玉都国际广场金座七楼招投标监督管理机构备案登记栏:本招标文件已报备工程名称:于田县人民政府文化体育局贫困村文化活动中心建设体育健身器材采购项目备案人:备案日期:于田县公共资源交易中心于田县人民政府文化体育局贫困村文化活动中心建设体育健身器材采购项目竞争性谈判招标公告新疆天之源项目管理有限公司受于田县人民政府文化体育局的委托,对其于田县夏季作训服采购项目进行竞争性谈判招标采购,欢迎合格投标人投标。
一、招标项目名称:于田县人民政府文化体育局贫困村文化活动中心建设体育健身器材采购项目二、采购文件编号:XJTZYZFCG-YTX-三、采购内容:体育健身器材采购,预算价:.元;(具体数量按甲方实际需求量算),具体参数详见招标文件;四、采购单位:于田县人民政府文化体育局五、采购类型:竞争性谈判招标采购六、招标范围:本项目采购、运输及相关服务。
七、投标供应商的资格要求:、满足《中华人民共和国政府采购法》第二十二条要求;须具有相应的经营范围;、投标人必须携带企业法人三证合一营业执照原件,开户许可证原件;、法定代表人身份证原件及复印件或法定代表人授权委托书和委托代理人的身份证原件(授权书需附法人身份证及委托人身份证复印件);、凡拟参加本次招标项目的投标人,如在“信用中国”网站()、中国政府采购网()、国家企业信用信息公示系统()被列入失信被执行人、重大税收违法案件当事人名单、政府采购严重违法失信行为记录名单的(尚在处罚期内的)、经营异常名录的,将拒绝其参本次政府采购活动;、本项目不接受联合体投标。
八、投标报名及招标文件取得时间:年月日至年月日(每周一至周五(上午:-:、下午:-:北京时间,节假日除外),凡拟参加本次招标项目的投标人,应提供第七条中要求的资质证件,以上证件须带原件及加盖鲜公章的复印件各一套到和田市人民街号玉都国际广场金座七楼报名进行资格审查(符合资格要求的方可投标,资料提交不全者,一律谢绝报名)及领取招标文件,文件费元,招标文件售后不退。
九、投标保证金:元整(请于报名截止日期前将投标保证金足额汇入(存入)以下账户)开户名称:于田县公共资源交易中心,开户银行:于田县农村信用合作联社丝路信用社,账号:,请于开标前一日下午:之前(北京时间)缴入指定账户,并换取投标保证金收据,过时不予受理。
十、开标时间:年月日上午:(北京时间),投标文件应于开标时间截止前送达指定的地点,否则不予接受,投标文件一律不予退还。
十一、开标地点:于田县公共资源交易中心(于田县政府老办公楼一楼)联系方式:招标单位:于田县人民政府文化体育局联系人:张磊招标代理机构:新疆天之源项目管理有限公司地址:和田市人民街号玉都国际广场金座楼联系人:赵梅风联系电话:-于田县人民政府文化体育局新疆天之源项目管理有限公司年月日年月日投标人须知前附表序号内容项目名称:于田县人民政府文化体育局贫困村文化活动中心建设体育健身器材采购项目采购内容:体育健身器材采购;具体参数详见招标文件;预算价:.元。
采购单位名称:于田县人民政府文化体育局采购地点:全国投标保证金的金额:元整;(开户名称:于田县公共资源交易中心,开户账号:,开户银行:于田县农村信用合作联社丝路信用社(备注:、投标保证金缴纳截止时间为年月日北京时间:前(节假日除外),过后的投标保证金不予受理。
、投标人携带能够证明其投标保证金从其基本帐户转出且已交存的有效凭证(银行汇票或电汇单)至本公司办公室开具投标保证金收据,过期不予办理。
、未注明项目名称及投标标段的投标保证金将退汇。
、投标保证金缴纳只接受报名合格企业基本帐户对公转帐,其他以私人名义或现金缴纳等存入、汇款方式均视为无效投标保证金。
各投标人应充分考虑投标保证金从提交到入帐的时间风险,提前办理相关事项,以保证投标保证金在招标文件指定的交纳截止时间前汇入指定帐户。
)投标人资格要求:、满足《中华人民共和国政府采购法》第二十二条要求;须具有相应的经营范围;、投标人必须携带企业法人三证合一营业执照原件,开户许可证原件;、法定代表人身份证原件及复印件或法定代表人授权委托书和委托代理人的身份证原件(授权书需附法人身份证及委托人身份证复印件);、凡拟参加本次招标项目的投标人,如在“信用中国”网站()、中国政府采购网()、国家企业信用信息公示系统()被列入失信被执行人、重大税收违法案件当事人名单、政府采购严重违法失信行为记录名单的(尚在处罚期内的)、经营异常名录的,将拒绝其参本次政府采购活动;、本项目不接受联合体投标。
供货期:自签订合同之日起天(日历日)内供货安装调试完毕。
交货地点:于田县人民政府文化体育局,中标人必须将货物运输(含卸货)至招标人指定的地点。
投标文件有效期:天投标截止时间:年月日上午:(北京时间)投标文件的数目:正本份、副本份,U盘电子版各份且密封并按招标文件要求标识清楚。
投标文件一律采用胶装不得有掉页、漏页等现象,否则作否决投标处理。
投标文件递交时间:年月日上午:(北京时间)投标文件递交地点:于田县公共资源交易中心(于田县政府老办公楼一楼)开标时间:年月日上午:(北京时间)投标文件递交地点:于田县公共资源交易中心(于田县政府老办公楼一楼)招标服务费:按【】号文执行,按中标价:(万以下按.%计取、-万按.%计取、-万按.%计取、-万按.%计取,按差额定率累进法计算);招标工作结束后由中标单位支付(即中标人在领取中标通知书时支付)。
本项目评标办法:最低评标价法特别提示:、所有投标单位对招标文件中所有条款如有疑问或异议请在开标前三天以书面形式提出,否则不予受理。
2、本项目采购预算价:.元。
(此采购预算价为最高限阶、投标人的报价不能超过采购预算价,如超过采购预算价的报价为无效报价,作否决投标处理)。
、谈判小组认为投标人的报价明显低于其他通过符合性审查投标人的报价,有可能影响产品质量或者不能诚信履约的,应当要求其在评标现场合理的时间内提供书面说明,必要时提交相关证明材料;投标人不能证明其报价合理性的,谈判小组应当将其作为无效投标处理。
履约保证金:履约保证金为中标价的%,中标人与招标人签订合同的同时提交履约保证金,如中标人未按招标文件规定的工期供货、安装和调试完毕,则扣除履约保证金,且三年内不得参加于田县所有政府采购招投标活动。
付款方式:与甲方签订合同时另行约定。
第一章投标书新疆天之源项目管理有限公司受于田县人民政府文化体育局委托,为本次采购项目进行竞争性谈判采购。
一、招标文件编号:XJTZYZFCG-YTX-二、项目名称:于田县人民政府文化体育局贫困村文化活动中心建设体育健身器材采购项目采购内容:体育健身器材采购;具体参数详见招标文件;预算价:.元。
三、简要说明:、供货地点:于田县人民政府文化体育局,中标人必须将货物运输(含卸货)至招标人指定的地点。
、供货期:自签订合同之日起天(日历日)内供货安装调试完毕。
四、招标内容详见第三章技术参数条款五、投标保证金数额:详见投标须知第三条。
六、特别提示、付款方式:与甲方签订合同时另行约定。
、标书领取地点:新疆天之源项目管理有限公司(和田市人民街号玉都国际广场金座七楼),标书售后不退。
电话:-第二章投标须知一、总则、适用范围.本竞争性谈判文件仅适于本次公开采购招标中所述设备、材料采购、运输、安装、调试和相关服务。
、合格的投标人、满足《中华人民共和国政府采购法》第二十二条要求;须具有相应的经营范围;、投标人必须携带企业法人三证合一营业执照原件,开户许可证原件;、法定代表人身份证原件及复印件或法定代表人授权委托书和委托代理人的身份证原件(授权书需附法人身份证及委托人身份证复印件);、凡拟参加本次招标项目的投标人,如在“信用中国”网站()、中国政府采购网()、国家企业信用信息公示系统()被列入失信被执行人、重大税收违法案件当事人名单、政府采购严重违法失信行为记录名单的(尚在处罚期内的)、经营异常名录的,将拒绝其参本次政府采购活动;、本项目不接受联合体投标。
、定义.“招标人”为:于田县人民政府文化体育局。
.“投标人”系指响应招标,并按照招标文件的要求参与工程任务竞争的法人,中标后即为中标人,签定合同后即为卖方。
.“招标机构”为新疆天之源项目管理有限公司。
.“货物”系指卖方按合同要求,须向买方提供的一切产品及其它技术资料和材料。
.“服务”系系指合同规定卖方须承担的技术协助、本地化开发、安装、调试和交付使用后免费维护期内应履行的义务及售后服务等其他类似的义务。
.“卖方”系指提供合同货物和服务的法人。
.“买方”系指购买货物的单位。
、投标费用.无论投标结果如何,投标人须自行承担所有与参加投标有关的全部费用。
二、招标文件、招标文件.招标文件用以阐明所招标的内容,招标投标程序及合同条款,包括:..投标人须知前附表;..招标书;..投标人须知;..技术规格要求;.. 合同条款;..投标文件格式;.投标人应仔细阅读招标文件中的所有内容。
招标机构将拒绝未按招标文件的要求提供全部资料或提交的投标文件未对招标文件作出实质性响应的投标。
、招标文件的澄清.任何要求澄清招标文件的投标人,均应在投标截止日期五天前以书面形式或传真、电报通知招标机构。
招标机构将以书面形式予以答复,同时将书面通知每个购买招标文件的投标人。
投标人不得与招标人私下就设备采购的有关实质性的问题进行磋商。
、招标文件的修改.在投标截止时间小时以前,招标人都可能以《招标文件补充》的方式修改招标文件。
并将以书面形式通知所有购买招标文件的投标人。
.《招标文件补充》作为招标文件的组成部分,对投标人具有同等约束力。
如果招标文件补充内容与在此招标文件补充发出之前的招标文件等书面材料中相关内容相冲突,请投标人执行招标文件补充的相关内容,先前发出的招标文件等书面材料中相关内容自动废止。
.为使投标人在编制投标文件时把《招标文件补充》内容考虑进去,招标人可以相应延长投标截止日期,具体时间将在《招标文件补充》中写明。
三、投标文件的编制、投标文件的编写.投标人应仔细阅读招标文件,了解招标文件的要求。
在充分理解招标文件提出的技术要求、服务和商务条件后,编制投标文件。