散水施工工程.doc
- 格式:doc
- 大小:47.50 KB
- 文档页数:3
散水施工工程技术交底一、工程概述散水施工工程是指在建筑物、道路、园林等场所进行喷洒、洒水工作的施工过程。
本文将详细介绍散水施工工程的技术交底内容,包括施工准备、施工流程、安全注意事项等。
二、施工准备1. 确定施工区域:根据施工需求,确定散水区域范围,并进行详细测量和标记。
2. 准备设备和材料:根据散水施工的具体要求,准备好喷洒设备、水源设备、喷嘴、水管等工具和材料。
3. 检查设备状态:对喷洒设备进行检查,确保设备完好,喷嘴通畅,水管无漏水等问题。
4. 安全措施:制定施工安全措施,包括设置警示标志、围挡等,确保施工过程中的人员和设备安全。
三、施工流程1. 搭建喷洒设备:根据施工区域的具体情况,搭建喷洒设备,确保设备稳固可靠。
2. 连接水源:将水源设备与喷洒设备连接,确保水源供应充足,并进行试水,检查水流是否正常。
3. 调整喷洒角度和范围:根据施工需求,调整喷洒设备的角度和范围,确保喷洒效果达到要求。
4. 控制喷洒量:根据施工需求,合理控制喷洒量,避免浪费水资源或造成环境污染。
5. 定期检查设备:在施工过程中,定期检查喷洒设备,确保设备正常运行,及时处理设备故障。
四、安全注意事项1. 人员防护:施工人员应穿戴符合要求的防护服装、手套、护目镜等,确保施工过程中人员的安全。
2. 防火安全:在施工现场周围设置防火带,禁止吸烟、明火等火源,防止火灾事故发生。
3. 电气安全:施工过程中应注意避免电气设备与水源接触,防止触电事故发生。
4. 设备维护:定期对喷洒设备进行维护保养,保持设备的正常运行状态。
5. 废水处理:施工完成后,应妥善处理废水,避免对周围环境造成污染。
五、施工质量控制1. 施工记录:在施工过程中,记录施工时间、施工区域、喷洒量等相关信息,以备后期查验。
2. 施工检查:定期进行施工现场的检查,确保施工质量符合要求,及时发现和处理问题。
3. 施工验收:施工完成后,进行验收,确保施工质量合格,达到设计要求。
散水施工工程技术交底引言概述:散水施工是一种常见的建筑工程施工技术,其技术交底十分重要。
本文将从施工前的准备工作、施工过程中的注意事项、施工现场安全管理、施工质量控制和施工后的清理工作等五个方面进行详细阐述。
一、施工前的准备工作1.1 确定施工方案:在进行散水施工前,要根据工程要求和实际情况确定施工方案,包括施工时间、施工区域、施工人员等。
1.2 准备施工材料:准备好所需的散水设备、管道、喷头等施工材料,确保施工过程中不会出现材料短缺的情况。
1.3 安排施工人员:确定施工人员的数量和工作任务,保证施工人员具备相关的技术和安全意识。
二、施工过程中的注意事项2.1 确保施工质量:在进行散水施工时,要注意喷头的布置和喷水的均匀性,确保施工质量达到要求。
2.2 防止施工事故:在施工过程中,要注意安全防范措施,避免发生水管爆裂、喷头堵塞等事故,确保施工人员的安全。
2.3 注意施工环境:在施工过程中,要注意周围环境的保护,避免对周围植被和建筑物造成损坏。
三、施工现场安全管理3.1 制定安全措施:在施工现场设置安全警示标识,制定安全操作规程,确保施工人员遵守安全规定。
3.2 定期检查设备:定期检查散水设备和管道,保证设备正常运行,避免因设备故障导致的安全事故。
3.3 培训施工人员:对施工人员进行安全培训,提高他们的安全意识和应急处理能力,确保施工过程中的安全。
四、施工质量控制4.1 监督施工过程:对施工过程进行定期检查和监督,确保施工质量符合要求。
4.2 调整喷水量:根据实际情况调整喷水量,保证施工效果达到设计要求。
4.3 处理施工问题:及时处理施工中出现的问题,确保施工进度和质量不受影响。
五、施工后的清理工作5.1 清理施工现场:在施工完成后,要及时清理施工现场,清除杂物和残留的施工材料,保持施工现场的整洁。
5.2 检查施工质量:对施工结果进行检查,确保施工质量符合要求,及时处理施工中存在的问题。
5.3 归档资料:将施工过程中的相关资料整理归档,为今后的施工提供参考和借鉴。
散水施工工程技术交底一、项目概述散水施工工程是指在建筑工地、公园绿化、农田灌溉等场所进行的喷洒水雾的工程。
本文将详细介绍散水施工工程的技术要求、施工步骤、安全注意事项等内容。
二、技术要求1. 施工设备:散水施工工程所需设备包括喷洒器、水泵、管道等。
设备应符合国家标准,具备稳定的工作性能和安全可靠的特点。
2. 喷洒范围:根据具体需求确定喷洒范围,并进行合理布局,确保覆盖面积均匀,避免死角。
3. 喷洒方式:根据实际情况选择合适的喷洒方式,可以是雾状、喷雾、细水雾等。
喷洒方式应确保水雾细腻、均匀,避免水花飞溅。
4. 喷洒时间:根据施工需要和环境温度确定喷洒时间,通常在早晨或傍晚气温较低的时候进行,以避免水分蒸发过快。
5. 喷洒量:根据施工需求和环境条件确定喷洒量,确保地面湿润度适宜,避免过度浪费水资源。
6. 水源:选择可靠的水源供应,并确保水质符合相关标准,避免对环境和植物造成污染。
三、施工步骤1. 施工前准备:检查施工设备是否正常运转,清理施工现场,确保无障碍物影响施工。
2. 布置喷洒器:根据喷洒范围和布局要求,将喷洒器放置在合适的位置,并连接好水源和电源。
3. 调整喷洒方式和喷洒量:根据实际需求,调整喷洒器的喷洒方式和喷洒量,确保达到预期效果。
4. 开始喷洒:按照预定的时间和计划进行喷洒,注意保持喷洒均匀,避免漏喷或过度喷洒。
5. 监测施工效果:在施工过程中,及时监测喷洒效果,如有需要,可对喷洒方式和喷洒量进行调整。
6. 施工结束:施工完成后,关闭喷洒器,清理施工现场,做好设备的维护保养工作。
四、安全注意事项1. 施工人员应穿戴好防护用品,包括安全帽、防护眼镜、防护服等,确保人身安全。
2. 施工设备应定期检查和维护,确保运转正常,避免发生故障。
3. 在施工过程中,应注意周围环境和人员的安全,避免对他人造成伤害。
4. 施工现场应保持整洁,避免杂物堆放和滑倒等安全隐患。
5. 施工过程中应严格控制喷洒量,避免造成水资源浪费。
2、当做分项工程施工技术交底时,应填写“分项工程名称”栏,其他技术交底可不填写。
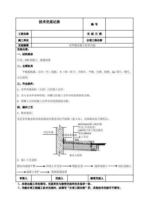
交底内容:3、首层室外散水出外墙外侧干挂石材外表面的宽度为900mm(对南北两侧大阳台而言,出阳台装饰外表面的宽度为900mm),散水与石材外表面的交接处留15宽20mm深的伸缩缝,缝隙内用柔性嵌缝油膏填缝,缝内填嵌均匀密实,散水平面至少压外墙石材3-5mm,散水内侧最高处标高为-0.39m,散水外侧最低处标高为-0.42m,散水向外找坡坡度约为4%。
4、砼散水转角及沿散水长度方向每6m均留设20×20mm(宽×深)的伸缩缝,转角处伸缩缝与外墙面(包括阳台外阳角)成45度角,其它部位伸缩缝与外墙面垂直,伸缩缝位置避免设在明装雨水管部位。
5、散水施工前,回填素土及3:7灰土必须分层回填并仔细夯实,每层回填厚度不大于20cm,回填时,每层至少夯实达到三遍,打夯一夯压半夯,夯夯相接,纵横交叉,分层夯打,不留间隙,在墙边、边角、阴阳转角、管边等无法用打夯机夯实的部位人工用木夯夯实。
6、模板支设时,根据散水的厚度裁切好模板的尺寸,模板高度超出散水厚度50mm,模板侧面采用废旧20钢筋@600进行加固,钢筋深入夯实土内不小于30mm。
7、散水C20砼配合比如下:水泥:砂子:石子:水=1:1.6:3.0:0.57,即100KgP.032.5普通硅酸盐水泥需用中砂160Kg、碎石300Kg、自来水57Kg。
散水C20砼用机械搅拌均匀密实,搅拌时间不少于150s。
7、地面混凝土表面收完后必须用木抹子搓压表面,防止混凝土表面出现裂缝。
在初凝前,用木抹子拍压两至三遍,搓成麻面,以闭合收水裂缝,然后用铁抹子压光,在混凝土终凝前用铁抹子三次压光。
8、养护:浇筑完毕约12~14小时后,砼达到终凝后视天气情况铺一层塑料薄膜和一层50厚阻燃纤维被进行养护(当日平均气温低于5℃时,不得浇水),同时,由专人负责成品保护,严禁上人踩压,养护时间不少于7d,当抗压强度达到5Mpa后方准上人,方可正常使用。
散水施工工程技术交底引言概述:散水施工是指在施工现场利用水泥浆、石灰水等液体材料进行喷洒,以达到加固土壤、稳定地基等目的。
在进行散水施工前,必须进行工程技术交底,明确施工方案、工艺流程和注意事项,确保施工顺利进行。
一、施工方案1.1 确定施工范围和施工时间:根据工程实际情况确定散水施工的范围和时间,避免影响周边环境和其他施工工序。
1.2 确定散水材料和比例:根据土壤性质和施工要求,确定使用的散水材料和比例,保证施工效果。
1.3 制定施工方案和工艺流程:制定详细的施工方案和工艺流程,包括施工步骤、施工顺序、施工方法等,确保施工按照规定进行。
二、施工准备2.1 检查施工设备和工具:检查散水施工所需的设备和工具是否完好,确保施工顺利进行。
2.2 安排施工人员:根据施工方案确定所需施工人员数量和岗位,确保施工人员具备相应的技术和安全意识。
2.3 安全防护措施:制定施工现场安全管理制度,配备必要的安全防护设施,确保施工过程中安全可控。
三、施工操作3.1 土壤处理:在进行散水施工前,对土壤进行必要的处理,包括平整、湿润等,确保施工效果。
3.2 散水施工:按照工艺流程进行散水施工,控制好施工速度和厚度,避免出现浪费或施工不均匀的情况。
3.3 施工质量检验:在施工过程中进行质量检验,确保施工质量符合要求,及时调整施工参数和方法。
四、施工注意事项4.1 防止雨水干扰:在散水施工过程中,避免遇到雨水等恶劣天气,影响施工效果。
4.2 控制施工温度:在高温天气下,要注意控制施工温度,避免出现过快干燥的情况。
4.3 施工结束后清理:施工结束后及时清理施工现场,保持环境整洁,确保施工质量。
五、施工后交底5.1 整理施工资料:整理散水施工的相关资料,包括施工记录、质量检验报告等,作为施工验收的依据。
5.2 进行施工交底:将施工过程中的关键信息和注意事项进行交底,确保相关人员了解施工情况。
5.3 完成施工验收:完成散水施工后,进行施工验收,确认施工质量符合要求,保证工程顺利进行。
散水施工工程技术交底标题:散水施工工程技术交底引言概述:散水施工是一种常见的工程施工方式,其技术交底对于工程质量和进度具有重要意义。
本文将从技术交底的内容、施工前准备、材料选用、施工过程和质量控制五个方面进行详细阐述。
一、技术交底的内容1.1 确定施工方案:明确散水施工的具体方案,包括施工时间、施工区域、施工人员等。
1.2 安全注意事项:交底施工过程中的安全注意事项,如穿戴安全防护用具、避免施工区域人员密集等。
1.3 施工要求:明确施工的技术要求,包括施工质量标准、施工工艺等。
二、施工前准备2.1 现场勘察:对施工区域进行详细勘察,了解地形、地貌等情况。
2.2 设备准备:准备好所需的施工设备和工具,确保施工顺利进行。
2.3 人员培训:对施工人员进行培训,确保他们熟悉施工方案和安全注意事项。
三、材料选用3.1 喷灌设备:选择适合的喷灌设备,确保喷水均匀、稳定。
3.2 灌溉管道:选择质量可靠的灌溉管道,确保长期使用不会浮现问题。
3.3 喷灌水源:选择清洁的水源,避免污染土壤和植物。
四、施工过程4.1 布置管道:根据施工方案,合理布置喷灌管道,确保覆盖范围均匀。
4.2 调试设备:对喷灌设备进行调试,调整水量和喷水范围。
4.3 施工监控:在施工过程中进行监控,确保施工质量符合要求。
五、质量控制5.1 施工验收:在施工结束后进行验收,检查喷灌效果是否符合要求。
5.2 施工记录:及时记录施工过程中的关键信息,为后续工作提供参考。
5.3 整改措施:如发现施工质量存在问题,及时制定整改措施,确保工程质量。
总结:散水施工工程技术交底是保证工程质量和进度的重要环节,惟独严格按照技术要求进行交底和施工,才干确保工程顺利进行并达到预期效果。
希翼本文的内容能为相关工程人员提供一定的参考和匡助。
散水施工工程技术交底一、施工概述散水施工工程是指在园林绿化、农田灌溉等领域中,利用喷头、喷雾器等设备进行水的喷洒,以达到浇灌植物、降温等目的的工程。
本文将详细介绍散水施工工程的技术要点和施工流程。
二、施工前准备1. 设计方案确认:根据工程要求,确认散水设备的类型、数量、布置方案等。
2. 材料准备:准备好散水设备、接头、管道、喷头等所需材料。
3. 设备检查:检查散水设备是否完好,是否需要进行维修或更换。
4. 现场勘测:对施工区域进行勘测,确定散水设备的布置位置和管道的走向。
三、施工流程1. 确定布置方案:根据现场勘测结果,确定散水设备的布置方案。
考虑到植物的需水量和喷洒范围,合理安排设备的位置。
2. 安装管道:根据布置方案,安装主管道和支管道。
主管道负责输送水源至各个喷头,支管道连接主管道和喷头。
3. 安装喷头:根据设计要求,安装喷头。
喷头的选择应根据植物的需水量、喷洒范围和水压等因素进行合理选择。
4. 连接管道:将喷头与支管道进行连接,确保连接紧密,不漏水。
5. 调试设备:打开水源,检查喷头是否正常工作,喷洒范围是否符合设计要求。
如有异常情况,及时调整或更换喷头。
6. 固定设备:将散水设备固定在地面或其他合适的位置,确保设备稳定可靠。
7. 安全防护:在施工现场设置警示标志,确保施工过程中的安全。
四、施工注意事项1. 确保水源:施工前要确保有稳定的水源供应,以满足散水设备的需水量。
2. 设备维护:定期检查散水设备的工作状态,如有故障及时进行维修或更换。
3. 喷头选择:根据植物的需水量和喷洒范围选择合适的喷头,以节约水资源。
4. 管道布置:管道布置应合理,避免过长或过短,以免影响水的输送和喷洒效果。
5. 喷头调整:根据实际情况,调整喷头的喷洒角度和喷洒范围,以确保植物得到适量的水源。
6. 安全施工:施工过程中要注意安全,佩戴好安全帽、手套等防护用品,避免发生意外事故。
五、施工质量控制1. 设备安装质量:确保散水设备的安装牢固,不漏水,喷头喷洒范围符合设计要求。
散水施工工程技术交底一、工程概述散水施工工程是指在城市道路、公园、绿化带等区域进行喷洒水雾的工作,以降低环境温度、增加空气湿度,改善空气质量,提供舒适的生活环境。
本文将对散水施工工程的技术要求、施工流程、安全注意事项等进行详细交底。
二、技术要求1. 设备要求:- 散水设备:使用高效节水的喷雾器具,确保均匀喷洒水雾。
- 水源:使用符合水质标准的水源,确保喷洒水雾的质量。
- 控制系统:配备自动控制系统,能够根据环境温度、湿度等参数进行智能调节。
2. 施工要求:- 施工时间:根据气象条件选择适当的施工时间,避免高温时段施工,确保施工效果。
- 施工区域:根据环境需求选择施工区域,重点关注人流密集区域和绿化覆盖较少的区域。
- 施工方式:喷洒水雾的角度、范围和强度需根据实际情况进行调整,确保喷洒效果均匀。
三、施工流程1. 前期准备:- 确定施工区域:根据环境需求和施工计划,确定散水施工的区域范围。
- 准备设备和材料:检查散水设备和水源,确保设备正常运行并准备足够的水源。
- 安全措施:制定安全操作规程,确保施工人员的人身安全。
2. 施工操作:- 设备设置:根据施工区域的大小和形状,设置喷洒器具的数量和位置,确保覆盖范围均匀。
- 调试设备:启动散水设备,调试喷洒角度、范围和强度,确保喷洒效果满足要求。
- 施工监控:安排专人监控施工现场,及时调整喷洒设备,确保施工效果稳定。
3. 施工结束:- 设备清理:施工结束后,对喷洒设备进行清洗和维护,确保设备的正常使用寿命。
- 施工区域清理:清理施工区域的杂物和积水,保持环境整洁。
四、安全注意事项1. 人身安全:施工人员需佩戴合适的防护装备,如安全帽、防护眼镜、防护口罩等,确保人身安全。
2. 电气安全:散水设备的电源路线需符合安全标准,设备运行时应注意防止电气事故的发生。
3. 水源安全:使用符合水质标准的水源,定期检测水质,确保喷洒水雾的质量。
4. 环境保护:施工过程中避免水源污染和噪音扰民,注意节约用水,保护周边环境。
散水施工工程技术交底一、施工概述散水施工工程是指在建筑工地或农田等地进行的喷洒水雾以降低空气中灰尘浓度的工作。
本次施工工程旨在解决工地扬尘问题,提高施工环境的安全性和舒适度。
本文将对散水施工工程的技术要求、施工流程和安全注意事项进行详细说明。
二、技术要求1. 施工设备要求:(1)喷洒设备:使用高压喷洒设备,确保喷洒范围和喷洒效果均匀;(2)水源设备:保证水源充足,水质清洁,无杂质;(3)控制设备:配置合适的控制装置,能够根据施工需要调整喷洒的时间、范围和强度。
2. 施工人员要求:(1)施工人员必须经过专业培训,熟悉散水施工工程的操作规程和安全注意事项;(2)施工人员应具备一定的身体素质,能够适应室外高温和潮湿的工作环境;(3)施工人员应佩戴符合要求的个人防护装备,包括防护眼镜、口罩、安全帽等。
三、施工流程1. 施工前准备:(1)检查喷洒设备的工作状态,确保设备正常运行;(2)检查水源设备,保证水源充足,并清理水源中的杂质;(3)组织施工人员进行安全交底,明确施工流程和注意事项。
2. 施工操作:(1)根据施工现场的实际情况,确定喷洒的范围和强度;(2)启动喷洒设备,调整喷洒角度和喷洒时间,确保喷洒均匀;(3)施工人员应分散布置,避免过度集中,以达到全面覆盖的效果;(4)根据施工进度和需要,及时调整喷洒设备的位置和喷洒范围。
3. 施工结束:(1)关闭喷洒设备,清理设备和水源,确保设备干净、整洁;(2)整理施工现场,清理垃圾和杂物,确保施工环境整洁;(3)对施工过程进行总结和评估,及时发现问题并予以解决。
四、安全注意事项1. 施工人员应严格遵守安全操作规程,确保施工过程中的人身安全;2. 使用高压喷洒设备时,应注意防止喷洒设备的压力过高,以免造成伤害;3. 施工现场应设置明显的安全警示标志,提醒周围人员注意安全;4. 施工人员应定期进行身体健康检查,确保身体状况适宜从事散水施工工作;5. 在施工过程中,如遇雷雨等恶劣天气,应暂停施工并撤离现场,确保施工人员的安全。
散水施工工程技术交底一、施工概述散水施工工程是指在建造物或者公共场所进行喷洒水雾以降低环境温度、增加湿度或者控制尘埃等目的的工程。
本次施工任务是在某公园的花坛区域进行散水施工,以保持花坛植物的良好生长环境。
本文将详细介绍散水施工的技术要点、施工流程以及注意事项。
二、技术要点1. 设备准备:准备好散水设备,包括喷头、水管、水泵等。
确保设备无损坏,水泵工作正常。
2. 喷头选择:根据花坛区域的大小和形状选择合适的喷头,确保水雾能够均匀覆盖整个区域。
3. 喷头安装:将喷头连接到水管上,并确保连接处密封良好,防止漏水。
4. 喷头调整:根据花坛的具体情况,调整喷头的喷洒角度和喷洒范围,使水雾能够覆盖到每一个植物。
5. 水源准备:确保有足够的水源供应,保证施工过程中不会中断。
6. 施工时间:选择适当的施工时间,避免高温、强风等不利气候条件。
7. 施工频率:根据花坛植物的需求,合理安排散水的频率和时长。
三、施工流程1. 施工前准备:检查施工设备是否完好,确保水泵工作正常。
清理花坛区域,移除可能影响喷洒效果的障碍物。
2. 设备安装:将喷头连接到水管上,并确保连接处密封良好。
将水管连接到水泵上,并确保水泵工作正常。
3. 喷头调整:根据花坛的具体情况,调整喷头的喷洒角度和喷洒范围,使水雾能够覆盖到每一个植物。
4. 开始施工:启动水泵,开始喷洒水雾。
保持喷洒的均匀性和连续性,确保每一个植物都能得到适量的水分。
5. 监测施工效果:观察花坛植物的状态,确保施工效果符合预期。
如有需要,调整喷洒角度和喷洒范围。
6. 施工结束:关闭水泵,拆卸喷头和水管,清理施工现场,确保无残留物。
四、注意事项1. 安全第一:施工人员需佩戴好安全帽、手套等防护用品,确保施工过程中的人身安全。
2. 设备维护:定期检查和维护施工设备,确保其正常工作,延长使用寿命。
3. 水源管理:合理利用水源,避免浪费。
如有需要,可以采集雨水或者利用循环水系统。
4. 环境保护:避免水雾直接喷洒到人体或者建造物上,以免造成不必要的湿润或者损坏。
散水施工工程技术交底一、任务背景散水施工工程是指在农田、公园、花坛等地方进行喷洒水源的工作,以保持土壤湿润,促进植物生长。
为了确保散水施工工程的顺利进行,需要进行工程技术交底,明确施工的方法、要求和注意事项。
二、施工方法1. 施工前的准备工作a. 确定施工区域:根据实际需求,确定需要进行散水施工的区域。
b. 准备水源:确保有足够的水源供应,可以通过水泵、水井等方式获取水源。
c. 检查设备:检查喷洒设备、水泵等设备的工作状态,确保正常运转。
2. 施工过程a. 布置喷洒设备:根据施工区域的大小和形状,合理布置喷洒设备,确保覆盖面积均匀。
b. 调整喷洒角度:根据实际情况,调整喷洒设备的角度,使水流能够覆盖到需要施工的区域。
c. 控制喷洒量:根据植物的需求和土壤湿度,控制喷洒设备的水量,避免过度浇水或者不足。
3. 施工注意事项a. 安全第一:施工人员要注意自身安全,佩戴好防护装备,避免发生事故。
b. 避免喷洒到人员或者设备:喷洒水流时要注意方向,避免喷洒到施工人员或者设备上,造成损坏或者伤害。
c. 定期维护设备:定期检查和维护喷洒设备,确保其正常工作。
三、施工要求1. 施工时间:根据植物的需求温和候条件,选择适当的时间进行施工,避免在高温或者寒冷时段进行施工。
2. 施工频率:根据植物的需求和土壤湿度,确定合理的喷洒频率,保证植物的生长需要。
3. 施工量控制:根据植物的需求和土壤湿度,控制喷洒的水量,避免过度浇水或者不足。
四、施工效果评估1. 植物生长情况:定期观察和评估施工后植物的生长情况,包括叶片的颜色、株高等指标,以判断施工效果。
2. 土壤湿度检测:通过土壤湿度检测仪器,测量施工后土壤的湿度,判断喷洒的水量是否合适。
3. 用户反馈:与施工区域的用户进行沟通,了解他们对施工效果的评价和意见,以改进工作。
五、施工记录和报告1. 施工记录:详细记录每次施工的时间、施工量、施工人员等信息,以备后续参考。
2. 施工报告:定期编写施工报告,总结施工情况和效果,提出改进意见和建议。
散水施工方案顺德路南延异地安置项目(冯家庄工程)1#、3#、5#楼住户反映地面墙面潮湿,经实地察看为当时由于种种原因,室外散水坡未做防水,雨水及绿化用水冲击墙根,使原回填土形成空洞,潮气上反所致,为根除这一现象,建议补做散水。
1#、3#、5#楼施工现场实际情况及安排:楼房均已交工半年。
怀疑防水未做好,决定重做防水工程。
具体施工工艺如下:一、地面破碎及拆除地面用人工及机器破碎,垃圾清理倒运用市政垃圾车外运。
地面灰土开挖至路面,挖出土方用作回填做三七灰土备用。
二、室外SBS防水施工1、工艺流程基层检查、清扫、修补→刷冷底油→细部附加层处理→大面积防水卷材铺贴→收头处理→第一层清理、检查、整改、验收→第二层防水层施工验收→水泥砂浆保护层。
2、基层处理1)卷材防水层的基层必须无空鼓、起砂、裂缝、松动、凹凸不平等缺陷,表面平整光滑、干净。
2)铺贴卷材前,在基面上涂刷基层处理剂(冷底子油),基层处理剂配制与施工应符合下列规定:①基层处理剂应与卷材及胶粘剂的材性相容;基层处理剂采取涂刷法施工,涂刷应均匀一致、不露底,基层处理剂涂刷完毕,达到干燥程度方可用热熔法施工,以避免失火。
3、细部附加层加强处理1)对于阴阳角,管道根部以及变形缝等部位应做增强处理。
并在转角、阴阳角等特殊部位,增贴一层相同的附加层,附加层宽度为500mm。
先按细部形状将卷材剪好,视长度、开头合适后,再将卷材的底面用手持汽油喷灯烘烤,待底面呈熔融状态,即可立即粘贴,在涂刷一道底油的基层上,压实铺牢。
2)墙壁施工缝部位:附加宽度600加强层,加强层与基层,非加强层采取满粘法连接。
3)预留孔、洞部位:卷材铺至孔、洞边20mm,收头聚氨酯密封。
(临时用卷材封堵,后期进行密封)。
4、防水层施工底板、侧壁防水施工工序采用外防外贴法,防水施工前,应先进行清理,修补找平,做好阴阳角及管根圆弧处理,并做好阴阳角及管根部附加层处理。
按规定错槎搭接向上铺贴,并做好收头处理。
一、工程概况本工程位于某住宅小区,占地面积约为20000平方米,建筑高度约为18米。
由于该地区降雨量大,为了防止建筑基础渗漏和地下水位上升对建筑结构造成损害,特进行散水工程施工。
二、施工目的1. 防止地表水渗透到建筑物基础,保护建筑结构。
2. 降低地下水位,减少地下水对建筑基础的侵蚀。
3. 保持建筑物的干燥,提高居住舒适度。
三、施工原则1. 符合设计要求,确保工程质量。
2. 安全施工,防止安全事故发生。
3. 环保施工,减少对环境的影响。
四、施工材料及设备1. 施工材料:混凝土、水泥、砂、石子、防水材料等。
2. 施工设备:搅拌机、泵车、切割机、平板振动器、水平尺、钢卷尺等。
五、施工工艺1. 施工准备(1)施工场地平整,清除杂草、杂物,确保施工面干净整洁。
(2)施工材料、设备到位,并进行检查。
(3)施工人员到位,进行技术交底。
2. 施工步骤(1)放样:根据设计图纸,放出散水坡位置和尺寸。
(2)挖槽:按照放样尺寸,开挖散水槽,槽底宽度应大于设计宽度,深度应符合要求。
(3)垫层铺设:在槽底铺设一层厚度为100mm的砂垫层,用平板振动器压实。
(4)防水层施工:在砂垫层上铺设防水材料,确保无空隙,防水材料与散水槽壁粘结牢固。
(5)混凝土浇筑:在防水层上浇筑混凝土,厚度应符合设计要求,采用泵车进行浇筑,混凝土表面用切割机切割成条状,以利于散热。
(6)养护:混凝土浇筑完成后,进行养护,保持湿润,养护时间不少于7天。
(7)收尾工作:清理施工现场,确保无杂物,对散水坡进行修整,达到设计要求。
六、质量控制措施1. 施工前,对施工人员进行技术交底,确保施工人员掌握施工工艺和质量要求。
2. 施工过程中,严格控制材料质量,确保材料符合设计要求。
3. 施工过程中,加强过程控制,及时发现并解决质量问题。
4. 施工完成后,进行自检、互检和专检,确保工程质量。
七、安全措施1. 施工现场设置安全警示标志,提醒施工人员注意安全。
2. 施工人员必须佩戴安全帽、安全带等防护用品。
散水施工方案范文一、背景介绍:散水施工是指通过喷洒机械将水雾喷洒在施工现场,以降低施工过程中的温度、减少漏损,并改善空气质量等目的。
散水施工广泛应用于建筑工地、道路施工、环保工程等领域。
二、施工前准备:1.组织人员:由专业的施工人员负责散水施工,保证能够按照要求进行施工操作。
2.准备设备:确保喷水机械、喷嘴等设备完好可用,并进行必要的保养、维修。
3.安全措施:施工前需要对施工现场进行安全评估,设置相应的警示标志和围挡,并保证工人的安全防护。
三、施工步骤:1.确定散水时间:根据气温、湿度等因素,选择最合适的散水时间,一般在施工前、中午和下午等气温高的时候进行散水,以达到良好的降温效果。
2.设置喷洒模式:根据施工现场的情况,选择适合的喷洒模式,包括均匀喷洒、喷雾喷洒、局部喷洒等。
根据项目需要,可以设置多个喷洒区域。
3.控制喷洒范围:根据施工需要和效果要求,合理控制喷洒范围,有效避免水雾影响施工进程。
4.控制喷洒量和强度:根据施工现场的实际情况和环境需要,合理调整喷洒量和强度,以达到降温、湿润的效果,同时避免造成污水外流和漏损。
5.维护设备:施工过程中,需注意对喷洒设备进行检查和保养,及时清洁喷嘴,避免喷洒堵塞和故障。
四、注意事项:1.水源保障:确保散水施工期间有足够的水源供应,以免影响施工进程。
2.水质控制:选择适宜的水源,并对水质进行处理,避免因水质不佳而对施工造成不良影响。
3.环境保护:避免水雾溅洒到附近的道路、房屋或行人上,减少漏损,并避免对周围环境造成污染。
4.施工期间的交通管控:在施工过程中,注意对施工区域进行交通管控,确保施工过程的顺利进行,并确保施工人员和周围人员的安全。
5.高温天气下的注意事项:在高温天气下,施工人员需加强防暑措施,及时补充水分并保护皮肤,以防止中暑等危险。
五、施工效果评估:1.温度变化:施工后,对施工现场的温度进行监测,记录温度变化情况,以评估施工效果。
2.空气质量改善:监测施工前后的空气质量指标,如PM2.5、PM10等颗粒物浓度,评估施工效果。
散水施工工程技术交底一、工程概述散水施工工程是指在建造物或者园林景观中进行喷洒水雾或者水流的工作,以达到降温、增湿、美化环境等目的。
本次施工工程的目标是在某园林景观中进行散水施工,提供舒适的环境氛围。
二、施工前准备1. 确定施工区域:根据设计方案和需求,确定施工区域的范围和位置。
2. 确定施工时间:根据气候条件和使用场所的要求,确定施工的时间段。
3. 准备施工材料和设备:包括喷头、喷雾系统、水泵、水源等设备,确保设备完好并符合安全要求。
4. 检查施工现场:检查施工区域的地面情况,确保没有明显的障碍物和安全隐患。
三、施工流程1. 安装喷头和喷雾系统:根据设计方案,将喷头和喷雾系统安装在预定位置上,并确保喷头的角度和喷雾范围符合要求。
2. 连接水源和水泵:将水源与水泵连接,确保水源供应充足,并确保水泵正常运行。
3. 调试喷头和喷雾系统:启动水泵,调试喷头和喷雾系统的喷洒效果,确保喷雾均匀、范围合适。
4. 安装控制系统:根据设计方案,安装控制系统,包括计时器、开关等,以便控制喷雾的时间和频率。
5. 进行试运行:在施工前进行试运行,检查设备和系统的运行情况,确保一切正常。
6. 施工操作:按照设计方案和要求,进行散水施工操作,确保喷雾均匀、范围适宜。
7. 监测施工效果:在施工过程中,及时监测施工效果,根据需要进行调整和改进。
四、施工安全措施1. 安全帽和防护服:施工人员必须佩戴安全帽和防护服,确保施工过程中的人身安全。
2. 防滑措施:对施工区域的地面进行防滑处理,确保施工人员的安全。
3. 隔离施工区域:在施工区域周围设置隔离带或者警示牌,防止他人误入施工区域。
4. 安全教育和培训:施工前对施工人员进行安全教育和培训,提高安全意识。
五、施工质量要求1. 喷雾均匀:喷头和喷雾系统应保证喷雾均匀,避免浮现漏喷或者喷洒不均的情况。
2. 水雾范围合适:根据设计要求,控制喷雾的范围,避免喷雾过大或者过小。
3. 水源供应充足:确保水源供应充足,避免喷雾过程中浮现水压不稳或者水源不足的情况。
建筑室外散⽔的施⼯要求.doc
建筑室外散⽔的施⼯要求
建筑物的散⽔⼀般都设在建筑物外⽴⾯⾃然地坪处,它的主要功能是组织⾬⽔有效地远离建筑物的基础,起到保护基础的作⽤。
当前⼤多数散⽔使⽤混凝⼟浇筑⽽成。
下⾯是下⾯带来的关于建筑室外散⽔的施⼯要求的主要内容介绍以供参考。
(1)⽆论是什么类型的建筑物,散⽔下的回填⼟正是基础肥槽的位置,因此,回填⼟必须从基础的底部按要求分步逐层夯实。
否则会产⽣不均匀沉降,造成散⽔断裂或塌陷。
(2)为了不影响建筑物⾃由沉降,散⽔与建筑物连接处应断开,并留设沉降缝,缝宽15~20mm,缝内填充柔性密封材料。
同理,室外台阶与建筑物连接处也应设置沉降缝。
为了防⽌散⽔过长⽽引起的收缩裂缝,以及不均匀沉降引起散⽔断裂,应将散⽔的长度分割成若⼲⼩区域,彼此之间需要留置伸缩缝。
伸缩缝的间距不应⼤于10m。
具体分割时,要注意伸缩缝间距布置均匀,在建筑物转⾓处散⽔应做成45°缝。
伸缩缝宽度同样为15~20mm,缝内应充填柔性密封材料。
散水施工工程技术交底记录一、项目概况1.1 项目名称散水施工工程(以下简称“本工程”)1.2 工程概述本工程旨在对某地区的道路、广场、公园等公共场所进行散水降温施工,提高区域热岛效应抵抗能力。
1.3 项目位置本工程位于某市XX区。
二、施工技术2.1 散水器的选择本工程采用喷雾式散水器,根据工程要求,选择雾滴粒径为50-100微米的气雾喷头,覆盖面积为10-20平方米。
同时,为了保证雾化效果,采用高压水泵,以保证出水量和出水压力。
2.2 散水器的布置散水器布置应考虑覆盖面积、空气流动、人流量等因素。
根据经验,应将喷头在距地面2.5~4米处,距离相邻散水器4-5米的位置进行布置。
2.3 气温调节散水施工不能仅仅是降温,还要保证人体舒适度,调节气温是十分重要的。
夏季一般会遇到既要降温,又要避免雨水,这时可通过设置定时器实现持续散水,每次持续时间为20-30分钟,间歇时间为1小时。
2.4 安全措施施工过程中,为了保障工人的安全,应该做好以下安全措施:1.施工期间采取严格整改措施,禁止火花、火种等;2.在施工现场配备必要的防护设施;3.保证散水器与电源之间采用防水措施;4.确保电气线路设置有漏电保护器和熔断保护器。
三、施工质量及要求3.1 施工质量为了保证本工程施工质量,应严格按照工程图纸和技术要求进行施工,并保证散水器喷头的方向及高度一致。
3.2 施工要求1.每处散水器的布置应均匀、合理;2.喷头间距应相等,喷头高度应一致;3.散水器施工完毕后应对施工区域进行清理;4.工程施工完毕后进行安全检查和技术验收,并填写验收报告。
以上为散水施工工程技术交底记录,本次施工需要各司其职、相互配合,在保证安全的前提下按照施工要求进行施工,保证本工程的高质量完工。
散水施工分项工程质量技术交底卡
GD2301003
专业技术负责人:交底人:接受人:施工现场安全注意事项交底1、施工人员都必须戴好安全帽,并扣好帽带,并挂号胸卡。
2、施工人员必须经三级安全教育合格,并签订安全责任契约后方可上岗操作,未经三级安全教育者不得上岗作业。
3、遵守安全操作规程和六大纪律,工地规章制度和各项规章制度,施工现场禁止穿拖鞋、高跟鞋、赤脚和易滑带钉的鞋和赤膊
操作、酒后等违章冒险作业。
杜绝违章指挥和违章操作。
4、作业前要先熟悉作业环境,每天上班必须对职工进行班前安全技术交底和应注意事项,并应做好班组台账。
5、施工人员不得私自拆除脚手架,防护设施、安全标志、警告牌等安全设施,确需拆除或移位,须经工地负责人同意后,有可靠拆
除措施,方可拆除或移位,并在下班前或作业完工后复原。
6、上班时,衣着要整洁,工作思想要集中,坚守工作岗位,不准开玩笑、做私活,不得在施工现场吸游烟和随地大小便。
7、遇六级及以上大风或大雨,应停止室外工作,并检查堆放材料是否稳定,不稳固时必须及时加固或移位,盖好机械设备。
8、夜间作业需有充足的照明,严禁乱扔乱丢材料、工具、垃圾废料和高空抛物,以防东西跌落伤人。
9、不懂电器和机械人员,严禁使用和玩弄机电设备,不准坐在脚手架防护栏杆上休息、睡觉。
10、若职工在作业时,碰到与本工种或非本工种人员(如因材料、场地、塔吊机械、施工用电、施工用水等)发生矛盾时,应及
时上报班组长或管理人员解决,严禁采用暴力解决,而发生打架、斗殴事件。
11、做到三不伤害(自己不伤害自己、不伤害别人、不被别人伤害)。
12、在外加架上或高空作业必须系好安全带(安全帽要高挂低处)。
13、施工人员在作业前要检查作业环境,发现有不安全因素(如有未经覆盖的洞口和有未围护的临边,或为经安全措施的立体作
业等),严禁作业。
班组长安排职工工作时,必须对职工交代薪水环境安全情况,对职工进行班前安全交底及作业现场的应注意事项交底。
14、施工人员在外架作业时,检查外架脚手片是否有铁丝绑扎,有破损或老化,脚手片上有杂物等不安全因素的,必须先更换脚手片(铁丝绑扎)清理杂物后方可作业,外架必须有按规范要求的封层措施。
15、各工种在施工中,必须紧密配合,贴别是立体交叉作业,若有班组在洞口作业时,要注意上下有无其他班组人员或本班组人员在作业,若有人作业,必须有可靠地安全措施方可作业,否则必须停止作业。
16、施工临时用电严禁乱拉乱接,乱接使用无插座的钨丝灯、电器设备和老花及单股线。
使用强检查漏保器等失灵可靠方可操作,电线不得拖地、碾压、破皮、老化等,接头牢固,绝缘符合规范要求。
17、及时清理建筑垃圾、材料、钢筋登、木登支教等零星材料不得堆积在通道上,包括临时通道,以确保道路畅通。
18、各职工在上班作业前,要检查周围的作业环境,确保无隐患后方可上岗作业。
若有多人一起作业要联络明确,班组长要多长巡查(若单人作业要增加巡逻频率)。
19、乘电梯上下时,要听从电梯司机指挥,不得在电梯运行时,开启电梯门,严禁将人或物伸出电梯轿厢外面,人或物严禁靠在电梯门边。
需要用电梯而发信号时,人或物必须站在出料台门李侧,严禁人或物伸出电梯运行范围内。
在电梯每到或没停稳时,不得开启出料台上的门和电梯门。
20、严格施工现场用火(包括明火、烧电焊、使用氧气乙炔等),确需用火必须经动火审批方可作业。
严禁拆除和玩弄消防器材,使用电力部门明令禁止的电器设备。
交底人签字:被交底人签字:
年月日
知识改变命运。