附墙加长架计算
- 格式:doc
- 大小:1.11 MB
- 文档页数:5
外墙脚手架计算公式
1.确定脚手架的高度和长度:首先,我们需要确定修建工作的高度,以及建筑物外墙的长度。
这将决定脚手架的尺寸和大小。
2.计算主架的数量:脚手架的主架是指立杆和横杆组成的框架结构。
主架的数量取决于建筑物外墙的长度和脚手架的尺寸。
主架数量=外墙长度/脚手架尺寸
3.计算横杆和纵杆的数量:横杆和纵杆是主架的组成部分。
横杆位于主架的横向,纵杆位于主架的纵向。
横杆数量=外墙长度/横杆间距
纵杆数量=脚手架高度/纵杆间距
4.计算立杆数量:立杆是主架的支撑柱,用于支撑整个脚手架结构。
立杆数量=脚手架高度/立杆间距
5.计算脚手板的数量:脚手板是横躺在主架上面的板条,用于工作和行走。
脚手板数量=横杆数量*主架数量
6.计算安全网和扶手的数量:为了保证工人的安全,安全网和扶手是必需的。
安全网用于防止物体从脚手架上掉落,扶手用于工人的抓握和支撑。
安全网数量=主架数量
扶手数量=纵杆数量
7.计算连接件的数量:连接件用于连接不同部分的脚手架结构。
连接件数量=主架数量*4(每个主架四个连接件)。
基础设置方案
方案1
混凝土基础设在地面上
优点:不需要排水
缺点:门槛较高
方案2
混凝土基础与地面相平
优点:排水较为简单
缺点:有门槛,但只需用木板
搭一简单通道
方案3
混凝土基础低于地面
优点:地面与吊笼间没有门槛
缺点:非常容易积水,必须采
取严格的排水措施,以免腐蚀基础
注:门槛高度根据电缆装置的不同而不同具体尺寸由GJJ提供
附墙架
附墙架作用于建筑物上的力F的计算:
附墙架与墙的连接:
[例1]与墙的预埋件相连
[例2]用穿墙螺栓固定
[例3]预埋螺栓
[例4]与钢筋结构焊
接
注意:根据需要请用户选择附墙架的连接方式,并自备连接螺栓及零件,其强度
必须能够承受按上述公式计算的力。
塔式起重机附墙、顶升、加节方案分包单位:项目技术负责人:项目经理:公司安全管理部:公司技术中心:审核:xxxxxxxxx有限公司xxxx年xx月目录1编制依据 (2)2工程及设备概况 (2)3施工计划 (7)4施工工艺技术 (8)5施工安全保障措施 (20)1编制依据1《中华人民共和国安全生产法》2《建设工程安全生产管理条例》3住房和城乡建设部《危险性较大的分部分项工程安全管理办法》(建质[2009]87号)。
4《建筑起重机械安全监督管理规定》(建设部令第166号)5中华人民共和国国家标准《塔式起重机安全规程》GB 5144—20066中华人民共和国国家标准《塔式起重机》GB/T 5031—20087中华人民共和国行业标准《建筑施工安全检查标准》JGJ 59—20118中华人民共和国行业标准《建筑施工高处作业安全技术规范》JGJ 80—919中华人民共和国行业标准《施工现场临时用电安全技术规范》JGJ 46—200510中华人民共和国行业标准《建筑机械使用安全技术规程》JGJ 33—201211中华人民共和国行业标准《施工现场机械设备检查技术规程》JGJ 160—2008 12中华人民共和国行业标准《建筑施工塔式起重机安装、使用、拆卸安全技术规程》(JGJ196-2010)13《建筑安装工人安全技术操作规程》(80建工劳字第24号)14《TC5610塔式起重机使用说明书》15XXXXXX图纸、施工组织设计和基础施工方案2工程及设备概况2.1建设概况工程名称:建设地点:工程造价:建设单位:设计单位:勘察单位:监理单位:施工单位:质监单位:安监单位:安全文明施工要求:工期:开工日期:xxxxxx计划开工日期,具体以甲方要求为准)合同承包范围为:工程质量目标:合格。
本工程采用钻孔灌注桩,带承台的筏板基础,基坑深度为5.00m,拟建场地表层为素填土(局部为淤泥),下部为新近沉积的粉土夹粉质粘土、淤泥质粉质粘土。
施工升降机附墙架的计算施工升降机附墙架的计算一、附墙架概况:附墙架由紧固梁、矩形架、梯形架、AB管组成,附墙距离为:4.2m,附墙点间距为:1.413m,各组件用材为:紧固梁:6.3槽钢板,材质:Q235矩形架: □50×50×4,材质:Q235梯形架:□60×60×4,材质:Q235A、B管:φ75.5×3.75,材质:Q235或20#二、危险截面几何特性由有限元计算可知,φ75.5×3.75 A、B管系本附墙架的危险截面。
对φ75.5×3.75 A、B管:I=π(D4-d4)/64=π(75.54-684)/64=54.51cm4A0=π(D2-d2)/4=π(75.52-682)/4=8.45 cm2二、强度计算:由有限元计算可知:对A、B管最大轴向压力为:N max=5512kg(高度为100米时,最大受力处为最高附着点,风载按照250N/m2):所以:σmax= N max/ A0=5512/8.45=652.3kg/cm2<1700 kg/cm2三、稳定性计算:对受最大轴向压力为:N max=5512kgA、B管而言:该管的有效长度为:L0=μL=260cm惯性半径为:r=(I/A0)0.5=2.54cm所以:λ=260/2.54=102.4查表可得:θ=0.588所以:σ稳定= N max/(θ×A0)=5512/(0.588×8.45)=1109.4.9 kg/cm2<1700 kg/cm2所以以上结构在附墙4.2米的情况下是安全的。
2013年1月28日。
附墙架计算书:
附墙架用于连接导轨架与建筑物,以保证导轨架的稳定性。
有多种型号的附墙架,根据需要选择其中任一型,附墙架可在一定范围内调整导轨架的垂直度。
导轨架的顶部和底部分别装有限位碰铁,与吊笼上的电气限位开关相碰时,吊笼自动停止运行。
沿导轨架高度,一般每隔6m安装一个附墙架。
1、施工升降机SC200/200第五章附墙架1---附墙架作用于建筑物上的力F的计算。
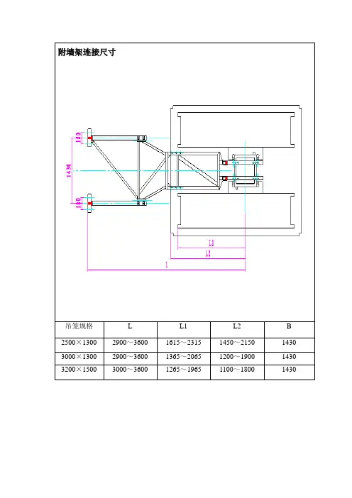
附墙架型号L B
Ⅲ2760~3500 1430
计算:
2、施工升降机SC200/200附墙梁的参数:
梁高370,宽度240,长度2米。
配筋上下两层各配2Φ12钢筋;
3、电动构件最大挠度L0/600=2000/600=3.33mm
C30砼轴心抗拉强度ftk=2.01N/mm2.
弹性模量E=3.0*10^4 N/mm2
4、轴心最大挠度:Ymax = 8pl^3/(384EI)
=8*63400*2000^3/384*3.0*10^4*426.24*10^6
=0.826mm<3.33mm
其中Iy=hb^3/12=370*240^3/12=426.24*10^6(mm3)
小于规范要求,符合.
附件:SC200/200施工升降机主要技术参数。
附墙加长架计算范文
1.测量墙面长度:首先需要测量需要安装附墙加长架的墙面的长度。
使用一个尺子或测量工具来测量墙面的水平距离。
确保您测量的是实际墙面的长度,准确测量可以保证所需附墙加长架的长度足够。
2.计算所需附墙加长架的长度:根据测量的墙面长度来计算所需附墙加长架的长度。
通常,附墙加长架的长度会比实际墙面长度多出一部分用于预留余量。
根据预留余量的比例来计算所需附墙加长架的实际长度。
3.确定每块附墙加长架的长度:根据计算出的所需附墙加长架的总长度,确定每块附墙加长架的长度。
一般情况下,附墙加长架的长度是固定的,可以根据需要进行切割。
4.计算所需附墙加长架的数量:根据每块附墙加长架的长度和计算出的所需附墙加长架的总长度,计算所需附墙加长架的数量。
将总长度除以每块附墙加长架的长度,得到所需附墙加长架的数量。
5.计算附墙加长架的成本:根据所需附墙加长架的数量,计算附墙加长架的成本。
将每块附墙加长架的价格乘以所需附墙加长架的数量,得到附墙加长架的总成本。
总结:
通过以上的计算方法,可以得到附墙加长架的长度、数量和成本。
这些计算是进行附墙加长架施工所必需的,可以为施工提供准确的数据,并保证施工质量和效果。
在进行计算时,需要注意选择合适的附墙加长架材料和工具,以及根据实际需求进行计算。
注:本回答共计507字。
施工升降机附墙架的计算
一、附墙架概况:
附墙架由紧固梁、矩形架、梯形架、AB管组成,附墙距离为:,附墙点间距为:,各组件用材为:
紧固梁:槽钢板,材质:Q235
矩形架: □50×50×4,材质:Q235
梯形架:□60×60×4,材质:Q235
A、B管:φ×,材质:Q235或20#
二、危险截面几何特性
由有限元计算可知,φ× A、B管系本附墙架的危险截面。
对φ× A、B管:I=π(D4-d4)/64
=π()/64
=
A0=π(D2-d2)/4
=π()/4
= cm2
二、强度计算:
由有限元计算可知:对A、B管最大轴向压力为:N max=5512kg(高度为100米时,最大受力处为最高附着点,风载按照250N/m2):
所以:σmax= N max/ A0
=5512/
=cm2<1700 kg/cm2
三、稳定性计算:
对受最大轴向压力为:N max=5512kgA、B管而言:
该管的有效长度为:L0=μL=260cm
惯性半径为:r=(I/A0)=
所以:λ=260/=
查表可得:θ=
所以:σ稳定= N max/(θ×A0)
=5512/(×)
= kg/cm2<1700 kg/cm2
所以以上结构在附墙米的情况下是安全的。
2013年1月28日。
附墙加长方案工程名称:安装单位:施工单位:编制单位:编制人:审核人:批准人:编制日期:一、主要参数附墙架类型:Ⅱ附墙架间距:3~10.5m最大悬臂高度:7.5m附墙架连接尺寸:B=1425 L=2900~3600二、材料特性弹性摸量:E=2.1×106kg/cm 2剪切摸量:G=8.1×105kg/cm 2密 度:ρ=7.8×10-3kg/cm 3泊 松 比:μ=0.26三、受力分析1、选配的标准节为650×650×1508 mm 。
选配的附墙架为Ⅱ型附墙架(最大附墙距离2900~3600 mm )。
附墙距离约7100 mm ,需要增加一个加长架(3500mm ),如下所示:2. 附墙水平受力计算:在不考虑斜支撑受力的极端情况下,受力如下:附墙距离 L =3600+3500=7100 mm安装臂间距 B =2500 mm附墙架作用于建筑物上的力F =05.2B 60L ⨯⨯ =05.22500607100⨯⨯=83.12 kN3. 强度校核:考虑在极限状态下,斜支撑不受力,则附墙架只用8根M24螺栓固定在建筑物上。
根据《起重机设计规范》GB3811-2008,普通螺栓连接的拉伸许用应力为0.8[σ]([σ]为螺栓的基本许用应力),参考《机械设计手册》中表5-1-62,8.8级螺栓的屈服点用非比例伸长应力σP0.2代替,σP0.2=640MPa 。
取工作载荷组合B ,安全系数n =1.5剪切许用应力为σp =n S σ6.0⨯=5.16406.0⨯=256MPa 螺栓的受力为 F ’=zF,螺栓数量z =8 M24螺栓的公称应力截面积 A =353 mm2单个M24螺栓所受应力σ=A F 5.1⨯=A z F 5.1⨯⨯=35341012.831.53⨯⨯⨯=88.3 MPa < σP =256 MPa 符合强度要求。
延伸架主结构件用16槽钢,材料Q235B其屈服应力σs =235 MPa ,取安全系数n =1.3许用应力[σ]=n S σ=5.1235=156 MPa 16槽钢截面面积为2515 mm2,假设以上的附墙受力全部作用在延伸架的一根结构上,则应力:σ=A F =2515103.883⨯≈35 MPa < [σ]=156, 符合强度要求 3、垂直作用力因附墙架和加长架均采用钢材焊接而成,本身有一定的自重,为避免因自重而产生对附墙架水平受力的影响,我们必须将附墙加长架自重力抵消,使附墙架保持水平受力,方法如下:将附墙加长架固定在施工脚手架上,避免加长架因自重向下倾翻。
电梯附墙加长架计算书1、编制依据电梯附墙架加长杆根据广州市京龙工程机械有限公司提供的《建设工程起重机械安装施工方案》进行设计。
《钢结构设计规范》GB50017-20032、附墙架加长杆设计二期电梯附墙加长架结构示意图见图1。
二期电梯布置图见图2,图1 二期电梯附墙加长架结构示意图3.附墙受力计算附墙架为Ⅱ型附墙架(标准附墙固定距离2900~3600 mm)。
由于现场附墙固定距离超出标准设计值,需对附墙架进行加长,最长附墙长度为6180mm,为最不利受力点,加长杆长度取最长2800mm。
Ⅱ型附墙架附着点的受力要求:F=74KN (厂家提供)。
不考虑斜支撑受力且假设Ⅱ型附墙架受力全部作用在一根加长杆上,则单根加长杆受力要求为74KN。
实腹式轴心受压构件的稳定性计算公式:N f A ϕ≤式中 f ——钢材设计抗压强度,f =235 MPa ,取安全系数n =1.34,f 取175MPa ;ϕ——轴心受压构件的稳定系数(取截面两主轴稳定系数中的较小者)。
分别就现场各种材料型号进行计算:(1)单根[16a ,查钢结构设计规范表5.1.2-1,杆件结构截面分类对x 轴为a 类,对y 轴为b 类。
截面特性:A=2190mm 2ix=62.8mmiy=18.3mm单位重:17.2Kg/m0/2800/62.845x x x l i λ===0/2800/18.3153y y y l i λ===查表ϕ=0.298稳定性计算374101131750.2982190N MPa f MPa A ϕ⨯==<=⨯ 稳定性符合要求。
(2)2[8焊接成盒子,查钢结构设计规范表5.1.2-1,杆件结构截面分类为c 类。
截面特性:A=2007.9mm 2ix=31.5mmiy=31.4mm单位重:16Kg/m0/2800/31.589x x x l i λ===0/2800/31.489y y y l i λ===查表ϕ=0.523稳定性计算3741070.51750.5232007.9N MPa f MPa A ϕ⨯==<=⨯稳定性符合要求。
施工升降机附墙架的计算一、附墙架概况:附墙架由紧固梁、矩形架、梯形架、AB管组成,附墙距离为:4.2m,附墙点间距为:1.413m,各组件用材为:紧固梁:6.3槽钢板,材质:Q235矩形架: □50×50×4,材质:Q235梯形架:□60×60×4,材质:Q235A、B管:φ75.5×3.75,材质:Q235或20#二、危险截面几何特性由有限元计算可知,φ75.5×3.75 A、B管系本附墙架的危险截面。
对φ75.5×3.75 A、B管:I=π(D4-d4)/64=π(75.54-684)/64=54.51cm4A0=π(D2-d2)/4=π(75.52-682)/4=8.45 cm2二、强度计算:由有限元计算可知:对A、B管最大轴向压力为:N max=5512kg(高度为100米时,最大受力处为最高附着点,风载按照250N/m2):所以:σmax= N max/ A0=5512/8.45=652.3kg/cm2<1700 kg/cm2三、稳定性计算:对受最大轴向压力为:N max=5512kgA、B管而言:该管的有效长度为:L0=μL=260cm惯性半径为:r=(I/A0)0.5=2.54cm所以:λ=260/2.54=102.4查表可得:θ=0.588所以:σ稳定= N max/(θ×A0)=5512/(0.588×8.45)=1109.4.9 kg/cm2<1700 kg/cm2所以以上结构在附墙4.2米的情况下是安全的。
2013年1月28日。
塔吊附墙计算方案及附墙拉杆图纸X X区安置小区工程2#塔吊Q T Z80(T C T5512)塔吊附着方案编制单位:广西建工集团建筑机械制造有限责任公司目录一、工程概况: 01、工程项目情况: 02、参建单位概况: 03、塔吊情况: 0二、编制依据: ............................ 错误!未定义书签。
三、塔吊附墙杆结构图 01、拉杆1结构图: 02、拉杆2结构图: (1)3、拉杆3结构图: (3)四、附墙杆内力计算 (5)1、支座力计算 (5)2、附墙杆内力力计算 (5)五、附墙杆强度及稳定性验算 (8)1、附墙杆1验算 (8)2、附墙杆2验算 (9)3、附墙杆3验算 (10)4、附墙杆对接焊缝强度验算 (11)5、附墙杆连接耳板焊缝强度验算 (11)六、塔吊附墙杆连接强度计算 (12)七、附着设计与施工的注意事项 (14)1一、工程概况:1、工程项目情况:XX安置小区工程总建筑面积约为378890.1㎡(其中地上建筑面积为305876㎡,地下建筑面积为73014㎡);地下1层,地上共有23个单体,16F-23F;建筑高度为52.8m-77.6m。
本工程11#、13#为民用二类建筑,其它为民用二类建筑,钢筋混凝土框剪结构。
质量标准为合格,且不少于3幢创泉州市优质工程。
本工程共使用10台塔吊,选用安装的塔吊为广西建工集团建筑机械制造有限责任公司生产出厂的QTZ80型(8部)和QTZ6015型(2部)塔吊塔式起重机。
2#塔吊QTZ80塔身中心到建筑物距离约5.22米。
2、参建单位概况:工地名称:XX安置小区工程建设单位:XX房地产开发有限公司勘查单位:XX市水电工程勘察院设计单位:XX市城市规划设计研究院监理单位:XX监理有限公司施工单位: XX集团总公司工地地址:XX交汇处3、塔吊情况:2#塔吊采用广西建工集团建筑机械制造有限公司生产的QTZ80(TCT5512)型塔吊。
装饰脚手架计算规则
装饰脚手架的计算规则如下:
- 满堂脚手架:按室内净面积计算,其高度在3.6-5.2m之间时,计算基本层,超过5.2m 时,每增加1.2m按增加一层计算,不足0.6m的不计。
- 挑脚手架:按搭设长度和层数,以延长米计算。
- 悬空脚手架:按搭设水平投影面积以平方米计算。
- 高度超过3.6m墙面装饰不能利用原砌筑脚手架时,可以计算装饰脚手架。
装饰脚手架按双排外脚手架乘以0.3计算。
在计算装饰脚手架时,需要根据实际情况选择合适的计算规则,并按照相应的公式进行计算。
如果你需要计算装饰脚手架,建议咨询专业的建筑工程师或查阅相关规范。
塔吊附墙长度
摘要:
一、塔吊附墙长度的定义和作用
二、塔吊附墙长度的计算方法
三、塔吊附墙长度的注意事项
四、结论
正文:
塔吊附墙长度是指塔吊在建筑物上附着时,从塔吊中心点到建筑物墙面的垂直距离。
这个长度对于塔吊的安全使用和建筑物的结构安全至关重要。
塔吊附墙长度的计算方法主要取决于建筑物的结构、塔吊的类型和施工要求。
一般来说,计算塔吊附墙长度的基本公式为:附墙长度= 建筑物高度- 塔吊顶部离地面高度。
在实际操作中,还需要考虑到塔吊臂的长度、建筑物的形状和尺寸等因素。
在确定塔吊附墙长度时,需要注意以下几点:
1.确保塔吊附墙长度符合相关安全规定和标准,避免因过长或过短而导致的安全事故。
2.考虑建筑物的承载能力,防止因塔吊附墙长度不当导致建筑物结构受损。
3.根据施工进度和实际情况,适时调整塔吊附墙长度,以提高施工效率。
总之,塔吊附墙长度的合理计算和调整对于确保施工安全和提高施工效率具有重要意义。
*******项目施工升降机附墙架施工方案编制人:审核人:审批人:****有限公司2017年04月20日目录一、编制依据 (1)二、工程概况 (2)三、施工升降机附墙件设置 (3)四、附墙验算 (3)五、附墙架安装的技术要求 (4)六、安全法子 (5)七、变乱应急救援预案 (6)八、附墙架大样图 (8)一、编制依据1、《施工现场机械设备安全技术规范》(JGJ33-2001);2、《建筑施工安全检查标准》(JGJ59-2021);3、《建筑机械使用安全技术规程》(JGJ33-2021);4、《施工升降机安全轨则》(GB/T10055-2007);5、《施工升降机技术条件》(GB/T10054-2005);6、《施工现场临时用电安全技术规范》(JGJ46-2021);7、《高处作业安全技术规范》(JGJ80-91);8、《建筑结构荷载规范》(GB50009-2021);9、SC200/200型施工升降机使用仿单;10、******项目;二、工程概况1、建筑概况工程名称: ******工程地点: ******施工单位: ******安装单位: ******监理单位: ******安装数量:肆台;安装高度:约 36 米;设备名称:施工升降机;设备型号: SC200/200 ;2、施工升降机概况如下表:三、施工升降机附墙件设置施工升降机附墙架是按必然间距连接导轨架与建筑物或其他固定结构,从而支撑导轨架的构件。
本工程原施工升降机导轨与结构外墙处间距最大为 3.5m,采用Ⅱ型附墙架,因其他原因导致现在的施工升降机导轨与结构外墙处间距最大为4.2米,需要对原Ⅱ型附墙架的连接杆焊接加长。
施工升降机附墙架的感化有两种,一是包管导轨架的稳定性,二是调整导轨架的垂直度。
注:连接杆加长焊接时,需用钢板在焊接处加固。
四、附墙验算附墙架采用现在加长连接杆的Ⅱ型附墙架,按照《SC型升降机使用手册》中(附墙架)所示,附墙架对墙面的感化力P计算如下: P=60L/2.05B式中B为附墙宽度,B=1.43m;L为导架中心与墙面间的垂直距离,L=4.2mP=60×4.2/(2.05×1.43)=85.962KN1、附墙连接验算附墙架与砼结构之间采用4根M24穿墙螺栓连接,采用仿单中的用穿墙螺栓固定;按照螺栓受力方式,需对M24螺栓进行抗剪连接验算及抗拉连接验算。
关于汉晨.江南丽都4#楼附墙架延长说明4#楼施工电梯附墙验算:附墙架作用于建筑物上力F的计算采用说明书中的Ⅱ型附墙架,根据《SC型升降机使用手册》(GJJ-4-02)中4(附墙架)所示,附墙架对墙面的作用力P计算如下:P=60000L/2.05B为附墙宽度。
B=1.43mL为导架中心与墙面的垂直距离,L=5.6mP=60000×5.6/(2.05×1.43) =83682N=83.682KN1.附墙连接验算附墙架与砼结构之间采用2根M24穿墙螺栓连接,连接大样见说明书,根据螺栓受力方式,需对M24螺栓进行抗剪连接验算及抗拉连接验算。
根据《钢结构设计规范》(GB50017-2003)中7.2.1-1所示,普通螺栓的承载力设计值公式:=*= 1 * * 130 *= 58.780KN 螺栓上承受的剪力:故螺栓的抗剪承载力满足要求2.抗拉连接验算根据《钢结构设计规范》(GB50017-2003)中7.2.1-1所示,普通螺栓的承载力设计值公式:=*= d - * * p———一个普通螺栓的抗拉承载力设计值;———螺栓或锚栓在螺纹处有效直径;d———螺栓直径,取为24mm;p———螺栓的螺距,取为3.0mm;———普通螺栓、锚栓及柳钉的抗拉强度设计值,取为205N/m㎡.一根M24螺栓的抗拉承载力设计值:= d - * * p = 24 - * * 3.0 = 21.1854mm=* = * 170 *一个螺栓上承受的拉力:= =故螺栓的抗拉承载力及延伸杆符合施工要求及满足稳定要求。
(三)施工要求1、在结构施工过程中,对需预埋附墙埋件的楼层,必须在砼浇筑前进行埋件预埋;2、将圆管与埋件进行焊接;3、在导轨架上安装两根方管,用螺栓紧固;4、将两根管与附墙座连接;5、用螺栓及销子将其余部分连接起来,调节好各方向的距离,并同时校正导轨的垂直度;6、紧固所有螺栓,慢慢启动升降机,确保吊笼及对重不与附墙架相碰;7、附墙架的最大水平倾角不得大于±8°,即144:1000.湖南中建建科机械有限公司。
塔吊附墙支撑计算及塔吊基础节强度验算一、概况:该工程位于浦东新区花木路东绣路路口。
由于安装位置有限,塔吊附墙距离与建筑物超过了出厂的规定设计要求(小于3米5),本附墙中心距5米8。
根据说明书给出的技术指标和参数,分别取如下数据:S=200KN(合外力)Mn=300KN·ma=1205mmb=1475mmL1=4800mmL2=4800mmL=9600mmH=5800mmE=210Gpaδp=240Mpa[δ]=157MPa只要计算出各杆所受的内力极大值,对设计撑杆进行稳定性校验即可。
一、三根支撑杆的内力极限值:1)DF杆的内力极限值P1max(S a²+b²+Mn)* (L1-a) ²+(H-b) ²P1max=2H(L-b)=45.44KN2) CF杆的内力极限值P2max[S a² (L1-2b) ²+(2aH-bL) ²+Mn(L1-2a)] (L1+a) ²+(H-b) ²P2max=2 b L (H -a)=97.3KN3)CE杆的内力极限值P3max[S(L1L+H²)+Mn L²+H²]P2max= * (H-b)²+(L2-a)²2LL²+H²*(b-H)=77.99KN二、对三根支撑杆的稳定性校核三根支撑杆都是采用ø152mm、壁厚8mm的无缝钢管制成。
D=152 mm、d=144mm、&=8mm两端为铰支。
取nw=2.0(1)DF杆稳定性:DF杆的长度:L3= 6700mmi= IAП(D²-d²)= 64П(D²-d²)4= D²+d²4=52.345(mm)L3=i=128 ( =1)由于 p= п².Eδp=92.9可知 > pPcrn=P1maxп².E пPcr1= * (D²-d²)²4=243.9KNPcrn= =5.3P1maxn=5.3> nw=2.0所以,DF杆的稳定性足够。
附墙计算书------------------------------------------作者xxxx------------------------------------------日期xxxx2、12#楼附墙架对墙面的作用力F 的计算附墙架最大附着间距L1和导轨架最大悬臂端高度1.2以及各种附墙架的L 和B 值等参数进行施工升降机设置的同时,应确定各类附墙架在建筑物上对预埋栓的作用力,以便设置一定的预埋件及螺栓(一般选用8。
8级M24高强度螺栓)。
同时对建筑物附着点的墙体或梁、柱进行受力的校核,以确保其附着的安全、可靠。
其作用力F 可按下列公式计算:B 为附墙间距,L为附墙距离 )(44.6205.2*150060*320005.2*60*公式变更参照说明书KN B L P === 3、结构梁强度验算框架梁承受附墙杆对其产生的最大荷载为(62.44KN),附墙杆;两端作用于同一根框架梁,下面对梁进行结构强度复核。
计算模型假定,计算时考虑楼面荷载作用及电梯附墙对楼面结构的作用。
楼面荷载和附着结构荷载由结构梁承担,附着水平荷载由梁传至楼板承担,因此按作用力形式,结构梁水平向按剪扭构件考虑、竖向承受结构自重产生的弯矩;楼板结构按受拉(压)构件考虑,取上述两种情况中结构梁受力最不利状态。
12#楼附墙位置梁配筋图(1)荷载计算1、自重及活载(考虑2。
5KN /㎡)产生的均布荷载q =1。
2*(2。
5*0。
2*0。
595+25*0.18*0.8)+1。
4*2.5*(0。
2+0。
8)=11。
4KN/m2、竖向力N=R=0KN3、水平力P=60。
5K N4、水平力已板为支点产生的偏心距 mm 140218050e =+= 5、水平向产生的扭矩T=P·e=60。
5*0.14=8.5KN ·m6、梁端产生的水平剪力,由板承担V=60。
5KN7、梁板自重产生的竖向剪力,由梁承担V=1/2*11。
附墙加长架
(3400mm)
计
算
书
附墙加长架计算
一、概述
SC200/200,SCD200/200型号施工升降机产品得研制过程中经过了严格得设计计算,从材料选择,力学分析等,所有参数均符合国家标准GB10054-2005,GB0055-2007以及GB3811等相关标准设计计算,吊笼、标准节、传动机构,附墙架等结构部件都有详细得设计计算,事实证明,标配得该型号产品完全能够满足施工过程中运输得使用要求,但就是,由于施工工地得现场状况各不相同,所以,各个施工现场施工升降机得安装条件也不相同,附墙架得安装距离也不相同,为满足施工需要,往往需要对附墙架进行相应过得设计改变,在此,以附墙加长为例,对加长2000mm得附墙架进行设计力学分析,设计计算,本计算书就是以标准附墙架设计计算书为基础,并对其加长部分作为补充完成得,具体如下:
二、主要参数
型号:SC200/200
标准节长度:1508mm
450米标准节立管尺寸:0 ~70m,直径φ76、1×10、0mm
70~190m,直径φ76、1×8、0mm
190~310m,直径φ76、1×6、3mm
310~450m,直径φ76、1×4、5mm
标准节立管中心距:650×650mm
标准节重量:直径φ76、1×4、5mm 150kg/节
直径φ76、1×6、3mm 170kg/节
直径φ76、1×8、0mm 190kg/节
直径φ76、1×10mm 210kg/节吊笼体积:3200×1500×2500mm
安装高度:450m
附墙架类型:Ⅱ
附墙架间距:3~10、5m
最大悬臂高度:7、5m
附墙架连接尺寸:B=1430 L=2900~3600
三、材料特性
弹性摸量:E=2、1×106kg/cm2
剪切摸量:G=8、1×105kg/cm2
密度:ρ=7、8×10-3kg/cm3
泊松比:μ=0、26
四、受力分析
1、选配得标准节为650×650×1508 mm。
选配得附墙架为Ⅱ型附墙架(最大附墙距离2900~3600 mm)。
附墙距离约7000 mm,需要增加一个加长架(3400mm),如下所示:
2、附墙水平受力计算:
在不考虑斜支撑受力得极端情况下,受力如下:
附墙距离L=3600+3400=7000 mm
安装臂间距B=2200 mm
附墙架作用于建筑物上得力F===93、12 kN
(公式参见《GAOLI使用说明书》)
3、强度校核:
考虑在极限状态下,斜支撑不受力,则附墙架只用4根M24螺栓固定在建筑物上。
根据《起重机设计规范》GB3811-2008,普通螺栓连接得拉伸许用应力为0、8[σ]([σ]为螺栓得基本许用应力),参考《机械设计手册》中表5-1-62,8、8级螺栓得屈服点用非比例伸长应力σP0
代替,σP0、2=640MPa。
、2
取工作载荷组合B,安全系数n=1、34
σp===382、1 MPa
螺栓得受力为F’=,螺栓数量z=4
M24螺栓得公称应力截面积A=353 mm2
单个M24螺栓所受应力
σ====88、37 MPa <σP=341、3 MPa
符合强度要求。
延伸架主结构件用[10a槽钢,圆管φ76×4、5,圆管φ48×4、0,材料Q235B 其屈服应力σs=235 MPa,取安全系数n=1、3
许用应力[σ]===180、8 MPa
=1274、8 mm2,A圆管φ76=1010、8 mm2,A圆管φ48=552、截面面积分别为A
槽钢10
9 mm2、
假设以上得附墙受力全部作用在延伸架得一根结构上,则应力:
σ==≈168、42 MPa <[σ]=180、8, 符合强度要求
3、垂直作用力
因附墙架与加长架均采用钢材焊接而成,本身有一定得自重,为避免因自重而产生对附墙架水平受力得影响,我们需将附墙加长架自重力抵消,使附墙架保持水平受力,方法如下:
1)加斜支撑,使加长架与建筑物成三角固定,利用斜支撑固定支撑加长架得自重力,如下图:
2)将附墙加长架固定在施工脚手架上,避免加长架因自重向下倾翻。
如下图所示
综上所述,因附墙距离超过标配附墙尺寸时,可采用我公司提供得附墙加长架连接,但必须考虑加长架得强度、刚度以及自重引起得下垂等问题,适当得时候加斜支撑或与工地脚手架相连接,保证附墙得水平度。
本计算所使用得材料仅适用于加长架≤3400mm时得附墙连接。