图纸折叠要求
- 格式:doc
- 大小:51.50 KB
- 文档页数:1
竣工图纸折叠规范 RUSER redacted on the night of December 17,2020
A0、A1、A2、A3图纸折叠方法-中国国家标准
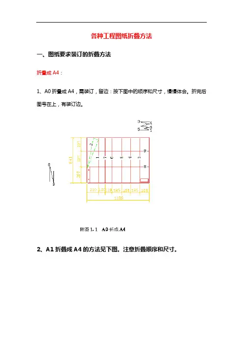
一、图纸要求装订的折叠方法
(一)折叠成A4:
1、A0折叠成A4,需装订,留边:按下图中的顺序和尺寸,慢慢体会。
折完后图号在上,有装订边。
2、A1折叠成A4的方法见下图。
注意折叠顺序和尺寸。
3、A2图纸折叠成A4尺寸的标准方法见下图:
4、A3图纸折叠成A4大小的标准成方法:
(二)折叠成A3
5、各种尺寸的图折成A3的方法与A4类似,但A3一般横向装订,尺寸有所不同:
二、不需要装订的图纸折叠方法:不需要装订的图纸折起来要简单一些,各种尺寸图纸折叠方法如下:
1、A0折叠成A4,需装订,留边:按下图中的顺序和尺寸折完后图号在上,有装订边。
2、A1折叠成A4的方法见下图。
注意折叠顺序和尺寸。
3、A2图纸折叠成A4尺寸的标准方法见下图:
4、A3图纸折叠成A4大小的标准成方法:。
A0、A1、A2、A3图纸折叠措施-中国国标
一、图纸规定装订旳折叠措施
折叠成A4:
1、A0折叠成A4,需装订,留边:按下图中旳次序和尺寸,慢慢体会。
折完后图号在上,有装订边。
2、A1折叠成A4旳措施见下图。
注意折叠次序和尺寸。
3、A2图纸折叠成A4尺寸旳原则措施见下图:
4、A3图纸折叠成A4大小旳原则成措施:
折叠成A3
5、多种尺寸旳图折成A3旳措施与A4类似,但A3一般横向装订,尺寸有所不一样:
二、不需要装订旳图纸折叠措施:不需要装订旳图纸折起来要简朴某些,多种尺寸图纸折叠措施如下:
1、A0折叠成A4,需装订,留边:按下图中旳次序和尺寸折完后图号在上,有装订边。
2、A1折叠成A4旳措施见下图。
注意折叠次序和尺寸。
3、A2图纸折叠成A4尺寸旳原则措施见下图:
4、A3图纸折叠成A4大小旳原则成措施:。
各种工程图纸折叠方法
各种工程图纸折叠方法
一、图纸要求装订的折叠方法
折叠成A4:
1、A0折叠成A4,需装订,留边:按下图中的顺序和尺寸,慢慢体会。
折完后图号在上,有装订边。
2、A1折叠成A4的方法见下图。
注意折叠顺序和尺寸。
3、A2图纸折叠成A4尺寸的标准方法见下图:
4、A3图纸折叠成A4大小的标准成方法:
二、不需要装订的图纸折叠方法:不需要装订的图纸折起来要简单一些,各种尺寸图纸折叠方法如下:
1、A0折叠成A4,需装订,留边:按下图中的顺序和尺寸折完后图号在上,有装订边。
2、A1折叠成A4的方法见下图。
注意折叠顺序和尺寸。
3、A2图纸折叠成A4尺寸的标准方法见下图:
4、A3图纸折叠成A4大小的标准成方法:
白图、蓝图,一般都要折叠成A3或A4的大小。
折叠的方法也不完全一样,一般把图纸折成A3,A4的尺寸,并把图号等折在外面看得到就行了。
对于有严格要求的来说:其实折叠图纸是有国家标准的,呵呵!不知道了吧!
一、要求装订归档的:
1、A0折叠成A4,需装订,留边:按下图中的顺序和尺寸,慢慢体会。
折完后图号在上,有装订边。
2、A1折叠成A4的方法见下图。
注意折叠顺序和尺寸。
3、A2图纸折叠成A4尺寸的标准方法见下图:
5、各种尺寸的图折成A3的方法与A4类似,但A3一般横向装订,尺寸有所不同:
二、不需要装订的图纸折叠方法:不需要装订的图纸折起来要简单一些,各种尺寸图纸折叠方法如下图:。
A0、A1、A2、A3图纸折叠方法-中国国家标准
一、图纸要求装订的折叠方法
折叠成A4:
1、A0折叠成A4,需装订,留边:按下图中的顺序和尺寸,慢慢体会。
折完后图号在上,有装订边。
2、A1折叠成A4的方法见下图。
注意折叠顺序和尺寸。
3、A2图纸折叠成A4尺寸的标准方法见下图:
4、A3图纸折叠成A4大小的标准成方法:
折叠成A3
5、各种尺寸的图折成A3的方法与A4类似,但A3一般横向装订,尺寸有所不同:
二、不需要装订的图纸折叠方法:不需要装订的图纸折起来要简单一些,各种尺寸图纸折叠方法如下:
1、A0折叠成A4,需装订,留边:按下图中的顺序和尺寸折完后图号在上,有装订边。
2、A1折叠成A4的方法见下图。
注意折叠顺序和尺寸。
3、A2图纸折叠成A4尺寸的标准方法见下图:
4、A3图纸折叠成A4大小的标准成方法:。
国家标准图纸折叠方法
国家标准图纸折叠方法是工程施工中非常重要的一环,正确的折叠方法不仅可以保护图纸的完整性,还可以提高施工效率。
下面将介绍国家标准图纸折叠方法的具体步骤和注意事项。
首先,选择合适的折叠台,确保台面平整,避免图纸在折叠过程中受到损坏。
在折叠之前,要先将图纸展开,确保图纸表面干净整洁,没有折痕和污渍。
接下来,将图纸按照国家标准的要求进行折叠。
一般来说,大型图纸是采用对折的方式进行折叠,先将图纸的两边对折,然后再将上下对折,直至折叠成符合要求的尺寸。
小型图纸可以采用多次对折的方式进行折叠,确保图纸能够被轻松地携带和存放。
在折叠过程中,要特别注意保持图纸的边缘对齐,避免出现偏差和不整齐的折叠。
同时,要轻柔地进行折叠,避免用力过猛导致图纸破裂或折痕。
另外,折叠完成后,要将图纸的折叠线用尺子压平,确保折叠线整齐清晰,避免影响后续施工的准确性。
同时,要检查图纸的折叠是否符合国家标准的要求,确保图纸能够被准确地展开和阅读。
最后,将折叠完成的图纸进行编号和记录,确保每份图纸都能够被准确地归档和管理。
在存放和携带图纸时,要注意避免图纸受到挤压和污染,保持图纸的清洁和完整性。
总之,国家标准图纸折叠方法是工程施工中必不可少的一项工作,正确的折叠方法可以保护图纸的完整性,提高施工效率。
只有严格按照国家标准的要求进行折叠,才能确保图纸在施工过程中起到准确指导和参考的作用。
希望大家在工作中能够重视图纸折叠的重要性,严格按照国家标准进行操作,确保施工的顺利进行。
各种工程图纸折叠方法
一、图纸要求装订的折叠方法
折叠成A4:
1、A0折叠成A4,需装订,留边:按下图中的顺序和尺寸,慢慢体会。
折完后图号在上,有装订边。
2、A1折叠成A4的方法见下图。
注意折叠顺序和尺寸。
3、A2图纸折叠成A4尺寸的标准方法见下图:
4、A3图纸折叠成A4大小的标准成方法:
折叠成A3
5、各种尺寸的图折成A3的方法与A4类似,但A3一般横向装订,尺寸有所不同:
二、不需要装订的图纸折叠方法:不需要装订的图纸折起来要简单一些,各种尺寸图纸折叠方法如下:
1、A0折叠成A4,需装订,留边:按下图中的顺序和尺寸折完后图号在上,有装订边。
2、A1折叠成A4的方法见下图。
注意折叠顺序和尺寸。
3、A2图纸折叠成A4尺寸的标准方法见下图:
4、A3图纸折叠成A4大小的标准成方法:
白图、蓝图,一般都要折叠成A3或A4的大小。
折叠的方法也不完全一样,一般把图纸折成A3,A4的尺寸,并把图号等折在外面看得到就行了。
对于有严格要求的来说:其实折叠图纸是有国家标准的,呵呵!不知道了吧!
一、要求装订归档的:
1、A0折叠成A4,需装订,留边:按下图中的顺序和尺寸,慢慢体会。
折完后图号在上,有装订边。
2、A1折叠成A4的方法见下图。
注意折叠顺序和尺寸。
3、A2图纸折叠成A4尺寸的标准方法见下图:
5、各种尺寸的图折成A3的方法与A4类似,但A3一般横向装订,尺寸有所不同:
二、不需要装订的图纸折叠方法:不需要装订的图纸折起来要简单一些,各种尺寸图纸折叠方法如下图:。
中华人民共和国国家标准技术制图复制图的折叠方法GB 10609.3-89Technical drawingsFolding on documents1 主题内容与适用范围本标准规定了技术图样中复制图的折叠方法。
本标准适用于手工折叠或机器折叠的复制图及有关的技术文件,当设计各种归档和管理器具以及设计折叠时,亦应参照使用。
2 引用标准GB 4457.1 机械制图图纸幅面及格式GB J1 房屋建筑工程制图基本规定3 基本要求3.1 折叠后的图纸幅面一般应有A4(210mm×297mm)或A3(297mm×420mm)的规格。
对于需装订成册又无装订边的复制图,折叠后的尺寸可以是190mm×297mm或297mm×400mm。
当粘贴上装订胶带(见附录A)后,仍应具有A4或A3的规格。
3.2 无论采用何种折叠方法,折叠后复制图上的标题栏均应露在外面。
3.3 根据需要,可从本标准中任选取一种规定的折叠方法。
4 折叠方法4.1 需装订成册的复制图4.1.1 有装订边的复制图首先沿标题栏的短边方向折叠,然后再沿标题栏的长边方向折叠,并在复制图的左上角折出三角形的藏边,最后折叠成A4或A3的规格,使标题栏露在外面,如表1和表2。
4.1.2 无装订边的复制图首先沿标题栏的短边方向折叠,然后再沿标题栏的长边方向折叠成190mm×297mm或297mm×400mm的规格,使标题栏露在外面,并粘贴上装订胶带,如表3和表4。
4.12 不装订成册的复制图不装订成册的复制图的折叠方法有以下两种。
4.2.1 第一种折叠方法首先沿标题栏的长边方向折叠,然后再沿标题栏的短边方向折叠成A4或A3的规格,使标题栏露在外面,如表5和表6。
4.2.2 第二种折叠方法首先沿标题栏的短边方向折叠,然后再沿标题栏的长边方向折叠成A4或A3的规格,使标题栏露在外面,如表7和表8。
4.3 加长幅面复制图的折叠方法根据标题栏在图纸幅面上的方位,可参照前述方法折叠。
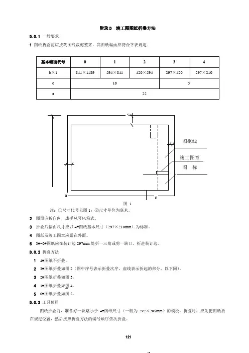
竣工图纸的叠法 一般要求一、图纸折叠前应按裁图线裁剪整齐,其图纸幅面应符合下表规定:基本幅面代号0号图纸 1号图纸 2号图纸 3号图纸 4号图纸 b ×1 841×1189594×841420×594297×420297×210c 105a25图 1注:①尺寸代号见图1;②尺寸单位为毫米。
二、 图面应折向内,成手风琴风箱式。
三、 折叠后幅面尺寸应以4#图纸基本尺寸(297×210mm )为标准。
四、 图纸及竣工图章应露在外面。
五、 3#~0#图纸应在装订边297mm 处折一三角或剪一缺口,折进装订边。
D.0.2 折叠方法 1 4#图纸不折叠。
2 3#图纸折叠如图2(图中序号表示折叠次序,虚线表示折起的部分,以下同)。
3 2#图纸折叠如图3。
4 1#图纸折叠如图4。
5 0#图纸折叠如图5。
D.0.3 工具使用图纸折叠前,准备好一块略小于4#图纸尺寸(一般为292×205mm )的模板。
折叠时,应先把图纸放在规定位置,然后按照折叠方法的编号顺序依次折叠。
bcac图框线 竣工图章 图 标3#图纸折叠示意(图 2)2#图纸折叠示意 (图 3)4202102972105()105112210420()12972105105211005945941002104201232974231512102974201231423151207292(b )23451202349272(a )5图纸正面(下同) 图纸正面(下同)图纸正面(下同)1#图纸折叠示意 (图 4)5945941858411481131322104(b )130297149185561858412971311321024130(a )148149185652134432156650#图纸折叠示意 (图 5)11891189185(b )185(a )29784121046125312011912342722724627851318551856871851858412972102722728120119123471855185678A0、A1、A2、A3图纸折叠方法-中国国家标准2009年6月16日发表评论阅读评论一、图纸要求装订的折叠方法折叠成A4:1、A0折叠成A4,需装订,留边:按下图中的顺序和尺寸,慢慢体会。
A0、A1、A2、A3图纸折叠方法---中国国家标准 (留下备用)
一、图纸要求装订的折叠方法
1、A0折叠成A4,需装订,留边:按下图中的顺序和尺寸。
折完后图号在上,有装订边。
2、A1折叠成A4的方法见下图。
注意折叠顺序和尺寸。
3、A2图纸折叠成A4尺寸的标准方法:
4、A3图纸折叠成A4大小的标准方法:
折叠成A3
5、各种尺寸的图折成A3的方法与A4类似,但A3一般横向装订,尺寸有所不同:
二、不需要装订的图纸折叠方法:
1、A0折叠成A4,按下图中的顺序和尺寸折完后标题栏在上,
2、A1折叠成A4
3、A2图纸折叠成A4
4、A3图纸折叠成A4,对折即可
5、A4图纸折叠成飞机,。
附录D 竣工图图纸折叠方法
D.0.1一般要求
1图纸折叠前应按裁图线裁剪整齐,其图纸幅面应符合下表规定:
图 1
注:①尺寸代号见图1;②尺寸单位为毫米。
2图面应折向内,成手风琴风箱式。
3折叠后幅面尺寸应以4#图纸基本尺寸(297×210mm)为标准。
4图纸及竣工图章应露在外面。
53#~0#图纸应在装订边297mm处折一三角或剪一缺口,折进装订边。
D.0.2折叠方法
1 4#图纸不折叠。
2 3#图纸折叠如图2(图中序号表示折叠次序,虚线表示折起的部分,以下同)。
3 2#图纸折叠如图3。
4 1#图纸折叠如图4。
b
5 0#图纸折叠如图5。
D.0.3工具使用
图纸折叠前,准备好一块略小于4#图纸尺寸(一般为292×205mm)的模板。
折叠时,应先把图纸放
在规定位置,然后按照折叠方法的编号顺序依次折叠。
121
1#图纸折叠示意(图4)
0#图纸折叠示意(图5)
123。
A0-A1-A2-A3图纸折叠国家标准
A0,A1,A2,A3图纸折叠国家标准1、图纸要求装订的折叠方法
1.1、折叠成A4:
1.1.1、A0折叠成A4,需装订,留边:按下图中的顺序和尺寸,慢慢体会。
折完后图号在上,有装订边。
1.1.2、A1折叠成A4的方法见下图。
注意折叠顺序和尺寸。
1.1.3、A2图纸折叠成A4尺寸的标准方法见下图:1.1.4、A3图纸折叠成A4大小的标准成方法:
2、不需要装订的图纸折叠方法:不需要装订的图纸折起来要简单一些,各种尺寸图纸折叠方法如下:
2.1、A0折叠成A4,需装订,留边:按下图中的顺序和尺寸折完后图号在上,有装订边。
2.2、A1折叠成A4的方法见下图。
注意折叠顺序和尺寸。
2.3、A2图纸折叠成A4尺寸的标准方法见下图:
2.4、A3图纸折叠成A4大小的标准成方法:。
工程图纸折叠方法
一、图纸要求装订的折叠方法
折叠成A4:
1、A0折叠成A4,需装订,留边:按下图中的顺序和尺寸,慢慢体会。
折完后图号在上,有装订边。
2、A1折叠成A4的方法见下图。
注意折叠顺序和尺寸。
3、A2图纸折叠成A4尺寸的标准方法见下图:
4、A3图纸折叠成A4大小的标准成方法:
折叠成A3
5、各种尺寸的图折成A3的方法与A4类似,但A3一般横向装订,尺寸有所不同:
二、不需要装订的图纸折叠方法:不需要装订的图纸折起来要简单一些,各种尺寸图纸折叠方法如下:
1、A0折叠成A4,需装订,留边:按下图中的顺序和尺寸折完后图号在上,有装订边。
2、A1折叠成A4的方法见下图。
注意折叠顺序和尺寸。
3、A2图纸折叠成A4尺寸的标准方法见下图:
4、A3图纸折叠成A4大小的标准成方法:
白图、蓝图,一般都要折叠成A3或A4的大小。
折叠的方法也不完全一样,一般把图纸折成A3,A4的尺寸,并把图号等折在外面看得到就行了。
对于有严格要求的来说:其实折叠图纸是有国家标准的,呵呵!不知道了吧!
一、要求装订归档的:
1、A0折叠成A4,需装订,留边:按下图中的顺序和尺寸,慢慢体会。
折完后图号在上,有装订边。
2、A1折叠成A4的方法见下图。
注意折叠顺序和尺寸。
3、A2图纸折叠成A4尺寸的标准方法见下图:
5、各种尺寸的图折成A3的方法与A4类似,但A3一般横向装订,尺寸有所不同:
二、不需要装订的图纸折叠方法:不需要装订的图纸折起来要简单一些,各种尺寸图纸折叠方法如下图:
11。
For personal use only in study and research; not forcommercial use各种工程图纸折叠方法一、图纸要求装订的折叠方法折叠成A4:1、A0折叠成A4,需装订,留边:按下图中的顺序和尺寸,慢慢体会。
折完后图号在上,有装订边。
2、A1折叠成A4的方法见下图。
注意折叠顺序和尺寸。
3、A2图纸折叠成A4尺寸的标准方法见下图:4、A3图纸折叠成A4大小的标准成方法:折叠成A35、各种尺寸的图折成A3的方法与A4类似,但A3一般横向装订,尺寸有所不同:二、不需要装订的图纸折叠方法:不需要装订的图纸折起来要简单一些,各种尺寸图纸折叠方法如下:1、A0折叠成A4,需装订,留边:按下图中的顺序和尺寸折完后图号在上,有装订边。
2、A1折叠成A4的方法见下图。
注意折叠顺序和尺寸。
3、A2图纸折叠成A4尺寸的标准方法见下图:4、A3图纸折叠成A4大小的标准成方法:白图、蓝图,一般都要折叠成A3或A4的大小。
折叠的方法也不完全一样,一般把图纸折成A3,A4的尺寸,并把图号等折在外面看得到就行了。
对于有严格要求的来说:其实折叠图纸是有国家标准的,呵呵!不知道了吧!一、要求装订归档的:1、A0折叠成A4,需装订,留边:按下图中的顺序和尺寸,慢慢体会。
折完后图号在上,有装订边。
2、A1折叠成A4的方法见下图。
注意折叠顺序和尺寸。
3、A2图纸折叠成A4尺寸的标准方法见下图:5、各种尺寸的图折成A3的方法与A4类似,但A3一般横向装订,尺寸有所不同:二、不需要装订的图纸折叠方法:不需要装订的图纸折起来要简单一些,各种尺寸图纸折叠方法如下图:仅供个人用于学习、研究;不得用于商业用途。
For personal use only in study and research; not for commercial use.Nur für den persönlichen für Studien, Forschung, zu kommerziellen Zwecken verwendet werden.Pour l 'étude et la recherche uniquement à des fins personnelles; pas à des fins commerciales.толькодля людей, которые используются для обучения, исследований и не должны использоваться в коммерческих целях.以下无正文仅供个人用于学习、研究;不得用于商业用途。
竣工图—图纸折叠方法
1、图纸折叠前应按裁图线裁剪整齐,其图纸幅面应符合下表规定:
2、图面应折向内,成手风琴箱式
3、折叠后幅面尺寸就以4#图纸基本尺寸为标准
4、图纸及竣工图章应露在外面
5、3-0号图纸应在装订边297处折一三角或剪一缺口,拆进装订边
折叠方法
1、4号图纸不折叠
2、3号图纸折叠如图2(序号为折叠次序,虚线表示折起部分)
3、2号图纸折叠如图3
4、1号图纸折叠如图4
5、0号图纸折叠如图5
工具使用
图纸折叠前,准备好一块略小于4号图纸尺寸(292*205)的模板。
折叠时,应先把图纸放在规定位置,然后按照折叠方法的编号顺序依次折叠。
各种工程图纸折叠方法
一、图纸要求装订的折叠方法
折叠成A4:
1、A0折叠成A4,需装订,留边:按下图中的顺序和尺寸,慢慢体会。
折完后图号在上,有装订边。
2、A1折叠成A4的方法见下图。
注意折叠顺序和尺寸。
3、A2图纸折叠成A4尺寸的标准方法见下图:
4、A3图纸折叠成A4大小的标准成方法:
折叠成A3
5、各种尺寸的图折成A3的方法与A4类似,但A3一般横向装订,尺寸有所不同:
二、不需要装订的图纸折叠方法:不需要装订的图纸折起来要简单一些,各种尺寸图纸折叠方法如下:
1、A0折叠成A4,需装订,留边:按下图中的顺序和尺寸折完后图号在上,有装订边。
2、A1折叠成A4的方法见下图。
注意折叠顺序和尺寸。
3、A2图纸折叠成A4尺寸的标准方法见下图:
4、A3图纸折叠成A4大小的标准成方法:
白图、蓝图,一般都要折叠成A3或A4的大小。
折叠的方法也不完全一样,一般把图纸折成A3,A4的尺寸,并把图号等折在外面看得到就行了。
对于有严格要求的来说:其实折叠图纸是有国家标准的,呵呵!不知道了吧!
一、要求装订归档的:
1、A0折叠成A4,需装订,留边:按下图中的顺序和尺寸,慢慢体会。
折完后图号在上,有装订边。
2、A1折叠成A4的方法见下图。
注意折叠顺序和尺寸。
3、A2图纸折叠成A4尺寸的标准方法见下图:
5、各种尺寸的图折成A3的方法与A4类似,但A3一般横向装订,尺寸有所不同:
二、不需要装订的图纸折叠方法:不需要装订的图纸折起来要简单一些,各种尺寸图纸折叠方法如下图:。
A0,A1,A2,A3图纸折叠国家标准1、图纸要求装订的折叠方法
1.1、折叠成A4:
1.1.1、A0折叠成A4,需装订,留边:按下图中的顺序和尺寸,慢慢体会。
折完后图号在上,有装订边。
1.1.2、A1折叠成A4的方法见下图。
注意折叠顺序和尺寸。
1.1.3、A2图纸折叠成A4尺寸的标准方法见下图:
1.1.4、A3图纸折叠成A4大小的标准成方法:
改为 135 110 175 好点
1.2、折叠成A3
1.2.1、各种尺寸的图折成A3的方法与A4类似,但A3一般横向装订,尺寸有所不同:
2、不需要装订的图纸折叠方法:不需要装订的图纸折起来要简单一些,各种尺寸图纸折叠方法如下:
2.1、A0折叠成A4,需装订,留边:按下图中的顺序和尺寸折完后图号在上,有装订边。
2.2、A1折叠成A4的方法见下图。
注意折叠顺序和尺寸。
2.3、A2图纸折叠成A4尺寸的标准方法见下图:
2.4、A3图纸折叠成A4大小的标准成方法:
(注:专业文档是经验性极强的领域,无法思考和涵盖全面,素材和资料部分来自网络,供参考。
可复制、编制,期待你的好评与关注)。