5S划线标准和标识标准
- 格式:doc
- 大小:70.42 KB
- 文档页数:4
XX有限公司
公司区域5S画线标识规则
识别类型要划线的区域线形颜色画线要点
划线□通道线实线黄色
□画直线
□线要清楚
□减少角落
□转角避免直角
□出人口线虚线黄色
□划分出员工能出入的部
分
□门开/关线虚线黄色
□画出门边在开启过程中
经过的轨迹
□摆放原料、半成品、
成品、机器及运输车的
位置线
实线
白色(良
品);红色
(不良品)
□可用不同颜色区分摆放
的位置(除不良品用红色
线外,其他用白色线)□行走及运输的方向线
带方向箭
头的线
黄色
□能指引行走或运输的方
向(含直行和转弯等)
□警告线(消防设备区
域、严禁靠近的电器或
设备、其他需要警告的
区域)
斑马线黄黑色
□使用该线代表警告或需
要注意。
5s管理工厂划线标准5S管理工厂划线标准。
5S管理是一种源自日本的管理方法,它包括整理、整顿、清扫、清洁、素养这五个日文单词的首字母,是一种基于现场管理的方法,旨在提高工厂的效率和安全性。
在5S管理中,划线标准是非常重要的一环,它可以帮助工厂实现物品摆放的标准化,提高工作效率,减少浪费,保障员工安全。
本文将介绍5S管理工厂划线标准的相关内容,希望对大家有所帮助。
首先,划线标准是指在工厂车间内,通过划定不同区域的标线,将工作区域、通道、储存区域等划分清晰,避免混乱和交叉。
划线标准的制定需要考虑到工厂的实际情况,包括车间的布局、设备的摆放、物料的流动等因素,以确保划线标准的实施能够真正起到规范和管理的作用。
其次,划线标准应该符合5S管理的要求,即整理、整顿、清扫、清洁、素养。
在整理方面,划线标准应该有利于物品的分类和归纳,确保每种物品都有固定的存放位置。
在整顿方面,划线标准可以帮助工厂规范工作区域和通道的范围,避免杂乱无章。
在清扫和清洁方面,划线标准可以帮助工厂确定清洁的范围和频次,确保工作环境的整洁。
在素养方面,划线标准可以帮助员工养成良好的工作习惯,遵守规定的划线标准,提高工作效率。
此外,划线标准的制定需要考虑到员工的实际操作情况,避免划线过多或过少,导致员工工作受阻或混乱。
划线标准应该尽可能简洁明了,避免过多的标线造成视觉疲劳,影响工作效率。
划线标准的颜色、形状、宽窄等也需要符合相关标准,以便员工能够清晰地识别和遵守。
最后,划线标准的实施需要全员参与,包括管理人员、生产人员、维护人员等。
管理人员需要制定划线标准的具体方案,并进行培训和指导;生产人员需要严格遵守划线标准,确保工作区域的整洁和安全;维护人员需要定期检查和维护划线标准,确保其有效性和持久性。
总之,5S管理工厂划线标准是5S管理的重要组成部分,它对工厂的生产效率和员工的安全有着重要的影响。
划线标准的制定需要考虑到工厂的实际情况,符合5S管理的要求,并得到全员的参与和支持。
附件:5S标识标准A、通道标识序号用途实样标识标准要求与应用范围A-1 主通道标识1、要求:颜色黄色,长度依通道长度,宽度5cm,线型实线;2、应用范围:主通道及停車线;A-2 一般通道标识1、要求:颜色黄色,长度20~200cm以下,宽度5cm,进出口处和岔道口处加箭头,线型实线;2、应用范围:一般通道线、楼梯、进出口及岔道口;A-3 危险区域定置标识1、要求:颜色红色,线型为宽度5cm;2、应用范围:危险区、化工品、灭火器材定位处;1 of 10B、区域标识序号用途实样标识标准要求及应用范围B-1 区域标牌1、要求:规格50cm×30cm,材料为泡沫,版面:上面区域文字说明,白底蓝字,字体宋体;下方是英文对照,白字蓝底。
上下比例约为4:1放置于门左或右侧,距地面1.6m;2、应用范围:生产线、加工区;B-2 区域铭牌1、要求:规格25cm×20cm,材料为金属或铝塑,版面:上面为房间标志,蓝底白字,上方是中文,下方是英文对照,;下面是5cm的空白区域,。
上下比例约为4:1,放置于门左或右侧,距地面1.6m;2、应用范围:办公区域、卫生间、检验测试区、仓库、培训室,会议室;B-3 办公室人员铭牌1、要求:规格15cm×10cm,材料为纸质打印,版面:黑字绿底;上排文字是部门说明;中排文字为职务说明;下排文字为人员姓名,贴于办公桌屏风左上角或右上角(左面桌人员贴左上角,右面桌人员贴右上角);2、应用范围:办公室人员铭牌;名称:标准化课职务:课长姓名:赵为亮清洗刷板线Surface cleaning line2 of 10C、物品状态标识序号用途实样标识标准要求及应用范围C-1 物品存放(Ⅰ)类:1、要求:规格28cm×7.5cm黑字白底(可添加英文)外加边框且依边框裁下,标识贴于物品区正中距地面1.6m;字体宋体2、应用范围:大类物品或单个较小设备;(Ⅱ)类:1、要求:规格10cm×3cm黑字白底,外加边框且依边框裁下;字体宋体2、应用范围:小物品说明标识;C-2 货架标识1、要求:规格10cm×3cm黑字白底,外加边框且依边框裁下,标识贴于货架、文件柜或抽屉左上角;字体宋体2、应用范围:货架上、文件柜、抽屉上标识;3 of 104 of 10D 、限度标识序号 用途 实样标识标准要求及应用范围D-1限高标识1、要求:规格为空心等边倒三角形,2cm×2cm×2cm ;置于红线左上方,红线長30cm ,寬1cm ,距地面160cm ;2、应用范围:物品摆放限高标识;D-2 表头标识1、要求:根据压力要求选取压力范围,将范围之外的地方用红色纸遮盖住或用红色三角箭头标出上下限; 2、应用范围:压力表; D-3 液位标识1、要求:上下限標示用紅色线条,警示線用黃色线条,中心值用黑色线条,线条规格20cm×1cm ,字体宋体,字体大小为20;2、应用范围:液位上下限及警告提示;限高下限警示线 警示线 中心上限D、限度标识(续表1)5 of 106 of 10E 、安全标识序号 用途 实样标识标准要求及应用范围E-1安全通道标识安全通道緊急時用1、要求:A4紙大小,兩行文字(見樣),紅色,字体宋体,貼於通道門正中,距地面1.6m ;2、应用范围:安全通道标识; E-2安全警告标识(Ⅰ)类:1、要求:规格28cm×7.5cm 黑字白底,外加边框且依边框裁下,左为“警告”字样,紅色,右加说明性文字,黑色;字体宋体 2、应用范围:危险品勿动警告标识;(Ⅱ)类:1、要求:黄色塑料“人字形”支架,上方英文说明,中间是图示,下方是中文说明;2、应用范围:危险区域警告标识; E-3消防器材标识1、要求:规格30cm×10cm ,左面白底红字,字体36号,内容为提示标识;右面白底蓝字,字体36号,内容为责任人标识;字体宋体2、应用范围:现场所有消防器材;警告,危险品请勿动 消防器材 责任人 请勿乱动XXXF、运作状态标识序号用途实样标识标准要求及应用范围F-1 开关及使用说明标识1、要求:开关说明:简体2号字,红色,外加边框,开关字样贴于按扭上下,功能说明贴于开关下居中;门把手说:红底黑字,外形15x10cm,字体宋体160号,加粗,居中,紧靠并竖贴于门把手左或右下方2、应用范围:开关标识、门把手推拉说明;F-2 通风口飘带1、要求:采用尼龙绳制成,红色,长度10cm,贴于通风口中部;2、应用范围:通风状态标识;F-3 管路流向1、要求:黑色箭头,规格10cm×2cm,内依具体情况加说明性文字;2、应用范围:管路流向标识;废液出纯水进推拉7 of 10G、管理方法目视化序号用途实样标识标准要求及应用范围G-1 操作要求目视化1、要求:A4纸大小,右为操作图示,左为文字描述;2、应用范围:生产现场工艺作业流程目视化;G-2 净化室着装规定目视化1、要求:规格A4纸大小,表头是宋体字“净化室管理制度”,再下面就是对整个着装的要求,用图文的方式描述;2、应用范围:净化室着装规定;8 of 10H、公布栏(看板)序号用途实样标识标准要求及应用范围H-1 生产管理看板(Ⅰ)类:1、要求:规格为60cm×90cm大小,材料为铝制白板,内容根据实际填写;2、应用范围:物料需求、生产安排管理看板;(Ⅱ)类:1、要求:规格为90cm×120cm大小,材料为铝制白板,内容根据实际填写;2、应用范围:出货、产品需求等看板管理;9 of 10I 、限度样本序号用途实样标识标准要求及应用范围I-1 产品限度样本1、要求:A4纸大小,內容包括产品名称、缺陷实样、缺陷描述、放大图片(可选)、缺陷说明及可接受程度;2、应用范围:公司所有产品的限度样本制作标准;10 of 10。
安全规范5S管理物品定位、定位线颜色管理安全规范5S管理标准物品定位标识颜色管理目的:5S培训公司充分利用可视化管理,使物品状态达到“一目了然”,取用方便快捷,预防事故及差错发生,提高工作的效率。
对象:工厂内所有物品。
标准:1、标识牌涂刷成深蓝色,字采用白色。
2、定位框线(黄色)上标识,采用白底黑体字(打印过塑后贴牢)。
3、各区域线框的大小视摆放物品的大小或多少而定,物品摆放的位置与区域线的距离为:30mm≤距离≤400mm。
效果展示:安全规范5S管理标准物品定位标识颜色管理安全规范5S管理标准区域线、定位线的颜色管理目的:对生产现场实行颜色管理,使其规范化。
对象:生产车间、仓库内的所有场所。
标准:1、按管理要求在相应的地方刷上不同颜色的油漆。
2、划线的具体形状和要求参照《现场线条、颜色标准》。
效果展示:安全规范5S管理标准区域线、定位线的颜色管理安全规范5S管理标准通道及通道线的颜色管理目的:对生产作业区划上通道线,表明用于运送物料或行人的通道,在通道上不可停留或存放任何物品。
对象:车间、仓库内的作业通道及参观通道。
标准:1、规划通道线的颜色,黄色;通道路面有颜色要求时,用艳绿色。
2、材料:用黄色油漆、黄色胶带或磁砖。
3、通道线颜色宽度:a)主通道:10cm;b)次通道:5-7cm。
4、通道的其它要求:a)尽量避免弯角,考虑搬运物品的方式采取最短距离;b)通道的交叉处尽量使用直角;c)在通道上不可停留或存放任何物品;d)要时常保持通道地面干净,有油污时应立即清除;e)根据通道需要,可划设指向箭头,箭头颜色为黄色,并可在箭头前方辅以文字说明;f)安全出口必须通畅,不可堵塞,并且要有“安全出口”标示。
效果展示:安全规范5S管理标准通道及通道线的颜色管理。
5S管理——地面划线标准划线标准的标注要求1、通行线黄色或白色箭头,表示通道的通行方向,一般在通道的转弯处、楼梯的起点处进行标示,见下图。
2、门开闭线使用黄色虚线。
平时人需站在虚线之外,防止在过道上走的时候,被突然打开的门撞到。
参见下图。
3、区域线区域线通常用于通道和作业区两种情况。
用作通道时,应尽量少转弯,避免“∟”转角,在转弯处,最好成45℃的切角或用圆弧过渡,见下图。
4、出入口线从通道进入作业区必须从出入口线进入。
出入口线通常采用黄虚线(10cm)表示,也就是说,只能从画虚线的地方出入工作区,虚线形式见下图示例:5、虎纹线黄黑相间的斜线,表示危险地段的警示。
如通道上有突出物、横切物、危险地段等。
常用于小心触电、小心碰头、小心脚下、小心楼梯、小心台阶、小心机械移动等几种情况的标识。
两种颜色间的宽度相等,一般为100㎜,但可根据设备大小和安全标志的位置的不同,可采取不同的宽度,在较小面积上其宽度要适当和缩小,每种颜色不能少于两条,斜度与基准面成45℃。
6、斑马线放置灭火器、消防栓、配电箱的前面应画上红色斑马线,斑马线前面的通道应宽敞,不应有堵塞,线内禁放任何物品,如图所示。
7、定置线主要针对在制品放置场所、作业台、台车、周转箱等,一般采用黄色或白色,但不合格品可采用红色。
一般情况下针对具体物品的的线条使用要求:在制品(黄或白实线5㎝)作业台(黄或白实线5㎝)垃圾桶等(黄或白虚线5㎝)不合格品(红实线5㎝)标示尺寸的大小主通道线宽10㎝次通道线宽5~7㎝人行道宽度80㎝单向车道宽度W+60㎝以上(W为车的宽度)双向车道宽W×2+90㎝以上(W为车的宽度)划线标准标示的画线方法1、清洗地面首先要对画线区域的地面进行清洗,对地面上残留的污垢彻底清洗干净,否则将影响油漆的附着力。
此处,地面破损的地方要加以修补,以免影响地板油漆效果和美观。
2、工具、材料准备常用的画线工具有卷尺、直尺、尼龙绳、刷子、粉笔、美工刀等,材料为油漆。
5S目视管理标识门开关线、楼梯
5S目视管理门开关线标识
5S及目视化管理实例介绍——门开关线的标示
1. 油漆或胶带的幅度:50MM或25MM
2•打开门的标示只限于90角的范围
3•线一般为黄色(黄色地面时选绿色)
4•门的开关轨迹用虚线或圆点
做好这一项工作,虽是5S管理活动中实现企业生产现场目视管理的基础,但是也是企业安全生产工作的重点。
5S目视管理门开关线标识
5S目视管理楼梯步行标识
2. 走廊的宽度超过1.8M或楼梯的宽度超过1.5M时标示中央线
2. 中央线规格:宽为50MM的黄色胶带或油漆
3. 交叉路口用虚线表示
4•交叉路口要有方向引导标示板
5. 步行箭头规格;长200MM,宽100MM,颜色:蓝色胶带或油漆
6•行走方向箭头与箭头之间的距离为5M
6S管理培训公司认为虽此项工作是5S目视管理工作中的一项小细节,但是5S管理工作注重于实施的细节,所以此项共组开展好也是实施好5S管理工作的关键。
5S目视管理楼梯步行标识
5S目视管理楼梯标识
目视管理作为5S管理实施中的一种重要管理方式,要在企业的各个方面体现。
2•制作标示板:两色有机玻璃,单面印刷
2. 上半部:白底黑字,蓝色箭标
3. 下半部:蓝底白字,白色箭头
4. 规格:长220MM,宽200MM,宇体为黑色,字高50M
5•用硅胶贴在楼梯转弯处的前面
6. 如果楼梯转弯处有应急灯(安全灯),则附着在应急灯(安全灯)上方300MM
5S目视管理楼梯标识。
附件: 5S标识标准A、通道标识序号用途实样标识标准要求与应用范围A-1主通道标识1、要求:颜色黄色,长度依通道长度,宽度5cm,线型实线;2、应用范围:主通道及停車线;A-2一般通道标识1、要求:颜色黄色,长度20~200cm以下,宽度5cm,进出口处和岔道口处加箭头,线型实线;2、应用范围:一般通道线、楼梯、进出口及岔道口;A-3危险区域定置标识1、要求:颜色红色,线型为宽度5cm;2、应用范围:危险区、化工品、灭火器材定位处;B、区域标识序号 用途 实样 标识标准要求及应用范围B-1区域标牌1、要求:规格50cm×30cm,材料为泡沫,版面:上面区域文字说明,白底蓝字,字体宋体;下方是英文对照,白字蓝底。
上下比例约为4:1放置于门左或右侧,距地面1.6m ;2、应用范围:生产线、加工区;B-2区域铭牌1、要求:规格25cm×20cm ,材料为金属或铝塑,版面:上面为房间标志,蓝底白字,上方是中文,下方是英文对照,;下面是5cm 的空白区域,。
上下比例约为4:1,放置于门左或右侧,距地面1.6m ;2、应用范围:办公区域、卫生间、检验测试区、仓库、培训室,会议室;B-3办公室人员 铭牌1、要求:规格15cm×10cm ,材料为纸质打印,版面:黑字绿底;上排文字是部门说明;中排文字为职务说明;下排文字为人员姓名,贴于办公桌屏风左上角或右上角(左面桌人员贴左上角, 右面桌人员贴右上角);2、应用范围:办公室人员铭牌;C 、物品状态标识 序号用途实样标识标准要求及应用范围名称:标准化课 职务:课长 姓名:赵为亮清洗刷板线Surface cleaningC-1物品存放(Ⅰ)类:1、要求:规格28cm×7.5cm黑字白底(可添加英文)外加边框且依边框裁下,标识贴于物品区正中距地面1.6m;字体宋体2、应用范围:大类物品或单个较小设备;(Ⅱ)类:1、要求:规格10cm×3cm黑字白底,外加边框且依边框裁下;字体宋体2、应用范围:小物品说明标识;C-2货架标识1、要求:规格10cm×3cm黑字白底,外加边框且依边框裁下,标识贴于货架、文件柜或抽屉左上角;字体宋体2、应用范围:货架上、文件柜、抽屉上标识;D、限度标识序号用途实样标识标准要求及应用范围D-1限高标识1、要求:规格为空心等边倒三角形,2cm×2cm×2cm;置于红线左上方,红线長30cm ,寬1cm ,距地面160cm ; 2、应用范围:物品摆放限高标识;D-2 表头标识1、要求:根据压力要求选取压力范围,将范围之外的地方用红色纸遮盖住或用红色三角箭头标出上下限;2、应用范围:压力表; D-3液位标识1、要求:上下限標示用紅色线条,警示線用黃色线条,中心值用黑色线条,线条规格20cm×1cm,字体宋体,字体大小为20;2、应用范围:液位上下限及警告提示;D 、限度标识(续表1)限高下限警示线 警示线 中心上限E、安全标识E-1安全通道标识安全通道緊急時用1、要求:A4紙大小,兩行文字(見樣),紅色,字体宋体,貼於通道門正中,距地面1.6m ;2、应用范围:安全通道标识; E-2 安全警告标识(Ⅰ)类:1、要求:规格28cm×7.5cm 黑字白底,外加边框且依边框裁下,左为“警告”字样,紅色,右加说明性文字,黑色;字体宋体 2、应用范围:危险品勿动警告标识;(Ⅱ)类:1、要求:黄色塑料“人字形”支架,上方英文说明,中间是图示,下方是中文说明;2、应用范围:危险区域警告标识;E-3消防器材标识1、要求:规格30cm×10cm ,左面白底红字,字体36号,内容为提示标识;右面白底蓝字,字体36号,内容为责任人标识;字体宋体2、应用范围:现场所有消防器材;F 、运作状态标识 序号用途实样标识标准要求及应用范围警告,危险品请勿动 消防器材 责任人 请勿乱动XXXF-1开关及使用说明标识1、要求:开关说明:简体2号字,红色,外加边框,开关字样贴于按扭上下,功能说明贴于开关下居中;门把手说:红底黑字,外形15x10cm ,字体宋体160号,加粗,居中 ,紧靠并竖贴于门把手左或右下方2、应用范围:开关标识、门把手推拉说明; F-2通风口飘带1、要求:采用尼龙绳制成,红色,长度10cm ,贴于通风口中部;2、应用范围:通风状态标识;F-3管路流向1、要求:黑色箭头,规格10cm×2cm,内依具体情况加说明性文字;2、应用范围:管路流向标识;G 、管理方法目视化 序号 用途 实样标识标准要求及应用范围G-1操作要求目视1、要求:A4纸大小,右为操作图示,左为文字描述;废液出 纯水进推拉化2、应用范围:生产现场工艺作业流程目视化;G-2净化室着装规定目视化1、要求:规格A4纸大小,表头是宋体字“净化室管理制度”,再下面就是对整个着装的要求,用图文的方式描述;2、应用范围:净化室着装规定;H、公布栏(看板)序号用途实样标识标准要求及应用范围H-1生产管理看板(Ⅰ)类:1、要求:规格为60c m×90cm大小,材料为铝制白板,内容根据实际填写;2、应用范围:物料需求、生产安排管理看板;(Ⅱ)类:1、要求:规格为90c m×120cm大小,材料为铝制白板,内容根据实际填写;2、应用范围:出货、产品需求等看板管理;I、限度样本序号用途实样标识标准要求及应用范围I-1产品限度样本1、要求:A4纸大小,內容包括产品名称、缺陷实样、缺陷描述、放大图片(可选)、缺陷说明及可接受程度;2、应用范围:公司所有产品的限度样本制作标准;区域的划分和颜色的区分是5S管理的一个重要部分,要做好整个公司一定统一,可制定相关的标准规定并严格实施。
5S现场划线及标识管理导言5S管理是全面参与、自我管理、自我教育、自我改善的方式,通过整理、整顿、清扫、清洁、素养的改善方法,以达到提高工作效率、提高品质、降低成本的目标。
而其中的现场划线及标识管理,是实现5S管理的重要环节之一。
本文将详细介绍5S现场划线及标识管理。
5S现场划线及标识的意义5S现场划线及标识的作用在于规范现场工作环境、统一标准的标识符号、引导流程顺畅、提高生产效率、降低生产事故发生的几率、提升公司形象等多个方面。
因此,5S现场划线及标识对企业管理及经济效益的提升都有着重要的作用。
5S现场划线及标识的具体管理措施1. 制定5S标准首先,根据不同的行业和企业,制定出相应的5S管理标准,明确工作内容和标准操作流程。
2. 制定划线及标识使用规范企业应该针对不同的划线区域和标识任务,在控制某个区域比如生产车间时,应将标示的范围用 2-3mm 的颜色区分,容易辨识,标示的图案标准化,悬挂物品的高度一致、摆放位置统一,便于维护。
标志要易于辨识,字迹清晰明了,避免使用类似黑板字体的字体,避免使用色彩过于光鲜华丽和花哨的图案。
3. 制定5S保养计划为了确保5S现场划线及标识的有效性和持续性,企业应该制定针对5S标准的保养计划,定期对现场环境进行监测和维护,确保标识清晰、完好,因为有时外界因素也会将标识污损、些许改变和移动。
4. 培训员工对于5S现场划线及标识的使用和管理,企业需要将相关内容纳入员工培训计划,包括使用标识符号以及划线工具的操作和保养等方面。
5. 定期复查为了确保5S现场划线及标识的有效性,企业应该定期复查划线布局及标志使用情况,在复查中可以记录标识清晰、完整、符号标准和位置一致性、划线范围正确度和工具完好等情况。
5S现场划线及标识管理对企业的生产效率、工作质量、生产安全和形象提升都有着重要的作用。
因此,企业应该制定标准的5S管理方案,对5S现场划线及标识进行规范的操作和维护,带领员工建立切实可行的5S管理文化,从而提高企业的综合实力和市场竞争力。
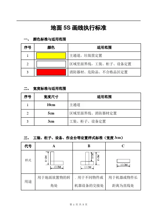
划 线 规 定
生产现场整理、整顿后的划线实施方法:
1. 地面通道线、区划线
① 参考线宽:4~10CM
·大型仓库主通道:10CM ,区域线:8CM ; ·车间主通道:10CM ;区域线:8CM ; ·大的场所中辅助通道比主通道窄2~ 4CM ; ·中小仓库主辅通道:6CM ·小房间通道:4CM 或6CM
·在大的场所,区划线通常应比相邻的通道线窄2~4CM ; ·在较小的区间,区划线可使用与通道线相同的线宽。
② 通道线用于人车物料的通行,通常用实线,采用刷油漆 或贴胶带的方法。
③ 区划线用于工作区域内的功能细分,一般也用实线;有 时出于美观与灵活的考虑,可以使用虚线;另外功能不 确定的区域也可考虑用虚线。
④ 建议通道线和区划线使用明黄色线条。
⑤ 对不合格品区域或危险区域(如高温高压),应使用红色线条。
⑥ 通道本身的宽度应结合工作需要和场地大小决定。
2. 定位线
① 定位线用于地面物品的定位,视实际情况可以采用实线、虚线或四角定位线等形式,线
宽3~6CM ,长12CM 。
② 定位线通常采用黄色线条;某些物品为了特别区分(如清洁工具、垃圾箱、凳椅等),
可使用白色。
③ 对消防器材或危险物品的定位(如酒精、助焊剂等),为达到警示效果,应使用红色线
条或者黄黑相间的线条;前方禁止摆放的区域(如消防栓前、配电柜前)应使用红色斜线或黄黑相间的斜线条:
④ 移动式物品定位时(推车、叉车、焊机),可采用的方法:
⑤ 位置变动类物品定位时,常采用虚线定位法:
⑥ 形状规则的小物品定位时,可采用四角定位法,其中物品角和定位角线间距应在
2~4CM ,6~8CM 。
⑦ 位置已经固定的机床等设备,不使用专门的定位线。
⑧ 货架常用四角定位,有时演化为从通道线或区划线上延伸的定位形式:
3. 通常的线条颜色区分
① 黄色(实线):一般通道线、区划线、固定物品定位线 ② 黄色(虚线):移动台车、工具车等停放定位线 ③ 绿色:合格区
④ 红色:不合格区、废品区、危险区 ⑤ 红色斜线:不得放置、不得进入。
等
(配电装置、消防栓处、升降梯下等)
货 架 1
货 架 2 货 架 3 货 架 4 通 道
货 架 5
⑦黄黑斑马线:警告、警示
(地面突起物、易碰撞处、坑道、台阶等)
办公室标识
一、姓名牌,字体为黑体、加粗、3
号、居中。
二、更衣柜标识,插于方框内。
姓名字体为楷体、1号、居中。
三、 1.文件柜标识,插于方框内。
字
体为黑体、2号、居中。
2.姓名字体为楷体、1号、居中。
3.柜子名称根据情况可以改为公
用柜、资料柜、文具柜等。
四、1.办公桌抽屉标识,贴于抽屉上。
中文字体为黑体、小一;中文拼
音为Times New Roman、五号。
2.办公用品、文件资料、私人用品
等根据需要可以改为别的名称。
3.此标识为资料柜隔板上所用。
具
体内容自己填写容。
五、1.左面标签是贴于资料档案盒一端。
2.底下1、2、3、4等根据具体情况填写细目。
3.最底下的“1”表示档案盒的编
号,依次往下编。