单桩承台式塔吊基础计算书
- 格式:doc
- 大小:268.28 KB
- 文档页数:9
塔吊基础设计(单桩)计算书1.计算参数(1)基本参数采用2台QTZ63塔式起重机,1台45米、1台40米,塔身尺寸1.63m,承台面标高-12.20m。
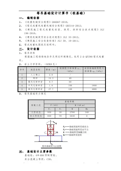
(2)计算参数1)塔机基础受力情况基础荷载P(kN) M(kN.m)F k FhM MZ503.80 35.00 1500.00 200.00MkFM zkF =F =M =zM =基础顶面所受垂直力基础顶面所受水平力基础所受扭矩基础顶面所受倾覆力矩hF h塔吊基础受力示意图比较桩基础塔机的工作状态和非工作状态的受力情况,塔机基础按工作状态计算如图:F k =503.80kN,Fh=35.00kN,M=1500.00+35.0×1.10=1538.50kN.mF k ‘=503.80×1.35=680.13kN,Fh,=35.00×1.35=47.25kN,Mk=(1500.00+35.0×1.10)×1.35=2076.98kN.m2)桩顶以下岩土力学资料序号地层名称厚度 L(m)极限侧阻力标准值q sik(kPa ) 岩石饱和单轴抗压强度标准值f rk (kPa) q sik*ιi(kN/m) 抗拔系数λiλi q sik*ιi(kN/m)1 粘性土 1.9 55.00 100.00 104.50 0.7073.15 2 粉质粘土 0.9 95.00 150.00 85.50 0.70 59.85 3 强风化 6.2 120.00 245.00 148.00 0.70 103.88 4 中风化1.10 200.00420.00 174.40 0.70 121.8 桩长10.10∑q sik*ιi512.40∑λi q sik*ιi358.683)基础设计主要参数基础桩采用1根φ1400人工挖孔灌注桩,桩顶标高-12.20m ,桩端设扩大头,桩端入中风化 1.10m ;桩混凝土等级C30,f C =14.30N/mm 2 ,E C =3.00×104N/mm 2;f t =1.43N/mm 2,桩长10.10m ;钢筋HRB335,f y =300.00N/mm 2 ,E s =2.00×105N/mm 2;承台尺寸长(a)=3.50m 、宽(b)=3.50m 、高(h)=1.20m ;桩中心与承台中心重合,面标高-12.20m ;承台混凝土等级C30,f t =1.43N/mm 2,f C =14.30N/mm 2,γ砼=25kN/m 3。
塔吊桩基础的计算书一. 参数信息塔吊型号: QTZ63 自重(包括压重):F1=450.80kN 最大起重荷载: F2=60.00kN塔吊倾覆力距: M=630.00kN.m 塔吊起重高度: H=101.00m 塔身宽度: B=2.50m桩混凝土等级: C35 承台混凝土等级:C35 保护层厚度: 50mm矩形承台边长: 4.00m 承台厚度: Hc=1.500m 承台箍筋间距: S=200mm承台钢筋级别: Ⅱ级承台预埋件埋深:h=0.5m 承台顶面埋深: D=0.000m桩直径: d=0.400m 桩间距: a=2.500m 桩钢筋级别: Ⅱ级桩入土深度: 22.00 桩型与工艺: 预制桩桩空心直径: 0.310m二. 塔吊基础承台顶面的竖向力与弯矩计算1. 塔吊自重(包括压重)F1=450.800kN2. 塔吊最大起重荷载F2=60.000kN作用于桩基承台顶面的竖向力 F=F1+F2=510.800kN塔吊的倾覆力矩 M=1.4×630.000=882.000kN.m三. 矩形承台弯矩的计算计算简图:图中x轴的方向是随机变化的,设计计算时应按照倾覆力矩M最不利方向进行验算。
1. 桩顶竖向力的计算(依据《建筑桩基础技术规范》JGJ94-2008的第5.1.1条)其中 n──单桩个数,n=4;F k──作用于承台顶面的竖向力,F k=510.800kN;G k──桩基承台和承台上土自重标准值,G k=25.0×Bc×Bc×Hc+20.0×Bc×Bc×D=600.000kN;M xk,M yk──荷载效应标准组合下,作用于承台底面,绕通过桩群形心的x、y 轴的力矩x i,y i──单桩相对承台中心轴的XY方向距离(m);N ik──荷载效应标准组合偏心竖向力作用下,第i基桩或复合基桩的竖向力(kN)。
经计算得到:桩顶竖向力设计值:最大压力:N=1.2×(510.800+600.000)/4+882.000×(2.500×1.414/2)/[2×(2.500×1.414/2)2]=582.745kN没有抗拔力!桩顶竖向力标准值:最大压力:N=(510.800+600.000)/4+630.000×(2.500×1.414/2)/[2×(2.500×1.414/2)2]=455.918kN没有抗拔力!2. 矩形承台弯矩的计算(依据《建筑桩基础技术规范》JGJ94-2008的第5.9.2条)其中 M x,M y──分别为绕X轴和绕Y轴方向计算截面处的弯矩设计值(kN.m);x i,y i──垂直Y轴和X轴方向自桩轴线到相应计算截面的距离(m);N i──在荷载效应基本组合下的第i基桩净反力,N i=N i-G/n。
塔吊桩基础的计算书一. 参数信息塔吊型号: QTZ63 自重(包括压重):F1=450.80kN 最大起重荷载: F2=60.00kN塔吊倾覆力距: M=630.00kN.m 塔吊起重高度: H=101.00m 塔身宽度: B=2.50m桩混凝土等级: C35 承台混凝土等级:C35 保护层厚度: 50mm矩形承台边长: 4.00m 承台厚度: Hc=1.500m 承台箍筋间距: S=200mm承台钢筋级别: Ⅱ级承台预埋件埋深:h=0.5m 承台顶面埋深: D=0.000m桩直径: d=0.400m 桩间距: a=2.500m 桩钢筋级别: Ⅱ级桩入土深度: 22.00 桩型与工艺: 预制桩桩空心直径: 0.310m二. 塔吊基础承台顶面的竖向力与弯矩计算1. 塔吊自重(包括压重)F1=450.800kN2. 塔吊最大起重荷载F2=60.000kN作用于桩基承台顶面的竖向力 F=F1+F2=510.800kN塔吊的倾覆力矩 M=1.4×630.000=882.000kN.m三. 矩形承台弯矩的计算计算简图:图中x轴的方向是随机变化的,设计计算时应按照倾覆力矩M最不利方向进行验算。
1. 桩顶竖向力的计算(依据《建筑桩基础技术规范》JGJ94-2008的第5.1.1条)其中 n──单桩个数,n=4;F k──作用于承台顶面的竖向力,F k=510.800kN;G k──桩基承台和承台上土自重标准值,G k=25.0×Bc×Bc×Hc+20.0×Bc×Bc×D=600.000kN;M xk,M yk──荷载效应标准组合下,作用于承台底面,绕通过桩群形心的x、y 轴的力矩x i,y i──单桩相对承台中心轴的XY方向距离(m);N ik──荷载效应标准组合偏心竖向力作用下,第i基桩或复合基桩的竖向力(kN)。
经计算得到:桩顶竖向力设计值:最大压力:N=1.2×(510.800+600.000)/4+882.000×(2.500×1.414/2)/[2×(2.500×1.414/2)2]=582.745kN没有抗拔力!桩顶竖向力标准值:最大压力:N=(510.800+600.000)/4+630.000×(2.500×1.414/2)/[2×(2.500×1.414/2)2]=455.918kN没有抗拔力!2. 矩形承台弯矩的计算(依据《建筑桩基础技术规范》JGJ94-2008的第5.9.2条)其中 M x,M y──分别为绕X轴和绕Y轴方向计算截面处的弯矩设计值(kN.m);x i,y i──垂直Y轴和X轴方向自桩轴线到相应计算截面的距离(m);N i──在荷载效应基本组合下的第i基桩净反力,N i=N i-G/n。
塔吊基础承载力计算书编写依据塔吊说明书要求及现场实际情况,塔基承台设计为5200m×5200m×,根据地质报告可知,承台位置处于回填土上,地耐力为4T/m2,不能满足塔吊说明书要求的地耐力≥24T/m2。
为了保证塔基承台的稳定性,打算设置四根人工挖孔桩。
地质报告中风化泥岩桩端承载力为P=220Kpa。
按桩径r=米,桩深h=9米,桩端置于中风化泥上(嵌入风化泥岩1米)进行桩基承载力的验算。
一、塔吊基础承载力验算1、单桩桩端承载力为:F1=S×P=π×r2×P=π××220==2、四根桩端承载力为:4×F1=4×=3、塔吊重量51T(说明书中参数)基础承台重量:×××=塔吊+基础承台总重量=51+=4、基础承台承受的荷载F2=××=5、桩基与承台共同受力=4F1+F1=+=>塔吊基础总重量=所以塔吊基础承载力满足承载要求。
二、钢筋验算桩身混凝土取C30,桩配筋23根ф16,箍筋间距φ8@200。
验算要求轴向力设计值N≤(fcAcor+fy’AS’+2xfyAsso) 必须成立。
Fc=mm2(砼轴心抗压强度设计值)Acor=π×r2/4(构件核心截面积)=π×11002/4=950332mm2fy’=300N/MM2(Ⅱ级钢筋抗压强度设计值)AS’=23×π×r2/4=23×π×162/4=4624mm2(全部纵向钢筋截面积)x=(箍筋对砼约束的折减系数,50以下取)fy=210N/mm2 (Ⅰ级钢筋抗拉强度设计值)dCor=1100mm (箍筋内表面间距离,即核心截面直径)Ass1=π×r2/4=π×82/4=16×=(一根箍筋的截面面积)S螺旋箍筋间距200mmA’sso=πdCorAssx/s=π×1100×200=(螺旋间接环式或焊接,环式间接钢筋换算截面面积)因此判断式N≤(fcAcor+fy’AS’+2xfyAsso)=×950332+300×4624+2××210×=.6N<经验算钢筋混凝土抗拉满足要求。
塔吊分项参数计算塔吊是施工场地最重要的施工机械之一,其使用贯穿了整个工程。
在这过程中间隔时间长,不可预见性因素多,为确保塔吊的安全,以下计算都按极限苛刻条件下能保证塔吊正常工作计算。
即:塔吊设置在最大开挖深度处;型钢柱与混凝土灌注桩连接按光滑面锚固。
(计算详值见计算表格) 1. 基础竖向极限承载力计算F=F1+ F2F ——基础竖向极限承载力kn F1——塔吊自重(包括压重)kn F2最大起吊重量kn 2.单桩抗压承载力、抗拔力计算桩顶竖向力的计算(依据《建筑桩技术规范》JGJ94-94的第条)F 十。
iV V-A- M =1.2 —±士 弱尹2" Z* ("+”计算结果为抗压,“-”为抗拔)其中 N i ——单桩桩顶竖向力设计值kNn 单桩个数,n=4;F ——作用于桩基承台顶面的竖向力设计值TG ——塔吊基础重量KNMx,My 承台底面的弯矩设计值kN.mxi,yi 单桩相对承台中心轴的XY 方向距离mM ——塔吊的倾覆力矩kN.m3.桩长以及桩径计算 桩采用钻孔灌注桩R =f A +U £ f l >R = N xgk 实际 ppp s ii1U P =n d其中Rk 实际一一实际钻孔灌注桩承载能力KN桩端面承载能力KN桩侧摩擦阻力总和IUp£fsliKNR——单桩轴向承力安全值KN孔一一桩安全系数取2d桩直径m4.桩抗拔验算Ok=入RQk八k实际5.桩配筋计算桩身配筋率可取0.20%〜0.65% (计算取上限0.65%),抗压主筋不应少于6①10,箍筋采用不少于①6@3mm的螺旋箍筋,在桩顶5倍桩身直径范围内箍筋①6@1mm,每隔2m设一道2①12焊接加强箍筋。
As = S桩截面*配筋率n = 4As/ (n 巾2)其中n ——竖筋根数根As ——钢筋总截面积m①一一竖筋直径m6.桩上部钢支柱计算钢支柱采用 hxbxtwxt = 350 * 350 x 12 x 19, H 型钢。
QTZ60(独立式)塔吊桩基础的计算书一. 参数信息塔吊型号:QTZ60,自重(包括压重)F1=378kN,最大起重荷载F2=60kN塔吊倾覆力距M=600kN.m,塔吊起重高度H=40.1m,塔身宽度B=1.6m混凝土强度:C35,钢筋级别:Ⅱ级,承台长度Lc或宽度Bc=5m桩直径d=0.6m,桩间距a=3.6m,承台厚度Hc=0.8m基础埋深D=1.5m,承台箍筋间距S=200mm,保护层厚度:50mm二. 塔吊基础承台顶面的竖向力与弯矩计算塔吊自重(包括压重)F1=378kN塔吊最大起重荷载F2=60kN作用于桩基承台顶面的竖向力 F=1.2×(F1+F2)=525.6kN塔吊的倾覆力矩 M=1.4×600.00=840.00kN.m三. 矩形承台弯矩的计算计算简图:图中x轴的方向是随机变化的,设计计算时应按照倾覆力矩M最不利方向进行验算。
1. 桩顶竖向力的计算(依据《建筑桩技术规范》JGJ94-2008的第5.1.1条)其中 n──单桩个数,n=4;F──作用于桩基承台顶面的竖向力设计值,F=1.2×438=525.6kN; G──桩基承台的自重,G=1.2×(25.0×Bc×Lc×Hc+20.0×Bc×Lc×D)=1500.00kN;Mx,My──承台底面的弯矩设计值(kN.m);xi,yi──单桩相对承台中心轴的XY方向距离(m);Ni──单桩桩顶竖向力设计值(kN)。
经计算得到单桩桩顶竖向力设计值:最大压力:N=(525.6+1500)/4+840×(3.6×1.414/2)/[2×(3.6×1.414/2)2]=671.4kN没有抗拔力!2. 矩形承台弯矩的计算(依据《建筑桩技术规范》JGJ94-2008的第5.9.2条)其中 Mx1,My1──计算截面处XY方向的弯矩设计值(kN.m);xi,yi──单桩相对承台中心轴的XY方向距离(m);Ni1──扣除承台自重的单桩桩顶竖向力设计值(kN),Ni1=Ni-G/n。
塔吊基础、承台承载力计算书一、概况根据本工程的情况采用一台江苏正兴建设机械有限公司生产的QTZ40B型塔式起重机负责整个工程的货物垂直运输,该型号的塔机的技能参数及技术指标如下:(详细塔吊性能见使用说明书)。
最大工作幅度:40m起升高度:50m额定起重力矩:400kN最大重力力矩:400KN基础承受的荷载:二、桩基础,承台栽力计算1、单桩验算本工程塔吊基础采用4ф600四根灌注桩,桩长l=20m,按下图布置:桩顶偏心竖向作用下:N max=(F+G)/n+M x y max/Σy i2+M y x max/Σx i=630/4+453*1.25/(1.252+1.252)+453*1.1/2.2=157.5+181.2+249.15=587.85KN所以单桩的竖向承载力应满足R≥1.2N max=1.2*587.85=705.42KN桩身暂按构造筋配置取8Ф16R=ф(f c A+f y’A s’)=0.36*(15*3.14*3002+210* 3.14*82*8)=1647KN ≥705.42KN符合要求当塔吊大臂方向移至与基础成45度斜角时,为单桩承受最大荷载处此时:Q=(F+G)/n=1.2*(240+24*3.6*3.6*1.25)/4=188.64KN ≤R=1556KNQmax=Q+M*Xmax/ Σx i2=188.64+453*1.54/1.542=482.8kN≤R=1647KNQmin= Q-M*Xmax/ Σx i2=188.64-294.2=-105.36kN≤R=1647KN2、承台强度验算承台采用C30混凝土,轴心抗压强度设计值fc=15N/mm2,Ⅱ级钢筋,fy=310/mm21、h=1250mm,h0=1250-50=1200mm2、各桩均在破坏锥体范围内,不必作冲切验算3、抗剪强度验算:V=0.006f c b m h0=0.006*10*3600*1200=2592KN≥R=1647KN4、承台配筋:As=M/(0.9h0fy)=453*106/0.9*1200*310=1354mm2单位长度内的配筋面积:As=1354/3.6=376 mm2选Φ12 @ 120双向双层布置5、水平剪力H=βd2(1.5d2+0.5d)1/5(1+Q min/(2.1γf t A)=3.6*0.62(1.5*0.62+0.5*0.6)1/5(1+0/2.1*453*3.14*0.32) =1.32kN<10/4=2.5kN所以需配抗弯钢筋As=M/fy(h0-As’)=2.5*4.0*106/(210*(550-402)) =318mm2600桩实配钢筋:主筋13Ф16,间距145mm,长20米。
塔吊基础承载力计算书编写依据塔吊说明书要求及现场实际情况,塔基承台设计为5200m×5200m×1.3m,根据地质报告可知,承台位置处于回填土上,地耐力为4T/m2,不能满足塔吊说明书要求的地耐力≥24T/m2。
为了保证塔基承台的稳定性,打算设置四根人工挖孔桩。
地质报告中风化泥岩桩端承载力为P=220Kpa。
按桩径r=1.2米,桩深h=9米,桩端置于中风化泥上(嵌入风化泥岩1米)进行桩基承载力的验算。
一、塔吊基础承载力验算1、单桩桩端承载力为:F1=S×P=π×r2×P=π×0.62×220=248.7KN=24.87T2、四根桩端承载力为:4×F1=4×24.87=99.48T3、塔吊重量51T(说明书中参数)基础承台重量:5.2×5.2×1.3×2.2=77.33T塔吊+基础承台总重量=51+77.33=128.33T4、基础承台承受的荷载F2=5.2×5.2×4.0=108.16T5、桩基与承台共同受力=4F1+F1=99.48+108.16=207.64T>塔吊基础总重量=128.33T所以塔吊基础承载力满足承载要求。
二、钢筋验算桩身混凝土取C30,桩配筋23根ф16,箍筋间距φ8@200。
验算要求轴向力设计值N≤0.9(fcAcor+fy’AS’+2xfyAsso) 必须成立。
Fc=14.3/mm2(砼轴心抗压强度设计值)Acor=π×r2/4(构件核心截面积)=π×11002/4=950332mm2fy’=300N/MM2(Ⅱ级钢筋抗压强度设计值)AS’=23×π×r2/4=23×π×162/4=4624mm2(全部纵向钢筋截面积)x=1.0(箍筋对砼约束的折减系数,50以下取1.0)fy=210N/mm2 (Ⅰ级钢筋抗拉强度设计值)dCor=1100mm (箍筋内表面间距离,即核心截面直径)Ass1=π×r2/4=π×82/4=16×3.14=50.24mm2(一根箍筋的截面面积)S螺旋箍筋间距200mmA’sso=πdCorAssx/s=π×1100×50.24/200=867.65mm2(螺旋间接环式或焊接,环式间接钢筋换算截面面积)因此判断式248.7KN<12382.87KN经验算钢筋混凝土抗拉满足要求。
塔吊基础计算书一、塔吊型号TQZ60本工程根据建筑物高度需要,塔设高度为58m,吊钩有效高度50m,基础表面受力情况如下:工作状态下:基础顶部所受的水平力H=24.5KN,基础所受的垂直力P=555KN,基础所受倾翻力矩M1=1252KN.M基础所受的扭矩M2=67KN.M非工作状态下:H=24.5KN,P=555KN,M1=1796KN.m,M2=0KN.m。
以上数据属生产厂家提供,根据使用说明书要求地基承载力必须达到120KN/m2以上。
而现场地质报告,安装塔吊地基承载力达不到以上要求。
所以本工程拟采用预制管桩基础,单桩承载力为650KN,承台尺寸为600*600*130cm。
二、桩基计算:基础埋深1.4米,基底以上结构及覆土总重量G=γAh=20×6×6×1.4=1008KN桩基数量:n=(N+G)/R=(555+1008)/650=2.4 取n=4 根据地质报告提供资料q工作=45Kpa,q非工作=60KpaΦ500管桩端阻力为500Kpa。
R=(45×2+60×8)×3.14×0.5+3.14×0.52÷4×5000=187.9KN满足要求,设计有效桩长为10米。
187.9>2R=130KN满足要求三、单桩承载力验算:承台底部弯矩(取M1=1796KN·M)M=M1+Hh=1796+24.5×1.3=1827.85 KN·MM max=(F+G)/N+(M x y i)/∑y i=(555+1008)/4+(1827.85×1.75)/4×1.752=651.87KN<125R=812.5KN 满足要求N=(555+1008)/4=390.75<R 满足要求四、承台设计1.承台尺寸为600*600*130cm 砼强度C25f ck=17.0N/mm2f cmk=18.5N/mm2f tk=1.75N/mm2R g=310KN h0=125 桩顶埋入承台5cm承台的冲切、抗剪及抗弯验算的桩净反力为N=N max-G/N=651.87-1008/4=399.87KN2.承台冲切验算:μm=4×(2+3.5)/2=11m h0=1250.75f tkμm h0=0.75×1.75×11×1.25×103=1804.69KNKF c=2.2×555=1221<1804KN 满足要求3.受剪计算:最大剪力V=651KV=1.55×399.87×2=1239.60KN0.07×17.0×2.5×1.25×103=3718.75KN 满足要求4.承台的弯矩及配筋计算:M=∑Nx i=2×399.87×1.75=1399.545KN·MA g=(1.4×1399.545×104)/(0.9×1.25×3100)=28.09cm2取30Φ16=3Ag=2.011×30=40.22 双向配筋Φ16@200 五、底板配筋:底板高度h=400mm,h0=360mm,砼强度C25(f c=12.5N/mm2,f cm=13.5N/mm2),Ⅱ级钢筋f y=310N/mm2。
塔吊基础承载力计算根据机械租赁公司提供的数据,塔吊最大支反力为1200KN(单桩)。
由于本桩机承台刚度小,对桩的约束有限,且塔吊四个支腿分别安装在四个桩顶,所以桩不考虑承台抗冲切以及群桩效应。
1、桩顶轴向压力设计值“N=F+GN=1200+1.2×25×(4×2+2×1)×0.8=1360KN2、桩承载力设计值单桩竖向承载力极限值Q uk=Q sk+Q pk=u∑q sik l i+q pk A pQ uk= Q sk+Q pk =0.6×π(2.8×20+4.5×40+2.4×40+1.6×40+5×100+3.7×50)+1400×π×0.3²Q uk=2428.6KN桩身承载力设计值R= Q sk/r s+Q pk/r p因为r s= r p=1.7R= Q uk/1.7=2428.6/1.7=1428.6 KN3、验算R0N=0.9×1360<R=1428.6 KN 满足要求其中:F——作用于桩顶承台顶面的竖向力设计值G——承台自重r0——桩基重要性系数,取0.9;N——轴心竖向力作用下基桩的竖向力设计值;R ——基桩的竖向力设计值;Q sk——单桩总极限侧阻力标准值;Q pk——单桩总极限端阻力标准值;q sik——桩侧第i层土的极限侧阻力标准值(按《建筑桩基技术规范》JGJ94——94表5.2.8.1取值)q pk——极限端阻力标准值(按《建筑桩基技术规范》JGJ94——94表5.2.8.2取值)l i——桩穿越第I层土的厚度A p——桩端面积u——桩身周长;r s、r p——分别为桩侧阻抗力分项系数、桩端阻抗力分项系数(按《建筑桩基技术规范》JGJ94——94表5.2.2取值)。
塔吊基础设计计算书(桩基础)一、编制依据1、《起重机械安全规程》GB6067-2010;2、《塔式起重机起重机械安全规程》GB5144-2012;3、《建筑施工塔式起重机安装、使用、拆卸安全技术规程》JGJ196-2010;4、《建筑机械使用安全技术规程》JGJ 33-2012;5、《建筑施工安全检查标准》JGJ 59、19-2011;6、塔式起重机图纸及说明书;二、设计依据1、塔吊资料根据施工现场场地条件及周边环境情况,选用2台QTZ80塔式起重机。
2、岩土力学资料,(BZK8孔)承台面标高:-1.50m 。
比较桩基础塔吊基础的工作状态和非工作状态的受力情况,桩基础按非工作状态计算,受力如上图所示:F k =850.0kNG k =25×4×4×1.50=600kN F h =70kNM k =3630+70×1.50=3735kN.m四、 单桩允许承载力特征值计算1、 单桩竖向承载力特征值:1)、按地基土物理力学指标与承载力参数计算 A p =πr 2=0.5027m 2Pa ra sa a R R R R ++= (DBJ15-31-2003)(10.2.4-1)MPa f MPa f C C rp rs 10;10;05.0;40.021====kN l q u R i sia sa 9.1488)7.06076.1340(8.01415926.3=⨯+⨯⨯⨯==∑kNR kN A f C R kN h f C u R kN h f C u R a P rp pa r rs p ra r rs p ra 3.50076.20102.10056.5029.14886.20104.01415926.310104.02.10050.1101005.08.01415926.38.08.06.5025.0101005.08.01415926.38.08.0231322321=+++==⨯⨯⨯⨯===⨯⨯⨯⨯⨯⨯===⨯⨯⨯⨯⨯⨯==2)、桩身截面强度计算p c c A f ψ=0.7×16.7×103×0.5027=5877kN式中:c ψ=0.7;f c =16.7×103kN/m 2;A p =0.5027m 2 2、 单桩水平承载力特征值计算 C25砼:E c =2.80×104N/mm 2=3.15×107kN/m 2,f tk =1.78×103kN/m 2Es=2.0×108kN/m 2, %5625.0%)3.0%65.0(400200080020003.0=-⨯--+=g ρ ⎥⎦⎤⎢⎣⎡⎪⎪⎭⎫ ⎝⎛-+=20201232d E E d d W g c S ρπ =])206.08.0(%5625.0)11080.2100.2(28.0[328.014.32782⨯-⨯⨯-⨯⨯+⨯ =0.07226m 328.007226.020⨯==d W I O =0.0289m 4 EI=0.85E c I 0=0.85×2.80×107×0.0289=687820535068782053.11035⨯⨯==I E mb c α=0.60m -1 (DBJ15-31-2003)(10.2.19)式中:m=35×103kN/m 4 oa χ=0.01mb 0=0.9(1.5d+0.5)=1.53m桩长L =15.96mα·L=0.60×15.96=9.576>4,按α·L=4查表 得:x ν=2.441;m ν=0.768;2=m γ(按圆形截面取值);kN G F N kk k 5.36241=+=;8.0=N ξ 27865.0%5625.011080.2100.2148.0)1(14m E E d A g c s n =⎥⎦⎤⎢⎣⎡⨯⎪⎪⎭⎫ ⎝⎛-⨯⨯+⨯=⎥⎦⎤⎢⎣⎡-+=πρπ )1)(2225.1(10ntk m kNg mtk m Ha A f N W f a R γξργν++=(DBJ15-31-2003)(10.2.22)kN R Ha 7.236)65.01078.125.3628.01(%)5625.02225.1(768.005286.01078.126248.033=⨯⨯⨯⨯+⨯⨯+⨯⨯⨯⨯= 3、 单桩抗拔力特征值计算09.0G l q u R i sia i p a t +=∑λ (DBJ15-31-2003)(10.2.10) =950.9+180.5=1131.4kNisia i p l q u ∑λ=3.14×0.8×(0.4×40×13.76+0.6×60×0.7+0.7×100×1.0+0.7×180×0.5)=950.9kN 0.9G 0=0.9×π×0.42×15.96×25=180.5kN五、 单桩桩顶作用力计算和承载力验算1、 轴心竖向力作用下nG F kk +=ik Q (DBJ15-31-2003)(10.2.1-1)5.3624600850=+=kN<R a =4906.7kN (满足要求)2、 偏心竖向力作用下2)22.1(222.137354600850⨯⨯⨯⨯±+==362.5±1100.4()⎪⎩⎪⎨⎧=<-⎩⎨⎧==<=)(0.10819.7370.587776.60082.19.1462单桩抗拔力满足要求单桩承载力满足要求kN R kN kNA f kNR kN ta p c c z ψ 3、 水平力作用下:H i k =n H k (DBJ15-31-2003)(10.2.1-3)470==17.5kN<R H a =236.8kN (满足要求) 六、 抗倾覆验算根据上图所示,可得:倾覆力矩 m kN H F M M h .43584.10703630=⨯+=⨯+=倾 抗倾覆力矩i b 22)(⨯+⨯+=ta k k R aG F M 抗m kN .6.86638.20.1081226.3)600850(=⨯⨯+⨯+= 故由上述计算结果,得6.199.143586.8663>==倾抗M M (抗倾覆满足要求) 七、 承台受冲切、受剪切承载力验算按照省地基基础设计规中明确承台受冲切、受剪切承载力采用验算h 0的高度来判断。
5.塔吊基础设计计算书塔吊基础的受力过程:塔吊→整板基础→钢格构柱→桩基5.1. 整板基础平台计算复核5.1.1塔吊技术参数(以6028塔吊为例)垂直压力:133.49t倾覆力矩:285t·m扭矩:48t·m水平力:6.5t5.1.2整板基础设计5.1.2.1塔吊基础采用整板基础,板厚h=1300mm,基础底比结构板高500mm,平面尺寸为4000×4000mm。
5.1.2.2 砼强度等级C30 fy=16.5N/mm2 fc=15N/mm2 ft=1.5N/mm25.1.2.3 Ⅱ级钢筋fy=310N/mm2 Ⅰ级钢筋fy=210N/mm25.1.3 荷载计算5.1.3.1基础自重G=4×4×1.3×25=520kN荷载值 520×1.2=624kN5.1.3.2 基础顶部荷载中心轴向力:133.49×10=1334.9kN弯矩:285×10=2850kN·m扭矩:48×10=480kN·m5.4配筋计算:5.4.1基础自重均布荷载:q=520/4=120kN/m由自重引起的弯矩:M=qL2/8=120×42/8=240kN·m5.4.2 As=M/fyr ho= (2850+240) ×106/(310×0.9×1270)=8720mm2((ho=h-70=1300-70=1230mm) 选27ф25@150As=27×490.9=13230mm2>8720mm25.5 抗剪强度验算V≤0.07fcAA=4×103×1300=5.2×106mm2V=1334.9+624=1958 kN07fcA=0.07×15×5.2×106=5.46×106N=5.46×103kNV<0.07 fcA5.6 抗冲切验算:FL≤0.6 fcbm hoFL=1334.9kN ho=1230mmbm=(2100+2100+1230×2)/2=3330mmFL=1340kN<0.6×1.5×3330×1230×10-3=3686.3kN5.7 综合所述,塔吊平台基础设计为:截面尺寸:4m* 4m*1.3m砼等级:C30商品砼配筋:底筋:双向27ф25@150(HRB335);面筋:双向27ф25@150(HRB335);中部构造筋:双向ф12@200(HRB335)5.2 钢格构柱计算复核单根格构柱钢平面积:4L180*18=4*69.3*100=27720mm2四根格构柱钢平面积:27720*4=110880mm2四根格构柱钢可承受压力:110880*210=23284800≈2.33*104KN竖直力:133.49*10+4*4*1.3*24=1834KN竖直力远远小于四根格构柱可承受压力。
1 塔吊及承台的基本参数塔吊型号:中联重科TC6020A基础承台宽度Bc:6.00m基础承台厚度Hc:1.40m 基础埋深D:3.00m桩直径:0.60m 桩根数:6根2单桩桩顶竖向力的计算2.1 基本数据1.混凝土承台自重G=6.00×6.00×1.40×24=1210KN2.塔吊基础承台顶面荷载塔吊基础承台顶面荷载:垂直力Fv=682kN,弯矩M=3695kN.m,水平力Fh=124kN2.3 单桩桩顶竖向力的计算依据《建筑桩技术规范》(JGJ94-2008)的第5.1.1条,偏心竖向力作用下Ni=(Fv+G)/n±Mxyi/Σyj2±Myxi/Σxj2在实际情况中x、y轴是随机变化的,当塔吊臂处于桩基对角线位置时,有1根桩受最大拉力,有1根桩受最大压力,以下按最不利情况计算。
其中 n──单桩个数,n=6;Fv──作用于桩基承台顶面的竖向力标注值,等同于塔吊自重;G──桩基承台的自重;Mx,My──承台底面的弯矩标准值;xi ,yi──单桩相对承台中心轴方向距离Ni──单桩桩顶竖向力标准值;单桩桩顶竖向力标准值计算如下:作用承台底面的弯矩M=3695+124×1.40=3868.60kN.m最大压力:Nmax=(682+1210)/6+3868.60×2×20.5/(2×(2×20.5)2) +(2×(2/20.5)2)=315.33+547.41=862.74kN。
最小压力:Nmin=(682+1210)/6-3868.60×2×20.5/(2×(2×20.5)2) +(2×(2/20.5)2)=315.33-547.41=-232.08kN。
(3)单桩桩顶竖向力标准值取值通过以上计算得出:塔吊在非工作状况时为最不利情况,单桩桩顶竖向力最大值Nmax=1226.88kNNmin=79.30kN>0,不需要验算桩的抗拔3 桩竖向极限承载力验算单桩竖向极限承载力标准值依据《建筑桩基技术规范》(JGJ94-2008)的第5.3.5条按下面的公式计算:Q uk =∑+p pkisik AqLqU其中 Quk──单桩竖向极限承载力标准值;qsik──桩侧第i层土的极限侧阻力标准值;Qpk──桩的极限端阻力标准值;:u──桩身的周长,u=1.884m;Ap ──桩端面积, Ap=0.2826m2;li──第i层土层的厚度;承台底各土层厚度及孔灌注桩极限阻力标准值如下表:地层土层厚度(m) 极限侧阻力qsik (kPa) 极限端阻力Qpk(kPa)②砂质粉土 3.40 55.00③粉质粘土 2.90 50.00④粉质粘土 7.80 50.00⑤砂质粉土 2.40 55.00 500.00本工程±0=50.150m,塔吊设置处地面标高一般为-0.290m,基坑深度为-11.540m,即基坑位于地面下11.250m。
单桩塔吊基础(A10lou)计算书计算依据:1、《塔式起重机混凝土基础工程技术标准》JGJ/T187-20192、《混凝土结构设计规范》GB50010-20103、《建筑桩基技术规范》JGJ94-20084、《建筑地基基础设计规范》GB50007-2011一、塔机属性二、塔机荷载1、塔机传递至基础荷载标准值2、塔机传递至基础荷载设计值三、桩顶作用效应计算基础布置图承台及其上土的自重荷载标准值:G k=bl(hγc+h'γ')=4.8×4.8×(1.3×25+0×19)=748.8kN承台及其上土的自重荷载设计值:G=1.35G k=1.35×748.8=1010.88kN1、荷载效应标准组合轴心竖向力作用下:Q k=(F k+G k)/1=(464.1+748.8)/1=1212.9kN2、荷载效应基本组合轴心竖向力作用下:Q =(F+G)/1=(626.535+1010.88)/1=1637.415kN四、桩承载力验算桩参数桩混凝土强度等级C30 桩基成桩工艺系数ψC0.751、桩基竖向抗压承载力计算桩身周长:u=πd=3.14×1.8=5.655m桩端面积:A p=πd2/4=3.14×1.82/4=2.545m2承载力计算深度:min(b/2,5)=min(4.8/2,5)=2.4mf ak=(2.4×90)/2.4=216/2.4=90kPa承台底净面积:A c=(bl-nA p)/n=(4.8×4.8-1×2.545)/1=20.495m2复合桩基竖向承载力特征值:R a=uΣq sia·l i+q pa·A p+ηc f ak A c=5.655×(4×10+2×25+5×70)+4000×2.545+0.1×90×20.495=1 2851.359kNQ k=1212.9kN≤R a=12851.359kN满足要求!2、桩身承载力计算(1)、轴心受压桩桩身承载力荷载效应基本组合下的桩顶轴向压力设计值:N=Q=1637.415kN根据《塔式起重机混凝土基础工程技术标准》(JGJ/T187-2019)中的6.3.6条计算R=φψc f c A p+0.9f y'A s'=(1×0.75×14.3×2.545×106 +0.9×(360×12164.247))×10-3=31670.93kNN=1637.415kN≤R=31670.93kN满足要求!(2)、偏心受压桩桩身承载力弯矩设计值:M0=M+F V h+Ne a=2095.2+99.765×1.3+1637.415×0.06=2323.139kN.m根据《混凝土结构设计规范》(GB50010-2010)中的附录E.0.4的公式简化计算:N≤αα1f c A p(1-sin(2πα)/(2πα))+(α-αt)f y A sM0≤2α1f c A p rsin(πα)3/(3π)+f y A s r s(sin(πα)+sin(παt))/π式中A s──纵向钢筋的计算截面面积;r──桩身截面的半径,取 r =0.9m;r s──纵向钢筋重心所在圆周的半径,取r s=0.839m;α──对应于受压区混凝土截面面积的圆心角与2π的比值,取 α=0.225;αt──纵向受拉钢筋截面面积与全部纵向钢筋截面面积的比值,αt=1.25-2α=1.25-2×0. 225=0.801;由以上公式可解得A s实际配筋A s'=12164.247mm2≥Max(A s,ρA p)=11451.105mm2满足要求!3、桩身抗倾覆计算工作状态:倾覆力矩由水平荷载产生M倾=M+M H=1335+18.3×(1.3+0)=1358.79kN.m抗倾覆力矩由上部荷载产生的抗倾覆力矩M1,与承台自重产生的抗倾覆力矩M2和桩自重产生的倾覆力矩M3构成:M抗=M1+M2+M3=511.2×4.8/2+4.8×4.8×1.3×25×4.8/2+2.545×25×11×4.8/2=4703.495kN .mM抗/ M倾=4703.495/1358.79=3.462≥k=1.4满足要求!非工作状态:倾覆力矩由水平荷载产生M倾=M+M H=1552+73.9×(1.3+0)=1648.07kN.m抗倾覆力矩由上部荷载产生的抗倾覆力矩M1,与承台自重产生的抗倾覆力矩M2和桩自重产生的倾覆力矩M3构成:M抗=M1+M2+M3=464.1×4.8/2+4.8×4.8×1.3×25×4.8/2+2.545×25×11×4.8/2=4590.455kN .mM抗/ M倾=4590.455/1648.07=2.785≥k=1.4满足要求!五、承台计算1、荷载计算承台有效高度:h0=1300-50-22/2=1239mm不计承台自重,在荷载效应基本组合下桩的竖向反力设计值:N=F=626.535kN,桩中心至塔身边缘截面距离:s=B/2=0.8mM=Ns=626.535×0.8=501.228kN.m2、承台配筋计算(1)、承台底面长向配筋面积αS1= M y/(α1f c bh02)=501.228×106/(1×16.7×4800×12392)=0.004ζ1=1-(1-2αS1)0.5=1-(1-2×0.004)0.5=0.004γS1=1-ζ1/2=1-0.004/2=0.998A S1=M y/(γS1h0f y1)=501.228×106/(0.998×1239×360)=1127mm2最小配筋率:ρ=max(0.2,45f t/f y1)=max(0.2,45×1.57/360)=max(0.2,0.196)=0.2% 梁底需要配筋:A1=max(A S1, ρbh0)=max(1127,0.002×4800×1239)=11895mm2 承台底长向实际配筋:A S1'=12545mm2≥A1=11895mm2满足要求!(2)、承台底面短向配筋面积αS2= M x/(α2f c bh02)=501.228×106/(1×16.7×4800×12392)=0.004ζ2=1-(1-2αS2)0.5=1-(1-2×0.004)0.5=0.004γS2=1-ζ2/2=1-0.004/2=0.998A S2=M x/(γS2h0f y1)=501.228×106/(0.998×1239×360)=1127mm2最小配筋率:ρ=max(0.2,45f t/f y1)=max(0.2,45×1.57/360)=max(0.2,0.196)=0.2% 梁底需要配筋:A2=max(9674, ρlh0)=max(9674,0.002×4800×1239)=11895mm2 承台底短向实际配筋:A S2'=12545mm2≥A2=11895mm2满足要求!(3)、承台顶面长向配筋面积承台顶长向实际配筋:A S3'=12545mm2≥0.5A S1'=0.5×12545=6273mm2满足要求!(4)、承台顶面短向配筋面积承台顶长向实际配筋:A S4'=12545mm2≥0.5A S2'=0.5×12545=6273mm2满足要求!(5)、承台竖向连接筋配筋面积承台竖向连接筋为双向Φ10@500。
安全作业指导书单位工程名称塔吊基础设计计算书建设单位施工单位项目经理技术负责人安全员2004年月日1工程概况1.1工程名称:1.2建筑面积:m2 。
1.3结构型式:结构,层。
最大高度h= m.1.4质量标准:1.5工期要求:总工期:d。
本分项工程工期:d。
1.6塔吊型号:1.7塔吊最大起重量:t;最大臂长m,起重量t。
1.8塔吊基础形式:固定式桩承台厚度砼标号:C35 1.9吊基水平配筋:双层双向;主筋直径间距@200竖向配筋:塔吊施工方案编制人职务(称)审核人职务(称)批准人职务(称)批准部门(章)编制日期程塔吊施工方案一、工程概况:二、塔吊基础承台;设计承台长度为4m,宽度为4m,砼标号为C20,承台下为4根Φ700钻孔灌注桩,控制标高为-2.9m松散层为1.5m,有效桩长为35m。
钢筋笼的配筋为:主筋12Φ18,其中6Φ18长为10m,锚入承台内长度为800,笼箍筋为Φ8@300螺旋筋,加强箍为Φ12@2000。
塔吊基础厚度为 1.6m,顶标高为-2.9m,塔吊基础承台配筋详见附图。
三、塔吊的安装(一)本塔吊的安装高度为80m,自由高度10m,提升高度20m,该塔吊设计附着高度及使用高度中以塔身中心距建筑物 6.8。
要求为五次附着,第一次附着标高为15m,第二次及以上的附着间距为10m,四根撑杆的长度分别为8.2m,6.7m,该附着装置由项目部根据施工现场测得数据后确定,撑杆部分采用圆管制作。
共分4点附着。
(二)为了增加塔吊的使用稳定性,减少塔身的自由高度,改善塔身的受力情况,提高塔吊的使用高度,而增加受力装置,主要把塔身的水平分力通过此装置传递给建筑物,附着装置由附着架通过撑杆固定的建筑物双耳连接基座上。
(三)作业前的检查:(1)驾驶人员必须经过专门的训练,了解机械构造,原理和操作方法懂得保养和安全操作规程,身体健康,责任心强并经考核合格后持证单独操作。
(2)应认真阅读塔吊说明书,司机必须遵照QTZ63型塔吊说明书要求使用。
QTZ63单桩加承台基础计算书宜昌恒大雅宛首期独立影城及相应地下室:工程拟建地点位于宜昌市伍家岗工业园内前坪村和公谊村,属于框架结构;地上3层,地下1层;建筑总高度38.5 米,建筑面积平方米;总工期为18个月。
建设单位:设计单位:地勘单位:监理单位:施工单位:本工程施工单位由担任项目经理,担任技术负责人。
一、塔吊的基本参数信息塔吊型号:QTZ63(5610) 塔吊起升高度H=45m塔吊倾覆力矩M=1200kN.m 混凝土强度等级:C35塔身宽度B=2.5m 基础埋深d=0m塔吊自重G=444.2kN 基础承台厚度Hc=1.7m最大起重荷载Q=60kN 基础承台宽度Lc=5.0m桩钢筋级别:HRB400 桩直径或者方桩边长=1.8m桩中心间距a=0m 承台箍筋间距S=160mm承台砼的保护层厚度=50mm。
二、塔机基础的抗倾覆设计计算1、塔机基础抗倾覆的计算模式单桩承台式深基础抗倾覆的计算模式是以承台基础为主导的抗倾覆计算方法,计算力臂为承台宽度的一半数值,安全系数取值K=1.8。
2、塔机基础所承受的最大荷载3、确定承台和桩基的设计尺寸1)承台基础设计尺寸:平面尺寸b为5m*5m,高度h=1.7m。
2)桩基础的设计尺寸:直径D=1.8m,桩深L取7m。
4、计算非工作工况时的力矩平衡塔机基础在非工作工况时的倾覆力矩最大,为塔吊最不利受力状态,进行塔机基础抗倾覆计算。
1):MP =M1+M2+M3式中:M1—承台混凝土的平衡力矩,M1=b2*h·γC·b/2=52*1.7*25*5/2=2656.25KN·mM2—桩基础混凝土的平衡力矩,M2=π·D2/4·l·γC·b/2=3.14*1.82/4*7*25*2.5=1112.74 KN·mM3—塔机垂直力的平衡力矩,M3=G·B/2=570*2.5=1425 KN·m;则MP=5193.99KN·m。
2)倾覆力矩:M=M倾+M推。
式中:M倾—塔机的倾覆力矩,M倾=1240KN·m;M推—塔机水平力产生的倾覆力矩,M推=F·h=59*1.7=100.3 KN·m;则M=1240+100.3=1340.3KN·m。
3)抗倾覆复核:MP≥KM,式中K为安全系数,取K=1.8。
MP/M=5193.99/1340.3=3.87>1.8,塔机基础抗倾覆稳定性满足要求。
三、塔吊基础承台顶面的竖向力与弯矩计算塔吊自重(包括压重)F1=444.2kN,塔吊最大起重荷载F2=60kN,作用于桩基承台顶面的竖向力F=1.2×(F1+F2)=605.04kN,塔吊的倾覆力矩M=1.2×1200=1440kN.m。
四、承台配筋及承载力验算1.塔吊基础承载力计算根据《塔式起重机混凝土基础工程技术规范》JGJ/T 187-2009,塔机在独立状态时,作用于基础的荷载应包括塔机作用于基础顶的竖向基础荷载值(KF)、水平荷载标准值(VK F )、倾覆力矩(包括塔机自重、起重荷载、风荷载引起的力矩)荷载标准值,扭矩荷载标准值(K T )以及基础和其上覆盖土的自重荷载标准值(K G ),见图 2。
矩形基础地基承载力计算应符合以下规定:1、基础底面压力应符合以下要求:1)当轴心荷载作用时: a K f P ≤ (1) 式中:K P —荷载效应标准组合下,基底的平均竖向压力(KN )。
—荷载效应标准组合下,基底的最大竖向压力(KN )。
a f —地基承载力。
2)当偏心荷载作用时:m ax k P 2.1≤a f (2) m ax k P —荷载效应标准组合下,基底的平均竖向压力(KN )。
当偏心距6b e ≤时 m ax k P =WH F M bl G F VK K K K ⨯+++ (3) 当偏心距e>6b 时 m ax k P =la G F K K 3)(2+ (4)2、偏心距 e 计算为:KK VK K G F H F M e +⨯+= (5) 水平荷载标准值主要为风荷载,根据《塔式起重机混凝土基础工程技术规范》,风荷载基本风压按照2/2.0m KN F VK =.式中K F ──塔吊作用于基础的竖向力,它包括塔吊自重,压重和最大起重荷载K F =1.2×(444.2+60)=605.04KN ;K G ──基础自重, K G =1275KNK G =1.2×25×5.0×5.0×1.7=1275KN (6)C B ──基础底面的宽度,取C B =5.0M ;W ──基础底面的抵抗矩,W=63C B =20.833m ; M ──倾覆力矩,包括风荷载产生的力距和最大起重力距,21440m KN M K •= 其中2140012002.1m KN M K •=⨯= (7)a ──合力作用点至基础底面最大压力边缘距离(m),按下式计算:m G F M B a K K K C 73.1127504.605144020.52=+-=+-= (8) 经过计算得到:无附着的最大压力设计值m ax k P =Kpa 33.14483.20144025127504.605=++ (9) 无附着的最小压力设计值 m in k P =Kpa 07.683.20144025127504.605=-+ (10) 有附着的压力设计值Kpa P K 02.7525127504.605=+= (11)偏心距较大时压力设计值Kpa la G F P K K KMAX 89.14473.10.53)127504.605(23)(2=⨯⨯+⨯=+= (12) 因此根据式子(1)(2)可以得到:Kpa f a 74.120≥ (13)五)承台配筋计算依据《建筑地基基础设计规范》GB 50007-2002第 8.2.7条。
1、抗弯计算,计算公式如下:⎥⎦⎤⎢⎣⎡-+⎪⎭⎫ ⎝⎛-++=l P P A G P P a l a M )(2)2(121max max '211 (21) 式中1a ──截面 I-I 至基底边缘的距离,取1a =5.0/3=1.67m ;P──截面 I-I 处的基底反力:P=Kpa a a a P 76.1280.5367.10.5389.144331max =⨯-⨯⨯=- (22) 'a ──截面 I-I 在基底的投影长度,取 'a =5.5/3=1.67m经过计算得:m KM M •=⎥⎥⎥⎦⎤⎢⎢⎢⎣⎡-+⎪⎭⎫ ⎝⎛-++⨯=07.4845*)76.12889.144(25255076.12889.144)67.110(67.1121212、配筋面积计算,公式如下:依据《建筑地基基础设计规范》GB 50007-2002第 7.2条。
2031h b f M c s αα= (23) s αε211--= (24) 21εγ-=s (25) yS s f h M A 0γ= (26)式中1α──系数,当混凝土强度不超过 C50时,1α取为 1.0,当混凝土强度等级为 C80时,1α取为0.94,期间按线性内插法确定;c f ──混凝土抗压强度设计值;0h ──承台的计算高度。
经过计算得:493.04.1*0.5*3.1407.48432==s α 882.0493.0211211=⨯--=--=s αε559.02882.0121=-=-=εγs 26096.14143601700559.01007.484mm f h M A y S s =⨯⨯⨯==γ 实际配置HRB400直径20@160,实际配筋值为19632mm ,满足要求。
六、桩承载力验算桩承载力计算依据《建筑桩技术规范》(JGJ94-94)的第4.1.1条。
根据计算方案可以得到桩的轴向压力最大值FK+GK=N=1880.04kN ;桩顶轴向压力设计值应满足下面的公式:其中,γo ──建筑桩基重要性系数,取1.00;f c ──混凝土轴心抗压强度设计值,fc=16.70N/mm 2;A ──桩的截面面积,A=2.54×106mm 2。
则,1.00×1880040=1.88×106N ≤16.70×2.54×106=42.418×106N ;经过计算得到桩顶轴向压力设计值满足要求,只需构造配筋!七、桩竖向极限承载力验算桩承载力计算依据《建筑桩基技术规范》(JGJ94-94)的第5.2.2-3条;根据第二步的计算方案可以得到桩的轴向压力设计值,取其中最大值N=1880.04kN;单桩竖向承载力设计值按下面的公式计算:其中R──单桩的竖向承载力设计值;Q sk──单桩总极限侧阻力标准值:Q pk──单桩总极限端阻力标准值:ηs, ηp──分别为桩侧阻群桩效应系数,桩端阻群桩效应系数,γs, νp──分别为桩侧阻力分项系数,桩端阻抗力分项系数,q sik──桩侧第i层土的极限侧阻力标准值;q pk──极限端阻力标准值;u──桩身的周长,u=5.65m;A p──桩端面积,取A p=2.54m2;l i──第i层土层的厚度;各土层厚度及阻力标准值如下表:序号土厚度(m) 土侧阻力标准值(kPa) 土端阻力标准值(kPa) 土名称1 3.00 35.00 180.00 粘性土2 10.00 150.00 2500.00 粘性土由于桩的入土深度为7.00m,所以桩端是在第2层土层。
单桩竖向承载力验算:R=5.65×(3.00×35.00×0.65+4.00×150.000×0.9)/1.75+1.1×2500.00×2.54/1.75=5.96×103kN>N=1880.04kN;上式计算的R的值大于最大压力1880.04kN,所以满足要求!八.桩抗拔承载力验算桩抗拔承载力验算依据《建筑桩基础技术规范》(JGJ94-94)的第5.2.7条桩抗拔承载力应满足下列要求:其中:式中 Uk──基桩抗拔极限承载力标准值;最小压力取144.89kN i──抗拔系数;解得:Ugk=5.65×(3×35×.75+4×150×.6)/3=826.31kNGgp=5.65×7×22/3=290.03kNUk=2.54×(3×35×.75+4×150×.6)=1114.42kNGp=2.54×7×25=444.5kN由于: 826.31/1.65+290.03>144.89满足要求!由于: 1114.42/1.65+444.5>144.89满足要求!九、桩配筋计算1.桩构造配筋计算As=πd2/4*0.2%=3.14*18002/4*0.2%=5086.8m22.桩抗压钢筋计算经过计算得到桩顶轴向压力设计值满足要求,只需构造钢筋!3.桩受拉钢筋计算依据《混凝土结构设计规范》(GB50010-2002)第7.4条正截面受拉承载力计算。