生产经营单位应急处置卡模板.pdf
- 格式:pdf
- 大小:14.78 KB
- 文档页数:1
(页面边距设定为“适中”;表格左对
齐)附图:XXX事故处置流程图
1、XXX应急处置卡
(宋体,三号,红色,居中)
步骤
处置
(宋体,五号,黑色,加粗,居中)负责人
执行情况
(2)
程序启
动
通知车间值班人员、领导,并组织岗位人员进
行事故处理。
班长
应急处理1、(序号后用顿号“、”,禁止用点“
司炉岗
位
2、
分馏内
操
3、
反应外
操
4、反应内
操外操(内容:宋体,五号,黑色;“负责人”细分到具体岗位)
注意事项1、穿戴好劳保着装,携带报警仪、可燃气体检测仪;
2、抢险过程采用防爆工具;
3、进入着火现场人员必须位于着火点上风口;
4、进入抢险现场前,先确定切断电源;
5、应急救援结束后,加强巡检,防止复燃;
自产蒸汽自
D-1003
来
F-1001
__ “消音器
并入w LUB
I.OMpa
蒸汽
C-
1OO1A
大吹汽
I.OMpa 3.5Mpa
蒸汽进装置F蒸汽进装置
C-
1OO1B。
XX市安全生产应急处置卡模板为进一步推进安全生产应急处置卡编制工作,切实提升企业应急处置能力,根据全市XX年度安全生产应急管理重点工作安排,市局收集编制了部分安全生产应急处置卡参考模板,请结合当地实际借鉴参考,切实推进应急处置卡编制工作。
各县市区、企业有好的做法和模板,请及时向市局推荐。
本模板分为《主要负责人应急处置卡模板》、《抢险救援组负责人应急处置卡》、《xx岗位应急处置卡模板》、《电工等5类岗位简易应急处置卡》(分别对应附件1-4)等4项。
推广过程中请注意以下几点:1.前两项为企业应急指挥部成员用处置卡,采用正反面打印。
可以参照其格式,根据企业应急预案内容制定其他应急指挥部成员的应急处置卡。
2.第三、四项为针对一线作业人员的应急处置卡,采用正反面打印。
可以分别推广或根据岗位类型将第四项中处置措施替换第三项中处置措施形成新的岗位应急处置卡。
3.以上应急处置卡请企业结合自身实际情况,制作成口袋卡(约8.5cm*5.5cm)、口袋书或岗位现场看板,发放到相关人员手中或悬挂在相应岗位上。
附件:1.主要负责人应急处置卡模板;2.抢险救援组负责人应急处置卡;3.xx岗位应急处置卡模板;4.电工等5类岗位简易应急处置卡;安全生产监督管理局年月日附件1:主要负责人应急处置卡模板单 位 联系电话 (有手机填写手机)应急指挥部办公室 事故救援组 后勤保障组 事故警戒组 医疗卫生组 技术指导组 安监部门 消防部门 交通部门 医疗部门 上级主管部门事故应急处置流程图各应急小组负责人联系方式抢险救援组负责人应急处置卡附件2:单 位 联系电话 (有手机填写手机)应急指挥部办公室 事故救援组 后勤保障组 事故警戒组 医疗卫生组 技术指导组 应急队伍队长 应急队伍1小队队长 应急队伍2小队队长 应急队伍3小队队长事故应急处置流程图各应急小组负责人联系方式火灾事故(1)发现者立即停止作业并大声呼喊传递事故信息,其他人员电话报告公司办公室(电话:xxxxxxx)。
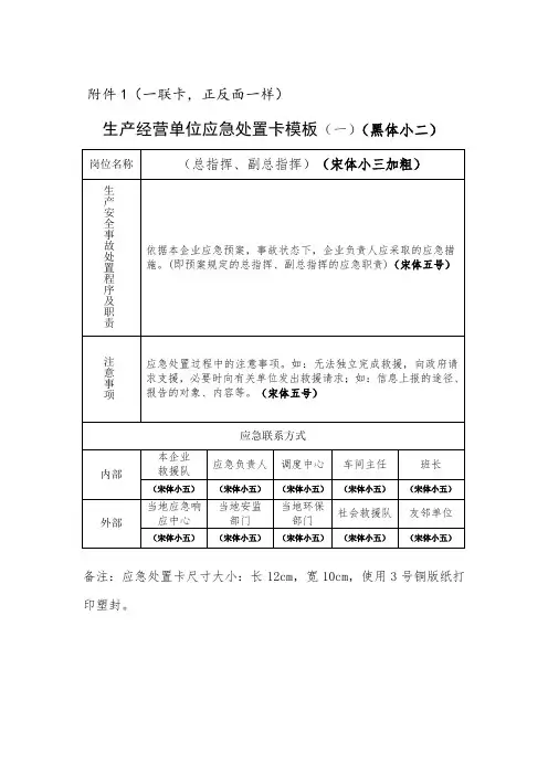
附件1(一联卡,正反面一样)
生产经营单位应急处置卡模板(一)(黑体小二)
备注:应急处置卡尺寸大小:长12cm,宽10cm,使用3号铜版纸打印塑封。
附件2(一联卡,正反面一样)
生产经营单位应急处置卡模板(二)(黑体小二)
备注:应急处置卡尺寸大小:长12cm,宽10cm,使用3号铜版纸打印塑封。
附件3(一联卡,正反面一样)
生产经营单位应急处置卡模板(三)
备注:1.涉危险化学品岗位、部位应急处置卡要有危险物品名称和特性描述。
2.应急处置卡尺寸大小:长12cm,宽10cm,使用3号铜版纸打印塑封。
附件4(两联卡)
XXXXXXXX应急处置卡模板(正面)
XXXXXXXX应急处置卡模板(反面)
备注:应急处置卡尺寸大小:长12cm,宽10cm
附件5(两联卡)
XXXXXXXXXX应急处置卡模板(正面)
XXXXXXXXXX应急处置流程图(反面)
备注:应急处置卡尺寸大小:长12cm,宽10cm。
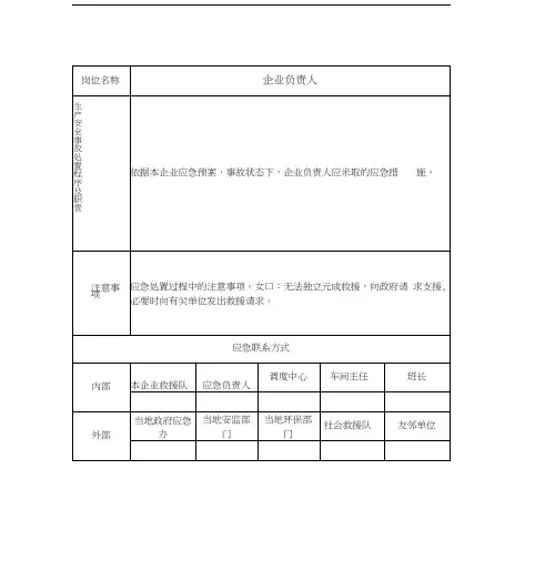
生产经营单位应急处置卡模板(一)(黑体小二)岗位名称(总指挥、副总指挥)(宋体小三加粗)生产安全事故处置程序及职责依据本企业应急预案,事故状态下,企业负责人应采取的应急措施。
(即预案规定的总指挥、副总指挥的应急职责)(宋体五号)注意事项应急处置过程中的注意事项。
如:无法独立完成救援,向政府请求支援,必要时向有关单位发出救援请求;如:信息上报的途径、报告的对象、内容等。
(宋体五号)应急联系方式内部本企业救援队应急负责人调度中心车间主任班长(宋体小五)(宋体小五)(宋体小五)(宋体小五)(宋体小五)外部当地应急响应中心当地安监部门当地环保部门社会救援队友邻单位(宋体小五)(宋体小五)(宋体小五)(宋体小五)(宋体小五)备注:应急处置卡尺寸大小:长12cm,宽10cm,使用3号铜版纸打印塑封。
生产经营单位应急处置卡模板(二)(黑体小二)岗位名称预案规定的各应急小组(宋体小三加粗)生产安全事故处置程序及职责依据本企业应急预案,事故状态下,各应急小组应采取的应急措施。
(注:需细化至各小组成员、每个成员的具体工作任务等)(宋体五号)注意事项应急处置过程中的注意事项。
如:针对自身承担的应急任务,需采取的防护措施等;如:社会救援队伍进入厂区内,引导并告之安全注意事项等。
(宋体五号)应急联系方式内部本企业救援队企业负责人调度中心车间主任班长外部当地应急响应中心当地安监部门当地环保部门社会救援队友邻单位备注:应急处置卡尺寸大小:长12cm,宽10cm,使用3号铜版纸打印塑封。
生产经营单位应急处置卡模板(三)岗位名称车间班组重点岗位关键部位风险提示主要包括:物体打击、车辆伤害、机械伤害、起重伤害、触电、淹溺、灼烫、火灾、高处坠落、坍塌、冒顶片帮、透水、放炮、火药爆炸、瓦斯爆炸、锅炉爆炸、容器爆炸、其他爆炸、中毒和窒息、其他伤害等。
应急处置措施明确针对上述可能发生事故的具体应对措施,着重解决发生事故时员工“怎么做、做什么、何时做、谁去做”的问题。
主要负责人应急处置卡各(1)接到现场报警后,如造成人员伤亡,在一小时将事故情况内上报所在地县级以上安监部门(电话号码:xxx )。
(2)当需要启动公司级应急预案后,第一时间下令启动预案,到达现场成立应急指挥部,担任总指挥,通过应急指挥部办公室通知应急指挥部各成员(电话见背面)和可能被波及到的周边单位。
(3)根据事故情况,结合各应急指挥部成员(如现场救援组等)意见,指挥应急救援工作。
(4)如判断企业无法独立完成救援工作,通过指挥部办公室向上级政府请求支援。
(5)在上级政府应急指挥部成立后,向其移交指挥权,介绍事故情况,做好后勤保障工作,配合开展救援。
(6)组织重伤以下事故调查处理,抚恤伤亡人员,总结应急工作经验,落实整改措施。
正面反面应急管理负责人应急处置卡单位联系电话应急指挥部办公室xxx 事故救援组(填企业)后勤保障组填企业事故警戒组填企业安监部门xxx消防部门xxx海事部门xxx公安部门xxx医疗部门xxx上级主管部门填主管部门事故应急处置流程图(1)接到指挥部办公室通知后,第一时间到达现场参加指挥部,接受总指挥指挥。
(2)电话通知抢险救灾组成员和企业应急队伍队员到达现场或做好应急准备(电话号码见背面)。
正面事故应各应急小反面单位联系电话填企业应急指挥部办公室填企业事故救援组填企业后勤保障组填企业事故警戒组应急队长填企业生产部应急队长填企业正面事故救援组组长应急处置卡(1)接到指挥部办公室通知后,第一时间到达现场,接受总指挥、应急管理负责人的抢险救援指挥。
(2)电话通知各应急队伍队长到达现场或做好应急准备(电话号码见背面)。
(3)会同安全管理人员及组长协助应急管理负责人制定事故抢险方案。
(4)在应急管理负责人的指挥下,组织各应急队伍按照应急预案开展紧急停车停电、事故现场人员疏散、事故抢险救援工作。
(5)当判断企业层面无法进行救援时,向总指挥、应急管理负责人提议请求外界支援,并组织人员采取措施,防止事故扩大的冷却、隔离、转移重要物资等先期处置工作。
常见生产安全事故应急处置卡
1.人员伤亡事故:
-在事故现场设立警戒线,确保周围人员安全
-对伤员进行紧急救治,如止血、人工呼吸等
-快速将伤员转移到医疗机构进行进一步救治
-将事故原因报告给相关部门,如劳动保障部门
2.火灾事故:
-迅速报告火灾的详细情况,包括地点、火势等
-尽可能控制火势蔓延,使用灭火器、灭火器等进行初期扑救
-在火灾现场组织人员疏散,并确保所有人员安全撤离
-确保消防部门得到及时通知并前往现场进行救火工作
3.防爆事故:
-发生防爆事故时,立即切断电源,确保电气设备不会引发进一步爆炸
-迅速报告事故发生的详细情况,包括地点、爆炸原因等
-组织周围人员疏散,确保安全距离
-防止火源接触可燃气体或易燃液体,以免引发次生事故
-通知相关部门进行事故调查,并采取措施防止再次发生类似事故
4.物料倾倒事故:
-确定事故现场,并设立警戒线,防止周围人员靠近
-阻止继续倾倒的物料
-通知相关部门进行调查,并采取措施防止类似事故再次发生
5.故障电气设备事故:
-若发现电气设备故障,立即切断电源,并确保场地安全
-确定故障设备的位置和原因,并报告给专业维修人员
-保护现场,防止人员靠近受到伤害
-通知相关部门进行故障排查和维护工作
-对其他电气设备进行全面检查,确保整个系统安全
以上是常见的生产安全事故应急处置卡,根据不同行业和企业的实际情况,应急处置卡内容可能会有所不同。
企业应根据自身的特点和实际情况进行定制和修改,以确保应急处置卡的有效性和适用性。
同时,企业还应定期进行应急演练,提高员工的应急处理能力和反应速度,以应对突发的安全事故。
生产经营单位应急处置卡模板
岗位名称车间班组重点岗位关键部位
风险提示主要包括:物体打击、车辆伤害、机械伤害、起重伤害、触电、淹溺、灼烫、火灾、高处坠落、坍塌、冒顶片帮、透水、放炮、火药爆炸、瓦斯爆炸、锅炉爆炸、容器爆炸、其他爆炸、
中毒和窒息、其他伤害等。
应急处置措施明确针对上述可能发生事故的具体应对措施,着重解决发生事故时员工“怎么做、做什么、何时做、谁去做”的问题。
针对某一项可能发生的事故,从信息报告、具体操作措施、工艺处置流程、现场处置、事故控制、自救互救、人员疏散等方面制定明确的应急处置措施。
(简明、扼要、实用)
注意事项1.佩戴个人防护器具方面;
2.使用抢险救援器材方面;
3.自救互救方面;
4.防止次生事故方面;
应急联系方式
内部
企业负责人生产厂长调度中心车间主任班长
外部报警电话火警电话急救电话园区应急中心安监部门110 119 120
备注:1.涉危险化学品岗位、部位应急处置卡要有危险物品名称和特
性描述。
2.应急处置卡尺寸大小(根据内容可适当调整):长 20cm,宽 15cm,尽可能使用3号铜版纸打印塑封。