企业应急物资及装备清单
- 格式:doc
- 大小:25.56 KB
- 文档页数:7
基础设施项目应急物资清单一、基本信息1. 项目名称:XX基础设施项目2. 项目地点:XX市XX区3. 项目规模:XX万元4. 施工单位:XX工程有限公司5. 监理单位:XX监理有限公司二、应急物资分类应急物资分为以下几类:1. 个人防护装备2. 急救用品3. 消防设备4. 通信设备5. 食品和水6. 临时住所7. 工程设备三、应急物资详细清单1. 个人防护装备1.1 安全帽1.2 安全带1.3 防尘口罩1.4 防护眼镜1.5 防护手套1.6 防护鞋1.7 反光背心2. 急救用品2.1 急救包2.2 担架2.3 心脏复苏设备2.4 止痛药2.5 消炎药2.6 感冒药2.7 绷带2.8 创可贴2.9 体温计3. 消防设备3.1 灭火器3.2 消防水带3.3 消防栓3.4 消防斧3.5 手电筒3.6 应急照明设备4. 通信设备4.1 对讲机4.2 手机充电宝4.3 卫星电话4.4 信号放大器5. 食品和水5.1 方便面5.2 饼干5.3 矿泉水5.4 罐头5.5 速食品6. 临时住所6.1 活动板房6.2 帐篷6.3 睡袋6.4 床垫6.5 生活用品(牙膏、牙刷、毛巾等)7. 工程设备7.1 发电机7.2 施工升降机7.3 装载机7.4 挖掘机7.5 混凝土泵车7.6 搅拌机四、应急物资管理1. 项目团队应定期检查应急物资的完好性,确保所有物资处于可用状态。
2. 项目团队应定期对应急物资进行补充和更新,确保物资的充足性。
3. 项目团队应指定专门的应急物资管理人员,负责物资的存放、管理和发放。
4. 在紧急情况下,项目团队应立即启动应急响应计划,按照预案使用应急物资。
五、注意事项1. 应急物资的准备应根据项目特点和所在地区的自然环境进行调整。
2. 项目团队应定期开展应急演练,提高应急响应能力。
3. 项目团队应密切关注天气预报,及时应对自然灾害。
通过以上措施,我们可以确保基础设施项目在紧急情况下的应急响应能力,保障项目人员和设备的安全。
公司应急救援物资装备清单随着社会的发展和企业生产经营活动的不断扩大,应急救援物资装备对企业的安全和可持续发展至关重要。
为了确保企业在突发事件中能够做出及时、有效的应对并最大限度地减少损失,公司需要建立健全的应急救援物资装备清单。
下面是一个1200字以上的公司应急救援物资装备清单。
1.急救包急救包是应急救援中最基本的物资装备之一,用于提供紧急的医疗救助。
急救包内应包含医用消毒棉、医用止血贴、绷带、创可贴、酒精等基本急救物品,以及药物如退烧药、止痛药等。
2.消防器材消防器材是保障企业消防安全的重要装备之一,包括灭火器、消防栓、消防水带等。
应确保这些物资装备处于良好的工作状态,并定期进行检查和维护,以确保在火灾发生时能够及时进行灭火。
3.安全防护设备安全防护设备是确保员工在工作中安全的重要装备,包括头盔、口罩、安全鞋、防护服等。
这些装备应在员工进行相应工作时配备,并确保其质量符合国家标准。
4.备用电源备用电源是应对突发停电情况的重要物资装备之一,其包括发电机、UPS电源等。
在突发停电时,备用电源能够提供电力支持,保障企业正常的生产运营。
5.应急通讯设备应急通讯设备包括对讲机、手机、无线电台等。
在突发事件中,通讯设备能够帮助相关人员及时沟通信息,协调救援和应对工作。
6.交通工具交通工具是应急救援过程中的重要物资装备,包括救护车、消防车、救援船等。
这些交通工具可以在需要时快速调动力量,进行救援和转运工作。
7.应急食品和饮水应急食品和饮水是为突发事件中可能出现的长时间断水断粮情况准备的。
应急食品应选择能长时间保存且易于携带的食品,而应急饮水则应储备足够的饮用水以满足员工和救援人员的需求。
8.废物处理设备废物处理设备是应急救援中很重要的一环,包括垃圾桶、废物分类箱、危险废物处理设备等。
这些设备能够帮助企业对废物进行分类、储存和处理,减轻突发事件对环境的影响。
9.GPS定位设备GPS定位设备可以帮助企业在突发事件中迅速定位并获取相关信息,以便及时采取应对措施。
应急物资储备清单
应急物资储备是灾害应对的重要措施之一,它能够在紧急情况下提供必要的物
资保障,帮助人们度过危机时刻。
建立一个完善的应急物资储备清单是非常重要的,下面将列出一份常见的应急物资储备清单,以便在灾害来临时能够及时准备。
食品储备
1.主食:面粉、大米、面条、方便面等。
2.食用油:植物油、花生油等。
3.蛋白质食品:豆类、罐头肉类、牛奶等。
4.蔬菜和水果干货:干笋、干菇、干菠萝等。
5.食用盐和调味料。
饮用水储备
1.瓶装水或桶装净水。
2.滤水壶或净水器。
急救药品
1.创可贴和伤口消毒剂。
2.感冒药、止痛药、退烧药。
3.止泻药、胃药。
4.防蛇虫毒素药品。
5.医用口罩和手套。
应急工具
1.手电筒和备用电池。
2.火柴或打火机。
3.速干胶和胶带。
4.剪刀和小型工具。
5.急救包。
保暖用品
1.毛毯或厚衣服。
2.火炉或取暖设备。
3.防风雨衣和雨鞋。
通讯工具
1.电池充电器和备用电池。
2.无线对讲机或收音机。
3.手机和注意保存电量。
其他物资
1.卫生纸和湿巾。
2.纸笔和备用钱币。
3.重要证件和备用钥匙。
在生活中,突发状况难以避免,因此及时做好应急物资储备准备至关重要。
希望大家可以按照以上清单,做好应急物资储备,以确保在灾害来临时能够得到有效的保障。
主要安全实施及应急救援物资装备清单一、主要安全实施措施:1.灭火器具:在办公室、工厂、学校等场所要配备足够数量的灭火器,定期检查灭火器的有效性,确保在发生火灾时可以及时扑灭火灾。
2.安全排查:定期进行安全排查,发现安全隐患及时进行整改,确保场所的安全环境。
3.安全培训:对员工进行安全培训,指导员工如何正确使用安全设备、掌握安全知识,提高员工的安全意识。
4.应急预案:制定完善的应急预案,明确各种突发情况的处置流程和责任分工,确保在发生事故时可以迅速有效地做出应对措施。
5.检修设备:定期对工厂、办公室等场所的设备进行检修维护,确保设备正常运行,减少因设备故障引发的安全事故。
6.人员管理:严格管理进入工厂、办公室等场所的人员,确保只有经过培训和授权的人员才能操作设备,减少人为因素导致的安全事故。
7.安全通道:保持安全通道畅通,避免堵塞,确保在紧急情况下员工能够迅速有序地撤离。
二、应急救援物资、装备清单:1.急救箱:应急救援物资中必备的物品之一,包括消毒棉、创可贴、纱布、止血带、冰袋等。
2.安全头盔:对于需要登高作业或搬运重物的工作场所,安全头盔是必备装备,可以减少头部受伤的风险。
3.防护手套:用于防止手部受伤的装备,适用于需要进行手动作业的场所。
4.呼吸器:对于有毒气体或灰尘较多的场所,呼吸器可以帮助员工呼吸纯净空气,避免中毒或呼吸道疾病。
5.紧急灯具:用于在停电或火灾等紧急情况下提供照明,帮助员工迅速有序地撤离。
6.手提式无线对讲机:用于在大型场所或复杂环境下进行通讯,方便对救援工作进行协调。
7.安全绳索:适用于高空作业或悬挂物品的场所,可以确保员工的安全,防止发生坠落事故。
8.消防设备:包括灭火器、消防栓等设备,用于扑灭初起火灾,防止火势扩大。
以上是主要的安全实施措施及应急救援物资、装备清单,只有通过严格的安全管理和完善的应急预案,才能有效预防和应对可能发生的安全事故,保障员工和场所的安全。
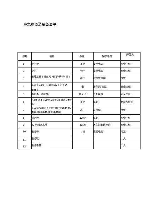
企业应急物资及装备清单一、应急物资清单:1.应急食品:泡面、罐头、压缩饼干等能够长时间保存且易于食用的食品。
2.饮用水:储备足够的瓶装水,一般每人每天至少需要2升。
3.应急药品:常备急救药箱,包括创可贴、消毒纱布、止血纱布、医用胶布、常用药物等。
4.照明设备:手电筒、应急灯、头灯等用于照明的设备。
6.救生装备:安全帽、救生衣、救生圈、救生绳等用于应对水域事故的装备。
7.防护用品:口罩、手套、护目镜、防护服等用于防止病毒、化学品等的防护用品。
8.消防器材:灭火器、灭火器车、消防水带、紧急逃生绳等用于处理火灾事故的器材。
9.雨具:雨衣、雨伞等防雨设备。
10.温暖用品:毛毯、暖宝宝等保暖设备。
二、应急装备清单:1.应急发电设备:备用发电机和燃油以备电力中断时使用。
2.应急医疗设备:心电监护仪、呼吸机、除颤器等用于急救和抢救的医疗设备。
3.应急救援工具:千斤顶、搜救犬、救生艇等用于救援被困人员的工具。
4.预警系统:烟雾探测器、火灾报警器、安全警报器等用于提前发现和警报事故的设备。
6.安全监控设备:安全摄像头、入侵报警器等用于监控企业安全的设备。
7.应急车辆:应急救护车、消防车、物流车等用于应急救援和物资运输的车辆。
8.抢险工具:切割机、电钻、电锯等用于处理事故现场的工具。
9.治安装备:防弹背心、防爆盾、安全带等用于维护治安和保障安全的装备。
10.备用设备:备用电脑服务器、备用提升机、备用水泵等用于替换故障设备的备用设备。
以上是企业应急物资及装备清单的一部分,不同企业的应急物资和装备清单可能会有所不同,根据实际情况进行合理选择和配备。
同时,企业还应定期检查、更新和更换这些物资和装备,以确保其正常使用和有效性。
突发工程需求的应急物资配备清单为了应对突发工程需求,确保项目能够顺利进行并保证工作人员的安全,需要准备一份应急物资配备清单。
以下是一份简单且没有法律复杂性的清单,以确保决策独立并不需要用户协助。
目标- 确保项目能够顺利进行且不受突发工程需求的影响- 保障工作人员的安全和福利物资清单1. 安全装备:- 安全帽- 防护手套- 防护眼镜- 防尘口罩- 防护鞋2. 急救设备:- 急救箱- 医疗用品(绷带、消毒棉球、医用胶布等)- 口对口呼吸面罩- 体温计3. 工具和设备:- 手电筒及备用电池- 多功能工具- 充电器和电源适配器- 手持对讲机- 梯子- 手推车- 手持测量工具(尺子、水平仪等)- 手提式灭火器4. 应急通讯设备:- 手机及备用电池- 无线对讲机- 充电器和电源适配器5. 食品和饮用水:- 紧急食品供应(如能量棒、罐头食品等)- 瓶装水6. 应急住宿设备:- 帐篷- 睡袋- 充气床垫7. 清洁用品:- 手消毒液- 抗菌湿巾- 垃圾袋8. 保安设备:- 安全锁- 监控摄像头- 防盗警报器9. 其他:- 地图和导航设备- 备用钥匙- 紧急联系人名单以上清单只是一个简单的参考,具体的物资配备应根据具体的项目需求和实际情况进行调整。
在配备物资时,请确保物资的质量和有效期,并定期检查和更新物资。
同时,应制定详细的应急物资使用和管理计划,以确保物资的合理使用和储存。
请记住,这份清单只是一个起点,根据具体情况进行调整和补充是必要的。
应急预案物资清单及要求为规范各应急预案物资的管理,进一步提高抢险效率,要求各加强应急库房管理,具体要求如下:
一、物品储备
三、具体要求
1、应急库房物品除抢险外任何人不准动用。
库房内储备物品清单必须上墙。
2、临时从应急库房挪用的物品当天内必须配备齐全。
夜间值班人员动用应急库房物品时必须通知领导。
3、各可根据本实际情况适当增加物品储备品种和数量。
4、应急库房钥匙由作业区夜班值班人员进行交接,库房内物品各作业区库管每天9:00前进行检查核实,发现亏缺立即反馈作业区领导。
5、生产安全科每周对各作业区应急库房物品储备情况进行检查、清点发布。
轧钢厂
2015-9-14。