(完整版)建筑施工现场消防安全巡查记录表
- 格式:doc
- 大小:28.51 KB
- 文档页数:3
防火检查记录薄防火检查记录灭火及疏散预案演练记录薄XXXX市(州)公安消防支队制灭火及疏散预案演练记录XXXXXXXXXXX有限公司二Ox x年X月X日消防安全培训记录薄XXXX市(州)公安消防支队制消防安全培训记录消防设施设备月检查记录薄XXXX市(州)公安消防支队制消防设施设备月检查记录表每日防火巡查记录薄XXXX市(州)公安消防支队制每日防火巡查记录表燃气电气设备检测记录薄XXXX市(州)公安消防支队制燃气、电气设备(防雷、防静电)检测记录部门检测的测试报告应附后。
火灾隐患整改记录薄XXXX市(州)公安消防支队制火灾隐患整改通知书(20 )改字第号:年月日防火检查发现你处存在火灾隐患,具体问题和整改意见如下:复查回执(20 )改字第号灭火器材检查记录薄XXXX市(州)公安消防支队制灭火器材检查记录消防水泵维护保养记录薄XXXX市(州)公安消防支队制消防水泵维护保养记录表火灾隐患及其整改情况记录薄XXXX市(州)公安消防支队制火灾隐患及其整改情况记录年月日消防安全制度注意事项以下提供的部分消防安全制度仅供参考,各单位应当按照国家有关规定,结合本单位的特点,建立健全各项消防安全制度和保障消防安全的操作规程,并公布执行。
单位消防安全制度主要包括以下内容:消防安全教育、培训;防火巡查、检查;安全疏散设施管理;消防(控制室)值班;消防设施、器材维护管理;火灾隐患整改;用火、用电安全管理;易燃易爆危险物品和场所防火防爆;专职和义务消防队的组织管理;灭火和应急疏散预案演练;燃气和电气设备的检查和管理(包括防雷、防静电);消防安全工作考评和奖惩;其他必要的消防安全内容。
消防安全教育、培训制度1、每年以创办消防知识宣传栏、开展知识竞赛等多种形式,提高机关大院各单位全体员工的消防安全意识。
2、定期组织学习消防法规和各项规章制度,做到依法治火。
3、各单位、各部门应针对岗位特点组织本单位员工进行消防安全教育培训。
消防安全检查记录表检查项目检查内容情况记录发现问题及处置情况一电气防火措施落实情况电气线路设备状况□开关安装在可燃材料上□插座安装在可燃材料上□配电箱安装在可燃材料、壳体未采用A级材料□照明、电热器备的高温部未采取不燃材料隔热措施□采取铜线、铝线代替保险丝□电气线路敷设未采取防火保护措施□防爆、防潮、防尘场所电气设备不符合安全要求□存在其它问题:电气防火管理情况□电器设备安装、维修人员不具备电工资格□私接电气线路、增加用电负荷未办理审核、审批手续□在营业期间违章进行设备检修和电气焊作业□违章使用具有火灾危险性的电热器具□存在其它问题:二可燃物、火源管理情况可燃物、火源管理情况□违章经营、储存甲、乙类商品,违章使用液化石油气及闪点<60°的液体燃料□违章使用甲、乙类可燃液体、气体做燃料的明火取暖炉具□违章使用、乙类清洗剂□存放商品超过两日销售量□盛装可燃液体、气体的密闭容器未采取避免日光照射的措施□存在违章吸烟现象,营业期间违章进行明火维修和油漆粉刷作业□配电设备等电气设备周围堆放可燃物□装修施工现场动用电气设备等明火不符合有关安全要求□营业结束后未清除遗留火种、可燃杂物,关闭非营业用电源□存在其它问题:三防火分隔、安全疏散管理措施落实情况防火分隔、安全疏散设施状况□防火门损坏或缺少、常闭式防火门无闭装置、关闭不严、未开向疏散方向□防火卷帘损坏或缺少、未采取防火保护措施、升、降、停功能不完备、无机械手动装置□防火卷帘下方0.5m范围内堆放物品□疏散指示标志损坏或缺少、指示方向错误、无保护罩、布线未采取保护措施、无备用电源□火灾应急照明损坏或缺少、指示方向错误、无保护罩、布线未采取保护措施、无备用电源□火灾应急广播扬声器损坏、缺少、声压不够□商品非营业期间未将共享空间里防火卷帘降至距地1.8m□仓库防火分隔不符合要求□柜台和货架位置改动影响安全疏散□营业厅内食品加工区分隔及加热设施不符合要求□防火、防爆、防雷措施不落实□楼板、防火墙和竖井孔等重点防火分隔部位封堵□存在其它问题:安全疏散设施管理情况□疏散指示标志等安全疏散设施被遮挡□安全疏散图示缺少、常闭防火门无保持关闭状态的提示□疏散通道被占用、封堵□安全出口上锁□在安全出口、疏散通道上安装栅栏等影响疏散的障碍物□公共区域的外窗上安装金属护栏□物品摆放妨碍人员安全疏散□在疏散走道、楼梯间悬挂、摆放可燃物品□消防车道堵塞□存在其它问题:四消防水源和消防设施、消防水源□无水或水量不足□无水位指示装置□合用水池未采取保持消防用水量的措施□冬季未采用防冻措施□管道阀门关闭不当□存在其它问题:器材管理情况消火栓系统□系统处于正常工作状态□消防水泵故障□消火栓被遮挡、挤占、埋压□消火栓箱内水枪、水带等不齐全□消火栓无明显标示□消火栓箱上锁□水带与消火栓接口连接不严密、漏水□消火栓压力显示不正常□存在其它问题:四消防水源和消防设施、器材管理情况自动喷水灭火系统□系统处于正常工作状态□喷淋水泵故障□洒水喷头被遮挡、改动位置或拆除□报警阀、末端试水装置没有明显标识□末端试水装置压力显示不正常□自动控制功能异常□消防电源不能保证□系统被违章关闭□存在其它问题:火灾自动报警系统□系统处于正常工作状态□控制器或联动控制装置故障□探测器被遮、改动位置或拆除□手动报警按钮损坏、遮挡、无标志□火灾警报装置损坏、遮挡□控制中心联动控制设备功能异常□消防电源不能保证□系统被违章关闭□存在其它问题:机械防烟排烟系统□系统处于正常工作状态□防、排烟风机故障□送风口、排烟口被遮挡、改动位置或损坏□自动控制功能异常□消防电源不能保证□系统被违章关闭□存在其它问题:灭火器□灭火器选型不当□灭火器被挪作他用、埋压□灭火器箱上锁□未按指定位置摆放□灭火器失效□存在其它问题五消防值班情况消防控制中心值班情况□自动消防系统操作人员无岗位资格证□值班人员脱岗□值班人员违反消防值班制度□未填写值班记录□存在其它问题:其它重点部位值班情况□值班人员脱岗□值班人员违反消防值班制度□未填写值班记录□存在其它问题:六防火巡查和火灾隐患整改情况防火巡查□巡查频次不够□巡查部位、内容不全□未填写巡查记录□发现问题未及时报告□发现问题未采取相应防范措施□存在其它问题:火灾隐患整改□火灾隐患底数不清、责任不明、超过时限□应立即整改的火灾隐患没有立即整改□限期改正的火灾隐患,未按时间向公安消防部门报送整改情况复函□对危险部位未落实停业整改要求□未及时报告隐患整改进展情况□未落实整改期间的防范措施□存在其它问题:七消防安全培训教育演练情况重点部位人员□已进行岗前消防安全培训,熟练掌握消防安全知识□未进行岗前消防安全培训□无培训记录其他人员□已进行(或参加)消防安全培训熟练掌握消防知识□未进行(或参加)消防安全培训□无培训记录消防宣传教育活动□按计划开展□未按计划开展□未记录消防宣传、教育活动情况消防演练□已制定灭火救援和疏散逃生预案□未制定灭火救援和疏散逃生预案□已在规定时间按预案进行演练□未在规定时间按预案进行演练□未记录消防演练情况活动情况其它检查人员签字:单位负责人签字:填表说明:检查时发现问题在对应的□内画“√”,并在备注栏中注明处置情况。
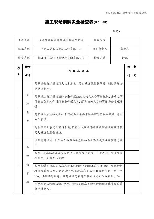
施工现场消防安全检查记录
施工现场消防安全管理检查记录表
施工现场消防安全管理检查记录表
施工现场消防安全管理检查记录表
施工现场消防安全管理检查记录表
施工现场消防安全管理检查记录表
施工现场消防安全管理检查记录表
施工现场消防安全管理检查记录表
施工现场消防安全管理检查记录表
施工现场消防安全管理检查记录表
施工现场消防安全管理检查记录表
施工现场消防安全管理检查记录表
施工现场消防安全管理检查记录表
施工现场消防安全管理检查记录表
施工现场消防安全管理检查记录表
施工现场消防安全管理检查记录表
施工现场消防安全管理检查记录表
施工现场消防安全管理检查记录表
施工现场消防安全管理检查记录表。
消防巡查检查记录表一、基本信息巡查日期:XXXX年XX月XX日巡查单位:XXXX消防队巡查人员:XXX二、巡查区域及内容1. XX区域- 检查建筑物消防设施是否完好,并进行记录。
- 检查室内火灾报警器、灭火器、自动喷水灭火系统等设施是否正常运行。
- 检查消防通道是否畅通,是否有杂物堆放或堵塞情况。
- 检查消防门、防火门、防火卷帘门等是否能够正常开闭。
- 检查消防电源是否正常供电,并检查电线、插座等是否存在安全隐患。
2. XX区域- 检查公共场所的消防安全措施是否落实,如消防标识、疏散指示标志等是否完好清晰。
- 检查高层建筑的消防逃生楼梯、防烟楼梯间等是否存在堵塞、封闭等情况。
- 检查消防水源是否畅通可用,并检查消防栓、消防水枪等设备是否完好。
- 检查物业管理单位是否定期开展消防演练和培训,是否有消防安全责任人。
三、巡查记录1. XX区域- 建筑物消防设施完好,无损坏或失效现象。
- 室内火灾报警器、灭火器、自动喷水灭火系统正常运行。
- 消防通道畅通,未发现杂物堆放或堵塞情况。
- 消防门、防火门、防火卷帘门能够正常开闭。
- 消防电源正常供电,未发现安全隐患。
2. XX区域- 公共场所消防安全措施落实良好,消防标识、疏散指示标志清晰可见。
- 高层建筑消防逃生楼梯、防烟楼梯间无堵塞、封闭等情况。
- 消防水源畅通可用,消防栓、消防水枪设备完好。
- 物业管理单位定期开展消防演练和培训,有消防安全责任人。
四、存在问题及建议1. XX区域- 建筑物消防设施中的灭火器部分已过期,建议及时更换。
- 消防通道入口处有杂物堆放,建议物业清理整理。
- 部分消防门、防火门、防火卷帘门存在开闭不灵活的情况,建议维修或更换。
2. XX区域- 部分高层建筑防烟楼梯间存在封闭现象,建议物业解决。
- 某些消防水枪的喷嘴损坏,建议更换维修。
- 物业管理单位应加强消防培训,提高员工的消防安全意识。
五、巡查结论根据本次消防巡查检查记录,大部分区域的消防设施和安全措施运行良好,但仍存在部分问题需要及时解决。
建筑工地火灾隐患专项检查记录表概要这是一份建筑工地火灾隐患专项检查记录表。
本表格旨在帮助监管部门和施工单位识别和解决建筑工地的火灾隐患问题,确保工地安全。
项目信息- 工地名称:- 地址:- 负责人:- 检查日期:火灾隐患检查内容1. 火源和易燃物管理- 仓库内的易燃物品是否分类存放,并按规定进行标识和储存?- 火源附近是否有易燃物?- 消防器材摆放是否合理,易取易用?2. 电气设备和用电安全- 电缆线隧道是否整齐,有没有裸露导线?- 电气线路和设备是否有漏电、过载等问题?- 用电设备是否有防火措施?3. 消防器材和防火设施- 消防栓和灭火器是否正常工作?- 应急疏散通道是否畅通无阻?- 疏散标识是否清晰可见?4. 施工现场布局- 施工材料和设备是否整齐摆放?- 施工现场是否有杂物乱堆乱放?- 临时用电线路是否牢固?检查结果(请在以下空白处打勾)1. 火源和易燃物管理- [ ] 合格- [ ] 不合格2. 电气设备和用电安全- [ ] 合格- [ ] 不合格3. 消防器材和防火设施- [ ] 合格- [ ] 不合格4. 施工现场布局- [ ] 合格- [ ] 不合格备注请在下面填写任何其他需要记录的信息。
检查人员- 检查人员姓名:- 联系- 签名:这是一份7002004008007208138008002建筑工地火灾隐患专项检查记录表,用于帮助监管部门和施工单位识别和解决建筑工地的火灾隐患问题,确保工地安全。
记录表中包含了火灾隐患检查的主要内容,如火源和易燃物管理、电气设备和用电安全、消防器材和防火设施、施工现场布局等。
检查结果部分可根据实际情况进行勾选,并留有备注和检查人员信息填写的空白处。
该表格旨在提高工地火灾安全意识,确保施工过程中的火灾隐患得到及时发现和解决。
建筑施工消防安全检查记录表
一、建筑施工消防安全检查一般要求
1.建筑施工安全检查评定中,保证项目应全数检查。
2.建筑施工安全检查评定应符合相关规定中各检查评定项目的有关规定,检查评分表应分为安全管理、文明施工、脚手架、基坑工程、模板支架、高处作业、施工用电、物料提升机与施工升降机、塔式起重机与起重吊装、施工机具分项检查评分表和检查评分汇总表。
3.各评分表的评分应符合下列规定:
(1)分项检查评分表和检查评分汇总表的满分分值均应为100分,评分表的实得分值应为各检查项目所得分值之和;
(2)评分应采用扣减分值的方法,扣减分值总和不得超过该检查项目的应得分值;
(3)当按分项检查评分表评分时,保证项目中有一项未得分或保证项目小计得分不足40分,此分项检查评分表不应得分;
(4)脚手架、物料提升机与施工升降机、塔式起重机与起重吊装项目的实得分值,应为所对应专业的分项检查评分表实得分值的算术平均值。
二、建筑施工消防安全检查记录表。
施工现场消防安全管理制度为了加强项目安全生产管理,预防和杜绝安全事故的发生,根据国家安全生产有关法律、法规,结合本项目的实际情况,制定本制度。
一、项目部消防检查标准1、《建筑工程消防监督管理规定》;2、国家、地区、企业现行有关安全生产要求或规定。
二、施工现场消防管理制度l、项目部成立以项目经理为首的消防管理小组,组建义务消防队。
安全专职人员要定期进行教育训练,熟悉掌握防火、灭火知识和消防器材的使用方法,做到能防火检查和扑救火灾。
2、施工现场要有明显的防火宣传标志,项目经理部每半年对施工人员进行一次防火教育,定期组织防火检查,建立防火工作档案。
3、现场设置消防车道,特别是通往仓库、生活区的道路其宽度不得小于3.5m,消防车道不能环行的应在适当地点修建回转车辆场地。
4、现场要配备足够的消防器材,并做到布局合理,经常维护、保养,采取足够防冻保温措施,保证消防器材灵敏有效。
5、现场进水管直径不小于100mm,消火检处要设有明显标志,配备足够的水龙带,周围3m内,不准存放任何物品。
6、电工、焊工从事电气设备安装和电、气焊切割作业,要有操作证和动火证。
动火前要清除附近易燃物,配备看火人员和灭火用具。
动火地点变换,要重新办理动火证手续。
7、因施工需要搭设临时建筑,应符合防火要求,不得使用易燃材料。
8、项目部物资员对施工材料的存放、保管,应符合防火安全要求,库房应用非燃材料支搭。
物资员要熟悉库存材料的性质,因施工需要进入工程内的可燃材料,要根据工程计划限量进入并应采取可靠的防范措施。
易燃易爆物品,应专库储存,分类单独存放,库内严禁吸烟。
9、施工现场和生活区,未经项目部批准不得使用电热器具。
10、氧气瓶、乙炔瓶工作间距不小于5m,两瓶同明火作业距离不小于10m。
三、坚持防火月检查制度,消除火灾隐患。
检查的内容主要包括:1、火灾隐患的整改情况以及防范措施的落实情况;2、灭火器材配置及有效情况;3、用火、用电有无违章情况;4、重点工种人员以及其他员工消防知识的掌握情况;5、消防安全重点部位的管理情况;6、易燃易爆危险物品和场所防火防爆措施的落实情况以及其他重要物资的防火安全情况;7、消防〔控制室值班情况和设施运行、记录情况;8、防火巡查情况;9、消防安全标志的设置情况和完好、有效情况;10、其他需要检查的内容。