1.5米圆管涵工程数量及造价
- 格式:xls
- 大小:41.50 KB
- 文档页数:1
新城大道道路工程施工便道等专项方案估价一、纵向施工便道方案1、施工便道沿新城大道纵向设置,基本采用红线内征地,施工临时道路宽8m,长4927m,原土碾压后采用20cm碎石层+5cm泥结碎石面层。
2、主要工程量:20cm碎石层39416㎡,5cm泥结碎石面层39416㎡。
施工纵向便道造价如下:序号项目名称单位工程量综合单价(元)合价(元)1 机械原土夯实㎡394160.69 27197.042 20cm碎石底层㎡3941621.65 853356.43 5cm泥结碎石面层㎡39416 6.49 255809.844 道路拆除㎡39416 22.25 8770065 总价(元)2013369.28二、兴业三路跨线桥7#墩与8#墩施工平台涵管埋设施工方案1.根据现状水渠底采集数据成果及当地村民了解,渠底采用直径Ф1.5m砼Ι级涵管5根成排埋设排水涵管。
涵管底部应至渠底持平,确保水流通过。
涵管端头用M7.5浆砌片石砌筑封头,涵管顶及四周围用中粗砂填充密实。
其余用素土分层回填到施工平台面分层夯实,填土高度7.33m,涵管两端按坡比1:1收坡至施工平台面,整个施工平台面边坡用沙袋贴面防护,2、主要工程量,该方案需使用Ф1.5m钢筋混凝土圆管涵280m,M7.5浆砌片石31.9m³,中粗砂1271.5m³,回填土方5975.6m³,工程造价如下:序号项目名称单位工程量综合单价(元)合价(元)1 Φ1.5m钢筋砼圆管涵m 280 2016.06 564496.802 中粗砂回填m³1271.5 125.57 159662.263 回填土方m³5975.6 30.16 180224.104 M7.5浆砌片石m³31.9 263.39 8402.145 挖掘机挖土方(拆除)m³5975.6 15.97 95430.336 人工挖中粗砂m³1271.5 30.29 38513.747 Φ1.5m钢筋砼圆管涵(拆除)m 280 50.79 14221.28 M7.5浆砌片石(拆除)m³31.9 63.98 2040.969 总价(元)1062991.53三、交通导行方案1、K2+820-K3+500段交通导行需增加工程量为:片石抛填挤淤:140*13*3+60*12*3=7620m³回填普通土:140*(9+13)*0.5*4+60*(12+9)*0.5*4=7620m³路基路面:采用水泥稳定土(50cm):240*9*0.5+60*7*0.5+80*5*0.5=1490m³水泥稳定碎石(30cm):240*9*0.3+60*7*0.3+80*5*0.3=894m³该段工程造价:序号项目名称单位工程量综合单价(元)合价(元)1 片石抛填挤淤m³7620 72.85 5551172 土方回填m³7620 30.16 229819.23 水泥稳定土㎡2980 46.96 139940.84 水泥稳定碎石㎡2980 64.8 1931045 安全标示牌㎡20 400 80006 便道拆除㎡2980 63.07 187948.67 总价(元)1313929.62、K0+280-K0+560段交通导行需增加工程量为:从原有三钢路改移至新城大道需增加填方12048m³;从新城大道改移至原三钢路需增加填方14800m³;路基路面:采用水泥稳定土(50cm):520*9*0.5=2340m³水泥稳定碎石(30cm):520*9*0.3=1404m³工程造价如下:序号项目名称单位工程量综合单价(元)合价(元)1 土方回填m³26848 30.16 809735.682 水泥稳定土㎡4680 46.96 219772.84 水泥稳定碎石㎡4680 64.8 3032645 安全标识牌㎡16 400 64006 便道拆除㎡4680 63.07 295167.67 总价(元)1634340.08四、K2+420借土场施工便道1、借土场施工便道工程量:φ1500mm钢筋混凝土圆管涵44m,回填土方7350m³,挖方1580m³,20cm碎石层1440㎡,5cm泥结碎石面层1440㎡。
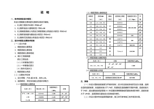
说明一、技术标准及设计规范:本设计图编制主要依据交通部标准进行编制。
1、《公路工程技术标准》JTJ001-972、《公路桥涵设计通用规范》JT021-893、《公路钢筋混凝土与预应力钢筋混凝土桥涵设计规范》JT023-854、《公路桥涵地基与基础设计规范》JT024-855、《公路砖石及混凝土桥涵设计规范》JT022-85二、设计内容及主要技术标准(一)设计内容1、钢筋混凝土圆管涵2、钢筋混凝土盖板暗3、钢筋混凝土盖板明涵4、洞口工程通用图洞口工程包括:(1)八字翼墙式洞口(2)一字翼墙式洞口(3)跌井式进水口5、钢筋混凝土拱涵(二)主要技术标准1、设计荷载:汽车-超20级,挂车-120。
2、涵洞跨径、净空及地基土的容许承载力(1(2)钢筋混凝土盖板暗涵(4三、其他(一)本设计图按涵底坡度为平坡时绘制,设计时应按实际地形及设计流量,选择合适的涵底坡度,如涵底纵坡小于5%时,则基础及涵底铺砌可倾斜布置,涵底纵坡大于5%时,涵治基础底部宜每隔3~5米设置防滑横隔墙或把基础做成阶梯形,涵底纵坡大于10%时,涵洞洞身及基础应分段做成阶梯形。
(二)本设计图未考虑涵洞预留拱度,施工时可参考施工技术规范办理。
说明(一)一、主要材料:1、管身砼:30号砼。
2、管身钢筋:纵向钢筋采用I级钢筋;螺旋主筋采用II级钢筋。
3、基础:管身基础采用20号砼,八字墙、一字墙基础均采用15号砼。
4,洞口:1)八字墙身和一字墙身及帽石采用20号砼。
2)洞口铺砌、一字墙护坡、隔水墙均采用7.5号浆砌片石,片石标号不小于30号。
3)勾缝材料用7.5号砂浆。
二、设计要点:(一)设计计算:1、采用容许应力、极限应力两种方法分别对截面进行了应力与裂缝计算。
2、活载计算理论:按刚性管节计算即不考虑管节的变形,也不考虑涵洞顶土柱和周围填土间的摩擦力,采用角度分布法计算,半无限弹性体理论核算。
3、管节配筋按纯弯板断面分析,采用双向配筋管壁设置内外圈两层钢筋,并根据管径大小区别配用不同等级的钢筋,管节配筋由裂缝控制设计。
新城大道道路工程施工便道等专项方案估价一、纵向施工便道方案1、施工便道沿新城大道纵向设置,基本采用红线内征地,施工临时道路宽8m,长4927m,原土碾压后采用20cm碎石层+5cm泥结碎石面层。
2、主要工程量:20cm碎石层39416㎡,5cm泥结碎石面层39416㎡。
施工纵向便道造价如下:二、兴业三路跨线桥7#墩与8#墩施工平台涵管埋设施工方案1.根据现状水渠底采集数据成果及当地村民了解,渠底采用直径Ф1.5m砼Ι级涵管5根成排埋设排水涵管。
涵管底部应至渠底持平,确保水流通过。
涵管端头用M7.5浆砌片石砌筑封头,涵管顶及四周围用中粗砂填充密实。
其余用素土分层回填到施工平台面分层夯实,填土高度7.33m,涵管两端按坡比1:1收坡至施工平台面,整个施工平台面边坡用沙袋贴面防护,2、主要工程量,该方案需使用Ф1.5m钢筋混凝土圆管涵280m,M7.5浆砌片石31.9m³,中粗砂1271.5m³,回填土方5975.6m³,工程造价如下:三、交通导行方案1、K2+820-K3+500段交通导行需增加工程量为:片石抛填挤淤:140*13*3+60*12*3=7620m³回填普通土:140*(9+13)*0.5*4+60*(12+9)*0.5*4=7620m³路基路面:采用水泥稳定土(50cm):240*9*0.5+60*7*0.5+80*5*0.5=1490m³水泥稳定碎石(30cm):240*9*0.3+60*7*0.3+80*5*0.3=894m³该段工程造价:2、K0+280-K0+560段交通导行需增加工程量为:从原有三钢路改移至新城大道需增加填方12048m³;从新城大道改移至原三钢路需增加填方14800m³;路基路面:采用水泥稳定土(50cm):520*9*0.5=2340m³水泥稳定碎石(30cm):520*9*0.3=1404m³工程造价如下:四、K2+420借土场施工便道1、借土场施工便道工程量:φ1500mm钢筋混凝土圆管涵44m,回填土方7350m³,挖方1580m³,20cm碎石层1440㎡,5cm泥结碎石面层1440㎡。
圆管涵施工方案(终)
一、工程概述
圆管涵是一种常见的桥涵结构,用于排水、通行等方面。
本文将对圆管涵的施
工方案进行详细介绍。
二、施工准备
1. 施工人员准备
在施工前,需要组织好具有相关施工经验的工程人员,确保施工人员熟悉施工
图纸和工作流程。
2. 设备准备
准备各种施工所需的设备,如挖掘机、起重机、混凝土搅拌车等。
3. 材料准备
准备好施工所需的各种材料,如混凝土、钢筋等。
三、施工过程
1. 开挖基坑
根据设计要求和施工图纸,进行基坑的开挖工作,确保基坑的大小和形状符合
设计要求。
2. 配筋及模板
在基坑中进行钢筋的布置和模板的搭设,确保钢筋的数量和位置符合设计要求。
3. 浇筑混凝土
在配筋和模板完成后,开始进行混凝土的浇筑工作,确保混凝土的均匀性和密
实性。
4. 验收及封模
待混凝土充分凝固后,进行验收工作,确保圆管涵的质量符合要求,然后进行
封模处理。
四、施工验收
在施工完成后,进行圆管涵的验收工作,确保施工质量符合设计要求,同时做
好施工档案的整理和归档工作。
五、施工总结
通过本次圆管涵施工过程,我们深刻认识到施工过程中的各种环节都需要严格
遵守设计要求和施工规范,只有如此,才能保证圆管涵的质量和安全性。
六、参考资料
1.土木工程施工技术标准
2.圆管涵设计规范
以上是关于圆管涵施工方案的介绍,希望能对相关工程师和施工人员有所帮助。
0.6m圆管涵工程量清单子目号摘要:一、圆管涵工程量清单子目号的概述二、圆管涵工程量清单子目号的编制方法三、圆管涵工程量清单子目号的应用正文:圆管涵工程量清单子目号是工程量清单中的一项重要内容,对于工程的施工、采购、造价估算等环节具有重要的指导意义。
本文将围绕圆管涵工程量清单子目号进行介绍。
首先,我们需要了解什么是圆管涵工程量清单子目号。
圆管涵工程量清单子目号是对圆管涵工程项目的各项工程量进行分类和编号的一种方式,通常包括项目名称、项目编码、项目类别、计量单位等内容。
它是工程量清单的重要组成部分,可以帮助施工方、采购方和造价估算人员快速查找、核对和理解各项工程内容。
其次,我们需要了解圆管涵工程量清单子目号的编制方法。
编制方法主要包括以下几个步骤:1.确定项目分类:根据圆管涵工程项目的特点和需求,将工程量分为若干类别,如基础工程、主体工程、附属工程等。
2.确定项目编码:为每个项目分配一个唯一的编码,编码应简洁明了,易于理解和记忆。
3.确定计量单位:根据项目的性质和特点,选择合适的计量单位,如米、平方米、立方米等。
4.编制项目名称:简洁明了地描述项目内容,确保名称准确、规范。
5.核对清单:编制完成后,需对清单进行核对,确保各项内容准确无误。
最后,我们需要了解圆管涵工程量清单子目号的应用。
在工程项目的各个阶段,工程量清单子目号都发挥着重要作用。
施工方可以依据清单进行施工,采购方可以根据清单进行材料采购,造价估算人员可以根据清单进行预算编制和审核。
同时,工程量清单子目号还有助于项目管理和审计,为项目的顺利完成提供保障。
总之,圆管涵工程量清单子目号是工程项目中不可或缺的一部分,对工程的施工、采购、造价估算等环节具有重要意义。
钢筋混凝土圆管涵定额施工中,钢筋混凝土圆管涵定额的使用要按照一定的规范要求执行。
混凝土圆管涵定额的使用和管理要遵循正确、合理的原则。
该定额规定了对圆管涵进行合理设计、规范要求以及计算方法。
在混凝土圆管涵施工中,施工单位根据相关标准、规范要求所确定的参数及数量范围编制混凝土圆管涵定额。
该定额主要内容包括:结构部分、涵洞(包括涵顶)、支座及接缝部分、支座垫块及盖板、钢筋(包括钢筋连接件)(按材质)、钢筋混凝土管涵支承构造、模板及构造物(按构造)等内容。
其中钢筋(包括钢筋连接件)是最主要的组成部分之一,其规格、质量及数量等都直接影响到圆管涵定额的使用和管理。
因此,在使用过程中应进行严格的定额编制及审核工作;对使用中遇到以下问题应及时向有关部门进行反映:①圆管涵不能满足施工要求;②钢筋混凝土圆管涵计算方法错误;③圆管涵施工方法错误(如图1-2所示);④圆形管涵施工方法和材料计算错误等;⑤圆管涵使用过程中其他错误。
1、对于已完成的圆管涵工程,其结构和支承部分的计算与编制应按《公路水运工程定额》GB/T14848进行;其钢筋连接件及盖板定额应按《混凝土圆管涵定额》 GB/T14848编写。
对已完成的施工定额如出现定额编制不合理或编制不规范而引起不必要的经济损失时,施工单位应根据具体情况进行修改或重新定额编制。
同时在进行修改或重新定额编制时,应按照施工过程中计算精度较高且能保证工程质量的原则进行确定。
如对已完成的施工定额无法进行修改时应有相应调整方案进行补偿或解决。
在此基础上再重新定额编制;否则应调整定额编制后重新核定。
为了便于施工单位及时了解新增加项目的工程量,应保证施工单位能够及时了解新增加项目施工材料及机具费用的变化情况,在此基础上计算出相应应增加项目工程量及应增加材料金额。
如果已完成圆管涵工程施工完成后发生材料价格、材料费用变化等情况则应及时调整定额编制。
因此对已完成的圆管涵工程应做好全面工程质量及资金投入情况审查工作。
桥涵施工合同甲方:巴州坦顺路桥建设有限责任公司乙方:此合同按相关法律法规,遵循双方平等自愿原则就本工程建设施工事项协商一致的前提下签定此协议,以便双方遵守执行。
一、施工项目:轮台县博斯坦路岔口-G314线;X237线岔口-阿克萨来乡-群巴克镇公路改建工程中的所有涵洞结构物。
二、施工工期:2011年4月3日开工至2011年7月3日完工。
三、工程内容:1、圆管涵 2、盖板涵四、工程造价:按单价为:1-0.3米钢管涵每米元;2-0.3米钢管涵每米元;1—0.5米圆管涵每米元;1—0.75米圆管涵每米元;2-0.75米圆管涵每米元;1—1.0米圆管涵每米元;2-1.0米圆管涵每米元;1-1.5米和1-2.0米盖板涵每米元;1—3.0米盖板明涵每米元进行工程单价的计算。
最后总造价按实际完成工程量套上述单价计算为准。
五、承包方式:乙方包工包料,负责工程施工和质保时期内的维修。
六、乙方提供所有材料和设备的鉴定报告及合格证,材质报告。
七、乙方责任:1、乙方必须按照国家有关施工技术规范,安全技术规范等施工。
2、乙方在施工期间负责施工方法,进度控制,质量保证,安全防范措施等,施工过程中所出现的质量缺陷和不合格项目所造成的损失由乙方负责。
3、乙方必须严格按照设计图纸施工。
如不按照图纸施工所造成的一切后果由乙方负责。
4、乙方必须在施工过程中服从甲方的安排。
5、乙方在施工中所发生的安全事故均由乙方负责,甲方不承担任何责任。
6、乙方负责所有施工中所需的临时设施和临时便道修建。
7、乙方负责在河道施工中的环境保护和防洪措施。
8、乙方负责承担施工过程中的一切不可预见风险。
八、甲方责任:1、甲方负责给乙方提供设计图纸一套。
2、甲方负责工程所有项目的报验工作。
3、甲方负责提供乙方所需的技术指导。
4、甲方提供施工所需的场地。
5、甲方施工过程中负责协调建设方,监理方,地方政府的工作。
九、付款方式:1、甲方负责供应主要材料。
2、工程完工后预留本合同总工程款的5%作为质量保证金,待工程质量保证期过后一次性付清。
圆管涵施工方案范文一、工程概况圆管涵是一种用于通过河流、水渠或其他涵洞的管道结构,主要用于道路、铁路和排水系统。
圆管涵的设计和施工需要考虑如何确保涵管安全、具有足够的承载能力和耐久性。
下面是一份关于圆管涵施工的方案。
二、施工准备1.设计:根据需求制定涵洞的设计方案,包括管道尺寸、材料和施工方法等。
2.材料准备:根据设计要求购买所需的圆管、管接头、支架等材料,并进行检查。
3.设备准备:准备好挖掘机、起重机、卡车等必要的施工设备。
三、施工步骤1.规划和定位:根据设计要求,确定圆管涵的位置和高度。
在施工现场进行测量和标记。
2.挖掘:使用挖掘机挖出涵洞的基坑。
注意确保基坑与设计要求相符,无不稳定的土层。
3.安装支架:在基坑中安装支架,用以支撑圆管涵。
支架的数量和布置要根据设计要求进行调整。
4.安装管道:根据设计要求逐段安装圆管。
注意保持管道的水平和稳定。
安装时应避免管道与支架的冲突,确保其承载能力。
5.确保排水:安装管道后,需要考虑排水问题。
根据设计要求,安装相应的排水管和排水口。
6.浇筑混凝土:在管道安装完毕后,需要在涵洞上方进行混凝土浇筑以加固涵洞结构。
混凝土应首先与地面接触,并逐渐浇筑至涵洞顶部。
7.强度检查:混凝土浇筑完毕后,进行涵洞的强度检查。
确保涵洞的结构稳定,并能满足设计要求。
8.清理和修复:对施工现场进行清理,清除多余的材料和设备。
修复与涵洞施工相关的地面损坏。
四、安全措施在圆管涵施工中,需要严格遵守安全规定,以确保施工人员和施工质量的安全。
以下是一些常见的安全措施:1.佩戴和使用个人防护装备,如安全帽、安全鞋、手套等。
2.确保所有施工人员都接受过相关安全培训。
3.确保所有设备和工具符合安全标准,并在使用前进行检查和维护。
4.严格执行挖掘和运输规章制度,避免工具的误用和设备的事故。
5.建立生活区域和施工区域之间的隔离,以防止工作人员和其他人员的伤害。
6.定期检查施工现场,确保没有潜在的危险。
分析公路涵洞的施工技术摘要:公路涵洞施工属于公路路基施工中十分重要的一环,如果涵洞的施工出现了故障与阻碍,那么公路路基的处理就会遇到困难与麻烦。
基于此,本文就公路涵洞的施工技术进行了探析,其中分析了公路涵洞的类型,其次结合相关的案例进行探讨,分析了圆管涵的施工,最后探讨了钢筋混凝土盖板通道施工。
关键词:公路涵洞圆管涵盖板通道施工中图分类号:x734 文献标识码:a 文章编号:0 引言从工程量来看,公路的涵洞施工的量并不大,但是其依然非常繁琐,具体而言,其与修桥一样,相关的准备工作除了要对地形条件进行调查之外,还应对所经过的道路情况进行调查分析,比如说道路的宽度、弯道的半径及道路的路面状况等,这样才能确定何种挖槽机械与重型机械进场。
此外,还需要对施工平台及工棚等的布置进行考虑,以便其能满足相关机械的需求;在开工之前,还应勘察埋在地下的相关结构物、电缆及管道等,其中国有地下管线的部分必须事先进行刨验工作。
总的来说,在公路涵洞施工中所涉及的材料、器械及工具包括了水泥、碎石、片石、钢筋、搅拌机、发电机及模板等。
本文就某个工程案例展开了相关施工技术问题的探讨,希望对同类事业有所借鉴。
1 公路涵洞分类文本介绍了以下几种常见的公路涵洞类型:1.1 石拱涵洞此种类型多用于山区,其优点在于:可以就地取材,使得造价十分低廉;净空很高且过水能力较强;跨径大,加之有着很强的承载能力,因此有着结构坚固的特点。
同时,其也有自身的缺陷,比如施工较为繁琐,工期也比较长,同时对于地基承载能力有着很高的要求等。
1.2 钢筋混凝土圆管涵洞此类涵洞主要作用在于农业灌溉,一般很少使用在公路建设中(但也不例外),其优势在于:有着简单的结构型式;造价较低,因此一般可以批量生产;有着良好的适用基础及受力情况。
其缺点主要有:接缝处有着复杂的防水结构;过水能力较小;时常会发生接缝处漏水的现象,从而导致了路基稳定性受损等。
1.3箱涵箱涵属于一种较为特殊的涵洞型式,因为其主要使用在软弱地基及有特殊要求的地区,并且其施工中有着繁多的工序,而且有着很高的造价(主要在于要使用过多的钢量)。
插式钢筋混凝土涵管是一种常用于河道、渠道等工程中的涵洞结构。
它具有施工方便、结构稳定、安全可靠等优点,广泛应用于交通、水利、城市建设等领域。
下面是一个承插式钢筋混凝土涵管规格表的参考内容。
1.规格表标题:“承插式钢筋混凝土涵管规格表”2.技术指标:–涵管内径:单位为mm,包括多种规格,例如:500、800、1000、1200等。
–涵管长度:单位为m,包括多种规格,例如:2~8米不等。
–壁厚:单位为mm,包括多种规格,例如:30、40、50等。
–素材:指涵管的材料,例如采用C25、C30等混凝土配合比,钢筋采用HRB400级别等。
–承插长度:单位为mm,指涵管两端用于连接的承插部分的长度。
–承插数量:单位为个,指涵管两端承插部分的数量。
3.施工要求:–环境条件:指施工所处环境的要求,例如应在温度大于5摄氏度的条件下施工。
–物料储存:指涵管所使用的混凝土、钢筋等材料的储存要求,例如应放置在干燥通风的库房中。
–施工工艺:指涵管的施工工艺和步骤,例如首先进行模板安装、钢筋绑扎,然后浇筑混凝土等。
–安全措施:指涵管施工过程中应遵守的安全规范,例如应佩戴安全帽、使用符合标准的施工设备等。
4.质量要求:–外观要求:指涵管的外观要求,例如表面平整度、无明显裂缝等。
–性能要求:指涵管的力学性能要求,例如抗压强度、抗弯强度等。
–尺寸偏差:指涵管的尺寸偏差要求,例如内径、壁厚的允许偏差范围等。
5.试验方法:–承力试验:指对安装完成的涵管进行承力试验的方法和要求。
–开裂试验:指对涵管进行开裂试验的方法和要求,例如在涵管两端施加徐变荷载并观察是否产生裂缝。
6.示意图:–附上涵管的示意图,包括涵管的截面图、尺寸标注等,以便读者更好地理解涵管的结构和规格。
以上是一个承插式钢筋混凝土涵管规格表的参考内容,其中包括涵管的尺寸规格、技术要求、质量要求、施工要求和试验方法等内容。
这些规格内容可以帮助施工人员正确选择和使用涵管,确保施工质量和工程安全。