危险化学品安全距离表.
- 格式:doc
- 大小:1.80 MB
- 文档页数:85
危险化学品生产装置和储存设施外部防护距离标准危险化学品生产装置和储存设施外部防护距离标准是指,为保障城市、乡村及其它重点建设区域及人民群众生命财产安全,以及保护环境和生态,对各类危险化学品生产装置和储存设施的外部防护距离进行规定和管理,控制其可能对周围环境和人员造成的危害范围。
国家已经制定了《危险化学品安全管理条例》、《危险化学品储存安全规范》等相关法规和标准,其中《危险化学品储存安全规范》中规定了危险化学品储存设施的外部防护距离标准,详见下表。
危险化学品类别外部防护距离标准(m)
:: ::
爆炸品100
易燃气体100
易燃液体20~60
易燃固体10~60
氧化剂10~30
毒害品30~100
腐蚀品10~60
放射性物质100~500
同时,在实际应用中还需考虑危险化学品的物理和化学特性、储存方式、环境条
件等因素的影响,确定合理的外部防护距离。
此外,还应加强危险化学品生产装置和储存设施的安全管理和监管,防范和控制事故的发生。
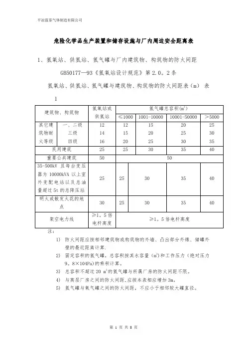
危险化学品生产装置和储存设施与厂内周边安全距离表1)防火间距应按相邻建筑物或构筑物的外墙、凸出部分外缘、储罐外壁的最近距离计算。
2)固定容积的氢气罐,总容积按其水容量(m3)和工作压力(绝对压力9.8104Pa)的乘积计算。
3)总容积不超过20m3的氢气罐与所属厂房的防火间距不限。
4)与高层厂房之间的防火间距,应按本表相应增加3m.5)氢气罐与氧气罐之间的防火间距,不应小于相邻较大罐直径。
2、氢氧站、供氢站、氢气罐与厂内铁路、道路的防火间距GB50177-93《氢氧站设计规范》第2。
0。
3条氢氧站、供氢站、氢气罐与铁路、道路的防火间距表(m)表2注:①建筑物之间的防火间距按相邻外墙的最近距离计算.如外墙有凸出的燃烧物件,则应从其凸出部分外缘算起;贮罐、变压器的防火间距应从距建筑物最近的外壁算起。
②供氢站与其他建筑物相邻面的外墙均为非燃烧体,且无门、窗、洞及无外露的燃烧体屋檐,其防火间距可按本表减少25%.③固定容积可燃气体贮罐,应按其水容量(m3)和工作压力(kg/m2)的乘积,按本表水槽式贮罐的要求执行。
④供氢站与架空电力线的防火间距,不应小于电线杆高度1.5倍.4、氧气站等的乙类生产建筑物与厂内各类建、构筑物之间的最小防火间距表GB50030-91《氧气站设计规范》第2。
0。
3条氧气站等的乙类生产建筑物与各类建、构筑物之间的最小防火间距表表41)固定容积的氧气贮罐,其容积按水容量(m3)和工作压力(绝对9.5104Pa)的乘积计算.2)液氧贮罐以1m3液氧折合800m3标准状态气氧计算,按本表氧气贮罐相应贮量的规定执行。
3)氧气贮罐、惰性气体贮罐、室外布置的工艺设备与其制氧厂房的间距,可按工艺布置要求确定。
4)氧气贮罐之间的防火间距,不应小于相邻较大罐的半径。
氧气贮罐与可燃气体贮罐之间的防火间距不应小于相邻较大罐的直径。
5)容积不超过50m3的氧气贮罐与所属使用厂房的防火间距不限.6)容积不超过3m3的液气贮罐与所属使用建筑的防火间距,可减少为10m。
目录1、附录1 危险化学品生产装置和储存设施与厂外周边安全距离表 (1)2、附录2 危险化学品生产装置和储存设施与厂内周边安全距离表 (7)3、附录3 厂房、库房、火灾危险类别、耐火等级、层数、占地面积、防火间距表174、附录4 危险化学物品混存性能互抵表 (24)5、附录5 氯气操作现场常备抢修器材与防护用品表 (26)6、附录6 国家明令淘汰落后生产能力、工艺和产品的目录(节选) (28)7、附录7 明令禁止的危险化学品名录 (32)8、附录8 特种设备目录 (40)9、附录9 工业管道的基本识别色、识别符号和安全标识 (52)10、附录10 常用危险化学品标志 (57)11、附件11 职业性接触毒物危害程度分级 (65)12、附录12 重大危险源申报范围 (70)13、附录13 高毒物品目录 (77)14、附录14 特种作人业人员目录 (84)15、附录15 危险化学品生产企业安全评价导则(试行) (88)16、附录16 安全法规、标准 (106)附录1 危险化学品生产装置和储存设施与厂外周边安全距离表1、石油化工企业与相邻工厂或设施的防火间距GB50160-92《石油化工企业设计防火规范》(1999年版)第3.1.7条。
注:①当相邻设施为港区陆域、重要物品仓库和堆场、军事设施、机场等,对石油化工企业的安全距离有特殊要求时,应按有关规定执行。
②丙类工艺装置或设施的防火距离,可按甲、乙类工艺装置或设施的规定减少25%。
2、石油库与周围居住区、工矿企业、交通线等的安全距离GB50074-2002第4.0.7条表4.0.7石油库与周围居住区、工矿企业、交通线等的安全距离(m)表23、氢氧站、供氢站、氢气罐与厂外道路的防火间距GB50177-93《氢氧站设计规范》第2.0.3条氢氧站、供氢站、氢气罐与厂外道路的防火间距表(m)表34、氢站与厂外铁路、道路及重要公共建筑的防火间距GB4962-85《氢气使用安全技术规程》第2.1.2条供氢站与厂外铁路、道路及重要公共建筑的防火间距表表45、库房、储罐、堆场与厂外铁路、道路的防火间距GBJ16-87《建筑设计防火规范》(2001年版)第4.8.3条库房、储罐、堆场与厂外铁路、道路的防火间距表表5性适当减少。
危险化学品生产装置和储存设施与厂内周边安全距离表1、氢氧站、供氢站、氢气罐与厂内建筑物、构筑物的防火间距GB50177-93《氢氧站设计规范》第2.0.2条氢氧站、供氢站、氢气罐与建筑物、构筑物的防火间距表(m)表11)防火间距应按相邻建筑物或构筑物的外墙、凸出部分外缘、储罐外壁的最近距离计算。
2)固定容积的氢气罐,总容积按其水容量(m3)和工作压力(绝对压力×104Pa)的乘积计算。
3)总容积不超过20 m3的氢气罐与所属厂房的防火间距不限。
4)与高层厂房之间的防火间距,应按本表相应增加3m。
5)氢气罐与氧气罐之间的防火间距,不应小于相邻较大罐直径。
2、氢氧站、供氢站、氢气罐与厂内铁路、道路的防火间距GB50177-93《氢氧站设计规范》第2.0.3条氢氧站、供氢站、氢气罐与铁路、道路的防火间距表(m)表2注:防火间距应从氢气罐外壁算起。
3、供氢站厂内平面布置的防火间距GB4962-85《氢气使用安全技术规程》第2.1.2条供氢站平面布置的防火间距表表3注:①建筑物之间的防火间距按相邻外墙的最近距离计算。
如外墙有凸出的燃烧物件,则应从其凸出部分外缘算起;贮罐、变压器的防火间距应从距建筑物最近的外壁算起。
②供氢站与其他建筑物相邻面的外墙均为非燃烧体,且无门、窗、洞及无外露的燃烧体屋檐,其防火间距可按本表减少25%。
③固定容积可燃气体贮罐,应按其水容量(m3)和工作压力(kg/m2)的乘积,按本表水槽式贮罐的要求执行。
④供氢站与架空电力线的防火间距,不应小于电线杆高度倍。
4、氧气站等的乙类生产建筑物与厂内各类建、构筑物之间的最小防火间距表GB50030-91《氧气站设计规范》第2.0.3条氧气站等的乙类生产建筑物与各类建、构筑物之间的最小防火间距表表4注:1)固定容积的氧气贮罐,其容积按水容量(m3)和工作压力(绝对×104Pa)的乘积计算。
2)液氧贮罐以1m3液氧折合800 m3标准状态气氧计算,按本表氧气贮罐相应贮量的规定执行。
危险化学品生产装置和储存设施与厂外周边安全距离表1、石油化工企业与相邻工厂或设施的防火间距GB50160-92《石油化工企业设计防火规范》(1999年版)第3.1.7条。
油化工企业与相邻工厂或设施的防火间距表1 石油化工企业生产区防火间距相邻工厂或设施液化烃罐组可能携带可燃液体的高架火炬甲、乙类工艺装置或设施居住区、公共福利设施、村庄120120100相邻工厂12012050国家铁路线558045厂外企业铁路线458035国家或工业区铁路编组站558045厂外公路256020变配电站8012050架空电力线路1.5倍塔杆高度801.5倍塔杆高度I、Ⅱ级国家架空通信线路508040通航江、河、海岸边258020注:①当相邻设施为港区陆域、重要物品仓库和堆场、军事设施、机场等,对石油化工企业的安全距离有特殊要求时,应按有关规定执行。
②丙类工艺装置或设施的防火距离,可按甲、乙类工艺装置或设施的规定减少25%。
2、石油库与周围居住区、工矿企业、交通线等的安全距离GB50074-2002第4.0.7条表4.0.7石油库与周围居住区、工矿企业、交通线等的安全距离表2序号名称石油库等级一级二级三级四级五级1居住区及公共建筑物100908070502工矿企业60504035303国家铁路线60555050504工业企业铁路线35602525255公路25201515156国家一、二级架空通信线路40404040407架空电力线路和不属于国家一、二级的架空通信线路1.5倍杆高1.5倍杆高1.5倍杆高1.5倍杆高1.5倍杆高8爆破作业场地3003003003003003、氢氧站、供氢站、氢气罐与厂外道路的防火间距GB50177-93《氢氧站设计规范》第2.0.3条氢氧站、供氢站、氢气罐与厂外道路的防火间距表表3道路氢氧站、供氢站氢气罐厂外道路1515注:防火间距应从氢气罐外壁算起。
4、氢站与厂外铁路、道路及重要公共建筑的防火间距GB4962-85《氢气使用安全技术规程》第2.1.2条供氢站与厂外铁路、道路及重要公共建筑的防火间距表表4名称最小防火间距,米重要公共建筑50厂外铁路30厂外道路15注:供氢站与架空电力线的防火间距,不应小于电线杆高度1.5倍。
危险化学品安全距离表.⽬录1、附录1 危险化学品⽣产装臵和储存设施与⼚外周边安全距离表 (1)2、附录2 危险化学品⽣产装臵和储存设施与⼚内周边安全距离表 (6)3、附录3 ⼚房、库房、⽕灾危险类别、耐⽕等级、层数、占地⾯积、防⽕间距表 144、附录4 危险化学物品混存性能互抵表 (19)5、附录5 氯⽓操作现场常备抢修器材与防护⽤品表 (21)6、附录6 国家明令淘汰落后⽣产能⼒、⼯艺和产品的⽬录(节选) (22)7、附录7 明令禁⽌的危险化学品名录 (26)8、附录8 特种设备⽬录 (32)9、附录9 ⼯业管道的基本识别⾊、识别符号和安全标识 (41)10、附录10 常⽤危险化学品标志 (45)11、附件11 职业性接触毒物危害程度分级 (53)12、附录12 重⼤危险源申报范围 (56)13、附录13 ⾼毒物品⽬录 (62)14、附录14 特种作⼈业⼈员⽬录 (67)15、附录15 危险化学品⽣产企业安全评价导则(试⾏) (70)16、附录16 安全法规、标准 (83)附录1 危险化学品⽣产装臵和储存设施与⼚外周边安全距离表1、⽯油化⼯企业与相邻⼯⼚或设施的防⽕间距GB50160-92?⽯油化⼯企业设计防⽕规范?(1999年版)第3.1.7条。
油化⼯企业与相邻⼯⼚或设施的防⽕间距表1注:①当相邻设施为港区陆域、重要物品仓库和堆场、军事设施、机场等,对⽯油化⼯企业的安全距离有特殊要求时,应按有关规定执⾏。
②丙类⼯艺装臵或设施的防⽕距离,可按甲、⼄类⼯艺装臵或设施的规定减少25%。
2、⽯油库与周围居住区、⼯矿企业、交通线等的安全距离GB50074-2002第4.0.7条表4.0.7⽯油库与周围居住区、⼯矿企业、交通线等的安全距离(m)表23、氢氧站、供氢站、氢⽓罐与⼚外道路的防⽕间距GB50177-93?氢氧站设计规范?第2.0.3条氢氧站、供氢站、氢⽓罐与⼚外道路的防⽕间距表(m)表34、氢站与⼚外铁路、道路及重要公共建筑的防⽕间距GB4962-85?氢⽓使⽤安全技术规程?第2.1.2条供氢站与⼚外铁路、道路及重要公共建筑的防⽕间距表表45、库房、储罐、堆场与⼚外铁路、道路的防⽕间距GBJ16-87?建筑设计防⽕规范?(2001年版)第4.8.3条库房、储罐、堆场与⼚外铁路、道路的防⽕间距表表5性适当减少。
危险化学品生产装置和储存设施与厂内周边安全距离表1、氢氧站、供氢站、氢气罐与厂内建筑物、构筑物的防火间距GB50177—93《氢氧站设计规范》第2.0。
2条氢氧站、供氢站、氢气罐与建筑物、构筑物的防火间距表(m)表11)防火间距应按相邻建筑物或构筑物的外墙、凸出部分外缘、储罐外壁的最近距离计算.2)固定容积的氢气罐,总容积按其水容量(m3)和工作压力(绝对压力9。
8×104Pa)的乘积计算。
3)总容积不超过20 m3的氢气罐与所属厂房的防火间距不限。
4)与高层厂房之间的防火间距,应按本表相应增加3m。
5)氢气罐与氧气罐之间的防火间距,不应小于相邻较大罐直径。
2、氢氧站、供氢站、氢气罐与厂内铁路、道路的防火间距GB50177-93《氢氧站设计规范》第2。
0.3条氢氧站、供氢站、氢气罐与铁路、道路的防火间距表(m)表23、供氢站厂内平面布置的防火间距GB4962—85《氢气使用安全技术规程》第2。
1.2条供氢站平面布置的防火间距表表3物件,则应从其凸出部分外缘算起;贮罐、变压器的防火间距应从距建筑物最近的外壁算起。
②供氢站与其他建筑物相邻面的外墙均为非燃烧体,且无门、窗、洞及无外露的燃烧体屋檐,其防火间距可按本表减少25%.③固定容积可燃气体贮罐,应按其水容量(m3)和工作压力(kg/m2)的乘积,按本表水槽式贮罐的要求执行。
④供氢站与架空电力线的防火间距,不应小于电线杆高度1。
5倍.4、氧气站等的乙类生产建筑物与厂内各类建、构筑物之间的最小防火间距表GB50030—91《氧气站设计规范》第2。
0.3条氧气站等的乙类生产建筑物与各类建、构筑物之间的最小防火间距表表4注:1)固定容积的氧气贮罐,其容积按水容量(m3)和工作压力(绝对9.5×104Pa)的乘积计算。
2)液氧贮罐以1m3液氧折合800 m3标准状态气氧计算,按本表氧气贮罐相应贮量的规定执行。
3)氧气贮罐、惰性气体贮罐、室外布置的工艺设备与其制氧厂房的间距,可按工艺布置要求确定。
危险化学品生产装置和储存设施与厂内周边安全距离表1、氢氧站、供氢站、氢气罐与厂内建筑物、构筑物的防火间距GB50177-93《氢氧站设计规范》第2.0.2条氢氧站、供氢站、氢气罐与建筑物、构筑物的防火间距表(m)表1注:1) 防火间距应按相邻建筑物或构筑物的外墙、凸出部分外缘、储罐外壁的最近距离计算。
2)固定容积的氢气罐,总容积按其水容量(m 3)和工作压力(绝对压力9.8×104Pa )的乘积计算。
3) 总容积不超过20 m 3的氢气罐与所属厂房的防火间距不限。
4) 与高层厂房之间的防火间距,应按本表相应增加3m 。
5) 氢气罐与氧气罐之间的防火间距,不应小于相邻较大罐直径。
2、氢氧站、供氢站、氢气罐与厂内铁路、道路的防火间距GB50177-93《氢氧站设计规范》第2.0.3条氢氧站、供氢站、氢气罐与铁路、道路的防火间距表(m ) 表2注:防火间距应从氢气罐外壁算起。
3、供氢站厂内平面布置的防火间距GB4962-85《氢气使用安全技术规程》第2.1.2条供氢站平面布置的防火间距表表3注:①建筑物之间的防火间距按相邻外墙的最近距离计算。
如外墙有凸出的燃烧物件,则应从其凸出部分外缘算起;贮罐、变压器的防火间距应从距建筑物最近的外壁算起。
②供氢站与其他建筑物相邻面的外墙均为非燃烧体,且无门、窗、洞及无外露的燃烧体屋檐,其防火间距可按本表减少25%。
③固定容积可燃气体贮罐,应按其水容量(m3)和工作压力(kg/m2)的乘积,按本表水槽式贮罐的要求执行。
④供氢站与架空电力线的防火间距,不应小于电线杆高度1.5倍。
4、氧气站等的乙类生产建筑物与厂内各类建、构筑物之间的最小防火间距表GB50030-91《氧气站设计规范》第2.0.3条氧气站等的乙类生产建筑物与各类建、构筑物之间的最小防火间距表表4注:1)固定容积的氧气贮罐,其容积按水容量(m3)和工作压力(绝对9.5×104Pa)的乘积计算。
危险化学品生产装置和储存设施与厂内周边安全距离表1、氢氧站、供氢站、氢气罐与厂内建筑物、构筑物的防火间距GB50177-93《氢氧站设计规范》第2.0.2条氢氧站、供氢站、氢气罐与建筑物、构筑物的防火间距表(m)表11)防火间距应按相邻建筑物或构筑物的外墙、凸出部分外缘、储罐外壁的最近距离计算。
2)固定容积的氢气罐,总容积按其水容量(m3)和工作压力(绝对压力9.8×104Pa)的乘积计算。
3)总容积不超过20 m3的氢气罐与所属厂房的防火间距不限。
4)与高层厂房之间的防火间距,应按本表相应增加3m。
5)氢气罐与氧气罐之间的防火间距,不应小于相邻较大罐直径。
2、氢氧站、供氢站、氢气罐与厂内铁路、道路的防火间距GB50177-93《氢氧站设计规范》第2.0.3条氢氧站、供氢站、氢气罐与铁路、道路的防火间距表(m)表23、供氢站厂内平面布置的防火间距GB4962-85《氢气使用安全技术规程》第2.1.2条表3供氢站平面布置的防火间距表有凸出的燃烧物件,则应从其凸出部分外缘算起;贮罐、变压器的防火间距应从距建筑物最近的外壁算起。
②供氢站与其他建筑物相邻面的外墙均为非燃烧体,且无门、窗、洞及无外露的燃烧体屋檐,其防火间距可按本表减少25%。
③固定容积可燃气体贮罐,应按其水容量(m3)和工作压力(kg/m2)的乘积,按本表水槽式贮罐的要求执行。
④供氢站与架空电力线的防火间距,不应小于电线杆高度1.5倍。
4、氧气站等的乙类生产建筑物与厂内各类建、构筑物之间的最小防火间距表GB50030-91《氧气站设计规范》第2.0.3条氧气站等的乙类生产建筑物与各类建、构筑物之间的最小防火间距表表4注:1)固定容积的氧气贮罐,其容积按水容量(m3)和工作压力(绝对9.5×104Pa)的乘积计算。
2)液氧贮罐以1m3液氧折合800 m3标准状态气氧计算,按本表氧气贮罐相应贮量的规定执行。
3)氧气贮罐、惰性气体贮罐、室外布置的工艺设备与其制氧厂房的间距,可按工艺布置要求确定。
附录1 危险化学品生产装置和储存设施与厂外周边安全距离表1、石油化工企业与相邻工厂或设施的防火间距GB50160-92《石油化工企业设计防火规范》(1999年版)第3.1.7条。
业的安全距离有特殊要求时,应按有关规定执行。
②丙类工艺装置或设施的防火距离,可按甲、乙类工艺装置或设施的规定减少25%。
2、石油库与周围居住区、工矿企业、交通线等的安全距离GB50074-2002第4.0.7条表4.0.73、氢氧站、供氢站、氢气罐与厂外道路的防火间距GB50177-93《氢氧站设计规范》第2.0.3条4、氢站与厂外铁路、道路及重要公共建筑的防火间距GB4962-85《氢气使用安全技术规程》第2.1.2条5、库房、储罐、堆场与厂外铁路、道路的防火间距GBJ16-87《建筑设计防火规范》(2001年版)第4.8.3条性适当减少。
6、氧气站等的乙类生产建筑物与厂外建、构筑物之间的最小防火间距表GB50030-91《氧气站设计规范》第2.0.3条附录2 危险化学品生产装置和储存设施与厂内周边安全距离表1、氢氧站、供氢站、氢气罐与厂内建筑物、构筑物的防火间距GB50177-93《氢氧站设计规范》第2.0.2条1)防火间距应按相邻建筑物或构筑物的外墙、凸出部分外缘、储罐外壁的最近距离计算。
2)固定容积的氢气罐,总容积按其水容量(m3)和工作压力(绝对压力9.8×104Pa)的乘积计算。
3)总容积不超过20 m3的氢气罐与所属厂房的防火间距不限。
4)与高层厂房之间的防火间距,应按本表相应增加3m。
5)氢气罐与氧气罐之间的防火间距,不应小于相邻较大罐直径。
2、氢氧站、供氢站、氢气罐与厂内铁路、道路的防火间距GB50177-93《氢氧站设计规范》第2.0.3条氢氧站、供氢站、氢气罐与铁路、道路的防火间距表(m)表23、供氢站厂内平面布置的防火间距GB4962-85《氢气使用安全技术规程》第2.1.2条供氢站平面布置的防火间距表表3应从其凸出部分外缘算起;贮罐、变压器的防火间距应从距建筑物最近的外壁算起。
附录1 危险化学品生产装置和储存设施与厂外周边安全距离表注:①明火或散发火花地点和甲、乙类物品及甲、乙类液体的定义应符合现行国家标准建筑设计防火规范的规定。
②重要公共建筑物及其它民用建筑物保护类别划分应符合附件二的规定。
③对柴油罐及其通气管管口和柴油加油机,本表的距离可减少30%。
④对汽油罐及其通气管管口,若设有卸油油气回收系统,本表的距离可减少20%;当同时设置卸油和加油油气回收系统时,本表的距离可减少30%,但均不得小于5m。
⑤油罐、加油机与站外小于或等于1000KVA箱式变压器、杆装变压器的防火距离,可按本表的室外变配电站防火距离减少20%。
⑥油罐、加油机与郊区公路的防火距离按城市道路确定:高速公路、Ⅰ级和Ⅱ级公路按城市快速路、主干路确定,Ⅲ级和Ⅳ级公路按照城市干路、支路确定。
⑦与架空通信线和架空电力线路的距离不得按注③和注④折减。
1、石油化工企业与相邻工厂或设施的防火间距GB50160-92《石油化工企业设计防火规范》(1999年版)第3.1.7条。
油化工企业与相邻工厂或设施的防火间距表1注:①当相邻设施为港区陆域、重要物品仓库和堆场、军事设施、机场等,对石油化工企业的安全距离有特殊要求时,应按有关规定执行。
②丙类工艺装置或设施的防火距离,可按甲、乙类工艺装置或设施的规定减少25%。
2、石油库与周围居住区、工矿企业、交通线等的安全距离GB50074-2002第4.0.7条表4.0.7石油库与周围居住区、工矿企业、交通线等的安全距离(m)表23、氢氧站、供氢站、氢气罐与厂外道路的防火间距GB50177-93《氢氧站设计规范》第2.0.3条氢氧站、供氢站、氢气罐与厂外道路的防火间距表(m)表3注:防火间距应从氢气罐外壁算起。
4、氢站与厂外铁路、道路及重要公共建筑的防火间距GB4962-85《氢气使用安全技术规程》第2.1.2条供氢站与厂外铁路、道路及重要公共建筑的防火间距表表4注:供氢站与架空电力线的防火间距,不应小于电线杆高度1.5倍。
危险化学品生产装置和储存设施与厂内周边安全距离表1、氢氧站、供氢站、氢气罐与厂内建筑物、构筑物的防火间距GB50177-93《氢氧站设计规范》第2.0.2条氢氧站、供氢站、氢气罐与建筑物、构筑物的防火间距表(m)表11)防火间距应按相邻建筑物或构筑物的外墙、凸出部分外缘、储罐外壁的最近距离计算。
2)固定容积的氢气罐,总容积按其水容量(m3)和工作压力(绝对压力9.8×104Pa)的乘积计算。
3)总容积不超过20 m3的氢气罐与所属厂房的防火间距不限。
4)与高层厂房之间的防火间距,应按本表相应增加3m。
5)氢气罐与氧气罐之间的防火间距,不应小于相邻较大罐直径。
2、氢氧站、供氢站、氢气罐与厂内铁路、道路的防火间距GB50177-93《氢氧站设计规范》第2.0.3条氢氧站、供氢站、氢气罐与铁路、道路的防火间距表(m)表23、供氢站厂内平面布置的防火间距GB4962-85《氢气使用安全技术规程》第2.1.2条供氢站平面布置的防火间距表表3物件,则应从其凸出部分外缘算起;贮罐、变压器的防火间距应从距建筑物最近的外壁算起。
②供氢站与其他建筑物相邻面的外墙均为非燃烧体,且无门、窗、洞及无外露的燃烧体屋檐,其防火间距可按本表减少25%。
③固定容积可燃气体贮罐,应按其水容量(m3)和工作压力(kg/m2)的乘积,按本表水槽式贮罐的要求执行。
④供氢站与架空电力线的防火间距,不应小于电线杆高度1.5倍。
4、氧气站等的乙类生产建筑物与厂内各类建、构筑物之间的最小防火间距表GB50030-91《氧气站设计规范》第2.0.3条氧气站等的乙类生产建筑物与各类建、构筑物之间的最小防火间距表表4注:1)固定容积的氧气贮罐,其容积按水容量(m3)和工作压力(绝对9.5×104Pa)的乘积计算。
2)液氧贮罐以1m3液氧折合800 m3标准状态气氧计算,按本表氧气贮罐相应贮量的规定执行。
3)氧气贮罐、惰性气体贮罐、室外布置的工艺设备与其制氧厂房的间距,可按工艺布置要求确定。
目录1、附录1 危险化学品生产装置和储存设施与厂外周边安全距离表 (1)2、附录2 危险化学品生产装置和储存设施与厂内周边安全距离表 (7)3、附录3 厂房、库房、火灾危险类别、耐火等级、层数、占地面积、防火间距表174、附录4 危险化学物品混存性能互抵表 (24)5、附录5 氯气操作现场常备抢修器材与防护用品表 (26)6、附录6 国家明令淘汰落后生产能力、工艺和产品的目录(节选) (28)7、附录7 明令禁止的危险化学品名录 (32)8、附录8 特种设备目录 (40)9、附录9 工业管道的基本识别色、识别符号和安全标识 (52)10、附录10 常用危险化学品标志 (57)11、附件11 职业性接触毒物危害程度分级 (65)12、附录12 重大危险源申报范围 (70)13、附录13 高毒物品目录 (77)14、附录14 特种作人业人员目录 (84)15、附录15 危险化学品生产企业安全评价导则(试行) (88)16、附录16 安全法规、标准 (106)附录1 危险化学品生产装置和储存设施与厂外周边安全距离表1、石油化工企业与相邻工厂或设施的防火间距GB50160-92《石油化工企业设计防火规范》(1999年版)第3.1.7条。
注:①当相邻设施为港区陆域、重要物品仓库和堆场、军事设施、机场等,对石油化工企业的安全距离有特殊要求时,应按有关规定执行。
②丙类工艺装置或设施的防火距离,可按甲、乙类工艺装置或设施的规定减少25%。
2、石油库与周围居住区、工矿企业、交通线等的安全距离GB50074-2002第4.0.7条表4.0.7石油库与周围居住区、工矿企业、交通线等的安全距离(m)表23、氢氧站、供氢站、氢气罐与厂外道路的防火间距GB50177-93《氢氧站设计规范》第2.0.3条氢氧站、供氢站、氢气罐与厂外道路的防火间距表(m)表34、氢站与厂外铁路、道路及重要公共建筑的防火间距GB4962-85《氢气使用安全技术规程》第2.1.2条供氢站与厂外铁路、道路及重要公共建筑的防火间距表表45、库房、储罐、堆场与厂外铁路、道路的防火间距GBJ16-87《建筑设计防火规范》(2001年版)第4.8.3条库房、储罐、堆场与厂外铁路、道路的防火间距表表5性适当减少。
6、氧气站等的乙类生产建筑物与厂外建、构筑物之间的最小防火间距表GB50030-91《氧气站设计规范》第2.0.3条氧气站等的乙类生产建筑物与厂外建、构筑物之间的最小防火间距表表6附录2 危险化学品生产装置和储存设施与厂内周边安全距离表1、氢氧站、供氢站、氢气罐与厂内建筑物、构筑物的防火间距GB50177-93《氢氧站设计规范》第2.0.2条氢氧站、供氢站、氢气罐与建筑物、构筑物的防火间距表(m)表1注:1)防火间距应按相邻建筑物或构筑物的外墙、凸出部分外缘、储罐外壁的最近距离计算。
2)固定容积的氢气罐,总容积按其水容量(m3)和工作压力(绝对压力9.8×104Pa)的乘积计算。
3)总容积不超过20 m3的氢气罐与所属厂房的防火间距不限。
4)与高层厂房之间的防火间距,应按本表相应增加3m。
5)氢气罐与氧气罐之间的防火间距,不应小于相邻较大罐直径。
2、氢氧站、供氢站、氢气罐与厂内铁路、道路的防火间距GB50177-93《氢氧站设计规范》第2.0.3条氢氧站、供氢站、氢气罐与铁路、道路的防火间距表(m)表2注:防火间距应从氢气罐外壁算起。
3、供氢站厂内平面布置的防火间距GB4962-85《氢气使用安全技术规程》第2.1.2条供氢站平面布置的防火间距表表3应从其凸出部分外缘算起;贮罐、变压器的防火间距应从距建筑物最近的外壁算起。
②供氢站与其他建筑物相邻面的外墙均为非燃烧体,且无门、窗、洞及无外露的燃烧体屋檐,其防火间距可按本表减少25%。
③固定容积可燃气体贮罐,应按其水容量(m3)和工作压力(kg/m2)的乘积,按本表水槽式贮罐的要求执行。
④供氢站与架空电力线的防火间距,不应小于电线杆高度1.5倍。
4、氧气站等的乙类生产建筑物与厂内各类建、构筑物之间的最小防火间距表GB50030-91《氧气站设计规范》第2.0.3条氧气站等的乙类生产建筑物与各类建、构筑物之间的最小防火间距表表4注:1)固定容积的氧气贮罐,其容积按水容量(m3)和工作压力(绝对9.5×104Pa)的乘积计算。
2)液氧贮罐以1m3液氧折合800 m3标准状态气氧计算,按本表氧气贮罐相应贮量的规定执行。
3)氧气贮罐、惰性气体贮罐、室外布置的工艺设备与其制氧厂房的间距,可按工艺布置要求确定。
4)氧气贮罐之间的防火间距,不应小于相邻较大罐的半径。
氧气贮罐与可燃气体贮罐之间的防火间距不应小于相邻较大罐的直径。
5)容积不超过50 m3的氧气贮罐与所属使用厂房的防火间距不限。
6)容积不超过3 m3的液气贮罐与所属使用建筑的防火间距,可减少为10m。
7)液氧贮罐周围5m的范围内,不应有可燃物和设置沥青路面。
8)氧气站室外布置的空分塔或惰性气体贮罐,应按一、二级耐火等级的乙类生产建筑(空压塔)或戊类生产建筑(惰性气体贮罐)确定其与其他各类建筑之间的最小防火间距。
9)氧气气等一、二级耐火等级的乙类生产建筑物,与其他甲类生产建筑物之间的最小防火间距,应按本表对其他各类生产建筑物之间规定的间距增加2m。
10)湿式氧气贮罐与可燃液体贮罐,可燃材料堆场之间的最小防火间距,应符合本表对民用建筑、明火或散发火花地点之间规定的间距。
5、独立的乙炔瓶库与其他建筑物之间的防火间距GB50031-91《乙炔站设计规范》第2.0.6条独立的乙炔瓶库与其他建筑物之间的防火间距表表56、甲、乙、丙类液体储罐、堆场与建筑物的防火间距表GBJ16-87《建筑设计防火规范》(2001年版)第4.4.2条甲、乙、丙类流体储罐、堆场与建筑物的防火间距表6注:、①防火间距应从建筑物最近的储罐外壁、堆垛外缘算起。
但储罐防火堤外侧基脚线至建筑物的距离不应小于10m。
②、甲、乙、丙类液体的固定顶储罐区、半露天堆场和乙、丙类液体堆场与甲类厂(库)房以及民用建筑的防火间距,应按本表的规定增加25%。
但甲、乙类液体储罐区、半露天堆场和乙、丙类液体堆场与上述建筑物的防火间距不应小于25m,与明火或散发火花地点的防火间距,应按本表四级建筑的规定增加25%。
③、浮顶储罐或闪点大于120℃的液体储罐与建筑物的防火间距,可按本表的规定减少25%。
④、一个单位如有几个储罐区时,储罐区之间的防火间距不应小于本表相应储量储罐与四级建筑的较大值。
⑤、石油库的储罐与建筑物、构筑物的防火间距可按《石油库设计规范》的有关规定执行。
7、甲、乙、丙类液体储罐之间的防火间距表GBJ16-87《建筑设计防火规范》(2001年版)第4.4.4条甲、乙、丙类液体储罐之间的防火间距表7注:(1)D为相邻立式储罐中较大罐的直径(m),矩形储罐的直径为长边与短边之和的一半。
(2)不同液体,不同形式储罐之间的防火间距,应采用本表规定的较大值。
(3)两排卧罐间的防火间距不应小于3m。
(4)设有充氮保护设备的液体储罐之间的防火间距,可按浮顶储罐的间距确定。
(5)单罐容量不超过1000m3的甲、乙类液体的地上式固定储罐之间的防火间距,如采用固定冷却消防方式时,其防火间距可不小于0.6D。
(6)同时装有液下喷射泡沫灭火设备、固定冷却水设备和扑救防火堤内液体火灾的泡沫灭火设备时,储罐之间的间距可适当减少,但地上储罐不宜小于0.4D。
(7)闪点超过120℃的液体,且储罐容量大于1000m3时,其储罐之间的防火间距可为5m;小于1000m3时,其储罐之间的防火间距可为2m。
8、湿式可燃气体储气罐或罐区与建筑物、储罐、堆场的防火间距GBJ16-87《建筑设计防火规范》(2001年版)第4.5.1条储气罐或罐区与建筑物、储罐、堆场的防火间距表表8注:①固定容积的可燃气体储罐与建筑物、堆场的防火间距应按本表的规定执行。
总容积按其水容量(m3)和工作压力(绝对压力,1kgf/cm2=9.8×104Pa)的乘积计算。
②干式可燃气体储罐与建筑物、堆场的防火间距应按本表增加25%。
③容积不超过20m3的可燃罐体储罐与所属厂房的防火间距不限。
9、湿式氧气储罐或罐区与建筑物、储罐、堆场的防火间距GBJ16-87《建筑设计防火规范》(2001年版)第4.5.4条湿式氧气储罐或罐区的建筑物、储罐、堆场的防火间距表表9注:①固定容积的氧气储罐与建筑物、储罐、堆场的防火间距应按本表的规定执行,其容积按水容量(m3)和工作压力(绝对压力,1kgf/cm2=9.8×104Pa)的乘积计算。
②氧气储罐与其制氧厂房的间距,可按工艺布置要求确定。
③容积不超过50m3的氧气储罐与所属使用厂房的防火间距不限。
10、液化石油气储罐或罐区与建筑物、堆场的防火间距GBJ16-87《建筑设计防火规范》(2001年版)第4.6.2条液化石油气储罐或罐区与建筑物、堆场的防火间距表表10注:①容积超过1000m3的液化石油气单罐或总储量超过5000m3的罐区。
与明火或散发火花地点和民用建筑的防火间距不应小于120m,与其他建筑的防火间距应按本表的规定增加25%。
②防火间距应按本表总容积或单罐容积较大者确定。
11、库房、储罐、堆场与厂内铁路的防火间距GBJ16-87《建筑设计防火规范》(2001年版)第4.8.3条库房、储罐、堆场与厂外铁路、道路的防火间距表表11注:①厂内铁路装卸线与设有装卸站台的甲类物品库房的防火间距,可不受本表规定的限制。
②未列本表的堆场、储罐、库房与铁路、道路的防火间距,可根据储存物品的火灾危险性适当减少。
附录3 厂房、库房火灾危险类别、耐火等级、层数、占地面积、防火间距表1、生产火灾危险性分类表GBJ16-87《建筑设计防火规范》(2001年版)第3.1.1条生产火灾危险性分类表表12、厂房的耐火等级、层数和占地面积表GBJ16-87《建筑设计防火规范》第3.2.1条厂房的耐火等级、层数和占地面积表2注:(1)防火分区间应用防火墙分隔。
一、二级耐火等级的单层厂房(甲类厂房除外)如面积超过本表规定,设置防火墙有困难时,可用防火水幕带或防火卷帘加水幕分隔。
(2)甲、乙、丙类厂房装有自动灭火设备时,防火分区最大允许占地面积可按本表的规定增加一倍;丁戊类厂房装设自动灭火设备时,其占地面积不限。
局部设置时,增加面积可按该局部面积的一倍计算。
3、储存物品的火灾危险性分类表GBJ16-87《建筑设计防火规范》(2001年版)第4.1.1条储存物品的火灾危险性分类表表34、库房的耐火等级、层数和建筑面积表GBJ16-87《建筑设计防火规范》(2001版)第4.2.1条库房的耐火等级、层数和建筑面积表4注:①高层库房、高架仓库和筒仓的耐火等级不应低于二级;二级耐火等级的筒仓可采用钢板仓。