水利水电工程项目划分 (2).doc
- 格式:doc
- 大小:1.00 MB
- 文档页数:11
表 2.1.1水利水电工程分等指标工防洪治涝灌溉供水发电程工程规模水库总库容保护城镇及工保护农田治涝面积灌溉面供水对象重装机容量等(108m3 )矿企业的重要积 (104(10 4亩 )(10 4亩 )要性(10 4kW)别性亩 )I大 (1) 型≥ 10特别重要≥ 500≥ 200≥ 150特别重要≥ 120Ⅱ大 (2) 型10~ 1.0重要500~ 100200 ~ 60150~ 50重要120 ~ 30Ⅲ中型 1.0 ~ 0.10中等100~ 3060 ~ 1550~ 5中等30~ 5 IV小 (1) 型0.10 ~ 0.01一般30~ 515 ~ 35~ 0.5一般5~ 1 V小 (2) 型0.01 ~ 0.001<5<3<0.5<1表 2.2.1永久性水工建筑物级别工程等别主要建筑物次要建筑物I13Ⅱ23Ⅲ34IV45V55表 2.2.6临时性水工建筑物级别级别保护对象失事后果有特殊要求的 1 级永淹没重要城镇、工矿企业、交通干线或3推迟总工期及第一台 (批 )机组发电,造久性水工建筑物成重大灾害和损失1、2级永久性水工建淹没一般城镇、工矿企业、或影响工程4总工期及第一台 (批 )机组发电而造成较筑物大经济损失53、4级永久性水工建淹没基坑、但对总工期及第一台(批 )机筑物组发电影响不大,经济损失较小使用年临时性水工建筑物规模限 (年 )高度 (m)库容 (10 8m3)>3>50>1.03~ 1.5 50~ 15 1.0~ 0.1<1.5<15<0.1表 3.2.7坝体施工期临时度汛洪水标准[ 重现期(年) ]坝型拦洪库容( 108 m3)>1.0 1.0~ 0.1<0.1土石坝>100100 ~ 5050~ 20混凝土坝、浆砌石坝>5050~ 2020~ 10表 3.2.8导流泄水建筑物封堵后坝体度汛洪水标准[ 重现期(年) ]坝型大坝级别123设计200~ 100100~ 5050~ 20混凝土坝、浆砌石坝500~ 200200 ~ 100100 ~ 50校核土石坝设计500~ 200200 ~ 100100 ~ 50校核1000~ 500500 ~ 200200~ 100表 2.1.3拦河水闸工程分等指标工程等别工程规模过闸流量 (m3 /s)I大 (1) 型≥ 5000Ⅱ大 (2) 型5000~ 1000Ⅲ中型1000 ~ 100IV小 (1) 型100~ 20V小 (2) 型<20表 2.1.4灌溉、排水泵站分等指标工程等别工程规模分等指标装机流量 (m3/s)装机功率 (104 kW) I大 (1) 型≥ 200≥3Ⅱ大 (2) 型200~ 503~1Ⅲ中型50 ~ 101~ 0.1IV小 (1) 型10~ 20.1~ 0.01V小 (2) 型<2<0.01表 2.2.3水库大坝提级指标级别坝型坝高 (m)2土石坝90混凝土坝、浆砌石坝1303土石坝70混凝土坝、浆砌石坝100表 3.2.1山区、丘陵区水利水电工程永久性水工建筑物洪水标准[ 重现期(年)]项目水工建筑物级别12345设计1000~ 500500 ~ 100100 ~ 5050 ~3030~ 20土石坝可能最大洪水( PMF )5000 ~ 20002000 ~ 10001000~ 300300~ 200或 10000 ~ 5000校核混凝土坝、浆砌5000 ~ 20002000 ~ 10001000~ 500500 ~200200~ 100石坝表 3.2.4山区、丘陵区水利水电工程消能防冲建筑物洪水标准永久性泄水建筑物级别12345洪水重现期(年)10050302010表 3.3.1平原区水利水电工程永久性水工建筑物洪水标准[ 重现期(年) ]项目永久性水工建筑物级别12345水库工程设计300 ~ 100100~ 5050~ 2020~ 1010校核2000 ~ 10001000~ 300300~ 100100~ 5050~ 20拦河水闸设计100~ 5050~ 3030~ 2020~ 1010校核300 ~ 200200~ 100100~ 5050~ 3030~ 20表 4.0.1 永久性挡水建筑物安全加高(m)建筑物类型及运用情况永久性挡水建筑物级别1234、 5设计 1.5 1.00.70.5土石坝校山区、丘陵区0.70.50.40.3核平原、滨海区 1.00.70.50.3混凝土闸坝、设计0.70.50.40.3浆砌石闸坝校核0.50.40.30.2表 4.0.3设计情况下土石坝土质防渗顶部超高(m)防渗体结构形式超高( m)斜墙0.8~ 0.6心墙0.6~ 0.3。
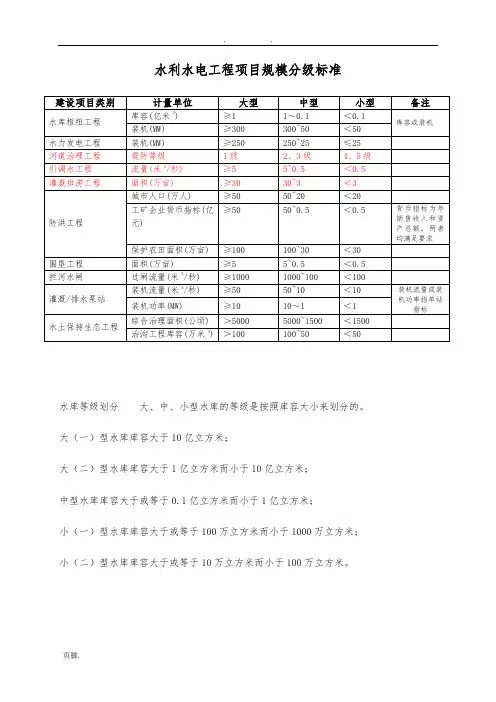
水利水电工程项目规模分级标准水库等级划分大、中、小型水库的等级是按照库容大小来划分的。
大(一)型水库库容大于10亿立方米;大(二)型水库库容大于1亿立方米而小于10亿立方米;中型水库库容大于或等于0.1亿立方米而小于1亿立方米;小(一)型水库库容大于或等于100万立方米而小于1000万立方米;小(二)型水库库容大于或等于10万立方米而小于100万立方米。
河流等级划分大、中、小型河流的等级是按照保护面积大小来划分的。
大型河流保护面积大于30万亩;中型河流保护面积在1—30万亩之间;小型河流保护面积小于1万亩。
有众多支流汇入的是上游水量稳定且较高的是中游水量有所减少或转如地势低平地区的是下游上中游分界线一般是最后一条大支流的汇入地点中下游分界线一般是地势低平地区的边缘堤防工程等级依据堤防工程的防洪标准确定,依据堤防工程设计规(GB50286-1998),堤防工程分为5级,详见表2。
表2堤防工程的级别堤防分类堤防按其所在位置及建筑材料进行分类。
按所在位置,堤防可分为河(江)堤、海堤、湖堤、水库堤及渠(沟)堤等五种,详见表1 。
按建筑材料,堤防可分为土堤、砂堤、石堤、混凝土堤等四种。
(1)土堤:由粘土、壤土筑成,主要建在平原地区江河沿岸、海岸、湖泊四周、排灌沟渠沿岸及水库周边。
(2)砂堤:由沙土或砂砾石筑成,主要建在山区、丘陵区江河沿岸,水库周边、海岸。
(3)石堤:由块石或条石筑成,主要建在海岸、取土困难的江河沿岸及城区河段沿岸。
(4)混凝土堤:由混凝土或钢筋混凝土筑成,主要用于城区河段沿岸。
拦河闸等级划分拦河闸等级是按照过闸流量大小划分的。
大型拦河闸过闸流量大于1000立方米/秒;中型拦河闸过闸流量大于100立方米/秒而小于或等于1000立方米/秒;小型拦河闸过闸流量大于或等于10立方米/秒而小于100立方米/秒;流域河流等级一个流域的水系汇入主流的各级水流。
如湘、资、沅、澧四水即为长江的支流。
通常把直接汇入干流的支流,叫一级支流,汇入一级支流的支流叫二级支流,以此类推。
最新水利水电工程项目划分规范篇一:水利水电工程项目划分原则水利水电工程项目划分原则SL176-2007水利水电工程施工质量检验与评定规程》3.2 项目划分原则3.2.1 水利水电工程项目划分应结合工程结构特点、施工部署及施工合同要求进行,划分结果应有利于保证施工质量以及施工质量管理。
3.2.2 单位工程项目划分应按下列原则确定:1 枢纽工程,一般以每座独立的建筑物为一个单位工程。
当工程规模大时,可将一个建筑物中具有独立施工条件的一部分划分为一个单位工程。
2 堤防工程,按招标标段或工程结构划分单位工程。
规模较大的交叉联结建筑物及管理设施以每座独立的建筑物为一个单位工程。
3 引水(渠道)工程,按招标标段或工程结构划分单位工程。
大、中型引水(渠道)建筑物以每座独立的建筑物为1一个单位工程。
4 除险加固工程,按招标标段或加固内容,并结合工程量划分单位工程。
3.2.3 分部工程项目划分应按下列原则确定:1 枢纽工程,土建部分按设计的主要组成部分划分;金属结构及启闭机安装工程和机电设备安装工程按组合功能划分。
2 堤防工程,按长度或功能划分。
3 引水(渠道)工程中的河(渠)道按施工部署或长度划分。
大、中型建筑物按设计主要组成部分划分。
4除险加固工程,按加固内容或部位划分。
5 同一单位工程中,各个分部工程的工程量(或投资)不宜相差太大,每个单位工程中的分部工程数目,不宜少于5个。
3.2.4 单元工程划分原则:1 按《水利水电基本建设工程单元工程质量等级评定标准(试行)》(SDJ249.1,6-88,SL 38-92及SL 239-1999)(以下简称《单元工程评定标准》)规定进行划分。
2 河(渠)道开挖、填筑及衬砌单元工程划分界限宜设在变形缝或结构缝处,长度一般不大于100m。
同一分部工程中各单元工程的工程量(或投资)不宜相差太大。
3《单元工程评定标准》中未涉及的单元工程可依据设计2结构、施工部署或质量考核要求划分的层、块、段进行划分。
水利水电工程施工质量检验与评定规程SL 176—20073项目划分3.1 项目名称3.1.1各类水利工程项目划分示例见表1水利水电枢纽工程项目划分表,表2堤防工程项目划分表,表3引水(渠道)工程项目划分表。
精品文档,超值下载表1 水利水电枢纽工程项目划分表表2 堤防工程项目划分表表3 引水(渠道)工程项目划分表续)3.2 项目划分原则3.2.1本条是进行项目划分的基本原则。
条文中的工程结构特点指建筑物的结构特点,如混凝土重力坝,可按坝段进行项目划分,土石坝则应按防渗体、坝壳及排水堆石体等进行项目划分。
施工部署指施工组织设计中对各建筑物施工时期的安排。
同时,还应遵守有利于施工质量管理的原则。
3.2.2单位工程项目划分,在满足3.2.1条规定的前提下,本条对枢纽工程、堤防工程、引水(渠道)工程的单位工程项目划分原则做了如条文所述规定。
引水(渠道)工程级别按GB50288--99规定执行。
除险加固工程因险情不同,其除险加固内容和工程量也相差很大,应按实际情况进行项目划分。
加固工程量大时,以同一招标标段中的每座独立建筑物的加固项目为一个单位工程,当加固工程量不大时,也可将一个施工单位承担完成的几个建筑物的加固项目划分为一个单位工程。
3.2.3条文中的“工程量不宜相差太大”指同种类分部工程(如几个混凝土分部工程)的工程量差值不超过50%,“投资不相差太大”指不同种类分部工程(如混凝土分部工程、砌石分部工程、闸门及启闭机安装分部工程……)的投资差值不宜超过一倍。
对除险加固工程可根据整治内容,按本条规定的原则进行分部工程的划分。
3.2.4《单元工程评定标准》对水利水电枢纽工程及堤防工程中常见单元工程如何划分都有规定,《单元工程评定标准》中未涉及的单元工程,应按本条规定进行划分。
目前水利行业尚无引水(渠道)工程的单元工程质量评定标准,本条提出了其单元工程划分原则,并在3.1.1条文说明中列出了项目划分表。
3.3项目划分程序3.3.3工程施工过程中,由于设计变更、施工部署的重新调整等诸多因素,需要对工程开工初期批准的项目划分进行调整。
按照《水利水电工程施工质量检验与评定规程》(SLl76—2007)(以下简称新规程),自2007年10月14日实施。
(一)新规程有关项目的名称与划分原则1.水利水电工程质量检验与评定应当进行项目划分。
项目按级划分为单位工程、分部工程、单元(工序)工程等三级。
2.水利水电工程项目划分应结合工程结构特点、施工部署及施工合同要求进行,划分结果应有利于保证施工质量以及施工质量管理。
3.单位工程项目划分原则(1)枢纽工程,一般以每座独立的建筑物为一个单位工程。
当工程规模大时,可将一个建筑物中具有独立施工条件的一部分划分为一个单位工程。
(2)堤防工程,按招标标段或工程结构划分单位工程。
可将规模较大的交叉联结建筑物及管理设施以每座独立的建筑物划分为一个单位工程。
(3)引水(渠道)工程,按招标标段或工程结构划分单位工程。
可将大、中型(渠道)建筑物以每座独立的建筑物划分为一个单位工程。
(4)除险加固工程,按招标标段或加固内容,并结合工程量划分单位工程。
4.分部工程项目划分原则(1)枢纽工程,土建部分按设计的主要组成部分划分;金属结构及启闭机安装工程和机电设备安装工程按组合功能划分。
(2)堤防工程,按长度或功能划分。
(3)引水(渠道)程中的河(渠)道按施工部署或长度划分。
大、中型建筑物按工程结构主要组成部分划分。
(4)除险加固工程,按加固内容或部位划分。
(5)同一单位工程中,同类型的各个分部工程的工程量(或投资)不宜相差太大,不同类型的各个分部工程投资不宜相差太大,工程量相差不超过50%。
每个单位工程中的分部工程数目,不宜少于5个。
5.单元工程项目划分原则(1)按《水利建设工程单元工程施工质量验收评定标准》(以下简称《单元工程评定标准》)规定进行划分。
(2)河(渠)道开挖、填筑及衬砌单元工程划分界限宜设在变形缝或结构缝处,长度一般不大于l00m。
同一分部工程中各单元工程的工程量(或投资)不宜相差太大。
(3)《单元工程评定标准》中未涉及的单元工程可依据工程结构、施工部署或质量考核要求,按层、块、段进行划分。
水利水电工程项目划分规范水利水电工程项目规模分级标准在水利水电工程中,为了保证施工质量和管理,需要对工程进行项目划分。
根据工程结构特点、施工部署和施工合同要求,可以将项目划分为单位工程、分部工程和单元工程等三级。
对于永久性房屋、专用公路、专用铁路等工程项目,可以按照相关行业标准进行划分和确定项目名称。
在单位工程项目的划分中,枢纽工程一般以每座独立的建筑物为一个单位工程。
堤防工程可以按照招标标段或工程结构进行划分。
引水(渠道)工程可以按照招标标段或工程结构划分单位工程。
除险加固工程则可以按照招标标段或加固内容,并结合工程量进行划分。
分部工程项目的划分可以按照枢纽工程土建工程的主要组成部分划分,或按照堤防工程长度或功能划分。
引水(渠道)工程中的河(渠)道可以按照施工部署或长度划分,大、中型建筑物可以按照工程结构主要组成部分划分。
除险加固工程则可以按照加固内容或部位进行划分。
在单元工程项目的划分中,可以按照《水利不电基本建设工程单元工程质量等级评定标准(试行)》进行划分。
河(渠)道开挖、填筑及衬砌单元工程划分界限宜设在变形缝或结构缝处,长度一般不大于100m。
除了以上原则,同一单位工程中各个分部工程的工程量(或投资)不宜相差太大,每个单位工程中的分部工程数目也不宜少于2个。
在项目划分的过程中,需要综合考虑工程结构特点、施工部署和质量管理要求,确保划分结果能够更好地保证施工质量和管理。
3.3.1 在工程项目开始前,由项目法人组织监理、设计和施工等单位进行工程项目划分,并确定主要单位工程和主要分部工程。
然后,将项目划分表和说明书面报相应的工程质量监督机构确认。
3.3.2 工程质量监督机构应在收到项目划分书面报告后的几个工作日内对项目划分进行确认,并将确认结果书面通知项目法人。
3.3.3 在工程实施过程中,如果需要对单位工程、主要分部工程、重要隐蔽单元工程和关键部位单元工程的项目划分进行调整,项目法人应重新报送工程质量监督机构确认。
.附录 2项目划分表摘自 SL176—1996《水利水电工程施工质量评定规程》工程类别单位工程分部工程说明(一)土质(斜)墙土石坝一、拦河坝(二)均质土坝工程(三)混凝土面板堆石坝1、地基开挖与处理△2、地基防渗△3、防渗心(斜墙)★ 4、坝体填筑5、排水6、上游坝面护坡7、下游坝面护坡8、坝顶9、护岸及其他10、观测设施1、地基开挖与处理2、地基防渗★3、坝体填筑4、排水5、上游坝面护坡6、下游坝面护坡7、坝顶8、护岸及其他9、观测设施1、地基开挖与处理△2、趾板及地基防渗△3、混凝土面板及接缝止水4、垫层与过渡层5、堆石体6、下游坝面护坡7、坝顶 ]8、护岸及其他9、观测设施视工程量可分为数个分部工程视工程量及施工部署可分为数个分部工程含坝体、坝面及地基排水含马道、梯步、排水沟含防浪墙、栏杆、路面、灯饰等视工程量及施工部署可分为数个分部工程含坝体、坝面及地基排水含马道、梯步、排水沟含防浪墙、栏杆、路面、灯饰等视工程量可分为数个分部工程视工程量及施工部署可分为数个分部工程含马道、梯步、排水沟含防浪墙、栏杆、路面、灯饰等续表:工程类别单位工程分部工程1、地基开挖与处理△ 2、地基防渗△ 3、沥青混凝土斜(心)墙★ 4、坝体填筑(四)沥青混凝5、排水土防渗墙斜(心)6、上游坝面护坡.说明含反滤层视工程量及施工部署可分为数个分部工程墙土石坝一、拦河坝工程7、下游坝面护坡8、坝顶9、护岸及其他10、观测设施1、地基开挖与处理含坝体、坝面及地基排水含马道、梯步、排水沟含防浪墙、栏杆、路面、灯饰等△ 2、地基防渗△ 3、土工膜斜(心)墙(五)复合土工★ 4、坝体填筑5、排水膜斜(心)墙土6、上游坝面护坡石坝7、下游坝面护坡8、坝顶9、护岸及其他10、观测设施含垫层及过滤层视工程量及施工部署可分为数个分部工程含坝体、坝面及地基排水含马道、梯步、排水沟含防浪墙、栏杆、路面、灯饰等.1、地基开挖与处理2、地基防渗与排水3、非溢流坝段△ 4、溢流坝段视工程量及施工部署可分为数个分部工程★ 5、引水坝段(六)混凝土(含6、厂坝联结段★ 7、底孔坝段不包括坝体引水工程,含河床式电站碾压混凝土)重8、坝体接缝灌浆力坝9、廊道及坝内交通含、栏杆、路面、灯饰等10、坝顶11、消能防冲工程大型工程可划分为数个分部工程12、观测设施13、金属结构及启闭机安装续表:工程类别单位工程分部工程说明1、地基开挖与处理2、地基防渗与排水3、非溢流坝段视工程量及施工部署可分为数个分部工程△ 4、溢流坝段★ 5、底孔坝段(七)混凝土(含6、坝体接缝灌浆含栏杆、路面、灯饰等一、拦河坝7、廊道碾压混凝土)拱8、消能防冲工程坝9、坝顶仅限于有周边缝拱坝△ 10、推力墩(重力墩、翼坝)仅限于铰拱坝11、周边锉△ 12、铰座13、金属结构及启闭机安装14、观测设施(八)浆砌石重力坝续表:工程类别单位工程一、拦河坝(九)浆砌石拱工程坝1、地基开挖与处理2、地基防渗与排水3、非溢流坝段△ 4、溢流坝段★ 5、引水坝段视工程量及施工部署可分为数个分部工程6、厂坝联结段★7、底孔坝段8、坝面(坝体)防渗不包括坝体引水工程,含河床式电站9、坝体接缝灌浆10、廊道及坝内交通含、栏杆、路面、灯饰等11、坝顶12、消能防冲工程大型工程可划分为数个分部工程13、观测设施14、金属结构及启闭机安装分部工程说明1、地基开挖与处理2、地基防渗与排水3、非溢流坝段△ 4、溢流坝段★ 5、底孔坝段视工程量及施工部署可分为数个分部工程6、坝面(坝体)防渗7、坝体接缝灌浆8、廊道9、消能防冲10、坝顶含、栏杆、路面、灯饰等△11、推力墩(重力墩、翼坝)12、金属结构及启闭机安装13、观测设施(一)溢洪道工程(含陡槽溢洪道、侧堰溢洪道、竖井溢洪道)二、泄洪工程(二)泄洪洞(含放空洞)续表:△1、地基防渗与排水2、进口引水段△3、闸室段(或溢流堰)4、泄水段5、消能防冲段6、尾水段7、护坡及其他8、金属结构及启闭机安装△1、进水口或竖井(土建)2、有压泄水段3、无压泄水段△4、工作闸门段(土建)5、出口消能段6、尾水段7、金属结构及启闭机安装视工程量及施工部署可分为数个分部工程视工程量及施工部署可分为数个分部工程工程类别单位工程分部工程(一)坝体引水△ 1、进口水闸室段(土建)三、引水工工程(含发电灌2、引水段程溉、工业及生活3、厂坝联结段取水口工程)4、金属结构及启闭机安装说明底坎及其以上部分(二)引水隧洞及压力管道工程(三)引水渠道工程四、发电工(一)地面发电程厂房工程续表:工程类别单位工程△1、进口水闸室段(土建)2、隧洞开挖与衬砌3、调压井△4、压力管道段5、回填与固结灌浆6、金属结构及启闭机安装△1、进口闸室段(土建)2、明渠、暗渠3、渠道主要建筑物△4、前池5、溢流堰及冲沙建筑6、金属结构及启闭机安装1、进口段2、安装间3、主机段(土建)4、尾水段5、尾水渠6、副厂房、中控室△7、水轮发电机组安装8、辅助设备安装9、电气设备安装10、通信系统11、金属结构及启闭(起重)设备安装△12、主厂房房建工程13、厂区交通、排水及绿化分部工程视工程量及施工部署可分为数个分部工程视工程量及施工部署可分为数个分部工程视工程量及施工部署可分为数个分部工程闸坝式每台机组段为一个分部工程每台机组为一个分部工程电气一次、电气二次可分列分部工程拦污栅、进口及尾水闸门启闭机、桥式起重机可单列分部工程说明.(二)地下发电厂房工程三、引水工程四、发电工程(三)坝内式发电厂房工程地面升压变电五、升压变站、地下升压变电工程电站续表:1、安装间2、主机段(土建)3、尾水段4、尾水洞5、副厂房、中控室6、交通隧洞7、出线洞8、通风洞△9、水轮发电机组安装10、辅助设备安装11、电气设备安装12、金属结构及启闭(起重)安装13、通信系统14、砌体及装修工程1、进水口闸室段(土建)2、压力管道3、安装间4、主机段(土建)5、尾水段6、副厂房及中控室7、交通隧洞△8、水轮发电机组安装9、辅助设备安装10、电气设备安装11、通信系统12、交通廊道13、金属结构及启闭(起重安装)14、砌体及装修工程1、变电站(土建)2、开关站(土建)3、操作控制室△4、主变压器安装5、其他电气设备安装6、交通洞每台机组段为一分部工程每台机组为一分部工程尾水闸门启闭机、桥式起重机可单列分部工程每台机组段为一分部工程每台机组为一分部工程拦污栅、进口及尾水闸门启闭机、桥式起重机可单列分部工程仅限于地下升压站工程类别单位工程(一)船闸工程六、航运工程(二)升船机工程(一)漂木道工程七、过水工程(二)过木机工程八、水闸工程(含拦河(一)泄洪闸、闸、岸边引分洪闸、分水闸、(排)水闸冲砂闸、节制闸及沿海拦潮闸工程)分部工程1、上引航道2、上闸首段3、中闸首段4、下闸首段△5、闸室段6、下引航道7、交通桥△8、金属结构及启闭(设备)安装9、电控设备安装1、上引航道2、升船机室3、金属结构及机电设备安装4、斜坡道5、下引航道△1、进口段2、槽身段3、出口段4、金属结构及机电设备安装△1、进口段2、过本机3、出口段4、木片电设备安装1、上游联结段△2、闸室段3、消能防冲段4、下游联结段△5、地基防渗及排水6、交通桥7、金属结构及启闭机安装.说明视工程量可划分为数个分部工程每段闸首为一分部工程大型工程可划分为数个分部工程续表:工程类别九、过鱼工程十、交通工程单位工程(一)鱼闸工程(二)鱼道工程1、路基工程(一2、路面工)专程用公路 3、桥梁工工程(大、中程型)(全路汇总)4、互通立交工程(全路汇总)分部工程1、上鱼室2、井或闸室3、下鱼室4、金属结构及启闭机安装1、进口段2、槽身段3、出口段4、金属结构及启闭机安装△1、路基土石方工程2、排水工程△3、小桥△4、中小型涵洞5、砌筑工程6、大型挡土墙路面工程1、基础及墩、台△2、上部支承结构△3、总体及桥面4、引桥工程5、防护工程1、引道工程△2、桥梁工程3、匝道工程.说明以1~3 km 路段划分分部工程挡土墙、护坡、丁坝等墙高不小于6m,且长度不小于200m或墙身面积不小于1000m2时为大型土墙以1~3 km 路段划分分部工程特大桥可以每座为一单位工程含护坡、护岸、导流工程等视工程量可分为数个分部工程5、隧道工1、洞身开挖程(全路汇△ 2、洞身衬砌3、总体及洞口总)△ 4、隧道路面续表:工程类别单位工程分部工程路(△ 1、标志标线工一6、交通安△ 2、防护栏、栅程)专全设施3、紧急电话安装用4、照明设施安装公十、交通工程(程二按铁路工)专程有关规按铁路工程有关规定划分用铁定划分路工房(1、宿舍屋三1、地基与基础工程)2、其他生△ 2、主体工程永久活福利房3、地面与楼面工程性4、门窗工程生屋活△ 5、装饰工程十一、管理生(1、办公楼6、屋面工程产四2、修配房7、采暖卫生与煤气工程设施房)屋8、电气安装工程屋永久3、库房9、通风与空调工程性4、其他辅10、电梯安装工程辅助助性房屋(三)通信设施按有关规定划分1、进口段△ 2、闸室段(土建).特长隧道可以每座为一单位工程说明以 1~ 3km 路段划分分部工程房屋建筑工程系按《建筑安装工程质量检验评定统一标准》GBJ300 — 88 划分分部工程渠道工程(一)进水闸3、泄水段4、消能防水冲工程5、沉砂设施6、金属结构及启闭机安装1、进口段(二)分水闸、△ 2、闸室段(土建)3、交通桥节制闸、泄水闸、△ 4、消能防冲工程冲砂闸5、下游联接段6、金属结构及启闭机安装续表:.工程类别单位工程(三)隧洞(四)渡槽渠道(五)公路桥或工机耕桥程(六)道虹吸管道工程(指规模较大的倒虹管道工程)(七)涵洞(制与铁路、公路及河流交叉的大型涵洞)分部工程1、进口段△2、洞身段△3、隧洞灌浆4、出口段1、基础工程2、进出口段△3、槽身△4、支承结构见附录 2“交通工程”中的公路桥梁1、进口段△2、管道段3、出口段4、金属结构及启闭机安装1、进口段△2、洞身3、出口说明洞身段含洞身开挖与衬砌,可视工程量按桩号分为数个分部工程视工程量分为数个分部工程人行桥列入相应明渠分部工程视工程量分为数个分部工程视工程量分为数个分部工程.1、明渠(八)干渠或支2、陡坡、跌水渠3、暗渠视工程量分为数个分部工程4、沿渠小型建筑物5、沿渠公路(九)管理房屋(指管理站(点)见附录 2“十一、管理设施”的生活及生产用闸房列如闸室分部工程房、不含闸房)续表:工程类别单位工程分部工程说明1、堤基处理工程堤基处理与相应堤身△ 2、堤基防渗工程防渗处理按相关规程划分单元工程★ 3、堤身防渗工程按相关规程原则划分单元工程△ 4、堤身填(浇、砌)筑工碾压式土堤按层,段划分单元工程,程(包括碾压式土堤填筑工程、分区土质堤填筑工程、分新筑堤按堤轴线长度200~ 500m,老堤加(一)堤身工程区土质堤工程、土料吹填筑堤高墙厚按堤段填筑量1000~ 2000m3为按一提工程、混凝土防洪墙工程、砌防石堤工程)个吹填围堰区段(仓)或按堤轴线长 100m~工5、填塘固基500m 划分为一个单元工程;砼防洪墙及砌程石堤工程,按相关规程划分原则划分单元6、压浸平台工程。
水利水电工程部分项目组成根据水利水电工程性质,建设项目划分为两大类。
一类是水利枢纽、水电站、水库工程;二类是其他水利工程。
移民征地补偿费及环境保护专项费按专项计列。
工程部分项目由建筑工程、机电设备及安装工程、金属结构设备及安装工程、临时工程和独立费用五大部分概算组成。
在五部分之后设立预备费和建设期贷款利息两项费用,以适应设计、施工各个阶段要求。
一、第一部分建筑工程(一)水利枢纽、水电站、水库工程;本部分由挡水工程、泄洪工程、引水工程、发电厂工程、升压变电站工程、航运过坝工程、筏道工程、渔道工程、灌溉渠首工程、交通工程、房屋建筑工程和其他工程组成,其中挡水工程等前九项一般称为主体建筑工程。
1、挡水工程包括拦河挡水的各类坝(闸)工程。
2、泄洪工程包括渲泄洪水的溢洪道、泄洪洞工程。
3、引水工程包括为发电灌溉引水的明渠、进(取)水口、隧洞、调压井、高压管道等工程。
4、发电厂工程包括地面、地下等各类发电厂房工程。
5、升压变电(开关)站工程包括升压变电站、开关站等工程。
6、航运工程包括上下游引航、船闸、升船机等工程。
7、筏道工程8、鱼道工程9、灌溉渠首工程7至9三项工程根据建筑物布置,可独立列项,也可作为拦河坝工程的组成部分。
10、交通工程包括上坝、进厂、对外等场内外永久性的公路、桥涵码头等交通工程以及对原有公路、桥涵的改建加固工程。
11、房屋建筑工程包括为生产运行服务的永久性辅助生产房屋、仓库、办公室、生产及文化福利等永久房屋建筑和室外工程。
12、其他工程包括动力线路、照明线路、通信线路、厂坝区及生活区供水、供热、排水等公用设施工程,厂坝区整理、美化设施、水情自动测报系统建筑工程、内部观测工程等。
(二)其他水利工程本部分由堤防及河道整治工程、泵站工程、灌溉(供水)工程、闸坝工程、围垦工程、交通工程、房屋建筑工程和其他工程共八项组成。
1、堤防及河道整治工程包括防洪堤、防洪墙、丁坝、顺坝、河道疏竣等工程和其他附属建筑物。
水利水电工程建设项目的划分为了工程管理工作的需要,建设项目可按单项工程、单位工程、分部工程和分项工程等逐级划分。
根据《水利水电工程施工质量检验与评定规程》(SL176—2007)规定,我国大、中型水利水电工程建设项目按级划分为单位工程、分部工程、单元(工序)工程等三级。
1、单位工程。
单位工程是指具有独立发挥作用或独立施工条件的建筑物。
属于主要建筑物的单位工程称为主要单位工程。
当主要建筑物规模较大时,为有利于施工质量管理,进行项目划分时常将具有独立施工条件的某一部分划为一个单位工程,如混凝土重力坝主坝,可按坝段将其划分为几个单位工程,每个单位工程都称为主要单位工程。
单位工程划分原则如下:(1)枢纽工程,一般以每座独立的建筑物为一个单位工程。
当工程规模大时,可将一个建筑物中具有独立施工条件的一部分划分为一个单位工程。
(2)堤防工程,按招标标段或工程结构划分单位工程。
规模较大的交叉联结建筑物及管理设施以每座独立的建筑物为一个单位工程。
(3)引水(渠道)工程,按招标标段或工程结构划分单位工程。
大、中型引水(渠道)建筑物以每座独立的建筑物为一个单位工程。
(4)除险加固工程,按招标标段或加固内容,并结合工程量划分单位工程。
2、分部工程。
分部工程是指在一个建筑物内能组合发挥一种功能的建筑安装工程,是组成单位工程的部分。
对单位工程安全、功能或效益起决定性作用的分部工程称为主要分部工程。
分部工程划分原则如下:(1)枢纽工程,土建部分按设计的主要组成部分划分;金属结构及启闭机安装工程和机电设备安装工程按组合功能划分。
(2)堤防工程,按长度或功能划分。
(3)引水(渠道)工程中的河(渠)道按施工部署或长度划分。
大、中型建筑物按设计主要组成部分划分。
(4)除险加固工程,按加固内容或部位划分。
(5)同一单位工程中,各个分部工程的工程量(或投资)不宜相差太大,每个单位工程中的分部工程数目,不宜少于5个。
3、单元工程。
单元工程是指在分部工程中由几个工序(或工种)施工完成的最小综合体,是日常质量考核的基本单位。
项目划分项目名称水利水电工程质量检验与评定应进行项目划分。
项目按级划分为单位工程、分部工程、单元(工序)工程等三级。
工程中永久性房屋(管理设施用房)、专用公路、专用铁路等工程项目,可按相关行业标准划分和确定项目名称。
项目划分原则水利水电工程项目划分应结合工程结构特点、施工部署及施工合同要求进行,划分结果应有利于保证施工质量以及施工质量管理。
单位工程项目的划分应按下列原则确定:1 枢纽工程,一般以每座独立的建筑物为一个单位工程。
当工程规模大时,可将一个建筑物中具有独立施工条件的一部分划分为一个单位工程。
2 堤防工程,按招标标段或工程结构划分单位工程。
规模较大的交叉联结建筑物及管理设施以每座独立的建筑物为一个单位工程。
3 引水(渠道)工程,按招标标段或工程结构划分单位工程。
大、中型引水(渠道)建筑物以每座独立的建筑物为一个单位工程。
4 除险加固工程,按招标标段或加固内容,并结合工程量划分单位工程。
分部工程项目的划分应按下列原则确定:1 枢纽工程,土建部分按设计的主要组成部分划分。
金属结构及启闭机安装工程和机电设备安装工程按组合功能划分。
2 堤防工程,按长度或功能划分。
3 引水(渠道)工程中的河(渠)道按施工部署或长度划分。
大、中型建筑物按工程结构主要组成部分划分。
4 除险加固工程,按加固内容或部位划分。
5 同一单位工程中,各个分部工程的工程量(或投资)不宜相差太大,每个单位工程中,各个分部工程工程数目,不宜宜少于5个。
单元工程项目的划分应按下列原则确定:1 按《水利水电基本建设工程单元工程质量等级评定标准(试行)》(~6—88,SL38—92及SL239—1999)(以下简称《单元工程评定标准》规定进行划分。
2 河(渠)道开挖、填筑及衬砌单元工程划分界限宜设在变形缝或结构缝处,长度一般不大于100m。
同一分部工程中各单元工程的工程量(或投资)不宜相差太大。
3 《单元工程评定标准》中未涉及的单元工程可依据工程结构、施工部署或质量考核要求,按层、块、、段进行划分。
水利水电工程施工质量检验与评定规程SL 176— 20073项目划分项目名称3.1.1 各类水利工程项目划分示例见表 1 水利水电枢纽工程项目划分表,表 2 堤防工程项目划分表,表 3 引水 (渠道 )工程项目划分表。
表 1水利水电枢纽工程项目划分表工程类别单位工程(一 )土质心 (斜 )墙土石坝一、拦河坝工程(二 )均质土坝分部工程说明1.坝基开挖与处理△ 2.坝基及坝肩防渗视工程量可划分为数个分部工程△ 3.防渗心 (斜 )墙视工程量可划分为数个分部工程*4. 坝体填筑视工程量可划分为数个分部工程5.坝体排水视工程量可划分为数个分部工程6.坝脚排水棱体 (或贴坡排水 ) 视工程量可划分为数个分部工程7.上游坝面护坡(1) 含马道、梯步、排水沟;8.下游坝面护坡(2) 如为混凝土面板 (或预制块 )和浆砌石护坡时,应含排水孔及反滤层9.坝顶含防浪墙、栏杆、路面、灯饰等10.护岸及其他11.高边坡处理视工程量可划分为数个分部工程,当工程量很大时,可单列为单位工程12.观测设施含监测仪器埋设、管理房等。
单独招标时,可单列为单位工程1.坝基开挖与处理△ 2.坝基及坝肩防渗视工程量可划分为数个分部工程*3. 坝体填筑视工程量可划分为数个分部工程4.坝体排水视工程量可划分为数个分部工程5.坝脚排水棱体 (或贴坡排水 ) 视工程量可划分为数个分部工程6.上游坝面护坡(1) 含马道、梯步、排水沟;7.下游坝面护坡(2) 如为混凝土面板 (或预制块 )和浆砌石护坡时,应含排水孔及反滤层8.坝顶含防浪墙、栏杆、路面、灯饰等9.护岸及其他10.高边坡处理视工程量可划分为数个分部工程含监测仪器埋设、管理房等。
单独招11.观测设施标时,可单列为单位工程(三 )混凝土面板堆石坝(四 )沥青混凝土面板(心墙 )堆石坝一、拦河坝工程(五 )合土工膜斜(心 )墙土石坝(六)混凝土 (碾压混凝土 )重力坝1.坝基开挖与处理△ 2.趾板及周边缝止水视工程量可划分为数个分部工程△ 3.坝基及坝肩防渗视工程量可划分为数个分部工程△ 4.混凝土面板及接缝止水视工程量可划分为数个分部工程5.垫层与过渡层6.堆石体视工程量可划分为数个分部工程7.上游铺盖和盖重8.下游坝面护坡含马道、梯步、排水沟9.坝顶含防浪墙、栏杆、路面、灯饰等10.护岸及其他11.高边坡处理视工程量可划分为数个分部工程,当工程量很大时,可单列为单位工程12.观测设施含监测仪器埋设、管理房等。
单独招标时,可单列为单位工程1.坝基开挖与处理视工程量可划分为数个分部工程△ 2.坝基及坝肩防渗视工程量可划分为数个分部工程△ 3.沥青混凝土面板 (心墙 ) 视工程量可划分为数个分部工程*4. 坝体填筑视工程量可划分为数个分部工程5.坝体排水6.上游坝面护坡沥青混凝土心墙土石坝有此分部7.下游坝面护坡含马道、梯步、排水沟8.坝顶含防浪墙、栏杆、路面、灯饰等9.护岸及其他10.高边坡处理视工程量可划分为数个分部工程,当工程量很大时,可单列为单位工程11.观测设施含监测仪器埋设、管理房等。
单独招标时,可单列为单位工程1.坝基开挖与处理△ 2.坝基及坝肩防渗△ 3.土工膜斜 (心 )墙*4. 坝体填筑视工程量可划分为数个分部工程5.坝体排水6.上游坝面护坡7.下游坝面护坡含马道、梯步、排水沟8.坝顶含防浪墙、栏杆、路面、灯饰等9.护岸及其他10.高边坡处理视工程量可划分为数个分部工程11.观测设施含监测仪器埋设、管理房等。
单独招标时,可单列为单位工程1.坝基开挖与处理△ 2.坝基及坝肩防渗与排水3.非溢流坝段视工程量可划分为数个分部工程△ 4.溢流坝段视工程量可划分为数个分部工程*5 .引水坝段6.厂坝联结段△ 7.底孔 (中孔 )坝段视工程量可划分为数个分部工程8.坝体接缝灌浆一、拦河坝工程(七 )混凝土 (碾压混凝土 )拱坝(八 )浆砌石重力坝含灯饰、路面、梯步、排水沟等。
如9.廊道及坝内交通为无灌浆 (排水 )廊道.本分部应为主要分部工程10.坝顶含路面、灯饰、栏杆等11.消能防冲工程视工程量可划分为数个分部工程12.高边坡处理视工程量可划分为数个分部工程,当工程量很大时,可单列为单位工程13金属结构及启闭机安装视工程量可划分为数个分部工程14.观测设施含监测仪器埋设、管理房等。
单独招标时,可单列为单位工程1.坝基开挖与处理△ 2.坝基及坝肩防渗排水视工程量可划分为数个分部工程3.非溢流坝段视工程量可划分为数个分部工程△ 4.溢流坝段△ 5.底孔 (中孔 )坝段6.坝体接缝灌浆视工程量可划分为数个分部工程含梯步、排水沟、灯饰等。
如为无灌7.廊道浆 (排水 )廊道,本分部应为主要分部工程8.消能防冲视工程量可划分为数个分部工程9.坝顶含路面、栏杆、灯饰等△ 10.推力墩 (重力墩、翼坝 )11.周边缝仅限于有周边缝拱坝12.铰座仅限于铰拱坝13.高边坡处理视工程量可划分为数个分部工程14.金属结构及启闭机安装视工程量可划分为数个分部工程15.观测设施含监测仪器埋设、管理房等。
单独招标时,可单列为单位工程1.坝基开挖与处理△ 2.坝基及坝肩防渗排水视工程量可划分为数个分部工程3.非溢流坝段视工程量可划分为数个分部工程△ 4.溢流坝段*5. 引水坝段6.厂坝联结段△ 7.底孔 (中孔 )坝段△ 8.坝面 (心墙 )防渗含灯饰、路面、梯步、排水沟等。
如9.廊道及坝内交通为无灌浆 (排水 )廊道,本分部应为主要分部工程10.坝顶含路面、栏杆、灯饰等11.消能防冲工程视工程量可划分为数个分部工程12.高边坡处理视工程量可划分为数个分部工程13.金属结构及启闭机安装含监测仪器埋设、管理房等。
单独招14.观测设施标时,可单列为单位工程1.坝基开挖与处理△ 2.坝基及坝肩防渗排水(九 )浆砌石坝一、拦河坝工程(十 )橡胶坝(一 )溢洪道工程(含陡槽溢洪道、侧堰溢洪道、竖井溢洪道 )二、泄洪工程(二 )泄洪隧洞(防空洞、排砂洞 ) 3.非溢流坝段视工程量可划分为数个分部工程△ 4.溢流坝段A5.底孔 (中孔 )坝段△ 6.坝面防渗7.廊道含灯饰、路面、梯步、排水沟等8.消能防冲9.坝顶含路面、栏杆、灯饰等△ 10.推力墩 (重力墩、翼坝 ) 视工程量可射分为数个分部工程11.高边坡处理视工程量可划分为数个分部工程12.金属结构及启闭机安装13.观测设施含监测仪器埋设、管理房等。
单独招标时,可单列为单位工程1.坝基开挖与处理2.基础底板3.边墩 (岸墙 )、中墩4.铺盖或截渗墙、上游翼墙及护坡5.消能防冲△ 6.坝袋安装△ 7.控制系统含管路安装、水泵安装、空压机安装含充水坝安全溢流设备安装、排气阀安装;充气坝安全阀安装、水封管 (或8.安全与观测系统U形管 )安装;自动塌坝装置安装;坝袋内压力观测设施安装,上下游水位观测设施安装房建按《建筑工程施工质量验收统9.管理房一标准》 (GB 50300—2001) 附录 B划分分项工程△ 1.地基防渗及排水2.进水渠段△ 3.控制段4.泄槽段5.消能防冲段视工程量可划分为数个分部工程6.尾水段7.护坡及其他8.高边坡处理视工程量可划分为数个分部工程9.金属结构及启闭机安装视工程量可划分为数个分部工程△ 1.进水口或竖井 (土建 )2.有压洞身段视工程量可划分为数个分部工程3.无压洞身段△ 4.工作闸门段 (土建 )5.出口消能段6.尾水段△ 7.导流洞堵体段8.金属结构及启闭机安装(一 )坝体引水工程 (含发电.灌溉、工业及生活取水口工程 ) 三、枢纽工程中的引水工程(二 )引水隧洞及压力管道工程(一 )地面发电厂房工程四、发电工程(二 )地下发电厂房工程△ 1.进水闸室段 (土建 )2.引水渠段3.厂坝联结段4.金属结构及启闭机安装△ 1.进水闸室段 (土建 )2.洞身段视工程量可划分为数个分部工程3.调压井△ 4.压力管道段5.灌浆工程含回填灌浆、固结灌浆、接缝灌浆6.封堵体长隧洞临时支洞7.封堵闸长隧洞永久支洞8.金属结构及启闭机安装1.进口段 (指闸坝式 )2.安装间3.主机段土建,每台机组段为一个分部工程4.尾水段5.尾水渠安装工作量大时,可单列控制盘柜安6.副厂房、中控室装分部工程。
房建工程按 GB 50300—2001 附录 B划分分项工程△ 7.水轮发电机组安装以每台机组安装工程为一个分部工程8.辅助设备安装9.电气设备安装电气一次、电气二次可分列分部工程L0.通信系统通信设备安装,单独招标时,可单列为单位工程11.金属结构及启闭(起重 )设备拦污栅、进口及尾水闸门启闭安装机、桥式起重机可单列分部工程△ 12.主厂房房建工程按 GB 50300--2001附录 B序号 2、3、4、5 、6、 8划分分项工程13.厂区交通、排水及绿化含道路、建筑小品、亭台、花坛、场坪绿化、排水沟渠等1.安装间2.主机段土建,每台机组段为一个分部工程3.尾水段4.尾水洞在安装工作量大时,可单列控制盘柜5.副厂房、中控室安装分部工程。
房建工程按 GB 50300— 2001 附录 B划分分项工程6.交通隧洞视工程量可划分为数个分部工程7.出线洞8.通风洞△ 9.水轮发电机组安装每台机组为一个分部工程10.辅助设备安装11.电气设备安装电气一次、电气二次可分列分部工程12.金属结构及启闭(起重 ) 设备尾水闸门启闭机、桥式起重机可单列安装分部工程13.通信系统通信设备安装,单独招标时,可单列四、发电(三 )坝内式发电工程厂房工程地面升压变电五、升压站、地下升压变变电工程电站六、水闸泄洪闸、冲砂工程闸、进水闸(一 )鱼闸工程七、过鱼工程(二 )鱼道工程为单位工程14.砌体及装修工程按 GB 50300— 2001附录 B序号 2、3、4、5 、6、 8划分分项工程△ 1.进水口闸室段 (土建 )2.压力管道3.安装间4.主机段土建,每台机组段为一个分部工程5.尾水段在安装工作量大时,可单列控制盘柜6.副厂房及中控室安装分部工程。
房建工程按 GB 50300— 2001 附录 B划分分项工程△7.水轮发电机组安装每台机组为一个分部工程8.辅助设备安装9.电气设备安装电气一次、电气二次可分列分部工程通信设备安装,单独招标时,可单列10.通信系统为单位工程含梯步、路面、灯饰工程。
电梯按GB 11.交通廊道50300— 2001 附录 B序号 9划分分项工程12.金属结构及启闭(起重 ) 设备视工程量可划分为数个分部工程安装按 GB 50300— 2001附录 B序号 2、3、4、13.砌体及装修工程5 、6、 8划分分项工程1.变电站 (土建 )2.开关站 (土建 )3.操作控制室房建工程按 GB 50300--2001 附录 B划分分项工程△ 4.主变压器安装5.其他电气设备安装按设备类型划分6.交通洞仅限于地下升压站1.上游联结段2.地基防渗及排水A3.闸室段 (土建 )4.消能防冲段5.下游联结段6.交通桥 (工作桥 ) 含栏杆、灯饰等7.金属结构及启闭机安装视工程量可划分为数个分部工程8.闸房按 GB 50300— 2001 附录 B划分分项工程1.上鱼室2.井或闸室3.下鱼室4.金属结构及启闭机安装1.进口段2.槽身段3.出口段4.金属结构及启闭机安装按交通部《船闸工程质量检验评定标准》(JTJ 288— 93)表 2.0.2— 1、表(一 )船闸工程— 2和表— 3划分分部工程和分项工程按交通部 JTJ 288— 93表 2.0.2— 1、表1.上引航道及导航建筑物— 2和表— 3划分分项工程八、航运工程2.上闸首3.升船机主体(二 )升船机工程4.下闸首5.下引航道6.金属结构及启闭机安装7.附属设施按交通部 JTJ 288— 93表 1、表2.0.2— 2和表— 3划分分项工程含普通混凝土、混凝土预制构件制作、混凝土预制构件安装、钢构件安装、承船厢制作、承船厢安装、升船机制作、升船机安装、机电设备安装等按交通部 JTJ 288 93表2.0.2— 1、表— 2 和表 3划分分项工程按交通部 JTJ 288— 93表 1、表2.0.2— 2和表 3划分分项工程按交通部 JTJ 288— 93表 2.0.2— 1、表— 2和表3划分分项工程交通部 JTJ 288— 93表 1、表 2.0.2 ~2和表划分分项工程(一 )永久性专用按交通部《公路工程质量检验评定标准》(JTG F 80/ 1~2— 2004) 进行九、交通公路工程项目划分工程(二 )永久性专用按铁道部发布的铁路工程有关规定进行项目划分铁路工程十、管理永久性辅助性生产房屋及生活用房按GB 50300 2001附录 B及附录 C进行项目划分设施注:分部工程名称前加“△”者为主要分部工程。