梯架、托盘、槽盒和导管安装检验批质量验收记录
- 格式:doc
- 大小:47.50 KB
- 文档页数:1
梯架托盘槽盒和导管安装检验批质量验收记录一、检验项目1.梯架的材质、规格、尺寸是否符合设计要求;2.托盘的材质、规格、尺寸是否符合设计要求;3.槽盒的材质、规格、尺寸是否符合设计要求;4.导管的材质、规格、尺寸是否符合设计要求;5.安装固定件是否齐全、牢固。
二、检验仪器1.卷尺;2.游标卡尺;3.精密测量仪器;4.检测仪器(如金属探伤仪)。
三、检验过程1.根据设计图纸,使用卷尺、游标卡尺等测量工具,对梯架、托盘、槽盒和导管的尺寸进行测量,确保其与设计要求一致;2.使用金属探伤仪等检测仪器,对梯架、托盘、槽盒和导管的表面进行探伤检测,排除材料内部存在的缺陷;3.检查安装固定件的连接是否牢固,是否符合安装要求,如螺栓是否拧紧、垫片是否齐全等;4.对安装过程中可能产生的焊接缺陷、表面损伤等进行检查,并记录缺陷的位置和程度。
四、检验结论1.梯架、托盘、槽盒和导管的尺寸符合设计要求;2.梯架、托盘、槽盒和导管的材质无缺陷;3.安装固定件连接牢固,符合安装要求;4.未发现焊接缺陷、表面损伤等质量问题。
五、备注1.在检验过程中,如发现不符合要求的情况,应及时通知相关责任人进行整改;2.检验过程中使用的仪器需要经过定期校验,确保准确度。
六、固定件安装验收记录检验日期:年月日检验人员:姓名验收人员:姓名检验项目检验结果备注1.梯架2.托盘3.槽盒4.导管5.安装固定件检验结论:该批梯架、托盘、槽盒和导管的质量符合要求,通过验收。
七、质量验收责任人意见以上是梯架、托盘、槽盒和导管安装检验批质量验收记录的一个范例,根据实际情况进行调整和修改,以满足具体工程项目的需要。
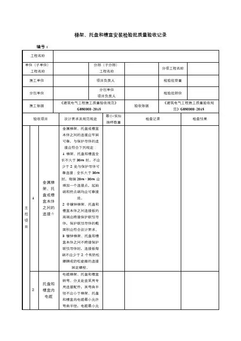
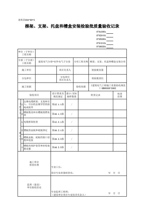
《梯架、托盘和槽盒安装检验批质量验收记录》Better me - 2018-08-10 14:02:05149841梯架、托盘和槽盒安装检验批质量验收记录表格示例——梯架、托盘和槽盒安装检验批质量验收记录表格填写说明——梯架、托盘和槽盒安装检验批质量验收记录11.1主控项目11.1.1 金属梯架、托盘或槽盒本体之间的连接应牢固可靠,与保护导体的连接应符合下列规定:1 梯架、托盘和槽盒全长不大于30m时,不应少于2处与保护导体可靠连接:全长大于30m时,每隔20m~30m应增加一个连接点,起始端和终点端均应可靠接地。
2 非镀锌梯架、托盘和槽盒本体之间连接板的两端应跨接保护联结导体,保护联结导体的截面积应符合设计要求。
3 镀锌梯架、托盘和槽盒本体之间不跨接保护联结导体时,连接板每端不应少于2个有防松螺帽或防松垫圈的连接固定螺栓。
检查数量:第1款全数检查,第2款和第3款按每个检验批的梯架或托盘或槽盒的连接点数量各抽查10%,且各不得少于2个点。
检查方法:观察检查并用尺量检查。
11.1.2电缆梯架、托盘和槽盒转弯、分支处宜采厢专用连接配件,其弯曲半径不应小于梯架、托盘和槽盒内电缆最小允许弯曲半径,电缆最小允许弯曲半径应符合表11.1.2的规定。
检查数量:按每个检验批的梯架、托盘或槽盒的弯头数量各抽查10%,且各不得少于1个弯头。
检查方法:观察检查并用尺量检查。
11.2 一般项目11.2.1 当直线段钢制或塑料梯架、托盘和槽盒长度超过30m,铝合会或玻璃钢制梯架、托盘和槽盒长度超过15m时,应设置伸缩节;当梯架、托盘和槽盒跨越建筑物变形缝处时,应设置补偿装置。
检查数量:全数检查。
检查方法:观察检查并用尺量检查。
11.2.2 梯架、托盘和槽盒与支架间及与连接板的固定螺栓应紧固无遗漏,螺母应位于梯架、托盘和槽盒外侧;当铝合金梯架、托盘和槽盒与钢支架固定时,应有相互间绝缘的防电化腐蚀措施。
检查数量:按每个检验批的梯架或托盘或槽盒的固定点数量各抽查10%,且各不得少于2个点。
梯架、托盘、槽盒和导管安装检验批质量验收记录08160101单位(子单位)工程名称分部(子分部)工程名称智能建筑/安全技术防范系统分项工程名称梯架、托盘、槽盒和导管安装施工单位项目负责人检验批容量分包单位分包单位项目负责人检验批部位梯架、托盘、槽盒和导管安装检验批施工依据验收依据《智能建筑工程施工规范》GB50606-2010主控项目验收项目设计要求及规范规定最小/实际抽样数量检查记录检查结果1 材料、器具、设备进场质量检测第3.5.1条/2敷设在竖井内和穿越不同防火分区的桥架及线管的孔洞,应有防火封堵第4.5.1条第1款/3桥架、线管经过建筑物的变形缝处应设置补偿装置,线缆应留余量第4.5.1条第2款/4桥架、线管及接线盒应可靠接地;当采用联合接地时,接地电阻不应大于1Ω第4.5.1条第4款/5火灾自动报警系统的材料必须符合防火设计要求,并按规定验收第13.1.3条第3款/6 火灾自动报警系统应使用桥架和专用线管第13.2.1条第1款/7 桥架、金属线管应作保护接地第13.2.1条第3款/一般项目1桥架切割和钻孔后,应采取防腐措施,支吊架应做防腐处理第4.5.2条第1款/2 线管两端应设有标志,并应穿带线第4.5.2条第2款/3线管与控制箱、接线箱、拉线盒等连接时应采用锁母,线管、箱盒应固定牢固第4.5.2条第3款/4吊顶内配管,宜使用单独的支吊架固定,支吊架不得架设在龙骨或其他管道上第4.5.2条第4款/5 套接紧定式钢管连接处应采取密封措施第4.5.2条第5款/6 桥架应安装牢固、横平竖直,无扭曲变形第4.5.2条第6款/施工单位检查结果专业工长(施工员):项目专业质量检查员:年月日监理(建设)单位验收结论专业监理工程师(建设单位项目专业负责人):年月日注:本表内容的填写需依据《现场验收检验批检查原始记录》。
本检验批质量验收的规范依据见本页背面。