电动车充电器工频充电器分析的制作_电路图
- 格式:doc
- 大小:186.50 KB
- 文档页数:8
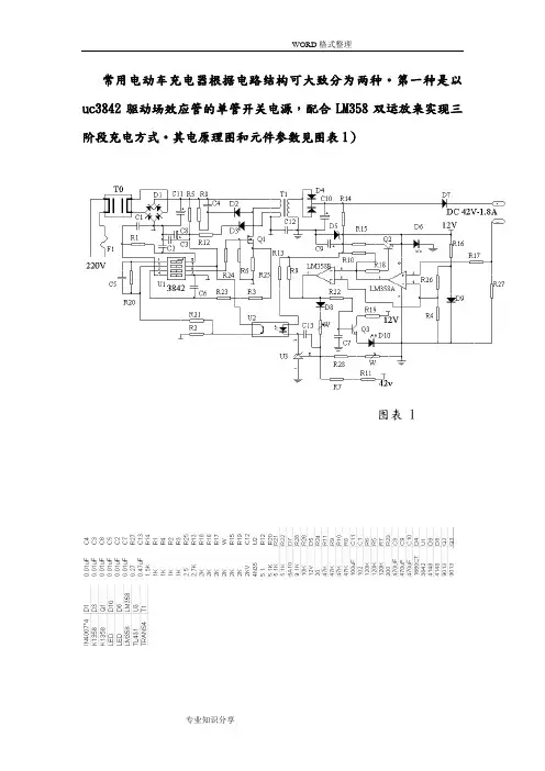
电动车充电器原理及维修常用电动车充电器根据电路结构可大致分为两种。
第一种是以uc3842驱动场效应管的单管开关电源,配合LM358双运放来实现三阶段充电方式。
其电原理图和元件参数见图表1点击图片在新窗口查看清晰大图图表1工作原理:220v交流电经T0双向滤波抑制干扰,D1整流为脉动直流,再经C11滤波形成稳定的300V左右的直流电。
U1 为TL3842脉宽调制集成电路。
其5脚为电源负极,7脚为电源正极,6脚为脉冲输出直接驱动场效应管Q1(K1358) 3脚为最大电流限制,调整R25(2。
5欧姆)的阻值可以调整充电器的最大电流.2脚为电压反馈,可以调节充电器的输出电压。
4脚外接振荡电阻R1,和振荡电容C1。
T1为高频脉冲变压器,其作用有三个。
第一是把高压脉冲将压为低压脉冲。
第二是起到隔离高压的作用,以防触电。
第三是为uc3842提供工作电源。
D4为高频整流管(16A60V)C10为低压滤波电容,D5为12V稳压二极管,U3(TL431)为精密基准电压源,配合U2(光耦合器4N35)起到自动调节充电器电压的作用.调整w2(微调电阻)可以细调充电器的电压。
D10是电源指示灯。
D6为充电指示灯。
R27是电流取样电阻(0.1欧姆,5w)改变W1的阻值可以调整充电器转浮充的拐点电流(200-300 mA)通电开始时,C11上有300v左右电压。
此电压一路经T1加载到Q1。
第二路经R5,C8,C3, 达到U1的第7脚。
强迫U1启动。
U1的6脚输出方波脉冲,Q1工作,电流经R25到地。
同时T1副线圈产生感应电压,经D3,R12给U1提供可靠电源。
T1输出线圈的电压经D4,C10整流滤波得到稳定的电压。
此电压一路经D7(D7起到防止电池的电流倒灌给充电器的作用)给电池充电。
第二路经R14,D5,C9,为LM358(双运算放大器,1脚为电源地,8脚为电源正)及其外围电路提供12V工作电源。
D9为LM358提供基准电压,经R26,R4分压达到LM358的第二脚和第5脚。
创世纪-电脑配件及耗材平价店电动车充电器原理及维修常用电动车充电器根据电路结构可大致分为两种。
第一种是以uc3842驱动场效应管的单管开关电源,配合LM358双运放来实现三阶段充电方式。
其电原理图和元件参数见图表1)图表 1 220v交流电经T0双向滤波抑制干扰,D1整流为脉动直流,再经C11滤波形成稳定的300V左右的直流电。
U1 为TL3842脉宽调制集成电路。
其5脚为电源负极,7脚为电源正极,6脚为脉冲输出直接驱动场效应管Q1(K1358) 3脚为最大电流限制,调整R25(2.5欧姆)的阻值可以调整充电器的最大电流。
2脚为电压反馈,可以调节充电器的输出电压。
4脚外接振荡电阻R1,和振荡电容C1。
T1为高频脉冲变压器,其作用有三个。
第一是把高压脉冲将压为低压脉冲。
第二是起到隔离高压的作用,以防触电。
第三是为uc3842提供工作电源。
D4为高频整流管(16A60V)C10为低压滤波电容,D5为12V 稳压二极管,U3(TL431)为精密基准电压源,配合U2(光耦合器4N35) 起到自动调节充电器电压的作用。
调整w2(微调电阻)可以细调充电器的电压。
D10是电源指示灯。
D6为充电指示灯。
R27是电流取样电阻(0.1欧姆,5w)改变W1的阻值可以调整充电器转浮充的拐点电流(200-300 mA)。
通电开始时,C11上有300v左右电压。
此电压一路经T1加载到Q1。
第二路经R5,C8,C3, 达到U1的第7脚。
强迫U1启动。
U1的6脚输出方波脉冲,Q1工作,电流经R25到地。
同时T1副线圈产生感应电压,经D3,R12给U1提供可靠电源。
T1输出线圈的电压经D4,C10整流滤波得到稳定的电压。
此电压一路经D7(D7起到防止电池的电流倒灌给充电器的作用)给电池充电。
第二路经R14,D5,C9, 为LM358(双运算放大器,1脚为电源地,8脚为电源正)及其外围电路提供12V 工作电源。
D9为LM358提供基准电压,经R26,R4分压达到LM358的第二脚和第5脚。
电动车充电器原理及带电路图维修————————————————————————————————作者:————————————————————————————————日期:常用电动车充电器根据电路结构可大致分为两种。
第一种是以uc3842驱动场效应管的单管开关电源,配合LM358双运放来实现三阶段充电方式。
其电原理图和元件参数见图表1)图表 1220v交流电经T0双向滤波抑制干扰,D1整流为脉动直流,再经C11滤波形成稳定的300V左右的直流电。
U1 为TL3842脉宽调制集成电路。
其5脚为电源负极,7脚为电源正极,6脚为脉冲输出直接驱动场效应管Q1(K1358) 3脚为最大电流限制,调整R25(2.5欧姆)的阻值可以调整充电器的最大电流。
2脚为电压反馈,可以调节充电器的输出电压。
4脚外接振荡电阻R1,和振荡电容C1。
T1为高频脉冲变压器,其作用有三个。
第一是把高压脉冲将压为低压脉冲。
第二是起到隔离高压的作用,以防触电。
第三是为uc3842提供工作电源。
D4为高频整流管(16A60V)C10为低压滤波电容,D5为12V 稳压二极管,U3(TL431)为精密基准电压源,配合U2(光耦合器4N35) 起到自动调节充电器电压的作用。
调整w2(微调电阻)可以细调充电器的电压。
D10是电源指示灯。
D6为充电指示灯。
R27是电流取样电阻(0.1欧姆,5w)改变W1的阻值可以调整充电器转浮充的拐点电流(200-300 mA)。
通电开始时,C11上有300v左右电压。
此电压一路经T1加载到Q1。
第二路经R5,C8,C3, 达到U1的第7脚。
强迫U1启动。
U1的6脚输出方波脉冲,Q1工作,电流经R25到地。
同时T1副线圈产生感应电压,经D3,R12给U1提供可靠电源。
T1输出线圈的电压经D4,C10整流滤波得到稳定的电压。
此电压一路经D7(D7起到防止电池的电流倒灌给充电器的作用)给电池充电。
第二路经R14,D5,C9, 为LM358(双运算放大器,1脚为电源地,8脚为电源正)及其外围电路提供12V工作电源。
常用电动车充电器根据电路结构可大致分为两种。
第一种是以uc3842驱动场效应管的单管开关电源,配合LM358双运放来实现三阶段充电方式。
其电原理图和元件参数见图表1)图表 1220v交流电经T0双向滤波抑制干扰,D1整流为脉动直流,再经C11滤波形成稳定的300V左右的直流电。
U1 为TL3842脉宽调制集成电路。
其5脚为电源负极,7脚为电源正极,6脚为脉冲输出直接驱动场效应管Q1(K1358) 3脚为最大电流限制,调整R25(2.5欧姆)的阻值可以调整充电器的最大电流。
2脚为电压反馈,可以调节充电器的输出电压。
4脚外接振荡电阻R1,和振荡电容C1。
T1为高频脉冲变压器,其作用有三个。
第一是把高压脉冲将压为低压脉冲。
第二是起到隔离高压的作用,以防触电。
第三是为uc3842提供工作电源。
D4为高频整流管(16A60V)C10为低压滤波电容,D5为12V 稳压二极管,U3(TL431)为精密基准电压源,配合U2(光耦合器4N35) 起到自动调节充电器电压的作用。
调整w2(微调电阻)可以细调充电器的电压。
D10是电源指示灯。
D6为充电指示灯。
R27是电流取样电阻(0.1欧姆,5w)改变W1的阻值可以调整充电器转浮充的拐点电流(200-300 mA)。
通电开始时,C11上有300v左右电压。
此电压一路经T1加载到Q1。
第二路经R5,C8,C3, 达到U1的第7脚。
强迫U1启动。
U1的6脚输出方波脉冲,Q1工作,电流经R25到地。
同时T1副线圈产生感应电压,经D3,R12给U1提供可靠电源。
T1输出线圈的电压经D4,C10整流滤波得到稳定的电压。
此电压一路经D7(D7起到防止电池的电流倒灌给充电器的作用)给电池充电。
第二路经R14,D5,C9, 为LM358(双运算放大器,1脚为电源地,8脚为电源正)及其外围电路提供12V工作电源。
D9为LM358提供基准电压,经R26,R4分压达到LM358的第二脚和第5脚。
电动车充电器原理及维修常用电动车充电器依据电路结构可大体分为两种。
第一种是以 uc3842 驱动场效应管的单管开关电源,配合 LM358 双运放来实现三阶段充电方式。
其电原理图和元件参数见图表 1点击图片在新窗口查察清楚大图图表 1工作原理: 220v 交流电经 T0双向滤波控制搅乱, D1 整流为脉动直流,再经 C11滤波形成牢固的 300V 左右的直流电。
U1 为 TL3842 脉宽调制集成电路。
其 5 脚为电源负极, 7脚为电源正极, 6脚为脉冲输出直接驱动场效应管 Q1(K1358) 3 脚为最大电流限制,调整R25(2.5 欧姆 )的阻值可以调整充电器的最大电流。
2脚为电压反响,可以调理充电器的输出电压。
4脚外接振荡电阻R1, 和振荡电容C1。
T1为高频脉冲变压器,其作用有三个。
第一是把高压脉冲将压为低压脉冲。
第二是起到间隔高压的作用,以防触电。
第三是为 uc3842 供给工作电源。
D4为高频整流管( 16A60V )C10为低压滤波电容,D5为12V稳压二极管,U3(TL431)为精良基准电压源,配合U2( 光耦合器4N35) 起到自动调理充电器电压的作用。
调整w2(微调电阻 )可以细调充电器的电压。
D10 是电源指示灯。
D6为充电指示灯。
R27是电流取样电阻(欧姆, 5w )改变 W1 的阻值可以调整充电器转浮充的拐点电流(200 -300 mA )通电开始时, C11上有 300v 左右电压。
此电压一路经 T1加载到 Q1。
第二路经 R5,C8,C3, 达到U1的第7脚。
逼迫U1启动。
U1 的6脚输出方波脉冲,Q1 工作,电流经 R25 到地。
同时T1副线圈产生感觉电压,经 D3,R12 给 U1 供给靠谱电源。
T1输出线圈的电压经 D4,C10 整流滤波获取牢固的电压。
此电压一路经 D7(D7 起到防范电池的电流倒灌给充电器的作用)给电池充电。
第二路经R14,D5,C9, 为 LM358( 双运算放大器,1脚为电源地,8脚为电源正 )及其外面电路供给 12V 工作电源。
常用电动车充电器根据电路结构可大致分为两种。
第一种是以uc3842驱动场效应管的单管开关电源,配合LM358双运放来实现三阶段充电方式。
其电原理图和元件参数见图表1)图表 1220v交流电经T0双向滤波抑制干扰,D1整流为脉动直流,再经C11滤波形成稳定的300V左右的直流电。
U1 为TL3842脉宽调制集成电路。
其5脚为电源负极,7脚为电源正极,6脚为脉冲输出直接驱动场效应管Q1(K1358) 3脚为最大电流限制,调整R25(2.5欧姆)的阻值可以调整充电器的最大电流。
2脚为电压反馈,可以调节充电器的输出电压。
4脚外接振荡电阻R1,和振荡电容C1。
T1为高频脉冲变压器,其作用有三个。
第一是把高压脉冲将压为低压脉冲。
第二是起到隔离高压的作用,以防触电。
第三是为uc3842提供工作电源。
D4为高频整流管(16A60V)C10为低压滤波电容,D5为12V稳压二极管, U3(TL431)为精密基准电压源,配合U2(光耦合器4N35) 起到自动调节充电器电压的作用。
调整w2(微调电阻)可以细调充电器的电压。
D10是电源指示灯。
D6为充电指示灯。
R27是电流取样电阻(0.1欧姆,5w)改变W1的阻值可以调整充电器转浮充的拐点电流(200-300 mA)。
通电开始时,C11上有300v左右电压。
此电压一路经T1加载到Q1。
第二路经R5,C8,C3, 达到U1的第7脚。
强迫U1启动。
U1的6脚输出方波脉冲,Q1工作,电流经R25到地。
同时T1副线圈产生感应电压,经D3,R12给U1提供可靠电源。
T1输出线圈的电压经D4,C10整流滤波得到稳定的电压。
此电压一路经D7(D7起到防止电池的电流倒灌给充电器的作用)给电池充电。
第二路经R14,D5,C9, 为LM358(双运算放大器,1脚为电源地,8脚为电源正)及其外围电路提供12V工作电源。
D9为LM358提供基准电压,经R26,R4分压达到LM358的第二脚和第5脚。
常用电动车充电器根据电路结构可大致分为两种。
第一种是以uc3842驱动场效应管的单管开关电源,配合LM358双运放来实现三阶段充电方式。
其电原理图和元件参数见图表1)图表 1220v交流电经T0双向滤波抑制干扰,D1整流为脉动直流,再经C11滤波形成稳定的300V左右的直流电。
U1 为TL3842脉宽调制集成电路。
其5脚为电源负极,7脚为电源正极,6脚为脉冲输出直接驱动场效应管Q1(K1358) 3脚为最大电流限制,调整R25(2.5欧姆)的阻值可以调整充电器的最大电流。
2脚为电压反馈,可以调节充电器的输出电压。
4脚外接振荡电阻R1,和振荡电容C1。
T1为高频脉冲变压器,其作用有三个。
第一是把高压脉冲将压为低压脉冲。
第二是起到隔离高压的作用,以防触电。
第三是为uc3842提供工作电源。
D4为高频整流管(16A60V)C10为低压滤波电容,D5为12V 稳压二极管,U3(TL431)为精密基准电压源,配合U2(光耦合器4N35) 起到自动调节充电器电压的作用。
调整w2(微调电阻)可以细调充电器的电压。
D10是电源指示灯。
D6为充电指示灯。
R27是电流取样电阻(0.1欧姆,5w)改变W1的阻值可以调整充电器转浮充的拐点电流(200-300 mA)。
通电开始时,C11上有300v左右电压。
此电压一路经T1加载到Q1。
第二路经R5,C8,C3, 达到U1的第7脚。
强迫U1启动。
U1的6脚输出方波脉冲,Q1工作,电流经R25到地。
同时T1副线圈产生感应电压,经D3,R12给U1提供可靠电源。
T1输出线圈的电压经D4,C10整流滤波得到稳定的电压。
此电压一路经D7(D7起到防止电池的电流倒灌给充电器的作用)给电池充电。
第二路经R14,D5,C9, 为LM358(双运算放大器,1脚为电源地,8脚为电源正)及其外围电路提供12V工作电源。
D9为LM358提供基准电压,经R26,R4分压达到LM358的第二脚和第5脚。
常用电动车充电器根据电路结构可大致分为两种。
第一种是以uc3842驱动场效应管的单管开关电源,配合LM358双运放来实现三阶段充电方式。
其电原理图和元件参数见图表1)图表 1220v交流电经T0双向滤波抑制干扰,D1整流为脉动直流,再经C11滤波形成稳定的300V左右的直流电。
U1 为TL3842脉宽调制集成电路。
其5脚为电源负极,7脚为电源正极,6脚为脉冲输出直接驱动场效应管Q1(K1358) 3脚为最大电流限制,调整R25(2.5欧姆)的阻值可以调整充电器的最大电流。
2脚为电压反馈,可以调节充电器的输出电压。
4脚外接振荡电阻R1,和振荡电容C1。
T1为高频脉冲变压器,其作用有三个。
第一是把高压脉冲将压为低压脉冲。
第二是起到隔离高压的作用,以防触电。
第三是为uc3842提供工作电源。
D4为高频整流管(16A60V)C10为低压滤波电容,D5为12V 稳压二极管,U3(TL431)为精密基准电压源,配合U2(光耦合器4N35) 起到自动调节充电器电压的作用。
调整w2(微调电阻)可以细调充电器的电压。
D10是电源指示灯。
D6为充电指示灯。
R27是电流取样电阻(0.1欧姆,5w)改变W1的阻值可以调整充电器转浮充的拐点电流(200-300 mA)。
通电开始时,C11上有300v左右电压。
此电压一路经T1加载到Q1。
第二路经R5,C8,C3, 达到U1的第7脚。
强迫U1启动。
U1的6脚输出方波脉冲,Q1工作,电流经R25到地。
同时T1副线圈产生感应电压,经D3,R12给U1提供可靠电源。
T1输出线圈的电压经D4,C10整流滤波得到稳定的电压。
此电压一路经D7(D7起到防止电池的电流倒灌给充电器的作用)给电池充电。
第二路经R14,D5,C9, 为LM358(双运算放大器,1脚为电源地,8脚为电源正)及其外围电路提供12V工作电源。
D9为LM358提供基准电压,经R26,R4分压达到LM358的第二脚和第5脚。
常用电动车充电器根据电路结构可大致分为两种。
第一种是以uc3842驱动场效应管的单管开关电源,配合LM358双运放来实现三阶段充电方式。
其电原理图和元件参数见图表1)图表 1220v交流电经T0双向滤波抑制干扰,D1整流为脉动直流,再经C11滤波形成稳定的300V左右的直流电。
U1 为TL3842脉宽调制集成电路。
其5脚为电源负极,7脚为电源正极,6脚为脉冲输出直接驱动场效应管Q1(K1358) 3脚为最大电流限制,调整R25(2.5欧姆)的阻值可以调整充电器的最大电流。
2脚为电压反馈,可以调节充电器的输出电压。
4脚外接振荡电阻R1,和振荡电容C1。
T1为高频脉冲变压器,其作用有三个。
第一是把高压脉冲将压为低压脉冲。
第二是起到隔离高压的作用,以防触电。
第三是为uc3842提供工作电源。
D4为高频整流管(16A60V)C10为低压滤波电容,D5为12V 稳压二极管,U3(TL431)为精密基准电压源,配合U2(光耦合器4N35) 起到自动调节充电器电压的作用。
调整w2(微调电阻)可以细调充电器的电压。
D10是电源指示灯。
D6为充电指示灯。
R27是电流取样电阻(0.1欧姆,5w)改变W1的阻值可以调整充电器转浮充的拐点电流(200-300 mA)。
通电开始时,C11上有300v左右电压。
此电压一路经T1加载到Q1。
第二路经R5,C8,C3, 达到U1的第7脚。
强迫U1启动。
U1的6脚输出方波脉冲,Q1工作,电流经R25到地。
同时T1副线圈产生感应电压,经D3,R12给U1提供可靠电源。
T1输出线圈的电压经D4,C10整流滤波得到稳定的电压。
此电压一路经D7(D7起到防止电池的电流倒灌给充电器的作用)给电池充电。
第二路经R14,D5,C9, 为LM358(双运算放大器,1脚为电源地,8脚为电源正)及其外围电路提供12V工作电源。
D9为LM358提供基准电压,经R26,R4分压达到LM358的第二脚和第5脚。
常用电动车充电器根据电路结构可大致分为两种。
第一种是以uc3842驱动场效应管的单管开关电源,配合LM358双运放来实现三阶段充电方式。
其电原理图和元件参数见图表1)图表 1220v交流电经T0双向滤波抑制干扰,D1整流为脉动直流,再经C11滤波形成稳定的300V左右的直流电。
U1 为TL3842脉宽调制集成电路。
其5脚为电源负极,7脚为电源正极,6脚为脉冲输出直接驱动场效应管Q1(K1358) 3脚为最大电流限制,调整R25(2.5欧姆)的阻值可以调整充电器的最大电流。
2脚为电压反馈,可以调节充电器的输出电压。
4脚外接振荡电阻R1,和振荡电容C1。
T1为高频脉冲变压器,其作用有三个。
第一是把高压脉冲将压为低压脉冲。
第二是起到隔离高压的作用,以防触电。
第三是为uc3842提供工作电源。
D4为高频整流管(16A60V)C10为低压滤波电容,D5为12V 稳压二极管,U3(TL431)为精密基准电压源,配合U2(光耦合器4N35) 起到自动调节充电器电压的作用。
调整w2(微调电阻)可以细调充电器的电压。
D10是电源指示灯。
D6为充电指示灯。
R27是电流取样电阻(0.1欧姆,5w)改变W1的阻值可以调整充电器转浮充的拐点电流(200-300 mA)。
通电开始时,C11上有300v左右电压。
此电压一路经T1加载到Q1。
第二路经R5,C8,C3, 达到U1的第7脚。
强迫U1启动。
U1的6脚输出方波脉冲,Q1工作,电流经R25到地。
同时T1副线圈产生感应电压,经D3,R12给U1提供可靠电源。
T1输出线圈的电压经D4,C10整流滤波得到稳定的电压。
此电压一路经D7(D7起到防止电池的电流倒灌给充电器的作用)给电池充电。
第二路经R14,D5,C9, 为LM358(双运算放大器,1脚为电源地,8脚为电源正)及其外围电路提供12V工作电源。
D9为LM358提供基准电压,经R26,R4分压达到LM358的第二脚和第5脚。
常用电动车充电器根据电路结构可大致分为两种。
第一种是以uc3842驱动场效应管的单管开关电源,配合LM358双运放来实现三阶段充电方式。
其电原理图和元件参数见图表1)图表 1220v交流电经T0双向滤波抑制干扰,D1整流为脉动直流,再经C11滤波形成稳定的300V左右的直流电。
U1 为TL3842脉宽调制集成电路。
其5脚为电源负极,7脚为电源正极,6脚为脉冲输出直接驱动场效应管Q1(K1358) 3脚为最大电流限制,调整R25(2.5欧姆)的阻值可以调整充电器的最大电流。
2脚为电压反馈,可以调节充电器的输出电压。
4脚外接振荡电阻R1,和振荡电容C1。
T1为高频脉冲变压器,其作用有三个。
第一是把高压脉冲将压为低压脉冲。
第二是起到隔离高压的作用,以防触电。
第三是为uc3842提供工作电源。
D4为高频整流管(16A60V)C10为低压滤波电容,D5为12V稳压二极管,U3(TL431)为精密基准电压源,配合U2(光耦合器4N35) 起到自动调节充电器电压的作用。
调整w2(微调电阻)可以细调充电器的电压。
D10是电源指示灯。
D6为充电指示灯。
R27是电流取样电阻(0.1欧姆,5w)改变W1的阻值可以调整充电器转浮充的拐点电流(200-300 mA)。
通电开始时,C11上有300v左右电压。
此电压一路经T1加载到Q1。
第二路经R5,C8,C3, 达到U1的第7脚。
强迫U1启动。
U1的6脚输出方波脉冲,Q1工作,电流经R25到地。
同时T1副线圈产生感应电压,经D3,R12给U1提供可靠电源。
T1输出线圈的电压经D4,C10整流滤波得到稳定的电压。
此电压一路经D7(D7起到防止电池的电流倒灌给充电器的作用)给电池充电。
第二路经R14,D5,C9, 为LM358(双运算放大器,1脚为电源地,8脚为电源正)及其外围电路提供12V工作电源。
D9为LM358提供基准电压,经R26,R4分压达到LM358的第二脚和第5脚。
常用电动车充电器根据电路结构可大致分为两种。
第一种是以uc3842驱动场效应管的单管开关电源,配合LM358双运放来实现三阶段充电方式。
其电原理图和元件参数见图表1)图表 1220v交流电经T0双向滤波抑制干扰,D1整流为脉动直流,再经C11滤波形成稳定的300V左右的直流电。
U1 为TL3842脉宽调制集成电路。
其5脚为电源负极,7脚为电源正极,6脚为脉冲输出直接驱动场效应管Q1(K1358) 3脚为最大电流限制,调整R25(2.5欧姆)的阻值可以调整充电器的最大电流。
2脚为电压反馈,可以调节充电器的输出电压。
4脚外接振荡电阻R1,和振荡电容C1。
T1为高频脉冲变压器,其作用有三个。
第一是把高压脉冲将压为低压脉冲。
第二是起到隔离高压的作用,以防触电。
第三是为uc3842提供工作电源。
D4为高频整流管(16A60V)C10为低压滤波电容,D5为12V 稳压二极管,U3(TL431)为精密基准电压源,配合U2(光耦合器4N35) 起到自动调节充电器电压的作用。
调整w2(微调电阻)可以细调充电器的电压。
D10是电源指示灯。
D6为充电指示灯。
R27是电流取样电阻(0.1欧姆,5w)改变W1的阻值可以调整充电器转浮充的拐点电流(200-300 mA)。
通电开始时,C11上有300v左右电压。
此电压一路经T1加载到Q1。
第二路经R5,C8,C3, 达到U1的第7脚。
强迫U1启动。
U1的6脚输出方波脉冲,Q1工作,电流经R25到地。
同时T1副线圈产生感应电压,经D3,R12给U1提供可靠电源。
T1输出线圈的电压经D4,C10整流滤波得到稳定的电压。
此电压一路经D7(D7起到防止电池的电流倒灌给充电器的作用)给电池充电。
第二路经R14,D5,C9, 为LM358(双运算放大器,1脚为电源地,8脚为电源正)及其外围电路提供12V工作电源。
D9为LM358提供基准电压,经R26,R4分压达到LM358的第二脚和第5脚。
电动自行车充电器的原理及检修电动自行车充电器多采用开关型电源,型号虽多,但电路结构大同小异,主要区别在所选用的脉宽调制(PWM)芯片不同(如UC3845、UC3842、SG3524, TL494)。
现以佳腾牌充电器为例,介绍其原理和故障检修方法。
一、电路原理根据实物测绘的佳腾牌充电器电路原理如图1所示。
整机可分为PWM产生和推动电路、功率开关变换电路、充电状态指示电路和交流输入电路四个部分。
I.PWM产生和推动电路PWM产生电路由IC1( TL494)和外围元件构成。
TL494是PWM开关电源集成电路。
引脚功能和内部方框图如图2所示IC1第⑤、⑥脚外接的C1O、 R19是定时元件,决定锯齿波振荡器的振荡频率,f=1.1/RC,按图中数值为50kHz。
第(14)脚是+5V 基准电压输出端,除片内使用外,还直接或分压后供第②、④、(13)脚和IC2使用。
第(13)脚为输出方式控制端,在该脚接低电平时为单端输出方式,图中接第(14)脚+5V高电平,为双端输出方式。
第④脚为死区时间控制端,该脚电位决定死区时间。
电位升高,死区时间延长,输出脉宽变窄,当电位大于锯齿波电压时,输出脉宽将变得很窄,甚至停振。
凡输出端采用半桥式或全桥式开关电路,都要正确设置死区时间,以免两个开关管同时导通,发生电源短路的危险。
图中该脚电位由基准电压经R24和R20分压取得,实测电压为0.46V。
C15是软启动电容。
第①、②脚和第(16)、(15)脚是IC1内部两个电压比较器的正、反相输入端,分别用作充电电压取样和充电电流取样。
+44V充电电压经R28、R27和R26分压反馈至第①脚。
C15是软启动电容。
第②脚电位由基准电压经R23和R3分压取得,实测为3. 2V,第①脚电位愈高,输出脉宽愈窄,充电电压愈低;反之脉宽增宽,充电电压升高从而实现稳定+44V充电电压的目的。
Ra是充电压调试电阻,Ra 和R26的并联阻值愈小,充电电压愈高。
常用电动车充电器根据电路结构可大致分为两种。
第一种是以uc3842驱动场效应管的单管开关电源,配合LM358双运放来实现三阶段充电方式。
其电原理图和元件参数见图表1)图表 1220v交流电经T0双向滤波抑制干扰,D1整流为脉动直流,再经C11滤波形成稳定的300V左右的直流电。
U1 为TL3842脉宽调制集成电路。
其5脚为电源负极,7脚为电源正极,6脚为脉冲输出直接驱动场效应管Q1(K1358) 3脚为最大电流限制,调整R25(2.5欧姆)的阻值可以调整充电器的最大电流。
2脚为电压反馈,可以调节充电器的输出电压。
4脚外接振荡电阻R1,和振荡电容C1。
T1为高频脉冲变压器,其作用有三个。
第一是把高压脉冲将压为低压脉冲。
第二是起到隔离高压的作用,以防触电。
第三是为uc3842提供工作电源。
D4为高频整流管(16A60V)C10为低压滤波电容,D5为12V稳压二极管, U3(TL431)为精密基准电压源,配合U2(光耦合器4N35) 起到自动调节充电器电压的作用。
调整w2(微调电阻)可以细调充电器的电压。
D10是电源指示灯。
D6为充电指示灯。
R27是电流取样电阻(0.1欧姆,5w)改变W1的阻值可以调整充电器转浮充的拐点电流(200-300 mA)。
通电开始时,C11上有300v左右电压。
此电压一路经T1加载到Q1。
第二路经R5,C8,C3, 达到U1的第7脚。
强迫U1启动。
U1的6脚输出方波脉冲,Q1工作,电流经R25到地。
同时T1副线圈产生感应电压,经D3,R12给U1提供可靠电源。
T1输出线圈的电压经D4,C10整流滤波得到稳定的电压。
此电压一路经D7(D7起到防止电池的电流倒灌给充电器的作用)给电池充电。
第二路经R14,D5,C9, 为LM358(双运算放大器,1脚为电源地,8脚为电源正)及其外围电路提供12V工作电源。
D9为LM358提供基准电压,经R26,R4分压达到LM358的第二脚和第5脚。
通用电动自行车充电器电路分析及其维修(3842芯片)作者:MAX232 QQ:44473047时间:2012年7月30日一、电路分析首先AC220电压经由保险丝,NTC和EMI滤波整流滤波变换的300V左右的直流电压,经启动电阻提供给3842(7脚)初始工作电压,驱动MOS管开关动作,开关变压器在MOS管的开关作用下,会不断的储存->释放,而使输出绕组感应到的电能经过整流滤波输出的直流电压,通过采样到431或运放控制光耦把信号反馈至3842的1脚或2脚,控制3842的输出(6脚)的占空比,以达到稳定的输出电压值。
(1)3842稳定工作的条件:1. 起始的工作电压,由启动电阻从300V降压得到;2. 8脚有输出稳定的5v基准电压,内部振荡电路才会工作。
3. 6脚输出驱动MOS管打开后,3脚检测到的电流反馈电压没有超过1V。
4. 原边供电是否在下一个周期工作开始前提供到3842的7脚,否则由启动电阻提供过来的电能已经不能维持3842工作了。
(2)输出电压保持稳定的条件:1. 副边绕组是否感应到电能。
2. 副边整理和滤波器件是不是都完好。
3. 采样电阻以及431,是否完好。
4. 光耦是否完好工作。
5. 3842是否接收到光耦的信号,确定信号没有在进入3842芯片前被阻断或过滤了。
充电器高压部分故障的修理流程1、元件检测:高压直流二极管(4007,5399,5408)或者全桥。
高压大电容,简称“一大电容”,450v68uf。
3842的7脚供电电容,简称“高压小电容”。
35v100uf场效应管(mos管,比如6N60,7N80,10N90,K1358,,,,,,,,)低压部分的主整流管1660,uf5408,FR307,,,,,,,,,,,,,,,,,,,低压部分的主滤波电容,(63v470uf)简称“二大电容”。
低压部分的辅助电源滤波电容,(63v470uf)输出电流取样电阻(3w0.1欧姆)光耦(pc817,4n35,,)用ws-3可以快速准确检测。
电动车充电器工频充电器分析的制作_电路图
电动车蓄电池存储的电能是有限的,充满电的蓄电池只能维持一段有限路程的行驶,因此,我们必须经常给蓄电池充电,才能保证电动车的正常使用。
给蓄电池充电的设备叫充电器,根据充电器的工作频率,分为工频充电器和高频充电器两种类型,本文将介绍几种工频充电器的原理与维修,供读者参考。
简易型充电器
下图是简易型充电器的电路原理图,但现在已经很少用于给电动车蓄电池充电了,我们介绍它的目的只是为了进一步了解各种电动车充电器。
为了降低故障率,这种充电器简化了很多元件,输入端的开关、保险管等都没有使用。
当插头CTI插入220V电源插座后,220V的交流电经变压器T1变换为合适的低压交流电,最后经4只二极管VDI-VD4组成的桥式整流电路整流,得到脉动直流电给蓄电池充电。
电阻R1、红色发光二极管VD5组成简易的充电指示电路。
不同的蓄电池,变压器的输出电压也不同,否则就无法正常充电甚至损坏充电器或者蓄电池。
通常,变压器次级额定输出交流电压约等于蓄电池额定电压的
1.2倍,充电比较理想。
由于变压器具有一定的抗过载能力,加之变压器有一定的内阻,即使输出端瞬间短路产生剧烈火花也不会导致充电器损坏。
虽然该充电器现在已经很少用于电动车蓄电池的充电,但是,当电动车配套的充电器损坏却又不能及时修复时,用这种简易的充电器应急充电还是不错的。
智能充电器
下图是智能充电器的电路原理图,这种充电器可以适用于36V、48V两种充电电压,还具有恒流和涓流充电模式的自动切换功能,主要用于给各种电动自行车充电。
变压器T的次级主绕组可以提供38.8V和52.5V的两组交流电压输出,以适应36V蓄电池和48V蓄电池充电。
14.2V绕组主要为恒流/涓流控制电路提供工作电源,同时还为充电器的散热风扇供电。
14.2V绕组输出的交流电压经桥式整流电路整流后,经三端稳压集成电路IC1稳压得到l2V电压供“恒流/涓流”转换继电器使用,l2V直流电压再经三端稳压集成电路IC2稳压得到6V电压,为“恒流/涓流”转换控制电路提供电源和电压基准。
充电初期,220V交流电经过插头、开关、保险丝FU1和继电器K的常闭触点到变压器T的初级A端,由变压器变压后输出38.8V交流电,经桥式整流电路整流,然后经电流表、保险丝FU2给蓄电池充电,此时充电电流较大,充电器处于
恒流充电模式。
蓄电池端电压通过RP2、R2送到运放IC3的同相输入端5脚,6V稳压经R4、R5分压后为IC3的反相输入端第6脚提供基准电压,IC3将对5脚和6脚的电压进行比较。
当蓄电池端电压低于43.2V(对应于36V蓄电池)时,IC3B第5脚的电压低于第6脚的电压,7脚输出低电平,IC3A第1脚也输出低电平,三极管VTI、VT2截至,充电器保持恒流充电状态。
随着充电的进行,蓄电池两端的电压逐渐升高,当蓄电池端电压高于43.2V 时,IC3第5脚的电压将高于第6脚的电压,7脚输出高电平,IC4的1脚也输出高电平。
IC4第1脚的高电平一方面使三极管VTI导通,继电器K吸合,220V交流电经过继电器K的常开触点到达变压器T初级的B端,变压器输出电压降低,充电电流减小,充电器进入涓流充电状态。
IC3A第1脚的高电平还使三极管VT2导通,电阻R9接入IC3、IC4的两个反相输入端,降低了反相输入端的基准电压值,防止了因为降低充电电流引起的波动,使之一直保持在涓流充电状态。
在IC3B第7脚和IC3A第3脚之间,加入了起延时作用的元件R6、C4,可以有效防止充电器在“恒流”充电和“涓流”充电之间频繁切换。
由于该充电器预留了48V的充电绕组,可以将充电整流的全桥接到变压器T 次级的52.5V端子上,再将RP2适当调整,或者加大电阻R2的阻值,以适应48V 蓄电池充电。
脉冲充电器
图3是一种采用晶闸管脉冲充电技术设计的充电器电路,适合用于大多数的电动自行车充电。
变压器T输出的低压交流电经VD5-VD8组成的桥式整流电路整流后,得到lOOHz的脉动直流电,该电压不经过滤波而直接加到晶闸管VS1的阳
极,再到晶闸管VS1的阴极给蓄电池充电;lOOHz的脉动直流电还经VD1、R9、VD1O、C3组成的简易l2V稳压滤波电路,为电压比较器IC1提供稳定的直流电源。
VS1为单向晶闸管,它的导通受电压比较器IC1、三极管VT1、VT2等组成的控制电路控制。
充电之初,蓄电池的端电压较低,该电压通过R1、RP1、R2组成的取样电路送入电压比较器IC1A第4脚,2脚对地开路,充电电压经VD4、R20、R21使稳压二极管VD11击穿导通,三极管VT2饱和,VT1也饱和导通,VS 1触发导通,给蓄电池正常充电。
充电电流的波形如下图所示。
当蓄电池充足电后,端电压上升使电压比较器IC1A第4脚电压高于第5脚的参考电压,IC1A第2脚对地短踏,使R20与R21的分压点降低,VT1、VT2截止,晶闸管VS1也关断,充电停止。
本机还有过流保护,R11为充电电流取样电阻,充电电流越大,R11两端的电压也越高。
值得注意的是,R11的电压极性是左负右正。
左边的负电压经Rl3分别送人四电压比较器IC1的6脚和9脚,由于R8的作用,四电压比较器IC1的6脚和9脚在没有充电的时候存在一个较弱的正电压。
如果充电电流过大,R11左边的负电压也增加,使四电压比较器IC1的6脚和9脚的电压降低,当充电电流超过规定值时,IC1的9脚电压低于OV,IC1C的状态翻转,14脚对地短路,将R20、R21的分压点电压拉低,充电停止。
IC1D的作用是用于充电状态显示,充电时,红色发光二极管VDl3点亮。
晶闸管充电器
下图是一种采用晶间管的充电器,这种充电器的充电电流可以做到30A,非常适合电动自行车、电动三轮车维修人员使用,它可以一次对多只蓄电池充电。
整个充电器由电源电路、触发电路和主控电路三部分组成。
220V市电经电源开关S-S1、电源变压器T1降压后,由二极管VDI-VD4组成的全波整流电路整流,
变为脉动直流电源。
一路经电阻R1限流和稳压二极管VD8稳压,输送约l8V的梯形波同步稳压电源,作为时基集成电路IC2及其外围元件构成的无稳态振荡器RC延时环节的电源;另一路经过三端稳压集成电路IC1送出l2V稳定的直流电压作为IC2的工作电源。
触发电路由IC2及R2、R3、RP、C1、C2等元件构成,振荡周期小于lOms固定不变,仅可改变输出矩形被占空比,无稳态振荡器和R4、脉冲变压器T2形成触发脉冲。
振荡器之所以采用l8V和l2V两路同步稳压电源,目的是增大输出矩形波的占空比,即增大触发脉冲的移相范围。
本触发电路的移相范围大于120度,调节电位器RP即可输出不同触发角的触发脉冲,从而达到控制晶闸管VS导通的目的。
实验证明,该触发电路输出的脉冲,其宽度比任何由单结晶体管构成的触发电路输出的脉冲大几倍,能够可靠地触发反电势负载和大电感负载电路中的晶闸管可靠导通。
主控电路由保险丝FU、电流表和品间管VS组成,接上待充电的电池或蓄电池(组)后,晶闸管VS获得触发脉冲,就以不同脉宽的脉冲控制VS的导通角,调节RP就可以满足不同充电电流或电压不同的蓄电池(组)充电。
由于这种晶闸管充电器的蓄电池直接和市电连接,使用时必须按照图中标注的零线和火线连接220V交流电源,连接和取下蓄电池之前,也必须先关闭220V的电源开关。
正常的充电操作顺序是,先将需要充电的一个或者多个蓄电池串联后接入充电器,然后将充电电流调节电位器RP调到最小充电电流位置(图4中RP的最右边),再合上220V交流电源开关,根据几个蓄电池中容量最小的蓄电池来调节RP选择充电的电流。
本文介绍的4种工频变压器虽然存在充电效率低等缺点,但这些充电器电路简单、便于维修、使用寿命长,仍然得到普遍应用。