2016年酒店设备保养计划实施总表解读
- 格式:doc
- 大小:314.00 KB
- 文档页数:14
《酒店设备设施维护保养制度[★]》第一篇:酒店设备设施维护保养制度酒店设备设施维护保养制度一、目的。
建立设备设施维护保养标准,使设备设施安全正常运行,以满足生产需要。
二、适用范围。
本制度适用于本商场设备设施的维护保养工作。
三、责任:1酒店工程部门负责对全商场各设备设施维护保养工作进行检查、监督、考评与管理。
2工程部设备设施人员负责对本商场的设备设施维护保养工作进行检查和考评。
3操作人员(包括机、电、仪维修人员)负责自己操作设备设施的维护保养工作。
四、内容1对所有的设备设施都要实行以操作人员为主,机、电、仪维修人员相结合的包机包修制。
设备设施归谁操作,由谁维护。
做到分工明确,责任到人。
2设备设施维护保养工作必须贯彻“维护与计划检修相结合”、“专业管理和员工管理相结合”的原则。
包机人员对自己负责的设备设施要做到正确使用、精心维护,使设备设施保持完好状态,不断提高设备设施完好率和降低泄漏率。
3设备设施使用部门负责起草设备设施操作维护保养规程,并报工程部门审批。
经批准后,使用部门应按规程严格执行,不得擅自改变。
如需更改,必须报工程部门批准备案。
4工程部要定期组织操作人员学习设备设施操作和维护保养规程,进行“三会”教育(即会使用、会维护保养、会排除故障)。
经理论和实际操作技术考核合格后,方可独立操作。
对主要设备设施的操作人员,要求做到相对稳定。
5操作人员必须做到下列主要工作:5.1严格按操作规程进行设备设施的启动运行和停机。
5.2严格执行工艺规程和巡回检查制度,按要求对设备设施工作状况(温度、压力、震动、异响、油位、泄漏等)进行巡回检查、调整并认真填写运行记录,数据要准确。
严禁设备设施超压、超温、超速、超负荷运行。
5.3操作人员发现设备设施出现异常情况时,应立即查找原因,及时消除,对不能立即消除的故障要及时反映。
在紧急情况下(如有特殊声响、强烈振动、有爆炸、着火危险时),应采取果断措施,甚至停机处理。
并随即通报工程部门。
调
系
统
设备保养总表说明:
1、消防系统维保工作委外,表单亦委外,部门仅需监督其保养完成情况并收集整理表单;
2、各区域项目自行根据体系要求的保养项目制定计划(即完成保养计划与实施一栏);
3、该表中所有项目完成都需要工单可查;
4、强电间等设备年度检修可分批在年度内完成;
5、变电所内年度保养可在五一、十一期间分批完成;
6、表单中每项任务完成后,则在相应月份打√标识该项目完成;
7、该表单由专人负责各项任务的督促执行,负责所有表单(包含体系表单)的整理;
备注:1、批量设备检修按年度计划集中进行。
客房检修按客房检修计划执行。
直燃机房、锅炉设备检修按换季检修计划执行。
外部保养设备按保养合同进行。
2、设备保养要严格按计划进行,保养完毕及时做好登记。
红色“”是年度保养计划。
黄色“”是本月要。
酒店设备维护与保养计划内容总结简要在多年的工作经验中,深入参与了酒店设备维护与保养计划,从实际工作中积累了丰富的经验。
我所在的部门是酒店的设备维护部,负责酒店所有设施的维护与保养。
我们的主要工作是根据设备的运行情况制定维护计划,确保设备的正常运行。
在这个过程中,我了解到设备维护的重要性,它能确保酒店的正常运营,提高客户满意度。
案例研究方面,参与了一个关于提升客房空调性能的项目。
我们通过对客房空调的运行数据进行收集和分析,发现了空调性能下降的原因。
随后,我们实施了相应的维护措施,提升了空调的性能,确保了客房的舒适度。
这个案例让深刻认识到数据分析在设备维护中的重要性。
在数据分析方面,负责收集和整理酒店设备的运行数据,通过对比历史数据,发现设备的运行规律。
这样不仅能提前发现设备潜在的问题,还可以为制定维护计划依据。
在实施策略方面,参与制定了酒店设备的定期检查和保养计划。
我们根据设备的运行情况,合理安排检查和保养时间,确保设备在最佳状态下运行。
我们还对设备维护人员进行培训,提升他们的专业技能,从而提高设备维护的质量。
在酒店设备维护与保养计划的工作中,深刻认识到每个环节的重要性,并积累了丰富的经验。
我相信这些经验对今后的工作有很大帮助。
以下是本次总结的详细内容一、工作基本情况作为酒店设备维护部门的一员,深知肩负着保障酒店正常运营的重要责任。
在过去的工作中,我严格遵守工作规程,积极参与设备维护与保养,确保酒店设施处于最佳状态。
二、工作成绩和做法通过不懈努力,我在设备维护与保养方面取得了显著成绩。
例如,通过定期检查和数据分析,我们提前发现并解决了客房空调性能下降的问题,确保了客房舒适度。
参与了酒店电梯的维护保养工作,通过合理安排检查时间,确保电梯安全运行。
在实施策略方面,积极参与培训,提升自己的专业技能。
与同事们共同制定了一套完善的设备维护与保养计划,根据设备的运行情况合理安排维护时间,确保设备正常运行。
三、工作成果展示通过我们的努力,酒店设备的运行状况得到了显著改善。
酒店设备使用维护制度1.设备管理岗位职责设备管理是饭店管理中的一个重要内容,所以每一个管理者都负有对设备的管理职责不同岗位的管理者对设备管理的职责是不同的。
通过对设备管理岗位职责的制定,明确设备管理的内容和要求,强化部门的设备管理。
设备管理的核心思想是“谁使用,谁负责”。
设备的使用应实行岗位责任制,凡有固定人员操作的设备,该员工即为该设备的责任人:由多人操作的设备,则指定一人为设备的责任人。
设备的责任人必须对设奋的完好负责。
他必须掌握设备的正确的使用方法和维护方法,能发现设备的异常情况,负责设备故障时的报修,负责在其他员工使用该设备时,对他们进行培训。
2.设备使用程序(1)每台设备必须编写操作(使用)规程和维护规程,作为正确使用维护的依据。
(2)在使用任何一台新设备或新员工独立操作以前,必须对设备的结构性能、安全操作、维护要求等方面的技术知识进行教育和实际操作培训。
(3)人事部门会同工程部应有计划地对操作人员的设备使用情况进行技术培训,以不断提高对设备使用、维护的能力。
(4) 重要设备的操作工经过技术培训后,要进行技术知识和使用维护知识的考试,合格者方能独立使用或操作设备。
3. 设备操作维护规程设备的操作维护规程是设备操作人员正确掌握设备的操作技能与维护方法的技术规范。
它根据设备的结构特点、运行规律及安全运行的要求,规定设备的操作人员在其全部的操作过程中必须遵守的事项、程序及动作。
操作人员认真执行设备的操作、维护规程,可以保证设备的正常运行,减少故障,防止事故发生。
设备操作规程的编制原则主要有:(1))设备的操作规程要按设备的操作程序分条编排,内容精练,重点突出,易懂易记,全用。
(2) 设备操作规程应以设备操作技术要求为基础,结合实际情况,将设备的操作规范、运行特点、注意事项和维护要求今分别列出。
(3)重要设备的操作规程要在设备旁用醒目的标牌说明,并注上重点标记,要求操作者特:别注意。
工程部所管辖的动力设备必须制定详细的运行管理制度,设备的操作员要求严格执行运行制度,以减少故障,防止事故的发生。
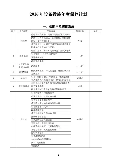
2016设备设施年度保养计划2016年设备设施年度保养计划一、供配电及避雷系统序号保养对象保养内容保养时间备注变压器停电清扫变压器,更换坏的瓷套管及紧固件12月清洁、打磨接线端头,正确接线,紧固接线螺栓,使其接触良好。
检查接地线,检测变压器绝缘电阻及接地电阻并做好相应的工作记录。
2 避雷装置检查,紧固(补焊)电器外壳,金属接地线6、12月检查紧固、(补焊)松脱部位油漆生锈部位测试接地电阻3 低压配电箱电源切换器清洁箱体6、12月4 电缆T接器坚固压线螺丝,对过热变色,烧蚀的线头须打磨处理6、12月5 接地线检查,紧固(补焊)电器外壳,金属接地线,有严重烧蚀且绝缘电阻达不到要求的须更换12月份6 高压环网柜与供电局联系停电开箱检查,紧固接线端头,维护操作机构12月配合供电部门专业人员测试线路避雷器7 发电机检查机油液位和泄漏情况12月份机油滤清器、检查机油油质检查每条皮带的紧张度检查冷却系统的风扇轴承及电机检查散热器、风叶冷却水滤清器检查燃油液位及燃油输送泵排烟螺栓管连接更换或清洗空气滤清器进排风机、送排风口检查电线连接松紧度,拧紧各接线头蓄电池检查、充电装置检查发电机控制屏机身及环境清洁失电自动起动装置检查频率、电压检查负载测试二、避雷系统序保养保养内容保养备号对象时间注1避雷网(接地网)1、涂刷一次保护漆。
2、雷雨季节前夕测试一次不同标高位置的避雷带接地电阻,同时测量建筑物引下线端接地网的接地电阻,电阻值过大时,必须检查引出线与接地网|的连接情况。
4、9月2 避雷带1、保证各支撑杆间距一致,安装牢固。
2、焊结牢固,无虚焊,焊花整齐。
4、9月3 接地线1、高压环网柜、变压器、低压配电柜、发电机组、空调主机等大型设备必须有两条接地线与避雷网相连。
2、检查接地线与设备焊结是否牢固,有无虚焊、脱焊现象,焊花是否整齐。
3、检查接地线与设备镙栓连接是否紧固,有无锈蚀、松脱现象。
4、9月4 引下线1、检查避雷带T接是否良好,焊结是否牢固。
酒店管理工程酒店机电设备标准酒店机电设备标准中的相关要求1质保01)具体设备和系统的质量保证和服务合同要求以各章规定为准。
02)承包人应提交一份以业主为被保证人的书面质量保证书,该质量保证期限应为自作业实质交付证书签署之日起的一年时间。
(参考:标准中更正为“从酒店试营业开始之后两年时间”)03)质量保证应包括免费对机械和电气作业中存在的任何缺陷进行修理和/或更换的保证。
此外,质量保证还应包括对因缺陷本身或缺陷的维修或更换而损坏的建筑物装饰面或其它物件进行维修或更换,以及对因缺陷本身或缺陷的维修或更换而受损的其它设备进行赔偿。
04)重要设备应享有为期超过一年的所有部件质量保证,具体的质量保证年限应根据物业的地理位置而定。
05)以下设备的质保应经酒店审查(标准中进一步明确如下):2服务合同01)机械和电气承包人的投标报价中应包含服务合同的费用。
上述服务合同应指针对制冷机房、冷却器、冷却水泵、冷冻水泵、冷却塔、自动温度控制系统、水处理系统的保养服务合同。
服务合同应以一年为期循环续签,并应涵盖所有部件和人力。
02)有关服务合同的具体要求,请参阅各章中针对服务合同而规定的附加要求。
03)承包人应能够提供全天候24小时的保养维修服务。
标准中对服务合同分项做了更加详细的规定,但是基本同就建筑标准中的规定相同3备件和工具以下备件和工具应在总承包项下(由适当的分包商)提供:01)泵提供一年用量的制造商建议部件,包括:●针对所安装的每种泵提供一组维修套件;●针对每三个相同尺寸的泵提供一个叶轮总成;(建议不备叶轮总成)●针对每个泵提供一套轴承;(建议按轴承型号进行备份)●针对每个泵提供一个橡胶联轴节;(建议按联轴节型号进行备份)●针对每个泵提供一个机械密封件或包装材料(若未采用机械密封件)(建议按泵的类型进行备份)。
02)电动机●针对每个电动机提供一套轴承(建议按轴承型号进行备份)03)电动起动机●针对每五个相同型号的起动器提供一个备用起动器。
酒店设施设备维修保养规定1、设备、设施维修保养管理基本要求(1) 加强设备、设施的维修保养工作必须坚持“预防为主”和“维护与计划检修相结合”的原则,做到正确使用,精心维护,使设备经常处于良好状态,保证设备、设施的长期、安全、稳定运转,以满足酒店各项工作的需求,保证正常营业。
(2) 设备、设施使用操作人员是设备、设施维护保养的责任者,应实行以操作人员为主的设备维护保养责任制。
操作人员必须以严肃的态度和科学的方法,正确使用和维护好设备,必须严格执行设备设施使用、管理、维护岗位责任制和各种设备操作规程。
(3) 操作、维修人员要不断学习钻研各岗位业务技术。
要定期进行多岗位培训,使操作和维修人员能做到一专多能,要做到“四懂三会”(四懂是:懂结构、懂原理、懂性能、懂用途;三会是:会使用、会维护保养、会排除故障)。
(4) 特种设备维修人员须按政府有关部门的规定经过培训、考核合格后发给证书,才能持证上岗操作和维修,从事电气(具)操作、维修人员必须是有证人员,无证者不得单独从事电气(具)维修工作。
(5) 各种设备的操作人员必须严格遵守操作规程,进行设备的启动、运行和停机。
设备操作、维修人员必须坚守岗位,严格执行巡回检查制度,认真填写运行、维修等记录,严格执行交接班制度。
(6) 各种设备的维修保养人员应定时定点上岗检查,随时注意观察设备运转情况,发现缺陷和隐患要及时消除,不能立即消除的缺陷要及时向部经理或设备、设施管理人员汇报并做好记录,而且要立即采取措施,确保正常运转。
(7) 操作和维修人员应该为设备创造良好的运作环境,搞好设备环境及劳动保护、安全生产工作,对本岗位的设备、副机等要定期检查维护,并做好清洁工作。
(8) 重要设备应有专人负责定期检查、维修,对在用、备用、封存和闲置的设备,都要定期进行除尘、防潮、防腐蚀等维护保养工作,并做好清洁、润滑和紧固工作,及时消除跑、冒、滴、漏。
(9) 酒店各级设备管理人员必须对各种设备使用、管理、维护保养制度的贯彻执行情况定期进行检查,认真总结操作和维修工作的经验教训,不断改进设备管理工作。
酒店设施设备维护保养计划第1章酒店设施设备维护保养概述 (3)1.1 设施设备维护保养的意义与目的 (3)1.1.1 意义 (3)1.1.2 目的 (4)1.2 维护保养的基本原则与要求 (4)1.2.1 基本原则 (4)1.2.2 要求 (4)第2章酒店设施设备分类与选型 (4)2.1 设施设备分类 (4)2.2 设备选型与配置 (5)2.3 设备更新与淘汰 (5)第3章电气系统维护保养 (6)3.1 供配电系统 (6)3.1.1 定期检查 (6)3.1.2 维护保养 (6)3.1.3 预防性试验 (6)3.2 照明与插座系统 (6)3.2.1 定期检查 (6)3.2.2 维护保养 (6)3.3 防雷与接地系统 (6)3.3.1 定期检查 (6)3.3.2 维护保养 (7)第4章空调与通风系统维护保养 (7)4.1 空调系统 (7)4.1.1 系统概述 (7)4.1.2 维护保养内容 (7)4.2 分体空调与多联机系统 (7)4.2.1 系统概述 (7)4.2.2 维护保养内容 (7)4.3 通风与排烟系统 (8)4.3.1 系统概述 (8)4.3.2 维护保养内容 (8)第5章给排水系统维护保养 (8)5.1 给水系统 (8)5.1.1 维护保养内容 (8)5.1.2 维护保养周期 (8)5.2 排水系统 (8)5.2.1 维护保养内容 (8)5.2.2 维护保养周期 (9)5.3 热水供应系统 (9)5.3.1 维护保养内容 (9)第6章消防系统维护保养 (9)6.1 消防给水系统 (9)6.1.1 定期检查消防水池、水箱、泵房等设施,保证水源充足,水质清洁,设施完好。
(9)6.1.2 对消防水泵、稳压设备进行定期维护,保证设备运行正常,泵组启动和停止功能正常。
(9)6.1.3 检查消防给水管道、阀门及消火栓等设施,保证管道无泄漏,阀门开关灵活,消火栓完好。
(9)6.1.4 按照规定对消防给水系统进行定期试压,保证系统在规定压力下正常运行。
酒店设备设施维护保养制度酒店设备设施维护保养制度前言:建立设备设施维护保养制度是为了保持设备正常使用、运行,延长使用寿命所必须进行的日常工作。
设备的维护保养工作是工程部设备管理中的重要内容。
设备维护工作做好了,即可减少设备故障率,降低维修成本费用,也可以节能降耗,减少设备运行费用;即保证对客服务质量,又可给酒店创造经济效益,也給员工带来良好的福利。
一、设备维护保养分类设备维护保养分两个层次:u 一是设备的日常维护保养,u 二是设备的定期维护保养。
二、日常维护保养2.1日常维护制度:1)每班保养;设备的每班保养,要求操作人员在每班工作中必须做到以下几项内容:a. 班前对设备的各部分进行检查,并按规定润滑加油;b. 做好班前检点,确认设备正常后才能使用;c. 按设备操作、维护规程正确使用设备;d. 下班前必须认真清洁、擦拭设备,清理工具,清扫工作地;e. 工作中严格按操作规程使用设备,发现问题及时处理;f. 办好交接班手续。
2)周末保养;周未保养要求用1一2小时对设备进行彻底清洁、擦拭和加润滑油,并按照设备维护的”五项要求”进行检查评定及考核。
2.2日常维护基本要求;a整齐;整齐体现了酒店的管理水平和工作效率。
酒店内所有非固定安装的设备和机房的物品都必须摆放整齐;设备的工具、工件、附件也要整齐放置;设备的零部件及安全防护装置要齐全;设备的各种标牌要完善、干净、各种线路、管道要安装整齐、规范。
b清洁;设备的清洁是为设备的正常运行创造一个良好的环境,以减少设备的磨损。
因此,必须保持机房内设备周围的场地清洁,不起灰,无积油,无积际水,无杂物。
设备外表清洁,铁无锈斑,漆显光泽,各滑动面无油污;各部位不漏油,不漏水,不漏气,不漏电。
C润滑;保持油标醒目;保持油箱、油池和冷却箱的清洁,无杂质。
油壶、油孔油杯、油嘴齐全,油路畅通。
每台需要润滑的设备都应制定”五定”润滑图表,按质、按量、按时加油或换油。
D安全;遵守设备的操作规程和安全技术规程,防止人身和设备事故。
系统保养项目地点保养要求周期保养计划与实施负责人1 2 3 4 5 6 7 8 9 10 11 12给排水设备1管路过滤器清洁,2机械密封检查,3管路、阀件、水泵除锈补漆年度给排水设备1定水位阀外观检查及补水测试保养,2管路过滤器清洁,3水泵振动、异音检查,4水泵基座螺丝紧固,5马达散热部位清洁季度生活水泵振动测量竖向、水平、轴向振动测量季度景观喷泉系统景观水池1喷头外观检查,2喷泉工作状况检查,3阀体工作状况检查,4水池景观灯状况检查,5水池土建状况检查季度景观水泵1配电箱各接线端子紧固,2仪表、按钮、指示灯状况检查,3电缆、线路外观检查,4绝缘检查,5电气设备内外清洁除尘季度变配电系统用电末端配电柜(主要指设备现场电箱)1配电箱各接线端子紧固,2电动机接线端子紧固,3母排、电缆及线路外观检查,4各线路绝缘检查,5仪表、指示灯状况检查,6按钮转换开关状态检查,7软启动器状态检查,变频器状态检查,8继电器、接触器状态检查,9ATS自动切换试验,10电器设备内外清洁年度用电末端配电柜(主要指设备现场电箱)1配电箱各接线端子检查,2电动机接线端子紧固,3母排、电缆及线路外观检查,4各线路绝缘检查,5仪表、指示灯状况检查,6按钮转换开关状态检查,7软启动器状态检查,变频器状态检查,8继电器、接触器状态检查,9ATS自动切换试验,10电器设备内外清洁季度*直流屏1电源柜各接线端子检查,2母线、电缆及线路外观检查,3各线路绝缘检查,4检查电池桩头、外观,5电池电压、单体端电压测量,6充电模块、监控模块检查,7功能检查,8电器设备内外清洁除尘半年电容柜1配电柜各接线端子检查,2母排、电缆及线路外观,3线路绝缘检查,4仪表指示灯状况检查,5电容投切开关检查,6季度熔芯检查,7电容外观检查,8电器设备内外清洁除尘低压柜(主要指强电间内)1配电柜各接线端子检查,2母排、电缆及线路外观,3线路绝缘检查,4仪表指示灯状况检查,5按钮、转换开关状况检查,6继电器、接触器状况检查,7ATS开关自动切换试验,8电器设备内外清洁除尘年度大容量开关柜1配电柜各接线端子检查,2母排、电缆及线路外观,3线路绝缘检查,4仪表指示灯状况检查,5按钮、转换开关状况检查,6继电器、接触器状况检查,7刀口弹力检查,8灭弧棚罩检查,9动静触头检查,机械连锁、分合闸检查,10电器设备内外清洁除尘年度抽屉式开关柜1配电柜各接线端子检查,2母排、电缆及线路外观,3线路绝缘检查,4仪表指示灯状况检查,5开关柜外部机构检查,6自动空气开关操作机构检查,7电器设备内外清洁除尘年度UPS电源1配电柜各接线端子检查,2母排、电缆及线路外观,3线路绝缘检查,4检查电池桩头、外观,5电池总电压、单体端电半年压测量,6功能检查,7电气设备内外清洁除尘UPS电源1电池电压,2充放电电流季度EPS消防电源1配电柜各接线端子检查,2母排、电缆及线路外观,3线路绝缘检查,4检查电池桩头、外观,5电池总电压、单体端电压测量,6检查充电模块、监控模块,7功能检查,8电气设备内外清洁除尘半年母线槽插接箱1母线槽外及母排接线端子检查,2母排、电缆及线路外观检查,3绝缘检查,4电器设备内外清洁除尘年度中央空调系统AHU 1表冷器清洗,2箱体清洁,3除锈补漆年度AHU1螺丝紧固,2Y型过滤器清洗,3皮带轮锥套检查,4轴承加黄油,5风阀轴加黄油,6表冷器鳍片检查季度AHU1风机风速检查,2电磁阀检查,3异音耳测检查,4滤网清洁,5水盘及排水清洁,6皮带外观目测检查,7箱体照明检查月度AHU对心记录1对心量测《1.5mm,2调整后测量值(mm)年度AHU振动测量1(竖直方向),2(水平方向),3(轴向) 季度EAF 1箱体清洁,2除锈补漆年度EAF1EAF螺丝紧固,2振动量测,3EAF对心检查,4皮带盘锥套是否松动,5风机轴承检查加润滑脂季度EAF 1电机散热部位清洁,2皮带外观目测检查,3风机异音检查月度FCU 1过滤网清理,2水盘清洁检查,3风机电机/电磁阀检查季度空调水泵1异音检查2轴封冷却水检查3轴封是否渗漏4压力表检查月度在使用季节保养热水锅炉热水锅炉1异音检查,2火焰探测器清扫受光面,3清扫燃气过滤器滤网杂物,4锅炉水位计检查月度在使用季节保养热水锅炉1清洗玻璃水位计,2清洗水位计感应电极棒季度在使用季节保养消防防火卷帘门1外观检查,2手动测试,3导轨加黄油,4消控指令动作季度已外包喷淋系统末端1末端压力,2水流指示器,3水力警铃响,4压力开关动作,月度已外包系统5喷淋泵启动湿式报警阀1二次侧压力,2信号蝶阀,3排水阀,4测试阀,5外观月度已外包室外控制阀1加黄油,2外观检查,3状态检查季度已外包室外消火栓、水泵结合器1水压值,2外观检查,3漏水检查月度已外包送排风机1EAF螺丝紧固,2振动量测,3EAF对心检查,4皮带盘锥套是否松动,5风机轴承检查加润滑脂季度已外包送排风机1异音检查,2皮带外观目测检查月度已外包消防泵1电流,2压力,3异音,4温度,5振动月度已外包消防广播、层显、安全出口灯1层显,2消防广播,3手动报警器,4声光报警器,5逃生指示器月度已外包消防火警系统联动1卷帘门,2声光报警器,3楼层层显,4消防广播,5排烟风机,6正压风机,7电力强切,8电梯迫降季度已外包消防水系统1补水测试,2漏水检查年度已外包消防稳压泵1控制箱线路检查,2进出水阀门状态,3电接点压力表设定压力核对,4稳压泵手动测试月度已外包消火栓按钮联动测试1消火栓按钮启泵反馈灯亮,2消火栓泵启动,3消火栓按钮报警信号,4消火栓泵启动反馈信号季度已外包消火栓压力压力实测季度已外包消火栓箱1消火栓配件检查,2功能检查,3外观检查月度已外包设备保养总表说明:1、消防系统维保工作委外,表单亦委外,部门仅需监督其保养完成情况并收集整理表单;2、各区域项目自行根据体系要求的保养项目制定计划(即完成保养计划与实施一栏);3、该表中所有项目完成都需要工单可查;4、强电间等设备年度检修可分批在年度内完成;5、变电所内年度保养可在五一、十一期间分批完成;6、表单中每项任务完成后,则在相应月份打√标识该项目完成;7、该表单由专人负责各项任务的督促执行,负责所有表单(包含体系表单)的整理;编号设备名称数量周期保养项目周期(月)责任人1 2 3 4 5 6 7 8 9 10 11 121 蒸箱3台2个月排污、气阀、蒸箱门、风机2 电烤箱2台季度电气控制、机械联动、温控3 排烟机2台月度电机、联动、风轮、接线4 炉灶、电机6台季度风机、气阀、联动轮、过滤网5 运水烟罩2台季度压力泵、喷嘴、引风机、排水管6 压面机2台2个月齿轮、电机、机械、控制开关、接线7 搅拌机2台2个月齿轮、电机、机械、控制开关、接线8 电饼档2台2个月加热器、自动控制、控制开关、接线9 豆浆机1台2个月电机绝缘、磨片、过滤网10 电炸锅1台2个月加热器、自动控制、温控、接线11 电煎炉1台2个月加热器、自动控制、温控、接线12 电煮炉1台2个月加热器、自动控制、温控、接线14 真空机1台使用前电机、密封、真空泵、加热器、油位、压力表15 微波炉2台季度清扫、接线16 电冰箱10台夏月、冬季冷凝器、风扇、压缩机、温控器17 分体空调2台夏月、冬季风扇、冷凝器、控制接线、温控器、开关18 冷藏展示柜1台夏月、冬季风扇、冷凝器、控制接线、温控器、开关19 冷库2个夏月、冬季风扇、冷凝器、控制接线、温控器、开关20 制冰机2台夏月、冬季风扇、冷凝器、控制接线、温控器、开关21 开水器2台季度加热器、温控器、接线、开关22 洗碗机1台季度电气、加热器、水泵、传动喷头、控制接线23 吸尘器15台季度碳刷、海绵过滤、风叶、接线、开关24 盘子加热器1台季度加热管、温控器、开关、接线25 地毯机1台2个月碳刷、喷头、接线、水箱、开关26 吸水机1台季度电机、接线、开关、过滤器27 单擦抛光机1台2个月电机、轴承、开关、接线、联动28 高压水枪1台季度电机、水泵、连线、开关、30 感应旋旋门2个季度电机、皮带、轨道、感应器31 擦鞋机1台季度电机、感应器32 工作车台季度车轮、车体、轴承33 排风扇180个年度电机、风叶34 水龙头年度过滤网、水流大小调整36 打印、复印机13?台季度除尘、联动、电源37 传真机3台季度除尘、联动、电源38 计算机季度除尘、电源、系统39 新风机台月季电机、联动、叶轮、阀门、过滤46 投影仪2台季度除尘、接线、灯泡47 音响系统2套季度除尘、音响、连线备注:1、批量设备检修按年度计划集中进行。
酒店设备设施维护保养制度酒店设备设施维护保养制度前言:建立设备设施维护保养制度是为了保持设备正常使用、运行,延长使用寿命所必须进行的日常工作。
设备的维护保养工作是工程部设备管理中的重要内容。
设备维护工作做好了,即可减少设备故障率,降低维修成本费用,也可以节能降耗,减少设备运行费用;即保证对客服务质量,又可给酒店创造经济效益,也给员工带来良好的福利。
一、设备维护保养分类设备维护保养分两个层次:u 一是设备的日常维护保养,u 二是设备的定期维护保养。
二、日常维护保养日常维护制度:1)每班保养;设备的每班保养,要求操作人员在每班工作中必须做到以下几项内容:a. 班前对设备的各部分进行检查,并按规定润滑加油;b. 做好班前检点,确认设备正常后才能使用;c. 按设备操作、维护规程正确使用设备;d. 下班前必须认真清洁、擦拭设备,清理工具,清扫工作地;e. 工作中严格按操作规程使用设备,发现问题及时处理;f. 办好交接班手续。
2)周末保养;周未保养要求用1一2小时对设备进行彻底清洁、擦拭和加润滑油,并按照设备维护的”五项要求”进行检查评定及考核。
日常维护基本要求;a整齐;整齐体现了酒店的管理水平和工作效率。
酒店内所有非固定安装的设备和机房的物品都必须摆放整齐;设备的工具、工件、附件也要整齐放置;设备的零部件及安全防护装置要齐全;设备的各种标牌要完善、干净、各种线路、管道要安装整齐、规范。
b清洁;设备的清洁是为设备的正常运行创造一个良好的环境,以减少设备的磨损。
因此,必须保持机房内设备周围的场地清洁,不起灰,无积油,无积际水,无杂物。
设备外表清洁,铁无锈斑,漆显光泽,各滑动面无油污;各部位不漏油,不漏水,不漏气,不漏电。
C润滑;保持油标醒目;保持油箱、油池和冷却箱的清洁,无杂质。
油壶、油孔油杯、油嘴齐全,油路畅通。
每台需要润滑的设备都应制定”五定”润滑图表,按质、按量、按时加油或换油。
D安全;遵守设备的操作规程和安全技术规程,防止人身和设备事故。
酒店设备设施维护保养制度酒店设备设施维护保养制度前言:建立设备设施维护保养制度是为了保持设备正常使用、运行,延长使用寿命所必须进行的日常工作。
设备的维护保养工作是工程部设备管理中的重要内容。
设备维护工作做好了,即可减少设备故障率,降低维修成本费用,也可以节能降耗,减少设备运行费用;即保证对客服务质量,又可给酒店创造经济效益,也給员工带来良好的福利。
一、设备维护保养分类设备维护保养分两个层次:u 一是设备的日常维护保养,u 二是设备的定期维护保养。
二、日常维护保养日常维护制度:1)每班保养;设备的每班保养,要求操作人员在每班工作中必须做到以下几项内容:a. 班前对设备的各部分进行检查,并按规定润滑加油;b. 做好班前检点,确认设备正常后才能使用;c. 按设备操作、维护规程正确使用设备;d. 下班前必须认真清洁、擦拭设备,清理工具,清扫工作地;e. 工作中严格按操作规程使用设备,发现问题及时处理;f. 办好交接班手续。
2)周末保养;周未保养要求用1一2小时对设备进行彻底清洁、擦拭和加润滑油,并按照设备维护的”五项要求”进行检查评定及考核。
日常维护基本要求;a整齐;整齐体现了酒店的管理水平和工作效率。
酒店内所有非固定安装的设备和机房的物品都必须摆放整齐;设备的工具、工件、附件也要整齐放置;设备的零部件及安全防护装置要齐全;设备的各种标牌要完善、干净、各种线路、管道要安装整齐、规范。
b清洁;设备的清洁是为设备的正常运行创造一个良好的环境,以减少设备的磨损。
因此,必须保持机房内设备周围的场地清洁,不起灰,无积油,无积际水,无杂物。
设备外表清洁,铁无锈斑,漆显光泽,各滑动面无油污;各部位不漏油,不漏水,不漏气,不漏电。
C润滑;保持油标醒目;保持油箱、油池和冷却箱的清洁,无杂质。
油壶、油孔油杯、油嘴齐全,油路畅通。
每台需要润滑的设备都应制定”五定”润滑图表,按质、按量、按时加油或换油。
D安全;遵守设备的操作规程和安全技术规程,防止人身和设备事故。
EO-RE-36(A)4/1
3
EO-RE-36(A)4/1
3
EO-RE-36(A)4/1
3
EO-RE-36(A)4/1
3
EO-RE-36(A)4/1
3
设备保养总表说明:
1、消防系统维保工作委外,表单亦委外,部门仅需监督其保养完成情况并收集整理表单;
2、各区域项目自行根据体系要求的保养项目制定计划(即完成保养计划与实施一栏);
3、该表中所有项目完成都需要工单可查;
4、强电间等设备年度检修可分批在年度内完成;
5、变电所内年度保养可在五一、十一期间分批完成;
6、表单中每项任务完成后,则在相应月份打√标识该项目完成;
7、该表单由专人负责各项任务的督促执行,负责所有表单(包含体系表单)的整理;
EO-RE-36(A)4/1
3
EO-RE-36(A)4/1
3 2、设备保养要严格按计划进行,保养完毕及时做好登记。
红色“”是年度保养计划。
黄色“”是本月要
EO-RE-36(A)4/1
3
EO-RE-36(A)4/1
3
EO-RE-36(A)4/1
3
EO-RE-36(A)4/1
3
EO-RE-36(A)4/1
3
EO-RE-36(A)4/1
3
EO-RE-36(A)4/1
3。